石材幕墙工程检验批质量验收记录表
- 格式:docx
- 大小:8.84 KB
- 文档页数:3
石材幕墙报审,报验表监理意见这么写一、施工质量验收技术资料通用表1、“开工报告”审查意见填写:施工准备工作完成,同意开工。
2、“工程项目施工企业主要管理人员名单”审查意见填写:同意资格审查。
3、“施工组织设计(施工方案)报批表”监理单位审查意见填写:经审查该施工组织设计符合有关规范标准和图纸及合同要求,同意按此施工组织设计实施。
4、“施工技术交底记录”监理单位检查结论填写:符合要求。
5、“新材料、新工艺、新技术、新设备应用申报审批表”审查意见填写:同意。
6、“隐蔽工程验收记录”监理单位验收结论填写:同意隐蔽,进入下道工序。
7、“ 工程报验单”监理单位意见填写:符合设计要求和规范规定,验收合格。
8、“工程竣工验收报验单”监理单位意见填写:经预验收,本工程符合我国现行法律、法规、设计文件和有关质量验收规范、标准及施工合同要求。
本工程预验收合格。
9、“主要设备开箱检验记录”核查结论填:同意施工单位检验结果。
10、“分项、分部(子分部)工程通过验收各方会签表”结论填写:各子分部工程均符合施工质量验收规范要求;质量控制资料及安全和功能检验(检测)报告齐全,合格;观感质量好。
11、“单位(子单位)工程竣工验收参加各方对工程质量的评价书”结论填写:单位工程竣工验收合格。
12、“施工现场质量管理检查记录”核查结论填写:经核查,上述项目符合要求。
13、“子分部工程质量验收记录”分项工程名称栏验收意见填写:各子分部工程验收合格;质量控制资料栏填验收意见填写:各子分部工程质量控制资料齐全;安全和功能检验报告栏填写:同意施工单位评定;观感质量验收栏填写:同意施工单位评定;监理单位栏填写:各子分部工程均符合规范要求,质量控制资料及安全和功能检验(检测)报告齐全,合格,观感质量良好,同意施工单位评定结果,验收合格。
14、“单位(子单位)工程质量竣工验收记录”验收结论在分部工程栏填写:经各专业分部工程验收,工程质量符合验收标准;质量控制15、“单位(子单位)工程质量控制资料核查记录”结论栏填写:通过工程质量控制资料核查,该工程资料齐全,有效,各种施工试验,调试记录等符合有关规范规定,同意竣工验收。
A4干挂石材幕墙工程报验申请表工程名称:编号:石材幕墙工程检验批质量验收记录表(一)(主控项目)说明主控项目1、石材幕墙工程所用材料的品种、规格、性能和等级,应符合设计要求及国家现行产品标准和工程技术规范的规定。
石材的弯曲强度度不应小于8.0MPa;吸水率应小于0.8%。
石材幕墙的铝合金挂件厚度不应小于4.0mm。
不锈钢挂件厚度不应小于3.0mm。
观察和尺量检查;检查产品合格证书、性能检测报告、材料进场验收记录和复验报告。
2、石材幕墙的造型、立面分格、颜色、光泽、花纹和图案应符合设计要求。
观察检查。
3、石材孔、槽的数量、深度、位置、尺寸应符合设计要求。
检查进场验收记录或施工记录。
4、石材幕墙主体结构上的预埋件和后置埋件的位置、数量及后置埋件的拉拔力必须符合设计要求。
检查拉拔力检测报告和隐蔽工程验收记录。
5、石材幕墙的金属框架立柱与主体结构预埋件的连接、立柱与横粱的连接、连接件与金属框架的连接、连接件与石材面板的连接必须符合设计要求,安装必须牢固。
手扳检查;检查隐蔽工程验收记录。
6、金属框架和连接件的防腐处理应符合设计要求。
检验方法:检查隐蔽工程验收记录。
7、石材幕墙的防雷装置必须与主体结构防雷装置可靠连接。
观察和检查隐蔽工程验收记录和施工记录。
8、石材幕墙的防火、保温、防潮材料的设置应符合设计要求,填充应密实、均匀、厚度一致。
检查隐蔽工程验收记录。
9、各种结构变形缝、墙角的连接节点应符合设计要求和技术标准的规定。
检查隐蔽工程验收记录和施工记录。
10、石材表面和板缝的处理应符合设计要求。
观察检查。
11、石材幕墙的板缝注胶应饱满、密实、连续、均匀、无气泡,板缝宽度和厚度应符合设计要求和技术标准的规定。
观察和尺量检查;检查施工记录。
12、石材幕墙应无渗漏。
在易渗漏部位进行淋水检查。
石材幕墙工程检验批质量验收记录表(二)(一般项目)GB50210—2001说明(二)030703一般项目1、石材幕墙表面应平整、洁净,无污梁、缺损和裂痕。
石材幕墙完整检验批资料一、概述石材幕墙是一种常见的外墙装饰材料,广泛应用于商业建筑、住宅小区等地方。
为了确保石材幕墙施工质量,保障建筑物的安全和可持续使用,需要进行完整的检验批资料记录。
二、检验批资料内容1. 工程项目检验记录工程项目检验记录是对石材幕墙施工过程的全面检查记录。
包括检验批编号、检查项目、检查内容详细描述、检查结果、不合格项处置情况等内容。
每个检验项目的检查记录都应包括日期、时间、检验员和监理人员签字。
2. 质量检验记录质量检验记录是对石材幕墙使用的材料和产品的全面检查记录。
需要对材料、墙板、保温层、石材、支架等进行检查,具体项目可根据设计方案和施工要求进行确认。
每个检验项目的检查记录都应包括日期、时间、检验员和监理人员签字,并附上各种材料的样品记录。
3. 安全生产检查记录安全生产检查记录是对石材幕墙施工现场的安全检查记录。
需要对施工现场的安全、文明施工、劳动保护等方面进行检查。
每个检验项目的检查记录都应包括日期、时间、检验员和监理人员签字。
4. 成品检验记录成品检验记录是对完成的石材幕墙的全面检查记录。
包括检查批次号、检查项目、检查内容详细描述、检查结果、不合格项处置情况等内容。
每个检验项目的检查记录都应包括日期、时间、检验员和监理人员签字。
5. 完工联络单完工联络单是对石材幕墙施工的最终确认记录。
包括工程概况、施工单位、监理单位、完工日期、质量保证期限等内容,需要由施工单位和监理单位签字确认。
三、检验批资料的重要性对石材幕墙进行完整的检验批资料记录是非常重要的,有以下几个原因:1. 保障建筑物的安全和可持续使用石材幕墙作为外墙装饰材料,不仅需要具备美观性,更需要具备安全性和可持续性。
进行完整的检验批资料记录能够确保石材幕墙的施工质量符合设计要求,从而保障建筑物的安全和可持续使用。
2. 保证施工质量完整的检验批资料记录可以清晰地记录每个检验项目的检查记录和结果,从而明确各项工作是否已按照设计方案和施工要求进行。
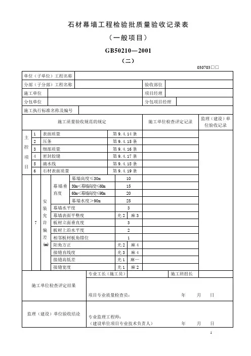
石材幕墙工程检验批质量验收记录表
(一般项目)
GB50210—2001
(二)
说明
(二)
030703
一般项目
1、石材幕墙表面应平整、洁净,无污梁、缺损和裂痕。
颜色和花纹应协调一致,无明显色差,无明显修痕。
观察检查。
2、石材幕墙的压条应平直、洁净、接口严密、安装牢固。
观察和手扳检查。
3、石材接缝应横平竖直、宽窄均匀;阴阳角石板压向应正确。
板边合缝应顺直;凸凹线出墙厚度应一致,上下口应平直;石材面板上洞口、槽边应套割吻合,边缘应整齐。
观察和尺量检查。
4、石材幕墙的密封胶缝应横平坚直、深浅一致、宽窄均匀、光滑顺直。
观察检查。
5、石材幕墙上的滴水线、流水坡向应正确、顺直。
观察和用水平尺检查。
6、每平方米石材的表面质量符合下面的规定:
7、石材幕墙安装的允许偏差的检查方式。
(1)幕墙垂直度用经纬仪检查。
(2)幕墙水平度用水平仪检查。
(3)板材立面垂直度用水平仪检查。
(4)板材上沿水平度用1m水平尺和钢直尺检查。
(5)相邻板材板角错位用钢直尺检查。
(6)幕墙表平整度用垂直检测尺检查。
(7)阳角方正用直角检测尺检查。
(8)接缝直线度拉5m线,不足5m拉通线,用钢直尺检查。
(9)接缝高低差用钢直尺和塞尺检查。
(10)接缝宽度用钢直尺检查。
0302011第4.2.2条2第4.2.3条3第4.2.4条4第4.2.5条1第4.2.6条2第4.2.7条3第4.2.8条4第4.2.9条5第4.2.10条普通4mm 高级3mm 普通4mm 高级3mm 普通4mm 高级3mm 普通4mm 高级3mm 普通4mm 高级3mm阴阳角方正6细部质量层与层间材料要求层总厚度分格条(缝)直线度墙裙、勒脚上口直线度表面平整度分部(子分部)工程名称分包单位施工执行标准名称及编号分 包项目经理施工单位检查评定记录验收部位施工班组长专业工长(施工员)监理(建设)单位验收记录监理(建设)单位验 收 结 论施 工 单 位检查评定结果(建设单位项目专业技术负责人): 年 月 日专业监理工程师:项目专业质量检查员: 年 月 日一般抹灰工程检验批质量验收记录表GB50210-2001施工单位单位(子单位)工程名称项目经理操作要求施工质量验收规范的规定主控项目一般项目表面质量分格缝滴水线(槽)基层表面材料品种和性能层粘结及面层质量允许偏差立面垂直度⒈⒉⒊⒋⒈⒉⒊⒋⒌⒍观察和尺量检查。
一般抹灰工程质量的允许偏差符合下表规定。
有排水要求的部位应做滴水线(槽)。
滴水线(槽)应整齐顺直,滴水线应内高外低,滴水槽的宽度和深度均不应小于10mm。
注:1.普通抹灰,本表第3项阴角方正可不检查;2.顶棚抹灰,本表第2项表面平整度可不检查,但应平顺。
观察和手摸检查。
护角、孔洞、槽、盒周围的抹灰表面应整齐、光滑;管道后面的抹灰表面应平整。
抹灰层的总厚度应符合设计要求;水泥砂浆不得抹在石灰砂浆层上;罩面石膏灰不得抹在水泥砂浆层上。
检查施工记录。
抹灰分格缝的设置应符合设计要求,宽度和深度应均匀,表面应光滑,棱角应整齐。
观察和尺量检查。
(1)普通抹灰表面应光滑、洁净、接茬平整,分格缝应清晰;(2)高级抹灰表面应光滑、洁净、颜色均匀、无抹缘,分格缝和灰线应清晰美观。
说 明察;用小锤轻击检查。
检查施工记录。
建筑幕墙工程施工质量验收资料样板,MQ:建筑幕墙部分,档号档案馆代号案卷题名重庆西南铝装饰工程有限公司编制单位南京三惠钢构玻璃工程有限公司编制日期 2009。
10——2009。
12 密级保管期限共 1 卷第 1 卷江苏省建设工程质量监督站编印建筑工程施工质量验收资料,ZS:装修水电部分,档号档案馆代号案卷题名江宁区职业技术培训中心综合楼装饰工程编制单位南京恒建装饰(集团)有限公司编制日期 2004.2—-2004。
6 密级保管期限共 1 卷第 1 卷江苏省建设工程质量监督站编印建筑幕墙工程概况 MQ1.1建设单位南通华新建工集团有限公司工程名称江苏省老年公寓工程地址南京监理单位江苏省经纬建设监理有限公司结构层次及建筑面积小高层、多层开竣工日期 2009.10。
1——2009。
12.30 南京三惠钢构玻璃工程有限公建筑设计单位幕墙设计单位司2幕墙类型及面积 10000 m 施工壹级幕墙设计单位资质设计贰级幕墙高度南京三惠钢构玻璃工程有限名称项目经理汪开勇公司幕墙制作南京市浦口区珠江工业区纬施工壹级安装施工地址企业资质一路138号设计贰级单位技术负责人王保树质量检查员唐汉生铝型材规格系列主材最小壁厚石材类型幕墙玻璃类型产地幕墙主要材料情况金属板材类型结构、密封胶型号产地建筑幕墙施工组织设计、施工方案及审批 MQ1.3工程名称江苏省老年公寓日期年月日现报上下表中的技术管理文件,请予以审批.类别编制人册数页数施工组织设计施工方案内容附后申报部门(分包单位)申报人:审核意见:?有?无附页总承包单位名称: 审核人: 审核日期:年月日审批意见:审批结论:?同意?修改后报 ?重新编制审批部门(单位): 审核人: 日期:年月日技术交底记录 MQ1。
4日期: 工程名称江苏省老年公寓施工单位南京三惠钢构玻璃工程有限公司交底提要:幕墙施工技术要点交底内容:1、主楼玻璃幕墙部分关键是控制好幕墙水平分格线与石材水平分格线的偏差,防止幕墙横梁标高与石材分格标高出现较大偏差,影响建筑立面效果。
浙建监A5-3工程报验申请表工程名称:编号:A5-3幕墙分部〔子分部〕工程验收记录〔GB50300-2001〕表F.0.1编号:□□□□注:除地基根底分部外,勘察单位可不参加。
浙建监A5-3工程报验申请表工程名称:编号:A5-3石材幕墙分项工程质量验收表〔GB50300-2001〕表E.0.1 编号:□□□□□□工程报验申请表工程名称:编号:A5-3石材幕墙工程检验批质量验收记录..〔GB50210-2001〕表9.4 编号:030703□□□〔GB50210-2001〕表9.4 接上表工程报验申请表工程名称:编号:A5-3石材幕墙工程检验批质量验收记录〔GB50210-2001〕表9.4 编号:030703□□□〔GB50210-2001〕表9.4 接上表工程报验申请表工程名称:编号:A5-3石材幕墙工程检验批质量验收记录〔GB50210-2001〕表9.4 编号:030703□□□〔GB50210-2001〕表9.4 接上表工程报验申请表工程名称:编号:A5-3石材幕墙工程检验批质量验收记录..〔GB50210-2001〕表9.4 编号:030703□□□..〔GB50210-2001〕表9.4 接上表工程报验申请表工程名称:编号:A5-3石材幕墙工程检验批质量验收记录〔GB50210-2001〕表9.4 编号:030703□□□〔GB50210-2001〕表9.4 接上表工程报验申请表工程名称:编号:A5-3石材幕墙工程检验批质量验收记录〔GB50210-2001〕表9.4 编号:030703□□□〔GB50210-2001〕表9.4 接上表工程报验申请表工程名称:编号:A5-3石材幕墙工程检验批质量验收记录..〔GB50210-2001〕表9.4 编号:030703□□□〔GB50210-2001〕表9.4 接上表工程报验申请表工程名称:编号:A5-3石材幕墙工程检验批质量验收记录〔GB50210-2001〕表9.4 编号:030703□□□〔GB50210-2001〕表9.4 接上表性质编号建筑工程技术资料资料名称幕墙工程现场淋水验收记录建立单位工程名称监理单位设计单位施工单位分包单位二〇一〇年六月十二日浙建监A5—3幕墙淋水验收工程报验申请表工程名称:编号:A5—3幕墙现场淋水验收记录工程名称:编号:001性质编号建筑工程技术资料资料名称幕墙工程测量验线记录建立单位工程名称监理单位设计单位施工单位分包单位二〇一〇年六月十二日浙建监A5-3幕墙测量验线报验申请表工程名称:编号:A5-3001〔本表由承包单位填报,一式四份〕技术复核记录工程名称:编号:001. .word.zl.. .word.zl...性质编号建筑工程技术资料资料名称幕墙工程隐蔽验收记录建立单位工程名称监理单位设计单位施工单位分包单位二〇一〇年六月十二日. .word.zl.后置预埋件安装隐蔽工程检查验收记录编号:〔01-18〕/ 03-02 /〔04-02/05-16/06-17/08-20/09-01〕□□□. .word.zl.. .word.zl.钢骨架立柱与横梁安装隐蔽工程检查验收记录编号:〔01-18〕/ 03-02 /〔04-02/05-16/06-17/08-20/09-01〕□□□. .word.zl.. .word.zl.幕墙避雷安装隐蔽工程检查验收记录编号:〔01-18〕/ 03-02 /〔04-02/05-16/06-17/08-20/09-01〕□□□. .word.zl.. .word.zl.防火岩棉安装隐蔽工程检查验收记录编号:〔01-18〕/ 03-02 /〔04-02/05-16/06-17/08-20/09-01〕□□□. .word.zl.. .word.zl.. .. .word.zl.。
目录01、建筑幕墙工程概况┅┅┅┅┅┅┅┅┅┅┅┅┅┅┅┅┅┅┅┅┅┅┅┅┅02、建筑幕墙施工组织设计、施工方案及审批┅┅┅┅┅┅┅┅┅┅┅┅┅┅┅03、技术交底记录┅┅┅┅┅┅┅┅┅┅┅┅┅┅┅┅┅┅┅┅┅┅┅┅┅┅┅04、设计交底(图纸会审)记录┅┅┅┅┅┅┅┅┅┅┅┅┅┅┅┅┅┅┅┅┅05、设计变更、洽商记录汇总┅┅┅┅┅┅┅┅┅┅┅┅┅┅┅┅┅┅┅┅┅┅06、幕墙工程观感质量检查记录┅┅┅┅┅┅┅┅┅┅┅┅┅┅┅┅┅┅┅┅┅07、幕墙工程质量控制资料和主要功能检测报告检查表┅┅┅┅┅┅┅┅┅┅┅08、铝合金材料产品合格证书、性能检测报告汇总表┅┅┅┅┅┅┅┅┅┅┅┅09、幕墙用钢材及五金(衬垫)产品合格证书、性能检测报告汇总表┅┅┅┅┅10、幕墙板材(玻璃、金属板、石材)合格证书、性能检测报告汇总表┅┅┅┅11、保温、防火材料合格证书、性能检测报告汇总表┅┅┅┅┅┅┅┅┅┅┅┅12、幕墙用硅酮胶质量证明书及性能检测报告汇总表┅┅┅┅┅┅┅┅┅┅┅┅13、幕墙预埋件(后置埋件)施工隐蔽验收记录┅┅┅┅┅┅┅┅┅┅┅┅┅┅14、构件连接节点隐蔽验收记录┅┅┅┅┅┅┅┅┅┅┅┅┅┅┅┅┅┅┅┅┅15、幕墙变形缝及墙面转角处的节点构造隐蔽验收记录┅┅┅┅┅┅┅┅┅┅┅16、幕墙防火构造隐蔽验收记录┅┅┅┅┅┅┅┅┅┅┅┅┅┅┅┅┅┅┅┅┅17、幕墙防雷装置隐蔽验收记录┅┅┅┅┅┅┅┅┅┅┅┅┅┅┅┅┅┅┅┅┅18、幕墙子分部工程质量验收记录┅┅┅┅┅┅┅┅┅┅┅┅┅┅┅┅┅┅┅┅19、玻璃幕墙分项工程质量验收记录┅┅┅┅┅┅┅┅┅┅┅┅┅┅┅┅┅┅┅20、明框玻璃幕墙分项工程检验批质量验收记录┅┅┅┅┅┅┅┅┅┅┅┅┅┅21、隐框、半隐框玻璃幕墙分项工程检验批质量验收记录┅┅┅┅┅┅┅┅┅┅22、金属幕墙分项工程质量验收记录┅┅┅┅┅┅┅┅┅┅┅┅┅┅┅┅┅┅┅23、金属幕墙分项工程检验批质量验收记录┅┅┅┅┅┅┅┅┅┅┅┅┅┅┅┅24、石材幕墙分项工程质量验收记录┅┅┅┅┅┅┅┅┅┅┅┅┅┅┅┅┅┅┅25、石材幕墙分项工程检验批质量验收记录┅┅┅┅┅┅┅┅┅┅┅┅┅┅┅┅26、幕墙接地电阻测试记录┅┅┅┅┅┅┅┅┅┅┅┅┅┅┅┅┅┅┅┅┅┅┅27、打胶养护环境的温度、湿度记录28、单项(安装、装修、幕墙)工程质量验收报告注:附施工组织设计、施工方案。
常用检验批质量验收记录表格统表1,施工现场质量管理检查记录津资统表零2,单位(子单位)工程质量竣工验收记录津资统表一3,单位(子单位)工程质量控制资料合成记录津资统表二4,单位(子单位)工程安全和功能检验资料核查及主要功能抽查记录津资统表三5,单位(子单位)工程观感质量检查记录津资统表四6,_______分部(子分部)工程质量验收记录津资统表五7,_______分部工程质量验收记录津资统表六一、地基与基础工程1、无支护土方土方开挖工程检验批质量验收记录津资JYP1-01土方回填工程检验批质量验收记录津资JYP1-022、支护土方排桩墙支护工作检验批质量验收记录Ⅰ,重复使用钢板桩(Ⅰ)津资JYP1-03 Ⅱ,混凝土板桩(Ⅱ)津资JYP1-04 降水与排水工程检验批质量验收记录津资JYP1-05地下连续墙工程检验批质量验收记录津资JYP1-06锚杆及图钉墙支护工程检验批质量验收记录津资JYP1-07加筋水泥土桩墙支护工程检验批质量验收记录津资JYP1-08钢或混凝土支撑工程检验批质量验收记录津资JYP1-093、地基处理灰土地基工程检验批质量验收记录津资JYP1-10砂和砂石地基检验批质量验收记录津资JYP1-11土工合成材料地基工程检验批质量验收记录津资JYP1-12粉煤灰地基工程检验批质量验收记录津资JYP1-13强夯地基工程检验批质量验收记录津资JYP1-14预压地基工程检验批质量验收记录津资JYP1-15高压喷射注浆地基工程检验批质量验收记录津资JYP1-164、桩基土和灰土挤密桩复合地基工程检验批质量验收记录津资JYP1-17注浆地基检验批质量验收记录津资JYP1-18水泥粉煤灰碎石桩复合地基工程检验批质量验收记录津资JYP1-19夯实水泥土桩复合地基工程检验批质量验收记录津资JYP1-20水泥土搅拌桩地基工程检验批质量验收记录津资JYP1-21静力压柱工程检验批质量验收记录津资JYP1-22预应力管桩工程检验批质量验收记录津资JYP1-23混凝土预制桩(钢筋骨架)工程检验批质量验收记录(Ⅰ)津资JYP1-24混凝土预制桩工程检验批质量验收记录(Ⅱ)津资JYP1-25 钢桩(成品)工程检验批质量验收记录(Ⅰ)津资JYP1-26 刚桩施工检验批质量验收记录(Ⅱ)津资JYP1-27 混凝土灌注桩(钢筋笼)工程检验批质量验收记录(Ⅰ)津资JYP1-28 混凝土灌注桩工程检验批质量验收记录(Ⅱ)津资JYP1-29 5、地下防水防水混凝土检验批质量验收记录津资JYP1-30 水泥砂浆防水层检验批质量验收记录津资JYP1-31 卷材防水层检验批质量验收记录津资JYP1-32 涂料防水层检验批质量验收记录津资JYP1-33 细部构造检验批质量验收记录津资JYP1-34 锚喷支护检验批质量验收记录津资JYP1-35 地下连续墙检验批质量验收记录津资JYP1-36 渗排水、盲沟排水检验批质量验收记录津资JYP1-37二,主体结构1、混凝土工程模板安装工程检验批质量验收记录(Ⅰ)津资JYP2-01 预制构件模板工程检验批质量验收记录(Ⅱ)津资JYP2-02 模板拆除工程检验批质量验收记录(Ⅲ)津资JYP2-03 钢筋加工检验批质量验收记录津资JYP2-04 钢筋安装工程检验批质量验收记录津资JYP2-05 混凝土原材料及配合比设计建议批质量验收记录津资JYP2-06 混凝土施工检验批质量验收记录津资JYP2-07 预应力原材料检验批质量验收记录(Ⅰ)津资JYP2-08 预应力制作与安装检验批质量验收记录(Ⅱ)津资JYP2-09 预应力张拉、放张、灌浆及封锚检验批质量验收记录(Ⅲ)津资JYP2-10 现浇结构外观及尺寸偏差检验批验收记录(Ⅰ)津资JYP2-11 混凝土设备基础外观尺寸偏差检验批质量验收记录(Ⅱ)津资JYP2-12 预制构件检验批质量验收记录(Ⅰ)津资JYP2-13 装配式结构施工检验批质量验收记录(Ⅱ)津资JYP2-14 2、砌体工程砖砌体(混水)工程检验批质量验收记录(Ⅰ)津资JYP2-15 混凝土小型空心砌体工程检验批质量验收记录津资JYP2-16 石砌体工程检验批质量验收记录津资JYP2-17 填充墙砌体工程检验批质量验收记录津资JYP2-18 配筋砌体工程检验批质量验收记录津资JYP2-19 3、钢结构钢结构制作(安装)焊接工程检验批质量验收记录(Ⅰ)津资JYP2-20 焊钉(栓钉)焊接工程检验批质量验收记录(Ⅱ)津资JYP2-21 普通紧固件连接工程检验批质量验收记录(Ⅰ)津资JYP2-22 高强度螺栓连接工程检验批质量验收记录(Ⅱ)津资JYP2-23 钢结构零、部件加工工程检验批质量验收记录(Ⅰ)津资JYP2-24 钢构件组装工程检验批质量验收记录津资JYP2-25钢构件预拼装工程检验批质量验收记录津资JYP2-26 单层刚构件安装工程检验批质量验收记录津资JYP2-27 多层及高层钢构件安装工程检验批质量验收记录津资JYP2-28 钢网架制作工程检验批质量验收记录津资JYP2-29 钢网架安装工程检验批质量验收记录津资JYP2-30 压型金属板工程检验批质量验收记录津资JYP2-31 防腐涂料涂装工程检验批质量验收记录津资JYP2-32 防火涂料涂装工程检验批质量验收记录津资JYP2-33三、建筑装饰装修1、地面基土垫层检验批质量验收记录(Ⅰ)津资JYP3-01 灰土垫层检验批质量验收记录(Ⅱ)津资JYP3-02 砂垫层和碎石垫层检验批质量验收记录(Ⅲ)津资JYP3-03 碎石垫层和碎砖垫层检验批质量验收记录(Ⅳ)津资JYP3-04 三合土垫层检验批质量验收记录(Ⅴ)津资JYP3-05 炉渣垫层检验批质量验收记录津资JYP3-06 水泥混凝土垫层检验批质量验收记录(Ⅶ)津资JYP3-07 找平层检验批质量验收记录(Ⅷ)津资JYP3-08 隔离层检验批质量验收记录(Ⅸ)津资JYP3-09 填充层检验批质量验收记录(Ⅹ)津资JYP3-10 水泥混凝土面层检验批质量验收记录津资JYP3-11 水磨石面层检验批质量验收记录津资JYP3-12 水泥钢屑检验批质量验收记录津资JYP3-13 防油渗面层检验批质量验收记录津资JYP3-14 不发火(防爆)检验批质量验收记录津资JYP3-15 砖面层检验批质量验收记录津资JYP3-16 大理石和花岗石面层检验批质量验收记录津资JYP3-17 预制板块面层检验批质量验收记录津资JYP3-18 料石面层检验批质量验收记录津资JYP3-19 塑料面板层检验批质量验收记录津资JYP3-20 活动地板面层检验批质量验收记录津资JYP3-21 地毯面层检验批质量验收记录津资JYP3-22 实木地板面层检验批质量验收记录津资JYP3-23 实木复合地板面层检验批质量验收记录津资JYP3-24 中密度(强化)复合地板面层检验批质量验收记录津资JYP3-25 竹地板面层检验批质量验收记录津资JYP3-26 2、抹灰一般抹灰工程检验批质量验收记录津资JYP3-27 装饰抹灰工程检验批质量验收记录津资JYP3-28 清水砌体勾缝工程检验批质量验收记录津资JYP3-29 3、门窗木门窗制作工程检验批质量验收记录津资JYP3-30 木门窗安装工程检验批质量验收记录津资JYP3-31 金属门窗安装工程检验批质量记录(钢门窗)津资JYP3-32金属门窗安装工程检验批质量验收记录(钢铝合金门窗)津资JYP3-33 塑料门窗安装工程检验批质量验收记录津资JYP3-34 特种门窗安装检验批质量验收记录津资JYP3-35 门窗玻璃安装工程检验批质量验收记录津资JYP3-36 4、吊顶暗龙骨吊顶工程检验批质量验收记录津资JYP3-37 明龙骨吊顶工程检验批质量验收记录津资JYP3-38 5、轻质隔墙板材隔墙工程检验批质量验收记录津资JYP3-39 骨架隔墙工程检验批质量验收记录津资JYP3-40 活动隔墙工程检验批质量验收记录津资JYP3-41 玻璃隔墙工程检验批质量验收记录津资JYP3-42 6、饰面板饰面板安装工程检验批质量验收记录津资JYP3-43 饰面砖粘贴工程检验批质量验收记录津资JYP3-44 7、幕墙玻璃幕墙工程检验批质量验收记录(主控项目)(Ⅰ)津资JYP3-45 玻璃幕墙工程检验批质量验收记录(一般项目)(Ⅱ)津资JYP3-46 玻璃隔墙工程检验批质量验收记录(隐柜,半隐柜)(Ⅸ)津资JYP3-47 金属幕墙工程检验批质量验收记录(主控项目)(Ⅰ)津资JYP3-48 金属幕墙工程检验批质量验收记录(一般项目)(Ⅱ)津资JYP3-49 石材幕墙工程检验批质量验收记录(主控项目)(Ⅰ)津资JYP3-50 石材幕墙工程检验批质量验收记录(一般项目)(Ⅱ)津资JYP3-51 8、涂饰水性涂料涂饰工程检验批质量验收记录津资JYP3-52 溶剂型涂料涂饰工程检验批质量验收记录津资JYP3-53 美术涂料工程检验批质量验收记录津资JYP3-54 9、细部裱糊工程检验批质量验收记录津资JYP3-55 软包工程检验批质量验收记录津资JYP3-56 橱柜制作与安装工程检验批质量验收记录津资JYP3-57 窗帘盒、窗台板和散热器罩制作与安装工程检验批质量验收记录津资JYP3-58 门窗套制作与安装工程检验批质量验收记录津资JYP3-59 护栏和扶手制作与安装工程检验批质量验收记录津资JYP3-60 花饰制作与安装工程检验批质量验收记录津资JYP3-61 四,屋面工程1、卷材(涂膜,刚性防水屋面)屋面保温层检验批质量验收记录津资JYP4-1 屋面找平层检验批质量验收记录津资JYP4-2 卷材防水层检验批质量验收记录津资JYP4-3 涂膜防水层检验批质量验收记录津资JYP4-4 细石混凝土防水层检验批质量验收记录津资JYP4-5 密封材料嵌缝检验批质量验收记录津资JYP4-6 平瓦屋面检验批质量验收记录津资JYP4-72、瓦屋面油毡瓦屋面检验批质量验收记录津资JYP4-8金属板材屋面检验批质量验收记录津资JYP4-9细部构造检验批质量验收记录津资JYP4-10 3、其他架空屋面检验批质量验收记录津资JYP4-11蓄水种植屋面检验批质量验收记录津资JYP4-12 五、节能建筑节能分部工程质量验收记录建筑节能________分项工程质量验收记录建筑技能________检验批/分项工程质量验收记录六、给排水与采暖室内给水管道及配件安装工程检验批质量验收记录津资JYP5-1室内消火栓系统安装工程检验批质量验收记录津资JYP5-2给水设备安装工程检验批质量验收记录津资JYP5-3室内排水管道及配件安装工程检验批质量验收记录津资JYP5-4雨水管道及配件安装工程检验批质量验收记录津资JYP5-5室内热水管道及配件安装工程检验批质量验收记录津资JYP5-6热水供应系统辅助设备安装工程检验批质量验收记录津资JYP5-7卫生器具及给水配件安装工程检验批质量验收记录津资JYP5-8卫生器具排水管道安装工程检验批质量验收记录津资JYP5-9室内采暖管道及配件安装工程检验批质量验收记录津资JYP5-10 室内采暖辅助设备及散热器及金属辐射板安装工程检验批质量验收记录津资JYP5-11 低温热水地板辐射采暖安装工程检验批质量验收记录津资JYP5-12 室外给水管道安装工程检验批质量验收记录津资JYP5-13 室外消防水泵接合器及消火栓安装工程检验质量验收记录津资JYP5-14 管沟及井室检验批工程质量验收记录津资JYP5-15 室外排水管道安装工程检验批质量验收记录津资JYP5-16 室外排水管道及井池工程检验批质量验收记录津资JYP5-17 室外供热管道及配件安装工程检验批质量验收记录津资JYP5-18 建筑中水系统及游泳池池水系统安装工程检验批质量验收记录津资JYP5-19 锅炉安装工程检验批质量验收记录津资JYP5-20 锅炉辅助设备安装工程检验批质量验收记录津资JYP5-21 工艺管道安装工程检验批质量验收记录津资JYP5-22 锅炉安装附件安装工程检验批质量验收记录津资JYP5-23 换热站安装工程检验批质量验收记录津资JYP5-24 七、通风与空调风管与配件制作检验批质量验收记录(金属风管)(Ⅰ)津资JYP6-01 风管配件执着检验批质量验收记录(非金属\复合材料风管)津资JYP6-02 风管不见与销售器制作检验批质量验收记录津资JYP6-03 风管系统安装检验批质量验收记录(送、排风,防排风,除尘系统)(Ⅰ)津资JYP6-04 风管系统安装检验批质量验收记录(送、排风,防排风,除尘系统)(Ⅱ)津资JYP6-05 风管系统安装检验批质量验收记录(净化空调系统)(Ⅲ)津资JYP6-06 通风机和安装检验批质量验收记录津资JYP6-07 通风与空调设备安装检验批质量验收记录(通风系统)(Ⅰ)津资JYP6-08 通风与空调设备安装检验批质量验收记录(通风系统)(Ⅱ)津资JYP6-09 通风与空调设备安装检验批质量验收记录(通风系统)(Ⅲ)津资JYP6-10 空调制冷系统安装检验批质量验收记录津资JYP6-11 空调水系统安装检验批质量验收记录(金属管道)(Ⅰ) 津资JYP6-12 空调水系统安装检验批质量验收记录(非金属管道)(Ⅱ)津资JYP6-13 空调水系统安装检验批质量验收记录(设备)(Ⅲ)津资JYP6-14 工程系统调试验收记录津资JYP6-15 防腐与绝热施工检验批质量验收记录(风管系统)津资JYP6-16 防腐与绝热施工检验批质量验收记录(管道系统)津资JYP6-17 八、建筑电气架空线路及杆上电气设备安装检验批质量验收记录津资JYP7-01 变压器、箱式变电所安装检验批质量验收记录津资JYP7-02 成套配电柜、控制柜(屏、台)和动力、照明配电箱(盘)安装检验批质量验收记录(Ⅰ)高压开关柜津资JYP7-03 成套配电柜、控制柜、(屏、台)和动力、照明配电箱(盘)安装检验批质量验收记录(Ⅱ)照明配电箱(屏、台)津资JYP7-04 成套配电柜、控制柜、(屏、台)和动力、照明配电箱(盘)安装检验批质量验收记录(Ⅱ)照明配电箱(盘)津资JYP7-05 低压电动机、电加热器及电动执行机构检查接线检验质量验收质量验收质量验收记录津资JYP7-06 柴油发电机组安装检验批质量验收记录津资JYP7-07 不间断电源安装检验批质量验收记录津资JYP7-08 低压电气动力设备试验和试运行检验批质量验收记录津资JYP7-09 螺母先、封闭母线、插接式母线安装检验批质量验收记录津资JYP7-10 电缆桥架安装和桥架内电缆敷设检验批质量验收记录津资JYP7-11 电缆沟内和电竖井内电缆敷设检验批质量验收记录津资JYP7-12 电线导管、电缆导管和线槽敷设检验批质量验收记录(Ⅰ)室内津资JYP7-13 电线导管、电缆导管和线槽敷设检验批质量验收记录(Ⅱ)室外津资JYP7-14 电线、电缆穿管和线槽敷线检验批质量验收记录津资JYP7-15 槽板配线检验批质量验收记录津资JYP7-16 钢索配线检验批质量验收记录津资JYP7-17 电缆头制作、接线和线路绝缘测试检验批质量验收记录津资JYP7-18 普通灯具安装检验批质量验收记录津资JYP7-19 专用灯具安装检验批质量验收记录津资JYP7-20 建筑物景观照明灯、航空障碍标志灯和庭院灯安装检验批质量验收记录津资JYP7-21开关、插座、风扇安装检验批质量验收记录津资JYP7-22 建筑物照明通电试运行检验批质量验收记录津资JYP7-23 接地装置安装检验批质量验收记录津资JYP7-24 避雷引下线和变配电室接地干线敷设检验批质量验收记录(Ⅰ)防雷下线津资JYP7-25 避雷引下线和变配电室接地干线敷设检验批质量验收记录(Ⅱ)变配电室接地干线津资JYP7-26 接闪器安装检验批质量验收记录津资JYP7-27 建筑物等电位联结检验批质量验收记录津资JYP7-28 九、智能智能建筑工程检验批质量验收记录津资JYP8十、电梯电梯分部工程质量验收记录津资9-00曳引式或强制式电梯子分部工程质量验收记录津资9-01液压电梯子分部工程质量验收记录津资9-02自动扶梯和自动人行道子分部工程质量验收记录津资9-031、曳引式或强制式电梯设备进场质量验收记录津资JYP9-1 土建交接检验质量验收记录津资JYP9-2 驱动逐级安装质量验收记录津资JYP9-3 导轨安装质量验收记录津资JYP9-4 门系统安装质量验收记录津资JYP9-5 轿厢及平衡质量验收记录津资JYP9-6 安全部件质量验收记录津资JYP9-7 悬挂装置、随行电缆、补偿装置质量验收记录津资JYP9-8 电气装置质量验收记录津资JYP9-9 整机安装质量验收记录津资JYP9-10 2、液压电梯设备进场质量验收记录津资JYP9-11 土建交接检验质量验收记录津资JYP9-2液压系统质量验收记录津资JYP9-12 导轨安装质量验收记录津资JYP9-4门系统安装质量验收记录津资JYP9-5轿厢及平衡质量验收记录津资JYP9-6安全部件质量验收记录津资JYP9-7悬挂装置、随行电缆质量验收记录津资JYP9-13 电气装置质量验收记录津资JYP9-9整机安装质量验收记录津资JYP9-14 3、自动扶梯和自动人行道设备进场质量验收记录津资JYP9-14 土建交接检验质量验收记录津资JYP9-16 整机安装质量验收记录津资JYP9-17。
通用表格A01 施工现场质量管理检查记录A02 检验批质量验收记录A03 分项工程质量验收记录A04 分部(子分部)工程质量验收记录A05 单位(子单位)工程质量竣工验收记录A06 单位(子单位)工程质量控制资料核查记录A07 单位(子单位)工程安全和功能检验资料核查及主要功能抽查记录A08 单位(子单位)工程观感质量检查记录A02-301 单位(子单位)工程观感质量检查记录A02-302 混凝土小型空心砌块砌体工程检验批质量验收记录A02-303 石砌体工程检验批质量验收记录A02-304 配筑砌体工程检验批质量验收记录A02-305 填充墙砌体工程检验批质量验收记录A01施工现场质量管理检查记录编号:开工日期:工程名称施工许可证(开工证)建设单位项目负责人设计单位项目负责人监理单位总监理工程师施工单位项目经理项目技术负责人序号项目内容1 现场质量管理制度2 质量责任制3 主要专业工种操作上岗证4 分包方资质一对分包单位的管理制度5 施工图审查情况6 地质勘察资料7 施工组织设计、施工方案及审批8 施工技术标准9 工程质量检验制度10 搅拌站及计量设置11 现场材料、设备存放与管理12检查结论:总监理工程师:建设单位代表:年月日注:1、本表由施工单位填写报监理单位。
总监理工程师检查并做出检查结论。
2、检查结论中需要整改的内容由施工单位以附页复报。
3、完成后,原件存监理单位复印件交施工单位。
A02检验批质量验收记录编号:工程名称大泽碧桂园山湖湾二区二期高层洋房室内消防工程分项工程名称室内消防安装工程检验批部位一号楼1层施工单位广东建安消防机电工程有限公司开平分公司专业工长项目经理阮建军监理单位江门市新会区冈州工程建设监理有限公司总监理工程师分包单位分包单位负责人施工班组长施工依据标准建筑给水排水及采暖工程施工质量验收规范(GB50242-2002)主控项目质量验收规范的规定施工单位检验评定记录或结果监理(建设)单位验收记录结果备注123456789一般项目12345678施工单位检验评定结果班组长或专业工长:质检员或项目技术负责人:年月日年月日监理(建设)单位验收结论监理工程师:建设单位代表:年月日分项工程质量验收记录编号:工程名称结构类型检验指数施工单位项目经理::项目技术负责人分包单位项目经理::项目技术负责人序号检验批部位、区段施工单位检查评定结果监理建设单位验收结论备注1234567891011121314151617检查结论项目专业技术负责人:年月日验收结论监理工程师:建设单位项目专业技术负责人:年月日分部(子分部)工程质量验收记录编号:工程名称结构类型层数施工单位项目经理::项目技术负责人分包单位项目经理::项目技术负责人序号分项工程名称检验批数施工单位检查评定结果验收意见12345678质量控制资料安全和功能检验(检测)报告观感质量验收验收单位分包单位项目经理:日期:施工单位项目经理:日期:勘察单位项目负责人:日期:设计单位项目负责人:日期:建设单位项目负责人:日期:监理单位总监理工程师:日期:单位(子单位)工程质量竣工验收记录编号:工程名称结构类型层数/建筑面积施工单位技术负责人开工日期项目经理项目技术负责人竣工日期序号项目验收记录验收结论1 分部工程共分部经查分部符合标准要求分部2 质量控制资料核查共项,经审查,符合要求项3 安全和主要使用功能核查及抽查结果共核查项符合要求项。
石材幕墙工程检验批质量验收记录表
(主控项目)
GB50210 —2001
(一)
030703
说明
(一)
030703
主控项目
1、石材幕墙工程所用材料的品种、规格、性能和等级,应符合设计要求及国家现行产品标准和工程技术规范的规定。
石材的弯曲强度度不应小于;吸水率应小于%。
石材幕墙的铝合金挂件厚度不应小于。
不诱钢挂件厚度不应小于。
观察和尺量检查;检查产品合格证书、性能检测报告、材料进场验收记
录和复验报告。
2、石材幕墙的造型、立面分格、颜色、光泽、花纹和图案应符合设计要求。
观察检查。
3、石材孔、槽的数量、深度、位置、尺寸应符合设计要求。
检查进场验收记录或施工记录。
4、石材幕墙主体结构上的预埋件和后置埋件的位置、数量及后置埋件的拉拔力必须符合设计要求。
检查拉拔力检测报告和隐蔽工程验收记录。
5、石材幕墙的金属框架立柱与主体结构预埋件的连接、立柱与横粱的连接、连接件与金属框架的连接、连接件与石材面板的连接必须符合设计要求,安装必须牢固。
手扳检查;检查隐蔽工程验收记录。
6金属框架和连接件的防腐处理应符合设计要求。
检验方法:检查隐蔽工程验收记录。
7、石材幕墙的防雷装置必须与主体结构防雷装置可靠连接。
观察和检查隐蔽工程验收记录和施工记录。
8、石材幕墙的防火、保温、防潮材料的设置应符合设计要求,填充应密实、均匀、厚度一致。
检查隐蔽工程验收记录。
9、各种结构变形缝、墙角的连接节点应符合设计要求和技术标准的规定。
检查隐蔽工程验收记录和
施工记录。
10、石材表面和板缝的处理应符合设计要求。
观察检查。
11、石材幕墙的板缝注胶应饱满、密实、连续、均匀、无气泡,板缝宽度和厚度应符合设计要求和技术标准的规定。
观察和尺量检查;检查施工记录。
12、石材幕墙应无渗漏。
在易渗漏部位进行淋水检查。