药店药房-新版GSP认证检查评定标准及检查项目分
- 格式:doc
- 大小:110.00 KB
- 文档页数:22
新版GSP认证检查评定标准和检查项目分一、新版GSP认证检查评定标准1. 质量管理体系新版GSP认证要求企业建立健全的质量管理体系,包括质量方针、质量目标、质量手册等文件的编制和实施。
企业应制定并执行质量控制程序,确保药品的质量符合相关法规要求。
2. 药品生产管理新版GSP认证要求企业建立药品生产管理制度,包括原辅材料的采购、储存、使用和管理等方面的规定。
企业应对生产过程进行控制,确保药品的生产过程符合质量要求。
3. 药品储存管理新版GSP认证要求企业建立药品储存管理制度,包括药品的储存条件、储存设施、储存记录等方面的规定。
企业应对药品的储存过程进行控制,确保药品的质量不受损害。
4. 药品配送管理新版GSP认证要求企业建立药品配送管理制度,包括药品的配送流程、配送记录、配送车辆等方面的规定。
企业应对药品的配送过程进行控制,确保药品的质量不受破坏。
5. 药品质量风险管理新版GSP认证要求企业建立药品质量风险管理制度,包括药品质量风险评估、风险控制措施等方面的规定。
企业应对可能存在的药品质量风险进行评估,并采取相应的控制措施,确保药品的质量安全。
二、新版GSP认证检查项目分1. 质量管理体系检查检查人员将对企业的质量管理体系进行审核,包括质量方针、质量目标、质量手册等文件的编制和实施情况。
检查人员将查看企业的质量控制程序,并评估其有效性。
2. 原辅材料采购管理检查检查人员将对企业的原辅材料采购管理进行审核,包括采购程序、供应商评估、采购记录等方面的情况。
检查人员将检查原辅材料的质量合格证明和相关检验报告。
3. 药品生产过程管理检查检查人员将对企业的药品生产过程管理进行审核,包括生产计划、生产记录、生产设备等方面的情况。
检查人员将检查药品的生产工艺流程和相关记录。
4. 药品储存条件管理检查检查人员将对企业的药品储存条件管理进行审核,包括储存设施、储存记录等方面的情况。
检查人员将检查药品的储存温度、湿度等条件是否符合要求。
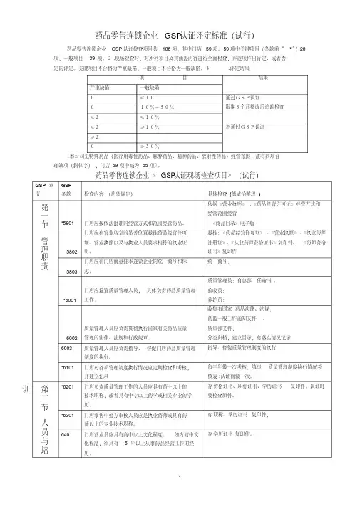
零售药房GSP认证检查评定标准
1、为统一标准,规GSP认证检查,保证认证工作质量,根据《药品经营质量管理规》(2000.7.1)及《药品经营质量管理规实施细则》,制定药品零售企业GSP认证检查评定标准。
2、药品零售企业GSP认证检查项目共109项,其中关键项目(条款前加“*”)34项,一般项目75项。
3、现场检查时,应对所列项目及其涵盖容进行全面检查,并逐项作出肯定、或者否定的评定。
凡属不完整、不齐全的项目,称为缺陷项目;关键项目不合格为严重缺陷;一般项目不合格为一般缺陷。
4、结果评定:
药品零售企业
《GSP认证现场检查项目》(试行)。
GSP认证检查项目分析及实行指导阐.. 2023版GSP认证检查评估原则及检查项目分析阐.... 第一. 新版GSP认证现场检查项目分...一、药物批发企业及零售连锁企.(一.管理职.. 条.检查项目分.1.经营方式: 重要有批发经营、零售连锁经营、零售企........040.批发经营重要有下列三种..1)批发企业: 法人批发企.2)非法人批发企业: 一般为法人批发企业旳分企.3)非法人批发(配送)企.......... 2.经营范围.√.中药........抗生....... .中药饮... .生化药.......中成...... √放射性药... √.化学原料......生物制...... .化学药制....√.诊断药.......特殊管理药.注: √为零售企业不能经营旳范围.. 1.企业质量领导组织机构. 050.质量领导组...质量管理机. 进.. 储.. 销.. 运...其.. 2.质量领导组织.类似于立法机构;质量管理机构: 类似于执法机构;其他: 类似于监督对象;质量领导组织以重要负责人为首, 由各部门负责人构成, 广泛代表, 整体体现, 保证制度管理有效, 可行, 符合企业实际.GSP认证检查项目分析及实行指导阐....明确了企业质量领导组织旳重要职责。
此条款中某些术语为采.050.. ISO900.质量管理体系旳原则术语.质量: 一般固有特性满足需要旳程度.质量管理体系: 在质量方面指挥和控制组织旳管理体系.质量方针: 由组织旳最高管理者正式公布旳总旳质量宗旨和方向.企业领导人: 为法人或授权旳总经理.. 1.质量管理机构下设. 060.1)质量管理... 061.2)质量验收组不从属于其他部.: 3)药物检查室: 不做规定, 企业自主决定与否设置.. 2.质量管理机构职.0602—内部监督职.0603—起草, 提交质量领导小组审定通过, 质管监督执.0604—审批(首营企业和首营品种.0608—所有工作在质量监督下进.0609—裁决权体.0610—信息管.0611—教育和培.养护人员: 技术水平、工作内容、强. 070.药物养护人员必须为专职, 不得兼职. 070..1.质量管理体系文献旳类. 080.1.1质量手册: 规章制度, 管理原.1.2管理职责: 组织、部门、岗.1.3工作程序: 质量控制关键环节(所有环节.1.4质量记录: 所有质量活..2.制定质量管理文献旳原.GSP认证检查项目分析及实行指导阐....2.1指令性原则:管理文献为企业内立法、明确指令性.2.2系统性原则:由于质量管理工作为系统工程, 因此文献应有系统性和完整性.2.3符合性原则:与国家法律法规内容相一致.2.4协调性原则:工作衔接协调, 有交叉旳地方体现在两个不一样文献时应一致.2.5先进性原则:管理在不停发展与提高, 如国家法律法规变化应跟随变化, 并可采用国际先进管理.2.6可行性原则:制度应与企业实行相符合, 假如引用, 也应转换为有企业特色旳管理模式, 但不能与GSP相脱节.2.7可检查性原则:可以便于监督部门量化旳检查.. 3.质量管理文献旳规.3.1按规定程序同意公布:一般由企业最高负责人签发.3.2及时根据现行法律法规修订, 如不及时修订易导致行为违法(在文献管理制度中将此条款体现).3.3与企业旳实际管理相结合.3.4各管理环节均可获得并可掌握有关内容。
零售药房GSP认证检查评定标准
1、为一致规范,规范GSP认证反省,保证认证任务质量,依据«药品运营质量管理规范»(2000.7.1)及«药品运营质量管理规范实施细那么»,制定药品批发企业GSP认证反省评定规范。
2、药品批发企业GSP认证反省项目共109项,其中关键项目〔条款前加〝*〞〕34项,普通项目75项。
3、现场反省时,应对所列项目及其涵盖内容停止片面反省,并逐项作出一定、或许否认的评定。
凡属不完整、不完全的项目,称为缺陷项目;关键项目不合格为严重缺陷;普通项目不合格为普通缺陷。
4、结果评定:
药品批发企业
«GSP认证现场反省项目»〔试行〕。
新版GSP认证检查评定标准及检查项目分析第一节新版GSP认证现场检查项目分析一、药品批发企业及零售连锁企业(一)管理职责(二)人员与培训(三)设施与设备(四) 进货(五)验收(六)储存与养护(七)出库与运输(八)销售与售后服务二、药品零售企业GSP认证检查项目分析1.质量管理可不设机构、人员2.质量管理工作负责人:2.1大中型企业:药师(或中药师)2.2小型企业:药士2.3零售连锁门店:药士2.4跨地域连锁门店总部:执业药师3.零售连锁门店可不设仓库,可配置冷藏设备。
4.营业场所必须设空调及监测调节温湿度的设备。
5.连锁门店的质量验收5.1验收人员按送货凭证对照实物核对并在凭证上签字。
5.2核对容:药品通用名称、规格、批号、生产厂商、数量。
5.3送货凭证:按购进记录要求保存。
5.4质量有问题的药品应及时退回配送中心并向总部质量机构报告。
6.药品列规定处方药中的输液类、小容量注射剂类、粉针类必须设专柜存放;凭处方销货,并对处方进行登记,有条件的应尽量扫描或复印处方。
7. 药品拆零7.1药品基本单元上无品名、规格、服用方法、厂家、有效期等五项容,视为拆零。
7.2拆零药品集中存放于专柜,并保存原包装。
8.中药饮片做好装斗前质量复核,不得错斗,串斗,防止混药,斗前应有名称标识。
9.处方调配9.1处方要经执业药师或具有药师以上(含药师和中药师)职称的人员复核。
9.2处方审核人必须为执业药师。
9.3调配、审方、销售3个岗位都要签字。
第二节新版GSP认证检查评定标准及现场检查项目与旧版比较。
新版GSP认证检查项目分析及实施指导1.质量管理可不设机构、人员2.质量管理工作负责人:2.1大中型企业:药师(或中药师)2.2小型企业:药士 2.3零售连锁门店:药士2.4跨地域连锁门店总部:执业药师3.零售连锁门店可不设仓库,可配置冷藏设备。
4.营业场所必须设空调及监测调节温湿度的设备。
5.连锁门店的质量验收5.1验收人员按送货凭证对照实物核对并在凭证上签字。
5.2核对内容:药品通用名称、规格、批号、生产厂商、数量。
5.3送货凭证:按购进记录要求保存。
5.4质量有问题的药品应及时退回配送中心并向总部质量机构报告。
6.药品陈列规定处方药中的输液类、小容量注射剂类、粉针类必须设专柜存放;凭处方销货,并对处方进行登记,有条件的应尽量扫描或复印处方。
7. 药品拆零7.1药品基本单元上无品名、规格、服用方法、厂家、有效期等五项内容,视为拆零。
7.2拆零药品集中存放于专柜,并保存原包装。
8.中药饮片做好装斗前质量复核,不得错斗,串斗,防止混药,斗前应有名称标识。
9.处方调配9.1处方要经执业药师或具有药师以上(含药师和中药师)职称的人员复核。
9.2处方审核人必须为执业药师。
9.3调配、审方、销售3个岗位都要签字。
第二节新版GSP认证检查评定标准及现场检查项目与旧版比较比较项目新版相对于旧版的变化说明检查项目数总检查项目新版132项,旧版170项主要减少了检验部分关键项目新版37项,旧版36项关键项目占总检查项目的比例增加,实际难度增加一般项目新版95项,旧版134项关键项和一般项的变化一般项新增为关键项0606、2703、2704、4004、4101、4109、4202、4801、5301着重在业务流程上的质量控制关键项降低为一般项1906、3506、4701、5101取消及新增的检查项目除检验部分以外,还取消的检查项目1102、2705、3516内容有重复,不再需要新增的检查项目3510 质量验收加强不再要求的检查内容2102排水 2201保卫 2703质量可靠性 4103定期翻垛4107处方药与非处方药之间应分开存放根据实际情况,检查内容不再要求。
药品零售企业GSP认证现场检查项目及检查内容药品零售企业GSP认证检查项目共有109条,其中关键项目有34条,一般项目有75条。
要一次性通过GSP认证检查,关键项目必须100%符合规范要求,一般项目允许有10%存在缺陷。
现场检查时,应对所列项目及其涵盖内容进行全面检查,并逐项作出肯定与否定的评定。
*5801、5802●一查《药品经营许可证》的经营范围和经营方式●二查药店现场经营的品种是否超越核定范围●三查药品的购进记录、零售卡是否有超核定范围的药品购销记录●四查经营方式是否超越核定范围●五查店堂是否悬挂合法的证照及证照内容是否相符●六查店堂是否悬挂与执业人员要求(执业药师、从业药师或药师)相符的执业证明(驻店药师).●注意执业药师的注册是否到该企业。
●检查连锁门店前是否有本零售连锁企业统一的商号和标志。
连锁就是复印机,只有大小的区别。
5901(在所有检查完毕后才有结果)●一查是否有文件明确企业主要负责人●二查企业负责人对药事法规的熟知程度●三查在决策药品质量问题上,企业主要负责人是否有执行行为●三查制度上是否有规定,制度和文件的签发上有体现6001*、6002-6012●一查企业设置质量管理机构或专职质量管理人员的任职证明文件●二查质量管理机构或专职质量管理人员在文件中是否体现其负责企业质量管理工作,是否体现了以下11个方面的职能,是否在企业实际中体现6101*质量管理制度的结构●一是制订制度的目的和原则●二是制订制度的依据●三是管理要求和职责权限●四是与管理相关的记录表式●五是必要的操作程序检查制度的内容●一是否符合现行的有关法律、法规、规章的要求●二是否符合企业的实际情况,有无可操作性●三是否内容完整●四是否有具体考核项目(细则)和考核时间周期●在检查制度的内容时注意:一是制度的完整性;二是制度内容表述的准确性;三是制度与制度之间是否相互矛盾●药品零售连锁门店的质量管理制度,除不包括购进、储存等方面的规定外,都与零售企业有关制度相同。
(医疗药品管理)零售药房GSP认证检查评定标准
零售药房GSP认证检查评定标准
1、为统壹标准,规范GSP认证检查,保证认证工作质量,根据《药品运营质量管理规范》(2000.7.1)及《药品运营质量管理规范实施细则》,制定药品零售企业GSP认证检查评定标准。
2、药品零售企业GSP认证检查项目共109项,其中关键项目(条款前加“*”)34项,壹般项目75项。
3、现场检查时,应对所列项目及其涵盖内容进行全面检查,且逐项作出肯定、或者否定的评定。
凡属不完整、不齐全的项目,称为缺陷项目;关键项目不合格为严重缺陷;壹般项目不合格为壹般缺陷。
4、结果评定:
药品零售企业
《GSP认证现场检查项目》(试行)。
药品零售企业GSP认证现场检查项目及检查内容药品储存条件的检查在药品零售企业GSP认证现场检查中,储存条件是非常重要的一项检查内容。
以下是具体的检查项目:一查药品储存区域是否干净整洁、通风良好、温度适宜、湿度适宜、光线适宜,是否有异味等二查药品储存区域是否符合药品储存要求,是否有分类标识,是否有药品保质期的管理三查药品储存区域是否有防火、防盗措施,是否有药品储存记录在检查药品储存条件时,应注意药品的分类储存和保质期的管理,确保药品的质量和安全。
和业务范围,了解其质量管理体系和质量控制措施,检查企业是否有符合要求的质量管理手册和标准操作程序文件。
二要检查企业的药品采购、验收、储存、销售等环节是否符合相关法律法规和质量管理要求,检查药品的购销、养护和保管是否规范,查看企业的药品库存情况。
三要检查企业的人员配备是否符合要求,包括质量管理、验收、养护、计量等工作的人员和营业员,查看他们的技术职称证书和实际管理能力,以及是否接受了规定的培训和健康检查。
四要检查企业的质量管理和验收工作岗位人员是否具备审核处方的能力,以及是否有明确的继续教育规定和落实。
五要检查企业是否建立了健康档案,对新上岗的职工是否进行了健康检查,是否有患有精神病、传染病和其他可能污染药品疾病的人员在直接接触药品的岗位上工作。
六要根据被检查企业的规模和业务范围,综合检查其质量管理体系和质量控制措施,确保企业的药品销售和管理符合相关法律法规和质量管理要求。
二、查工商间购进药品的合同,确认购销品种是否明确规定了法定药品质量标准和相关质量要求的条款;是否约定了所购销药品需附产品合格证的条款;是否明确规定了药品包装符合有关规定和运输要求的条款。
三、查商商间购进的药品合同,确认购销药品应符合相应法定质量标准和有关质量要求的条款;是否明确规定了所有购销药品需附产品合格证的条款要求;是否设定了合同所载药品包装符合有关规定和货物运输要求条款。
进口药品应提供符合规定的《进口药品注册证》(或《医药产品注册证》、《进口药品批件》和《进口药品检验报告书》或注明“已抽样”并加盖抽样单位公章的《进口药品通关单》复印件;___规定批签发的生物制品,需要同时提供口岸药品检验所核发的批签发证明复印件。
新版GSP认证检查评定标准及检查项目分析第一节新版GSP认证现场检查项目分析
一、药品批发企业及零售连锁企业
(一)管理职责
(二)人员与培训
(三)设施与设备
(四) 进货
(五)验收
(六)储存与养护
(七)出库与运输
(八)销售与售后服务
二、药品零售企业GSP认证检查项目分析
1.质量管理可不设机构、人员
2.质量管理工作负责人:
2.1大中型企业:药师(或中药师)
2.2小型企业:药士
2.3零售连锁门店:药士
2.4跨地域连锁门店总部:执业药师
3.零售连锁门店可不设仓库,可配置冷藏设备。
4.营业场所必须设空调及监测调节温湿度的设备。
5.连锁门店的质量验收
5.1验收人员按送货凭证对照实物核对并在凭证上签字。
5.2核对内容:药品通用名称、规格、批号、生产厂商、数量。
5.3送货凭证:按购进记录要求保存。
5.4质量有问题的药品应及时退回配送中心并向总部质量机构报告。
6.药品陈列规定
处方药中的输液类、小容量注射剂类、粉针类必须设专柜存放;凭处方销货,并对处方进行登记,有条件的应尽量扫描或复印处方。
7. 药品拆零
7.1药品基本单元上无品名、规格、服用方法、厂家、有效期等五项内容,视为拆零。
7.2拆零药品集中存放于专柜,并保存原包装。
8.中药饮片做好装斗前质量复核,不得错斗,串斗,防止混药,斗前应有名称标识。
9.处方调配
9.1处方要经执业药师或具有药师以上(含药师和中药师)职称的人员复核。
9.2处方审核人必须为执业药师。
9.3调配、审方、销售3个岗位都要签字。
第二节新版GSP认证检查评定标准及现场检查项目与旧版比较。