门式钢管脚手架检查评分表(最新版)
- 格式:xlsx
- 大小:9.99 KB
- 文档页数:1
门式钢管脚手架安全检查标准3.5.1 门式钢管脚手架检查评定应符合现行行业标准《建筑施工门式钢管脚手架安全技术规范》JGJ128 的规定。
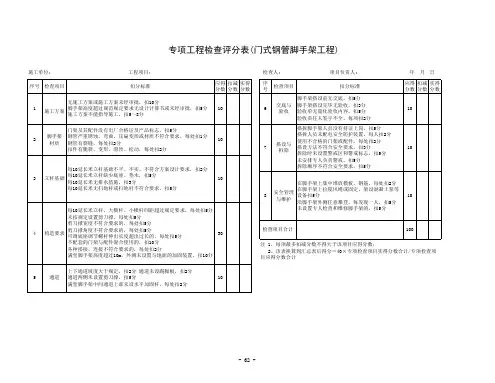
3.5.2 检查评定保证项目包括:施工方案、架体基础、架体稳定、杆件锁件、脚手板、交底与验收。
一般项目包括:架体防护、材质、荷载、通道。
3.5.3 保证项目的检查评定应符合下列规定:1 施工方案1)架体搭设应编制专项施工方案,结构设计应进行设计计算,并按规定进行审批;2)搭设高度超过50m 的脚手架,应组织专家对方案进行论证,并按专家论证意见组织实施;3)专项施工方案应完整,能正确指导施工作业。
2 架体基础1)立杆基础应按方案要求平整、夯实;2)架体底部设排水设施,基础垫板、立杆底座符合规范要求;3)架体扫地杆设置应符合规范要求。
3 架体稳定1)架体与建筑物拉结应符合规范要求,并应从脚手架底层第一步纵向水平杆开始设置连墙件;2)架体剪刀撑斜杆与地面夹角应在45°~60°之间,采用旋转扣件与立杆相连,设置应符合规范要求;3)应按规范要求高度对架体进行整体加固;4)架体立杆的垂直偏差应符合规范要求。
4 杆件锁件1)架体杆件、锁件应按说明书要求进行组装;2)纵向加固杆件的设置应符合规范要求;3)架体使用的扣件与连接杆件参数应匹配。
5 脚手板1)脚手板材质、规格应符合规范要求;2)脚手板应铺设严密、平整、牢固;3)钢脚手板的挂钩必须完全扣在水平杆上,并处于锁住状态。
6 交底与验收1)架体搭设前应进行安全技术交底;2)架体分段搭设分段使用时应进行分段验收;3)搭设完毕应办理验收手续,验收内容应量化。
3.5.4 一般项目的检查评定应符合下列规定:1 架体防护1)作业层应在外侧立杆1.2m 和0.6m 处设置上、中两道防护栏杆;2)作业层外侧应设置高度不小于180mm 的挡脚板;3)架体外侧应使用密目式安全网进行封闭;4)架体作业层脚手板下应用安全网双层兜底,以下每隔10m 应用安全平网封闭。
建筑工程门型脚手架检查评分表建筑工程门型脚手架检查评分表使用说明建筑工程门型脚手架作为施工现场重要的临时支撑结构,其安全性与稳定性直接关系到施工人员的人身安全及工程质量。
为了确保门型脚手架的使用符合安全规范及设计要求,特制定《建筑工程门型脚手架检查评分表》,以下是对该评分表的使用说明。
一、评分表目的本评分表旨在通过系统、全面的检查,对建筑工程中使用的门型脚手架进行量化评估,及时发现并纠正存在的问题,确保脚手架的搭设、使用、维护均符合相关安全标准和施工要求,从而减少安全事故的发生,提高工程施工的安全性。
二、评分表结构评分表分为保证项目和一般项目两大类别,每类项目下又包含多个具体的检查项目,每个检查项目均设有明确的扣分标准和应得分数。
保证项目:包括施工方案、架体基础、架体稳定、杆件锁件、脚手板、交底与验收等关键性内容,这些项目的完成情况直接关系到脚手架的安全性和稳定性,一旦发现不符合要求的情况,将严格按照扣分标准扣除相应分数。
一般项目:包括架体防护、材质、荷载、通道等辅助性内容,这些项目虽然不如保证项目关键,但同样影响脚手架的整体安全性和使用效果,需进行必要的检查和评分。
三、评分标准与流程检查准备:在进行评分前,应确保所有参与检查的人员熟悉评分表的内容及评分标准,准备好必要的检查工具,如测量尺、水平仪、安全帽等。
现场检查:按照评分表中的检查项目逐一进行实地检查,记录每个项目的实际情况,包括是否符合规范要求、是否存在安全隐患等。
评分记录:根据现场检查情况,按照评分标准对每个检查项目进行打分,并记录扣分原因和扣分依据。
对于不符合要求的情况,应及时通知相关责任人进行整改。
汇总得分:完成所有检查项目的评分后,将各项得分进行汇总,计算出总得分。
根据总得分的高低,可以对脚手架的安全性和施工质量进行综合评价。
整改与复检:对于评分较低或存在严重安全隐患的脚手架,应责令相关责任人立即进行整改,并在整改完成后进行复检,确保问题得到彻底解决。
( 安全管理 )单位:_________________________姓名:_________________________日期:_________________________精品文档 / Word文档 / 文字可改2020年建筑施工安全检查标准实施指南/门型脚手架检查评Safety management is an important part of production management. Safety and production are inthe implementation process2020年建筑施工安全检查标准实施指南/门型脚手架检查评分表门型脚手架检查评分表表3.0.4.3序号检查项目扣分标准应得分数扣减分数实得分数1保证项目施工方案脚手架无施工方案,扣10分施工方案不符合规范要求,扣5分脚手架高度超过规范规定,无设计计算书或未经上级审批,扣10分102架体基础脚手架基础不平、不实、无垫木,扣10分脚手架底部不加扫地杆,扣5分103架体稳定不按规定间距与墙体拉结的每有一处扣5分拉结不牢固的每有一处扣5分不按规定设置剪刀撑的扣5分门架立杆垂直偏差超过规定的扣5分104杆件、锁件未按说明书规定组装,有漏装杆件和锁件的扣6分脚手架组装不牢,每一处紧固不合要求的扣1分105脚手板脚手板不满铺,离墙大于10cm以上的扣5分脚手板不牢、不稳、材质不合要求的扣5分106交底与验收脚手架搭设无交底,扣6分未办理分段验收手续,扣4分无交义记录,扣5分10小计60序号检查项目扣分标准应得分数扣减分数实得分数7保证项目架体防护施工层外侧未设置1.2m高防护栏杆和18cm高的挡脚板,扣5分架体外侧未挂密目式安全网或网间不严密,扣8~10分108材质杆件变形严重的扣10分局部开焊的扣10分杆件锈蚀刷未防锈漆的扣5分109荷载施工荷载超过规定的扣10分脚手架荷载堆放不均匀的每有一处扣5分1010通道不设置上下专用通道的扣10分通道设置不符合要求的扣5分10小计40检查项目合计100注:1.每项最多扣减分数不大于该项应得分数。
建筑施工门式钢管脚手架检查评分表建筑施工门式钢管脚手架检查评分表使用说明一、引言建筑施工门式钢管脚手架作为建筑施工中的重要临时设施,其安全性与稳定性直接关系到施工人员的生命安全和工程质量。
为确保脚手架的搭设符合规范要求,减少施工中的安全隐患,特制定《建筑施工门式钢管脚手架检查评分表》(以下简称“评分表”)。
本评分表旨在通过系统、全面的检查项目,对脚手架的搭设质量进行量化评分,以便于及时发现并纠正存在的问题,确保施工安全。
二、评分表结构说明评分表分为保证项目和一般项目两大部分,每部分包含若干检查项目,每个检查项目均设有明确的扣分标准和应得分数。
通过实际检查情况,记录扣减分数,最终计算出实得分数,以此作为评价脚手架搭设质量的依据。
保证项目保证项目是指脚手架搭设中必须严格遵循的关键环节,一旦出现问题将直接影响脚手架的安全性和稳定性。
本评分表中,保证项目包括施工方案、架体基础、架体稳定、杆件锁件、脚手板、交底与验收等六个方面,共计60分。
施工方案:检查是否编制了专项施工方案并进行设计计算,是否按规定审核、审批,以及架体搭设高度超过50m时是否组织了专家论证。
架体基础:检查基础是否平整、坚实,是否按规范要求设置了垫板、底座、扫地杆和排水措施。
架体稳定:检查是否按规定间距与结构拉结,是否设置了剪刀撑,是否进行了整体加固,以及立杆垂直偏差是否在规定范围内。
杆件锁件:检查是否按说明书规定组装,是否漏装杆件、锁件,是否设置了纵向水平加固杆,组装是否牢固,紧固是否符合要求,扣件与杆件参数是否匹配。
脚手板:检查脚手板是否满铺、铺设是否牢固,规格或材质是否符合要求,采用钢脚手板时挂钩是否挂扣在水平杆上并处于锁住状态。
交底与验收:检查脚手架搭设前是否进行了交底并留有记录,分段搭设分段使用是否办理了分段验收,搭设完毕是否办理了验收手续,验收内容是否量化记录。
一般项目一般项目是指脚手架搭设中虽非关键环节,但仍需注意的细节问题。
门式钢管脚手架安全检查标准3.5.1 门式钢管脚手架检查评定应符合现行行业标准《建筑施工门式钢管脚手架安全技术规范》JGJ128 的规定。
3.5.2 检查评定保证项目包括:施工方案、架体基础、架体稳定、杆件锁件、脚手板、交底与验收。
一般项目包括:架体防护、材质、荷载、通道。
3.5.3 保证项目的检查评定应符合下列规定:1 施工方案1)架体搭设应编制专项施工方案,结构设计应进行设计计算,并按规定进行审批;2)搭设高度超过50m 的脚手架,应组织专家对方案进行论证,并按专家论证意见组织实施;3)专项施工方案应完整,能正确指导施工作业。
2 架体基础1)立杆基础应按方案要求平整、夯实;2)架体底部设排水设施,基础垫板、立杆底座符合规范要求;3)架体扫地杆设置应符合规范要求。
3 架体稳定1)架体与建筑物拉结应符合规范要求,并应从脚手架底层第一步纵向水平杆开始设置连墙件;2)架体剪刀撑斜杆与地面夹角应在45°~60°之间,采用旋转扣件与立杆相连,设置应符合规范要求;3)应按规范要求高度对架体进行整体加固;4)架体立杆的垂直偏差应符合规范要求。
4 杆件锁件1)架体杆件、锁件应按说明书要求进行组装;2)纵向加固杆件的设置应符合规范要求;3)架体使用的扣件与连接杆件参数应匹配。
5 脚手板1)脚手板材质、规格应符合规范要求;2)脚手板应铺设严密、平整、牢固;3)钢脚手板的挂钩必须完全扣在水平杆上,并处于锁住状态。
6 交底与验收1)架体搭设前应进行安全技术交底;2)架体分段搭设分段使用时应进行分段验收;3)搭设完毕应办理验收手续,验收内容应量化。
3.5.4 一般项目的检查评定应符合下列规定:1 架体防护1)作业层应在外侧立杆1.2m 和0.6m 处设置上、中两道防护栏杆;2)作业层外侧应设置高度不小于180mm 的挡脚板;3)架体外侧应使用密目式安全网进行封闭;4)架体作业层脚手板下应用安全网双层兜底,以下每隔10m 应用安全平网封闭。
脚手架工程检查评分表1.0 背景脚手架工程是建筑施工中必不可少的一项工作,它不仅可以提高建筑工人的作业效率,还可以保障施工过程的安全。
然而,目前市场上存在一些脚手架工程质量不佳的问题,为此,我们需要建立一套脚手架工程检查评分表,以便对脚手架工程进行全面、科学的评估。
2.0 目的本检查评分表的目的是为了帮助检查员全面了解脚手架工程的运行情况,从而保障施工过程的安全,提高工程质量。
3.0 评分标准评分项评分标准分值安全标识工地内是否设有安全标志,标志是否规范清晰,是否存在遮挡、损坏等情况10分承重能力脚手架承重是否符合施工要求;脚手架是否平稳,是否存在松动、位移等情况20分闸门脚手架闸门、楼梯的立柱、横梁、托座是否规范,是否存在缺陷,是否加固稳定15分安全网安全网大小、力度是否符合要求;安全网的固定方式是否正确、安全10分立杆立杆扣件是否完整、规范;立杆间距是否符合要求10分连接件连接件是否规范、完整,连接处是否牢固10分钢管钢管的规格是否合格,数量是否足够,是否出现弯曲、断裂等情况15分板梁板梁是否加固牢固,是否平稳,板梁间距是否符合要求10分操作人员操作人员是否持证上岗,是否操作规范10分4.0 总评分将各项评分相加,最终得出脚手架工程的总评分。
评分标准如下:•90分以上:优秀•80-89分:良好•70-79分:一般•60-69分:较差•60分以下:不合格5.0本检查评分表适用于脚手架工程的日常检查,可以帮助检查员全面、科学地了解脚手架工程的运行情况,保障施工过程的安全。
同时,建议在施工过程中注意脚手架工程的细节,确保工程质量。