公共厕所无障碍厕间、厕位设计要求、导向标识
- 格式:pdf
- 大小:1.01 MB
- 文档页数:7
无障碍公厕标准
随着社会的发展,无障碍建设已经引起了越来越多的关注。
在公共场所,特别是厕所方面,无障碍设施的建设也变得越来越重要。
为了提高公共厕所的无障碍设施标准,保障残疾人士的基本权益,下面提出一些无障碍公厕标准:
1. 厕所进出口应设置无障碍通道,通道宽度不小于1.2米,通
道内不应有障碍物阻碍。
2. 厕所门应设置无障碍门,门宽不小于0.9米,门槛高度不大
于1.5厘米,门把手高度应在0.9米至1.2米之间,易于开合。
3. 厕所内部应设置无障碍通道,通道宽度不小于1.2米,通道
内不应有障碍物阻碍,如障碍物不可避免,则应设置提示标识。
4. 厕所内应有无障碍卫生间,卫生间座便高度不小于0.48米,便池深度不大于0.6米,便池宽度不小于0.4米,便池高度不低于0.43米,卫生间门应设置无障碍门。
5. 厕所内应设置无障碍洗手台,洗手台高度不大于0.8米,下
部空间不小于0.6米,前部空间不小于0.6米,洗手台下部应设置空间,以方便膝盖下蹲的人士使用。
以上就是无障碍公厕标准的一些要点,希望能够对公共场所厕所无障碍设施的建设提供一些参考。
- 1 -。
附件:公共卫生间标识依据国家标准《标志用公共信息图形符号第1部分:通用符号》(GB/T10001.1-2006)制定。
一、公共卫生间导向标识1、导向标识公共卫生间导向标识外形应采用长方形,尺寸根据周边环境条件可适当的调整,但要保持导向标识基本元素之间的合理比例。
导向标识在制作时进行倒角,使外形圆滑。
图1公共卫生间导向标识(无障碍)标准图形及基准尺寸图2公共卫生间导向标识标准图形及基准尺寸图3公共卫生间导向标识实图2、各方向公厕导向标识及编码向前向后向左/向右直行直行左转向后左转直行右转向后右转图4各方向公共卫生间导向标识说明:上述效果图和实例中的导向标识(箭头)已进行调整,具体使用应严格按照“第7页,通用符号表01项”的要求。
二、公共卫生间标识公共卫生间标识分为大小两种,大的需要做支架搭在公厕正上方,小的悬挂在公共卫生间墙面上。
1、公共卫生间标识(大)图5公共卫生间标识标准图形及基准尺寸(大)可根据公共卫生间的体量,按比例缩减,建议公共卫生间标识要确保在三个方向都能看到,每座公共卫生间要悬挂两块小的本身标识,设置一块大的导向标识于公厕建筑物正面,满足两个侧面的需要。
图6公共卫生间本身标识实图大(无障碍)2、公共卫生间标识(小)图7公共卫生间标识标准图形及基准尺寸(小)图8公共卫生间本身标识实图(无障碍)三、窗口单位卫生间图形标志1、以上公共卫生间的导向标识和公共卫生间标识是对辖区内归环卫部门管理的公共卫生间依照有关标准进行的详细设计,而对窗口单位如车站、码头、空港、大型商场(超市)、星级饭店的卫生间未作详细要求,为便于使用、相互统一,窗口单位设施内的卫生间应根据识读距离和设施大小确定相应尺寸,但必须保持样图构成要素之间的比例。
具体设计参照《标志用公共信息图形符号第1部分:通用符号》(GB/T10001.1-2006)进行。
四、图形标志的使用说明1、样图采用白色背景,黑色图形和边框或采用蓝色背景,白色图形和边框。
无障碍卫生间规范无障碍卫生间是为了满足身体上有一定困难的人士使用的需求而设立的场所。
无障碍卫生间规范旨在确保这些人士能够轻松便利地使用卫生间,并提供一个安全、舒适的环境。
以下是无障碍卫生间规范的一些主要要求。
1. 尺寸要求:无障碍卫生间的面积应足够宽敞,以便轮椅可以自由进出,并能够转动。
推荐最小面积为1500mm×1500mm。
进出口的门宽度应不小于900mm。
2. 地面标志:在无障碍卫生间的地面上应绘制卷轴标记,以指示出轮椅使用者的适宜区域,并提供足够的转动空间。
3. 洗手池:洗手池的高度可以根据需要调整,但一般推荐在800mm至850mm之间。
洗手池下方应提供足够的腿部空间,以方便轮椅使用者的进入。
4. 坐便器:无障碍卫生间内应设有配备扶手的坐便器。
扶手应坚固、稳定,并能够适应不同身高的使用者。
座便高度应根据需要调整,但一般推荐在400mm至450mm之间。
5. 紧急呼叫系统:无障碍卫生间内应配备紧急呼叫系统,以便使用者在需要帮助时能够快速联系到工作人员。
6. 镜子和储物柜:卫生间内的镜子和储物柜的高度应适当调整,以方便不同身高的使用者。
7. 照明和通风:无障碍卫生间内的照明应明亮均匀,并且照明设备不应出现任何刺眼或反射的情况。
通风系统应能够保持室内空气清新,并及时排除异味。
8. 防滑措施:卫生间地面、洗手池和坐便器周围应使用防滑材料,以避免使用者在湿滑的情况下滑倒或摔伤。
9. 消防安全:无障碍卫生间内应设有消防器材,并确保通道畅通,以方便在紧急情况下的疏散。
10. 暖气设施:卫生间内应装有足够的暖气设施,以确保使用者在寒冷的季节里能够有一个温暖舒适的环境。
总之,无障碍卫生间规范旨在为身体上有一定困难的人士提供方便、舒适且安全的使用环境。
这一规范的实施将有助于促进社会的包容性和平等性,使所有人都能够平等地享受卫生间的使用权益。
附件一
上海市公厕标志和公厕导向标志设置导则
1. 为进一步规范本市公厕标志和公厕导向标志设置,制订本导则。
2. 公厕标志的设置
设置于本市公厕建筑物外表面或上方、公厕门楣等处的公厕标志,采用如下款式:
2.1 公厕标志中残障标识的使用
配备残障设施的公厕应使用A1公厕标志方案,未配备残障设施的公厕应使用A2公厕标志方案。
2.2 公厕标志的外形变化
公厕标志基本元素,包括男女剪影、残障标志、文字标识(中英文)、白玉兰图形、以及底色,应保持不变;
公厕标志外形与尺寸应根据公共厕所建筑物本身的特点和周边环境进行调整(如采用尖顶、弧形等),并保持标志基本元素之间的合理比例(如长方形方案见图3)。
图1、公共厕所标志A1 图2、公共厕所标志A2
图3、公厕标志尺寸图及配色方案
3.公厕导向标志的设置
设置于本市户外的公厕导向标志,采用如图4款式。
3.1 公厕导向标志中残障标识的使用
配备残障设施的公厕应使用下图左栏的导向标志,未配备残障设施的公厕应使用下图右栏的导向标志。
3.3 公厕导向标志的设置
每一公厕在其服务区域内应设置不少于3块导向标志,建议公厕对面马路设置1块,相邻的路口各设置1块。
公厕导向标志设置示意图
4.
道路路口路口
公厕导向标志
公厕
图4、公共厕所导向标志
3.2 公厕导向标志的外形尺寸
公厕导向标志应采用长方形,尺寸根据周边环境条件可适当的调整,但要保持导向标志基本元素之间的合理比例(如图5)。
根据导向标志材料,在制作时进行倒角,使外形圆滑。
图5、公厕导向标志尺寸图及配色方案。
公厕新型导向标识牌制作安装方案
为迎接国检,解决公厕指示牌不够醒目的问题,需要制作新型公厕指示牌,确保公厕指示牌达标,满足创建要求。
一、遵循原则
1、符合《环境卫生图形符号标准》(CJJ/T125-2008)
2、指示牌颜色采用蓝色(色标c100m60y20k15,PANTONE647C/U)和白色(色标k0)为基本色。
3、中文字体应为大黑简体,英文字体应为Impact体。
文字颜色应与图形标志统一,以蓝色和白色为基本色。
中文为:公共厕所,英文为:PUBLIC TOILET
二、图示
三、说明及尺寸
1、导向标志牌样式、颜色以图示为准。
2、指示牌尺寸:
四、导向指示牌材料及要求
1、板面:铝板,厚度1.5mm以上;采用符合现行《公路交通标志反光膜》(GB/T18833)要求的工程级反光膜,保证5年不褪色,如有褪色,免费更换。
2、安装方式:独立杆预埋,杆质采用壁厚3mm×直径89mm热镀锌钢管(圆柱型,参照市区路名指示牌)。
采用上下双卡箍固定方式,每杆制作两面。
五、预算及资金来源
为迎接国检需要,制作数量具有不确定性,最终结算按
实际制作安装数量×中标价。
资金从创城公厕改造提升专项资金中列支。
附件:公共卫生间标识依据国家标准《标志用公共信息图形符号第 1 部分:通用符号》(GB/T10001.1-2006)制定。
一、 公共卫生间导向标识1、导向标识公共卫生间导向标识外形应采用长方形, 尺寸根据周边环境条件 可适当的调整, 但要保持导向标识基本元素之间的合理比例。
导向标 识在制作时进行倒角,使外形圆滑。
图 1 公共卫生间导向标识(无障碍)标准图形及基准尺寸图 2 公共卫生间导向标识标准图形及基准尺寸图 3 公共卫生间导向标识实图各方向公厕导向标识及编码2、向前图 4 各方向公共卫生间导向标识说明:上述效果图和实例中的导向标识(箭头)已进行调整,具体使用应严格按照“第7 页,通用符号表01项”的要求。
、公共卫生间标识公共卫生间标识分为大小两种,大的需要做支架搭在公厕正上方,小的悬挂在公共卫生间墙面上。
1、公共卫生间标识(大)图 5 公共卫生间标识标准图形及基准尺寸(大)可根据公共卫生间的体量,按比例缩减,建议公共卫生间标识要确保在三个方向都能看到,每座公共卫生间要悬挂两块小的本身标识,设置一块大的导向标识于公厕建筑物正面,满足两个侧面的需要。
图 6 公共卫生间本身标识实图大(无障碍)2、公共卫生间标识(小)图7 公共卫生间标识标准图形及基准尺寸(小)图8 公共卫生间本身标识实图(无障碍)三、窗口单位卫生间图形标志1、以上公共卫生间的导向标识和公共卫生间标识是对辖区内归环卫部门管理的公共卫生间依照有关标准进行的详细设计,而对窗口单位如车站、码头、空港、大型商场(超市) 、星级饭店的卫生间未作详细要求,为便于使用、相互统一,窗口单位设施内的卫生间应根据识读距离和设施大小确定相应尺寸,但必须保持样图构成要素之间的比例。
具体设计参照《标志用公共信息图形符号第1 部分:通用符号》(GB/T10001.1-2006)进行。
四、图形标志的使用说明1、样图采用白色背景,黑色图形和边框或采用蓝色背景,白色图形和边框。
无障碍卫生间设计规范无障碍卫生间设计是为了满足残疾人士和行动不便的人使用卫生间时的需求,提供一个安全、舒适和方便的环境。
以下是一些无障碍卫生间设计规范的要点:1.入口设计:无障碍卫生间的入口应宽敞,能够容纳轮椅或其他辅助设备的通过。
门应采用容易推开、无阻力的开启方式,并且应提供足够的操作间隙。
2.厕所设计:厕所应该设有固定扶手,使行动不便的人士能够自己完成上下厕所的过程。
扶手的高度和宽度应调整到合适的位置,并提供足够的支撑力。
3.洗手台设计:洗手台应该设有足够的操作空间,以容纳轮椅或辅助设备的通过。
洗手台的高度应适合行动不便的人使用,并且应提供易于操作的水龙头和肥皂器。
4.镜子设计:镜子的高度应考虑到行动不便的人所能够看到的范围,应根据实际情况进行调整。
5.紧急呼叫系统:无障碍卫生间应装设紧急呼叫系统,以提供紧急情况下的帮助和支持。
6.地板和墙面设计:地板应该无缝连接,平整且不滑。
墙面应该采用易于清洁、防刮擦的材料,以保持卫生间的整洁。
7.照明设计:无障碍卫生间应提供充足的照明,以确保使用者能够清晰地看到周围环境和设施。
8.安全设施:无障碍卫生间应提供一些功能便利的设施,如自动感应水龙头、扶手帮助系统等,以提高使用者的安全性和便利性。
9.注意标识:无障碍卫生间应有明显的标识,以便行动不便的人士能够容易地找到并识别。
10.容易维护和清洁:无障碍卫生间应设计成易于维护和清洁的结构,以便保持卫生和清洁。
总结起来,无障碍卫生间设计规范的目标是为残疾人士和行动不便的人提供一个舒适、安全和方便的环境。
通过合理的设计和布局,可以满足这些人士使用卫生间的需求,并提供他们所需的便利设施。
无障碍卫生间设计要求一般状况下,无障碍卫生间的〔制定〕目的是在一个公共区域给残疾人一个使用方便的场所。
由于必须要合计多方面的因素,在制定前了解清楚无障碍卫生间制定要求是有必要的。
无障碍卫生间制定要求1、通道地面应防滑和不积水,宽度不应小于1.50m。
2、洗手盆距洗手盆两侧和前缘50mm应设安全抓杆。
3、洗手盆前应有1.10m0.80m乘轮椅者使用面积。
4、男厕所小便器两侧和上方,应设宽度0.60~0.70m、高1.20m 的安全抓杆5、小便器下口距地面不应大于0.50m6、无障碍厕所男、女公共厕所应设一个无障碍隔间厕位。
7、新建无障碍厕位面积不应小于1.80m1.40m8、改建无障碍厕位面积不应小于2.00m1.00m9、厕位门扇向外开启后,入口净宽不应小于0.80m,门扇内侧应设关门拉手。
10、坐便器高0.45m,两侧应设高0.70m水平抓杆,在墙面一侧应设高1.40m的垂直抓杆。
11、安全抓杆直径应为30~40mm。
安全抓杆内侧应距墙面40mm。
抓杆应安装牢固。
无障碍卫生间制定原则一、无障碍卫生间的门宽不小于800mm,以便于轮椅出入。
二、使用推拉移动门,并在门上安装横向拉手,便于乘坐轮椅者开启或关闭。
三、无障碍卫生间的内部空间要大于1.5m*1.5m,这样轮椅才干回转。
四、座便器扶手距离地高至少700mm,间距宽度在700-800mm 之间,小便器扶手离地至少1180mm,台盆扶手离地至少850mm。
五、应该配备紧急呼叫系统,并在门外配置与紧急呼叫系统相连的报警红灯。
无障碍卫生间制定要点一、门口不要有任何门坎。
再低的门坎,也不便轮椅进出,也容易使拄拐杖的人绊跤。
二、要顾虑到有人手部损伤,或不方便使力,所以门锁要方便开关。
国际标准的配备有两种。
用红绿两个电动按钮来开关。
或是利用摃扛原理等制定,而使得门锁非常容易开关。
三、空间不见得要多大,但总要足够轮椅进去,并有一个回旋余地。
四、马桶两边有金属支撑把手。
3.9.1 公共厕所的无障碍设计应符合下列规定:1 女厕所的无障碍设施包括至少1个无障碍厕位和1个无障碍洗手盆;男厕所的无障碍设施包括至少1个无障碍厕位、1个无障碍小便器和1个无障碍洗手盆;2 厕所的入口和通道应方便乘轮椅者进入和进行回转,回转直径不小于1.50m;3 门应方便开启,通行净宽度不应小于800mm;4 地面应防滑、不积水;5 无障碍厕位应设置无障碍标志,无障碍标志应符合本规范第3.16节的有关规定。
3.9.2 无障碍厕位应符合下列规定:1 无障碍厕位应方便乘轮椅者到达和进出,尺寸宜做到2.00m×1.50m,不应小于1.80m×1.00m;2 无障碍厕位的门宜向外开启,如向内开启,需在开启后厕位内留有直径不小于1.50m的轮椅回转空间,门的通行净宽不应小于800mm,平开门外侧应设高900mm的横扶把手,在关闭的门扇里侧设高900mm的关门拉手,并应采用门外可紧急开启的插销;3 厕位内应设坐便器,厕位两侧距地面700mm处应设长度不小于700mm的水平安全抓杆,另一侧应设高1.40m的垂直安全抓杆。
3.9.3 无障碍厕所的无障碍设计应符合下列规定:1 位置宜靠近公共厕所,应方便乘轮椅者进入和进行回转,回转直径不小于1.50m;2 面积不应小于4.00m2;3 当采用平开门,门扇宜向外开启,如向内开启,需在开启后留有直径不小于1.50m的轮椅回转空间,门的通行净宽度不应小于800mm,平开门应设高900mm的横扶把手,在门扇里侧应采用门外可紧急开启的门锁;4 地面应防滑、不积水;5 内部应设坐便器、洗手盆、多功能台、挂衣钩和呼叫按钮;6 坐便器应符合本规范第3.9.2条的有关规定,洗手盆应符合本规范第3.9.4条的有关规定;7 多功能台长度不宜小于700mm,宽度不宜小于400mm,高度宜为600mm;8 安全抓杆的设计应符合本规范第3.9.4条的有关规定;9 挂衣钩距地高度不应大于1.20m;10 在坐便器旁的墙面上应设高400mm~500mm的救助呼叫按钮;11 入口应设置无障碍标志,无障碍标志应符合本规范第3.16节的有关规定。
附件:公共卫生间标识依据国家标准《标志用公共信息图形符号第1部分:通用符号》(GB/T10001.1-2006)制定。
一、公共卫生间导向标识1、导向标识公共卫生间导向标识外形应采用长方形,尺寸根据周边环境条件可适当的调整,但要保持导向标识基本元素之间的合理比例。
导向标识在制作时进行倒角,使外形圆滑。
图1公共卫生间导向标识(无障碍)标准图形及基准尺寸图2公共卫生间导向标识标准图形及基准尺寸图3公共卫生间导向标识实图2、各方向公厕导向标识及编码向前向后向左/向右直行直行左转向后左转直行右转向后右转图4各方向公共卫生间导向标识说明:上述效果图和实例中的导向标识(箭头)已进行调整,具体使用应严格按照“第7页,通用符号表01项”的要求。
二、公共卫生间标识公共卫生间标识分为大小两种,大的需要做支架搭在公厕正上方,小的悬挂在公共卫生间墙面上。
1、公共卫生间标识(大)图5公共卫生间标识标准图形及基准尺寸(大)可根据公共卫生间的体量,按比例缩减,建议公共卫生间标识要确保在三个方向都能看到,每座公共卫生间要悬挂两块小的本身标识,设置一块大的导向标识于公厕建筑物正面,满足两个侧面的需要。
图6公共卫生间本身标识实图大(无障碍)2、公共卫生间标识(小)图7公共卫生间标识标准图形及基准尺寸(小)图8公共卫生间本身标识实图(无障碍)三、窗口单位卫生间图形标志1、以上公共卫生间的导向标识和公共卫生间标识是对辖区内归环卫部门管理的公共卫生间依照有关标准进行的详细设计,而对窗口单位如车站、码头、空港、大型商场(超市)、星级饭店的卫生间未作详细要求,为便于使用、相互统一,窗口单位设施内的卫生间应根据识读距离和设施大小确定相应尺寸,但必须保持样图构成要素之间的比例。
具体设计参照《标志用公共信息图形符号第1部分:通用符号》(GB/T10001.1-2006)进行。
四、图形标志的使用说明1、样图采用白色背景,黑色图形和边框或采用蓝色背景,白色图形和边框。
无障碍公厕标准
无障碍公厕标准是指符合无障碍设计标准,能够为多种类型残疾人提供方便、无障碍的使用体验的公共厕所。
其标准包括以下几个方面:
1. 建筑设计:无障碍公厕需要按照无障碍设计规范建造,门宽和通道要满足轮椅进出的要求,且必须安装扶手、防滑地面等设备。
2. 洁净度:无障碍公厕必须要保持干燥、清洁,温馨舒适、无异味,厕所设备应配有自动防臭、冲水、洗手等装置,用以提高使用者的卫生体验。
3. 标识设计:公厕应该设置清晰明了的标志,标识应该在入口处、主要设施物前等关键位置易于检视,标识的尺寸、颜色、字体大小、对比度、辨别度等应符合无障碍设计标准。
4. 配套设施:无障碍公厕应随时配备清洁用品、纸巾、抽纸、废纸篓、水龙头、洗手池等配套设施。
5. 安全设施:无障碍公厕应安装应急呼叫设备,避免意外事情的发生,如意外滑倒等。
无障碍公厕标准的实行,将有助于残疾人的社会融入、便利交通出行、增进公众卫生,提升城市形象,实现城市可持续发展目标。
无障碍卫生间设计规范1 概述无障碍卫生间是一种基于平等原则和公平对待自然环境、残疾人士和弱势、贫穷社会群体的设计原则,以确保残疾人士和弱势群体能够自主、独立、安全、安心的使用公共设施的一种建筑空间。
无障碍卫生间设计是构建共同可持续发展环境的重要前提,同时也包括社会环境、文化环境和功能环境等要素。
2 形式及原则无障碍卫生间设计主要有:无障碍入口设计,避免使用楼梯,准备足够的扶手;无障碍门的设计,宽度合适,避免与护栏碰撞;无障碍洗手池的设计,保证足够的设施;安装安全门把手、通道标识,屋面用防滑材料覆盖;视觉的使用,明亮的门前附有描述信息;配备合适的应急服务,考虑残疾人士需要。
3 主要要求1. 无障碍设施采用直线设计,以满足残疾人士从门口至内部空间移动时无需做任何转弯,使其可以自由活动。
2. 无障碍入口、移动路径及平台宽度,应至少保证900mm,且门开向应正对移动方向,便于残疾人士自行推动辅助设备进出。
3. 墙壁面、地面和天花板应采用不发生光照差异的类似材料,以便视障者能够更加便捷的判断,提高使用的舒适性。
4. 无障碍洗手池的设计,要考虑到低床残疾人士的洗手需求,并安装保护把手及足够的扶手。
5. 无障碍卫生间安装或建设应当遵守地面强度、弯曲、坡度、斜度及缓冲等相关规范;另外,空间紧凑的面积要求高,优先设置容易使用的设备,并且设计要考虑尺寸的相关要求控制剩余可用空间。
4 无障碍卫生间设计的意义无障碍卫生间的设计,除了让残疾人士得到更多的便利和便捷外,也为可持续发展环境提供了理想支持。
无障碍活动在该社会群体中建立起一种平等观念,提高政策和服务水平,保证人们参与社会和共享资源的机会。
无障碍卫生间设计有助于扩大社会应有的平等意识,减少社会空间的不平等表现形式,为更多的弱势团体发挥更大的作用,促进全民共同进步和发展。
无障碍公厕标识标准
无障碍公厕标识是为了方便残障人士在使用公共厕所时提供便利和安全保障而设计的。
无障碍公厕标识的标准通常包括以下几个方面:
1. 标识图案,无障碍公厕标识通常采用国际通用的残障人士标识图案,即一个白色轮椅图案在蓝色背景上,以便于残障人士和其他人员快速识别。
2. 标识位置,无障碍公厕标识应当在公厕入口处醒目地设置,以便于残障人士能够快速找到并且不会被其他物体遮挡。
3. 标识高度,标识应当设置在适合残障人士视线高度的位置,通常为1.4米至1.6米之间,以确保他们能够清晰地看到标识并且方便识别。
4. 标识尺寸,标识的尺寸应当符合相关的标准规定,以保证其在不同场所和环境下的可见性和识别性。
5. 照明和反光,在夜间或者光线较暗的环境下,无障碍公厕标
识应当能够通过照明或者反光材料来增加其可见性,以确保残障人士在任何时间都能够清晰地看到标识。
总的来说,无障碍公厕标识的设计应当符合国家或地区相关的标准规定,以确保其能够为残障人士提供准确、清晰的指引,并且能够在不同的环境下保持其可见性和识别性。
同时,标识的设置应当考虑到残障人士的实际需求和使用习惯,以提供最大程度的便利和安全保障。
无障碍厕位标准(一)无障碍厕位标准背景介绍随着社会的发展,人们对于公共场所的要求越来越高,其中无障碍厕所就是其中一个重要的需求。
无障碍厕位标准是指为残疾人或者特殊群体设计的卫生间标准,旨在为他们提供更加舒适的使用体验。
标准要求无障碍厕位标准包括以下要求:1.制定通行标准,保证轮椅等辅助工具可以自由通行。
2.安装扶手和升降平台等设施,方便残疾人或者特殊群体使用。
3.增加厕所间隔,以便于辅助工具的使用。
4.增加厕所门的宽度,方便轮椅等辅助工具的进出。
5.提供便于操作的开关、按钮等控制设备。
以上要求是无障碍厕位标准的基本要求,同时也是公共场所必须遵守的基本规定。
特殊场合的注意事项针对一些特殊的公共场合,无障碍厕位标准也会有所不同,需要根据实际情况进行调整。
比如:1.在医院等场所,需要增加升降平台的数量,以便于病人或者护理人员的操作。
2.在机场等场所,需要增加座位数量,以便于等待辅助工具的乘客使用。
需要根据不同场合的实际情况进行判断和设计。
总结无障碍厕位标准的制定,是为了保障残疾人或者特殊群体的基本需求,同时也是公共场所的必备标准。
我们应该充分认识到这一点,加强无障碍厕位标准的制定和实践,为特殊群体提供更加便捷、贴心的服务。
建筑设计要素在建筑设计过程中,需要考虑到以下要素,以保证无障碍厕位标准能够得到有效的实现:1.建筑结构要素:建筑物的结构要素应符合相关的无障碍标准,包括楼梯、电梯、走道、地面等等。
建筑结构的尺度和布置应使残疾人和老年人能够灵活运动,无障碍地方可以在设计阶段与普通标准一同被考虑进去。
2.设备设施要素:建筑物内部的设备和设施应符合无障碍要求,如扶手和升降台,符合规定的蹲便坑和马桶等。
设施应符合相关的标准,方便残疾人或者特殊群体的使用。
3.空间布局要素:建筑物内部的空间布局应当考虑各种用户群体的需求,避免对于某些特殊群体的不便之处。
例如在设计时可以增加更多的公共区域,为残疾人留足空间。
以上要素是建筑设计过程中需要考虑到的基本要素,建筑设计者需要严格按照这些规定进行设计,以满足无障碍厕位标准的要求。
无障碍公厕标准
无障碍公厕标准是指为了方便残障人群使用公共厕所而制定的一系列标准。
根据国家相关法规,无障碍公厕应该考虑到轮椅、拐杖等辅助设备的使用,为残障人士提供更加方便、安全、卫生的厕所环境。
无障碍公厕标准包括以下方面:
1. 建筑设计:无障碍公厕的建筑设计应该符合相关的建筑设计标准,包括卫生间门宽度、走廊宽度、坡度等要求,以确保残障人士能够顺利进入和使用。
2. 标识标志:无障碍公厕应该设置明显的标识标志,包括无障碍标志、残障人士卫生间标识、方向指示标识等,以方便残障人士寻找和使用。
3. 设备设施:无障碍公厕应该配备必要的辅助设备和设施,如无障碍坐便器、扶手、坐便器高度调整装置、紧急呼叫装置等,以确保残障人士能够安全、方便地使用。
4. 卫生保障:无障碍公厕应该每日进行定期清洁和消毒,并配备垃圾桶和卫生纸等卫生用品,以保障卫生环境。
无障碍公厕标准的实施,对于提高城市公共卫生水平,改善残障人士的生活质量,促进社会公平正义等方面都具有积极的作用。
- 1 -。
附录A(规范性)公共厕所指示牌的规定A.1 公共厕所指示牌的基本规定A.1.1 公共厕所指示牌按照设置位置不同分为室外和室内两种。
a)设置在室外的指示牌有:公共厕所标志牌、导向牌、环卫工人休息间、临时停车位、开放时间指示牌等;b)设置在室内的有:第三卫生间、男女卫生间、无障碍卫生间、工具间、管理间、盥洗间等房间指示牌,还有厕位蹲坐位、无障碍厕位、厕位有无人、多功能台、儿童安全座椅等各种不同功能的专用指示牌;C)若公共厕所还有其他辅助功能,也应根据其功能按照GB 10001.1和CJJ/T 125的有关规定,设置指示牌进行标识。
A.1.2 公共厕所的指示牌应醒目、清晰、易于辨认,并应符合GB 10001.1和CJJ/T 125的有关规定。
A.1.3 公共厕所指示牌的基本元素,应包括男女图形标志、残障标志、功能标志、文字标志(中英文)、方向指引、距离、以及图案和文字的颜色。
A.1.4 公共厕所指示牌采用板式标牌,其主要部件包括:标志底板、立柱、标志面、边框、紧固件等。
指示牌的大小尺寸可以根据建筑物和周边环境按比例进行调整,并保持标志基本元素之间的合理比例。
A.1.5 指示牌底板、边框、立柱应选用铝板、不锈钢等防腐蚀、耐老化的材料制作。
文字、图形标志所选用的材料要保持不剥落、不褪色的长久性。
A.1.6 公共厕所室外指示牌应按照CJJ/T 125中的要求制作:长宽比例应为4:3,应根据识读距离和设施大小确定相应尺寸,必须保持图形标志构成要素之间的比例;应采用蓝色(cl 00m60y20kl 5,PANTONE 647 C/ U)和白色(kO)为基本色。
除样图中蓝色图形和边框、白色背景外,也可为白色图形和边框、蓝色背景。
A.1.7 指示牌的文字字体:公共厕所图形标志的中文字体应为大黑简体,英文字体应为Impact体。
文字颜色应与图形标志统一,以蓝色和白色为基本色。
A.1.8 公共厕所指示牌属于城市公共服务设施,未经公共厕所主管标志牌部门同意,不得随意拆除和破坏。
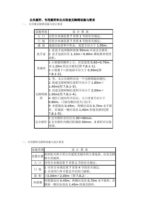
附录A 无障碍厕间、厕位设计要求名称设计要求备注
无障碍厕位宜≥2.00m×1.50m,
不应小于1.80m×1.00m
无障碍厕间应≥2.20m×1.80m
厕位内设置应设坐便器。
厕位两侧距地面700mm处应设长度不小于700mm的水平安全抓杆,另一侧应设高1.40m的垂直安全抓杆。
门门通行净宽应≥800mm。
门宜向外开启或设置推拉门,如向内开启,需在开启后厕位内留有直径不小于1.50m的轮椅回转空间。
平开门内、外侧均应设高900mm的横扶把手,并可内外紧急开启。
附录B公共厕所导向标识
功能房间标识
名称图案标识中英文名称说明及要求
男性公厕
标识图案
男
Male
表示供男性使用的设施;用于独立
式、附属式、活动式公共厕所的出入
口。
女性公厕
标识
女
Female
表示供女性使用的设施;用于独立
式、附属式、活动式公共厕所的出入
口。
男、女厕
标识
公共厕所
Public Toilet
表示供男性、女性使用的公厕设施;
用于未配备残障设施的独立式、附属
式、活动式公共厕所。
无障碍厕
位、无障
碍卫生间
无障碍厕所
Accessible
Toilet
表示供残疾人、老年人使用的厕间。
用于独立式、附属式、活动式公厕设
有无障碍厕位或无障碍厕所的出入
口、厕位门、环境卫生设施导向标志
牌。
母婴室
母婴室
Nursery Room
表示供携带儿童或怀抱婴儿人士使
用的厕所间;用于独立式、附属式、
活动式公共厕所设有母婴厕所间的
门上。
第三卫生
间
第三卫生间
Unisex Toilet
表示供特需人士单独或他人陪护下
使用,且具备无障碍、儿童专用和婴
儿护理等设施的独立厕间。
名称图案标识中英文名称说明及要求
清洁间清洁间
Broom Closet
更衣室更衣室
Locker Room 表示供男性、女性使用的更衣室。
用于男女更衣室(更衣间)的门上。
设施硬件配置标识
坐便器坐便器Potty Toilet
表示供男性、女性使用的坐便器。
用
于男女公共厕所的厕所间(厕位)门
上。
蹲便器蹲便器
Squat Toilet 表示供男性、女性使用的蹲便器。
用于男女公共厕所的厕所间(厕位)门
上。
小便器小便器Chem-urinals 表示供男性使用的小便器。
用于男公
共厕所的厕所间(厕位)墙面上。
淋浴
喷头淋浴喷头Sprinkler 表示供男性、女性使用的淋浴喷头。
用于男女公共厕所的淋浴间的门上。
洗手台洗手台
Washbasin
名称图案标识中英文名称说明及要求饮用水饮用水
Drinking Water
儿童坐便
器儿童坐便器Children Toilet 母婴室内部设施配置标识。
儿童安全
座椅儿童安全座椅Child Safety Seat 母婴室内部设施配置标识。
婴儿尿布
台婴儿尿布台Diaper Stand 母婴室内部设施配置标识。
洗手液洗手液
Hand Lotion
烘手机干手机
Hand Dryer
感应
出水感应出水Induced Effuent
名称图案标识中英文名称说明及要求卫生纸卫生纸
Toilet Paper
擦手纸擦手纸
Tissue
冲水
按钮冲水按钮Flush Button
废纸篓废纸篓
Rubbish Bin
禁止类标识
非工作人
员禁止入
内非工作人员禁止入内No entering
禁止
吸烟禁止吸烟No Smoking
请勿
拍照请勿拍照Do Not Take Pictures
名称图案标识中英文名称说明及要求宠物
勿入宠物勿入Pets Not Allowed
提示标识
小心
地滑小心地滑Caution wetfloor
小心
台阶小心台阶Careful Steps
清扫中
请稍后清扫中请稍后In cleaning Please Later。