碎石检测报告报审
- 格式:doc
- 大小:46.50 KB
- 文档页数:3
碎石合格检测报告1. 引言碎石是建筑材料中常用的一种,用于路面铺设、混凝土制作等。
为了确保碎石的质量符合要求,我们进行了一系列的合格检测。
本文将详细介绍我们的检测步骤和结果。
2. 检测目的我们的检测目的是评估碎石的物理性质、化学成分和颗粒分布,以确定其是否符合国家标准和相关规范要求。
3. 检测步骤3.1 采样我们从不同供应商处随机采集了10个碎石样品作为测试样本。
采样过程中注意避免杂质和水分的污染。
每个样品的重量约为500克。
3.2 外观检验我们首先对每个样品进行了外观检验,观察其颜色、质地和表面是否有明显缺陷。
所有样品均符合要求,没有明显的色差或破损。
3.3 物理性质测试我们对每个样品进行了以下物理性质测试:•颗粒密度:使用测密仪测量样品的颗粒密度,结果显示在下表中。
•吸水率:将样品在室温下浸泡24小时后,测量其吸水量。
•硬度:使用洛氏硬度计测量样品的表面硬度。
样品颗粒密度 (g/cm³) 吸水率 (%) 硬度 (洛氏硬度)1 2.65 0.5 752 2.68 0.4 723 2.62 0.6 784 2.70 0.3 705 2.66 0.4 746 2.67 0.5 737 2.63 0.6 798 2.71 0.4 719 2.64 0.6 7710 2.69 0.3 703.4 化学成分检测我们还对每个样品进行了化学成分检测,以确定其含量是否符合要求。
以下是检测结果:样品SiO₂ (%)Al₂O₃ (%)Fe₂O₃ (%)CaO (%) MgO (%)1 65.2 15.3 2.1 4.5 2.82 63.8 14.9 1.9 4.3 2.53 64.5 15.7 2.3 4.9 3.24 65.1 15.1 2.0 4.2 2.75 64.8 15.2 2.2 4.4 2.96 64.9 15.4 2.1 4.6 2.77 65.3 15.6 2.4 5.1 3.18 64.7 15.0 2.0 4.1 2.69 65.0 15.5 2.3 4.8 2.910 64.6 15.3 2.1 4.3 2.73.5 颗粒分布分析最后,我们使用粒度分析仪对样品进行颗粒分布分析,以评估其粒径分布情况。
建设用石检测报告共页第页委托单位报告编号样品名称样品编号施工单位规格型号/种类工程名称样品状态工程部位样品数量产地代表数量代表批次委托日期检测类别检测日期检测依据委托人检测地址检测环境检测内容检测项目技术要求检测结果单项评定颗粒级配方孔筛尺寸(mm)累计筛余(%)实际累计筛余(%)公称粒径(mm)9075.063.053.037.531.526.519.016.09.54.752.36卵石含泥量、碎石泥粉含量(%)Ⅰ类Ⅱ类Ⅲ类泥块含量(%)Ⅰ类Ⅱ类Ⅲ类压碎指标(%)Ⅰ类Ⅱ类Ⅲ类针、片状颗粒含量(%)Ⅰ类Ⅱ类Ⅲ类坚固性(%)碱活性表观密度(kg/m³)连续级配松散堆积密度(kg/m³)空隙率(%)Ⅰ类Ⅱ类Ⅲ类检测结论检测说明见证单位:见证人:批准:审核:主检:检测单位检测专用章(盖章)签发日期:年月日共页第页样品名称样品编号样品状态规格型号检测日期检测环境设备名称设备编号设备状态检测依据检测内容颗粒级配公称粒径(mm)筛余量(g)分计筛余(%)累计筛余(%)最大粒径(mm)75.063.053.037.531.526.519.016.09.54.752.36卵石含泥量、碎石泥粉含量次数试验前烘干试样质量1am(g)试验后烘干试样质量2am(g)卵石含泥量、碎石泥粉含量aQ(%)平均值(%)12泥块含量次数试验前干燥试样质量m b1(g)试验后干燥试样质量m b2(g)泥块含量(%)平均值(%)12检测说明卵石含泥量、碎石泥粉含量泥块含量%100121⨯-=aaaa mmmQ%100121⨯-=bbbb mmmQ校核:主检:b Q共页第页样品名称样品编号样品状态规格型号检测日期检测环境设备名称设备编号设备状态检测依据检测内容压碎指标次数试样质量m g1(g)压碎后筛余试样质量m g2(g)压碎指标Q e(%)平均值(%)123针、片状颗粒含量试样质量m c1(g)试样中所含针、片状颗粒总质量m c2(g)试验结果Q c(%)坚固性公称粒级(mm)筛分后各粒级试样质量w(g)该粒级试样质量fim(g)溶液温度(℃)循环次数(次)各粒级试样分计百分含量∂i(%)该粒级试验后筛余量fim'(g)质量损失百分率iP(%)总质量损失百分率jδ(%)该项评定检测说明压碎指标%100121g⨯-=gggmmmQ针、片状颗粒含量%10012⨯=ccc GGQ坚固性∂i=w J15w ×100%%100⨯'-=fififii mmmPiiiiiPP∂∑∂∑===5151i∂—各粒级试样质量占试样总质量的百分比(%)。
表 B.0.7 道路沥青稳定碎石混合料面层报审、报验表工程名称:第六采气厂2019 年产建地面工程苏里格南区、高桥区主干道路升级改造工程第二标段编号:03Z01致:西安长庆工程建设监理有限公司第六采气厂项目监理部我方已完成K5+000-K5+097 道路沥青稳定碎石混合料面层铺设施工工作,经自检合格,现将有关资料报上,请予以审查、验收。
附:■沥青混凝土面层和沥青碎(砾)石面层工程检验批质量验收记录1 份■沥青表面处置面层、封层工程检验批质量验收记录1 份施工项目经理部(盖章)项目经理或项目技术负责人(签字)年月日审查、验收意见:经审查,该检验批施工符合设计及施工质量验收规范要求,验收合格。
项目监理机构(盖章)专业监理工程师(签字)年月日注:本表一式三份,项目监理机构、建设单位、施工单位各一份。
3.10.23沥青混凝土面层和沥青碎(砾)石面层工程检验批质量验收记录SY42103.10.25 沥青表面处置面层、封层工程检验批质量验收记录3.10.25 沥青表面处置面层、封层工程检验批质量验收记录表 B.0.7 道路沥青稳定碎石混合料面层报审、报验表工程名称:第六采气厂2019 年产建地面工程苏里格南区、高桥区主干道路升级改造工程第二标段编号:03Z01致:西安长庆工程建设监理有限公司第六采气厂项目监理部我方已完成K4+500-K5+000 道路沥青稳定碎石混合料面层铺设施工工作,经自检合格,现将有关资料报上,请予以审查、验收。
附:■沥青混凝土面层和沥青碎(砾)石面层工程检验批质量验收记录1 份■沥青表面处置面层、封层工程检验批质量验收记录1 份施工项目经理部(盖章)项目经理或项目技术负责人(签字)年月日审查、验收意见:经审查,该检验批施工符合设计及施工质量验收规范要求,验收合格。
项目监理机构(盖章)专业监理工程师(签字)年月日注:本表一式三份,项目监理机构、建设单位、施工单位各一份。
3.10.23沥青混凝土面层和沥青碎(砾)石面层工程检验批质量验收记录SY42103.10.25 沥青表面处置面层、封层工程检验批质量验收记录3.10.25 沥青表面处置面层、封层工程检验批质量验收记录表 B.0.7 道路沥青稳定碎石混合料面层报审、报验表工程名称:第六采气厂2019 年产建地面工程苏里格南区、高桥区主干道路升级改造工程第二标段编号:03Z01致:西安长庆工程建设监理有限公司第六采气厂项目监理部我方已完成K4+000-K4+500 道路沥青稳定碎石混合料面层铺设施工工作,经自检合格,现将有关资料报上,请予以审查、验收。
建筑用碎石检测报告
建筑用碎石是建筑材料中的一种重要组成部分,常用于路面、路基、基础、混凝土等工程中。
为确保建筑用碎石的质量符合相关标准和要求,需要对其进行检测。
本检测报告对一批建筑用碎石进行了全面的检测与分析,结果如下:
1.样品信息:
-样品编号:XXX
-检测日期:XXXX年XX月XX日
-检测地点:XXX
2.检测项目:
本次检测主要涵盖以下项目:
-粒度分析
-抗压强度
-吸水性能
-化学成分分析
3.检测结果及分析:
a.粒度分析:
b.抗压强度:
c.吸水性能:
d.化学成分分析:
选择了常见的元素和化学组成进行分析,结果表明样品中各种元素的含量完全符合相关标准和要求,并无任何有害物质的超标情况。
4.结论:
综上所述,本次建筑用碎石的检测结果表明,样品的质量符合相关标准和要求。
其粒度分布合理,抗压强度良好,吸水性能适中,并且化学成分符合规定。
因此,该批建筑用碎石可以安全使用在建筑工程中,保障工程的质量和稳定性。
5.建议:
虽然本次检测结果符合相关标准和要求,但建议在使用过程中仍要严格按照相关技术规范进行操作,以确保工程的质量和安全。
碎石检测报告
一、背景介绍。
碎石是建筑领域常用的一种建筑材料,其质量直接影响着建筑物的稳固性和耐久性。
因此,对碎石的质量进行检测是非常重要的。
本报告旨在对某建筑工地使用的碎石进行检测,以确保其符合相关标准和要求。
二、检测内容。
1. 外观检测,对碎石的外观进行观察,包括颜色、形状、表面是否有裂缝等情况。
2. 颗粒分布检测,利用颗粒分析仪对碎石颗粒的大小和分布进行测试。
3. 抗压强度检测,通过压缩试验仪对碎石进行抗压强度测试。
4. 吸水率检测,浸水后对碎石的吸水率进行测试。
三、检测结果。
1. 外观检测,碎石颜色均匀,形状规整,表面无裂缝。
2. 颗粒分布检测,碎石颗粒分布均匀,符合相关标准要求。
3. 抗压强度检测,碎石抗压强度达到设计要求,符合标准。
4. 吸水率检测,碎石吸水率较低,符合标准要求。
四、结论。
经过检测,本次使用的碎石质量良好,符合建筑要求和标准。
建议在施工过程中合理使用,并注意保护碎石质量,以确保建筑物的稳固性和耐久性。
五、建议。
1. 在使用碎石时,应根据实际情况选择合适的规格和质量。
2. 在运输和存储过程中,应注意避免碎石受到外力损坏。
3. 在施工过程中,应合理控制碎石的用量,避免浪费。
六、附录。
1. 检测设备清单。
2. 检测人员名单。
3. 检测报告原始数据。
以上为本次碎石检测的报告内容,希望对相关人员和部门的工作有所帮助。
如有任何疑问或需要进一步了解检测情况,请随时与我们联系。
碎石检验报告范文一、引言碎石是一种常用的建筑材料,广泛应用于道路、铁路、混凝土和建筑工程中。
为确保碎石材料的质量,需要进行碎石的检验。
本报告主要介绍了碎石检验的目的、方法、结果和结论。
二、检验目的本次碎石检验的目的是确定样品的物理和化学性质,以评估其是否符合规定的质量标准。
三、检验方法1.物理性质检验(1)颗粒分布:采用筛分法对样品进行检验,根据不同规格的筛网进行筛分,记录通过和残留的质量。
(2)密度和吸水性:使用密度计测量样品的质量和体积,并计算出碎石的密度。
同时,将样品浸泡在水中一段时间后,再测量其质量和体积,计算出吸水性指标。
2.化学性质检验(1)含水率:样品经烘箱干燥,然后测定质量差值,计算出含水率。
(2)酸碱度:将样品与酸碱溶液接触,使用酸碱度指示剂检测溶液颜色的变化,判断样品的酸碱度。
四、检验结果1.物理性质检验结果根据筛分法进行的颗粒分布检验结果显示,样品A通过40目筛网的质量为50克,通过20目筛网的质量为200克,通过10目筛网的质量为300克,而样品B通过40目筛网的质量为60克,通过20目筛网的质量为180克,通过10目筛网的质量为250克。
密度测量结果显示,样品A的质量为500g,体积为0.5m^3,密度为1000 kg/m^3,而样品B的质量为400g,体积为0.4m^3,密度为1000kg/m^3吸水性检验结果显示,样品A在水中浸泡后的质量为520g,体积为0.52m^3,吸水性为4%;而样品B的浸泡后质量为430g,体积为0.43m^3,吸水性为7%。
2.化学性质检验结果含水率测定结果显示,样品A的初始质量为500g,经过烘干后质量为480g,含水率为4%;样品B的初始质量为400g,经过烘干后质量为375g,含水率为6%。
酸碱度检验结果显示,样品A与酸性溶液接触后,溶液颜色变为红色,表明样品为酸性;样品B与碱性溶液接触后,溶液呈现绿色,表明样品为碱性。
五、结论根据本次检验结果,得出以下结论:1.样品A和样品B的颗粒分布满足要求,通过了各个筛网的检验。
检验检测机构名称(***公司)
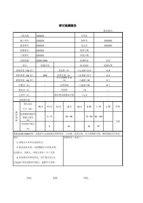
混凝土用石检验报告
GD-J-13□□□
检验性质: 委托单位: 报告编号:
工程名称:
工程部位:
评定标准: 见证单位:
见证人及见证
卡号:
监督员: 监督单位: 监督登记号:
样品 样品编号
样品名称
代表批最
厂;息 规格型号
产地/厂家
岩石种类
序号 检测项目 检测依据
技术要求
检测结果
1 表观密度(kg∕πf)
2 堆积密度(kg∕m')
3 紧密密度(kg∕πf)
4 含水率(%)
5 吸水率(%)
6 含泥量(%)
7 泥块含量(幼
8 针片状颗粒含接(%)
9 压碎指标值(%)
10 有机物含量
11 坚固性(%)
12 硫化物及硫酸盐含量(%)
13 不规则颗粒含量(蛤
14
碱活性
快速法
砂浆长度法
颗粒级配
公称粒径
80
63
50
40
31.5
25
20
16
10
5
2.5
累计筛余(%)
检测结果
技术要求
结论
备注
声明:1、未经本堆位书面批准,不得部分豆制本检验检测报告(完全豆制除外)。
2、如对本报告的有效性有异议,请在报告日期15天内以书面形式向本IYI 位提出,逾期不予受理。
3 ................(有特殊声明在此表示)。
地址:
批准: 主检:
电话:。
津市政C2-6
检验单位地址:电话:传真:报告日期
津市政C2-6
检验单位地址:电话:传真:报告日期
津市政C2-6
检验单位地址:电话:传真:报告日期
津市政C2-6
检验单位地址:电话:传真:报告日期
津市政C2-6
检验单位地址:电话:传真:报告日期
津市政C2-6
检验单位地址:电话:传真:报告日期
津市政C2-6
检验单位地址:电话:传真:报告日期
津市政C2-6
检验单位地址:电话:传真:报告日期
津市政C2-6
检验单位地址:电话:传真:报告日期
津市政C2-6
检验单位地址:电话:传真:报告日期
津市政C2-6
检验单位地址:电话:传真:报告日期
津市政C2-6
检验单位地址:电话:传真:报告日期。
二灰稳定碎石试验段施工报审表
(编号:)
合同号:项目名称:孔山二期道路工程施工单位:济源市市政工程公司作业组:试验段桩号:K2+240-K2+340 拟实施路段:K0+000-K3+332
承包商呈报三份,审批后项目监理工程师和驻地监理工程师办公室各留一份,返回承包商一份
路基土方试验段施工报审表
(编号:)
合同号:项目名称:孔山二期道路工程施工单位:济源市市政工程公司作业组:试验段桩号:K1+830-K1+930 拟实施路段:K0+000-K3+332
承包商呈报三份,审批后项目监理工程师和驻地监理工程师办公室各留一份,返回承包商一份水泥粉煤灰稳定碎石试验段施工报审表
(编号:)
合同号:项目名称:孔山二期道路工程施工单位:济源市市政工程公司作业组:试验段桩号:K2+360-K2+460 拟实施路段:K0+000-K3+332
承包商呈报三份,审批后项目监理工程师和驻地监理工程师办公室各留一份,返回承包商一份精品文档word文档可以编辑!谢谢下载!。
聊城开发区关顾路道路排水工程水泥稳定碎石基层配合比设计试验报告聊城九洲建筑安装有限公司2012年5月水泥稳定碎石配合比设计试验报告一、设计依据1、聊城市经济开发区关顾路道路排水工程水泥稳定碎石配合比设计无侧限抗压强度(养生6天,浸水24小时)为3.0MPa.2、路面工程标准,路面基层强度保证率90%,路面基层压实度保值率95%,压实度标准为98%。
3、采用规范标准部颁《公路路面基层施工技术规范(JTJ034-2000)》;部颁《公路工程集料试验规程(JTGE42-2005)》;部颁《公路工程无机结合料稳定材料试验规程(JTJ057-94)》。
二、原材料1、水:人蓄能饮用的水;2、水泥:采用聊城山水集团“东昌”32.5#普通硅酸盐水泥,经检验合格。
3、碎石:(1)规格:碎石(1-2)、碎石(0.5-1)、石屑、石粉四种。
(2)碎石做压碎值试验,测得其压碎值合格,试验资料附后。
(3)各种集料筛分试验记录附后。
三、集料掺配1、执行标准:依据《设计图纸》要求集料级配作为设计值进行级配。
2、各种规格集料用料百分率:碎石(1-2):碎石(0.5-1):石屑:石粉=45:20:12:23四、水泥稳定碎石设计配合比选定根据筛分情况分析和级配图得,碎石比例为碎石(1-2):碎石(0.5-1):石屑:石粉=45:20:12:23,采用水泥用量分别为外掺,4%、4.5%、5.0%、5.5%进行击实、制件试验,其7天无侧限抗压强度为:设计7天无侧限抗压强度为3.0MPa,当水泥剂量为5.0%时,其强度R(1-Cv*Za)>Rd,故采用水泥剂量为5.0%的配合比进行施工。
即:水泥稳定碎石配合比为:碎石(1-2):碎石(0.5-1):石屑:石粉=45:20:12:23外掺5.0%水泥。
五、水泥稳定碎石滴定曲线采用规范标准部颁《公路工程无机结合料稳定材料试验规程》(JTJ05-94)配合料名称:水泥稳定碎石配合料试验方法名称:EDTA滴定。