旋挖钻孔灌注桩施工记录表
- 格式:doc
- 大小:69.00 KB
- 文档页数:2
旋挖钻孔灌注桩施工记录表一、工程概况工程名称:_____工程地点:_____建设单位:_____设计单位:_____监理单位:_____施工单位:_____桩号:_____桩径:_____桩长:_____桩顶标高:_____桩底标高:_____混凝土强度等级:_____二、施工准备1、场地平整施工前对场地进行平整,清除杂物和障碍物,确保桩机能够平稳作业。
场地平整度误差控制在 ±50mm 以内。
2、桩位放线根据设计图纸,采用全站仪或经纬仪进行桩位放线。
桩位偏差控制在规范允许范围内,群桩偏差不大于 20mm,单排桩偏差不大于 10mm。
3、护筒埋设护筒采用钢板制作,内径大于桩径 200mm。
护筒埋设深度根据地质情况确定,一般为 15 20m,护筒顶部高出地面 300mm。
护筒中心与桩位中心偏差不大于 50mm,垂直度偏差不大于 1%。
4、泥浆制备根据地质条件和施工要求,制备合适的泥浆。
泥浆性能指标应符合规范要求,如比重、粘度、含砂率等。
三、钻进成孔1、钻机就位钻机安装平稳,底座牢固,钻杆垂直。
对中误差不大于 20mm,垂直度偏差不大于 1%。
2、钻进参数根据地质情况和桩径、桩长,合理选择钻进速度、钻压和转速。
钻进过程中应及时记录钻进深度、钻进时间、钻进速度等参数。
3、地质情况记录钻进过程中,密切观察地质变化情况,每钻进 1 2m 记录一次地质情况。
详细记录土层、砂层、岩层等的分布情况和厚度。
4、孔深测量当钻进至设计孔深时,采用测绳或测孔仪测量孔深。
孔深允许偏差为+300mm,0。
5、孔径测量采用孔径检测仪测量孔径,孔径不得小于设计桩径。
6、孔底沉渣厚度检测当钻进至设计孔深后,进行第一次清孔,清孔完成后测量孔底沉渣厚度。
孔底沉渣厚度不得大于 50mm。
四、钢筋笼制作与安装1、钢筋笼制作钢筋笼按照设计图纸要求制作,主筋间距、箍筋间距、钢筋笼直径等偏差应符合规范要求。
主筋接头采用焊接或机械连接,接头质量应符合规范要求。
旋挖钻孔灌注桩施工记录表关键信息项:1、工程名称:____________________________2、桩号:____________________________3、桩径:____________________________4、桩长:____________________________5、施工日期:____________________________6、施工单位:____________________________7、地质情况描述:____________________________8、钻孔深度:____________________________9、钢筋笼长度:____________________________10、混凝土强度等级:____________________________11、灌注混凝土量:____________________________11 施工准备111 施工前应确保施工现场具备“三通一平”条件,即水通、电通、路通和场地平整。
112 熟悉施工图纸和地质勘察报告,了解桩位布置、桩长、桩径、桩身混凝土强度等设计要求。
113 检查施工机械设备的性能和状态,确保其能够正常运行。
12 测量放线121 根据设计图纸和测量控制点,准确放出桩位,并设置明显的标志。
122 对桩位进行复测,确保桩位偏差符合规范要求。
13 护筒埋设131 护筒应采用钢板制作,其内径应大于钻头直径 100mm 以上。
132 护筒埋设深度应符合设计要求,一般应穿过松散土层进入稳定土层不小于 05m。
133 护筒埋设应垂直、稳固,中心与桩位中心偏差不得大于50mm。
14 钻机就位141 钻机安装应平稳、牢固,确保在施工过程中不发生倾斜和位移。
142 调整钻机的垂直度,使其偏差不大于 1%。
15 钻进成孔151 钻进过程中应根据地质情况控制钻进速度和钻进压力。
152 及时清理孔内的渣土和泥浆,保持孔内清洁。
旋挖钻孔灌注桩单桩建筑施工记录一、工程概况工程名称:_____工程地点:_____建设单位:_____施工单位:_____监理单位:_____本次施工的旋挖钻孔灌注桩为基础结构的一部分,设计桩径为_____mm,桩长为_____m,桩身混凝土强度等级为_____。
二、施工准备1、场地平整施工前对场地进行了平整,清除了地面障碍物,确保钻机能够平稳作业。
2、测量放线根据设计图纸,使用全站仪进行桩位的精确测量放线,并设置了明显的桩位标志。
3、设备选型选用了适合本工程地质条件的旋挖钻机型号_____,配备了相应的钻具和辅助设备。
4、材料准备提前准备了符合要求的钢筋、水泥、砂、石子等原材料,并进行了检验和复试。
三、施工工艺流程1、钻进成孔(1)将旋挖钻机就位,调整好钻杆垂直度和钻头位置。
(2)启动钻机,缓慢钻进,根据地质情况控制钻进速度和钻进压力。
(3)在钻进过程中,及时清理孔内的渣土,保持孔内清洁。
(4)当钻进至设计深度后,进行终孔验收,测量孔深、孔径、孔斜度等参数,确保符合设计要求。
2、钢筋笼制作与安装(1)根据设计要求,在加工场地制作钢筋笼。
钢筋的规格、型号、数量和间距均符合设计要求,主筋采用焊接连接,箍筋采用绑扎连接。
(2)制作完成后,对钢筋笼进行质量检验,合格后运往施工现场。
(3)采用吊车将钢筋笼吊起,缓慢放入孔内,确保钢筋笼的位置和垂直度准确无误。
3、灌注混凝土(1)安装导管,导管底部距孔底的距离控制在_____mm 左右。
(2)在灌注前,再次测量孔深和孔底沉渣厚度,如沉渣厚度超过设计要求,进行二次清孔。
(3)采用商品混凝土,混凝土坍落度控制在_____mm 左右。
(4)开始灌注混凝土,灌注过程中要连续进行,控制好灌注速度和导管埋深,确保混凝土灌注密实。
四、施工过程记录1、钻进成孔记录桩号:_____开孔时间:_____终孔时间:_____钻进深度:_____m地质情况描述:0 _____m:土层为_____,土性描述为_____。
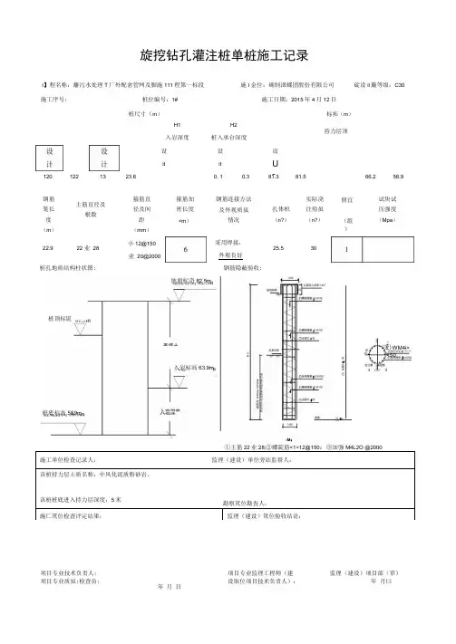
旋挖钻孔灌注桩单桩施工记录工程名称:雨花污水处理厂厂外配套管网及泵站施工工程第一标段施工单位:湖南高岭建设集团股份有限公司砼设计强度等级:C30旋挖钻孔灌注桩单桩施工记录工程名称:雨花污水处理厂厂外配套管网及泵站施工工程第一标段施工单位:湖南高岭建设集团股份有限公司砼设计强度等级:C30旋挖钻孔灌注桩单桩施工记录工程名称:雨花污水处理厂厂外配套管网及泵站施工工程第一标段施工单位:湖南高岭建设集团股份有限公司砼设计强度等级:C30旋挖钻孔灌注桩单桩施工记录工程名称:雨花污水处理厂厂外配套管网及泵站施工工程第一标段施工单位:湖南高岭建设集团股份有限公司砼设计强度等级:C30旋挖钻孔灌注桩单桩施工记录工程名称:雨花污水处理厂厂外配套管网及泵站施工工程第一标段施工单位:湖南高岭建设集团股份有限公司砼设计强度等级:C30旋挖钻孔灌注桩单桩施工记录工程名称:雨花污水处理厂厂外配套管网及泵站施工工程第一标段施工单位:湖南高岭建设集团股份有限公司砼设计强度等级:C30旋挖钻孔灌注桩单桩施工记录工程名称:雨花污水处理厂厂外配套管网及泵站施工工程第一标段施工单位:湖南高岭建设集团股份有限公司砼设计强度等级:C30旋挖钻孔灌注桩单桩施工记录工程名称:雨花污水处理厂厂外配套管网及泵站施工工程第一标段施工单位:湖南高岭建设集团股份有限公司砼设计强度等级:C30(B型桩)旋挖钻孔灌注桩单桩施工记录工程名称:雨花污水处理厂厂外配套管网及泵站施工工程第一标段施工单位:湖南高岭建设集团股份有限公司砼设计强度等级:C30旋挖钻孔灌注桩单桩施工记录工程名称:雨花污水处理厂厂外配套管网及泵站施工工程第一标段施工单位:湖南高岭建设集团股份有限公司砼设计强度等级:C30旋挖钻孔灌注桩单桩施工记录工程名称:雨花污水处理厂厂外配套管网及泵站施工工程第一标段施工单位:湖南高岭建设集团股份有限公司砼设计强度等级:C30旋挖钻孔灌注桩单桩施工记录工程名称:雨花污水处理厂厂外配套管网及泵站施工工程第一标段施工单位:湖南高岭建设集团股份有限公司砼设计强度等级:C30旋挖钻孔灌注桩单桩施工记录工程名称:雨花污水处理厂厂外配套管网及泵站施工工程第一标段施工单位:湖南高岭建设集团股份有限公司砼设计强度等级:C30旋挖钻孔灌注桩单桩施工记录工程名称:雨花污水处理厂厂外配套管网及泵站施工工程第一标段施工单位:湖南高岭建设集团股份有限公司砼设计强度等级:C30旋挖钻孔灌注桩单桩施工记录工程名称:雨花污水处理厂厂外配套管网及泵站施工工程第一标段施工单位:湖南高岭建设集团股份有限公司砼设计强度等级:C30旋挖钻孔灌注桩单桩施工记录工程名称:雨花污水处理厂厂外配套管网及泵站施工工程第一标段施工单位:湖南高岭建设集团股份有限公司砼设计强度等级:C30旋挖钻孔灌注桩单桩施工记录工程名称:雨花污水处理厂厂外配套管网及泵站施工工程第一标段施工单位:湖南高岭建设集团股份有限公司砼设计强度等级:C30旋挖钻孔灌注桩单桩施工记录工程名称:雨花污水处理厂厂外配套管网及泵站施工工程第一标段施工单位:湖南高岭建设集团股份有限公司砼设计强度等级:C30旋挖钻孔灌注桩单桩施工记录工程名称:雨花污水处理厂厂外配套管网及泵站施工工程第一标段施工单位:湖南高岭建设集团股份有限公司砼设计强度等级:C30旋挖钻孔灌注桩单桩施工记录工程名称:雨花污水处理厂厂外配套管网及泵站施工工程第一标段施工单位:湖南高岭建设集团股份有限公司砼设计强度等级:C30旋挖钻孔灌注桩单桩施工记录工程名称:雨花污水处理厂厂外配套管网及泵站施工工程第一标段施工单位:湖南高岭建设集团股份有限公司砼设计强度等级:C30旋挖钻孔灌注桩单桩施工记录工程名称:雨花污水处理厂厂外配套管网及泵站施工工程第一标段施工单位:湖南高岭建设集团股份有限公司砼设计强度等级:C30旋挖钻孔灌注桩单桩施工记录工程名称:雨花污水处理厂厂外配套管网及泵站施工工程第一标段施工单位:湖南高岭建设集团股份有限公司砼设计强度等级:C30旋挖钻孔灌注桩单桩施工记录工程名称:雨花污水处理厂厂外配套管网及泵站施工工程第一标段施工单位:湖南高岭建设集团股份有限公司砼设计强度等级:C30旋挖钻孔灌注桩单桩施工记录工程名称:雨花污水处理厂厂外配套管网及泵站施工工程第一标段施工单位:湖南高岭建设集团股份有限公司砼设计强度等级:C30旋挖钻孔灌注桩单桩施工记录工程名称:雨花污水处理厂厂外配套管网及泵站施工工程第一标段施工单位:湖南高岭建设集团股份有限公司砼设计强度等级:C30旋挖钻孔灌注桩单桩施工记录工程名称:雨花污水处理厂厂外配套管网及泵站施工工程第一标段施工单位:湖南高岭建设集团股份有限公司砼设计强度等级:C30旋挖钻孔灌注桩单桩施工记录工程名称:雨花污水处理厂厂外配套管网及泵站施工工程第一标段施工单位:湖南高岭建设集团股份有限公司砼设计强度等级:C30旋挖钻孔灌注桩单桩施工记录工程名称:雨花污水处理厂厂外配套管网及泵站施工工程第一标段施工单位:湖南高岭建设集团股份有限公司砼设计强度等级:C30旋挖钻孔灌注桩单桩施工记录工程名称:雨花污水处理厂厂外配套管网及泵站施工工程第一标段施工单位:湖南高岭建设集团股份有限公司砼设计强度等级:C30旋挖钻孔灌注桩单桩施工记录工程名称:雨花污水处理厂厂外配套管网及泵站施工工程第一标段施工单位:湖南高岭建设集团股份有限公司砼设计强度等级:C30旋挖钻孔灌注桩单桩施工记录工程名称:雨花污水处理厂厂外配套管网及泵站施工工程第一标段施工单位:湖南高岭建设集团股份有限公司砼设计强度等级:C30旋挖钻孔灌注桩单桩施工记录工程名称:雨花污水处理厂厂外配套管网及泵站施工工程第一标段施工单位:湖南高岭建设集团股份有限公司砼设计强度等级:C30旋挖钻孔灌注桩单桩施工记录工程名称:雨花污水处理厂厂外配套管网及泵站施工工程第一标段施工单位:湖南高岭建设集团股份有限公司砼设计强度等级:C30旋挖钻孔灌注桩单桩施工记录工程名称:雨花污水处理厂厂外配套管网及泵站施工工程第一标段施工单位:湖南高岭建设集团股份有限公司砼设计强度等级:C30旋挖钻孔灌注桩单桩施工记录工程名称:雨花污水处理厂厂外配套管网及泵站施工工程第一标段施工单位:湖南高岭建设集团股份有限公司砼设计强度等级:C30旋挖钻孔灌注桩单桩施工记录工程名称:雨花污水处理厂厂外配套管网及泵站施工工程第一标段施工单位:湖南高岭建设集团股份有限公司砼设计强度等级:C30旋挖钻孔灌注桩单桩施工记录工程名称:雨花污水处理厂厂外配套管网及泵站施工工程第一标段施工单位:湖南高岭建设集团股份有限公司砼设计强度等级:C30旋挖钻孔灌注桩单桩施工记录工程名称:雨花污水处理厂厂外配套管网及泵站施工工程第一标段施工单位:湖南高岭建设集团股份有限公司砼设计强度等级:C30旋挖钻孔灌注桩单桩施工记录工程名称:雨花污水处理厂厂外配套管网及泵站施工工程第一标段施工单位:湖南高岭建设集团股份有限公司砼设计强度等级:C30旋挖钻孔灌注桩单桩施工记录工程名称:雨花污水处理厂厂外配套管网及泵站施工工程第一标段施工单位:湖南高岭建设集团股份有限公司砼设计强度等级:C30旋挖钻孔灌注桩单桩施工记录工程名称:雨花污水处理厂厂外配套管网及泵站施工工程第一标段施工单位:湖南高岭建设集团股份有限公司砼设计强度等级:C30旋挖钻孔灌注桩单桩施工记录工程名称:雨花污水处理厂厂外配套管网及泵站施工工程第一标段施工单位:湖南高岭建设集团股份有限公司砼设计强度等级:C30旋挖钻孔灌注桩单桩施工记录工程名称:雨花污水处理厂厂外配套管网及泵站施工工程第一标段施工单位:湖南高岭建设集团股份有限公司砼设计强度等级:C30旋挖钻孔灌注桩单桩施工记录工程名称:雨花污水处理厂厂外配套管网及泵站施工工程第一标段施工单位:湖南高岭建设集团股份有限公司砼设计强度等级:C30旋挖钻孔灌注桩单桩施工记录工程名称:雨花污水处理厂厂外配套管网及泵站施工工程第一标段施工单位:湖南高岭建设集团股份有限公司砼设计强度等级:C30旋挖钻孔灌注桩单桩施工记录工程名称:雨花污水处理厂厂外配套管网及泵站施工工程第一标段施工单位:湖南高岭建设集团股份有限公司砼设计强度等级:C30旋挖钻孔灌注桩单桩施工记录工程名称:雨花污水处理厂厂外配套管网及泵站施工工程第一标段施工单位:湖南高岭建设集团股份有限公司砼设计强度等级:C30旋挖钻孔灌注桩单桩施工记录工程名称:雨花污水处理厂厂外配套管网及泵站施工工程第一标段施工单位:湖南高岭建设集团股份有限公司砼设计强度等级:C30。
旋挖钻孔灌注桩施工记录范本1:旋挖钻孔灌注桩施工记录1. 项目背景1.1 项目名称:XXX工程1.2 项目地点:XXX地区1.3 项目概况:XXX工程旨在建设XXX建筑物,本次施工记录主要针对旋挖钻孔灌注桩施工环节进行详细记录。
2. 施工前准备2.1 施工方案准备:制定旋挖钻孔灌注桩施工方案,并由工程师审核和批准。
2.2 设备准备:安排旋挖钻孔机、混凝土搅拌车等设备。
2.3 材料准备:准备好钢筋、混凝土、灌注桩模板等施工所需的材料。
2.4 人员准备:安排经验丰富的钻孔工和搅拌工,并进行必要的培训。
3. 施工过程3.1 钻孔施工:3.1.1 钻孔机操作人员根据设计要求,选取合适的孔径和孔深。
3.1.2 钻孔机进行钻孔作业,确保钻孔的位置、直径和深度符合要求。
3.1.3 钻孔过程中应注意记录钻孔进度、地质情况等重要数据。
3.2 钢筋安装:3.2.1 钻孔完成后,钢筋工将钢筋丝束按设计要求放入钻孔中。
3.2.2 确保钢筋的位置、间距和连接方式符合设计要求。
3.3 混凝土灌注:3.3.1 混凝土搅拌车将现场搅拌好的混凝土输送至钻孔位置。
3.3.2 混凝土从底部灌注至钻孔顶部,确保钻孔内混凝土的均匀性和密实性。
3.3.3 灌注过程中注意记录混凝土用量、搅拌时间等关键数据。
4. 施工质量控制4.1 验收标准:根据规范要求进行验收,确保灌注桩的质量符合要求。
4.2 质量控制措施:进行现场质量监督和检测,如对混凝土强度进行取样试验等。
4.3 质量记录:详细记录每个灌注桩的质量数据,并进行整理归档。
5. 安全施工5.1 安全方案:制定钻孔和灌注过程的安全施工方案,并向相关人员进行培训。
5.2 安全控制措施:设置安全警示标志、合理安排施工区域。
5.3 安全记录:记录施工中发生的安全事故、事故处理情况等。
6. 施工总结6.1 施工进度总结:根据施工进度和施工质量评估,对施工进度进行总结和分析。
6.2 问题及改进措施:总结施工中存在的问题,并提出改进措施。
工程名称:雨花污水处理厂厂外配套管网及泵站施工工程第一标段施工单位:湖南高岭建设集团股份有限公司砼设计强度等级:C30工程名称:雨花污水处理厂厂外配套管网及泵站施工工程第一标段施工单位:湖南高岭建设集团股份有限公司砼设计强度等级:C30工程名称:雨花污水处理厂厂外配套管网及泵站施工工程第一标段施工单位:湖南高岭建设集团股份有限公司砼设计强度等级:C30工程名称:雨花污水处理厂厂外配套管网及泵站施工工程第一标段施工单位:湖南高岭建设集团股份有限公司砼设计强度等级:C30工程名称:雨花污水处理厂厂外配套管网及泵站施工工程第一标段施工单位:湖南高岭建设集团股份有限公司砼设计强度等级:C30工程名称:雨花污水处理厂厂外配套管网及泵站施工工程第一标段施工单位:湖南高岭建设集团股份有限公司砼设计强度等级:C30工程名称:雨花污水处理厂厂外配套管网及泵站施工工程第一标段施工单位:湖南高岭建设集团股份有限公司砼设计强度等级:C30旋挖钻孔灌注桩单桩施工记录工程名称:雨花污水处理厂厂外配套管网及泵站施工工程第一标段施工单位:湖南高岭建设集团股份有限公司砼设计强度等级:C30旋挖钻孔灌注桩单桩施工记录工程名称:雨花污水处理厂厂外配套管网及泵站施工工程第一标段施工单位:湖南高岭建设集团股份有限公司砼设计强度等级:C30旋挖钻孔灌注桩单桩施工记录工程名称:雨花污水处理厂厂外配套管网及泵站施工工程第一标段施工单位:湖南高岭建设集团股份有限公司砼设计强度等级:C30旋挖钻孔灌注桩单桩施工记录工程名称:雨花污水处理厂厂外配套管网及泵站施工工程第一标段施工单位:湖南高岭建设集团股份有限公司砼设计强度等级:C30旋挖钻孔灌注桩单桩施工记录工程名称:雨花污水处理厂厂外配套管网及泵站施工工程第一标段施工单位:湖南高岭建设集团股份有限公司砼设计强度等级:C30旋挖钻孔灌注桩单桩施工记录工程名称:雨花污水处理厂厂外配套管网及泵站施工工程第一标段施工单位:湖南高岭建设集团股份有限公司砼设计强度等级:C30旋挖钻孔灌注桩单桩施工记录工程名称:雨花污水处理厂厂外配套管网及泵站施工工程第一标段施工单位:湖南高岭建设集团股份有限公司砼设计强度等级:C30旋挖钻孔灌注桩单桩施工记录工程名称:雨花污水处理厂厂外配套管网及泵站施工工程第一标段施工单位:湖南高岭建设集团股份有限公司砼设计强度等级:C30旋挖钻孔灌注桩单桩施工记录工程名称:雨花污水处理厂厂外配套管网及泵站施工工程第一标段施工单位:湖南高岭建设集团股份有限公司砼设计强度等级:C30旋挖钻孔灌注桩单桩施工记录工程名称:雨花污水处理厂厂外配套管网及泵站施工工程第一标段施工单位:湖南高岭建设集团股份有限公司砼设计强度等级:C30旋挖钻孔灌注桩单桩施工记录工程名称:雨花污水处理厂厂外配套管网及泵站施工工程第一标段施工单位:湖南高岭建设集团股份有限公司砼设计强度等级:C30旋挖钻孔灌注桩单桩施工记录工程名称:雨花污水处理厂厂外配套管网及泵站施工工程第一标段施工单位:湖南高岭建设集团股份有限公司砼设计强度等级:C30旋挖钻孔灌注桩单桩施工记录工程名称:雨花污水处理厂厂外配套管网及泵站施工工程第一标段施工单位:湖南高岭建设集团股份有限公司砼设计强度等级:C30旋挖钻孔灌注桩单桩施工记录工程名称:雨花污水处理厂厂外配套管网及泵站施工工程第一标段施工单位:湖南高岭建设集团股份有限公司砼设计强度等级:C30旋挖钻孔灌注桩单桩施工记录工程名称:雨花污水处理厂厂外配套管网及泵站施工工程第一标段施工单位:湖南高岭建设集团股份有限公司砼设计强度等级:C30旋挖钻孔灌注桩单桩施工记录工程名称:雨花污水处理厂厂外配套管网及泵站施工工程第一标段施工单位:湖南高岭建设集团股份有限公司砼设计强度等级:C30旋挖钻孔灌注桩单桩施工记录工程名称:雨花污水处理厂厂外配套管网及泵站施工工程第一标段施工单位:湖南高岭建设集团股份有限公司砼设计强度等级:C30旋挖钻孔灌注桩单桩施工记录工程名称:雨花污水处理厂厂外配套管网及泵站施工工程第一标段施工单位:湖南高岭建设集团股份有限公司砼设计强度等级:C30旋挖钻孔灌注桩单桩施工记录工程名称:雨花污水处理厂厂外配套管网及泵站施工工程第一标段施工单位:湖南高岭建设集团股份有限公司砼设计强度等级:C30旋挖钻孔灌注桩单桩施工记录工程名称:雨花污水处理厂厂外配套管网及泵站施工工程第一标段施工单位:湖南高岭建设集团股份有限公司砼设计强度等级:C30旋挖钻孔灌注桩单桩施工记录工程名称:雨花污水处理厂厂外配套管网及泵站施工工程第一标段施工单位:湖南高岭建设集团股份有限公司砼设计强度等级:C30旋挖钻孔灌注桩单桩施工记录工程名称:雨花污水处理厂厂外配套管网及泵站施工工程第一标段施工单位:湖南高岭建设集团股份有限公司砼设计强度等级:C30旋挖钻孔灌注桩单桩施工记录工程名称:雨花污水处理厂厂外配套管网及泵站施工工程第一标段施工单位:湖南高岭建设集团股份有限公司砼设计强度等级:C30旋挖钻孔灌注桩单桩施工记录工程名称:雨花污水处理厂厂外配套管网及泵站施工工程第一标段施工单位:湖南高岭建设集团股份有限公司砼设计强度等级:C30(C型桩)旋挖钻孔灌注桩单桩施工记录工程名称:雨花污水处理厂厂外配套管网及泵站施工工程第一标段施工单位:湖南高岭建设集团股份有限公司砼设计强度等级:C30旋挖钻孔灌注桩单桩施工记录工程名称:雨花污水处理厂厂外配套管网及泵站施工工程第一标段施工单位:湖南高岭建设集团股份有限公司砼设计强度等级:C30旋挖钻孔灌注桩单桩施工记录工程名称:雨花污水处理厂厂外配套管网及泵站施工工程第一标段施工单位:湖南高岭建设集团股份有限公司砼设计强度等级:C30旋挖钻孔灌注桩单桩施工记录工程名称:雨花污水处理厂厂外配套管网及泵站施工工程第一标段施工单位:湖南高岭建设集团股份有限公司砼设计强度等级:C30旋挖钻孔灌注桩单桩施工记录工程名称:雨花污水处理厂厂外配套管网及泵站施工工程第一标段施工单位:湖南高岭建设集团股份有限公司砼设计强度等级:C30旋挖钻孔灌注桩单桩施工记录工程名称:雨花污水处理厂厂外配套管网及泵站施工工程第一标段施工单位:湖南高岭建设集团股份有限公司砼设计强度等级:C30旋挖钻孔灌注桩单桩施工记录工程名称:雨花污水处理厂厂外配套管网及泵站施工工程第一标段施工单位:湖南高岭建设集团股份有限公司砼设计强度等级:C30旋挖钻孔灌注桩单桩施工记录工程名称:雨花污水处理厂厂外配套管网及泵站施工工程第一标段施工单位:湖南高岭建设集团股份有限公司砼设计强度等级:C30旋挖钻孔灌注桩单桩施工记录工程名称:雨花污水处理厂厂外配套管网及泵站施工工程第一标段施工单位:湖南高岭建设集团股份有限公司砼设计强度等级:C30旋挖钻孔灌注桩单桩施工记录工程名称:雨花污水处理厂厂外配套管网及泵站施工工程第一标段施工单位:湖南高岭建设集团股份有限公司砼设计强度等级:C30旋挖钻孔灌注桩单桩施工记录工程名称:雨花污水处理厂厂外配套管网及泵站施工工程第一标段施工单位:湖南高岭建设集团股份有限公司砼设计强度等级:C30旋挖钻孔灌注桩单桩施工记录工程名称:雨花污水处理厂厂外配套管网及泵站施工工程第一标段施工单位:湖南高岭建设集团股份有限公司砼设计强度等级:C30旋挖钻孔灌注桩单桩施工记录工程名称:雨花污水处理厂厂外配套管网及泵站施工工程第一标段施工单位:湖南高岭建设集团股份有限公司砼设计强度等级:C30旋挖钻孔灌注桩单桩施工记录工程名称:雨花污水处理厂厂外配套管网及泵站施工工程第一标段施工单位:湖南高岭建设集团股份有限公司砼设计强度等级:C30旋挖钻孔灌注桩单桩施工记录工程名称:雨花污水处理厂厂外配套管网及泵站施工工程第一标段施工单位:湖南高岭建设集团股份有限公司砼设计强度等级:C30旋挖钻孔灌注桩单桩施工记录工程名称:雨花污水处理厂厂外配套管网及泵站施工工程第一标段施工单位:湖南高岭建设集团股份有限公司砼设计强度等级:C30旋挖钻孔灌注桩单桩施工记录工程名称:雨花污水处理厂厂外配套管网及泵站施工工程第一标段施工单位:湖南高岭建设集团股份有限公司砼设计强度等级:C30旋挖钻孔灌注桩单桩施工记录工程名称:雨花污水处理厂厂外配套管网及泵站施工工程第一标段施工单位:湖南高岭建设集团股份有限公司砼设计强度等级:C30旋挖钻孔灌注桩单桩施工记录工程名称:雨花污水处理厂厂外配套管网及泵站施工工程第一标段施工单位:湖南高岭建设集团股份有限公司砼设计强度等级:C30。
旋挖钻孔灌注桩施工记录表一、工程概况1、工程名称:_____2、工程地点:_____3、建设单位:_____4、设计单位:_____5、监理单位:_____6、施工单位:_____二、桩位编号及设计参数1、桩位编号:_____2、桩径:_____3、桩长:_____4、桩身混凝土强度等级:_____5、钢筋笼长度:_____6、主筋规格及数量:_____7、箍筋规格及间距:_____三、施工设备1、旋挖钻机型号:_____2、钻头类型及直径:_____3、泥浆泵型号:_____4、电焊机型号:_____四、施工日期及时间1、开钻日期:_____2、钻进完成时间:_____3、灌注混凝土时间:_____五、钻进过程记录1、地面标高:_____2、护筒顶标高:_____3、护筒埋深:_____4、钻进深度:(1)起始深度:_____(2)每次进尺深度:_____(3)终孔深度:_____5、钻进速度:(1)不同地层的钻进速度:_____(2)平均钻进速度:_____6、泥浆性能:(1)比重:_____(2)黏度:_____(3)含砂率:_____7、孔内情况:(1)有无坍孔、缩径等异常现象:_____(2)如有异常,采取的处理措施:_____六、钢筋笼制作与安装1、主筋焊接方式及质量:_____2、箍筋间距偏差:_____3、钢筋笼长度偏差:_____4、钢筋笼直径偏差:_____5、钢筋笼安装位置偏差:_____七、清孔2、清孔时间:_____3、清孔后孔底沉渣厚度:_____八、混凝土灌注1、混凝土配合比:(1)水泥品种及强度等级:_____(2)砂、石规格及用量:_____(3)水灰比:_____2、混凝土坍落度:_____3、灌注混凝土方量:_____4、导管埋深:(1)初次埋深:_____(2)最大埋深:_____(3)最小埋深:_____5、灌注过程中有无堵管、断桩等异常现象:_____6、如有异常,采取的处理措施:_____九、桩顶标高及桩顶混凝土质量2、桩顶混凝土质量:_____十、施工人员1、钻机操作人员:_____2、电焊工:_____3、灌注工:_____4、质检员:_____5、安全员:_____十一、施工质量评价1、成桩质量是否符合设计及规范要求:_____2、施工过程中是否存在质量问题及处理情况:_____十二、备注1、施工过程中遇到的其他特殊情况及处理结果:_____2、与施工相关的其他需要说明的事项:_____同时,施工记录的保存也是非常重要的,它不仅是工程竣工验收的必备资料,也是日后进行工程维护和管理的重要参考。
旋挖钻孔灌注桩单桩施工记录一、工程概况工程名称:_____工程地点:_____桩号:_____设计桩径:_____设计桩长:_____桩身混凝土强度等级:_____二、施工准备1、场地平整施工前对场地进行平整,清除杂物和障碍物,确保施工机械能够平稳运行。
2、测量放线根据设计图纸,使用全站仪进行桩位的精确测量放线,并设置好护桩。
3、施工机械及设备选用合适的旋挖钻机,并配备好泥浆制备和处理设备、吊车、电焊机等辅助设备。
4、原材料准备提前准备好符合要求的钢筋、水泥、砂、石等原材料,并进行检验和复试。
三、施工工艺流程1、埋设护筒采用钢护筒,护筒直径大于桩径 200mm,护筒长度根据地质情况确定,一般为 2-4m。
护筒埋设要保证垂直、稳固,中心与桩位中心偏差不大于 50mm,护筒顶端高出地面 300mm 以上。
2、泥浆制备根据地质情况,制备合适的泥浆。
泥浆的性能指标应符合规范要求,如比重、黏度、含砂率等。
3、钻进成孔启动旋挖钻机,缓慢钻进。
在钻进过程中,要根据地质情况控制钻进速度和钻进压力,同时注意观察泥浆的变化,及时调整泥浆性能。
当钻进达到设计深度后,进行清孔。
4、清孔采用正循环或反循环清孔方法,将孔底沉渣清除干净。
清孔后的泥浆性能指标和孔底沉渣厚度应符合设计和规范要求。
5、钢筋笼制作与安装根据设计要求制作钢筋笼,主筋采用焊接或机械连接方式。
钢筋笼安装时要保证垂直、居中,避免碰撞孔壁,钢筋笼顶端要固定牢固,防止在混凝土灌注过程中上浮。
6、导管安装选用合适直径的导管,导管连接要严密、牢固。
导管安装前要进行水密试验,确保导管不漏水。
导管底部距孔底的距离一般为 300-500mm。
7、二次清孔在混凝土灌注前,再次进行清孔,确保孔底沉渣厚度符合要求。
8、混凝土灌注采用商品混凝土或现场搅拌混凝土,混凝土的配合比要符合设计要求。
混凝土灌注要连续、均匀,灌注过程中要及时测量混凝土面的上升高度,控制导管的埋深,导管的埋深一般为 2-6m。