表6.7.4钢筋安装工程(设备基础)检验批质量验收记录
- 格式:doc
- 大小:79.00 KB
- 文档页数:2
钢筋安装检验批质量验收记录
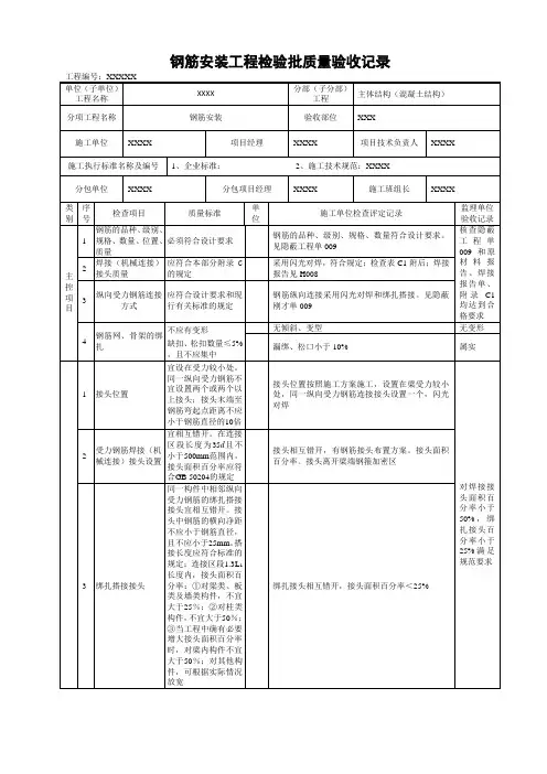
(GB50204-2002)表5・ 5 编号:010602 (4) /020102 ⑷□□口
010602 (4) /020102 (4) □口□说明
主控项目
5. 5.1钢筋安装时,受力钢筋的品种、级别、规格和数量必须符合设讣要求。
检查数量:全数检查。
检验方法:观察,钢尺检査。
—般项目
5. 5.2钢筋安装位置的偏差应符合表5.5.2的规定。
检查数量:在同一检验批内,对梁、柱和独立基础,应抽査构件数量的10%,且不少于3件;对墙和板,应按有代表性的自然间抽査10%,且不少于3间:对大空间结构,墙可按相
邻轴线间髙度5m左右划分检查而,板可按纵、横线划分检查而,抽查10%,且均不
少于3而。
钢筋安装位置的允许偏差和检验方法表
注:1、检査预埋件中心线位置时,应沿纵、横两个方向量测,并取其中的较大值;
2、表中梁类.板类构件上部纵向受力钢筋保护层厚度的合格点率应达到90%及以上,且不得有超
过表中数值1・5倍的尺寸偏差。
注:本表由施工工程专业质量检查员填写,专业监理工程师(建设单位工程专业技术负责人)组织工程专业质量(技术)负责人等进行验收。
基础钢筋安装检验批质量验收记录项目名称:XXX工程合同号:XXX工程地点:XXX施工单位:XXX监理单位:XXX验收时间:XXXX年XX月XX日一、检验项目1.钢筋加工质量a.钢筋规格、型号是否符合设计要求。
b.钢筋的弯曲度、直线度是否达到标准要求。
c.钢筋的截面形状是否完整,无明显缺损。
d.钢筋表面有无明显锈蚀、污渍等缺陷。
e.钢筋的切割、焊接是否符合规范要求。
2.钢筋布置质量a.钢筋的布置是否符合图纸要求。
b.钢筋的间距、覆盖层是否符合设计要求。
c.钢筋在布置过程中是否有明显的错位、沉浮、弯曲等问题。
d.钢筋连接、绑扎是否稳固可靠。
3.钢筋固定质量a.钢筋固定件的安装是否符合规范要求。
b.钢筋与模板的连接是否结实可靠。
c.钢筋支撑件的设置是否坚固、稳定。
d.钢筋固定件与钢筋之间的连接是否牢固。
二、检验过程1.针对钢筋加工质量进行检验。
观察检查钢筋的规格型号、表面的缺陷及截面形状等情况,并进行记录。
2.针对钢筋布置质量进行检验。
对照设计图纸和规范要求,检查钢筋布置的准确性、间距是否符合要求,并通过测量覆盖层的厚度来验证钢筋布置的质量。
3.针对钢筋固定质量进行检验。
对安装的钢筋固定件进行检查,验证其安装是否符合规范要求,并观察钢筋与模板的连接情况,以及钢筋支撑件的设置是否牢固。
4.钢筋连接、绑扎质量进行检验。
通过观察钢筋连接件的安装情况,检查连接件是否结实可靠,并验证绑扎的质量。
5.对以上检验结果进行总结和评定。
根据检验结果,评定基础钢筋安装的质量,并制定相应的整改方案。
三、检验结果1.钢筋加工质量:经检验,钢筋的规格、型号符合设计要求;弯曲度、直线度达到标准要求;截面形状完整,无明显缺损;表面无明显锈蚀、污渍;切割、焊接符合规范要求。
2.钢筋布置质量:经检验,钢筋的布置符合图纸要求;间距、覆盖层符合设计要求;无明显错位、沉浮、弯曲等问题;连接、绑扎稳固可靠。
3.钢筋固定质量:经检验,钢筋固定件的安装符合规范要求;与模板的连接结实可靠;支撑件坚固、稳定;固定件与钢筋连接牢固。
钢筋工程检验批质量验收记录一、项目概述钢筋工程是建筑工程中的重要组成部分,检验钢筋质量的验收记录是确保工程质量合格的重要环节。
本文档将详细记录钢筋工程检验批的质量验收过程。
二、验收日期记录本次钢筋工程检验批的验收日期为_________________。
三、项目信息项目名称:_______________项目地址:_______________建设单位:_______________施工单位:_______________监理单位:_______________四、检验批编号本次钢筋工程检验批的编号为:_______________五、施工材料准备及现场布置在开始进行钢筋工程检验前,施工单位需完成以下准备工作:1. 确保施工现场的安全和整洁。
2. 准备好所需的检测设备和工具。
3. 将本次检验批所使用的钢筋材料进行整理和摆放。
4. 确保现场施工人员具备必要的安全防护措施。
六、质量验收内容本次钢筋工程检验批的质量验收内容包括以下几个方面:1. 钢筋材料检验:a. 检验钢筋材料的品牌、型号及规格是否符合设计要求。
b. 检查钢筋的表面质量,是否有明显的锈蚀、损伤等。
c. 测量钢筋的直径和长度,与设计要求进行比对。
d. 进行抽样检测,并送往实验室进行材料性能测试。
2. 钢筋加工验收:a. 检查钢筋的加工方式和加工质量是否符合设计要求。
b. 检验钢筋的连接方式和连接质量,确保连接紧固可靠。
c. 检查钢筋的折弯情况,确保折弯角度和位置准确无误。
3. 钢筋安装验收:a. 检查钢筋的位置和间距是否与设计要求一致。
b. 检验钢筋的嵌入深度,确保符合设计要求。
c. 检查钢筋与混凝土的粘结情况,是否牢固无松动。
d. 检查钢筋的支撑和固定方式,确保稳定可靠。
七、质量验收结果及记录根据钢筋工程检验批的质量验收内容,以下是本次验收结果的记录:1. 钢筋材料检验结果:a. 品牌、型号及规格是否符合设计要求:_________________b. 表面质量是否良好:_________________c. 钢筋直径和长度是否满足设计要求:_________________d. 材料性能测试结果:_________________2. 钢筋加工验收结果:a. 加工质量是否符合设计要求:_________________b. 连接方式和连接质量是否牢固可靠:_________________c. 钢筋折弯角度和位置是否准确无误:_________________3. 钢筋安装验收结果:a. 位置和间距是否符合设计要求:_________________b. 钢筋嵌入深度是否符合设计要求:_________________c. 钢筋与混凝土的粘结是否牢固无松动:_________________d. 钢筋支撑和固定方式是否稳定可靠:_________________八、质量问题处理与整改措施若在质量验收过程中发现问题,需及时处理和整改。
钢筋安装检验批质量验收记录1. 引言本文档是对钢筋安装工程进行质量验收的记录。
钢筋安装是建筑工程中十分重要的一项工作,对于建筑结构的稳定性和耐久性起到关键作用。
为了确保钢筋安装质量符合相关标准和规范,本次验收通过对钢筋安装的材料、尺寸、位置等方面进行检查,记录检验结果,并提出相关问题和建议。
2. 验收对象本次验收的对象为建筑工地A栋楼翼墙的钢筋安装工程。
3. 验收内容本次验收主要从以下几个方面对钢筋安装进行检验:•钢筋安装材料的质量和规格是否符合要求;•钢筋安装的尺寸和位置是否符合设计要求;•钢筋连接的可靠性和执行标准要求;•钢筋间的间距、绑扎质量等是否符合规范要求。
4. 验收方法本次验收采用目视检查和测量工具进行检验。
5. 验收结果经过对钢筋安装工程进行详细检查,以下是验收结果的总结:•钢筋安装材料的质量和规格均符合要求,没有发现明显的缺陷;•钢筋安装的尺寸和位置基本符合设计要求,未发现明显的偏差;•钢筋连接的可靠性符合标准要求,连接部位未发现明显的裂纹或错位;•钢筋间的间距和绑扎质量也符合规范要求,未发现明显的问题。
6. 存在问题及建议在钢筋安装的过程中,我们也发现了一些问题,并提出了以下建议:1.部分钢筋位置未达到设计要求,存在偏移的情况。
建议施工方加强工人的操作培训,提高钢筋安装的准确性和精度。
2.部分钢筋连接处存在细微的裂纹,虽然不影响结构的安全性,但建议施工方和钢筋供应商共同解决该问题,以确保连接的可靠性。
3.钢筋间的绑扎质量不够牢固,存在松动的情况。
建议施工方加强对工人的培训和监督,确保绑扎工作的质量。
7. 验收结论根据以上的检验结果和存在的问题及建议,对于本次钢筋安装工程的质量验收,我们得出以下结论:•钢筋安装质量整体上符合要求,各项指标均在可接受范围内;•存在的问题虽然不是严重的质量问题,但仍需要施工方和相关人员重视并及时改进。
8. 验收人员•验收人员1:XXX•验收人员2:XXX9. 附件•钢筋安装图纸及相关规范文件•验收照片以上就是本次钢筋安装检验批质量验收的记录。
钢筋安装工程检验批质量验收记录表钢筋安装工程检验批质量验收记录表GB50204-2002(Ⅱ)010602 0 8 020102单位(子单位)工程名称 贵阳市花溪区档案馆建设工程 分部(子分部)工程名称 主体结构分部验收部位 二层柱 施工单位 贵州天寿建设工程有限公司 项目经理陈远刚施工执行标准名称及编号砼结构工程施工工艺标准QB308-03施工质量验收规范的规定施工单位检查评定记录监理(建设)单位验收记录主控项目1 纵向受力钢筋的连接方式第5.4.1条 √2 机械连接和焊接接头的力学性能 第5.4.2条√3 受力钢筋的品种、级别、规格和数量第5.5.1条√一般项目1 接头位置和数量第5.4.3条√2 机械连接、焊接的外观质量第5.4.4条√3 机械连接、焊接的接头面积百分率第5.4.5条√4绑扎搭接接头面积百分率和搭接长度第5.4.6条附录B√5 搭接长度范围内的箍筋第5.4.7条√6钢筋安装绑扎钢筋网长、宽(mm)±10 +6 +6 -3 +5 +6 -2 -4 -7网眼尺寸(mm)±20+12 -16 -12 -11 +13 +19 -6 -12 绑扎长(mm)±10 +9 -6 -4 +5 -7 +4 +3 -6允许偏差钢筋骨架宽、高(mm)±5+3 -4 0 +1 -3 +1 -2 +4受力钢筋间距(mm)±10 +9 -5 -3 -9 +2 -7 +5 -2排距(mm)±5 0 -3 +1 -4 +3 -2 +1 -1保护层厚度(mm)基础±10 +2 +3 -5 +6 +2 -3 -7 +2柱、梁±5 +2 -1 -4 +3 -1 +2 0 +3板、墙、壳±3+1 -1 -2 +1 -1 +2 0 +1绑扎箍筋、横向钢筋间距(mm)±20+11 -13 +17 -15 +16 +9 +11 -16钢筋弯起点位置(mm)2012 18 19 18 14 19 12 8预埋件中心线位置(mm)54 1 3 4 2 3 2 4水平高差(mm)+3 , 0-28 +23 +21 +15 +17 +26 -21 +18施工单位检查评定结果专业工长(施工员)施工班组长经检查,主控项目、一般项目均符合设计和《混凝土结构工程施工质量验收规范》(GB50204-2002)的规定,评定合格。