电缆载流量表【电气计算表格】
- 格式:docx
- 大小:171.59 KB
- 文档页数:13
电线电缆载流量表格(全)电线电缆载流量表(全)很多用户对电线电缆的安全载流量不是很清楚,甚至是专业的电工对精确的数据都不是特别了解。
市电缆总厂第一分厂根据实际生产的电线电缆规格品种,制定了不同规格型号的电线电缆载流量表,简单易懂,一目了然。
希望能对各位朋友有所帮助.高压电缆载流量:规格型号载流量表:8.7/10(8.7/15)KV 交联聚乙烯绝缘电力电缆允许持续载流量额定电压U 。
/U8.7/10(8.7/15)KV型号YJV 、YJLV 、YJY 、YJLY 、YJV22、YJLV22、YJV23、YJLV23、JYV32,YJLV32、YJV33、YJLV33YJV 、YJLV 、YJY 、YJLY芯数三芯单芯敷设空气中土壤中空气中土壤中单芯电缆排列方式导体材质铜铝铜铝铜铝铜铝铜铝铜铝标称截面 (mm2)25 35 120 140 90 110 125 155 100 120 140 170 110 135 165 205 130 155 150 180 115 135 160 190 120 145 5070 165 210 130 165 180 220 140 170 205 260 160 200 245 305 190 235 215 265 160 200 225 275 175 215 95 120 255 290200 225 265 300 210 235 315 360 240 280 370 430 290 335 315 360 240 270 330 375 255 290 150 185 330 375 225 295 340 380 260 300 410 470 320 365 490 560 380 435 405 455 305 345 425 480 330 370 240 300 435 495 345 390 445 500 350 395 555 640 435 500 665 765 515 595 530 595 400 455 555 630 435 490 400 500565 ...450 ... 520 ...450 ...745 855585 680890 1030695 810680 765520 595725 825565 650环境温度(℃)4025402526/35KV 电力电缆允许持续载流量26/35KV 交联聚乙烯绝缘电力电缆允许持续载流量型号YJV、YJLV、YJY、YJLY、YJV22、YJLV22、YJV23、YJLV23、JYV32,YJLV32、YJV33、YJLV33YJV、YJLV、YJY、YJLY芯数三芯单芯敷设空气中土壤中空气中土壤中单芯电缆排列方式导芯材质铜铝铜铝铜铝铜铝铜铝铜铝标称截面(mm2)5070185230145190200250170190220270170210245305190235215265165 200 225 275 175 215 95 120 280 310 215 240 300 330 230 255 330 375 255 290 370 425 285 330 315 360 240 270 330 375 255290 150 185 360 400 280 310 380 425 295 330 425 485 330 380 485 555 375 430 400 455 305 345 420 475 325 370 240 300 470 540 365490 555 380 435 560 650 435 510 650 745 505 580 525 595 400 455 555 630 430 490 400 500 610 ...485 ...625 ...500 ...8755956908701000680790680775525600720825565645 600 ... ... ... ... 1000 800 1160 920 875 685 940 740 环境温度(℃)40 25 40 25 BVR电线YJV,YJLV电缆载流量表:BXF铜芯氯丁橡皮电线,BLXF铝芯氯丁橡皮电线载流量表:BXR铜芯橡皮软电线载流量表:矿用交联电力电缆载流量表:矿用电缆规格型号载流量表:MC采煤机电缆载流量表:SYV,SYWV同轴电缆钢芯铝绞线载流量表:钢芯铝绞线技术参数:作者:毕敬轩来源: 日期:2012年6月19日上一页下一页。
超赞的电⽓⼈必备载流量查询表!载流量是在规定条件下,导体能够连续承载⽽不致使其稳定温度超过规定值的最⼤电流。
⼀般铜导线载流量导线的安全载流量⼀般铜导线载流量导线的安全载流量是根据所允许的线芯最⾼温度、冷却条件、敷设条件来确定的。
⼀般铜导线的安全载流量为铝导线的安全载流量为3~5A/mm²。
<关键点>⼀般铜导线的安全载流量为5~8A/mm²,铝导线的安全载流量为3~5A/mm²。
如:2.5 mm² BVV铜导线安全载流量的推荐值2.5×8A/mm²=20A ,4mm²BVV铜导线安全载流量的推荐值4×8A/mm²=32A计算铜导线截⾯积利⽤铜导线的安全载流量的推荐值5~8A/mm²,计算出所选取铜导线截⾯积S的上下范围:S=[ I /(5~8)]=0.125 I ~0.2 I(mm²)S-----铜导线截⾯积(mm²)I-----负载电流(A)功率计算⼀般负载(也可以成为⽤电器,如电灯、冰箱等等)分为两种,⼀种是电阻性负载,⼀种是电感性负载。
对于电阻性负载的计算公式:P=UI 对于⽇光灯负载的计算公式:P=UIcosф,其中⽇光灯负载的功率因数不同电感性负载功率因数不同,统⼀计算家庭⽤电器时可以将功率因数cosф取0.8。
也就是说如果⼀个家庭所有⽤电器加上总功率为6000⽡,则最⼤电流是I=P/Ucosф=6000/220*0.8=34(A)但是,⼀般情况下,家⾥的电器不可能同时使⽤,所以加上⼀个公⽤系数,公⽤系数⼀般0.5。
所以,上⾯的计算应该改写成 I=P*数/Ucosф=6000*0.5/220*0.8=17(A) 也就是说,这个家庭总的电流值为17A。
则总闸空⽓开关不能使⽤16A,应该⽤⼤于17A的。
⼀、10kV铜芯、铝芯电缆载流量查询表⼆、35kV铜芯、铝芯电缆载流量查询表三、常⽤低压电缆载流量查询表四、架空线路安全载流量对照表对应温度载流量 A35℃40℃45℃50℃55℃线路型号LJ-169384766653LGJ-169788796856LJ-25120109988569LGJ-251241121018871LJ-3515013612310687LGJ-3515013612310687LJ-50190172155134110LGJ-50195177159138113LGJ-50195177159138113LJ-70234212191166135 LGJ-70242220198171140LJ-95290263237205168 LGJ-95295268241209171LJ-120330300270234191 LGJ-120335304274237194LJ-150388353318275255 LGJ-150393357322279227LJ-180440400360312255 LGJ-185450409369319261 LGJ-240540491442383313五、10kV⾼压电流互感器与低压电流互感器的配置表变压器容量典型设计变⽐10kV(⾼压)典型设计变⽐0.66kV(低压)50 kVA/100/580 kVA/150/5100 kVA10/5200/5125 kVA10/5200/5160 kVA15/5300/5200 kVA15/5400/5250 kVA20/5400/5215 kVA30/5500/5400 kVA30/5750/5500 kVA40/51000/5630 kVA50/51000/5800 kVA750/51500/51000 kVA75/52000/51250 kVA100/52500/51600 kVA150/53000/52000 kVA150/54000/53000 kVA200/5/4000 kVA300/5/5000 kVA400/5/6000 kVA400/5/7000 kVA500/5/8000 kVA600/5/精度等级:0.2S六、电缆附件型号对应电缆规格终端型号规格3.125-50mm23.270-120mm23.3150-240mm23.4300-400mm2NLS户内冷缩终端WLS户外冷缩终端JLS电缆冷缩中间NSY户内热缩终端WSY户外热缩终端JSY电缆热缩中间SY热缩终端JSY热缩中间例如:NSY-10/3.1例如:SY-1/5.1例如:JLS -10/3.410kV热缩户外终端1kV热缩五指终端10kV电缆冷缩中间接头七、DT铜⿐⼦技术参数(国标与⾮标差距很⼤)A型(DT)国标铜⿐⼦技术参数A型螺丝板板管内管外穿线深长重量A型孔宽厚径径度度重量规格Φb S d D L1L克 G DT-108.516 2.35.29306322 DT-168.516 2.56.210326627 DT-258.518 2.87.211357032 DT-3510.520.538.512377841 DT-5010.523 3.59.714418562 DT-7012.526 3.811.516459382 DT-9512.528 4.513.51849104115 DT-12014.530515.12051112146 DT-15014.534 5.416.52254117190 DT-1851737 5.818.52558125252 DT-2401740 6.520.72760135320 DT-3002146823.23068155461 DT-4002150826.23474165632 DT-5002160829.53875190985 DT-630⽆孔781034.545852201700 B型(DT)⾮标铜⿐⼦技术参数B型螺丝孔板宽板厚管内径管外径穿线深度长度重量规格Φb S d D L1L克 G DT-108.514.51.85.28285815 DT-168.514.52 6.29306017 DT-258.516 2.47.210306523 DT-3510.518 2.68.511327027 DT-5010.520.539,713357543 DT-7012.523 3.111.515408557 DT-9512.526 3.413.517419177 DT-12014.528 3.715.1194496100 DT-15014.530416.52146100126 DT-1851733 4.218.52450110173 DT-2401735 4.520.72655120212 DT-3002142 5.523.22962138321 DT-4002150826.23474163576 DT-5002155829.53873175890 DT-63021601034.545802051350⼋、DTL铜铝⿐⼦技术参数(国标与⾮标差距很⼤)A型(DTL)国标铜铝⿐⼦技术阐述A型螺丝孔板宽板厚管内径管外径穿线深度长度规格Φb S d D L1L DTL-108.516 2.5 5.2103064 DTL-168.5163 6.2113370DTL-168.5163 6.2113370 DTL-258.518 3.27.2123675 DTL-3510.520.53.58.5144285 DTL-5010.52349.7164390 DTL-7012.526 4.511.51850102 DTL-9512.528513.52153112 DTL-12014.530 5.215.12355120 DTL-15014.534 5.816.52557126 DTL-1851737 6.518.52760133 DTL-2401740720.73062140 DTL-30021468.523.23466160 DTL-40021508.726.23872168 DTL-5002155929.54275185 DTL-630216010.534.55082215 B型(DTL)⾮标铜铝⿐⼦技术阐述B型螺丝孔板宽板厚管内径管外径穿线深度长度规格Φb S d D L1L DTL-108.514.52 6.5102864 DTL-168.514.52 6.5102864 DTL-258.516 2.27.3112868 DTL-3510.518 2.38.5123174 DTL-5010.520.52.69.5143882 DTL-7012.523311.5164192 DTL-9512.526 3.213.8184398 DTL-12014.528 3.615.42046104 DTL-15014.530416.82247113 DTL-1851733418.82452120 DTL-2401735 4.720.52857130 DTL-3002142 5.523.53261148九、电⼒变压器⾼、低压熔丝配置查询表序号变压器容量( kva)⾼压侧电流(A)⾼压侧熔丝型号(A)低压侧电流(A)低压侧熔丝型号(A)150.2937.22102100.58314.4320320 1.15328.8730430 1.73543.3050550 2.891072.1775680 4.6210115.471507100 5.7715144.3415081257.2215180.4320091609.2420230.952501020011.5520288.683001125014.4325360.854001231518.1930454.685001340023.0940577.376001450028.8750721.71750■⾼压侧熔丝选择:1容量在100KVA以下者,⾼压侧按变压器额定电流的2-3倍选择。
电线电缆载流量表(全)很多用户对电线电缆的安全载流量不是很清楚,甚至是专业的电工对精确的数据都不是特别了解。
市电缆总厂第一分厂根据实际生产的电线电缆规格品种,制定了不同规格型号的电线电缆载流量表,简单易懂,一目了然。
希望能对各位朋友有所帮助.高压电缆载流量:规格型号载流量表:8.7/10(8.7/15)KV 交联聚乙烯绝缘电力电缆允许持续载流量额定电压U 。
/U8.7/10(8.7/15)KV型号YJV 、YJLV 、YJY 、YJLY 、YJV22、YJLV22、YJV23、YJLV23、JYV32,YJLV32、YJV33、YJLV33YJV 、YJLV 、YJY 、YJLY芯数 三芯单芯敷设 空气中土壤中空气中土壤中 单芯电缆 排列方式导体材质铜 铝 铜 铝 铜 铝 铜 铝 铜 铝 铜 铝 标 称 截 面 (mm2)25 35 120 140 90 110 125 155 100 120 140 170 110 135 165 205 130 155 150 180 115 135 160 190 120 145 5070 165 210 130 165 180 220 140 170 205 260 160 200 245 305 190 235 215 265 160 200 225 275 175 215 95 120 255 290 200 225 265 300 210 235 315 360 240 280 370 430 290 335 315 360 240 270 330 375 255 290 150 185 330 375 225 295 340 380 260 300 410 470 320 365 490 560 380 435 405 455 305 345 425 480 330 370 240 300 435 495 345 390 445 500 350 395 555 640 435 500 665 765 515 595 530 595 400 455 555 630 435 490 400 500565 ...450 ... 520 ...450 ...745 855585 680890 1030695 810680 765520 595725 825565 650环境温度 (℃)4025402526/35KV 电力电缆允许持续载流量26/35KV 交联聚乙烯绝缘电力电缆允许持续载流量型号YJV、YJLV、YJY、YJLY、YJV22、YJLV22、YJV23、YJLV23、JYV32,YJLV32、YJV33、YJLV33YJV、YJLV、YJY、YJLY芯数三芯单芯敷设空气中土壤中空气中土壤中单芯电缆排列方式导芯材质铜铝铜铝铜铝铜铝铜铝铜铝标称截面(mm2)5070185230145190200250170190220270170210245305190235215265165200225275175215 95120280310215240300330230255330375255290370425285330315360240270330375255290 150185360400280310380425295330425485330380485555375430400455305345420475325370 240300470540365430490555380435560650435510650745505580525595400455555630430490 400500610...485...625...500...7608755956908701000680790680775525600720825565645 600 ... ... ... ... 1000 800 1160 920 875 685 940 740环境温度(℃)40 25 40 25 BVR电线YJV,YJLV电缆载流量表:BXF铜芯氯丁橡皮电线,BLXF铝芯氯丁橡皮电线载流量表:BXR铜芯橡皮软电线载流量表:矿用交联电力电缆载流量表:矿用电缆规格型号载流量表:MC采煤机电缆载流量表:SYV,SYWV同轴电缆钢芯铝绞线载流量表:钢芯铝绞线技术参数:作者:毕敬轩来源: 日期:2012年6月19日。
300V/1000V电缆载流量300V/1000V电缆载流量本资料选自《电气工程》常用数据速查手册。
1)、8.3导线载流量。
450V/750V及以上橡胶绝缘、塑料绝缘电线的载流量。
BVVB型、BLVVB 型、RVVB型电线载流量见表8-24。
(2)、450V/750V及以下橡胶绝缘电力电缆的载流量。
通用橡套软电缆的载流量见表8-25。
(3)、0.6/1KV聚氯乙烯绝缘电力电缆的载流量。
0.6/1KV聚氯乙烯绝缘钢带铠装聚氯乙烯护套电力电缆载流量见表8-26。
(4)防火电缆的载流量。
1、阻燃电缆的载流量。
1)B、R系列阻燃电线、电缆的载流量见表8-27。
2)交联聚氯乙烯绝缘阻燃电力电缆的载流量见表8-28、表8-29,短路电流见表8-30。
3)聚氯乙烯绝缘阻燃电力电缆的载流量见表8-31。
(5)耐火电缆的载流量。
1)聚氯乙烯绝缘耐火电缆的载流量见表8-32。
2)BV-105型耐热聚氯乙烯绝缘铜芯电线的载流量见表8-33。
3)BTTQ、BTTVQ系列耐火电缆技术数据见表8-34。
4)BTTZ、BTTVZ系列耐火电缆技术数据见表8-35。
5)NH-YYJV系列耐火电力电缆技术数据见表8-36——8-38。
(6)表8-39。
聚氯乙烯绝缘低烟低卤阻燃电力电缆的载流量。
(7)表8-40。
交联聚氯乙烯绝缘低烟无卤阻燃电力电缆的载流量。
表8-24 BVVB型、BLVVB型、RVVB型电线载流量 (2)450V/750V及以下橡胶绝缘电力电缆的载流量 (3)通用橡套软电缆的载流量见表8-25 (3)YQ、YQW、丫典、型/ A (3)YZ、YZW、YHZ 型/ A (3)YC YCW YHC 型/ A (3)0.6、1KV聚氯乙烯绝缘电力电缆的载流量 (4)表8.26 VV22、VLV22型聚氯乙烯绝缘钢带铠装聚氯乙烯护套电力电缆载流量。
.. 4 VV22、VLV22 单芯 (4)VV22 (4)VV22、VLV22 3芯 (4)VV22、VLV22 4 芯 (5)VV22、VLV22 3+1 芯 (5)VV22 5芯 (6)VV22 4+1 芯 (6)VV22 (6)3+2 芯 (6)防火电缆的载流量 (7)表8-27 B、R系列阻燃电线电缆的载流量 (7)ZR-BV 300/500V (7)ZR-BV 450/750V (7)ZR-BV 450/750 (8)ZRZR-BVVB 300/500V (8)ZR-BVR 450/750V (8)ZR-BVR 450/750V (8)ZR-BV 300/500 (8)ZR-BVV 300/500V (9)ZR-RVV 300/300V ................................................... .9 ZR-RVVB 300/300V (9)ZR-RVV 300/500V ................................................... .9 ZR-RVVB300/500V (10)ZR-RVS (10)300/300V (10)ZR-RVS (10)300/300V (10)2)交联聚氯乙烯绝缘电力电缆的载流量见表8-28、表8-29,短路电流见表8-30 (11)表8-28交联聚氯乙烯绝缘阻燃电力电缆的载流量 (11)ZR-YJV 0.6/1kv (11)ZR-YJV 0.6/1kv (14)表8-29高压交联聚氯乙烯绝缘阻燃电力电缆的载流量 (17)ZR-YJV、ZR-YJLV (17)ZR-YJV22、ZR-YJLV22 (18)ZR-YJV、ZR-YJLV (19)表8-30交联电缆导体短路电流(短路时间为1S) (20)450V/750V及以下橡胶绝缘电力电缆的载流量通用橡套软电缆的载流量见表8-25。
电缆允许载流量计算书三相电动机电流计算方法:电流=功率除以(根号3乘以电压乘以电动机的功率因素乘以电动机的效率)功率因素和效率在未知的情况下定为0.8515KW计算法为15000/380*根号3*0.85*0.85=31.6安经验公式:铜导线面积等于负载功率千瓦数乘以0.65,得数小于或等于导线实际截面的就选其值,大于的选粗一级的导线,铝线在算出铜线结果的基础上粗一级。
如:1、15Kw电机求导线截面?千瓦数15×0.65=9.75。
这时就要选择10mm²铜线,铝线则选16mm²。
2、3500 W空调求导线面积?千瓦数3.5×0.65=2.275。
这时应选择2.5mm²铜线足矣,铝线则选4mm²。
导线一般是:1.5m㎡、2.5m㎡、4m㎡、6m㎡、10m㎡、16mm²、25mm²、35mm²、50mm²、70mm²、95mm²、120mm²、150mm²、185mm²一、电缆允许载流量的计算公式1)根据《电线电缆手册》第三篇 3 .4.1 关于电缆允许载流量的计算,当已知需要传输的负载设计所需的电缆时,往往给出的是负载的功率(容量)。
输电线路的功率又分视在功率、有功功率、无功功率三种量,如果线路的电流为I(安),线路电压为U(千伏),负载功率因数为COSφ,则有如下关系:视在功率 P S=√3 UI(千伏安)有功功率 P =√3 UICOSφ无功功率Pq=√3 UISINφP S=√ P2+Pq2I= Pq/√3 USINφP S—输电线路视在功率 P--输电线路有功功率Pq--输电线路无功功率 COSφ---负载功率因数U---输电线路电压 I---输电线路电流二、各种电缆的最高允许长期工作温度三、各种电缆的连续负荷允许载流量一、油浸纸绝缘电力电缆连续负荷允许载流量1-3千伏有外护层的三芯电缆载流量(空气敷设)电缆型号ZQ、ZLQ、ZL、ZLL导线最高允许温度80℃环境温度25℃6千伏有外护层的三芯电缆载流量(空气敷设)电缆型号ZQ、ZLQ、ZL、ZLL导线最高允许温度80℃环境温度25℃二、聚氯乙烯绝缘及护套电力电缆连续负荷允许载流量1千伏无铠装聚氯乙烯电缆载流量(空气敷设)电缆型号VV、VLV导线最高允许温度65℃环境温度25℃1千伏聚氯乙烯铠装电缆载流量(空气敷设)电缆型号VV、VLV导线最高允许温度65℃环境温度25℃6千伏聚氯乙烯铠装电缆载流量(空气敷设)电缆型号VV、VLV导线最高允许温度65℃环境温度25℃三、交联聚氯乙烯绝缘电缆连续负荷允许载流量10千伏交联聚氯乙烯绝缘电缆载流量(空气敷设)电缆型号VV、VLV导线最高允许温度90℃环境温度25℃。
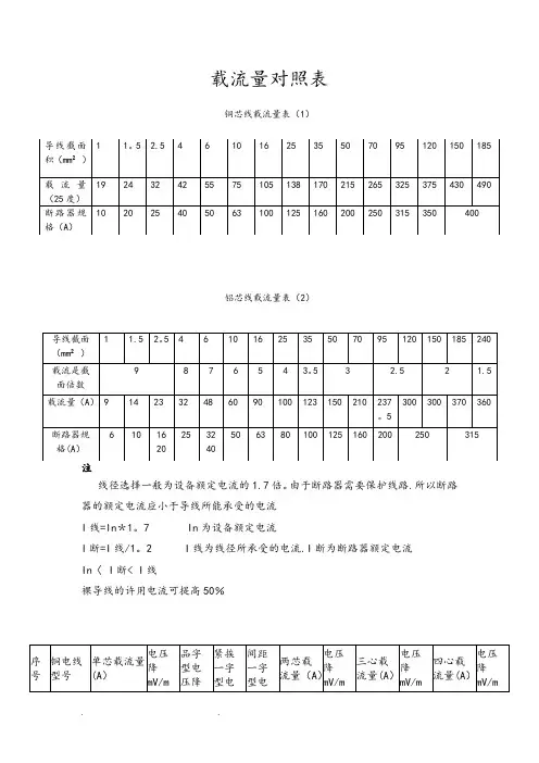
载流量对照表铜芯线载流量表(1)铝芯线载流量表(2)线径选择一般为设备额定电流的1.7倍。
由于断路器需要保护线路.所以断路器的额定电流应小于导线所能承受的电流I线=In*1。
7 In为设备额定电流I断=I线/1。
2 I线为线径所承受的电流.I断为断路器额定电流In〈 I断< I线裸导线的许用电流可提高50%0。
6/1kv聚氯乙烯绝缘电力电缆载流量[阻燃耐火型亦参照此表] 适用型号vv.vLv导电线芯最高工作温度70℃空气温度30℃土攘温度25℃土壤热阻系数1.2℃。
m/w 1000/m2.适用型号vv。
vLv…导电线芯最高工温度70℃空气温度30℃.土壤温度25℃土壤热阻系数1。
2℃m/w二0.6/1kv聚氯乙烯绝缘及护套电力电缆载流量适用型号vv22…VLV22…导导电线芯最高准许工作温度70℃。
空气温30℃。
土壤温度25℃土壤热阻系数;1.2℃0.6/1kv3+1芯或4芯聚氯乙烯绝缘及护套电力电缆载流量适用型号vv22,,vlv22导电线芯最高准许工作温度70℃空气温度30℃。
土壤温度25℃土壤热阻系数;1。
2℃三。
0.6/1kv3+2芯4+1芯5芯聚氯乙烯绝缘电力电缆载流量1.。
适用型号VV,,VLV,,VV22,,VLV22,,,导电线芯最高工作温度70℃2。
空气温度30℃。
土壤温度25℃单芯铜导体交联聚乙烯绝缘电力电缆载流量适用型号.YJV,,,YJV22,,,,YJY,,YjV32,,YJV33。
42。
..43电缆电压等级..3.6/6kv五.0.6/1kv。
—1.8/3kv硅烷交联聚乙烯绝缘电力电缆载流量.[该产品的阻燃.耐火产品的载流量参照此计算徝选择]1.1—3芯电缆的载流量见表7适用型号;YJV,YJLV,YJY,,[包括钢带凯装]导体最高准许工作温度90℃空气温度30℃.。
土壤温度25℃土壤热阻系数;1。
2℃注;表中计算值为铜芯载流量。
铝芯载流量为铜芯的1/1。
29倍六.3+1。
电缆分类很多,BVR-16(1.5-120mmm,黄绿色,多股软铜芯接地电缆。
电缆的型号由八部分组成:一、用途代码-不标为电力电缆,K 为控制缆,P为信号缆;二、绝缘代码-Z油浸纸,X橡胶,V聚氯电缆分类很多,BVR-16(1.5-120mmm,黄绿色,多股软铜芯接地电缆。
电缆的型号由八部分组成:一、用途代码-不标为电力电缆,K 为控制缆,P为信号缆;二、绝缘代码-Z油浸纸,X橡胶,V聚氯乙稀,YJ交联聚乙烯三、导体材料代码-不标为铜,L为铝;四、内护层代码-Q铅包,L铝包,H橡套,V聚氯乙稀护套五、派生代码-D不滴流,P干绝缘;六、外护层代码七、特殊产品代码-TH湿热带,TA干热带;八、额定电压-单位KV有关电缆型号的问题SYWV(Y)、SYKV 有线电视、宽带网专用电缆结构:(同轴电缆)单根无氧圆铜线+物理发泡聚乙烯(绝缘)+(锡丝+铝)+聚氯乙烯(聚乙烯)2、信号控制电缆(RVV护套线、RVVP屏蔽线)适用于楼宇对讲、防盗报警、消防、自动抄表等工程3、RVVP铜芯聚氯乙烯绝缘屏蔽聚氯乙烯护套软电缆电压300V/300V 2-24芯用途:仪器、仪表、对讲、监控、控制安装4、KVVP:聚氯乙烯护套编织屏蔽电缆用途:电器、仪表、配电装置的信号传输、控制、测量5、RVV(227IEC52/53)聚氯乙烯绝缘软电缆用途:家用电器、小型电动工具、仪表及动力照明6、RV聚氯乙烯绝缘电缆7、RVS、RVB 适用于家用电器、小型电动工具、仪器、仪表及动力照明连接用电缆8、BV、BVR 聚氯乙烯绝缘电缆用途:适用于电器仪表设备及动力照明固定布线用9、KVV 聚氯乙烯绝缘控制电缆用途:电器、仪表、配电装置信号传输、控制、测量RVV与 KVV RVVP 与 KVVP区别: RVV 和RVVP 里面采用的线为多股细铜丝组成的软线,即RV线组成。
KVV和KVVP 里面采用的线为单股粗铜丝组成的硬线,即BV线组成。
AVVR与 RVVP区别: 东西一样,只是内部截面小于0.75平方毫米的名称为AVVR 大于等于0.75平方毫米的名称为RVVP.SYV与 SYWV 区别: SYV是视频传输线 用聚乙烯绝缘。
1.表8-24 BVVB型、BLVVB型、RVVB型电线载流量
2.0.6、1KV聚氯乙烯绝缘电力电缆的载流量
铠装VV22、VLV22型电力电缆载流量
载流量计算条件
1. 线芯长期工作温度:70。
;
2. 环境温度: 25°;
3. 埋地深度: 1000mm;
4. 土壤热阻系数:1.0m.°C/W;
5. 线芯轴间距离:S=2D
注:单芯电缆铠装应采用非磁性材料或采用减少磁耗的结构
3.防火电缆的载流量
阻燃电线电缆的载流量
1B、R系列阻燃电线电缆的载流量
交联聚氯乙烯绝缘阻燃电力电缆的载流量
载流量计算条件
环境温度:25°C; 2、土壤热阻系数;P=1.0°C、m/W; 3.埋地敷设深度:1000mm; 4. 导体温度:导体长期运行温度为90°C; 5.电缆敷设轴间中心距 S=2D
2ZR-YJV 0.6/1kV
高压交联聚氯乙烯绝缘阻燃电力电缆的载流量3ZR-YJV、ZR-YJLV
4ZR-YJV22、 ZR-YJLV22
5ZR-YJV、 ZR-YJLV
交联电缆导体短路电流(短路时间为1S)。
载流量对照表铜芯线载流量表(1)铝芯线载流量表(2)线径选择一般为设备额定电流的1.7倍.由于断路器需要保护线路.所以断路器的额定电流应小于导线所能承受的电流I线=In*1.7 In为设备额定电流I断=I线/1.2 I线为线径所承受的电流.I断为断路器额定电流In< I断< I线裸导线的许用电流可提高50%0.6/1kv聚氯乙烯绝缘电力电缆载流量[阻燃耐火型亦参照此表] 适用型号vv.vLv导电线芯最高工作温度70℃空气温度30℃土攘温度25℃土壤热阻系数1。
2℃.m/w 1000/m2.适用型号vv.vLv…导电线芯最高工温度70℃空气温度30℃。
土壤温度25℃土壤热阻系数1。
2℃m/w二0.6/1kv聚氯乙烯绝缘及护套电力电缆载流量适用型号vv22…VLV22…导导电线芯最高准许工作温度70℃。
空气温30℃。
土壤温度25℃土壤热阻系数;1.2℃0.6/1kv3+1芯或4芯聚氯乙烯绝缘及护套电力电缆载流量适用型号vv22,,vlv22导电线芯最高准许工作温度70℃空气温度30℃..土壤温度25℃土壤热阻系数;1。
2℃三.0.6/1kv3+2芯4+1芯5芯聚氯乙烯绝缘电力电缆载流量1..适用型号VV,,VLV,,VV22,,VLV22,,,导电线芯最高工作温度70℃2.空气温度30℃.土壤温度25℃单芯铜导体交联聚乙烯绝缘电力电缆载流量适用型号.YJV,,,YJV22,,,,YJY,,YjV32,,YJV33..42 (43)电缆电压等级..3.6/6kv五.0.6/1kv.-1.8/3kv硅烷交联聚乙烯绝缘电力电缆载流量.[该产品的阻燃.耐火产品的载流量参照此计算徝选择]1.1-3芯电缆的载流量见表7适用型号;YJV,YJLV,YJY,,[包括钢带凯装]导体最高准许工作温度90℃空气温度30℃..土壤温度25℃土壤热阻系数;1.2℃注;表中计算值为铜芯载流量。
铝芯载流量为铜芯的1/1。
载流量对照表铜芯线载流量表(1)铝芯线载流量表(2)注线径选择一般为设备额定电流的1。
7倍.由于断路器需要保护线路.所以断路器的额定电流应小于导线所能承受的电流I线=In*1。
7 In为设备额定电流I断=I线/1。
2 I线为线径所承受的电流。
I断为断路器额定电流In〈 I断< I线裸导线的许用电流可提高50%0.6/1kv聚氯乙烯绝缘电力电缆载流量[阻燃耐火型亦参照此表]适用型号vv。
vLv导电线芯最高工作温度70℃空气温度30℃土攘温度25℃2.适用型号vv.vLv…导电线芯最高工温度70℃空气温度30℃。
土壤温度25℃土壤热阻系数1。
2℃m/w二0。
6/1kv聚氯乙烯绝缘及护套电力电缆载流量适用型号vv22…VLV22…导导电线芯最高准许工作温度70℃。
空气温30℃.土壤温度25℃土壤热阻系数;1。
2℃20。
6/1kv3+1芯或4芯聚氯乙烯绝缘及护套电力电缆载流量适用型号vv22,,vlv22导电线芯最高准许工作温度70℃空气温度30℃.。
土壤温度25℃土壤热阻系数;1。
2℃1.。
适用型号VV,,VLV,,VV22,,VLV22,,,导电线芯最高工作温度70℃2。
空气温度30℃。
土壤温度25℃土壤热阻系数;1。
2℃四。
单芯铜导体交联聚乙烯绝缘电力电缆载流量适用型号.YJV,,,YJV22,,,,YJY,,YjV32,,YJV33。
.42。
.。
43五.0.6/1kv.—1.8/3kv硅烷交联聚乙烯绝缘电力电缆载流量。
[该产品的阻燃。
耐火产品的载流量参照此计算徝选择]1。
1—3芯电缆的载流量见表7适用型号;YJV,YJLV,YJY,,[包括钢带凯装]导体最高准许工作温度90℃空气温度30℃。
土壤温度25℃土壤热阻系数;1.2℃六。
3+1。
3+2.4+1。
4芯.5芯电缆载流量。
适用型号;yjv,,yjy,yjlv,yjly(包括钢带。
铠装) 导体最高准许工作温度;90℃空气温度;30℃土壤温度;25℃土壤热阻系数;1.2℃适用型号。
电缆载流量对应表(总13页) -CAL-FENGHAI.-(YICAI)-Company One1-CAL-本页仅作为文档封面,使用请直接删除YJV(FYJV),YJLV(FYJLV),ZC–YJV ZC-YJLV 0.6/ 1kVYJV(FYJV), ZC - YJV 0.6/1kVYJV22(FYJV22),YJLV22(FYJLV22),ZC–YJV22,ZC-YJLV22 0.6/1kV仪器仪表交易网>信息中心电线电缆载流量表(全)很多用户对电线电缆的安全载流量不是很清楚,甚至是专业的电工对精确的数据都不是特别了解。
天津市电缆总厂第一分厂根据实际生产的电线电缆规格品种,制定了不同规格型号的电线电缆载流量表,简单易懂,一目了然。
希望能对各位朋友有所帮助.高压电缆载流量:规格型号载流量表:8.7/10(8.7/15)KV 交联聚乙烯绝缘电力电缆允许持续载流量额定电压U 。
/U8.7/10(8.7/15)KV型号 YJV 、YJLV 、YJY 、YJLY 、YJV22、YJLV22、YJV23、YJLV23、JYV32,YJLV32、YJV33、YJLV33YJV 、YJLV 、YJY 、YJLY芯数 三芯单芯敷设 空气中 土壤中空气中土壤中单芯电缆排列方式导体材质铜铝铜铝 铜 铝铜铝铜铝铜铝标称截面(mm2) 2535 120140 90110 125155 100120 140170 110135 165205 130155 150180 115135 160190 120145 5070 165210 130165 180220140170 205260 160200 245305 190235 215265 160200 225275 175215 95120 255290 200225 265300 210235 315360 240280 370430 290335 315360 240270 330375 255290 150185330375 225295 340380 260300 410470 320365 490560 380435 405455 305345 425480 330370 240300 435495 345390 445500350395 555640 435500 665765515595 530595 400455 555630 435490400500 565... 450... 520...450 (745855)585680 8901030 695810 680765 520595 725825 565650环境温度(℃)4025402526/35KV 电力电缆允许持续载流量26/35KV 交联聚乙烯绝缘电力电缆允许持续载流量额定电压U 。
1~6KV聚氯乙烯绝缘电力电缆载流量1. 0.6/1kv,vv及vlv型聚氯乙烯绝缘及护套电缆长期连续负荷允许载流量
3+1芯或4芯长期连续负荷允许载流量/A
2. 3.6/6kv,vv及vlv型聚氯乙烯绝缘及护套电缆长期连续负荷允许载流量
3.交联聚氯乙烯绝缘电力电缆的类型及主要技术特征
电缆载流量
1.1~10kv电缆载流量
(1)电缆载流量确定条件
线芯最高工作温度:90℃;短路温度:250℃;敷设环境温度:在空气中40℃,土壤中25℃;直埋敷设深度:100cm;土壤热阻系数:1km/W;聚氯乙烯热阻系数:75 km/W。
电缆载流量确定条件如下:
导电线芯最高工作温度:90℃;空气敷设环境温度:30℃;直埋土壤温度:25℃;埋地深度:100cm;单芯电缆三相水平布置,电缆间净距:7cm;土壤热阻系数:1km/W;交联聚乙烯热阻系数:3.5km/W;聚氯乙烯热阻系数:6km/W。
适用电缆型号:YJSV,YJLSV。
3.矿用橡套软电缆的类型与主要技术特征
4.矿用橡套软电缆结构、参考外径及质量、允许载流量。
新电缆载流量表(有目录)300V/1000V电缆载流量300V/1000V电缆载流量本资料选自《电气工程》常用数据速查手册。
1)、8.3导线载流量。
450V/750V及以上橡胶绝缘、塑料绝缘电线的载流量。
BVVB型、BLVVB 型、RVVB型电线载流量见表8-24。
(2)、450V/750V及以下橡胶绝缘电力电缆的载流量。
通用橡套软电缆的载流量见表8-25。
(3)、0.6/1KV聚氯乙烯绝缘电力电缆的载流量。
0.6/1KV聚氯乙烯绝缘钢带铠装聚氯乙烯护套电力电缆载流量见表8-26。
(4)防火电缆的载流量。
1、阻燃电缆的载流量。
1)B、R系列阻燃电线、电缆的载流量见表8-27。
2)交联聚氯乙烯绝缘阻燃电力电缆的载流量见表8-28、表8-29,短路电流见表8-30。
3)聚氯乙烯绝缘阻燃电力电缆的载流量见表8-31。
(5)耐火电缆的载流量。
1)聚氯乙烯绝缘耐火电缆的载流量见表8-32。
2)BV-105型耐热聚氯乙烯绝缘铜芯电线的载流量见表8-33。
3)BTTQ、BTTVQ系列耐火电缆技术数据见表8-34。
4)BTTZ、BTTVZ系列耐火电缆技术数据见表8-35。
5)NH-YYJV系列耐火电力电缆技术数据见表8-36——8-38。
(6)表8-39。
聚氯乙烯绝缘低烟低卤阻燃电力电缆的载流量。
(7)表8-40。
交联聚氯乙烯绝缘低烟无卤阻燃电力电缆的载流量。
表8-24 BVVB型、BLVVB型、RVVB型电线载流量 (8)450V/750V及以下橡胶绝缘电力电缆的载流量 (11)通用橡套软电缆的载流量见表8-25 (11)YQ、YQW、YHQ、型/ A (11)YZ、YZW、YHZ型/ A (11)YC YCW YHC型/ A (12)0.6、1KV聚氯乙烯绝缘电力电缆的载流量 (14)表8.26 VV22、VLV22型聚氯乙烯绝缘钢带铠装聚氯乙烯护套电力电缆载流量。
(14)VV22、VLV22单芯 (16)VV22 (18)VV22、VLV22 3芯 (19)VV22、VLV22 4芯 (21)VV22、VLV22 3+1芯 (22)VV22 5芯 (25)VV22 4+1芯 (25)VV22 (26)3+2芯 (26)防火电缆的载流量 (26)表8-27 B、R系列阻燃电线电缆的载流量 (27)ZR-BV 300/500V (27)ZR-BV 450/750V (27)ZR-BV 450/750 (32)ZRZR-BVVB 300/500V (34)ZR-BVR 450/750V (40)ZR-BVR 450/750V (42)ZR-BV 300/500 (43)ZR-BVV 300/500V (45)ZR-RVV 300/300V (55)ZR-RVVB 300/300V (55)ZR-RVV 300/500V (57)ZR-RVVB300/500V (61)ZR-RVS (61)300/300V (62)ZR-RVS (62)300/300V (62)2)交联聚氯乙烯绝缘电力电缆的载流量见表8-28、表8-29,短路电流见表8-30 (64)表8-28 交联聚氯乙烯绝缘阻燃电力电缆的载流量 (64)ZR-YJV 0.6/1kv (64)ZR-YJV 0.6/1kv (68)表8-29 高压交联聚氯乙烯绝缘阻燃电力电缆的载流量 (73)ZR-YJV、ZR-YJLV (73)ZR-YJV22、ZR-YJLV22 (74)ZR-YJV、ZR-YJLV (76)表8-30 交联电缆导体短路电流(短路时间为1S) (77)表8-24 BVVB型、BLVVB型、RVVB型电线载流量型号截面积/mm平方导体种类参考外径/mm20°时最大单位70°时最小单位长度绝缘电25°C空气敷设载成品参考质量/(kg/km)长度直流电阻/(欧/k m)阻/M欧km)流量/ABVV B型铜芯2x0.7514.6x7.24.50.01213 42 2x1.14.8x7.418.10.01116 49 2x1.515.4x8.412.10.01120 65 2x2.516.2x9.87.410.0127 97 2x4.16.8x11.04.610.008538 130 2x4.27.2x11.54.610.008038 140 2x6.17.4x12.03.080.007050 179 2x6.28.0x13.03.080.006550 192 2x109.6x16.01.830.006569 306 3x0. 1 4.6x9.24.0.019.5 6075 4 5 23x1. 0 14.8x9.818.10.01111 703x1. 5 15.4x11.512.10.01113 953x2. 5 16.2x13.57.410.001021 1423x4. 0 17.0x15.04.610.008527 1983x4. 0 27.4x16.24.610.008027 2133x6. 0 17.4x17.03.080.007034 2653x6. 0 2 8.0x183.080.006534 2843x10 9.6x22.51.830.006555 457BLV VB 型铝芯2x2.516.2x9.811.80.0121 66 2x4.16.8x11.07.390.008527 82 2x6.17.4x12.04.910.007035 105 2x10 29.6x16.03.080.006554 179 3x2.516.2x13.511.80.001017 95 2x4.1 7.0x157.390.008523 1243x6. 0 1 7.4x174.910.007027 1543x10 2 7.6x22.53.080.006542 265BVV B型铜芯2x0.523.8x6.39.0.01210 28 2x0.7523.9x6.426.0.0113 35 2x0.7525.0x7.626.0.01113 44450V/750V及以下橡胶绝缘电力电缆的载流量通用橡套软电缆的载流量见表8-25。
载流量对照表铜芯线载流量表(1)铝芯线载流量表(2)线径选择一般为设备额定电流的1.7倍.由于断路器需要保护线路.所以断路器的额定电流应小于导线所能承受的电流I线=In*1.7 In为设备额定电流I断=I线/1.2 I线为线径所承受的电流.I断为断路器额定电流In< I断< I线裸导线的许用电流可提高50%0.6/1kv聚氯乙烯绝缘电力电缆载流量[阻燃耐火型亦参照此表] 适用型号vv.vLv导电线芯最高工作温度70℃空气温度30℃土攘温度25℃土壤热阻系数1。
2℃.m/w 1000/m2.适用型号vv.vLv…导电线芯最高工温度70℃空气温度30℃。
土壤温度25℃土壤热阻系数1。
2℃m/w二0.6/1kv聚氯乙烯绝缘及护套电力电缆载流量适用型号vv22…VLV22…导导电线芯最高准许工作温度70℃。
空气温30℃。
土壤温度25℃土壤热阻系数;1.2℃0.6/1kv3+1芯或4芯聚氯乙烯绝缘及护套电力电缆载流量适用型号vv22,,vlv22导电线芯最高准许工作温度70℃空气温度30℃..土壤温度25℃土壤热阻系数;1。
2℃三.0.6/1kv3+2芯4+1芯5芯聚氯乙烯绝缘电力电缆载流量1..适用型号VV,,VLV,,VV22,,VLV22,,,导电线芯最高工作温度70℃2.空气温度30℃.土壤温度25℃单芯铜导体交联聚乙烯绝缘电力电缆载流量适用型号.YJV,,,YJV22,,,,YJY,,YjV32,,YJV33..42 (43)电缆电压等级..3.6/6kv五.0.6/1kv.-1.8/3kv硅烷交联聚乙烯绝缘电力电缆载流量.[该产品的阻燃.耐火产品的载流量参照此计算徝选择]1.1-3芯电缆的载流量见表7适用型号;YJV,YJLV,YJY,,[包括钢带凯装]导体最高准许工作温度90℃空气温度30℃..土壤温度25℃土壤热阻系数;1.2℃注;表中计算值为铜芯载流量。
铝芯载流量为铜芯的1/1。
电力电缆载流量参照表
、110千伏交联聚乙烯绝缘电力电缆载流量参照表单位:A
2
载流量计算说明:
1、110千伏及以上电力电缆按国网公司标准化采购目录要求均考虑铜芯电缆;
2、导体的工作温度取:90℃;
3、金属护套接地方式不考虑双端接地方式;
4、环境温度:隧道内敷设环境温度取30℃,当考虑电缆上塔等其它因素环境温度按40℃考虑时,折算系数可取0.9;
排管内敷设电缆周围土壤温度取25℃;
5、土壤热阻系数取1.2k·m/W,考虑110千伏及以上排管均用混凝土包封,所以不考虑电缆管道周围土壤水分迁移情况,(实际工程应用时,可加厚包封体积,避免此情况发生),当存在土壤水分迁移情况时,按一般性土壤考虑,土壤热阻系数取2.0 k·m/W,折算系数取0.83;
6、排管埋深的考虑:考虑电缆排管过路埋深要求,埋设深度取:1.5m;
7、排管材料CPVC,间距250mm,见附图;
8、排管敷设临近回路数的影响:根据排管敷设较常见情况,考虑临近有另一回电缆相互影响;所以表中所列数值取双回路电缆影响参考值;
排管敷设双回路较单回路影响系数为0.84(根据上海电缆研究所实验结论),三回路影响系数取0.77。
隧道内考虑通风、散热情况较好,支架间距较大,回路间影响较小,所以参照表中所列数值暂未考虑临近回路数的影响。
1〜6KV聚氯乙烯绝缘电力电缆载流量
1. 0.6/1kv,vv 及vlv型聚氯乙烯绝缘及护套电缆长期连续负荷允许载流量
1~3芯长期连续负荷允许载流量/A
3+1芯或4芯长期连续负荷允许载流量/A
2. 3.6/6kv,vv 及viv型聚氯乙烯绝缘及护套电缆长期连续负荷允许载流量
长期连续负荷允许载流量/A
3•交联聚氯乙烯绝缘电力电缆的类型及主要技术特征 符号意义
YJ-交联聚乙烯绝缘
Y-聚乙烯护套 22-
钢带铠装聚氯乙烯护套 32- 细钢丝铠装聚氯乙烯护套 41-
粗钢丝铠装纤维护套 43-粗钢丝铠装聚乙烯护套 V-聚氯乙烯护套
L 铝芯,无L 为铜芯 S-铜丝金属屏蔽,无S 为铜丝金属 屏蔽
23- 钢带铠装聚乙烯护套 33- 细钢丝铠装聚乙烯护套 42- 粗钢丝铠装聚氯乙烯护套
电缆载流量
1.1 ~10kv电缆载流量
(1)电缆载流量确定条件
线芯最高工作温度:90r ;短路温度:250r ;敷设环境温度:在空气中40C, 土壤中25r ;直埋敷设深度:100cm 土壤热阻系数:
1km/W聚氯乙烯热阻系数:75 km/Wo
) 及型电缆载流量
(
电缆载流量确定条件如下:导电线芯最高工作温度:90r ;空气敷设环境温度:30C ;直埋土壤温度:25C ;埋地深度:100cm单芯电缆三相水平布置,电缆间净距:7cm 土壤热阻系数:1km/W交联聚乙烯热阻系数:3.5km/W;聚氯乙烯热阻系数:6km/W适用电缆型号:YJSV,YJLSV
3.矿用橡套软电缆的类型与主要技术特征矿用
橡套软电缆的型号、名称、电压等级及用途
U-矿用
Z-电钻
P-屏蔽
Y-移动
Q-轻型
C-采煤机
E-乙(丙橡皮绝缘)
J-加强;监视
B-铜线编织
R-绕包加强型
D-电灯,耐冻
H-巷道,耐寒
M-照明
G-高压,工作面
F-氯丁橡皮
S-监视型
型号后的数字-额定电压
(V或KV)
4.矿用橡套软电缆结构、参考外径及质量、允许载流量 UZ UZP 型电压等级300/500V 矿用电钻电缆
芯数X 截面
mm
电缆外径
mm
电缆质量
Kg/km
允许载流量/A
动力线芯
地线芯
控制芯
UZ
UZP
UZ UZP
UZ
UZP
最小
最大
最小
最大
3X 2.5 1 X 2.5
17.8 19.6 19.8 21.9 466 690
36
3 X
4 1 X 4
19.1
21.0
21.0
22.5
640 3X 2.5 1 X 2.5 1 X 2.5 19.1 21.0
551
3 X 4
1X 4
1 X 4
20.5
22.6
706
注:电缆线芯和长期允许工作温度:65r ;环境温度:25C 。
U,U P 型电压等级1000V 矿用移动橡套软电缆
芯数X 截面
mm
电缆外径
mm
电缆质量
Kg/km
允许载流量/A
动力线芯
地线芯
U
UP
U UP U
UP
标称
最大
标称
最大
3X 4
1 X 4 20.7
22.8
23.7
26.1
606
743
36
电缆(6主线芯)
UDG P 1140 金属屏蔽钢丝软铠装井下工作面 照明电缆
煤矿井下综采工作面照明电源连接 UZHM 300/500 矿用照明电缆
煤矿井下巷道照明线路 UCJ 1000 钢丝加强型矿用橡套软电缆
煤矿井下各种装岩机
UGP
1000
10KV 矿用移动屏蔽橡套软电缆
用于交流额定电压 10KV 以下,作为高压连接移动变电站及矿山采 掘机械传输电能用。
注:电缆线芯和长期允许工作温度:65r ;环境温度:25C。
UYQ UY型电压等级300/500V矿用移动橡套软电缆
注:电缆线芯和长期允许工作温度:65C ;环境温度:25C。
UPQ型电压等级1140V矿用移动屏蔽橡套软电缆
注:电缆线芯和长期允许工作温度:65r ;环境温度:25C。
UYP型电压等级660/1140V矿用移动屏蔽橡套软电缆
注:电缆线芯和长期允许工作温度:65r ;环境温度:25C。
UDG®电压等级1140V金属屏蔽钢丝软铠装井下工作面照明电缆UZHh型电压等级300/500V矿用照明电缆
注:电缆导体长期允许工作温度:65C。
电缆最小弯曲半径UDG型为电缆直径的10倍,UZHh型为6倍。
UG.UGS电压等级6000V橡皮护套电缆
精品文档11
精品文档13。