双电机驱动
- 格式:pdf
- 大小:303.14 KB
- 文档页数:7
双电机驱动汽车差速控制解析1.传统汽车驱动差速原理与控制机制1.1汽车的动力传递路径机械式汽车动力驱动系统一般由离合器、变速器、万向节、传动轴、驱动桥(主减速器和差速器)、半轴及驱动车轮组成,如图1所示。
图1汽车动力驱动驱动系统简图发动机产生的动力经传动系传给驱动车轮,通过车轮与地面的相互作用,转换为地面推动汽车前进的作用力。
汽车行驶过程中,由于左右车轮的动力半径不可能完全相等、汽车转弯以及路面不平等原因,驱动轮间的行驶路程长度一定不相等,因此汽车传动系中设置了差速器。
1.2驱动差速原理与控制机制汽车差速器的工作原理就是通过一套简单的行星齿轮装置实现左右车轮的自适应差速。
该装置工作过程中保持左右车轮的驱动转矩相等,但某一车轮阻力减小时,容许其转速增加;反之当车轮阻力增加时,容许车轮转速减低。
事实上,汽车行驶过程中,驱动车轮不是独立存在的,一方面车轮作为汽车的一分子,需随汽车一起运动,同时车轮运动也受地面的约束,在附着作用范围内,车轮转速的变化受到地面附着的约束。
因此汽车差速器的工作原理,可以这样解析:差速装置给左右车轮相等的驱动转矩,即等转矩控制;车轮转速由路面约束,即在路面约束条件下,车轮自动调节转速,以实现阻力最小。
2.双电机驱动汽车的差速控制原理2.1双电机驱动汽车的动力传递路径对于双电机驱动的汽车,动力源可能是动力电池组或发电机+电池,但驱动系统基本上如图2所示。
图2 双电机驱动系统简图这类电驱动汽车,由于电机控制策略的不同,都要面临左右车轮因行驶路程不同而需要进行差速控制问题。
2.2驱动电机及其控制策略目前,电动汽车广泛应用的驱动电机主要有异步电动机、无刷直流电动机和永磁同步电动机(PMSM)三种。
异步电动机具有结构简单、可靠性高,控制技术相对成熟等优点。
异步电动机的控制方法主要有恒压频比控制、矢量控制和直接转矩控制等。
恒压频比控制的优点是控制方法简单,转速的改变可以通过控制电源频率实现;其缺点是动态性能不好,在突加负载或转速给定突变时容易发生失步现象。
变频器双电机驱动主从控制实战01ABB变频器主从控制原理所谓主从控制,就是使用多个变频器控制一个或一组负载,负载之间通过刚性或柔性耦合。
外部信号(包括起动、停止、给定信号等)只与主机变频器相连,主机通过光纤将从机控制字和转速给定值、转矩给定值广播给所有的从机,实现对从机的控制。
从机一般不通过主从通讯链路向主机发送任何反馈数据,从机的故障信号单独连至主机的运行使能信号端,形成联锁。
一旦发生故障,联锁将停止主机和从机的运行。
图1 ABB主从连接注:T=发送器;R=接收器;RMIO=I/O和控制电路板。
图2 ABB从机故障信息配线应用注意点:一般主机采用速度控制,而从机采用速度还是转矩控制要视主从电机轴是采用什么方式耦合,主从之间采用刚性连接时从机需采用转矩跟随,柔性连接时要采用速度跟随。
因为前者两组传动装置间不能存在速度差异,后者会存在速度差异。
02高炉上料工艺对传动系统的要求在高炉上料系统控制中,上料小车的控制是整个电控系统的核心部分。
它是根据生产工艺的要求,把槽下备好的不同料类和不同重量的原料及时、安全、准确定位地运送到高炉炉顶,保证高炉的正常生产,一但控制出现故障,将直接影响高炉的生产。
高炉原料从槽下输送到炉顶小车输送方式是:小车卷扬机采用交流电动机拖动,电机正、反转控制,牵引通过钢丝绳连接的两台料车在斜桥上一上一下交替工作,为了能对小车做到精确控制,控制系统必须具备以下条件:1)系统能频繁起动、停止。
2)系统能正、反双向控制。
3)系统能做到无极调速,调速范围大、平滑性较高,做到平稳起动-加速-稳定运行-减速-平稳停车。
4)系统起动转矩大,做到平稳起动。
5)系统在停车时做到稳定、精确定位,防止料车过头。
6)在零速时维持大转矩输出,防止料车起动和停车时重载下滑。
图3 高炉料车系统上料工艺对料车控制的最主要的要求是:在起动或停车的瞬间也就是在零速时,变频器必须有最大的转矩输出,以防止料车下滑,因此在起动时对转矩的要求大于对速度的要求。
双电机电驱桥工作原理
双电机电驱桥工作原理主要是通过两个电机和一套控制系统的协同工作,实现更高效、更精确的动力输出和车辆控制。
具体来说,双电机电驱桥的原理可以分为以下几个方面:
1. 动力分配:双电机电驱桥通过两个电机分别驱动车辆的两个轮子,实现动力的精确分配。
控制系统根据车辆的行驶状态和驾驶员的意图,对两个电机进行独立控制,确保车辆的稳定性和行驶安全性。
2. 协同工作:在加速和爬坡等需要较大动力输出的工况下,两个电机协同工作,提供更大的扭矩和功率。
这种协同工作方式可以减少单个电机的负载,提高整体效率,延长电机的使用寿命。
3. 独立控制:双电机电驱桥的控制系统可以对两个电机进行独立控制,实现对车轮的差异化控制。
例如,在转弯或避障等情况下,控制系统可以根据需要调整两个电机的输出扭矩和转速,提高车辆的操控性能和稳定性。
4. 能量回收:在制动或下坡等工况下,双电机电驱桥可以通过两个电机的反转,将车辆的动能转化为电能,实现能量的回收利用。
这种能量回收技术可以提高能效,延长续航里程。
总之,双电机电驱桥工作原理是通过两个电机的协同工作和控制系统的智能化调节,实现更高效、更稳定、更精确的动力输出和车辆控制。
这种技术有
助于提高车辆性能、降低能耗、延长续航里程,是新能源汽车发展的重要方向之一。
新能源四驱双电机的工作原理涉及到多个方面,包括能量转化、动力传递、控制等方面。
以下是详细的工作原理:
能量转化:
双电机在新能源四驱系统中扮演着重要的角色。
首先,双电机通过将电池储存的电能转化为机械能,进而驱动车辆行驶。
在这个过程中,电机起到将电能转化为机械能的关键作用。
动力传递:
双电机通过传动装置将机械能传递给车轮,从而推动车辆行驶。
在动力传递的过程中,差速器起到了解决车轮差速问题的作用,能够使车辆在转弯时左右两侧的车轮能够独立自由地旋转。
半轴则是将动力从差速器传递到车轮上的关键部件。
控制方面:
控制系统通过传感器获取车辆的运行状态和环境信息,通过电控单元对电机的工作进行调节和控制。
控制系统能够根据车辆的实际需求,实时调整电机的输出功率和转速,从而实现对车辆的精确控制。
同时,控制系统还能够监测电池的电量和温度等参数,保证车辆的安全运行。
结构方面:
新能源四驱双电机系统的结构比较复杂,主要包括单电机+传动轴、双电机全轮驱动、发动机+电机组合等结构。
这些结构通过不同的方式实现动力四轮驱动,以满足不同行驶状态的需求。
综上所述,新能源四驱双电机的工作原理涉及到能量转化、动力传递、控制和结构等方面。
双电机在系统中扮演着重要的角色,通过将电能转化为机械能、传递给车轮,并由控制系统进行精确控制,从而实现车辆的安全、稳定行驶。
浅述双电机驱动系统消除齿轮间隙的对策作者:南京航空航天大学自动化学院杨海萍王道波引言采用齿轮减速来获得大力矩输出是伺服控制系统中常采用的拖动方式,这种带齿轮传动的伺服系统由于存在齿轮间隙会造成系统极限环振荡、低速不平稳和换向跳变等现象, 使伺服系统不能达到较高的定位控制精度。
由于齿隙非线性所具有的强非线性、非解析描述和不可微的特性,采用常规控制方法不能解决齿隙造成的控制精度差和动态性能不良等问题,因而解决齿隙非线性对控制精度影响的问题一直是控制领域研究的重要内容。
近些年来,随着对齿隙非线性机理研究的深入和非线性控制理论的发展,采用控制方式来消除齿隙影响的方法不断出现,如自适应控制理论、逆模型方法、碰撞分析法和非线性几何理论等,已成为解决齿隙问题的有力工具,上述这些方法基本都是针对建模、特性分析和控制理论进行的研究,不便于直接应用于工程实现。
本文提出了一种在工程实现上简便有效的方法,即采用双电机差步驱动来消除齿轮传动间隙的方法,通过二个电机的差步加载,使齿隙现象消除,不仅可达到较高的定位精度,同时能提高输出轴的力矩。
带齿隙伺服系统的机理分析为分析双电机驱动时差步控制消除齿隙的机理,需对双电机驱动的伺服系统进行数学建模与分析。
在大小齿轮运动过程中,大齿轮和小齿轮的啮合运动是通过它们之间的弹力和粘性摩擦力的相互作用来完成的,在一般情况下,粘性摩擦力忽略不计。
由于制造和机械上的误差造成齿轮啮合不够准确,会进一步增大齿隙的影响。
建模思路是先不考虑齿隙影响建立电机传动系统的理想动力学模型,然后再把齿隙考虑进去,进一步建立含齿隙的电机传动系统的动力学模型。
双电机驱动系统的原理结构图如图1所示:图1 双电机驱动齿轮原理图如不含传动齿轮时其动力学模型可为:(1)式中:j c1,j c2是两个小齿轮的转动惯量,是两个小齿轮的角速度,是两个伺服电机的角速度,i1和i2表示两电机电枢回路的电流,u1,u2是两个电机的电枢电压,j m是大齿轮的转动惯量,是大齿轮的角速度,c是阻尼系数,k是刚性系数。
dht双电机原理
DHT(Dual H-Bridge Driver)双电机驱动器是一种常见的用于驱动电机的设备。
它的原理是基于H桥电路。
H桥电路是由四个开关元件(通常是MOSFET或BJT)组成的电路。
这四个开关分别被标记为A、B、C和D。
A和D称为上半桥,B和C称为下半桥。
这四个开关可通过控制信号来控制其开关状态。
双电机驱动器中使用了两个H桥电路。
其中,一个H桥用于控制一个电机,另外一个H桥用于控制另一个电机。
这样可以实现分别控制两个电机的正转、反转和制动。
工作原理如下:
1. 控制信号通过控制电路产生,分别控制每个H桥的开关状态。
2. 如果希望电机正转,A和D开关关闭,B和C开关打开。
这样电流可以从电源的正极,通过A和D开关,然后通过电机,再通过B和C 开关回到电源的负极,从而使电机正转。
3. 如果希望电机反转,A和D开关打开,B和C开关关闭。
这样电流可以从电源的负极,通过B和C开关,然后通过电机,再通过A和D 开关回到电源的正极,从而使电机反转。
4. 如果希望电机制动,A、B、C和D开关都关闭。
这样电机的旋转动能会通过电机内部的电磁感应引起电流流动,从而实现制动效果。
需要注意的是,双电机驱动器还需要接入电源和控制信号才能正常工作。
常见的控制信号有PWM信号和方向控制信号,PWM信号用于控制电机的速度,方向控制信号用于控制电机的转向。
双电机电驱桥工作原理双电机电驱桥是一种常见的电动车辆驱动系统。
它使用两个电动机分别驱动车辆的两个驱动轮,从而实现车辆的动力输出。
这种驱动系统在电动汽车、混合动力车和纯电动车中被广泛应用,其工作原理是通过电子控制系统精确地控制两个电动机的输出功率,从而实现车辆的平稳加速和高效行驶。
双电机电驱桥的工作原理主要包括电动机、电池、电子控制系统和传动装置等几个方面的技术。
首先是电动机。
双电机电驱桥通常采用永磁同步电动机或感应电动机作为动力来源。
这两种电动机都具有高效率和高功率密度的特点,能够满足车辆的动力输出要求。
通过电子控制系统对电动机进行精确控制,可以实现对车辆动力输出的调节,从而满足不同行驶条件下的动力需求。
其次是电池。
双电机电驱桥通常采用锂离子电池作为能量存储装置。
这种电池具有能量密度高、循环寿命长的特点,能够满足电动车辆长时间高效运行的需求。
电池通过电子控制系统与电动机相连,为电动机提供所需的电能,从而实现车辆的动力输出。
双电机电驱桥还包括电子控制系统和传动装置。
电子控制系统是双电机电驱桥的“大脑”,它通过实时监测车辆的行驶状态和驾驶员的操作指令,精确地控制两个电动机的输出功率和扭矩分配,使车辆实现平稳加速和高效行驶。
传动装置则负责将电动机的动力传输到车辆的驱动轮上,通过齿轮传动或直接传动的方式实现动力输出。
双电机电驱桥的工作原理可以简单概括为:电池向电动机提供电能,电动机通过电子控制系统实现对动力输出的精确控制,传动装置将电动机的动力传输到车辆的驱动轮上,从而实现车辆的行驶。
在实际行驶过程中,电子控制系统不断地对车辆的行驶状态和驾驶员的操作指令进行分析和调整,确保车辆能够在不同路况和行驶条件下实现最佳的动力输出和行驶性能。
双电机电驱桥是一种先进的电动车辆驱动系统,其工作原理基于高效的电动机、先进的电子控制系统和可靠的传动装置,能够实现电动车辆在不同行驶条件下的平稳加速和高效行驶,具有较高的动力输出和能效。
双动力砂磨机工作原理双动力砂磨机是一种常见的研磨设备,广泛应用于化工、矿山、建材等领域。
其通过双电机驱动,实现砂磨机的高效工作。
下面将详细介绍双动力砂磨机的工作原理。
双动力砂磨机由电机、减速器、磨盘和加料装置等组成。
两个电机分别驱动两个磨盘进行旋转,从而实现对物料的研磨。
其中,一个电机驱动主磨盘,另一个电机驱动副磨盘。
主磨盘通常较大,用于研磨较硬的物料,而副磨盘较小,用于研磨较细的物料。
当双动力砂磨机开始工作时,电机通过减速器将转速传递给磨盘。
物料从加料装置中进入磨盘的中间区域,随着磨盘的旋转,物料在磨盘和磨珠的作用下被研磨。
磨珠是研磨过程中的研磨介质,可以是钢珠、陶瓷珠等。
磨珠的材质和大小会影响研磨效果。
在研磨过程中,磨盘的旋转将物料和磨珠带到磨盘的边缘。
物料和磨珠在边缘区域产生强烈的冲击、摩擦和剪切力,从而使物料得到更细的研磨。
同时,磨盘的旋转还会使物料在磨盘和磨珠之间产生强烈的对流和剪切效应,促进物料的均匀研磨。
双动力砂磨机的工作原理可以通过以下几个方面来解释:1. 双电机驱动:双动力砂磨机采用双电机驱动,可以提供更大的驱动力和转速,从而提高研磨效率。
2. 磨盘设计:磨盘通常采用特殊的结构和材质,以提高研磨效果。
磨盘表面通常有凸起的齿或凹槽,可以增加物料和磨珠之间的接触面积,加强研磨效果。
3. 磨珠选择:磨珠的材质和大小会影响研磨效果。
通常情况下,较硬的磨珠可以研磨较硬的物料,而较小的磨珠可以研磨较细的物料。
4. 加料装置:加料装置用于将物料均匀地输送到磨盘中,以保证研磨效果的均匀性。
加料装置通常采用螺旋输送器或振动输送器等形式。
双动力砂磨机通过双电机驱动,利用磨盘和磨珠的作用,对物料进行高效研磨。
其工作原理是将物料和磨珠带到磨盘的边缘区域,通过冲击、摩擦和剪切力使物料得到更细的研磨。
双动力砂磨机在化工、矿山、建材等领域具有广泛的应用前景,并且不断进行技术创新,以提高研磨效率和研磨质量。
双轴双电机驱动电动汽车整车控制器开发1. 引言1.1 研究背景在现有的电动汽车控制系统中,单一电机的控制存在一些问题,比如转向灵活性不足、动力输出不均匀等。
双轴双电机驱动系统的出现可以有效解决这些问题,提升整车的性能和稳定性。
开发双轴双电机驱动电动汽车整车控制器具有重要的实际意义和应用价值。
通过对双轴双电机驱动电动汽车整车控制器的研究和开发,可以不断完善电动汽车技术,推动整个行业的发展。
这也是为实现清洁能源汽车普及和推广提供重要的技术支持。
对双轴双电机驱动电动汽车整车控制器的研究背景进行深入探讨和分析,对于推动电动汽车产业的发展和技术进步具有积极意义。
1.2 研究意义双轴双电机驱动电动汽车整车控制器的开发是当前电动汽车领域的重要研究方向之一。
其研究意义主要体现在以下几个方面:1. 提高电动汽车的性能:通过双轴双电机驱动系统的控制器优化设计,能够更精准地控制电动汽车的各种参数,从而提高电动汽车的加速性能、行驶稳定性和能效等方面的表现。
2. 促进电动汽车技术的发展:双轴双电机驱动系统在电动汽车领域具有颠覆性的意义,其控制器开发不仅可以推动电动汽车技术的不断创新,还能促进相关技术领域的发展,为电动汽车行业的发展打下坚实的基础。
3. 降低电动汽车的成本:通过双轴双电机驱动系统的控制器开发,可以有效提高电动汽车的综合性能和效率,使得电动汽车的生产成本和使用成本得到合理控制,从而促进电动汽车技术的普及和推广。
双轴双电机驱动电动汽车整车控制器的开发具有重要的研究意义和实际应用价值,将为电动汽车领域的发展带来新的动力和推动力。
1.3 研究目的研究目的是为了探索双轴双电机驱动电动汽车整车控制器开发的关键技术,提高电动汽车的整体性能和能效。
通过对双轴双电机驱动电动汽车整车控制器的理论研究和实验验证,可以为电动汽车行业的发展提供技术支持和经验积累。
通过优化双轴双电机驱动电动汽车整车控制器的性能,可以提升电动汽车的动力性能、能耗控制和驾驶体验,推动电动汽车技术的创新和进步。
双电机驱动1. 简介驱动两个电机的双电机驱动系统在机械应用和机器人领域中非常常见。
通过控制两个电机的旋转速度和方向,双电机驱动系统可以实现精确的位置控制和运动控制。
本文将介绍双电机驱动系统的基本原理和控制方法,以及常见的应用场景。
2. 双电机驱动原理双电机驱动系统的原理比较简单,主要包含以下几个组件:•两个电机:通常使用直流电机或步进电机作为双电机驱动系统的驱动器。
•驱动电路:用于控制电机的速度和方向,通常包括电机驱动器和电源。
•控制器:用于调整电机的速度和方向,通常使用微控制器或单片机作为控制器。
双电机驱动系统的工作原理如下:1.控制器接收外部输入信号,根据输入信号计算出电机的目标速度和方向。
2.控制器通过驱动电路控制两个电机的驱动器,改变电机的旋转速度和方向。
3.电机根据驱动电路的控制信号,调整自己的旋转速度和方向,并将实际旋转信息反馈给控制器。
4.控制器根据电机的反馈信息,进行闭环控制,调整电机的驱动信号,使得电机达到目标速度和方向。
5.不断重复上述步骤,实现对双电机的精确控制和运动控制。
3. 双电机驱动控制方法双电机驱动系统有多种控制方法,常见的控制方法包括以下几种:3.1 前馈控制前馈控制是最简单和常见的双电机驱动控制方法之一。
它通过预先计算好的电机输入信号来控制电机的旋转速度和方向。
前馈控制可以在很大程度上提高双电机驱动系统的响应速度和控制精度。
3.2 反馈控制反馈控制是一种通过电机的旋转信息来控制电机的旋转速度和方向的方法。
它通过将电机的旋转信息反馈给控制器,根据反馈信息调整电机的驱动信号,使得电机达到目标速度和方向。
反馈控制可以提高双电机驱动系统的稳定性和控制精度。
3.3 PID控制PID控制是一种常用的反馈控制方法,通过比例、积分和微分三个部分的组合来调整电机的驱动信号。
PID控制可以根据电机的反馈信息进行动态调整,提高控制系统的稳定性和控制精度。
3.4 软件控制除了硬件控制方法外,双电机驱动系统还可以使用软件控制方法进行控制。
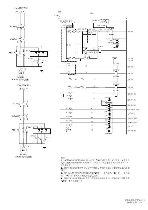
~380/220V,50Hz B102BC 皮带运输机
M1-TA
~380/220V,50Hz B102BC 皮带运输机
M2-TA
就地控制
自动控制
跑偏开关
拉绳开关
过载故障指示
过载故障指示
拉绳开关动作指示
电铃信号灯
跑偏开关故障1
跑偏开关故障2
L31速度检测故障
故障指示
过载故障指示
故障信号
跑偏开关
自动控制说明:
1、本图为双电机皮带运输机两地操作、PLC 控制原理图,可控电机一览表中各皮带运输机控制原理图与此图相同,只需将元件及端子编号相应修改即可,对应关系见表。
2、每台皮带机所带拉绳开关、速度检测器、跑偏开关的具体数量参见工艺专业图纸。
3、每个低压配电屏引两根控制电缆到PLC 柜,一根为输入(DI )用,一根为输出(DO )用,参见低压配电屏端子接线图。
4、带电流表电机从每台电机在低压配电柜内的电流表引一根模拟量控制电缆至PLC 柜,不经过端子转接。
双电机驱动皮带输送机控制原理图(一)
+DZ1AC1端子接线图M1-QF M1-KA6M1-KM M1-KA4M1-KA3M1-KA1M2-QF
-71-73-75-69-67-63-61至PLC
-77
M1-KA M2-QF -79M2-KM -81-85
LA42-1008
SA 接点闭合表触点编号手动
停止自动
X
左45°0
3-4
X
右45°
1-2注:打滑动装置控制箱是否需要电源依到货设备定。
双电机驱动皮带输送机控制原理图(二)。
双电机驱动
一:相关系统功能
FANUC系统对于大型机床中使用双电机驱动一个坐标轴提供了两种控制方式,串联控制(tandem control)和同步控制(synchronous control)。
串联控制仅对主电机轴执行位置控制,对副电机轴仅执行转矩控制,因此这种控制也称转矩串联控制。
(简易)同步控制使用发送给主动轴的NC指令分别对主动电机轴和从动电机轴进行位置控制。
而当主动电机轴和从动电机轴是由一个DSP(数字信号处理器)控制时,这种配置特称为位置串联控制。
为了描述清晰,转矩串联控制的两个电机分别称为主电机轴和副电机轴,位置串联控制的两个轴分别称为主动电机轴和从动电机轴,需要特别注意的是转矩串联控制的主电机轴和副电机轴以及位置串联控制中的主动电机轴和从动电机轴都是由同一个DSP控制的,而一般意义的(简易)同步控制中的主动电机轴和从动电机轴并不一定要用同一个DSP控制。
为了能够应用FANUC系统针对双电机驱动所提供的各种伺服功能,建议用户在使用同步控制功能时对主动电机轴和从动电机轴的轴分配尽可能满足由一个DSP控制的条件。
由于HRV4功能使用一个DSP控制一个轴,因此位置串联控制和转矩串联控制不能和HRV4功能同时生效。
串联控制和同步控制在FANUC各系统中的规格详见下表所示。
16/18/21i B FS30/31/32i A
FS O i C FS
15i FS
串联控制√☆☆☆
轴同步控制———☆
简易同步控制√—☆—同步控制—☆——
串联减振控制☆☆☆☆
√:标准功能 ☆:选择功能 —:不支持
从上表可以看出,同步控制(synchronous control)在各系统中的对应功能名称略有不同。
在FSO i C和FS16/18/21i B中称为简易同步控制,在FS15i中称为同步控制,在FS30/31/32i A中称为轴同步控制,而且除FSO i C中串联控制和简易同步控制作为标准功能提供外,以上功能项在各系统中均为选择功能。
本文主要说明转矩串联控制和同步控制中的位置串联控制。
在进行机床设计时务必选择合适的控制方式。
在机床双驱轴机械部分具备反向进给(BACK FEED)特性时,以下情形适用转矩串联控制。
¾单个电机不能提供足够的转矩。
¾从惯量角度考虑使用两个较小的电机比使用一个较大的电机能更好地与机械惯量进行匹配。
其他情形一般使用位置串联控制。
位置串联控制同样也适用于为了改善由于机械的部件或装配所引起的机械偏差而使用双电机驱动的情形。
以下是几种典型的机床结构使用转矩串联控制和位置串联控制的例子。
图1和图3形式常见于大型落地镗等机床,图2形式常见于大型立加或卧加。
图1:转矩串联控制(机械具备反向进给特性)
图2:位置串联控制(消除机械位置偏差)图3:转矩串联控制(需要大转矩驱动)
图4:转矩串联控制(串联直线电机)图5:转矩串联控制(绕组串联电机)
二:相关伺服功能
下表列举了FANUC系统在转矩串联控制和位置串联控制中适用的伺服功能。
转矩串联控制位置串联控制速度反馈平均功能√—预加载功能√—
阻尼补偿功能√—电机反馈分享功能√—
伺服报警两轴同时监控功能√√全闭环反馈分享功能√√
速度环积分器复制功能—√串联扰动消除功能—√
同步轴自动补偿功能—√
以下对转矩串联控制和位置串联控制及其适用伺服功能逐项进行说明。
三:功能说明
转矩串联控制
转矩串联控制使用两个电机提供双倍的转矩去驱动一个轴,如图6所示。
这两个电机的规格是一样的。
主电机和副电机通常工作于两种方式,一种是负载分享方式,一种是消隙工作方式,具体在预加载一节说明。
转矩串联控制还适用于串联直线电机和绕组串联电机,如图4和图5所示。
图6:转矩串联控制框图
为了实现稳定的转矩串联控制,相关的机械部分必须具备反向进给特性(图1和图3)。
所谓的反向进给是指双驱电机在未连接动力电缆时通过耦合的机械部分可以实现顺畅的连动,即盘动主电机轴通过机械传动副电机随动,或盘动副电机轴通过机械传动主电机随动。
如果反向进给特性较差就需要对机械部分进行适当的调整。
可以用以下方法验证机床的反向进给特性。
¾手动验证:在未连接主电机和副电机的动力电缆的情况下分别用手盘动主电机和副电机的输出轴(机械部分已耦合),观察副电机和主电机是否相应随动,过程是否顺畅。
¾NC指令验证:在连接主电机动力电缆,未连接副电机动力电缆的情况下系统上电,给主电机发出移动指令,观察主电机的负载是否低于其额定转矩的三分之一。
速度反馈平均功能
由于在转矩串联控制中对副电机轴仅执行转矩(电流环)控制,不对其执行速度控制,对于具有较大间隙的机床副电机轴可能会由于这些间隙的影响而产生振动,可以对副电机轴执行速度控制以消除振动。
预加载功能
对主电机和副电机施加极性相反的偏置转矩,可以始终维持双驱机械耦合部分的张力,减小这部分的间隙。
在双驱轴加减速时,副电机提供和主电机同极性的驱动转矩(负载分享方式),而在双驱轴静止时,施加给主电机和副电机的偏置转矩(预加载)维持双驱机械耦合部分的张力(消隙工作方式)。
在副电机仅工作于消隙方式时可以使用全预加载功能。
图7:预加载转矩控制示意图(图中Pre代表预加载转矩)
阻尼补偿功能
要实现平稳的转矩串联控制,可以只对副电机轴或同时对主电机轴和副电机轴添加偏置转矩,以消除两者速度的偏差。
该功能对驱动部分采用弹性连接或具有类似特性的低刚性机
床可能出现的振动(几HZ到40HZ)非常有效。
图8:阻尼补偿功能
伺服报警两轴同时监控功能
该功能同时监控处于位置串联控制或转矩串联控制的两个电机轴的报警状态,如果其中一个电机轴出现伺服报警,就立即切断未报警的另一个电机轴的激磁,以防止机床扭曲变形。
电机反馈分享功能
为了得到更大的推力,可以串联两个直线电机,这时原本用于主电机轴的位置反馈信号也用于对副电机轴进行位置控制。
电机反馈分享功能同样也适用于绕组串联电机,如图4和图5所示。
全闭环反馈分享功能
该功能可以从系统软件中将主电机轴的全闭环反馈信号用于控制副电机轴。
这样可以避免采用硬件分线所引起的信号干扰问题。
图9:全闭环反馈分享功能示意图
位置串联控制
在(简易)同步控制中NC仅对主动电机轴发出移动指令,从动电机轴也按此移动指令与主动电机轴同步移动。
而当主动电机轴和从动电机轴是由一个DSP控制时,这种配置特称为位置串联控制。
M系列T系列同步工作方式自动方式,手动方式自动方式
同步轴组
决定于控制轴数
(最大控制组数各系统不同)
1组
同步偏差检测功能伺服位置偏差检测
机械坐标偏差检测
转矩指令偏差检测
—
同步补偿功能仅绝对位置检测时适用—
速度环积分器复制功能
如果在位置串联控制或速度指令串联控制时,主动轴和从动轴侧的速度环积分器数值不匹配,机械侧会产生扭曲变形,并导致过电流报警。
使用速度环积分器复制功能可以将主动轴侧速度环积分器的数值复制到从动轴侧,从而避免该问题。
该功能仅适用于位置串联控制和速度指令串联控制。
该功能不能和预加载功能同时生效。
并且不能单独指定主动轴侧和从动轴侧与速度环积分器有关的功能,例如不完全积分功能或低速积分功能。
串联扰动消除功能
该功能可以消除位置串联控制时主动电机轴和从动电机轴之间的干扰。
图10:串联扰动消除功能示意图
同步轴自动补偿功能
当同步轴具有较长的行程时,光栅尺的绝对精度和机床的温升等会导致机械扭曲,此时主动电机轴和从动电机轴彼此牵制,导致负载电流攀升,出现过流报警。
导致该现象出现的根本原因是测量位置的偏差。
螺距误差补偿功能可以补偿光栅尺的测量误差,但不能补偿机床温升引起的测量误差。
使用同步轴自动补偿功能可以监控主动电机轴和从动电机轴的负载偏差,并逐步修正从动电机轴侧的位置,消除负载的偏差,改善机械的扭曲。
图10:同步轴自动补偿功能示意图
同步轴自动补偿功能无效同步轴自动补偿功能有效该功能对从动电机轴添加补偿转矩以消除主动电机轴和从动电机轴的转矩偏差,因此在稳态时从动轴侧累积有等同与补偿量的位置偏差。
该功能不能和双位置反馈功能同时生效。
四:注意事项
¾判定两个轴是否由一个DSP(数字信号处理器)控制,可以参考参数1023的设定值,主动电机轴(主电机轴)数值为一奇数,而从动电机轴(副电机轴)为顺延的偶数。
参数1023的设定值一般决定于放大器和电机的连接关系,在定购和连接放大器时要特别注意。
¾由于HRV4功能使用一个DSP控制一个伺服轴,因此位置串联控制和转矩串联控制不能和HRV4功能同时生效(HRV4功能适用与FS30i A系列)。
¾在系统定货考虑总控制轴数时要计入同步控制中的从动电机轴和转矩串联控制中的副电机轴,但考虑同时控制轴数时不用计入。
¾本文仅对位置串联控制和转矩串联控制作出较粗略的介绍性说明。
在实际应用和调试时
请参考相关的说明书。