挖掘机操作工(中级)职业技能等级标准及考核大纲
- 格式:doc
- 大小:74.50 KB
- 文档页数:8
职业技能等级评价规范土石方挖掘机司机1.职业概况1.1职业名称土石方挖掘机司机1.2职业定义操纵挖掘机进行土石方正铲、反铲、破碎作业及保养机械的人员。
1.3职业技能等级本职业共设五个等级,分别为:五级/初级工、四级/中级工、三级/高级工、二级/技师、一级/高级技师。
1.4职业环境条件室外,常温。
1.5职业能力特征具有一定的学习理解能力、观察判断推理能力,手指和手臂灵活,动作协调,规范操作,无色盲。
1.6基本文化程度初中、中职毕业及以上。
1.7职业技能鉴定要求1.7.1申报条件满足下列条件的本企业职工,可以申报相应等级技能鉴定;劳务工除满足相应条件外,需在本企业连续工作满3年。
(1)符合以下条件之一者,可申报五级/初级工:1)累计从事本职业或相关职业工作1年(含)以上。
2)本职业或相关职业学徒期满。
(2)符合以下条件之一者,可申报四级/中级工:1)取得本职业或相关职业五级/初级工职业资格(等级)证书后,累计从事本职业或相关职业工作4年(含)以上。
2)累计从事本职业或相关职业工作6年(含)以上。
3)取得技工学校本专业或取得以中级职业技能为培养目标的中等及以上职业学校本专业或相关专业毕业证书。
(3)符合以下条件之一者,可申报三级/高级工:1)取得本职业或相关职业四级/中级工职业资格证书后,累计从事本职业或相关职业工作5年(含)以上。
2)取得本职业或相关职业四级/中级工职业资格证书,并具有本职业或相关职业的高级技工学校、技师学院毕业证书、高等职业学校毕业证书。
3)具有大专及以上本专业或相关专业毕业证书,并取得本职业或相关职业四级/中级工职业资格证书后,累计从事本职业或相关职业工作2年(含)以上。
(4)符合下列条件之一的,可申请报考二级/技师:1)取得本企业三级/高级工(含本专业或相关专业助理级专业技术职务)职业资格证书后,连续从事本职业(工种)工作4年(含)以上。
2)高级技工学校高级工班、高等职业院校或普通高等大专院校本专业或相关专业毕业生,取得本职业三级/高级工职业资格证书,连续从事本职业(工种)工作3年(含)以上;或取得本职业或相关职业预备技师证书的技师学院毕业生,连续从事本职业或相关职业工作2年(含)以上。
挖掘机驾驶员职业技能岗位鉴定规范第一章说明一、鉴定要求1.鉴定试题符合本职业岗位鉴定规范内容。
2.职业技能鉴定分为理论考试和实际操作考核两部分.3.理论部分试题分为:是非题、选择题、计算题和简答题.4.考试时间:原则上理论考试时间2两小时,实际操作考核为4~6小时,两项考试均实行百分制.5.理论考试和实际操作考核成绩均到达60分以上为技能鉴定合格。
技能鉴定与道德鉴定、业绩鉴定均合格为岗位鉴定合格.二、条件1. 初级水平鉴定的人员须有初中毕业证书,经过相应的培训或从事该岗位工作两年以上。
2.中级水平鉴定的人员须有初级技术等级证书和高中毕业证书,并在初级岗位上工作三年以上.3。
高级水平鉴定的人员须有中级技术等级证书和高中毕业证书,并在中级岗位上工作五年以上。
三、考评员要求1.2.考评员具有中级工以上或技术员以上;3.掌握本工种职业技能鉴定规范。
三、工具、设备要求1.常用工具:钢丝钳、鲤鱼钳、尖嘴钳、开口扳手、梅花扳手、套筒扳手、一字螺丝刀、十字螺丝刀、内六角扳手等.2.专用工具:各种机械随机专用工具,挡圈钳、扭力扳手等。
3.测量工具:钢尺、钢卷尺、卡钳、游标卡尺、千分尺、内径百分表、塞尺、万用表、水准仪、经纬仪、坡度尺、2m靠尺等。
4.起重机具:钢丝绳、吊绳、缷扣、绳卡、千斤顶、滑车、滑车组等。
5.设备:挖土机及各工作装置、起重机械。
第二章岗位鉴定规范第一节道德鉴定规范一、本标准适用于从事机械施工的所有初级工、中级工、高级工的道德鉴定。
二、道德鉴定在用人单位广泛开展道德教育的基础上,采取笔试或用人单位按实际表现鉴定的形式进行。
一、道德鉴定的内容主要包括,遵守各项技术安全操作规程及本单位的规章制度,树立良好的职业道德和敬业精神以及刻苦钻研技术的精神。
四、道德鉴定由用人单位负责,职业技能岗位鉴定站审核.考核结果分为优、良、合格、不合格。
对笔试考核的,60分以下的为不合格,60~79分为合格,80~89分为良,90分以上为优。
挖掘机技能培训教学大纲一、专业课程教学目的1、知识目标:通过“理论+实践”侧重于实践的教学模式,使学员能快速掌握挖掘机的一般的机型知识,操作技能,工作原理和一般故障的判断及维修,并能对挖掘机常见故障进行判断和排除,达到操作员初级技能水平和要求。
2、能力目标:熟练掌握挖掘机的操作程序。
二、专业理论知识部分教学要求及内容1、职业道德教学要求:通过本章的学习,使其了解职业道德基本知识和职业守则的基本内容,以及挖掘机工所应具备的操作技术及基本素质;教学内容:职业道德,职业守则,职业形象及基本素质。
在教学中以挖掘工应具备的基本素质和职业道德标准为要点,提高学员对职业守则和行为准则重要性的认识。
2、基础知识教学要求:通过对挖掘机操作技术和维修基础知识的学习,使其了解挖掘机的操作程序、性能、维修、保养等基础知识,重点掌握挖掘机的操作技术。
教学内容:(1)动力装置型号、部件的知识;(2)发动机的工作原理与油路配备装置;(3)发动机操作程序;(4)发动机机械保养和故障排除;(5)正确辨别外置配件名称;(6)挖掘机整体组成构造;(7)挖掘机整体组成;(8)全面了解挖掘机的技术参数。
3、挖掘机施工中的工作方法教学要求:使其能熟练掌握施工中各种实际问题,作到平安、高效地工作。
教学内容:(1)不同机型的了解和掌握;(2)挖掘机在施工中的工程计算法;(3)挖掘机与自卸车如何配合工作;(4)怎样发挥机械的最高效益。
4、传动系统(液压系统)基本知识教学要求:通过培训使其理解和掌握传动系统的全部基础知识,重点是发动机的技术参数,外置配件的熟练与掌握。
教学内容:(1)动力装置的了解与掌握;(2)发动机技术参数的了解;(3)外置配件的熟练与掌握;(4)详细了解单件的构造;(5)怎样使用发动机;(6)正确名称的使用。
5、回转和操作机构的工作装置教学要求:通过培训使其理解和掌握回转和操作机构的装置结构、性能、原理,重点是操作机构的总体装置,让其熟悉和掌握。
一、目的为规范挖掘机驾驶员的管理,提高驾驶员的操作技能和安全意识,确保施工质量和安全生产,特制定本考核制度。
二、适用范围本制度适用于我公司所有挖掘机驾驶员。
三、考核内容1. 理论知识考核(1)挖掘机的基本构造、原理及性能。
(2)挖掘机的操作规程和安全注意事项。
(3)施工现场的安全生产规定和施工工艺。
(4)工程机械相关法律法规。
2. 实操技能考核(1)挖掘机的启动、熄火、起步、停车、转向等基本操作。
(2)挖掘机的挖掘、装载、平整、压实等施工操作。
(3)挖掘机在复杂工况下的操作能力。
(4)挖掘机故障的判断和处理能力。
3. 安全意识考核(1)遵守安全生产规章制度,无违章操作行为。
(2)积极参加安全教育培训,提高安全意识。
(3)发生安全事故时,能迅速采取措施,减少损失。
四、考核方式1. 理论知识考核:采用闭卷考试形式,满分100分,60分为合格。
2. 实操技能考核:由专业人员现场考核,满分100分,60分为合格。
3. 安全意识考核:采用现场提问、观察等方式,满分100分,60分为合格。
五、考核时间1. 新员工入职前需进行考核,合格后方可上岗。
2. 挖掘机驾驶员每半年进行一次考核,不合格者需进行补考。
3. 发生重大安全事故或连续发生一般事故的驾驶员,需进行专项考核。
六、考核结果处理1. 考核合格者,继续担任挖掘机驾驶员。
2. 考核不合格者,给予警告或停岗培训,直至考核合格。
3. 考核不合格的驾驶员,如连续两次不合格,则予以辞退。
七、附则1. 本制度由公司人力资源部负责解释。
2. 本制度自发布之日起施行。
通过以上考核制度,旨在全面提高挖掘机驾驶员的综合素质,确保施工安全和工程质量,为公司创造更大的效益。
开挖掘机考证等级要求挖掘机操作员考证等级要求基本要求•年满18周岁•具备良好的身体素质,不得有影响操作挖掘机工作的疾病或残疾•具备相关学历或职业培训证书•具备一定的挖掘机操作经验•通过相应的考试及格等级划分挖掘机操作员考证共设有三个等级,即初级证书、中级证书和高级证书。
初级证书要求1.需满足基本要求2.熟悉挖掘机的基本构造和工作原理3.理解和掌握挖掘机的操作规程和安全操作要点4.具备独立操作小型挖掘机的能力5.通过初级考试示例:考生小明报名参加初级挖掘机操作员考证,他具备以下条件: - 年满18周岁,身体健康 - 拥有相关学历和职业培训证书 - 在一家建筑公司实习期间,参与过挖掘机操作 - 学习并掌握了挖掘机的使用方法和安全规定经过几个月的准备,小明成功通过初级挖掘机操作员考试,获得了初级证书。
中级证书要求1.需满足基本要求2.熟练掌握挖掘机的操作技巧和技术要求3.理解和掌握挖掘机的维护保养知识4.具备独立操作中型挖掘机的能力5.通过中级考试示例:小明在工作中不断提升自己的技能,经过一段时间的工作经验积累,他对挖掘机的操作技巧非常熟练,也学会了对挖掘机进行日常维护和保养。
为了进一步提升自己的职业水平,小明决定参加中级挖掘机操作员考证。
经过准备和努力,他成功通过中级考试,获得了中级证书。
高级证书要求1.需满足基本要求2.掌握高级挖掘机操作技巧和调试方法3.具备挖掘机故障排除和维修的能力4.具备独立操作大型挖掘机的能力5.通过高级考试示例:小明在多年的工作中不断学习和成长,积累了丰富的挖掘机操作经验。
他对各种型号的挖掘机都非常熟悉,能够独立进行调试和操作。
为了进一步提升自己的技术水平和职业发展,小明决定参加高级挖掘机操作员考证。
通过准备和努力,他最终通过了高级考试,获得了高级证书。
结论挖掘机操作员考证等级要求从初级到高级逐渐提高,需要考生具备不同程度的挖掘机操作技能和知识。
通过不断学习和努力,考生可以逐级提升证书等级,从而提高自己的竞争力和获得更好的职业发展机会。
挖掘机(中级)挖掘机试题一、填空题(60题)@@WK-10A型挖掘机行走机构闭合履带板每侧有块履带板。
@@45@@一般的螺纹标记由罗纹代号、螺纹公差、公差带代号和代号组成。
@@旋合长度@@挖掘机电气设备检修分大、、小修。
@@中@@露天矿山的主要生产工艺流程包括穿孔、、采装、运输、排土。
@@爆破@@露天开采中,运输费用约占开采总成本费用的 %。
@@50@@露天采场安全平台用作缓冲和阻截滑落的岩石,同时可用作最终边帮角度。
@@缓减@@露天矿山的台阶构成要素有:台阶上部平盘、台阶下部平盘、台阶坡面、台阶坡底线、台阶坡顶线、台阶坡面角、。
@@台阶高度@@WK-10A(B)型挖掘机提升发电机的额定功率是千瓦。
@@600@@热继电器是由热元件、触头、动作机构、复位按钮、和温升补偿元件等组成。
@@整定电流装置@@自动空气开关主要部分有动、静触头、和操作机构等。
@@灭弧室@@直流电机的换向器主要起改善直流电机的性能。
@@换向@@WK-10A型挖掘机行走机构支承轮、张紧轮轮缘压宽大于毫米时,应立即切除飞边。
@@100@@交流接触器的触头起分断和电路的作用。
@@接通@@WK-10A(B)型挖掘机高压异步电动机要用热继电器RJg作为保护。
@@过载@@画出二极管符号。
@@@@画出可调电阻符号。
@@@@导电性能介于和绝缘体之间的材料称为半导体。
@@导体@@工作在状态下的二极管称为稳压二极管。
@@反向@@大小和随时间变化而变化的电量称为交流电。
@@方向@@195-BL型挖掘机提升钢丝绳长度为77米,直径为毫米。
@@37.5@@195-BL型挖掘机推压钢丝绳直径为44.5毫米,绳长米。
@@35.5@@磁放大器是由直流控制信号控制的一种电磁性器件。
@@交流@@WK-4型、WK-10B型挖掘机主变压器容量分别为100千伏安和千伏安。
@@180@@WK-4型挖掘机提升力为51吨,推压力为吨。
@@23@@WK-10型挖掘机提升力为吨,推压力为63吨。
挖掘机(驾驶员)培训考核大纲(中级)一、工种描述操作挖掘机,广泛用于工业与民用建筑、农田改造、矿山等进行挖掘、装载、平整、破碎等建设作业的人员。
二、培训要求(一)理论知识:1.机械制图的基本知识。
2.看懂所驾驶机械总装备图、电气线路图、液压传动原理图和土方施工图。
3.常用电气设备的构造和工作原理。
4.内燃机的构造、性能、工作原理。
5.液压挖掘机的工作原理、工作特点及相关知识。
6.常用机械的型号、规格、构造和主要技术数据。
7.挖掘机维护保养的主要内容、周期时间、维护方法及注意事项。
8.了解并掌握驾驶操作的安全防护和职业道德的知识。
9.土力学基础知识。
(二)操作技能:1.看懂一般机械零件图,能进行工程量的计算。
2.掌握内燃机的故障与排除方法。
3.所驾驶机械主要机构的调整。
4.驾驶挖掘机械保养和液压系统故障的排除。
5.掌握挖掘机回转装置、行走装置和工作装置的具体操作方法。
6.应掌握施工安全防范措施。
三、培训内容(一)理论部分项目鉴定范围鉴定内容权重100%基础知识1、识图知识(1)投影的基本知识;(2)装配图尺寸标准和技术要求。
4%2、电工知识(1)一般电气原理图;(2)单相交流电路的基本形式及其电路、电压的相互关系。
4%3、机械与液压传动一般知识(1)液压传动系统的组成及介绍;(2)液压油箱结构组成和使用;(3)轮系的分类;(4)所驾机械液压系统的构造,工作原理。
4%4、土力学基础知识(1)能正确识别土质;(2)根据土质性质确定挖掘方法及作业程序;(3)按不同土质采取安全防护措施。
3%专业知识1、动力装置(1)内燃机各组成部分的构造与工作原理;(2)内燃机的工作特性;(3)内燃机的故障与排除;(4)内燃机的维护保养与修理。
20% 2、挖掘机械(1)挖掘机的分类、构造与主要性能参数;(2)挖掘机的维护保养与修理和出厂验收(3)挖掘机的液压传动系统。
20% 3、班组管理(1)班组管理的内容和范围;(2)班组生产计划安排和工程进度管理;(3)班组工程质量管理;(4)材料、工具、定额管理。
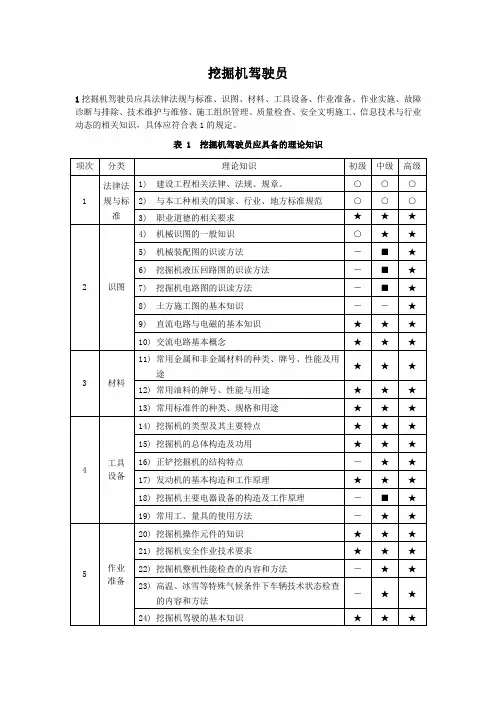
挖掘机驾驶员1挖掘机驾驶员应具法律法规与标准、识图、材料、工具设备、作业准备、作业实施、故障诊断与排除、技术维护与维修、施工组织管理、质量检查、安全文明施工、信息技术与行业动态的相关知识,具体应符合表1的规定。
表 1 挖掘机驾驶员应具备的理论知识注:表中符号“-”表示不作要求;“○”表示了解;“■”表示熟悉:“★”表示掌握。
条文说明:3项次14)条;常用油料包括挖掘机用柴油、机油、液力传动油、驱动桥用油、液压油、润滑脂。
3项次15)条;常用标准件包括常用的铲斗、松土器、快速连接器等。
4项次21)条:常用工、量具包括扭力扳手、套筒扳手、螺丝刀、塞尺、游标卡尺、螺旋测微器等。
5项次24)条;出车前的整机性能检测主要是在发动机停机,铲斗着地的情况下检查液压油箱中油面高度,拆除滤油器并检查其上粘附的杂质材料,检查所有管道、接头有无泄漏或损坏,检查控制用连接杆有无弯曲、断裂或损坏。
7项次48)条,机械传统的的类型主要包括摩擦传动、链条传动、齿轮传动、皮带传动、涡轮涡杆传动、棘轮传动、曲轴连杆传动、气动传动、液压传动、万向节传动、钢丝索传动、联轴器传动、花键传动等。
2 挖掘机驾驶员应作业准备、作业实施、故障诊断与排除、技术维护与维修、施工组织管理的相关技能,具体应符合表2的相关要求。
表 2 挖掘机驾驶员应具备的操作技能条文说明:2项次19)条:常见的土石方工程有:场地平整、区域平衡、基坑(槽)与管沟开挖、路基开挖、人防工程开挖、地坪填土,路基填筑以及基坑回填。
3 挖掘机驾驶员能力测试包括理论知识和操作技能两部分内容,具体应符合表3的规定。
表 3 挖掘机驾驶员专业能力测试权重4 挖掘机机驾驶员申报各等级的职业技能评价,应符合下列条件之一:1 职业技能五级(初级工)1) 经本职业初级正规培训达规定标准学时数,并取得结业证书;2) 在本职业连续见习工作2年以上。
2 职业技能四级(中级工)1) 取得本职业初级职业资格证书后,连续从事本职业工作1年,经本职业中级正规培训达规定标准学时数,并取得结业证书;2)取得本职业初级职业资格证书后,连续从事本职业工作3年以上;3)连续从事本职业工作4年以上,经本职业中级正规培训达规定标准学时数,并取得结业证书;4)连续从事本职业工作6年以上;5)取得经劳动保障行政部门审核认定的、以中级技能为培养目标的中等以上职业学校相关专业的毕业证书。
评分情况表单位名称:姓名:得分:考核要求:1、考试内容:车辆启动,行走车辆(包括上下坡),车辆停放,挖土、甩方,找平,挖沟,装车,上下板等8个方面内容。
2、考试方法:车辆行走(包括上下坡)距离不少于5米,倒车距离不少于3米。
挖土、甩方、装车泥土不少于10斗,挖沟、刷坡、找平,不少于3米,配合下完成上下板车。
3、考试时间:每人考试时间不多于10分钟。
4、考核标准:车辆行走(20 分) 车辆停放(10 分) 挖土、甩方1 (10 分) 找平(5 分) 挖沟(5 分)1.出现未鸣喇叭、未认真查看周围情况,确认安起步全直接起步。
2.操作行走操纵杆时动作过快,起步冲击过大等现象,扣5 分。
3.行走时未做到大臂落下,小臂收回,铲斗收回行走或不能及时修正方向,不按规定路线行走,出现走偏的扣 5 分。
4.上下坡时,工作装置距地面超过规定高度(50 上下坡公分左右),或高速行走,或不按规定路线行走,偏离路面的,扣 5 分。
5.倒车时,未观察周围情况、未发出倒车信号、未鸣喇叭警示。
或倒车时车速过快,不稳,不倒车能及时修正方向,不按规定路线行走,出现走偏或出现熄火、倒车过猛造成事故。
扣 5 分。
6.停车位置不当,停在危险位置。
停车前,工作装置状态不标准(动臂下放+斗杆与地面垂直+ 水平面停放铲斗平放地上);停车后,未关好车内空调及电器,未按规定熄火发动机和拉起先导操纵杆,未关车窗、车门,扣 5 分。
铲斗未降至地面,斗齿未插入地面,未采取垫斜坡上停放牢措施的,扣 5 分。
操作动作不正确,小臂行程未完全打开,铲斗口与小臂臂杆不成平行状态,动臂、铲斗、斗挖土、甩方杆的动作不协调配合,扣 5 分。
铲土不满斗,动作不连贯,在规定时间不能完成挖土量,扣 5 分。
找平找平平整度达不到要求,出现包、坑情况,扣 5 分。
沟不平直、出现转弯(直线挖沟),沟的上口或底口不平直,沟坡、沟底不平直,扣5 分。
装车时铲斗不满斗,或撒漏现象严重,扣 5 分。
中华人民共和国住房和城乡建设部职业技能标准(挖掘机驾驶员)第一部分挖掘机驾驶员职业技能岗位标准1.专业名称:机械施工2.岗位名称:挖掘机驾驶员3.岗位定义:操纵挖掘机,进行挖掘土方、采集石料并放置到指定位置。
4.适应范围:工程机械驾驶。
5.技能等级:设初、中、高三级。
6.学徒期:两年。
其中培训一年,见习一年。
一、初级挖掘机驾驶员知识要求(应知)1. 机械识图的基本知识,看懂一般机械零件图、简单土方施工图。
2.常用法定计量单位及其换算知识。
随机常用工具、量具的使用、保养知识。
3.常用燃、润、液压油料和钢丝绳的基本知识。
4.电工学的一般见识。
5.所驾驶机械的一般构造、性能和工作原理。
6.一种机型的各种工作装置(正铲、反铲、拉铲、抓铲等)的更换知识。
7.熟悉施工标志和指挥信号,能判断工作面地质、地形条件对安全作业的影响,正确确定机械操作位置。
8.所驾驶机机械的操作方法、安全技术操作规程和冬季施工注意事项。
9.所驾驶机械的转移,特殊条件下的操作方法。
10.所驾驶机械的例行保养规程,一般故障产生的原因和排除方法。
1.正确使用随机常用工具、量具。
2.所驾驶机械的一般调整、紧固和简单故障的排除。
3.所驾驶机械工作装置的更换、调整和钢丝绳的鉴别、更换、穿绕和绳端的固定连接。
4.熟练驾驶机械,进行挖掘安全作业。
5.所驾驶机械的安全转移。
6.所驾驶机械的例行保养工作。
7.正确填写机械履历书和规定的报表。
二、中级挖掘机驾驶员知识要求(应知)1.机械制图的基本知识,看懂所驾驶机械总装配图、电气线路图、液压传动原理和较复杂土方施工图。
2.常用电气设备的构造和工作原理。
3.所驾驶机械液压系统的构造和工作原理。
4.机械基础基本知识。
5.内燃机的构造、性能、工作原理和故障排除的方法。
6.土力学的一般知识。
7.本职业常用机械的型号、规格、构造和主要技术数据。
8.所驾驶机械的中修理规范和出厂验收规范。
9.所驾驶机械的机组管理知识。
※※※※※※※※※※※※※※※※※※※※※※※※※※※※※※※※※※※※※※※※※※※※※※※※※※※※※※※※※※※※※※※※※※※※※※※※※※※※※※※※※※※※※※※※※※※※※※※※※※※※※※※※※※※※※※※※※※※※※※※※※※※※※※※※※※※※※※※※※※※※※※※※※※※※※※※※※※※※※※※※※※※※※※※※※※※※※※※※※※※※※※※※※※※※※※※※※※※※※※※※※※※※※※※※※※※※※※※※※※※※※※※※※※※※※※※※※※※※※※※※※※※※※※答:钢丝绳工作的主要缺点是:①使用寿命短;②柔性较大,不易控制;钢丝绳端部最常用的固定方法是楔铁固定3、依次排斗挖掘方法适用于何种货源,其优点是什么?答:适用于比较松散货源,一般由外向内一斗靠一斗的挖掘。
优点:①铲斗阻力小,挖掘速度快;②缩短工作循环时间,可避免因回转配合不当而使铲斗刮工作面现象发生。
4、如何试验提升制动闸是否合适,闸带厚度的磨损限度是多少? 答:①挖满一斗货,铲斗提至任意角度,合上抱闸,铲斗不下降为合适;②打开抱闸后,闸带与闸轮间隙为1-3毫米; ③闸带厚度磨损至1/2时为到限。
5、回转支撑装置(托辊及轨道)的常见故障及原因有哪些?答:①轨道磨损或断裂,主要原因是负荷大及材质过硬或过软;②滚轮圈变形,主要原因是滚轮圈刚度差,椭圆度大或中心轴松旷及滚轮轴螺丝松动 ③滚轮损坏,主要原因是滚轮不好及轨道不平或轨道变形。
6、两道题任选其一⑴ WK-4电铲行程大闭子不吸合的原因有哪些? 答:①H/X 转换开关或回转分激磁开关接触不好;②行程马达他励接触器吸合不好; ③行程大闭子线圈烧;④回转大闭子常闭接点接触不好。
⑵ 液压油油温过高的原因有哪些? 答:①系统效率太低。
②油箱容积小或散热不良。
③油的粘度太大。
④油质不良。
⑤冷却器性能不良。
7、两道题任选其一⑴ WK-4电铲推压机构有几个轴承经常是用油枪注油的润滑点,并说出部位。
4 钢筋工职业技能标准4.1 职业要求4.1.2职业技能四级钢筋工的职业要求应符合表4.1.2的规定。
表4.1.2 职业技能四级钢筋工职业要求4.2 职业技能4.2.2职业技能四级钢筋工的技能要求应符合表4.2.2的规定。
表4.2.2 职业技能四级钢筋工技能要求4.3 评价范围、课时、权重4.3.2职业技能四级钢筋工考核范围、课时、权重应符合表4.3.2的规定。
表4.3.2 职业技能四级钢筋工考核范围、课时、权重5 砌筑工职业技能标准5.1 职业要求5.1.2职业技能四级砌筑工的职业要求应符合表5.1.2的规定。
表5.1.2 职业技能四级砌筑工职业要求5.2 职业技能5.2.2职业技能四级砌筑工的技能要求应符合表5.2.2的规定。
表5.2.2 职业技能四级砌筑工技能要求5.3 评价范围、课时、权重5.3.2职业技能四级砌筑工考核范围、课时、权重应符合表5.3.2的规定。
表5.3.2 职业技能四级砌筑工考核范围、课时、权重6 防水工职业技能标准6.1 职业要求6.1.2 职业技能四级防水工的职业要求应符合表6.1.2的规定。
表6.1.2 职业技能四级防水工职业要求6.2 职业技能6.2.2职业技能四级防水工的技能要求应符合表6.2.2的规定。
表6.2.2 职业技能四级防水工技能要求6.3 评价范围、课时、权重6.3.2 职业技能四级防水工考核范围、课时、权重应符合表6.3.2的规定。
表6.3.2 职业技能四级防水工考核范围、课时、权重7 抹灰工职业技能标准7.1 职业要求7.1.2职业技能四级抹灰工的职业要求应符合表7.1.2的规定。
表7.1.2 职业技能四级抹灰工职业要求7.2 职业技能7.2.2职业技能四级抹灰工的技能要求应符合表7.2.2的规定。
表7.2.2 职业技能四级抹灰工技能要求7.3 评价范围7.3.2职业技能四级抹灰工考核范围、课时、权重应符合表7.3.2的规定。
表7.3.2 职业技能四级抹灰工考核范围、课时、权重8 混凝土工职业技能标准8.1 职业要求8.1.2 职业技能四级混凝土工的职业要求应符合表8.1.2的规定。
挖掘机上机考试考核标准挖掘机是一种重型工程机械设备,广泛应用于土建工程、矿山工程、水利工程等领域。
而在挖掘机的操作过程中,安全性和技术能力是至关重要的。
为确保挖掘机操作人员的技术水平和安全意识,进行挖掘机上机考试和考核十分必要。
本文将介绍挖掘机上机考试的考核标准。
一、安全操作挖掘机操作的首要原则是安全。
考核人员在挖掘机上机考试中需要展示出对操作安全和紧急情况的应对能力。
以下是相关考核标准:1. 系好安全带:挖掘机操作人员必须在上机前正确系好安全带,确保在操作过程中不会发生意外事故。
2. 检查工作环境:挖掘机操作人员需要在开始操作之前仔细检查工作环境,确保没有障碍物或不安全因素。
3. 预防事故:挖掘机操作人员应保持观察力,及时发现潜在的事故风险并采取相应措施。
4. 熟悉急停按钮:在挖掘机操作中,如果出现紧急情况,考核人员应能迅速找到急停按钮并按下。
二、准确操作除了安全操作外,挖掘机操作人员还需要展示出对挖掘机各项操作技能的准确掌握。
以下是相关考核标准:1. 熟悉控制杆和按钮:考核人员需要熟悉掌握挖掘机的各项控制杆和按钮,能准确地进行操纵。
2. 精确掌握起吊和挖掘技术:考核人员应展示出准确掌握起吊和挖掘技术的能力,包括准确控制挖掘机的臂、斗和铲的姿态和动作。
3. 熟练掌握回转技巧:挖掘机操作人员需要熟练掌握回转技巧,能够迅速、准确地控制挖掘机回转。
4. 熟悉各种作业场景:考核人员应能熟悉不同的作业场景,包括坡道、狭窄空间等,并能根据具体情况进行准确操作。
三、维护保养挖掘机的维护保养工作对于保障设备的正常运行和延长使用寿命至关重要。
以下是相关考核标准:1. 清洁挖掘机:挖掘机操作人员应保持挖掘机的清洁,不留下杂物,定期清理灰尘和泥沙。
2. 检查润滑情况:考核人员需要定期检查挖掘机的润滑情况,确保润滑油和润滑脂充足。
3. 警示标识完好:挖掘机操作人员需要确保挖掘机上的警示标识齐全、清晰可见。
4. 及时维修故障:考核人员应能及时发现和处理挖掘机的故障,并做好相应的维修工作。
20XX 标准合同模板范本PERSONAL RESUME甲方:XXX乙方:XXX2024挖掘机操作员实操考核及认证协议本合同目录一览第一条:考核概述1.1 考核目的1.2 考核内容1.3 考核方式第二条:考核资格2.1 资格要求2.2 资格证明2.3 资格审核第三条:考核流程3.1 报名与缴费3.2 考前准备3.3 考核时间与地点3.4 考核结果公布第四条:考核标准4.1 理论考试标准4.2 实操考试标准4.3 评分办法第五条:认证流程5.1 认证申请5.2 认证审核5.3 认证证书发放第六条:培训服务6.1 培训内容6.2 培训时间与地点6.3 培训师资第七条:费用与支付7.1 考核费用7.2 认证费用7.3 培训费用7.4 支付方式第八条:退费政策8.1 退费条件8.2 退费流程8.3 退费金额计算第九条:违约责任9.1 考生违约9.2 主办方违约9.3 违约处理办法第十条:争议解决10.1 争议类型10.2 争议解决方式10.3 争议解决机构第十一条:合同变更11.1 变更条件11.2 变更程序11.3 变更生效时间第十二条:合同解除12.1 解除条件12.2 解除程序12.3 解除后事项处理第十三条:附则13.1 合同生效时间13.2 合同有效期限13.3 合同解释权第十四条:其他约定14.1 双方约定的其他事项14.2 约定事项的生效条件14.3 约定事项的履行方式第一部分:合同如下:第一条:考核概述1.1 考核目的本次考核旨在评估挖掘机操作员的实际操作能力,确保操作员掌握必要的技能和安全知识,以保障工程机械作业的安全与效率。
1.2 考核内容考核内容包括理论考试和实操考试两部分。
理论考试涵盖挖掘机操作原理、操作规程、安全常识等内容;实操考试包括挖掘机操作技巧、作业流程、应急处理等实际操作能力评估。
1.3 考核方式考核采用理论考试和实操考试相结合的方式进行。
理论考试通过纸质试卷进行,实操考试在实际作业环境中进行,考察操作员对挖掘机的熟练操作程度及应对突发情况的能力。
挖掘机驾驶员职业技能标准挖掘机驾驶员职业技能标准挖掘机驾驶员作为工程建设中的重要角色,其技能水平对项目的成功与否起着关键作用。
为了提高挖掘机驾驶员的职业技能水平,制定一套完善的职业技能标准至关重要。
本文将探讨挖掘机驾驶员职业技能标准的主要内容和要求。
一、职业技能概述挖掘机驾驶员需要具备多项职业技能,其中包括安全操作、沟通与协作、故障排除、保养和维护以及操作技能。
只有掌握了这些技能,才能成为一名合格的挖掘机驾驶员。
二、安全操作安全操作是挖掘机驾驶员最基本的职业技能。
驾驶员需要严格遵守安全操作规程,确保挖掘机在工作过程中的安全。
具体要求包括:1、熟悉挖掘机的安全操作规程和安全规章制度。
2、在操作前对挖掘机进行全面的安全检查。
3、熟练掌握挖掘机操作的安全注意事项,如远离危险区域、避免过度挖掘等。
4、具有对挖掘机进行定期维护和保养的知识和技能。
三、沟通与协作挖掘机驾驶员需要具备良好的沟通能力和团队协作精神,以便与其他团队成员有效协作。
具体要求包括:1、能够清晰、准确地与同事、客户和上级进行沟通。
2、了解项目需求,与项目团队保持密切联系,确保施工进度。
3、在团队合作中发挥积极作用,与其他工种相互配合,确保施工顺利进行。
四、故障排除挖掘机驾驶员需要具备故障排除技能,以便在操作过程中及时解决各种问题。
具体要求包括:1、熟悉挖掘机的结构和工作原理。
2、能够准确判断和识别潜在故障,具备快速解决问题的能力。
3、掌握挖掘机常见故障的排除方法,如发动机故障、液压系统故障等。
五、保养和维护挖掘机驾驶员需要具备保养和维护技能,以确保挖掘机的正常运转和延长使用寿命。
具体要求包括:1、熟悉挖掘机的维护和保养规程,并能够按照要求进行操作。
2、能够进行日常检查和维护,如清理空气滤清器、更换机油等。
3、了解挖掘机的润滑要求,能够正确使用润滑油。
4、掌握挖掘机常见故障的预防措施,如定期检查电线、防止过度磨损等。
六、操作技能挖掘机驾驶员需要具备熟练的操作技能,以确保施工质量和安全。
开挖掘机考证等级要求(一)开挖掘机考证等级要求1. 专业知识要求•理论知识:掌握挖掘机的构造原理、工作原理、操作方法等基本理论知识。
•机械维修:具备基本的机械维修知识,能够进行日常的保养和维修工作。
•安全操作:熟悉挖掘机的安全操作规范,并且能够熟练操作挖掘机进行各类工作。
2. 实际操作要求•熟练驾驶:具备熟练的挖掘机驾驶技能,能够在各种地形和工况下灵活操作挖掘机。
•作业能力:能够独立完成挖掘、装载、平整等工作任务,并保证作业质量和效率。
3. 考试要求•笔试:通常包括理论知识和安全操作规范等方面的考核。
•实操:需要进行现场操作,展示自己的驾驶和作业能力。
示例解释假设小张是一名挖掘机驾驶员,他想要提升自己的职业水平,于是决定参加挖掘机考证等级考试。
专业知识要求小张通过学习,掌握了挖掘机的构造原理、工作原理和操作方法等基本理论知识。
他还学习了一些机械维修知识,可以进行日常的保养和维修工作。
此外,他也深入研究了挖掘机的安全操作规范,了解了如何安全驾驶和操作挖掘机。
实际操作要求小张经过长时间的实践训练,已经熟练掌握了挖掘机的驾驶技能。
他可以灵活操作挖掘机在各种地形和工况下工作。
他还能独立完成挖掘、装载和平整等各种作业任务,并保证作业质量和效率。
考试要求为了获得挖掘机考证等级的认证,小张需要参加一次相应的考试。
该考试包括理论知识和安全操作规范等方面的考核。
小张需要通过笔试展示自己对挖掘机相关知识的掌握程度。
除了笔试,他还需要进行实际操作,现场展示自己的驾驶和作业能力。
通过参加考试,小张可以获得相应的挖掘机考证等级认证,这将有助于他提升自己的职业水平和竞争力。
以上是关于开挖掘机考证等级要求的简要介绍,希望能对有兴趣参加挖掘机考证的人有所帮助。
挖掘机操作技能考核挖掘机作为一种重型机械设备,在现代建设工程中起着举足轻重的作用。
掌握良好的挖掘机操作技能对于提高工作效率、保证施工质量至关重要。
那么,如何进行挖掘机操作技能考核呢?下面将从安全操作、精准控制、应急处理等方面,为大家介绍一下挖掘机操作技能考核内容。
首先,安全操作是挖掘机操作的首要考虑因素。
一名合格的挖掘机操作员必须熟悉挖掘机的结构及其相关安全规范。
操作员需要掌握良好的安全意识,了解各种安全装置的作用,并能正确使用这些装置。
在考核中,要求操作员熟悉紧急停机、紧急逃生的操作方法,以及在突发情况下如何正确处置。
此外,操作员还需要了解挖掘机的周围环境,充分考虑安全因素,避免因操作不当而引发的意外事故。
其次,精准控制是进行挖掘机操作技能考核中的关键要素。
操作员需要熟练掌握挖掘机的各项操作手法,准确、灵活地控制挖掘机的移动和动作。
在考核中,常会对操作员的平稳启动、停车、转向,以及正、反向行驶、高、低速控制等进行测试。
同时,还会进行对挖斗和铲斗的控制能力考核,测试其能否准确、迅捷地完成挖掘和装卸等作业动作。
只有熟练的精确控制操作技能,才能确保挖掘机的工作效率和施工质量。
最后,在挖掘机操作技能考核中,应急处理能力也是不容忽视的一项内容。
在实际施工中,操作员可能会遇到各种突发情况,如土质松软、坡度陡峭等。
考核时会模拟这些情况,看操作员是否能应对自如。
操作员需要具备灵活的应变能力,能够根据实际情况调整操作策略,确保施工的顺利进行。
此外,还需要注意协调与其他工作人员的配合,确保施工整体的安全与效率。
综上所述,挖掘机操作技能的考核要点包括安全操作、精准控制和应急处理能力。
操作员需要具备全面的技术知识,并能在实际操作中熟练运用。
通过对这些方面的综合考核,可以评估出操作员的实际水平,为日后的实际施工提供有针对性的指导和培训。
只有不断提升操作技能,才能提高工作效率,确保施工质量,保障作业人员的安全。
挖掘机(驾驶员)培训考核大纲
(中级)
一、工种描述
操作挖掘机,广泛用于工业与民用建筑、农田改造、矿山等进行挖掘、装载、平整、破碎等建设作业的人员。
二、培训要求
(一)理论知识:
1.机械制图的基本知识。
2.看懂所驾驶机械总装备图、电气线路图、液压传动原理图和土方施工图。
3.常用电气设备的构造和工作原理。
4.内燃机的构造、性能、工作原理。
5.液压挖掘机的工作原理、工作特点及相关知识。
6.常用机械的型号、规格、构造和主要技术数据。
7.挖掘机维护保养的主要内容、周期时间、维护方法及注意事项。
8.了解并掌握驾驶操作的安全防护和职业道德的知识。
9.土力学基础知识。
(二)操作技能:
1.看懂一般机械零件图,能进行工程量的计算。
2.掌握内燃机的故障与排除方法。
3.所驾驶机械主要机构的调整。
4.驾驶挖掘机械保养和液压系统故障的排除。
5.掌握挖掘机回转装置、行走装置和工作装置的具体操作方法。
6.应掌握施工安全防范措施。
三、培训内容(一)理论部分
(二)实操部分
四、考核大纲
(一)理论考核
1、基础知识:
(1)能看懂一般电气线路图、液压传动图、土方施工图;
(2)熟悉施工图表示的要点,掌握施工的步骤和顺序;
(3)了解挖掘机工作原理的相关知识。
2、专业知识:
(1)掌握挖掘机液压传动系统的知识:
1)挖掘机动臂、斗杆和铲斗可以各自单独动作,也可以互相配合实现复合动作;
2)工作装置的动作和转台的回转既能单独进行,又能做复合动作;
3)履带式挖掘机的左、右履带分别驱动,行走方便、转向灵活,可就地转向;
4)保证挖掘机的一切动作可逆,且无级变速;
5)保证挖掘机工作安全可靠,各执行元件(液压缸、液压马达等)有良好的过载保护;回转机构和行走装置有可靠的制动和限速;防止动臂因自重下降和整机超速溜坡。
2、季节施工:
按国家住建部标准要求和建筑工程规范规定执行。
3、相关知识:
(1)班组管理:
1)班组管理的施工准备、安全教育、质量标准和环境保护;
2)班组生产计划安排合理和工程进度管理落实到位;
3)班组工程质量检查、整改,施工质量责任制;
4)材料、工机具量的使用在定额用量的控制之内。
(2)安全生产:
1)作业前的安全教育,作业过程中的安全检查;
2)做好施工的安全防护,配戴安全防护用具;
3)使用电动设备,防止触电,做好使用时的安全防护。
(3)环境保护:
环保施工:场地清洁有序。
(4)职业道德:
1)文明施工:遵章守纪,安全生产;
2)质量第一:遵守施工规范,符合验收标准。
(二)实操考核
(1)操作技能:
挖掘机工地挖掘作业的操作考核
1)操作前
应先熟悉周围环境,对障碍物、地形做到心中有数;安全操作,确认履带的前后方向,避免造成倾翻或撞击,尽量保证左右履带与地面完全接触,提高整机的动态稳定性。
2)操作要点
○1先慢后快,动作标准规范;
○2铲斗要满,端斗要平,取放沙土的行程要远;
○3卸车时应注意从适当高度卸土,装车时应从装载车前面开始或从中间往两面三边部位进行,均匀卸载;
○4找平前根据要求确定找平高度,机器应卧放平稳,保证在操作时不颤动;
○5破碎作业时不要边回转边碰撞,插入后不要扭转或撬动锤头,拔出时不要移动锤头,不要在水平或向上的方向使用锤头。
3)能独立完成挖土甩方、装车作业、整平作业、刷坡作业、破碎作业的操作。
2、挖掘机维护与保养
挖掘机检查维护的安全操作考核
(1)操作要点:
1)选择水平坚固的地面实施检修;
2)应使铲端着地;
3)发动机停机,并拔掉钥匙;
4)设法止动履带;
5)将印有“检验中”的纸签悬挂在操作杆上。
(2)各周期维护保养的操作考核
1)维护保养的内容:清洁--检查--坚固--调整--润滑;
2)发动机维护项目的检查方法:检查油底壳机油油位、冷却液液位--更换柴油、机油滤芯--燃油箱中排水--检查油水分离器中的水和沉淀物--检查风扇皮带--检查空气滤清器滤芯;
3)液压系统维护项目的检查方法:液压油位的检查--液压油回油滤、滤清器滤芯、先导滤芯的更换方法--液压泵、回转马达排气;
4)独立找到全机的润滑点。
(3)常用检测工具:
1)钢丝钳、鲤鱼钳、尖嘴钳、开口扳手、梅花扳手、套筒扳手;
2)一字螺丝刀、十字螺丝刀、内六角扳手等;
3)挡圈钳、扭力扳手等;
4)丝绳、吊绳、缷扣、绳卡、千斤顶、滑车、滑车组等。
(三)安全作业:
1、安全施工的一般规定:
施工前的班组安全教育,戴好防护用品,非挖掘机操作人员不准擅动机械,现场槽沟夜间设置警示灯,禁止酒后做作业。
执行机械设备验收制度,按规定要求安装后,必须进行调试运转,特种机械实行专人专机,持证上岗。
2、防止事故的具体措施:
(1)搞好防火保护:
在车库、机修棚等生产区配备足够的消防栓、灭火器、消防池;
(2)设专人负责做好现场排水工作,对于临时设施和设备的防护进行全面检查。
(3)防触电、机械伤人的安全规定:
使用机械设备应专人管理和操作,班前必须对机具和电器设备进行检查,检查合格后方可使用;工作人员应有足够的休息时间,保持精力充沛,防止事故发生。
(四)环境保护:
1、挖掘机文明操作施工:
作为职业驾驶人员,在操作挖掘机时,应尽量节约燃料、尽量减少粉尘扬灰、尽量减少噪音。
2、作业中的环境保护考核
(1)作业中,不进行不必要的怠速运转;
(2)不工作时没必要开着发动机;
(3)装土卸土作业要先慢后快,平稳操作;
(4)负荷大时,不要强行作业,减少出现高分贝的噪音;
(5)施工现场道路畅通、平坦、整洁,场地平整,不积水,无散落的杂物,不乱堆放材料;
(6)合理使用资源,及时关闭水和电源开关。
理论知识考核权重表
技能操作考核权重表。