花卉栽植检验批质量验收记录
- 格式:doc
- 大小:33.50 KB
- 文档页数:1
绿化工程各工序检验批质量验收记录一、引言绿化工程是指在城市、乡村或其他地区进行园艺、园林、植被覆盖等方面的工程,旨在改善环境、增加景观价值和提供生态功能。
在绿化工程的施工过程中,各个工序的质量验收是确保项目质量的重要环节。
本文将详细记录绿化工程各工序的检验批质量验收情况。
二、项目项目名称:XX绿化工程施工单位:XX公司验收日期:XXXX年XX月XX日三、工序一:土地整理1. 施工要求•清除杂物,并进行地表平整;•清除病虫害植物;•处理杂草和枯枝落叶。
2. 检验批情况检验批编号:001 验收标准:土地整理达到工程设计要求,无杂物、病虫害植物等存在。
3. 问题与处理无。
四、工序二:绿化种植1. 施工要求•按照设计要求选择适宜的植物进行种植;•填充土壤,并进行固定。
2. 检验批情况检验批编号:002 验收标准:植物种植符合设计要求,土壤填充均匀,无明显杂质。
3. 问题与处理发现部分植物苗木存在病虫害,及时进行了更换,并对土壤进行了重新填充和固定。
五、工序三:灌溉与养护1. 施工要求•定期浇水,保持土壤湿润;•定期施肥,保证植物的养分供应;•定期修剪和除草,保持绿化区的整洁。
2. 检验批情况检验批编号:003 验收标准: - 植物生长状况良好,无干枯和枯黄现象; - 绿化区无杂草,整洁干净。
3. 问题与处理无。
六、工序四:景观灯安装1. 施工要求•按照设计要求进行景观灯的安装;•检查灯具的亮度、稳定性等。
2. 检验批情况检验批编号:004 验收标准: - 景观灯安装位置准确,与设计图纸一致; - 灯具亮度、稳定性满足要求。
3. 问题与处理发现部分景观灯安装位置不准确,及时进行了调整,并重新检查灯具的亮度和稳定性。
七、工序五:绿化景观验收1. 施工要求•按照设计要求进行最终的绿化景观验收;•确保整个绿化工程符合相关环境和美观要求。
2. 检验批情况检验批编号:005 验收标准: - 绿化景观符合设计要求,植物生长良好; - 绿化区整洁干净,无明显杂物。
栽植土检验批质量验收记录
栽植前场地清理检验批质量验收记录
栽植土回填及地形造型检验批质量验收记录
栽植土施肥和表层整理检验批质量验收记录
栽植穴(槽)检验批质量验收记录
表C.0.1 检验批质量验收记录
植物材料检验批质量验收记录
植物材料检验批质量验收记录
植物材料检验批质量验收记录
苗木运输和假植检验批质量验收记录
树木栽植检验批质量验收记录
浇灌水检验批质量验收记录
支撑检验批质量验收记录
大树挖掘包装检验批质量验收记录
大树吊运运输检验批质量验收记录
大树栽植检验批质量验收记录
草坪和草本地被分栽检验批质量验收记录
铺设草地及草卷
铺设草地及草卷检验批质量验收记录
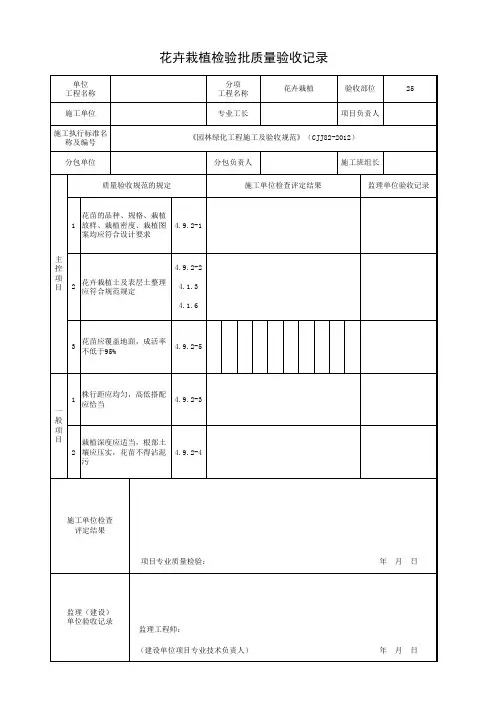
花卉栽植检验批质量验收记录
施工期植物养护检验批质量验收记录
碎拼花岗岩面层检验批质量验收记录
卵石面层检验批质量验收记录
侧石安装检验批质量验收记录
座椅(凳)标牌、果皮箱安装检验批质量验收记录。
花卉栽培检验批质量验收记录
1. 项目信息
2. 质量验收标准
根据相关规定和要求,花卉栽培检验批的质量验收标准如下:
- 体型:花卉植株应健壮且均匀,无明显缺陷或病虫害;
- 生长情况:花卉应有良好的生长状况,植株高度、叶片颜色等符合种植要求;
- 花朵质量:花朵应饱满、颜色鲜艳,无明显病变或腐烂。
3. 检验结果
4. 质量验收结论
根据以上检验结果,样品编号001和002的花卉栽培批次质量验收合格,样品编号003的花卉栽培批次质量验收不合格。
5. 验收人员
备注:以上结果仅针对本次花卉栽培批次的质量验收,不代表整个花卉栽培项目的质量状况。
以上结果仅针对本次花卉栽培批次的质量验收,不代表整个花卉栽培项目的质量状况。
---
以上是《花卉栽培检验批质量验收记录》的文档内容。