0Cr12Mn5Ni4Mo3AL不锈钢热处理工艺研究
- 格式:pdf
- 大小:2.19 MB
- 文档页数:53
探讨Cr12MoV钢的热处理工艺改进引言某厂在制作冲头的过程中使用Cr12MoV钢,但经过热处理后冲头的使用期限就会呈现出很大的差异,或使用10h左右出现折断,或冲头左边角出现崩裂,最后只有约三分之一的冲头能使用50-70h。
这样一来,不仅浪费经济资源,也影响冲头的使用效果。
由此可见,对Cr12MoV钢在热处理工艺中进行实验分析,有效改善冲头的使用寿命十分重要且迫切。
1、原材料分析1.1 Cr12MoV钢化学成分检测由于Cr12MoV钢在该厂的使用较多,厂库房存放的Cr12MoV钢为确保实验效果,均对Cr12MoV钢的化学成分进行了检测,得出如下结果:通过检测发现,Cr12MoV钢含有的化学成分主要有C、Cr、P、S、Mo、Mn、Si和V。
其中C的测量值为1.60%,Cr的测量值为12.0%,而这两种化学成分含量的合格值分别为 1.5-1.7%和11.5-12.5%,其它化学成分的含量分别为P-0.016%、S-0.014%、Mo-0.53%、Mn-0.32%、Si-0.30%、V-0.21%,而这些化学成分含量对应的合格值分别为P-<0.03%、S-<0.03%、Mo-0.4~0.6%、Mn-<0.35%、Si-<0.4%、V-0.15~0.3%。
对比发现,Cr12MoV钢中化学成分的含量值均在合格范围之内。
换言之,该厂家采购的Cr12MoV钢属于合格的原材料。
1.2 Cr12MoV钢铸造质量检验Cr12MoV钢属于莱氏体钢,碳化物含量高且块度粗大,硬度高且脆性大,加之共晶碳化物枝晶十分发达,因此,要降低甚至消除Cr12MoV钢因为共晶碳化物的不均匀分布而对模具的变形、开裂及性能等造成的影响,就必须要对材料进行反复锻打处理,以改变碳化物的形态。
换言之,要保障模具的使用效果与寿命,首先必须要确保Cr12MoV钢的锻造质量。
为确保铸造质量检验的可靠性,在库存随机抽取了20件Cr12MoV钢,严格依照GB/T1299-1985《合金工具钢技术条件》以及GB/T14979-94《钢的共晶碳化物不均均度评定法》的有关规定和标准进行锻造质量检验。
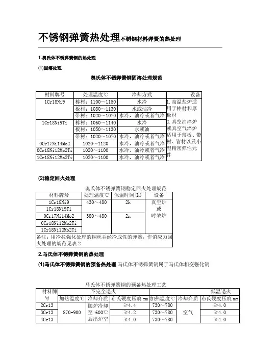
不锈钢弹簧热处理不锈钢材料弹簧的热处理1.奥氏体不锈弹簧钢的热处理 (1)固溶处理奥氏体不锈弹簧钢固溶处理规范材料牌号处理温度℃ 冷却方式 设备 1Cr18Ni9棒材:1100~1150 水冷 1.高温盐炉适用于棒材和厚板材2.真空油淬炉或真空气淬炉适用于薄板、带材、管材以及小型精密弹性元件 板材:1080~1130 水或油冷带材:1020~1070 水冷,油冷或者气冷 1Cr18Ni9Ti 棒材:1060~1140 水冷板材:1050~1130 水或油带材:1020~1070 水冷,油冷或者气冷 0Cr17Ni14Mo2 1020~1120 水冷,油冷或者气冷 0Cr18Ni12Mo2Ti 1020~1100 水冷,油冷或者气冷 1Cr18Ni12Mo2Ti 1020~1100 水冷,油冷或者气冷(2)稳定回火处理奥氏体不锈弹簧钢稳定回火处理规范 材料牌号处理温度℃ 保温时间(h) 设备 1Cr18Ni9 430~480 2h 真空炉或 时效炉 1Cr18Ni9Ti 0Cr17Ni14Mo2 380~480 2n0Cr18Ni12Mo2Ti 1Cr18Ni12Mo2Ti备注:用冷拉强化处理的钢丝并经冷成性的弹簧,作消应力回火处理的规范见表22.马氏体不锈弹簧钢的热处理(1)马氏体不锈弹簧钢的预备热处理 马氏体不锈弹簧钢属于马氏体相变强化钢 马氏体不锈弹簧钢的预备热处理工艺 材料牌号 不完全退火 低温退火加热温度℃ 冷却介质 布氏硬度压痕mm 加热温度℃ 冷却介质 布氏硬度压痕mm2Cr13 870-900 随炉冷却至 600℃后出炉空≥4.4 730~780 空气 ≥4.0 3Cr13 ≥4.2 730~780 ≥4.04Cr13≥4.0 730~780 ≥4.0冷1Cr17Ni2670~690≥3.5(2)马氏体不锈弹簧钢的淬火、回火处理马氏体不锈弹簧钢制成弹簧后的最终热处理是淬火、回火。
常用马氏体不锈弹簧钢的最终热处理工艺材料牌号淬火回火硬度(HRC)加热温度℃冷却介质加热温度℃冷却介质2Cr131000~1040油300~480空气3Cr131000~1040油300~480空气40~463Cr13Mo1020~1060油220~300空气46~504cr131000~1050油320~450空气45~521cr17Ni21000~1020油340~360空气3.沉淀硬化不锈弹簧钢热处理沉淀硬化不锈弹簧钢是通过马氏体相变强化和沉淀析出强化两者综合强化的,所以基本热处理工艺为固溶处理和时效处理。
2019年5月下邵逸馨1,杜志强2(1.沈阳工业泵制造有限公司,辽宁 沈阳 110027;2.沈阳鼓风机集团股份有限公司,辽宁 沈阳 110027)摘 要:文章研究了0Cr13Ni4Mo 不锈钢的热处理工艺,通过对不同回火温度条件下0Cr13Ni4Mo 不锈钢的金相和各个力学性能指标的分析,得出各个热处理工艺对该钢种组织和力学性能的影响,能帮助相关工作人员确定合理的热处理工艺制度。
关键词:0Cr13Ni4Mo 不锈钢;热处理;工艺中图分类号:TG156;TK730.6 文献标志码:A 文章编号:1672-3872(2019)10-0048-01——————————————作者简介: 邵逸馨(1989—),女,辽宁海城人,本科,助理工程师,研究方向:材料科学与工程。
0Cr13Ni4Mo 不锈钢是具有较高强度、韧性和耐腐蚀性的优良钢种,常用来制造重要的泵轴[1]。
泵轴除了保证强度外,还要适应交变载荷和热冲击。
在确定钢的化学成分之后,对其进行热处理,是改变钢的综合性能的重要手段之一[2]。
文章主要研究了0Cr13Ni4Mo 不锈钢在不同热处理方案下的组织和性能及其相互关系,从而获得更加适合企业泵轴的热处理工艺。
1 试验材料和方法1)试验材料。
采用抚顺钢厂的0Cr13Ni4Mo 钢锭,经锻造开坯加工成棒材[3]。
试验所用材料化学成分如表1所示。
2)试验方法及结果。
将0Cr13Ni4Mo 不锈钢锻造钢棒用线切割成30mm×30mm×200mm 的试块,进行调质处理。
本试验的热处理工艺分为7组,具体如表2所示。
0Cr13Ni4Mo 不锈钢经过调质热处理后的回火组织如图1所示。
由图1(a)和图1(b)可知,在550~590℃回火,淬火马氏体组织发生分解,在显微镜下可以看出材料具有明显的板条结构和原奥氏体晶界。
由图1(c)可知,当回火温度进一步升至610℃时,显微镜下材料的板条结构模糊、板条结构发生粗化[4]。
第4章热处理工艺对材料的相及组织的影响4.1固溶温度对6.Fe数量及奥氏体晶粒度的影响4.1.1对6.Fe的影响将试样分别在950℃、1000℃、1050℃及1100℃的盐炉中进行加热,保温40分钟后于空气中冷却,然后经.78℃冷处理及520。
C回火,磨制后的会相试样用氯化铁盐酸水溶液腐蚀剂进行腐蚀,在400倍下观察金相组织,结果表明:无论950℃,还是1100℃固溶处理的试样,均难以发现6.Fe的存在。
这4个温度下处理的试样,只能在个别地方能观察到极少量的6.Fe存在(见图4-1),数量不足1%。
其原因可能是冶炼时成份控制的偏差累积造成的,即扩大r相区合金元素如Ni、Mn等总量偏上限,而缩小r相区的合金元素如Cr、Mo、A1等的总量则偏下限,就可能出现固溶处理后6-Fe量少于成分设计的预定值。
6.Fe的细小分散,不会对钢的强度带来明显影响。
图4-11100*C闺溶处理后存在的6.Fe(箭头所指)Fig.4-lThe6-Feof1100"(2solutiontreatmentr81TOWpoint)堕查堡呈三查兰三堡堡圭兰堡丝兰4.1.2对奥氏体晶粒大小的影响此钢在不同场合下使用时对奥氏体晶粒度的要求应有所区别,如果用于300℃以下时奥氏体晶粒应细小为好;当使用温度为400℃~500℃或更高时,长时间工作的零件会产生蠕变,这时要求奥氏体晶粒应粗大些,且晶粒大小应均匀一致,这是因为晶界在温度较高且长时间受力下工作易产生滑动而导致宏观变形。
通过950。
C、1000℃、1050℃及1100℃×40分钟固溶处理对晶粒大小的观察表明:950℃已开始晶粒不均匀长大,1000℃时很不均匀,大小差别较大(图4—2);1050℃时,小晶粒逐渐消失,晶粒趋于均匀(图4.3),1100℃时基本形成均匀的奥氏体晶粒,大小约为4级,少量为5级。
一般推荐的固溶处理温度为1050℃,晶粒大小为5~6级。
1000℃时则为6~7级。
高合金超高强度钢这类钢主要是从不锈钢发展起来的,合金元素总含量较高,一般在20%以上。
分两种类型:沉淀硬化不锈钢和马氏体时效钢。
2.4.1 沉淀硬化不锈钢这类钢是在18-8型铬镍不锈钢和Cr13型马氏体不锈钢的基础上发展起来的马氏体超高强度钢和奥氏体一马氏体型沉淀硬化超高强度钢。
钢的含碳量较低,而合金元素含量较高,一般为22%~25%。
钢在热处理过程中,通过400~500℃时效处理而产生沉淀强化,获得弥散析出的碳化物及金属间化合物,同时仍保持不锈钢良好的耐蚀性和抗氧化性,具有优良的焊接性能和压力加工性能。
这类材料对冶金质量要求严格,化学成分对性能影响很敏感。
主要用于飞机中薄件结构,承受中温载荷的构件,燃烧箱等,也可用于制造不锈弹簧、高压容器或火箭发动机外壳等。
1. 半奥氏体型沉淀硬化不锈钢这类钢又称奥氏体—马氏体沉淀硬化不锈钢,钢的Ms点较低。
1Cr17Ni7Al(相当于国外的17-7PH钢)是典型的钢种,这类钢在高温固溶处理后冷却到室温时为奥氏体,有较好的塑性,适于加工成型。
经过调整处理和冷处理,或经过冷加工变形,可转变为马氏体组织,获得较高的强度和耐蚀性。
它经510℃左右的时效处理,析出弥散分布的碳化物和Ni3Al 等金属间化合物而提高强度。
由于钢中含铬量大于12%,而抗大气腐蚀性良好。
1Cr12Mn5Ni4Mo3Al钢,是我国研制的一种节镍型的半奥氏体型沉淀硬化不锈钢,和同类的0Cr15Ni17Mo2Al相比,增加了钼代替部分铬,提高了中温强度。
通过增加锰代替部分镍,经济性较好,效果亦较好。
钢的机加工性能较好,冷成型性、焊接性和耐蚀性均较好。
这类钢的缺点是热处理工艺较为复杂,冶炼时钢的化学成分要求较高。
表10-27为沉淀硬化超高强度钢的室温力学性能。
2. 马氏体型沉淀硬化不锈钢这类钢最早是从Cr13型马氏体不锈钢的基础上加入部分强化元素,使之能形成一系列金属间化合物而发展起来的沉淀硬化超高强度不锈钢。
毕业设计(论文)中文摘要毕业设计(论文)外文摘要目录第一章绪论 (4)1.1 冷作模具钢的概述 (4)型冷作模具钢的成分与力学性能 (5)型冷作模具钢的工艺性能 (7)1.2 Cr12型冷作模具钢的应用 (7)1.3 本论文的目的和意义 (8)第二章各种冷作模具钢各种热处理特点 (9)2.1 低变形冷作模具钢及其热处理 (9)锰、铬、钨系冷作模具钢的特性 (9)2.2 高耐磨微变形冷作模具钢及热处理 (10)2.3 高强韧性冷作模具钢及其热处理 (12)降碳高速钢(6W6Mo5Cr4V)的特性 (12)2.4 Cr12常用热处理方法 (15)的退火工艺 (15)的传统淬火工艺 (16)2.5 Cr12冷作模具钢的复合热处理工艺研究 (16)冷作模具钢的成分分析 (17)冷作模具钢复合热处理 (17)第三章热处理工艺对Cr 12钢组织和性能的研究 (19)3.1 实验材料和方法 (19)3.2 实验结果分析 (21)3.3 小结 (22)第四章 Cr12型冷作模具钢的组织与失效关系的分析 (23)4.1 Cr12型冷作模具钢金相组织分析 (23)型冷作模具钢的加工失效分析 (23)4.2 典型冷作模具钢性能与失效关系 (25)冷作模具失效问题探讨 (27)小结 (32)第五章复合热处理与传统工艺的比较 (33)5.1 复合热处理工艺分析 (33)5.2 Cr12传统热处理实验结果的缺点 (34)5.3 Cr12复合热处理实验结果的优点 (34)总结 (36)致谢 (37)参考文献 (39)第一章绪论1.1 冷作模具钢的概述(1)耐磨性冷作模具钢在工作时,表面往往与工件产生强烈的摩擦,模具必须在此情况下保持其尺寸精度和表面粗糙度,防止早期失效。
由于模具材料的硬度和组织是影响耐磨性的主要因素,因此为了提高冷作模具钢的耐磨性,通常要求模具硬度高于加工硬度30%~50%,材料的组织为回火马氏体或贝氏体组织[1],其上面分布均匀,细小粒状碳化物。
超级马氏体不锈钢的热处理工艺优化研究超级马氏体不锈钢是一种具有优异综合性能的新型材料,在航空航天、能源等领域具有广泛的应用前景。
热处理工艺是影响超级马氏体不锈钢性能的重要因素之一。
本文旨在优化超级马氏体不锈钢的热处理工艺,以提高其力学性能和耐腐蚀性。
首先,研究表明,超级马氏体不锈钢的热处理工艺对其力学性能具有显著影响。
适当的固溶温度和固溶时间是确保超级马氏体不锈钢组织均匀、晶粒细小的关键。
通过控制固溶温度和时间,可以有效减少碳化物和硫化物的析出,提高合金的强度和韧性。
此外,在固溶处理过程中,采用快速冷却的淬火工艺,有助于形成更多的马氏体组织,并提高材料的强度和耐蚀性。
其次,针对超级马氏体不锈钢的时效处理,研究发现,适宜的时效温度和时效时间能够进一步提高超级马氏体不锈钢的性能。
在时效处理中,合适的温度可以促进析出相的形成和晶粒长大,从而提高材料的强度和硬度。
同时,适当的时效时间也起到重要作用,过长或过短的时效时间都可能导致析出相的质量下降。
因此,通过优化时效温度和时效时间,可以进一步提高超级马氏体不锈钢的力学性能和耐腐蚀性。
此外,超级马氏体不锈钢的表面处理对其性能也有重要影响。
采用适当的表面处理工艺,可以提高材料的耐磨性、耐腐蚀性和抗疲劳性。
常用的表面处理方法包括机械抛光、化学处理和电解抛光等。
机械抛光能够去除材料表面的粗糙度,提高表面光洁度。
化学处理主要通过酸洗、钝化等方法改变材料表面的化学性质,从而提高其耐腐蚀性。
电解抛光则能够获得更加光滑的表面,并提高材料的机械性能。
因此,合理选择表面处理工艺对超级马氏体不锈钢的性能改进至关重要。
最后,超级马氏体不锈钢的热处理工艺优化还需要考虑经济性和可操作性。
合理控制热处理过程中的参数,包括温度、时间、冷却速率等,能够在保证性能提高的同时,减少能源消耗和生产成本。
此外,热处理工艺的可操作性也是优化过程中需要考虑的因素,通过合理的设备选择和工艺流程设计,可以提高生产效率和稳定性。
第4章热处理工艺对材料的相及组织的影响4.1固溶温度对6.Fe数量及奥氏体晶粒度的影响4.1.1对6.Fe的影响将试样分别在950℃、1000℃、1050℃及1100℃的盐炉中进行加热,保温40分钟后于空气中冷却,然后经.78℃冷处理及520。
C回火,磨制后的会相试样用氯化铁盐酸水溶液腐蚀剂进行腐蚀,在400倍下观察金相组织,结果表明:无论950℃,还是1100℃固溶处理的试样,均难以发现6.Fe的存在。
这4个温度下处理的试样,只能在个别地方能观察到极少量的6.Fe存在(见图4-1),数量不足1%。
其原因可能是冶炼时成份控制的偏差累积造成的,即扩大r相区合金元素如Ni、Mn等总量偏上限,而缩小r相区的合金元素如Cr、Mo、A1等的总量则偏下限,就可能出现固溶处理后6-Fe量少于成分设计的预定值。
6.Fe的细小分散,不会对钢的强度带来明显影响。
图4-11100*C闺溶处理后存在的6.Fe(箭头所指)Fig.4-lThe6-Feof1100"(2solutiontreatmentr81TOWpoint)堕查堡呈三查兰三堡堡圭兰堡丝兰4.1.2对奥氏体晶粒大小的影响此钢在不同场合下使用时对奥氏体晶粒度的要求应有所区别,如果用于300℃以下时奥氏体晶粒应细小为好;当使用温度为400℃~500℃或更高时,长时间工作的零件会产生蠕变,这时要求奥氏体晶粒应粗大些,且晶粒大小应均匀一致,这是因为晶界在温度较高且长时间受力下工作易产生滑动而导致宏观变形。
通过950。
C、1000℃、1050℃及1100℃×40分钟固溶处理对晶粒大小的观察表明:950℃已开始晶粒不均匀长大,1000℃时很不均匀,大小差别较大(图4—2);1050℃时,小晶粒逐渐消失,晶粒趋于均匀(图4.3),1100℃时基本形成均匀的奥氏体晶粒,大小约为4级,少量为5级。
一般推荐的固溶处理温度为1050℃,晶粒大小为5~6级。
1000℃时则为6~7级。
热处理是一种用热能改变材料物理性质的工艺方法。
0cr13ni5mo是一种不锈钢材料,热处理工艺可以显著改善材料的性能,提高其硬度、耐腐蚀性和磨损性。
下面我们将详细介绍0cr13ni5mo不锈钢热处理工艺的相关内容。
一、0cr13ni5mo不锈钢材料的特点0cr13ni5mo不锈钢是一种低碳含量的铬镍不锈钢,具有良好的耐腐蚀性、耐磨性和耐高温性。
其化学成分包括:碳C≤0.08、硅Si≤1.00、锰Mn≤2.00、磷P≤0.045、硫S≤0.030、铬Cr:12.0-14.0、镍Ni:4.0-6.0、钼Mo:2.0-3.0。
由于其合金成分的特殊性,0cr13ni5mo 不锈钢材料在热处理后可以获得更优异的性能,因此热处理工艺非常重要。
二、0cr13ni5mo不锈钢的热处理工艺1. 固溶处理固溶处理是不锈钢热处理的第一步。
材料在固溶处理中加热至固溶温度,保持一定时间后再迅速冷却。
对于0cr13ni5mo不锈钢来说,固溶温度一般在1050-1100°C之间,保温时间取决于材料的具体规格和要求。
固溶处理的目的是将材料中的合金元素和碳元素溶解在基体中,从而形成均匀的固溶体组织。
2. 淬火处理在固溶处理后,不锈钢材料需要进行淬火处理。
淬火温度一般在950-1000°C之间,保温时间和淬火介质的选择都会影响不锈钢材料的硬度和耐磨性。
淬火处理可以让固溶后的不锈钢材料获得更高的硬度和耐磨性,提高其使用寿命。
3. 回火处理回火处理是不锈钢热处理的最后一步。
回火温度和时间会影响不锈钢材料的强度和韧性。
对于0cr13ni5mo不锈钢材料来说,回火温度一般在700-750°C之间,保温时间适当延长可以提高材料的韧性和抗拉伸性能。
三、热处理后的0cr13ni5mo不锈钢材料性能经过上述热处理工艺后,0cr13ni5mo不锈钢材料可以获得更优异的性能。
其硬度、耐磨性和耐腐蚀性都得到显著提升,使得材料在工程领域得到广泛应用。
航天行业标准不锈钢弹性挡圈和垫圈的生产试制——从制定标准到提供标准化产品的有益尝试刘洪源;李玉坤;林海燕;温楠【摘要】不锈钢材料0Cr12Mn5Ni4Mo3Al(俗称69111)的弹性挡圈、垫圈不需电镀,可有效避免氢脆现象,是65Mn的替代产品,但69111必须通过控制相变实现强化,给批产带来困难.文章结合不锈钢弹性挡圈、弹性垫圈和锁紧垫圈航天行业标准制定,阐述产品批生产试制过程中技术攻关与工艺定型、产品鉴定与数据评估的简要过程.【期刊名称】《航天标准化》【年(卷),期】2018(000)002【总页数】4页(P12-14,18)【关键词】不锈钢弹性垫圈;紧固件标准化;紧固件试制【作者】刘洪源;李玉坤;林海燕;温楠【作者单位】航天标准化与产品保证研究院,北京,100071;上海航天技术研究院,上海,201109;航天标准化与产品保证研究院,北京,100071;航天标准化与产品保证研究院,北京,100071【正文语种】中文弹性挡圈用于轴类零件的止动,弹性垫圈和锁紧垫圈用于螺纹连接的防松。
弹性挡圈、弹性垫圈和锁紧垫圈以其较好的防松作用不仅被用于航天电子设备,也被用于航天姿控发动机等动力系统的产品上。
目前,航天产品大量使用的弹性防松连接件主要包括弹性挡圈、钢丝挡圈、鞍型/波形弹性垫圈、锯齿弹性垫圈等9个大类的产品(见表1)。
以往这些产品都是用高强度的弹簧钢(65Mn)制造,由于航天产品不仅要求这些防松零件具有良好的弹性、韧性,还要具有良好的耐腐蚀性能。
而65Mn在大气环境中容易被腐蚀,因此为了提高弹簧钢制成的弹性件的耐腐蚀性能,通常是采用传统的电镀工艺。
但高强度的弹性件经电镀后很容易出现氢脆断裂,用一般的除氢工艺很难将氢去除干净。
由于氢脆断裂具有延迟性,往往是检测合格的产品在使用过程中仍然会发生脆性断裂,不仅会造成连接失效,还会产生多余物,危及航天产品的安全,甚至带来灾难性的后果。
为了彻底解决电镀弹性挡圈、弹性垫圈和锁紧垫圈的氢脆问题,2005年航天行业制定了不锈钢弹性挡圈、弹性垫圈和锁紧垫圈的系列标准,即QJ3244—2005《不锈钢弹性挡圈通用规范》、QJ3245.1~3245.5—2005《不锈钢弹性挡圈》、QJ3246—2005《不锈钢弹性垫圈和锁紧垫圈通用规范》和QJ3247.1~3247.4—2005《不锈钢弹性垫圈和锁紧垫圈》。
第4章热处理工艺对材料的相及组织的影响4.1固溶温度对6.Fe数量及奥氏体晶粒度的影响4.1.1对6.Fe的影响将试样分别在950℃、1000℃、1050℃及1100℃的盐炉中进行加热,保温40分钟后于空气中冷却,然后经.78℃冷处理及520。
C回火,磨制后的会相试样用氯化铁盐酸水溶液腐蚀剂进行腐蚀,在400倍下观察金相组织,结果表明:无论950℃,还是1100℃固溶处理的试样,均难以发现6.Fe的存在。
这4个温度下处理的试样,只能在个别地方能观察到极少量的6.Fe存在(见图4-1),数量不足1%。
其原因可能是冶炼时成份控制的偏差累积造成的,即扩大r相区合金元素如Ni、Mn等总量偏上限,而缩小r相区的合金元素如Cr、Mo、A1等的总量则偏下限,就可能出现固溶处理后6-Fe量少于成分设计的预定值。
6.Fe的细小分散,不会对钢的强度带来明显影响。
图4-11100*C闺溶处理后存在的6.Fe(箭头所指)Fig.4-lThe6-Feof1100"(2solutiontreatmentr81TOWpoint)堕查堡呈三查兰三堡堡圭兰堡丝兰4.1.2对奥氏体晶粒大小的影响此钢在不同场合下使用时对奥氏体晶粒度的要求应有所区别,如果用于300℃以下时奥氏体晶粒应细小为好;当使用温度为400℃~500℃或更高时,长时间工作的零件会产生蠕变,这时要求奥氏体晶粒应粗大些,且晶粒大小应均匀一致,这是因为晶界在温度较高且长时间受力下工作易产生滑动而导致宏观变形。
通过950。
C、1000℃、1050℃及1100℃×40分钟固溶处理对晶粒大小的观察表明:950℃已开始晶粒不均匀长大,1000℃时很不均匀,大小差别较大(图4—2);1050℃时,小晶粒逐渐消失,晶粒趋于均匀(图4.3),1100℃时基本形成均匀的奥氏体晶粒,大小约为4级,少量为5级。
一般推荐的固溶处理温度为1050℃,晶粒大小为5~6级。
1000℃时则为6~7级。
图401000。
C固溶处理对奥氏体晶粒度大小的影响Fig.4-2Theinfluenceof1000*CsolutionollthesizeofAusteniticgraindegree图4-31050。
C吲溶处理对奥氏体晶粒度大小的影响Fig.4-3Theinfluenceof1050"Csolution0nthesizeofAusteniticgraindegree4.2不同冷处理温度对马氏体转变量的影响冷处理是0Crl2Mn5Ni4M03Al钢重要的处理工艺,因为该钢的M;点略低于0℃,室温下为100%奥氏体加极少量6一Fe(CI—Fe)。
而Me点为.90。
C,一般推荐冷处理的温度为.78℃,不能使奥氏体完全发生转变,而有很少量的残留。
x.射线半定量为8.5%。
图4-4为经1000℃×40分钟固溶处理、一78。
C×4小时冷处理及520℃×2小时时效处理后的会相组织相片。
图4.5为经1050℃×40分钟固溶处理、.78℃×4小时冷处理及520℃×2小时时效处理后的金相组织相片。
图4-6为经1100℃×40分钟固溶处理、一78℃×4小时冷处理及520℃×2小时时效处理后的金相组织相片。
从图4-4金相照片可以看出,马氏体比较细小,残余奥氏体呈小块状;从图4—5金相照片可以看出,马氏体片较图4-4粗大,残余奥氏体块也较大,足以构成软点;从图4-6会相照片可以看出,马氏体更粗大些,残余奥氏体量也更多,并呈串状。
三者残余奥氏体量虽然总量小多(约3%~5%,金相法估计),但固溶温度低者少,反之则较多,图4.41000。
C崮溶处理经一784C冷处理(520x2小时时效)后对残余奥氏体的影响Fig.4-4Theinfluenceof1000"CsolutiontreatmentOBtheremainingAusteniticof·78"Ccoldtreatmenttemperature图4—51050。
|C吲溶处理经.78℃冷处理(520x2小时时效)后对残余奥氏体的影响Fig.4·5Theinfluenceofl050"CsolutiontreatmentontheremainingAusteniticof-78。
Ccoldtreatmenttemperature图4-6】】oo℃同溶处理经-78℃冷处理(520x2小时时效)后对残余奥氏体的影响Fig.4-6Theinfluenceofll00"CsolutiontreatmentontheremamingAustenitieof·78"Ccoldtreatmenttcmperature图4—7-40℃冷处理对残余奥氏体的影响(1050℃×40Min)Fig.4—7Theinfluenceof-40"CcoldtreatmentonremainingAustenitic哈尔滨理丁大学工程硕士学位论文图4-8.20℃冷处理对残余奥氏体的影响(1050"CX40Min)Fig,4-8Theinfluenceof一20"CcoldtreatmentonremainingAustenitic形貌呈块状,不及分散分布者优越。
图4.7为固溶处理温度1050℃经一40℃冷处理后的金相照片,图4-8为吲溶处理温度1050℃经.20℃冷处理后的金相照片,由图4,7、图4.8与图4-4、图4.5、图4-6相比,可见.40℃和.20℃冷处理后残余奥氏体较多,块大且连成片,这将导致软硬不均。
因而为保证整体各部位性能均匀一致,宜采用-78℃冷处理。
如欲获得不同的强度和硬度时,只宜通过采用不同的时效温度来调整,不宜采用不同的冷处理温度来得到。
4.3时效温度对金相组织的影响本试验采用了5个时效温度,即430℃、480℃、520℃、560℃及590℃。
会相观察表明,经1050℃×40分钟固溶处理及.78。
C×4小时冷处理后,不同温度时效后的令相组织看不出明显差别,图4-9系经520℃时效后的会相照图4-9520"C时效后的金相组织(1050"C×40min『占|溶+.78"C×4h冷处理)Fig.4-9Metallographyorganizationof520"Cageingtemperature图4.10590"C时效后的金相组织(10500C×40min固溶+-78"C×4h冷处理)Fig.4-10Metallographyorganizationof590"Cageing6.1微观组织分析第6章微观分析从图4.9、图4.10金相照片可以看出,不同时效温度处理后金相组织看不出明显差别,为此,进行了透射电镜观察。
将1050℃X40分钟+.78℃×4小时+不同温度时效的3种(480℃、520℃及590℃时效)试样截取薄膜,做成薄膜透射试样,在TEM下进行观察。
结果指出,基本组织均为板条状马氏体及残余奥氏体组成。
马氏体成板条状且变形后残余奥氏体就在两板条成薄片存在,由于马氏体切变时体积尺寸增加,不仅本身受压,就是残留的奥氏体也受到压力,因而不仅马氏体具有较高的位错密度,残余的奥氏体也有较高的位错密度,在时效过程中攀移成层错(图6.1)。
这只在少数区域才能看到。
此外也有成块状的。
图6-l1050"C固溶处理加冷处理及时效后基体的TEM照片(箭头所指为残余奥氏体)Fig.6-1TheTEMphotoofagedbodywith1050"Csolutionandcoldtreatment(arrowpointremainingAustenitie)哈尔滨理丁大学工程硕士学位论文当不同温度时效时马氏体中要沉淀析出金属间化合物NiAl,使硬度由HRC41上升至HRC48~50。
480℃×2小时的时效时硬度接近峰值,TEM观察指出,此时尚未观察到明显的第二相沉淀析出。
只在马氏体的亚晶块的亚晶界上看到有少许的析出物。
硬度的提高依赖于时效过程的GPII区,放大6万倍难以观察到他的存在(图6—2)。
在520℃×2小时时效后则可观察到明显的第二相析出物,他们优先在亚晶界上形核和长大,同时在高密度位错缠结区内也同时沉淀析出,颗粒尺寸已达0.015II,放大至6万倍时也已能明显判别(图6.3)。
当时效温度提高至590℃X2小时时,第二组沉淀物已粗化聚集在亚晶界上,只有少量高密度位错缠结区的析出物尚未完全聚集长大(图6.4),此时的硬度己下降至HRC40以下,亚晶长大,位错大部分消失,部分攀移城墙,明显处于严重过时效阶段。
图6-24809C时效处理的TEM照片TheTEMphotoof480"CagedtreatmentFig.6—2为了对比还观察了1100℃及1000℃固溶处理加一78℃×4小时冷处理时效处理的试样。
与1050℃固溶处理加冷处理加520℃时效者相比,l100℃处理者,第二相沉淀析出物增多、尺寸变大。
这是因为固溶处理温度提高后奥氏体哈尔滨理丁大学工程硕士学位论文图6-3520"12时效处理的TEM照片Fig.6—3TheTEMphotoof520"Cagedtreatment图6.4590"C时效处理的TEM照片Fig,.6-4TheTEMphotoof590"Cagedtreatment晶粒尺寸增大,合金化更充分,成份更均匀,因而时效倾向也更大,故相同时哈尔滨理丁大学工程硕士学位论文效条件下,析出物更多、尺寸粗化(图6.5)。
与图6—5相反,1000℃固溶者因温度低,奥氏体晶粒小,合金化欠充分,时效倾向变小,因而相同时效条件下较1050℃固溶处理者第二相析出物更细小弥散(见图6-6)。
由TEM观察可知,第二相金属间化合物NiAI析出物的部位、尺寸大小与弥散度不仅与时效温度有关,而且还与固溶温度有关。
因而欲获得最佳的性能,不仅要考虑时效温度还应考虑固溶温度,使固溶温度与时效温度良好的配合才能获得最佳的处理效果,即优良的力学性能。
由于6.Fe含量不多,透射电镜下难以找到,图6—7为其在TEM下的形貌,一个大的晶块系由隐约可见的许多亚晶组成。
在加热、冷却、加热过程中,位错沿亚晶界攀移成尺寸较宽的位错墙。
这些位错墙又被6.Fe中存在的异类合金元素或杂质原子所钉扎,增加了衍射衬度,故明显可见。
这些位错墙不仅存在于亚晶界,亚晶内也同时存在(见图6.7)。
图6-51100"(2固溶加冷处理加520"C时效处理的TEM照片Fig.6-5TheTEMphotoof1100。
Csolutiontreatmentandcoldtreatmentand520℃agedtreatment哈尔滨理丁大学工程硕士学位论文图6-61000"C固溶加冷处理加5206C时效处理的TEM照片Fig.6-6TheTEMphotoofl000℃solutiontreatmentandcoldtreatmentand520℃agedtreatment图6.76.Fe的TEM的形貌(520℃时效处理)Fig.6-7TheTEMphotoof6-Fe(520。