垒球考核内容及标准:
- 格式:doc
- 大小:39.50 KB
- 文档页数:2
棒垒球教学考核标准棒垒球教学考核标准棒垒球是一项集技术、策略和团队合作于一体的运动,其教学考核标准也是一个综合评价学生的身体素质、技术水平和团队协作能力的过程。
以下是棒垒球教学考核标准的几个方面:一、身体素质身体素质是一个学生能否完整地参与棒垒球运动的基础条件。
在身体素质方面,考核标准主要包括以下几点:1.体能水平:学生的体能水平可以通过跑动、灵活性和爆发力等方面来评价。
2.协调性:学生需要具备良好的身体协调性,包括手眼协调和身体协调,才能更好地进行击球和接球等技术动作。
3.柔韧性:学生的柔韧性也是一个重要因素,身体柔韧的学生更容易进行各种技术动作。
二、基本技术基本技术是学生参与棒垒球运动的基本要求,包括击球、接球和跑垒等技术。
在基本技术方面,考核标准主要包括以下几点:1.击球:学生需要学会正确地使用球棒进行击球,击球的力度、方向和角度等都需要得到准确评价。
2.接球:学生需要学会接住对方击出的球,包括高空球、地面球和滚地球等不同类型的球,对接球的姿势和手法等进行评价。
3.跑垒:学生需要学会正确地进行跑垒,包括快速起跑、回垒和抢垒等技术动作的评价。
三、战术意识战术意识是学生在比赛中具备判断局势、制定战术和进行团队协作的能力。
在战术意识方面,考核标准主要包括以下几点:1.判断局势:学生在比赛中需要学会准确地判断局势,包括对方击球的方向和力度等,从而采取正确的防守措施。
2.制定战术:学生需要学会针对不同的局势制定相应的战术,包括攻击战术和防守战术等。
3.团队协作:学生需要学会与队友进行有效的团队协作,包括传球、配合和交流等,以提高整个队伍的战斗力。
总结起来,棒垒球教学考核标准主要包括身体素质、基本技术和战术意识等方面。
通过对学生在每个方面表现的评估,可以综合评价学生的整体能力,并提出相应的改进建议,以便学生能够不断地提升自己在棒垒球运动中的水平。
同时,教师还应根据学生的实际情况和特点,制订个性化的教学计划和评估标准,以帮助他们更好地发展和进步。
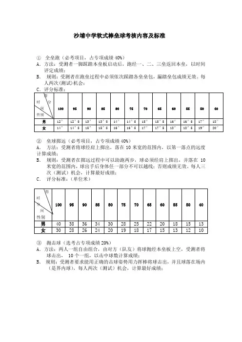
沙埔中学软式棒垒球查核内容及标准①全垒跑(必考项目,占专项成绩40%)A.方法:受测者一脚践踏本垒板启动后,跑经一、二、三垒返回本垒,以时间评定成绩;B.规则:受测者在跑垒过程中一定挨次践踏各垒垒包,漏踏垒包成绩无效。
每人两次 ( 测试 ) 时机;C.评分标准:得时分间100 95 90 85 80 75 70 65 60 55 50 40 性别男12″12″ 5 13″13″ 5 14″14 ″5 15″15″ 5 16″16″ 5 17″18″女14″14″ 5 15″15″ 5 16″16 ″5 17″17″ 5 18″18″ 5 19″20″②垒球掷远(必考项目,占专项成绩40%)A.方法:受测者将球经肩上掷出,落在 10 米宽的范围内,以第一落点的远度计算成绩;B.规则:受测者在掷远过程中能够助跑两步,球一定经肩上掷出,并落在10 米宽的范围内,球出手后身体任一部分不能够越线;不然成绩无效。
每人三次(测试)时机,计算最好成绩;C.评分标准:(单位米)得时分100 95 90 85 80 75 70 65 60 55 50 40 间性别男40 38 36 34 30 28 25 22 20 18 15 13女30 28 26 24 20 19 18 17 15 13 12 10③抛击球(选考占专项成绩20%)A.方法:两人一组自由组合,由对方(队友)将球抛经本垒板上空,受测者将球击出, 10 个一组,以击中球数计算成绩;B.规则:受测者要求能用正确的击球姿势使劲挥棒将球击出,而且球落在场内(是界内球),每人两次(测试)时机,计算最好成绩;C.评分标准:得时分100 95 90 80 70 60 50 40间性别男10 9 8 7 6 5 4 3女10 9 8 7 6 5 4 3④接教练棒传一垒(选考占专项成绩20%)A.方法:由教师打出教练棒,受测者接球后将球传杀一垒,10 个球一组,以传球正确数计算成绩;B.规则:受测者要求能用正确的接球动作接球并将球传出,每人两次(测试) 时机,计算最好成绩;C.评分标准:得时分间100 95 90 80 70 60 50 40性别男10 9 8 7 6 5 4 3女10 9 8 7 6 5 4 3⑤垒间传接球或抛击球技评(选考占专项成绩20%)A.方法: a 垒间传接球: ( 受测者 ) 在接手地点挨次将球传经一垒、二垒、三垒,最后传回本垒;b抛击球:由教师抛球,受测者用正确的击球动作挥棒击球;B.规则: a 受测者传接球动作协调合理,传球到位;b 受测者挥棒动作协调合理,击球有力;每人两次 ( 测试 ) 时机,计算最好成绩;C.评分标准:以优( 85 分以上)、良( 70~84分)、及格( 60~69 分)进行评定;垒间传接球达优异者一定能在接手地点直接传杀二垒;抛击球达优异者起码能击出五个以上的外场球;。
软式棒垒球课程学生运动能力标准1范围本文件规定了软式棒垒球课程学生运动能力的评价内容与达标要求、各等级评价的场地器材要求、受测者测试要求、测评员评价要求及合格要求。
本文件适用于小学、初中、高中、大学学段学生软式棒垒球课程运动能力的评价。
2规范性引用文件本文件没有规范性引用文件。
3术语和定义下列术语和定义适用于本文件。
3.1地滚球ground ball击出后沿地面滚动的球。
3.2击球区batter's box击球员试图通过击球帮助进攻队得分时必须站立的区域,位于本垒两侧,长2.13 m、宽0.91 m的两个矩形区域。
3.3固定球the fixed ball放在击球座上的球。
3.4移动球the moving ball投手、发球机投向本垒板及其好球板的球。
3.5慢投垒球slow pitch softball限制投手掷出球的飞行弧线最高点(1.8m~3.6m),投球速度较慢,攻队通过击打移动球、跑垒得分,守队通过接球、传球等技、战术阻止进攻,两队轮流攻守的球类运动。
3.6平直球line drive进入比赛场地快而平的飞行球。
4评价内容与达标要求1软式棒垒球课程学生运动能力评价内容与达标要求应符合表1的规定。
表1软式棒垒球课程学生运动能力评价内容与达标要求等级评价内容达标要求一级单个技能接地滚球≥7次4项均合格为达标抛传球≥7次组合技能接地滚球—下手抛球≥7次比赛软式棒垒球(Tee-ball)比赛个人总分≥3分4个及以上观测点应达到合格要求二级单个技能肩上传球≥7次4项均合格为达标击打固定球≥8次组合技能接地滚球—肩上传球男≥7次、女≥6次比赛软式棒垒球(Tee-ball)比赛个人总分≥3分4个及以上观测点应达到合格要求三级单个技能击打固定球男≥25 m、女≥15 m4项均合格为达标接高飞球男≥7次、女≥5次组合技能击打固定球—跑一垒男≥7次、女≥6次比赛软式棒垒球(Tee-ball)比赛个人总分≥3分4个及以上观测点应达到合格要求四级单个技能击打移动球≥7次4项均合格为达标掷远男≥30 m、女≥18 m组合技能击打移动球—安打跑≥3次比赛慢投垒球比赛个人总分≥4分4个及以上观测点应达到合格要求五级单个技能击打移动球男≥35 m、女≥20 m4项均合格为达标传平直球男≥7次、女≥6次组合技能接地滚球—肩上传平直球男≥7次、女≥5次比赛慢投垒球比赛个人总分≥4分4个及以上观测点应达到合格要求六级单个技能击打移动球男≥7次、女≥5次4项均合格为达标传平直球男≥7次、女≥6次组合技能接地滚球—肩上传平直球男≥7次、女≥5次比赛慢投垒球比赛个人总分≥4分4个及以上观测点应达到合格要求235各等级运动能力测评5.1运动能力一级5.1.1接地滚球5.1.1.1场地器材要求接地滚球场地器材要求如下:a)场地:一块半径为30 m 的直角扇形,垒间距为13 m;b)器材:软式棒垒球10个(ø=85 mm、材质:聚氨酯PU、质量:75 g±5 g),发球机1台。
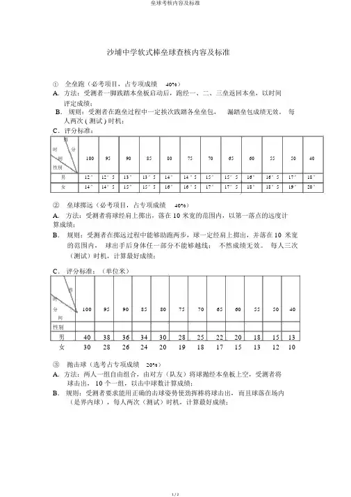
沙埔中学软式棒垒球考核内容及标准①全垒跑(必考项目,占专项成绩40%)A.方法:受测者一脚踩踏本垒板启动后,跑经一、二、三垒返回本垒,以时间评定成绩;B.规则:受测者在跑垒过程中必须依次踩踏各垒垒包,漏踏垒包成绩无效。
每人两次(测试)机会;②垒球掷远(必考项目,占专项成绩40%)A.方法:受测者将球经肩上掷出,落在10米宽的范围内,以第一落点的远度计算成绩;B.规则:受测者在掷远过程中可以助跑两步,球必须经肩上掷出,并落在10米宽的范围内,球出手后身体任一部分不可以越线;否则成绩无效。
每人三次(测试)机会,计算最好成绩;C.评分标准:(单位米)③抛击球(选考占专项成绩20%)A.方法:两人一组自由组合,由对方(队友)将球抛经本垒板上空,受测者将球击出, 10个一组,以击中球数计算成绩;B.规则:受测者要求能用正确的击球姿势用力挥棒将球击出,并且球落在场内(是界内球),每人两次(测试)机会,计算最好成绩;④接教练棒传一垒(选考占专项成绩20%)A.方法:由教师打出教练棒,受测者接球后将球传杀一垒,10个球一组,以传球准确数计算成绩;B.规则:受测者要求能用正确的接球动作接球并将球传出,每人两次(测试)机会,计算最好成绩;C.评分标准:⑤垒间传接球或抛击球技评(选考占专项成绩20%)A.方法:a 垒间传接球:(受测者)在接手位置依次将球传经一垒、二垒、三垒,最后传回本垒;b 抛击球:由教师抛球,受测者用正确的击球动作挥棒击球;B.规则:a 受测者传接球动作协调合理,传球到位;b 受测者挥棒动作协调合理,击球有力;每人两次(测试)机会,计算最好成绩;C.评分标准:以优(85分以上)、良(70~84分)、及格(60~69分)进行评定;垒间传接球达优秀者必须能在接手位置直接传杀二垒;抛击球达优秀者至少能击出五个以上的外场球;。
2011年甘肃省普通高校高水平足球专项考试测试内容和评分标准(一)考试内容(100分)第一部分:专项素质(20%)1. 30米加速跑(10分)2. 5×25米折返跑(10分)第二部分:专项技术(80%)1. 多部位颠球 (10分)2. 定位球传准 (20分)3. 运球绕杆射门 (20分)4. 比赛能力测试 (30分)(二)考试方法与评分标准第一部分:专项素质(20%)1. 30米加速跑(10分)(1)场地设备:30M直线跑道。
(2)测试方法:受测者在起点位置采用站立式起跑,受测者须穿平底或胶钉鞋,每人测试两次,以最佳成绩计算。
(3) 测试仪器:秒表(手计时)(4)评分标准:详见下表2. 5×25米折返跑(10分)第二部分:专项技术(80%)1.颠球 (10分)(1)测试方法(3)传准技评(5分)(5)运射技评(10分)4.比赛能力测试 (30分)(1)测试方法根据报考位置分队,每人不少于30分钟的11人制比赛。
(2) 基本分(30分)——基本技术应用(10分)——比赛对抗能力(10分)——位置技术把握能力(10分)(三)守门员测试方法守门员测试其中1. 30米加速跑(10分)2. 5×25米折返跑(10分)3. 多部位颠球 (10分)4. 定位球传准 (20分)5. 比赛能力测试 (30分)6. 守门员技术(20分)守门员技术包括以下两个项目:(1)手抛球技术(10分)(2)高球控制及扑地面球能力(10分)软式垒球一、传球——肩上传球1、握球(以三指握球法为例)两指放在球体的上部,两指分开约一指宽,球放食指和中指的指跟。
拇指在球体的下方,位置对准食指与中指中间。
无名指与小指于球体侧下方,自然屈指扶持球体。
注意:握球要放松。
不要握的太紧太死;不要完全握在掌心;不要贴紧虎口,要留有空隙。
2、准备姿势侧面对传球目标站立,两脚分展如肩宽,双膝微屈,脚尖内扣。
双眼正视传球目标,双手持球,置于胸前。
二年级投掷垒球评分标准范文模板及概述1. 引言1.1 概述二年级投掷垒球评分标准是指用于对二年级学生进行投掷垒球技能评估的一套指标和准则。
通过制定明确的评分标准,可以客观地衡量学生在投掷垒球方面的表现,并为他们提供有针对性的指导和改进建议。
本文旨在介绍二年级投掷垒球评分标准的背景、要点及其重要性,并提供范文模板以便教师和教育工作者参考。
1.2 文章结构本文将按照以下结构展开论述:首先,介绍二年级投掷垒球评分标准的背景和目的;其次,详细说明投掷垒球时需要注意的要点;然后,解释确定评分标准的重要性;最后,给出范文模板示例。
最后,在概述部分总结评分标准的重要性和影响,并提供对二年级学生进行评分时需注意的事项以及推广和应用该评分标准的建议。
1.3 目的本文主要目的有三:首先是向读者介绍二年级投掷垒球评分标准并理解其背景及制定目的;其次是详细阐述投掷垒球的要点,帮助读者全面了解这项技能;最后,提供范文模板以供读者参考,在实际应用中能够准确评估学生的投掷垒球水平。
通过本文的阐述,读者将会获得对二年级投掷垒球评分标准进行深入理解,并能够灵活运用于教学实践中,从而更好地促进学生的发展与成长。
2. 二年级投掷垒球评分标准:2.1 背景介绍:在体育教育中,垒球是一项常见而受欢迎的运动项目。
投掷垒球是垒球比赛中最基础且重要的技能之一,因此需要制定相应的评分标准来对二年级学生进行评估和指导。
2.2 投掷垒球的要点:投掷垒球涉及到多个关键要点,包括身体姿势、手臂动作、投掷力量和准确性等。
二年级学生应该学会正确站立、保持平衡,并在投掷过程中利用全身力量进行推动。
同时,他们还需要了解如何使用手臂和手腕来施加力量,并注意投球的方向与高度。
2.3 确定评分标准的重要性:确定二年级投掷垒球评分标准对于教师和学生都非常重要。
首先,评分标准可以提供对学生表现的客观衡量,帮助教师发现学生存在的问题并给予相应指导。
同时,明确的评分标准也有助于学生了解自己的水平和进步,并激发他们对垒球运动的兴趣和积极参与。
垒球项目初级教练员专项技能考核标准与评定方法一、投球技术教学考核标准(总分10分)(一)投球距离及好坏球讲解(1分);(二)投手握球方法讲解与示范(1分);(三)绕环投球和跳投方法讲解与示范(2分);(四)直线快速球、变速球、上升球、下坠球、正曲球、反曲球的投球技术讲解与动作示范;任意选择三个球种,每一个球种讲解正确1分,示范投球3颗中有1颗投出对应球路得1分(共6分)。
二、进攻技术教学考核标准(总分30分)(一)挥击技术教学讲解1.挥击握棒手法讲解与示范(1分);2.准备姿势及站立位置讲解与示范;①站立位置选取方法正确(1分)②平行式站立准备姿势讲解及示范正确(1分)③开放式站立准备姿势讲解及示范正确(1分)④封闭式站立准备姿势讲解及示范正确(1分)3.挥击动作和节奏的讲解;①挥击动作讲解及示范正确(无球空挥)(3分)②有球挥击动作实践一,击打T座球,共3颗球,将其中任意一颗球直接击打到距离T座两米的规格为2M*2M的挡网者(1分,挥棒不中、击球后,球落地后反弹上网、击球后直接飞出挡网区域都视为不成功击球)②有球挥击动作实践二,击打机器或同伴或考官投出的直线球,3颗球中有任意一颗打成界内球者(1分)(二)触击球技能教学1.触击球的技术讲解和示范(1分);2.触击实践,现场考官进行投球(或机器发球),共3球,考生将其中任意一球以触击姿态将球击打到界内有效区者(1分)3.假触真打的技术讲解和示范(1分);4.假触真打实践,现场考官进行投球(或机器发球),共3球,考生将其中任意一球用假触真打方式将球击打到界内有效区者(1分)5.假打真触的技术讲解和示范(1分);6.假打真触实践,现场考官进行投球(或机器发球),共3球,考生将其中任意一球以假打真触将球击打到界内有效区者(1分)7.拖打的技术讲解和示范(2分);8.拖打实践,现场考官进行投球(或机器发球),共3球,考生将其中任意一球以拖打方式将球击打到界内有效区者(2分)(三)跑垒技术教学1.内场地滚球时跑一垒技术讲解与示范(1分);2.击出安打时跑一垒技术讲解与示范(1分);3.滑垒技术讲解与示范(2分);4.扑垒技术讲解与示范(2分);5.连续进垒技术讲解与示范(1分);6.高飞球局面一垒跑者跑垒技术讲解与示范(1分);7.高飞球局面二垒跑者跑垒技术讲解与示范(1分);8.高飞球局面三垒跑者跑垒技术讲解与示范(1分);三、防守技术教学考核标准(总分20分)(一)接球技术教学1.无手套接胸前来球技术讲解和示范(1分);2.无手套接胸前来球实践,现场考官进行抛球,共3球,考生成功接住任意一球(1分);3.无手套接高空来球技术讲解和示范(1分);4.无手套接高空来球实践,现场考官进行抛球,共3球,考生成功接住任意一球(1分);5.无手套接地滚球技术讲解和示范(1分);6.无手套接地滚球实践,现场考官进行抛球,共3球,考生成功接住任意一球(1分);7.戴手套接胸前来球技术讲解和示范(1分);8.戴手套接胸前来球实践,现场考官进行传球,共3球,考生成功接住任意一球(1分);9.戴手套接高空来球技术讲解和示范(1分);10.戴手套接高空来球实践,在中外场位置准备接球,现场考官打出3颗高飞球,考生成功接住任意一球(1分);11.戴手套接地滚球技术讲解和示范(1分);12.戴手套接地滚球实践,在游击位置准备接球,现场考官打出3颗地滚球,考生成功接住任意一球(1分);(二)传球技术教学1.传球技术讲解及示范(3分)2.传球实践,每人3颗球掷远,取最远一颗球的传球距离计算①传球距离超过25米(1分)②传球距离超过30米(2分)③传球距离超过35米(3分)④传球距离超过40米(4分)⑤传球距离超过45米(5分)四、击打教练棒能力考核标准(总分20分)(一)教练棒打远考核考核方式与标准:教练员向中外场方向击打垒球,以球落地的点为标准计算击打距离。
垒球比赛规则了解比赛中的各种判罚和规定垒球是一项受欢迎的运动,它以团队合作和竞技性见长。
了解垒球比赛的规则和判罚是参与比赛的关键。
本文将为您介绍垒球比赛的基本规则,包括比赛开始前的准备工作、比赛中的各种判罚和规定以及比赛结束后的总结。
一、赛前准备在垒球比赛开始之前,各队需要做好以下准备工作:1. 球场设施:球场应该符合垒球比赛的标准,包括合适大小的场地、安全的垒球垒、投手丘及一定的防护设施。
2. 比赛器材:每支队伍需要准备足够数量的垒球棒、垒球和手套等器材,确保比赛的进行。
3. 团队编排:每支队伍需要确定球员在场上的位置和打击顺序,并由队长与裁判交流确认。
二、比赛中的判罚和规定在垒球比赛中,有许多判罚和规定需要遵守。
这些判罚和规定旨在确保比赛的公平性和顺利进行。
1. 发球在比赛开始和换投手的时候,投球手需要将球投向击球区,且球必须在两个标志垂直线之间的空间内投出。
如果球在规定区域外或者投手过早开始投球,则会被判罚为不好的发球。
2. 击球击球手必须站在击球区内,并在击球之前保持与垒球的接触。
击球手可以选择击打投手投出的球,如果击球手没有击打到球或者击打的球在规定区域外,则判罚为三振。
3. 基垒判定当击球手击球成功后,他必须尽快离开击球区,并尝试到达下一个垒。
如果防守方将球传到下一个垒而击球手未能及时到达,则判罚为出局。
4. 守垒投手防守方也有一些规定需要遵守。
守垒投手必须站在投手丘上,并在投手举手信号后才能投球。
投手要遵守规定的投球动作,并在投球时保持与垒球的接触。
5. 违例和判罚除了以上的规定之外,还有一些可能会导致违例和判罚的情况,比如防守方的犯规、击球手的违例行为等。
裁判会根据比赛规则进行相应的判罚,确保比赛的公正性。
三、比赛结束后的总结当比赛时间到达规定的局数或者达到一方领先另一方无法赶超的得分差时,比赛结束。
此时,裁判将宣布比赛结果,并举行颁奖仪式。
比赛结束后,参赛队伍可以进行总结和反思。
小学投掷垒球考核标准
小学投掷垒球考核标准
垒球是一项团队合作性强的体育项目,对于小学生来说,学习垒球不仅可以锻炼他们的身体素质,还可以培养团队合作精神和积极向上的态度。
下面是小学投掷垒球考核的标准。
一、基本技术:
1. 手握球的正确姿势:球握在手掌中心,手指自然接触球面,手肘微屈。
2. 上半身的动作:球员站立平衡,身体略微向后倾斜,手臂自然下垂,肩膀放松。
3. 投掷动作:投球手向后摆动,利用身体的扭动来产生更大的力量,然后快速前推手臂,同时将前脚踏向前方。
4. 投球准确性:球员需要将球准确地投向指定的目标,以确保其他队员能够顺利接球。
二、力量和速度:
1. 投球速度:球员需要能够以适当的力量投掷球,以确保投球远离敌方队员。
2. 投掷距离:球员需要能够将球投出一定的距离,不仅要达到
要求的标准距离,还要确保球的高度和弧线。
三、合作和团队精神:
1. 配合传接球:球员需要与其他队员紧密配合,传接球时要有明确的沟通和指示,确保球能够顺利传递到目标处。
2. 垒内跑动:球员之间需要有默契的配合,及时给予指示和挂车,确保队友能够安全跑到下一个垒。
四、比赛技巧和智慧:
1. 判断对手行为:球员需要通过观察和分析来判断对手的行为,以便采取正确的应对策略。
2. 出色的防守:球员需要能够根据场上的形势做出正确的判断和反应,及时阻止敌方队员得分。
3. 灵活的攻击:球员需要能够根据情况选择合适的投球方式和攻击策略,以获取更多的得分机会。
以上是小学投掷垒球考核的标准,通过严格的考核标准和实际的训练,可以帮助小学生提高自身的垒球技能和团队协作能力,培养积极向上的态度和竞争意识。
5年级垒球掷远评分标准
(一)专项素质
1.全垒跑
(1)考试方法:在棒球场地上进行,考生一脚踏本垒板,自行起动,开表计时,依次踏一、二、三、本垒为完成,踏本垒停表,漏踏任一垒包成绩无效。
每人测试1次,如有失误,可补测1次。
2.掷远
(1)考试方法:在长方形场地上进行,场地宽10米为有效区,助跑限制线为3米。
每人试投3次,取其中1次最佳成绩。
3次试投均失误者,可补测1次。
(二)专项技术
1.击球
(1)考试方法:在棒球场地上进行,击投手球或机器投球,球速控制在100公里/时左右。
(2)评分标准:投10次好球,每击中一球得1.5分。
满分为15分。
2.内场防守
(1)考试方法:考生站游击位防守位置,接教练打在本防守区域内的各种有效球10个。
要求技术运用合理,动作连贯,传球准确。
(2)评分标准:每接传成功一次计1.5分,接球失败一次扣0.75分,传球失败扣0.75分,接传失败(漏接)扣1.5分。
3.实战
(1)考试办法:将考生分成两队进行比赛。
(2)评分标准考评员参照实战能力评分细则,独立对考生的进攻技术、战术水平等进行综合评定,采用10分制评分,分数至多可到小数点后1位。
沙埔中学软式棒垒球考核内容及标准
①全垒跑(必考项目,占专项成绩40%)
A.方法:受测者一脚踩踏本垒板启动后,跑经一、二、三垒返回本垒,以时间评定成绩;
B.规则:受测者在跑垒过程中必须依次踩踏各垒垒包,漏踏垒包成绩无效。
每人两次(测试)机会;
②垒球掷远(必考项目,占专项成绩40%)
A.方法:受测者将球经肩上掷出,落在10米宽的范围内,以第一落点的远度计算成绩;
B.规则:受测者在掷远过程中可以助跑两步,球必须经肩上掷出,并落在10米宽的范围内,球出手后身体任一部分不可以越线;否则成绩无效。
每人三次(测试)机会,计算最好成绩;
C.评分标准:(单位米)
③抛击球(选考占专项成绩20%)
A.方法:两人一组自由组合,由对方(队友)将球抛经本垒板上空,受测者将球击出,10个一组,以击中球数计算成绩;
B.规则:受测者要求能用正确的击球姿势用力挥棒将球击出,并且球落在场内(是界内球),每人两次(测试)机会,计算最好成绩;
④接教练棒传一垒(选考占专项成绩20%)
A.方法:由教师打出教练棒,受测者接球后将球传杀一垒,10个球一组,以传球准确数计算成绩;
B.规则:受测者要求能用正确的接球动作接球并将球传出,每人两次(测试)机会,计算最好成绩;
C.评分标准:
⑤垒间传接球或抛击球技评(选考占专项成绩20%)
A.方法:a 垒间传接球:(受测者)在接手位置依次将球传经一垒、二垒、三垒,最后传回本垒;
b 抛击球:由教师抛球,受测者用正确的击球动作挥棒击球;
B.规则:a 受测者传接球动作协调合理,传球到位;
b 受测者挥棒动作协调合理,击球有力;每人两次(测试)机会,计算最好成绩;
C.评分标准:以优(85分以上)、良(70~84分)、及格(60~69分)进行评定;
垒间传接球达优秀者必须能在接手位置直接传杀二垒;
抛击球达优秀者至少能击出五个以上的外场球;。