1.保护用电流互感器
- 格式:doc
- 大小:489.50 KB
- 文档页数:6
常用电流互感器
常用电流互感器主要有以下几种类型:
1. 计量用电流互感器:主要用于电费结算的依据,精度要求较高,通常为0.2S级或0.5级。
2. 测量用电流互感器:用于测量电流、计算电度等,精度一般低于计量用电流互感器,常用的有0.5级、1.0级、2.0级等。
3. 保护用电流互感器:主要用于电流速度保护、过电流保护、过载保护等,其精度通常以电流倍数和误差百分比表示,如10P10、10P20、5P10、5P20等。
此外,根据绝缘介质的不同,电流互感器可分为干式、浇注式、油浸式和气体绝缘式等;根据电流变换原理的不同,可分为电磁式和光电式等;根据安装方式的不同,可分为贯穿式、支柱式、套管式和母线式等。
在选型时,需要根据实际使用场景和需求选择合适的类型、精度、变比和安装方式等。
同时,需要注意电流互感器的二次侧不可开路,且在工作时其二次回路应始终保持闭合状态。
北交《电力系统继电保护》在线作业一-0003---------------------------单选题1.高压输电线路的故障,绝大部分是( )A.单相接地故障B.两相接地短路C.三相短路正确答案:A2.三种圆特性的阻抗继电器中,()既能测量故障点的远近,又能判别故障方向A.全阻抗继电器B.方向圆阻抗继电器C.偏移圆阻抗继电器正确答案:B3.考虑助增电流的影响,在整定距离保护II段的动作阻抗时,分支系数应取()A.大于1,并取可能的最小值B.大于1,并取可能的最大值C.小于1,并取可能的最小值正确答案:A4.当线路中的电流超过最大负荷以后,有一种反应电流升高而动作的保护装置叫做( ? ? )。
A.电压保护B.差动保护C.过电流保护D.过电压保护正确答案:C5.继电保护的灵敏系数Ksen要求( )A.Ksen<1B.Ksen=1C.Ksen>1正确答案:C6.在中性点直接接地电网中发生接地短路时,()零序电压最高。
A.保护安装处B.接地故障点处C.变压器接地中性点处正确答案:B7.在大接地电流系统中,线路始端发生两相金属性接地短路时,零序方向保护中的方向元件将()A.因短路相电压为零而拒动B.因感受零序电压最大而灵敏动作C.因零序电压为零而拒动正确答案:B8.距离保护是以()为核心元件构成的保护。
A.阻抗继电器B.振荡闭锁C.启动元件正确答案:A9.发电机的负序过流保护主要是为了防止()A.损坏发电机的定子线圈B.损坏发电机的转子C.损坏发电机的励磁系统正确答案:B10.线路末端发生金属性三相短路时,保护安装处母线测量电压()A.为故障点至保护安装处之间的线路压降B.与短路点相同C.不能判定正确答案:A11.断路器的开断时间是指从接受分闸命令瞬间起到()A.所有电弧触头均分离的瞬间为止B.各极触头间电弧最终熄灭为止C.首相触头电弧熄灭为止D.主触头分离瞬间为止正确答案:B12.当电力线路上发生故障时,保护正确动作,使离故障点最近的断路器跳闸,称为继电保护的( ? ? )。
1)电流互感器的接线应遵守串联原则:即一次绕阻应与被测电路串联,而二次绕阻则与所有仪表负载串联;2)按被测电流大小,选择合适的变化,否则误差将增大。
同时,二次侧一端必须接地,以防绝缘一旦损坏时,一次侧高压窜入二次低压侧,造成人身和设备事故;3)二次侧绝对不允许开路,因一旦开路,一次侧电流I1全部成为磁化电流,引起φm和E2骤增,造成铁心过度饱和磁化,发热严重乃至烧毁线圈;同时,磁路过度饱和磁化后,使误差增大。
另外,二次侧开路使E2达几百伏,一旦触及造成触电事故。
因此,电流互感器二次侧都备有短路开关,防止一次侧开路。
如图l中K0,在使用过程中,二次侧一旦开路应马上撤掉电路负载,然后,再停车处理。
一切处理好后方可再用。
4)为了满足测量仪表、继电保护、断路器失灵判断和故障录波等装置的需要,在发电机、变压器、出线、母线分段断路器、母联断路器、旁路断路器等回路中均设具有2~8个二次绕阻的电流互感器。
对于大电流接地系统,一般按三相配置;对于小电流接地系统,依具体要求按二相或三相配置;5)对于保护用电流互感器的装设地点应按尽量消除主保护装置的不保护区来设置。
例如:若有两组电流互感器,且位置允许时,应设在断路器两侧,使断路器处于交叉保护范围之中;6)为了防止支柱式电流互感器套管闪络造成母线故障,电流互感器通常布置在断路器的出线或变压器侧;7)为了减轻发电机内部故障时的损伤,用于自动调节励磁装置的电流互感器应布置在发电机定子绕组的出线侧。
为了便于分析和在发电机并入系统前发现内部故障,用于测量仪表的电流互感器宜装在发电机中性点侧。
艾驰商城是国内最专业的MRO工业品网购平台,正品现货、优势价格、迅捷配送,是一站式采购的工业品商城!具有 10年工业用品电子商务领域研究,以强大的信息通道建设的优势,以及依托线下贸易交易市场在工业用品行业上游供应链的整合能力,为广大的用户提供了传感器、图尔克传感器、变频器、断路器、继电器、PLC、工控机、仪器仪表、气缸、五金工具、伺服电机、劳保用品等一系列自动化的工控产品。
电流互感器的相关知识汇总2014年3月15日电流互感器主要由三部分组成:铁心、一次线圈和二次线圈。
由于铁心磁阻的存在,电流互感器在传变电流的过程中,必须消耗一小部分电流用于激磁,使铁心磁化,从而在二次线圈产生感应电势和二次电流,电流互感器的误差就是由于铁心所消耗的励磁电流引起的。
由于激磁电流和铁损的存在,电流互感器一次电流和二次电流的差值是一个向量,误差包括比值差和相角差。
影响误差的因素:1、电流互感器的内部参数是影响电流互感器误差的主要因素。
⑴二次线圈内阻R2和漏抗X2对误差的影响: 当R2增大时比差和角差都增大; X2增大时比差增大,但角差减小,因此要改善误差应尽量减小R2和适当的X2值。
由于二次线圈内阻R2和漏抗X2与二次负载Rfh和Xfh比较而言值很小,所以改变R2和X2对误差的影响不大,只有对小容量的电流互感器影响才较显著。
⑵铁芯截面对误差的影响:铁芯截面增大使铁芯的磁通密度减少,励磁电流减小,从而改善比差和角差。
没有补偿的电流互感器在额定条件下铁芯的磁通密度已经很小,所以减少磁通密度也相对减小了导磁系数,使励磁电流减小不多,而且磁通密度越小效果越差。
⑶线圈匝数对误差的影响: 增加线圈匝数就是增加安匝,增加匝数可以使磁通密度减小,其改善误差的效果比增加铁芯截面显著得多。
但是线圈匝数的增加会引起铜用量的增加,同时引起动稳定倍数的减少和饱和倍数的增加。
此外,对于单匝式的电流互感器(如穿心型或套管型电流互感器一次线圈只允许一匝)不能用增加匝数的办法改善误差。
⑷减少铁芯损耗和提高导磁率。
在铁芯磁通密度不变的条件下,减少铁芯励磁安匝和损耗安匝也将改善比差和角差,因此采用优质的磁性材料和采取适宜的退火工艺都能达到提高导磁率和减少损耗的目的。
铁芯磁性的优劣还影响饱和倍数,铁芯磁性差时饱和倍数较校。
2、运行中的电流互感器的误差当电流互感器已经定型,其内部参数就确定了,那么它的误差大小将受二次电流(或一次电流)、二次负载、功率因数以及频率的影响。
电流互感器的分类
电流互感器(current transformer [trans],简称CT。
按照其用途不同,大致上可以分成两类,测量用电流互感器和保护用电流互感器,为了让您在购买时更能清楚的分辩,下面就来为您介绍他们有什么区别。
测量用电流互感器是为指示仪表、积分仪表和其他类似电器提供电流的电流互感器。
测量用电流互感器广泛用于对低压配电系统电流的测量,主要准确(对电流互感器给定的等级)级有:0.2、0.5、1、3、5等,目前应用比较广泛的测量用互感器主要为母线式电流互感器,安装方便,而且其型号、规格繁多,可根据不同规格的母线或线缆选用最经济合理的电流互感器。
保护用电流互感器一般用于多跟母排穿越的继电保护回路,为保护系统检测短路故障而开发,具有不同准确级和准确限值系数,可扩展为不同穿孔尺寸,广泛应用于低压配电保护系统。
也可用于采集低压过载、短路信号,与保护继电器相互使用,一次测量范围200—6300A,二次输出5A、1A,主要准确级有:5P10、10P10、10P20、5P20等。
采集低压过载、短路信号,与电动机保护单元配套使用,主要电流比有250A/50A,800A/100mA。
虽然两种类型的电流互感器有一定的差别,但是其根本的作用就是把较大的一次电流通过一定的变化转换成伟数值较小的二次电流,用来进行保护、测量等用途。
保护用电流互感器的准确级及误差限值如何计算?(1)各类准确级误差限值(a) P类和PR类电流互感器电流互感器的准确级以在额定准确限值一次电流下允许复合误差的百分数标称,标准准确级为:5P,10P,5PR,10PR。
电流互感器在额定频率及额定负荷下,电流误差、相位误差和复合误差应不超过表7的值表7准确级额定一次电流下的电流误差(%)额定一次电流下的相位差额定准确限值一次电流下的复合误差(%)(‘)(rad)5P,5PR ±1 ±60 ±1.8 510P,10PR ±3 - - 10发电机变压器主回路、220KV及以上电压线路宜采用复合误差较小的5P或5PR级电流互感器。
其他回路可采用10P或10PR级电流互感器。
P类和PR类保护用电流互感器能满足复合误差要求的准确限值系数,Kalf一般可取5、10、15、20、25、30和40。
必要时,可与制造厂家协商,采用根大的Kalf值。
(b) TP类电流互感器:TP类电流互感器一般用在220KV级以上高压和超高压系统中,在这里不予说明。
(2)P、PR和PX类电流互感器的选择计算P、PR类电流互感器用于稳态要求的线路或变压器,只校验其稳态性能。
电流互感器通过规定的保护校验故障电流Ipef时,其误差应在规定范围内,Ipef和Ipn之比称为故障校验系数Kpef。
Ipef按以下原则确定:(a)按可信赖性要求,Ipef应按区内最严重的短路电流确定,对于过流保护和距离保护,应考虑两种情况:(1)在保护区内末端故障时,Ipef流过电流互感器的最大短路电流Iac.max;(2)在保护安装点近处故障时,允许电流互感器的误差超过规定值,但必须保证保护装置的可靠性和快速性。
(b) 按安全性要求,Ipef应按区外最严重的短路电流确定。
按下列条件进行计算:1)一般选择计算:电流互感器的额定准确限值一次电流Ipel应大于保护校验故障电流Ipef,必要时,还应考虑电流互感器暂态饱和的影响,即准确限值系数Kalf应大于K*Kpef,K为用户规定的暂态系数;电流互感器的额定二次负荷应大于实际二次负荷。
保护用电流互感器选用原则爱护用电流互感器是指在在线路发生短路过载等故障时,向继电装置供应信号切断故障电路,以爱护供电系统平安的电流互感器。
它与测量用电流互感器工作原理一样,但是应用完全不同。
那么选用爱护用电流互感器有哪些需要留意的原则。
一、爱护用电流互感器的一般原则爱护用电流互感器的性能应满意继电爱护正确动作的要求,首先应保证在稳态对称短路电流下的误差不超过规定值。
对于短路电流非周期重量和互感器剩磁的暂态影响,应依据所在系统暂态问题的严峻程度、所接爱护装置的特性、暂态饱和可能引起的后果和运行阅历等因素来合理考虑。
假如爱护装置具有减缓电流互感器饱和的影响功能,则可按爱护装置的特点来选择适当的电流互感器。
详细原则如下:1、爱护用电流互感器应选具有适当特征和参数的互感器,同一组差功动爱护不应同时使用P级和TP级电流瓦感器;2、当对剩磁有要求时,220kV及以下电流互感器可采纳PR级电流互感器;3、对P级电流互感器精确限值不适应的特别场合,宜采纳PX 级电流互感器;4、TPY级电流互感器不宜用于断路器失灵爱护;5、TPX级电流互感器不宜用于线路重合闸;6、TPZ级电流互感器不宜用于主设备爱护和断路器失灵爱护。
二、爱护用电流互感器额定参数选择原则1、变压器差动爱护回路用电流互感器额定一次电流选择宜使各侧互感器的二次电流基本平衡;2、大型发电机组高压厂用变压器爱护用电流互感器额定一次电流选择应使互感器二次电流在正常和短路状况下,满意爱护装置的整定选择性和精确性要求;3、母线差动爱护用各回路电流互感器宜选择相同变比,当小负荷回路电流互感器采纳不同变比时,可与制造商协商确定最小变比;4、对于在正常状况下一次电流为零的电流互感器,应依据实际应用状况、不平衡电流的实测值或阅历数据,并考虑爱护灵敏系数及互感器的误差限值和功、热稳定等因素,选择适当的额定一次电流;5、对中性点非有效接地系统的接地爱护用电流互感器,可依据详细状况采纳由专用电缆式或母线式零序电流互感器。
电流互感器的作用
电流互感器(Current Transformer,简称CT)是一种常用的电力测量和保护装置,主要用于测量和监测电路中的电流,并将其转化为绝缘可靠、标准化的小电流输出。
电流互感器的主要作用有以下几个方面:
1. 电流测量:电流互感器可用于精确测量电路中的电流大小,通过对电流信号的变换和放大,将高电流转化为安全的小电流输出,便于进行电能计量和负荷控制。
2. 电流保护:在变电站和电力系统中,电流互感器用于检测和保护电路中的过电流和短路故障。
当电路中的电流超过设定值或突然增大时,电流互感器会立即产生告警信号,并触发保护装置进行断电操作,保护电力设备的安全运行。
3. 系统监测:电流互感器的输出信号可以用于系统监测和数据采集。
通过连接到电流采集监控设备,可以实时监测电力系统中的电流大小和负荷变化,对电力系统的状态进行实时分析和评估,提高系统的稳定性和可靠性。
4. 负荷控制:电流互感器可以用于实现电力系统的负荷控制和调节。
通过监测电路中的电流变化,可以及时调整负荷分配和供电方式,以提高电能利用效率和功率因数。
5. 泄漏电流检测:电流互感器还可用于检测和测量电路中的泄漏电流。
泄漏电流是指由于设备绝缘损坏或接地故障引起的异
常电流,通常是非常小的电流值。
借助电流互感器,可以对泄漏电流进行快速准确的测量和检测,及时发现和处理潜在的安全隐患。
在电力系统中,电流互感器是一项非常重要的设备,广泛应用于各种场合。
它的作用不仅限于电流测量和保护,还涉及到电能计量、负荷控制、故障检测等方面,对于确保电力系统的安全稳定运行和提高能源利用效率具有重要意义。
2005/2006学年第二学期《继电保护》复习题使用班级:发电(3)041、发电(3)042、发电(3)043第一章绪论一、填空题:1、电力系统发生故障时,继电保护装置应______________,电力系统出现不正常工作状态时,继电保护装置一般应____________。
2、继电保护的灵敏性是指其对于保护范围内发生故障或不正常工作状态的_________。
通常用衡量。
3、继电保护的选择性是指继电保护动作时,只能把从系统中切除,使系统的继续运行。
尽量缩小停电范围。
4、继电保护的可靠性是指保护在应动作时,不应动作时。
5、继电保护装置一般是由测量部分、和三个主要部分组成。
6、继电保护按作用不同可分为、和辅助保护。
二、判断题:()1、电气设备过负荷时,继电保护装置应将过负荷设备从系统中切除。
()2、电力系统故障时,继电保护装置只发出信号,不切除故障设备。
()3、电力系统出现不正常工作状态时,继电保护装置不但发出信号,同时也要把不正常工作的设备切除。
()4、继电保护装置的误动作和拒动作都是可靠性不高的表现,它们对电力系统造成的危害程度相同。
()5、继电保护装置的动作时间就是故障被切除的时间。
三、选择题:1、继电保护动作时,要求仅将故障的元件或线路从电力系统中切除,使系统无故障部分继续运行,尽量缩小停电范围。
这是继电保护的()。
A、可靠性B、选择性C、灵敏性2、电力系统短路时最严重的后果是()。
A、电弧使故障设备损坏B、使用户的正常工作遭到破坏C、破坏电力系统运行的稳定性3、快速保护的动作时间最快可达到~;而断路器的动作时间最快可达到~。
所以继电保护快速切除故障的时间为()。
A、~B、~C、~四、问答题:1、何谓主保护、后备保护何谓远后备保护、近后备保护答:主保护:反应整个被保护元件上的故障,并能以最短的延时有选择地切除故障的保护。
后备保护:主保护或者断路器拒绝动作时,用来切除故障的保护。
近后备:主保护拒绝动作时,由本元件的另一套保护实现的后备保护。
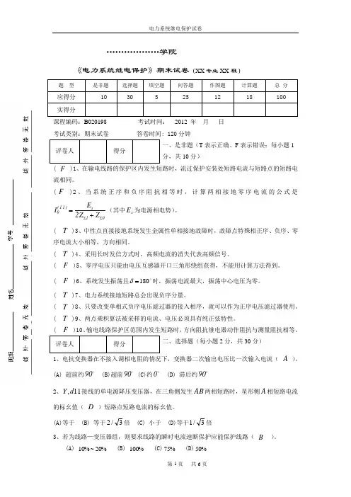
………………学院《电力系统继电保护》期末试卷(XX 专业XX 班)题 型 是非题 选择题 填空题 问答题 作图题 计算题 总 分 应得分 10 30 5 25 12 18 100 实得分 课程编码:B020198 考试时间: 2012 年 月 日考试类别:期末试卷 答卷时间: 120分钟评卷人 得分 一、是非题(T 表示正确、F 表示错误;每小题1分,共10分)( F )1、在输电线路的保护区内发生短路时,流过保护安装处短路电流与短路点的短路电流相同。
(F )2、当系统正序和负序阻抗相等时,计算两相接地零序电流的公式是01s )1.1(0Z Z 2E I ∑∑+=(其中s E 为电源相电势)。
( T )3、中性点直接接地系统发生金属性单相接地故障时,故障点特殊相正序、负序、零序电流大小相等,方向相同。
( T )4、采用长时发信方式时,高频电流的消失代表高频信号。
( F )5、零序电压只能由电压互感器开口三角形绕组获得,不能用计算方法得到。
( F )6、系统发生振荡且 180=δ时,振荡电流最大,振荡中心电压为零。
( T )7、电力系统接地短路总会出现负序分量。
( T )8、只要改变单相式负序电压滤过器的接入相序,就可以作为正序电压滤过器使用。
( T )9、两点乘积算法被采样的电流、电压必须具有纯正弦特性。
( F )10、输电线路保护区范围内发生短路时,方向阻抗继电器动作阻抗与测量阻抗相等。
评卷人 得分 二、选择题(每小题2分,共30分)1、电抗变换器在不接入调相电阻的情况下,变换器二次输出电压比一次输入电流( A )。
(A) 超前约 90 (B)超前 90 (C)约 0 (D) 滞后约 902、11,d Y 接线的单电源降压变压器,在三角侧发生AB 两相短路时,星形侧A 相短路电流的标幺值( D )短路点短路电流的标幺值。
(A)等于 (B) 等于3/2倍 (C) 小于 (D)等于3/1倍3、若为线路—变压器组,则要求线路的瞬时电流速断保护应能保护线路( B )。
吉大14秋学期《电力系统继电保护》在线作业一
一,单选题
1. 保护用电流互感器二次回路接地点的正确设置方式是()
A. 每只电流互感器二次回路必须有一个单独的接地点
B. 电流互感器的二次侧只允许有一个接地点,对于多组电流互感器相互有联系的二次回路接地点应设在保护屏上
C. 电流互感器二次回路应分别在端子箱和保护屏接地
D. 以上都不对
?
正确答案:B
2. 从保护原理上讲,受系统振荡影响的是()
A. 暂态方向保护
B. 电流纵差保护
C. 距离保护
D. 高频保护
?
正确答案:C
3. 前加速、后加速保护第一次动作分别是()
A. 无选择、无选择
B. 无选择、有选择
C. 有选择、无选择
D. 有选择、有选择
?
正确答案:B
4. 110kv系统中,假设整个系统中各元件的零序阻抗角相等,在发生单相接地故障时,下面说法正确的是()
A. 全线路零序电压相位相同
B. 全线路零序电压幅值相同
C. 全线路零序电压相位幅值都相同
D. 全线路零序电压相位幅值都不同
?
正确答案:A
5. 电力系统最危险的故障是()
A. 单相接地
B. 两相短路
C. 三相短路
D. 两相接地短路
?。
保护用电流互感器工作原理
用电流互感器(Current Transformer,CT)是一种电力系统中
常用的传感器,主要用于测量电流,并将高电流转换为低电流以供设备使用。
它的工作原理是基于电磁感应。
电流互感器由一个主线圈和一个次级线圈组成。
主线圈通常由一个导线环绕在被测电流的导线上。
次级线圈则放置在主线圈的附近。
当电流通过主线圈时,它会产生一个变化的磁场。
这个磁场会穿过次级线圈,并感应出一个次级电流。
次级电流的大小与主线圈中的电流成正比。
为了保护设备和人员免受高电流的伤害,通常将电流互感器的次级线圈连接到测量仪器或保护装置上。
次级线圈输出的次级电流将被变压器进一步降低,以适合测量或保护装置所需的电流范围。
电流互感器的工作原理可以总结为以下几点:
1. 通过主线圈流过的电流会产生一个变化的磁场;
2. 这个磁场会感应出次级线圈中的次级电流;
3. 次级电流经过变压器降压后输出给测量仪器或保护装置。
需要注意的是,由于电流互感器不同于普通的变压器,它的次级线圈通常是短路连接,即次级线圈两端被短接。
这样可以保证次级线圈不会产生较高的电压,从而保护设备和人员的安全。
电流互感器准确级:
标准准确限值系数为:
5、10、15、20、30
准确级的标称-保护用电流互感器的准确级是以其额定准确限值一次电流下的最大复合误差的百分比来标称其后标以字母“P”表示保护用。
标准准确级:
保护用电流互感器的标准准确级为:5P和10P ;
保护用电流互感器铭牌标志
铭牌应规定标出相应内容其额定准确限值系数应标在相应的输出和准确级之后例如30V A 5P 10
注: 当电流互感器能满足输出和准确级及准确限值系数的多个组合要求时均可将它们标出:示例15V A 0.5级或15V A 0.5级30V A 1级15V A 1级,扩大值150% 30V A 5P10 ;15V A 5P20
测量用电流互感器准确级的标称
测量用电流互感器的准确级以该准确级在额定电流下所规定的最大允许电流误差百分数来标称
标准准确级-测量用电流互感器的标准准确级为:
0.1;0.2;0.5;1;3;5
特殊用途的测量用电流互感器的标准准确级为:
0.2S;0.5S.
如:0.2/5P20/10P20,第一组为0.2级;第二组准确级数为0.5级,保护用,二次输出容量为20V A;第三组准确级数为10级,保护用绕组,二次输出容量为20V A。
PT的标识方法基本相同。
1. 保护用电流互感器
1.1讨论电流互感器的必要性
我们知道,短路电流中含有直流分量,这个直流分量会随时间以一次衰减时间常数衰减。
电压等级越高,线路阻抗角越大,L/R常数就越大,直流分量在短路电流中存在时间越长。
目前的数字式继电保护装置,动作速度快,大都在直流分量还未衰减至零之前就可出口,因此很有必要讨论在短路电流中含直流分量时(即直流分量衰减过程末结束的情况下),电流互感器的暂态工作过程、这个过程对继电保护的影响和继电保护应采取的对策。
另外,随着系统容量的增加和短路电流水平的提高,要求电流互感器的变比越来越大,特别是在变电站的低压侧,这不仅在经济上投资太大,而且有时常选不到满意的设备,致使运行中出现了由于TA饱和,保护不能正确工作的现象。
所有这些都促使我们要研究和讨论电流互感器的问题。
1.2 电流互感器的配置
电流互感器的配置应符合以下要求;
(1)电流互感器二次绕组的数量、类型和准确等级应满足继电保护自动装置和测量仪表的要求。
(2)保护用电流互感器的配置应避免出现主保护的死区。
接入保护的互感器二次绕组的分配,应注意避免当一套保护仃用时,出现被保护区内故障时的保护动作死区。
(3)对中性点有效接地系统,电流互感器可按三相配置,对中性点非有效接地系统,依具体要求可按两相或三相配置。
(4)当配电装置采用一个半断路器接线时,对独立式电流互感器每串宜配置三组,每组的二次绕组数量按工程需要确定。
(5)继电保护和测量仪表宜用不同二次绕组供电,若受条件限制须共用一个二次绕组时,其性能应同时满足测量和保护的要求,且接线方式应注意避免仪表校验时影响继电保护工作。
(6)在使用微机保护的条件下,各类保护宜共用二次绕组,以减少互感器二次绕组数量。
但一个元件的两套互为备用的主保护应使用不同二次绕组。
(7)电流互感器的二次绕组不宜进行切换,当需要时,应采取防止开路的措施。
1.3 一次参数的选择
(1) 电流互感器应根据其所属一次设备的额定电流或最大工作电流选择适当的额定一次电流。
额定一次电流(Ipn)的标准值为:10、12.5、15、20、25、30、40、50、60、75以及它们的十进位倍数或小数。
(2) 电流互感器的额定连续热电流(I cth)、额定短时热电流(I th)和额定动稳电流(I dyn)应能满足所在一次回路的最大负荷电流及短路电流的要求,并应适当考虑系统的发展情况。
当互感器一次绕组可串、并切换时,应按其接线状态下实际短路电流进行I th及I dyn校验。
(3) 选择额定一次电流时,应使得在额定变流比条件下的二次电流满足该回路测量仪表和保护装置的准确性要求。
(4) 为适应不同要求,某些情况下在同一组电流互感器中,保护用二次绕组与测量用二次绕组可采用不同变比。
1.4二次参数选择 1.4.1二次电流的选择
电流互感器额定二次电流(I sn )有1A 和2A 两类
(1) 对于新建发电厂和变电所,有条件时电流互感器额定二次电流宜选用
1A 。
(2)如有利于互感器安装或扩建工程,原有电流互感器采用5A 时,以及某些情况下为降低电流互感器开路电压,额定二次电流可选用5A 。
(3)一个厂站内的电流互感器额定二次电流允许同时采用1A 和5A 。
1.4.2 二次负荷选择及计算
(1) 电流互感器的二次负荷可用阻抗Z b (Ω)或容量S b (VA )表示。
二者之间
的关系为:
b Z =
sn
b I
S 2
电流互感器的二次负荷额定值S b (VA )可根据实际负荷需要选用2.5、5、7.5、10、15、20、30VA 。
在某些特殊情况,也可以选用更大的额定值。
对保护用TP 类电流互感器,其二次负荷用负荷电阻R b 表示。
(2)电流互感器负荷通常由两部分组成:一部分是所连接的测量仪表或保护装置;另一部分是连接导线。
计算电流互感器时应注意在不同接线方工式和故障形态下的阻抗换算系数。
(2) 计算连接导线的负荷时,一般情况下可忽略电感,而仅计及其电阻R l 。
R l=
rA
L
式中 L=电线长度(m);
A=导线截面积(mm 2),电流回路采用2.5mm 2
及以上载面积的铜导线;
γ=电导系数,铜取57[m/(Ω×mm 2)]。
1.5 对保护用电流互感器的性能要求 1.5.1 影响电流互感器的因素
保护用电流互感器性能除应能满足正常运行时的要求外,还应满足故障状态下的要求,即在短路情况下,将电流互感器所在回路的一次电流传变到二次回路,并且误差不超过允许值。
电流互感器的铁芯饱和是影响其性能的最重要因素。
在稳态的对称短路电流(无非周期分量)下,影响互感器饱和的因素主要是:短路电流幅值,二次回路(包括互感器二次绕组)的阻抗,电流互感器的工频励磁阻抗,电流互感器的匝比等。
在实际的短路暂态过程中,短路电流可能存在非周期分量,互感器可能存在剩磁,这些因素将严重影响电流互感器饱和。
为保证在剩磁条件下准确传变非周期短路电流分量,电流互感器在暂态过程中所需磁链可能是传等值对称短路电流的几倍至数十倍数,需要大大增加电流互感器铁芯面积和造价。
1.5.2 保护用电流互感器的性能要求
1.5.
2.1 保护装置对电流互感器的性能要求:
(1)保证保护的可依赖性。
要求保护区内故障时电流互感器误差不致影响保护可靠动作。
(2)保证保护的安全性。
要求保护区外最严重故障时电流感器误差不会导致保护误动作或无选择动作。
1.5.
2.2 解决电流互感器饱和对保护动作性能影响的措施
(1)选择适当类型和参数的互感器,保证互感器饱和特性不致影响保护动作性能。
对电流互感器的基本要求是保证在稳态对称短路电流下的误差。
至于短路电流非周期分量和互感器的剩磁等引起的暂态影响,则应根据具体情况和运行经验,权衡相关因素,慎重确定。
(2)保护装置采取抗饱措施,保证互感器在特定饱和条作下不致影响保护性能。
保护装置采取措施减缓电流互感器饱和影响,特别是暂态饱和的影响,对降低电流互感器造价及提高保护动作的安全性和可依赖性具有重要意义,应成为保护装置的发展方向。
特殊性别是微机保护具有较大的潜力可利用。
当前母线差动保护装置一般都采取了抗饱和措施,取得了良好效果。
对其它保护装置也宜提出适当的抗饱和要求。
1.6 10P20模型试验室电流传变情况举例
南瑞继保公司的试验制作了模型TA,变为1:1它符合10P20真实TA的技术指标,二次负担也合理,在试验内制作了大量的试,用微机录波,不仅录取了一次和二次的采样值,并计算出励磁电流。
在以下的各幅录波图中,上面半幅图的曲线,均为一次与二次的差流,可以认为为励磁电流。
横轴为时间轴,单位为ms。
下面半幅图曲线虚线为一次电流,实线为二次电流。
图1.6-1 电流为40I
,无非周期分量
n
图1.6-2电流为93I
,无非周期分量
n
时间常数180ms(89°)
图1.6-3电流为20I
n,
°)
n,
图1.6-5电流为40I
时间常数260ms(89.3°)
n,
1.7 电流互感器一次电流有直流衰减分量而使TA饱和时电流传变的特点
1、二次电流波形有严重缺损,显著非正弦;
2、在短路后TA很快进入深饱和,以致二次绕组的感应电势降为零,在相应的一段时间内二次电流为零,此时一次电流全部成为励磁电流;
3、当已全部成为励磁电流的一次电流的瞬时值下降时,TA逐渐退出饱和,当它下降到零进而改变极性时,铁芯退出饱和,二次绕阻的感应电势增大,又输出二次电流,几乎与一次电流相等,但此时铁芯中有相当大的剩磁存在;
4、当一次电流恢复初始的极性又上升时,由于有剩磁存在铁心又很快饱和,二次电流又降为零;
5、在短路开始时铁芯要维持磁通不变,或者说励磁回路的电感不允许其电流突变,一次电流全部变换为二次电流,TA无误差;
6、由于电流互感器存在角差,因此即一、二次电流有效值的差不大于10%它所引起的差流也往往会大于一次电流的10%。
7、一次电流越大,其饱和时波形畸变得越大,因而励磁电流越大,但二次电流决不会为零,即使一次电流为100倍的额定电流,其二次电流的起始段仍能有2ms以上的线性段可以运用。
8、对一次电流有衰减的直流分量的P型电流互感器的二次电流进行谐波分析,图1-7中,上面一幅为TA的一二次电流。
中间一幅图是二次电流的谐波分析曲线,图中有三条曲线,以时间坐标0.03秒处来观察,最上面一条为基波曲线。
中间一条为三次谐波曲线,下面一条为二次谐波曲线。
从图中可知,在0.02处秒以前一次电流中有非周期分量存在,二次电流中二次谐波分量大于三次谐波分量,隋着直流分量的衰减,二次谐波分量下降,三次谐波分量上升。
可以这样认为:“TA暂态饱和,在二次电流中将产生以二次谐波为主的分量,TA稳态饱和,在二次电流中将产生以三次谐波为主的分量。
”
图1.7 变压器差动保护TA饱和研究。