三角带规格及标准尺寸
- 格式:xls
- 大小:287.50 KB
- 文档页数:4
标准三角带A,B,C,D,Z*防油,抗静电*工作温度: —18℃至+70℃* 最大线性速度: 30米/ 秒*顶宽: 13mm * 最小轮径: 75mm* 高度:8mm * Li(内长)= La(外长)—50mm*角度: 40°* Li(内长)= Lp(节园长)—36mm 型号Li mm 型号Li mm 型号Li mm 型号Li mm A15 381 A42 1067 A72 1829 A96 2438 A18 457 A43 1092 A74 1880 A98 2489 A20 508 A43 1/2 1105 A75 1905 A99 2515 A22 559 A44 1118 A76 1930 A101 2565 A23 584 A45 1143 A77 1956 A102 2591 A23 1/2 597 A45 1/2 1156 A78 1727 A103 2616 A24 610 A46 1168 A79 1753 A104 2642 A25 635 A46 1/2 1181 A80 1778 A105 2667 A26 660 A47 1194 A81 1803 A107 2718 A27 686 A48 1219 A83 1854 A108 2743 A28 711 A49 1245 A85 1905 A110 2794 A29 737 A50 1270 A86 1930 A112 2845 A29 1/2 749 A51 1295 A87 1956 A113 2870 A30 762 A52 1321 A88 1981 A114 2896 A31 787 A53 1346 A89 2007 A115 2921 A32 813 A55 1397 A91 2057 A118 2997 A32 1/2 826 A56 1422 A92 2083 A120 3048 A33 838 A57 1448 A83 2108 A124 3150 A34 864 A58 1473 A83 1/2 2121 A125 3175 A34 1/2 876 A59 1499 A84 2134 A126 3200 A35 889 A60 1524 A84 1/2 2146 A128 3251 A35 1/2 902 A61 1549 A85 2159 A130 3302 A36 914 A62 1575 A86 2184 A132 3353 A37 940 A63 1600 A87 2210 A140 3556 A38 965 A65 1651 A89 2261 A148 3759 A38 1/2 978 A66 1676 A90 2286 A154 3912 A39 991 A67 1702 A91 2311 A162 4115 A40 1016 A68 1727 A92 2337 A167 4242 A41 1041 A70 1778 A94 2388 A192 4877 A41 1/2 1054 A71 1803 A95 2413 A197 5004*顶宽:17mm * 最小轮径: 125mm*高度: 11mm *Li(内长)= La(外长)-69mm* 角度:40°* Li(内长)= Lp(节园长)—43mm 型号Li mm 型号Li mm 型号Li mm 型号Li mm B23 584 B52 1321 B89 2261 B132 3353 B24 610 B53 1346 B90 2286 B136 3454 B25 635 B53 1/2 1359 B91 2311 B140 3556 B26 660 B55 1397 B92 2337 B142 3607 B26 1/2 673 B56 1422 B93 2362 B146 3708 B27 686 B57 1448 B94 2388 B150 3810 B28 711 B58 1473 B94 1/2 2400 B151 3835 B29 737 B59 1499 B95 2413 B152 3861 B31 787 B60 1524 B96 2438 B155 3937 B32 813 B62 1575 B96 1/2 2451 B158 4013 B33 838 B63 1600 B98 2489 B160 4064 B341/2 876 B64 1626 B99 2515 B162 4115 B35 889 B65 1651 B101 2565 B164 4166 B37 940 B66 1676 B103 2616 B167 4242 B37 1/2 953 B67 1702 B104 2642 B168 4267 B38 965 B68 1727 B106 2692 B173 4394 B39 991 B69 1/2 1765 B108 2743 B179 4547 B40 1016 B70 1778 B109 2769 B180 4572 B41 1041 B71 1803 B110 2794 B187 4750 B41 1/2 1054 B73 1854 B111 2819 B191 4851 B42 1067 B74 1880 B114 2896 B208 5283 B43 1092 B78 1981 B116 2946 B226 5740 B44 1118 B79 2007 B117 2972 B236 5994 B45 1143 B81 2057 B118 2997 B238 6045 B45 1/2 1156 B82 2083 B119 3023 B40 6096 B46 1168 B83 2108 B120 3048 B248 6299 B48 1219 B85 2159 B125 3175 B280 7112 B49 1245 B86 2184 B126 3200 B298 7569 B50 1270 B88 2235 B128 3251 B345 8763*顶宽:22mm *最小轮径: 120mm* 高度: 14mm * Li(内长)= La(外长)-88mm* 角度: 40°* Li(内长)= Lp(节园长)-56mm 型号Li mm 型号Li mm 型号Li mm 型号Li mm C38 965 C75 1905 C110 2794 C160 4064 C43 1092 C78 1981 C111 2819 C166 4216 C47 1194 C80 2032 C112 2845 C168 4267 C48 1219 C81 2057 C114 2896 C173 4394 C49 1245 C83 2108 C115 2921 C180 4572 C50 1270 C84 2134 C116 2946 C185 4699 C51 1295 C85 2159 C117 2972 C187 4750 C53 1346 C86 2184 C120 3048 C190 4826 C54 1372 C87 2210 C122 3099 C198 5029 C57 1448 C88 2235 C126 3200 C200 5080 C59 1499 C89 2261 C130 3302 C204 5182 C60 1524 C90 2286 C132 3353 C208 5283 C62 1575 C91 2311 C136 3454 C210 5334 C63 1600 C92 2337 C138 3505 C220 5588 C64 1626 C93 2362 C140 3556 C225 5715 C65 1651 C95 2413 C142 3607 C238 6045 C66 1676 C96 2438 C144 3658 C240 6096 C67 1702 C99 2515 C146 3708 C264 6706 C68 1727 C101 2565 C148 3759 C280 7112 C69 1753 C102 2591 C149 3785 C295 7493 C70 1778 C104 2642 C150 3810 C320 8128 C71 1803 C105 2667 C152 3861 C328 8331 C72 1829 C106 2692 C153 3886 C418 10617 C74 1880 C108 2743 C158 4013 C658 16713*顶宽: 32mm *最小轮径: 355mm*高度:19mm * Li(内长)= La(外长)—119mm*角度: 40°*Li(内长)= Lp(节园长)-79mm 型号Li mm 型号Li mm 型号Li mm 型号Li mm D112 2845 D145 3683 D220 5588 D298 7569 D120 3048 D152 3861 D230 5842 D300 7620 D122 3099 D158 4013 D248 6299 D303 7696 D126 3200 D173 4394 D250 6350 D314 7976 D134 3404 D174 4420 D264 6706 D342 8687 D136 3454 D180 4572 D265 6731 D355 9017D138 3505 D183 4648 D270 6858 D358 9093 D141 3581 D200 5080 D280 7112 D360 9144*顶宽:10mm *最小轮径: 50mm* 高度:6mm *Li(内长)= La(外长)—38mm*角度: 40°*Li(内长)= Lp(节园长)-22mm 型号Li mm 型号Li mm 型号Li mm 型号Li mm Z11 279 Z28 1/2 724 Z43 1092 Z63 1600 Z12 305 Z29 737 Z43 1/2 1105 Z64 1626 Z13。
标准三⾓⽪带尺⼨表标准三⾓带 A,B,C,D,Z* 防油,抗静电* ⼯作温度: -18℃⾄ +70℃ *最⼤线性速度: 30⽶/ 秒* ** **顶宽: 13mm 最⼩轮径: 75mm ⾼度: 8mmLi(内长)= La(外长)-50mm * ⾓度: 40° Li(内长)= Lp(节园长)-36mm 型号 L i mm 型号Li mm型号 Li mm 型号 Li mm A15 3 81 A42 1067 A72 1829 A96 2438 A18 4 57 A43 1092 A74 1880 A98 2489 A20 5 08 A43 1/21105A75 1905 A99 2515 A22 5 59 A44 1118 A76 1930 A101 2565 A23 5 84 A45 1143 A77 1956 A102 2591 A23 1/2 5 97 A45 1/21156A78 1727 A103 2616 A24 6 10 A46 1168 A79 1753 A104 2642 A25 6 35 A46 1/21181A80 1778 A105 2667 A26 6 60 A47 1194 A81 1803 A107 2718 A27 6 86 A48 1219 A83 1854 A108 2743 A28 7 11 A49 1245 A85 1905 A110 2794 A29 7 37 A50 1270 A86 1930 A112 2845 A29 1/2 7 49 A51 1295 A87 1956 A113 2870 A30 7 62 A52 1321 A88 1981 A114 2896 A31 7 87 A53 1346 A89 2007 A115 2921 A32 8 13 A55 1397 A91 2057 A118 2997 A32 1/2 8 26 A56 1422 A92 2083 A120 3048 A33 8 38 A57 1448 A83 2108 A124 3150 A34 8 64 A58 1473 A83 1/2 2121 A125 3175 A34 1/2 8 76 A59 1499 A84 2134 A126 3200 A35 8 89 A60 1524 A84 1/2 2146 A128 3251 A35 1/2 9 02 A61 1549 A85 2159 A130 3302 A36 9 14 A62 1575 A86 2184 A132 3353 A37 9 40 A63 1600 A87 2210 A140 3556 A38 9 65 A65 1651 A89 2261 A148 3759 A38 1/2 9 78 A66 1676 A90 2286 A154 3912 A39991 A67 1702A912311A1624115A401 016 A68 1727 A92 2337 A167 4242 A41 1 041 A70 1778 A94 2388 A192 4877 A41 1/2 1054 A71 1803A952413A1975004*****顶宽: 17mm 最⼩轮径: 125mm ⾼度: 11mm Li(内长)= La(外长)-69mm* ⾓度: 40°Li(内长)= Lp(节园长)-43mm 型号 L i mm 型号Li mm型号 Li mm 型号 Li mm B23 5 84 B52 1321 B89 2261 B132 3353 B24 6 10 B53 1346 B90 2286 B136 3454 B25 6 35 B53 1/21359B91 2311 B140 3556 B26 6 60 B55 1397 B92 2337 B142 3607 B26 1/2 6 73 B56 1422 B93 2362 B146 3708 B27 6 86 B57 1448 B94 2388 B150 3810 B28 7 11 B58 1473 B94 1/2 2400 B151 3835 B29 7 37 B59 1499 B95 2413 B152 3861 B31 7 87 B60 1524 B96 2438 B155 3937 B32 8 13 B62 1575 B96 1/2 2451 B158 4013 B33 8 38 B63 1600 B98 2489 B160 4064B341/2 8 76 B64 1626 B99 2515 B162 4115 B35 8 89 B65 1651 B101 2565 B164 4166 B37 9 40 B66 1676 B103 2616B167 4242 B37 1/2 9 53 B67 1702 B104 2642 B168 4267 B38 9 65 B68 1727 B106 2692 B173 4394 B39 9 91 B69 1/21765B108 2743 B179 4547 B40 1 016 B70 1778 B109 2769 B180 4572 B41 1 041 B71 1803 B110 2794 B187 4750 B41 1/2 1 054 B73 1854 B111 2819 B191 4851 B42 1 067 B74 1880 B114 2896 B208 5283 B43 1 092 B78 1981 B116 2946 B226 5740 B44 1 118 B79 2007 B117 2972 B236 5994 B45 1 143 B81 2057 B118 2997 B238 6045 B45 1/2 1 156 B82 2083B119 3023 B40 6096 B46 1 168 B83 2108 B120 3048 B248 6299 B481219 B85 2159B1253175B2807112B491 245 B86 2184 B126 3200 B298 7569 B50 1270 B88 2235B1283251B3458763***** 顶宽: 22mm 最⼩轮径: 120mm ⾼度: 14mm Li(内长)= La(外长)-88mm* ⾓度: 40°Li(内长)= Lp(节园长)-56mm 型号 Li mm 型号Li mm型号 Li mm 型号 Li mm C38 965 C75 1905 C110 2794 C160 4064 C43 1092 C78 1981 C111 2819 C166 4216 C47 1194C80 2032 C112 2845 C168 4267 C48 1219 C81 2057 C114 2896 C173 4394 C49 1245 C83 2108 C115 2921 C180 4572 C50 1270 C84 2134 C116 2946 C185 4699 C51 1295 C85 2159 C117 2972 C187 4750 C53 1346 C86 2184 C120 3048C190 4826 C54 1372 C87 2210 C122 3099 C198 5029 C57 1448 C88 2235 C126 3200 C200 5080 C59 1499 C89 2261C130 3302 C204 5182 C60 1524 C90 2286 C132 3353 C208 5283 C62 1575 C91 2311 C136 3454 C210 5334 C63 1600 C92 2337 C138 3505 C220 5588 C64 1626 C93 2362 C140 3556 C225 5715 C65 1651 C95 2413 C142 3607 C238 6045 C66 1676 C96 2438 C144 3658 C240 6096 C67 1702 C99 2515 C146 3708 C264 6706 C68 1727 C 101 2565 C148 3759 C280 7112 C69 1753 C 102 2591 C149 3785 C295 7493 C70 1778 C 104 2642 C150 3810 C320 8128 C71 1803 C 105 2667 C152 3861 C328 8331 C72 1829 C 106 2692 C153 3886 C418 10617 C741880C 108 2743C158 4013C65816713*****顶宽: 32mm 最⼩轮径: 355mm ⾼度: 19mm Li(内长)= La(外长)-119mm* ⾓度: 40° Li(内长)= Lp(节园长)-79mm型号L i mm 型号 Li mm 型号 Li mm 型号 Li mm D112 2 845 D 145 3683 D220 5588 D298 7569 D120 3 048 D 152 3861 D230 5842 D300 7620 D122 3 099 D 158 4013 D248 6299 D303 7696 D126 3 200 D 173 4394 D250 6350 D314 7976 D134 3 404 D 174 4420 D264 6706 D342 8687 D136 3 454 D 180 4572 D265 6731 D355 9017 D138 3 505 D 183 4648 D270 6858 D358 9093 D141 3581 D 200 5080D2807112D3609144*****顶宽: 10mm 最⼩轮径: 50mm ⾼度: 6mmLi(内长)= La(外长)-38mm * ⾓度: 40° Li(内长)= Lp(节园长)-22mm 型号 L i mm 型号 Li mm 型号 Li mm 型号 Li mm Z11 2 79 Z 28 1/2724Z43 1092 Z63 1600 Z12 3 05 Z 29 737 Z43 1/2 1105 Z64 1626 Z13.5 3 43 Z 30 762 Z44 1118 Z65 1651 Z14 3 56 Z 31 787 Z45 1143 Z66 1676 Z15 3 81 Z 32 813 Z46 1168 Z68 1727 Z17 4 32 Z 33 838 Z48 1219 Z69 1753 Z18 4 57 Z 33.5 851 Z49 1245 Z70 1778 Z19 4 83 Z 34 864 Z50 1270 Z71 1803 Z19 3/4 5 02 Z 35 889 Z51 1295 Z72 1829 Z20 5 08 Z35 1/2902Z52 1321 Z73 1854 Z21 5 33 Z 36 914 Z54 1372 Z75 1905 Z21 1/4 5 40 Z 38 965 Z55 1397 Z78 1981 Z22 5 59 Z38 1/2978Z56 1422 Z79 2007 Z23 5 84 Z 39 991 Z57 1448 Z80 2032 Z24 6 10 Z 40 1016 Z58 1473 Z88 2235 Z25 6 35 Z 40 1/2 1029 Z59 1499 Z93 2362 Z26 6 60 Z41 121054Z60 1524 Z28711 Z 42 1067Z621575顶宽⽪带型号⾼度⾓度标测长度外周长Z10640oLi (内周长)Li+38mm A13840oLi Li+50mm B171140oLi Li+69mm C221440oLiLi+88mm D322040oLi Li+119mm 详细尺⼨SPZ10840oLp (节圆长)Lp+13mm SPA131040oLp Lp+18mm SPB171340oLp Lp+20mm SPC221840oLp Lp+30mm 详细尺⼨3V9.7840oLa (外周长)5V161440oLa8V252340oLa详细尺⼨。
三角带型号含义及基本参数一、前缀标号形状 O、A、B、C、D、E、F 由O至F 剖面面积逐渐增大O:顶宽10毫米,高度6毫米A:顶宽13毫米,节宽11毫米,高度8毫米,契角40?B:顶宽17毫米,高度10.5毫米C:顶宽22毫米,高度13.5毫米D:顶宽54.5毫米,高度19毫米E:顶宽38毫米,高度25.5毫米F:三角带的型号有:Y Z A B C D E这几种,从Y到E,节宽依次变大。
国标GB/T1154-1997中有详细解释。
Lw见下:产品名;普通三角带、窄V带组成材质:橡胶、拉力骨架线作用:印刷机械、纺织机械、工厂设备、动力设备、汽车传动、农机传动、等设备的机械传动Lw有效长度 Li 内周长度通常型号有: 普通三角带截型SIZE截面尺寸(Transect size) 可供规格内周长长度(Providable inner-perimeter)顶宽带高节宽楔角长度换算英制:尺寸公制: (stadard)Top width Height Pitch width Angie Length inch mmY 6 4 5.3 40? Lw=Li+15 10-25 254-635O 10 6 8.5 40? Lw=Li+22 16-80 406-2032A 13 8 11 40? Lw=Li+30 22-160 559-4064B 17 11 14 40? Lw=Li+40 22-300 559-7620C 22 14 19 40? Lw=Li+48 40-380 1016-9650D 32 19 27 40? Lw=Li+75 120-440 3048-15240E 38 25 32 40? Lw=Li+80 150-600 3810-15240F 50 30 40? 200-630 5080-16000窄V带项目/截型基准制(SP系列即公制) 有效制(ZV系列即英制) SPZSPASPBSPC3V/9N5V/15N8V/25N顶宽(b)(mm)10.0 13.0 17.0 22.0 9.0 15.0 25.0带高(h)(mm)8.0 10.0 14.0 18.0 8.0 13.0 23.0节宽(b)(mm)8.0 11.0 14.0 19.0楔角(a)40? 40? 40? 40? 40? 40? 40?长度换算。
a型三角带规格尺寸表
A型三角带是一种常见的传动零件,用于传递机械设备的动力。
以下
是A型三角带的详细规格尺寸表:
一、基本参数
1. 型号:A型三角带
2. 材质:橡胶和聚酯线绳
3. 颜色:黑色
二、尺寸参数
1. 带宽:13mm、15mm、17mm、19mm、22mm、25mm
2. 带厚度:8mm
3. 外周长:1778mm、1905mm、2032mm、2159mm、2286mm、2413mm、2540mm
4. 节距长度:3.56cm
三、性能参数
1. 耐磨性:优异
2. 耐油性:良好
3. 耐热性:良好,最高耐温可达到80℃
4. 抗张强度:高,最大抗张强度可达到1000N/mm²
四、使用注意事项
1. 安装前应检查三角带是否有损坏或老化现象,如有应及时更换。
2. 安装时应保证三角带与轮毂之间的嵌合紧密,不得出现滑动或打滑
现象。
3. 使用中应避免过载或突然停车,以免损坏三角带。
4. 使用过程中应及时清洗三角带表面的灰尘和油污,保持其良好的工
作状态。
五、适用范围
A型三角带广泛应用于各种机械设备的传动系统中,如发电机、空调、水泵等。
其传动效率高,使用寿命长,是一种性能优异的传动零件。
三角带国家标准及尺寸三角带,又称V带,是一种用于传动的橡胶带,其横截面呈三角形状,通常用于传输动力和扭矩。
三角带的国家标准及尺寸对于机械设备的正常运转至关重要。
本文将详细介绍三角带的国家标准及尺寸,以便广大机械设备制造商和使用者了解相关信息。
首先,三角带的国家标准主要由国家标准化管理委员会制定和发布。
根据国家标准,三角带的尺寸分为A、B、C、D、E五种规格,分别对应着不同的带宽和长度。
其中,A型三角带的带宽为13mm,内周长从356mm至3550mm不等;B型三角带的带宽为17mm,内周长从533mm至5334mm不等;C型三角带的带宽为22mm,内周长从737mm至7369mm不等;D型三角带的带宽为32mm,内周长从1219mm至12190mm不等;E型三角带的带宽为38mm,内周长从1829mm至18290mm不等。
这些尺寸的设定,旨在满足不同机械设备对于传动带的需求,确保传动的稳定性和可靠性。
其次,三角带的国家标准还规定了带的材质、硬度、拉伸强度、抗撕裂性能等技术要求。
根据国家标准,三角带应采用优质的橡胶材料制成,具有良好的耐磨性和耐老化性能,能够在恶劣的工作环境下保持稳定的传动效果。
同时,三角带的硬度应符合标准要求,以保证在传动过程中不会产生滑动或打滑现象,确保传动的高效性。
此外,三角带的拉伸强度和抗撕裂性能也是国家标准要求的重点检测指标,以确保带在承受高扭矩和高负荷时不会发生断裂或损坏,保障设备的安全运行。
最后,三角带的国家标准及尺寸对于机械设备的选型和设计具有重要的指导意义。
在选择三角带时,制造商和使用者应根据设备的功率、转速、传动比等参数,合理选择符合国家标准的三角带规格和尺寸,以保证传动的稳定性和可靠性。
同时,在设计机械设备时,应根据国家标准规定的三角带尺寸和技术要求进行设计,并合理设置传动装置和张紧装置,以确保三角带能够正常工作,延长使用寿命,降低维护成本。
综上所述,三角带的国家标准及尺寸是保证机械设备传动效果的重要保障,对于制造商和使用者来说,了解并严格遵守国家标准是至关重要的。
三角带国家标准及尺寸
三角带国家标准及尺寸
三角带的每一个型号规定了三角带的断面尺寸:
A型三角带的断面尺寸是:顶端宽度13mm、厚度为8mm;
B型三角带的断面尺寸是:顶端宽度17MM,厚度为10.5MM;
C型三角带的断面尺寸是:顶端宽度22MM,厚度为13.5MM;
D型三角带的断面尺寸是:顶端宽度21.5MM,厚度为19MM;
E型三角带的断面尺寸是:顶端宽度38MM,厚度为25.5MM。
对应尺寸(宽*高):O(10*6)、A(12.5*9)、B(16.5*11)、C (22*14)、D(21.5*19)、E (38*25.5)。
不同型号的皮带轮的槽角在不同直径范围下的推荐皮带轮槽角度数如下:O型皮带轮在带轮直径范围在50mm~71mm时为34度;在71mm~90mm 时为36度,>90mm时为38度;
A型皮带轮在带轮直径范围在71mm~100mm时为34度,100mm~125mm 时为36度;>125mm时为38度;
B型皮带轮在带轮直径范围在125mm~160mm时为34度;160mm~200mm时为36度,>200mm时为38度;
C型皮带轮在带轮直径范围在200mm~250mm时为34度,250mm~315mm 时为36度,>315mm时为38度;
D型皮带轮在带轮直径范围在355mm~450mm时为36度,>450mm时为38度;
E型500mm~630mm时为36度,>630mm时为38度。
工业皮带(三角带)标准标准三角带 A,B,C,D,E,M,K。
窄三角带 SPZ,SPA,SPB,SPC * 防油,抗静电* 工作温度: -18℃至+70℃* 最大线性速度: 30米/ 秒A47 1194 A91 2311 A135 3429 A179A48 1219 A92 2337 A136 3454 A180A49 1245 A93 2362 A137 3480 A181A50 1270 A94 2388 A138 3505 A182A51 1295 A95 2413 A139 3531 A183A52 1321 A96 2438 A140 3556 A184A53 1346 A97 2464 A141 3581 A185A54 1372 A98 2489 A142 3607 A186A55 1397 A99 2515 A143 3632 A187A56 1422 A100 2540 A144 3658 A188A57 1448 A101 2565 A145 3683 A189A58 1473 A102 2591 A146 3708 A190* 顶宽: 16.5mm * 最小轮径: 125mm* 高度: 11mm * Li(长)= La(外长)* 角度: 40°* Li(长)= Lp(节园长B44 1118 B89 2261 B134 3404 B179B45 1143 B90 2286 B135 3429 B180B46 1168 B91 2311 B136 3454 B181B47 1194 B92 2337 B137 3480 B182B48 1219 B93 2362 B138 3505 B183B49 1245 B94 2388 B139 3531 B184B50 1270 B95 2413 B140 3556 B185B51 1295 B96 2438 B141 3581 B186B52 1321 B97 2464 B142 3607 B187B53 1346 B98 2489 B143 3632 B188B54 1372 B99 2515 B144 3658 B189B55 1397 B100 2540 B145 3683 B190B56 1422 B101 2565 B146 3708 B191B57 1448 B102 2591 B147 3734 B192B58 1473 B103 2616 B148 3759 B193B59 1499 B104 2642 B149 3785 B194B60 1524 B105 2667 B150 3810 B195B61 1549 B106 2692 B151 3835 B196B62 1575 B107 2718 B152 3861 B197B63 1600 B108 2743 B153 3886 B198B64 1626 B109 2769 B154 3912 B199B200* 顶宽: 22mm * 最小轮径: 120mm* 高度: 14mm * Li(长)= La(外长)-8* 角度: 40°* Li(长)= Lp(节园长)C109 2769 C177 4496 C245 6223 C313C110 2794 C178 4521 C246 6248 C314C111 2819 C179 4547 C247 6274 C315C112 2845 C180 4572 C248 6299 C316C113 2870 C181 4597 C249 6325 C317C114 2896 C182 4623 C250 6350 C318C115 2921 C183 4648 C251 6375 C319C116 2946 C184 4674 C252 6401 C320C117 2972 C185 4699 C253 6426* 顶宽: 31.5mm * 最小轮径: 355mm* 高度: 19mm * Li(长)= La(外长)* 角度: 40°* Li(长)= Lp(节园长* 顶宽: 38mm * 最小轮径* 高度: 25.5mm * Li(长* 角度: 40°* Li(长E157 3988 E227 5766 E297 7544 E367E158 4013 E228 5791 E298 7569 E368E159 4039 E229 5817 E299 7595 E369E160 4064 E230 5842 E300 7620 E370E161 4089 E231 5867 E301 7645 E371E162 4115 E232 5893 E302 7671 E372E163 4140 E233 5918 E303 7696 E373E164 4166 E234 5944 E304 7722 E374E165 4191 E235 5969 E305 7747 E375E166 4216 E236 5994 E306 7772 E376E167 4242 E237 6020 E307 7798 E377E168 4267 E238 6045 E308 7823 E378E169 4293 E239 6071 E309 7849 E379E170 4318 E240 6096 E310 7874 E380E171 4343 E241 6121 E311 7899 E381E172 4369 E242 6147 E312 7925 E382E173 4394 E243 6172 E313 7950 E383E174 4420 E244 6198 E314 7976 E384E175 4445 E245 6223 E315 8001 E385E176 4470 E246 6248 E316 8026, E386E177 4496 E247 6274 E317 8052 E387E178 4521 E248 6299 E318 8077 E388E179 4547 E249 6325 E319 8103 E389E180 4572 E250 6350 E320 8128 E390E181 4597 E251 6375 E321 8153 E391E182 4623 E252 6401 E322 8179 E392E183 4648 E253 6426 E323 8204 E393E184 4674 E254 6452 E324 8230 E394E185 4699 E255 6477 E325 8255 E395E186 4724 E256 6502 E326 8280 E396E187 4750 E257 6528 E327 8306 E397E188 4775 E258 6553 E328 8331 E398E189 4801 E259 6579 E329 8357 E399E400* 顶宽: 10mm * 最小轮径: 125mm* 高度: 5.5mm * Li(长)= La(外长)-* 角度: 40°* Li(长)= Lp(节园长M14 356 M33 838 M52 1321 M71M15 381 M34 864 M53 1346 M72M16 406 M35 889 M54 1372 M73M17 432 M36 914 M55 1397 M74M18 457 M37 940 M56 1422 M75M19 483 M38 965 M57 1448 M76M20 508 M39 991 M58 1473 M77M21 533 M40 1016 M59 1499 M78M22 559 M41 1041 M60 1524 M79M23 584 M42 1067 M61 1549 M80M24 610 M43 1092 M62 1575 M81M25 635 M44 1118 M63 1600 M82M26 660 M45 1143 M64 1626 M83M27 686 M46 1168 M65 1651 M84M28 711 M47 1194 M66 1676 M85M29 737 M48 1219 M67 1702* 顶宽: 8mm * 最小轮径: 120mm* 高度: 6mm * Li(长)= La(外长)-8* 角度: 40°* Li(长)= Lp(节园长)窄三角带 SPZ,SPA,SPB,SPC* 防油, 抗静电* 工作温度:-18℃ 至+70℃* 最大线性速度:42米/ 秒* 顶宽: 10mm * 高度: 8mm * 角度: 40°* 最小轮径: 67* Lp(节圆长)=* Lp(节圆长)=型号 有效周长 mm型号 有效周长 mm型号 有效周长 mm型号 SPZ512 512 SPZ987 987 SPZ1250 1250 SPZ1800 SPZ562 562 SPZ994 994 SPZ1270 1270 SPZ1837 SPZ600 600 SPZ1000 1000 SPZ1287 1287 SPZ1862 SPZ612 612 SPZ1012 1012 SPZ1300 1300 SPZ1887 SPZ630 630 SPZ1024 1024 SPZ1320 1320 SPZ1900 SPZ670 670 SPZ1030 1030 SPZ1337 1337 SPZ2000 SPZ700 700 SPZ1037 1037 SPZ1347 1347 SPZ2037 SPZ737 737 SPZ1050 1050 SPZ1350 1350SPZ2087 SPZ762 762 SPZ1060 1060 SPZ1358 1358 SPZ2120 SPZ800 800 SPZ1077 1077 SPZ1387 1387 SPZ2137 SPZ812 812 SPZ1080 1080 SPZ1400 1400 SPZ2187 SPZ825 825 SPZ1087 1087 SPZ1420 1420 SPZ2240 SPZ837 837 SPZ1112 1112 SPZ1437 1437 SPZ2360 SPZ850 850 SPZ1120 1120 SPZ1450 1450 SPZ2410 SPZ875 875 SPZ1137 1137 SPZ1475 1475 SPZ2500 SPZ890 890 SPZ1150 1150 SPZ1500 1500 SPZ2587 SPZ900 900 SPZ1162 1162 SPZ1520 1520 SPZ2650 SPZ912 912 SPZ1180 1180 SPZ1560 1560 SPZ2800 SPZ925 925 SPZ1187 1187 SPZ1600 1600 SPZ3000 SPZ940 940 SPZ1200 1200 SPZ1612 1612 SPZ3150 SPZ950 950 SPZ1202 1202 SPZ1662 1662 SPZ3350 SPZ962 962SPZ12371237SPZ17001700SPZ3550SPA850 850 SPA1282 1282 SPA1832 1832 SPA2532 SPA875 875 SPA1307 1307 SPA1857 1857 SPA2582 SPA882 882 SPA1320 1320 SPA1882 1882 SPA2650 SPA900 900 SPA1346 1346 SPA1900 1900 SPA2680 SPA907 907 SPA1357 1357 SPA1907 1907 SPA2682 SPA932 932 SPA1367 1367 SPA1932 1932 SPA2732 SPA950 950 SPA1382 1382 SPA1957 1957 SPA2780 SPA957 957 SPA1400 1400 SPA1982 1982 SPA2800 SPA975 975 SPA1418 1418 SPA1987 1987 SPA2900 SPA982 982 SPA1432 1432 SPA2000 2000 SPA2950 SPA1000 1000 SPA1450 1450 SPA2032 2032 SPA3000 SPA1032 1032 SPA1482 1482 SPA2057 2057 SPA3080 SPA1060 1060 SPA1500 1500 SPA2082 2082 SPA3150 SPA1082 1082 SPA1532 1532 SPA2120 2120 SPA3180 SPA1107 1107 SPA1557 1557 SPA2132 2132SPA3250 SPA1120 1120 SPA1582 1582 SPA2182 2182 SPA3280 SPA1132 1132 SPA1600 1600 SPA2207 2207 SPA3550 SPA1150 1150 SPA1625 1625 SPA2240 2240 SPA4000SPA1157 1157SPA16321632SPA228222821SPB1580 1580 SPB2180 2180 SPB2900 2900 SPB5600 SPB1590 1590 SPB2185 2185 SPB2950 2950 SPB6000 SPB1600 1600 SPB2230 2230 SPB3000 3000 SPB6300 SPB1630 1630 SPB2240 2240 SPB3057 3057 1 SPB1650 1650 SPB2280 2280 SPB3080 3080 1 SPB1680 1680 SPB2300 2300 SPB3150 3150 1 SPB1690 1690 SPB2360 2360 SPB3200 3200 1 SPB1700 1700 SPB2380 2380 SPB3250 3250 1.zxbelt./ProductList_69.html。
三角带执行标准一、尺寸规格三角带的尺寸规格应符合GB/T 11544-2013标准,主要包含以下参数:1. 基准长度Lc:三角带在基准温度下,无张力状态下测量的长度。
2. 有效长度Lh:三角带在张紧状态下,测得的长度。
3. 顶宽bc:三角带顶部的宽度。
4. 厚度h:三角带横截面的厚度。
5. 包角α:三角带截面与轮槽截面之间的夹角。
二、材质要求三角带的材质应符合GB/T 11544-2013标准,通常采用氯丁橡胶、丁苯橡胶、聚氨酯等材料。
要求材料具有良好的耐磨性、抗拉伸强度、抗撕裂强度等性能。
三、力学性能三角带的力学性能应符合GB/T 11544-2013标准,具体要求如下:1. 拉伸强度:三角带在拉伸试验中,最大负荷下的强度应符合标准要求。
2. 伸长率:三角带在拉伸试验中,破裂前的最大伸长率应符合标准要求。
3. 硬度:三角带的硬度应符合材料硬度计的测试结果。
四、耐热性能三角带的耐热性能应符合GB/T 11544-2013标准,要求在高温条件下,三角带的物理性能稳定,不出现软化、龟裂等现象。
五、耐寒性能三角带的耐寒性能应符合GB/T 11544-2013标准,要求在低温条件下,三角带的物理性能稳定,不出现硬化、龟裂等现象。
六、耐磨损性能三角带的耐磨损性能应符合GB/T 11544-2013标准,要求在长期使用过程中,三角带的磨损量小,不出现异常磨损。
七、耐老化性能三角带的耐老化性能应符合GB/T 11544-2013标准,要求在长期使用过程中,三角带的老化程度低,使用寿命长。
八、环保要求三角带的生产和使用过程中应符合环保要求,采用环保型材料和工艺,不含有对人体和环境有害的物质。
同时,三角带的废弃物应易于回收利用或处理。
九、安全性三角带应具有安全性,在使用过程中不出现锐利的边缘或突起,以免对人体造成伤害。
同时,三角带应具有良好的稳定性,确保使用安全。
十、外观质量三角带的外观质量应符合GB/T 11544-2013标准,要求三角带表面平整、光滑、无明显瑕疵和损伤。
三角带的尺寸
一.普通标准三角带
A,B,C,D,Z 防油,抗静电,耐磨工作温度: -18℃至+70℃最大线性速度: 30 米/ 秒
普通三角带的宽高比为1:1.5~1.6
Z型
A型
B型
C型
D型
E型
二窄V带
窄V带三角带宽高比为1:1.2
窄型v带的结构尺寸比普通V带可以减少约50%,能节省大量原材料,同时强力均匀,有效接触面积大,弯曲应力小,可大大延长使用寿命。
窄型v带的传动效率可达90%一97%,极限速度达40-50m/s,传动能力提高0.5~1.5倍,最适于短距离、小带轮于变速传动,故又称之为变速带。
其特点是在带的上下表面,大多制成单面或双面的弧形或齿形状态,使之易于调速,主要用在低速的
圆锥式和圆盘式无级变速器方面。
一般有SPZ SPA SPB SPC 等其他型号
还有3V 5V 8V的窄型联组带
型号顶宽MM 高度MM 角度MM 最小轮径MM o 10 6 40 50
A 13 8 40 75
B 17 10.5 40 125
C 22 14 40 120
D 31.5 19 40 355
E 38 25.5 40
spz 10 8 40
SPA 13 10 40
SPB 17 13 40
SPC 22 18 40
3V 9.7 8 40
5V 16 14 40
8V 25 23 40。
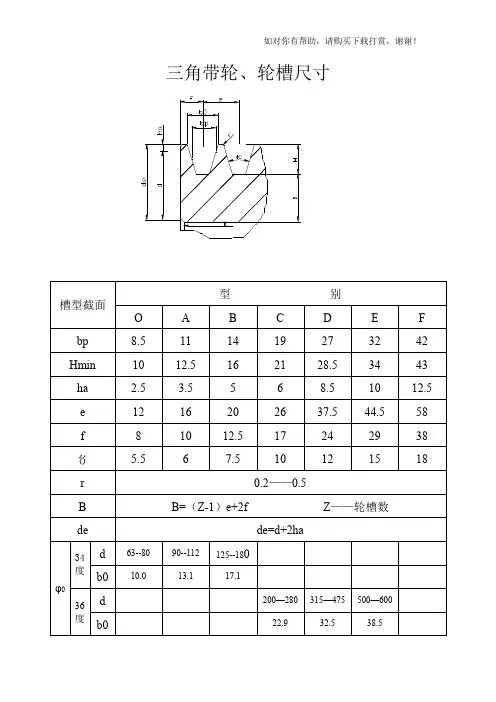
三角带轮、轮槽尺寸
注:
1. 尺寸b0的偏差按h1
2.
2. 槽角φ0的偏差对O ,A ,B 型为正负1度,C ,D
,E ,F 型为正负30分。
3. 轮槽工作表面光洁度▽5(d >300毫米)或▽6(d ≤300毫米)。
4. 对于活络三角胶带为使螺钉头不与槽底相碰,H 应适当加大。
活络三角带小皮带轮最小直径d min (毫米)
活络三角带单根胶带所能传递的功率P 0
(千瓦)
注:P 0值尚无可靠资料,表中数值仅供参考。
活络三角胶带带轮见三角带带轮部分。
三角胶带带轮最小直径 d min (毫米)
三角带轮的计算直径
注:++——优先选用, +——可以选用。
三角带轮材料
1.铸铁,钢,铝合金以及工程塑料,
2.应用灰口铸铁最广,一般为HT15——33,在重要场
合或带轮速度较高时,可用HT20——40。
三角胶带型号及截面尺寸(按GB1171——74
)
mm。
A型三角带* 顶宽: 13mm * 高度: 8mm* 最小轮径: 75mm * 角度: 40°毫米(mm) 英寸(inch) 毫米(mm) 英寸(inch) 毫米(mm) 英寸(inch) 毫米(mm) 英寸(inch)A17 A 432 A37 1/2 A 950 A65 A 1651 A94 A 2388 A18 A 457 A38 A 965 A66 A 1676 A95 A 2413 A19 A 483 A38 1/2 A 975 A67 A 1702 A96 A 2438 A20 A 508 A39 A 991 A68 A 1727 A97 A 2464 A21 A 533 A40 A 1016 A69 A 1753 A98 A 2489 A22 A 559 A41 A 1041 A70 A 1778 A100 A 2540 A23 A 584 A42 A 1067 A71 A 1803 A102 A 2591 A23 1/2 A 600 A43 A 1092 A72 A 1829 A104 A 2642 A24 A 612 A44 A 1118 A73 A 1854 A105 A 2667 A25 A 635 A45 A 1143 A74 A 1880 A107 A 2718 A26 A 660 A46 A 1168 A75 A 1905 A108 A 2743 A26 1/2 A 670 A47 A 1194 A76 A 1930 A110 A 2794 A27 A 686 A48 A 1219 A77 A 1956 A112 A 2845 A27 1/2 A 700 A49 A 1245 A78 A 1981 A114 A 2896 A28 A 711 A50 A 1270 A79 A 2007 A116 A 2946 A29 A 737 A51 A 1295 A80 A 2032 A118 A 2997 A29 1/2 A 750 A52 A 1321 A81 A 2057 A120 A 3048 A30 A 762 A53 A 1346 A82 A 2083 A124 A 3150 A31 A 787 A54 A 1372 A83 A 2108 A128 A 3251 A31 1/2 A 800 A55 A 1397 A84 A 2134 A132 A 3353 A32 A 813 A56 A 1422 A85 A 2159 A136 A 3454 A32 1/2 A 825 A57 A 1448 A86 A 2184 A140 A 3556 A33 A 838 A58 A 1473 A87 A 2210 A144 A 3658 A34 A 864 A59 A 1499 A88 A 2235 A148 A 3759 A34 1/2 A 875 A60 A 1524 A89 A 2261 A158 A 4013 A35 A 889 A61 A 1549 A90 A 2286 A167 A 4242 A35 1/2 A 900 A62 A 1575 A91 A 2311 A187 A 4750 A36 A 914 A63 A 1600 A92 A 2337 A197 A 5004B型三角带* 顶宽: 17mm* 高度: 11mm* 角度: 40°* 最小轮径: 125mm毫米(mm) 英寸(inch) 毫米(mm) 英寸(inch) 毫米(mm) 英寸(inch) 毫米(mm) 英寸(inch)B24 B 610 B53 B 1346 B88 B 2235 B136 B 3454 B25 B 635 B54 B 1372 B89 B 2261 B138 B 3505 B26 B 660 B55 B 1397 B90 B 2286 B140 B 3556 B26 1/2 B 670 B56 B 1422 B91 B 2311 B142 B 3607 B27 B 686 B57 B 1448 B92 B 2337 B144 B 3658 B28 B 711 B58 B 1473 B93 B 2362 B146 B 3708 B29 B 737 B59 B 1499 B94 B 2388 B148 B 3759 B30 B 762 B60 B 1524 B95 B 2413 B150 B 3810 B31 B 787 B61 B 1549 B96 B 2438 B152 B 3861 B32 B 813 B62 B 1575 B97 B 2464 B154 B 3912 B32 1/2 B 825 B63 B 1600 B98 B 2489 B155 B 3937 B33 B 838 B64 B 1626 B99 B 2515 B156 B 3962 B34 B 864 B65 B 1651 B100 B 2540 B158 B 4013 B34 1/2 B 875 B66 B 1676 B101 B 2565 B160 B 4064 B35 B 889 B67 B 1702 B102 B 2591 B162 B 4115 B36 B 914 B68 B 1727 B103 B 2616 B165 B 4191 B37 B 940 B69 B 1753 B104 B 2642 B167 B 4242 B37 1/2 B 950 B70 B 1778 B105 B 2667 B173 B 4394 B38 B 965 B71 B 1803 B106 B 2692 B175 B 4445 B38 1/2 B 975 B72 B 1829 B107 B 2718 B177 B 4496 B39 B 991 B73 B 1854 B108 B 2743 B180 B 4572 B40 B 1016 B74 B 1880 B110 B 2794 B187 B 4750 B41 B 1041 B75 B 1905 B112 B 2845 B195 B 4953 B42 B 1067 B76 B 1930 B114 B 2896 B197 B 5004 B43 B 1092 B77 B 1956 B115 B 2921 B208 B 5283 B44 B 1118 B78 B 1981 B116 B 2946 B210 B 5334 B45 B 1143 B79 B 2007 B118 B 2997 B220 B 5588 B46 B 1168 B80 B 2032 B120 B 3048 B236 B 5994 B46 1/2 B 1180 B81 B 2057 B122 B 3099 B240 B 6096 B47 B 1194 B82 B 2083 B124 B 3150 B248 B 6299 B48 B 1219 B83 B 2108 B126 B 3200 B264 B 6706 B49 B 1245 B84 B 2134 B128 B 3251 B276 B 7010B50 B 1270 B85 B 2159 B130 B 3302 B280 B 7112 B51 B 1295 B86 B 2184 B132 B 3353B52 B 1321 B87 B 2210 B134 B 3404C型三角带* 顶宽: 22mm* 高度: 14mm* 角度: 40°* 最小轮径: 120mm毫米(mm) 英寸(inch) 毫米(mm) 英寸(inch) 毫米(mm) 英寸(inch) 毫米(mm) 英寸(inch)C30 C 762 C60 C 1524 C93 C 2362 C138 C 3505 C31 C 787 C61 C 1549 C94 C 2388 C140 C 3556 C32 C 813 C62 C 1575 C95 C 2413 C142 C 3607 C33 C 838 C63 C 1600 C96 C 2438 C144 C 3658 C34 C 864 C65 C 1651 C97 C 2464 C146 C 3708 C35 C 889 C66 C 1676 C98 C 2489 C148 C 3759 C36 C 914 C67 C 1702 C99 C 2515 C150 C 3810 C37 C 940 C68 C 1727 C100 C 2540 C158 C 4013 C38 C 965 C69 C 1753 C101 C 2565 C162 C 4115 C39 C 991 C70 C 1778 C102 C 2591 C167 C 4242 C40 C 1016 C71 C 1803 C104 C 2642 C173 C 4394 C41 C 1041 C72 C 1829 C105 C 2667 C177 C 4496 C42 C 1067 C73 C 1854 C106 C 2692 C180 C 4572 C43 C 1092 C74 C 1880 C108 C 2743 C187 C 4750 C44 C 1118 C75 C 1905 C110 C 2794 C190 C 4826 C45 C 1143 C76 C 1930 C112 C 2845 C195 C 4953 C46 C 1168 C77 C 1956 C114 C 2896 C197 C 5004 C47 C 1194 C78 C 1981 C115 C 2921 C208 C 5283 C48 C 1219 C79 C 2007 C116 C 2946 C210 C 5334 C49 C 1245 C80 C 2032 C117 C 2972 C220 C 5588 C50 C 1270 C81 C 2057 C118 C 2997 C225 C 5715 C51 C 1295 C82 C 2083 C120 C 3048 C236 C 5994 C52 C 1321 C83 C 2108 C122 C 3099 C240 C 6096 C53 C 1346 C84 C 2134 C124 C 3150 C248 C 6299C54 C 1372 C85 C 2159 C126 C 3200 C264 C 6706 C55 C 1397 C86 C 2184 C128 C 3251 C270 C 6858 C56 C 1422 C87 C 2210 C130 C 3302 C280 C 7112 C57 C 1448 C88 C 2235 C132 C 3353 C295 C 7493 C58 C 1473 C89 C 2261 C134 C 3404 C300 C 7620 C59 C 1499 C90 C 2286 C136 C 3454 C315 C 8001C92 C 2337D型三角带* 顶宽: 32mm* 高度: 19mm* 角度: 40°* 最小轮径: 355mm毫米(mm) 英寸(inch) 毫米(mm) 英寸(inch) 毫米(mm) 英寸(inch) 毫米(mm) 英寸(inch)D79 D 2007 D140 D 3556 D195 D 4953 D280 D 7112 D98 D 2489 D144 D 3658 D197 D 5004 D295 D 7493 D104 D 2642 D148 D 3759 D208 D 5283 D300 D 7620 D110 D 2794 D154 D 3912 D210 D 5334 D315 D 8001 D118 D 2997 D158 D 4013 D220 D 5588 D330 D 8382 D120 D 3048 D162 D 4115 D225 D 5715 D335 D 8509 D124 D 3150 D167 D 4242 D236 D 5994 D354 D 8992 D128 D 3251 D173 D 4394 D240 D 6096 D374 D 9500 D132 D 3353 D177 D 4496 D248 D 6299 D394 D 10008 D135 D 3429 D180 D 4572 D264 D 6706 D441 D 11201 D136 D 3454 D187 D 4750 D270 D 6858 D492 D 12500E型三角带* 顶宽: 38mm* 高度: 25.5mm* 角度: 40°英寸(inch) 毫米(mm) 英寸(inch) 毫米(mm)E118 E 2997 E280 E 7112E132 E 3353 E295 E 7493E158 E 4013 E315 E 8001E197 E 5004 E354 E 8992E220 E 5588 E394 E 10008E236 E 5994 E441 E 11201E248 E 6299 E492 E 12497Z(O)型三角带* 顶宽: 10mm* 高度: 6mm* 角度: 40°* 最小轮径: 50mm英寸(inch) 毫米(mm) 英寸(inch) 毫米(mm) 英寸(inch) 毫米(mm) 英寸(inc毫米(mm)h)Z14 Z 356 Z29 1/2 Z 750 Z44 Z 1118 Z63 Z 1600 Z15 Z 381 Z30 Z 762 Z45 Z 1143 Z64 Z 1626 Z16 Z 406 Z31 Z 787 Z46 Z 1168 Z65 Z 1651 Z17 Z 432 Z31 1/2 Z 800 Z46 1/2 Z 1180 Z66 Z 1676 Z18 Z 457 Z32 Z 813 Z47 Z 1194 Z67 Z 1702 Z19 Z 483 Z33 Z 838 Z48 Z 1215 Z68 Z 1727 Z19 3/4 Z 500 Z33 1/2 Z 850 Z48 1/2 Z 1225 Z69 Z 1753 Z20 Z 508 Z34 Z 864 Z49 Z 1245 Z70 Z 1778 Z20 1/2 Z 525 Z35 Z 889 Z50 Z 1270 Z71 Z 1803Z21 Z 533 Z36 Z 914 Z51 Z 1295 Z72 Z 1829 Z21 1/4 Z 540 Z37 Z 940 Z52 Z 1321 Z73 Z 1854 Z22 Z 559 Z38 Z 965 Z53 Z 1346 Z75 Z 1905 Z23 Z 584 Z38 1/2 Z 975 Z54 Z 1372 Z76 Z 1930 Z24 Z 610 Z39 Z 991 Z55 Z 1397 Z78 Z 1981 Z25 Z 635 Z40 Z 1016 Z56 Z 1422 Z79 Z 2007 Z26 Z 660 Z40 1/2 Z 1030 Z57 Z 1448 Z80 Z 2032 Z27 Z 686 Z41 Z 1041 Z58 Z 1473 Z80 1/2 Z 2045 Z27 1/2 Z 700 Z41 1/2 Z 1050 Z59 Z 1499 Z88 Z 2335 Z28 Z 710 Z42 Z 1067 Z60 Z 1524 Z93 Z 2362 Z28 1/2 Z 725 Z43 Z 1092 Z61 Z 1549 Z98 Z 2489 Z 737 Z43 1/4 Z 1100 Z62 Z 1575Z29皮带传动主要有:平皮带、三角带、同步齿型带三种,三种皮带都有国家标准。
标准三角皮带尺寸表标准三角带 A,B,C,D,Z* 防油,抗静电* 工作温度: -18℃至+70℃ *最大线性速度: 30米/ 秒* ** **顶宽: 13mm 最小轮径: 75mm 高度: 8mmLi(内长)= La(外长)-50mm * 角度: 40° Li(内长)= Lp(节园长)-36mm 型号 L i mm 型号Li mm型号 Li mm 型号 Li mm A15 3 81 A42 1067 A72 1829 A96 2438 A18 4 57 A43 1092 A74 1880 A98 2489 A20 5 08 A43 1/21105A75 1905 A99 2515 A22 5 59 A44 1118 A76 1930 A101 2565 A23 5 84 A45 1143 A77 1956 A102 2591 A23 1/2 5 97 A45 1/21156A78 1727 A103 2616 A24 6 10 A46 1168 A79 1753 A104 2642 A25 6 35 A46 1/21181A80 1778 A105 2667 A26 6 60 A47 1194 A81 1803 A107 2718 A27 6 86 A48 1219 A83 1854 A108 2743 A28 7 11 A49 1245 A85 1905 A110 2794 A29 7 37 A50 1270 A86 1930 A112 2845 A29 1/2 7 49 A51 1295 A87 1956 A113 2870 A30 7 62 A52 1321 A88 1981A114 2896 A31 7 87 A53 1346 A89 2007 A115 2921 A32 8 13 A55 1397 A91 2057 A118 2997 A32 1/2 8 26 A56 1422 A92 2083 A120 3048 A33 8 38 A57 1448 A83 2108 A124 3150 A34 8 64 A58 1473 A83 1/2 2121 A125 3175 A34 1/2 8 76 A59 1499 A84 2134 A126 3200 A35 8 89 A60 1524 A84 1/2 2146 A128 3251 A35 1/2 9 02 A61 1549 A85 2159 A130 3302 A36 9 14 A62 1575 A86 2184 A132 3353 A37 9 40 A63 1600 A87 2210 A140 3556 A38 9 65 A65 1651 A89 2261 A148 3759 A38 1/2 9 78 A66 1676 A90 2286 A154 3912 A39991 A67 1702A912311A1624115A401 016 A68 1727 A92 2337 A167 4242 A41 1 041 A70 1778 A94 2388 A192 4877 A41 1/2 1054 A71 1803A952413A1975004*****顶宽: 17mm 最小轮径: 125mm 高度: 11mm Li(内长)= La(外长)-69mm* 角度: 40°Li(内长)= Lp(节园长)-43mm 型号 L i mm 型号Li mm型号 Li mm 型号 Li mm B23 5 84 B52 1321 B89 2261 B132 3353 B24 6 10 B53 1346 B90 2286 B136 3454 B25 6 35 B53 1/21359B91 2311 B140 3556 B26 6 60 B55 1397 B92 2337 B142 3607 B26 1/2 6 73 B56 1422 B93 2362 B146 3708 B27 6 86 B57 1448 B94 2388 B150 3810 B28 7 11 B58 1473 B94 1/2 2400 B151 3835 B29 7 37 B59 1499 B95 2413 B152 3861 B31 7 87 B60 1524 B96 2438 B155 3937 B32 8 13 B62 1575 B96 1/2 2451 B158 4013 B33 8 38 B63 1600 B98 2489 B160 4064 B341/2 8 76 B64 1626 B99 2515 B162 4115 B35 8 89 B65 1651 B101 2565 B164 4166 B37 9 40 B66 1676 B103 2616 B167 4242 B37 1/2 9 53 B67 1702 B104 2642 B168 4267 B38 9 65 B68 1727 B106 2692 B173 4394 B39 9 91 B69 1/21765B108 2743 B179 4547 B40 1 016 B70 1778 B109 2769 B180 4572 B41 1 041 B71 1803 B110 2794 B187 4750 B41 1/2 1 054 B73 1854 B111 2819 B191 4851 B42 1 067 B74 1880 B114 2896 B208 5283 B43 1 092 B78 1981 B116 2946 B226 5740 B44 1 118 B79 2007 B117 2972 B236 5994 B45 1 143 B81 2057 B118 2997 B238 6045 B45 1/2 1 156 B82 2083 B119 3023 B40 6096 B46 1 168 B83 2108 B120 3048 B248 6299 B481219 B85 2159B1253175B2807112B491 245 B86 2184 B126 3200 B298 7569 B50 1270 B88 2235B1283251B3458763***** 顶宽: 22mm 最小轮径: 120mm 高度: 14mm Li(内长)= La(外长)-88mm* 角度: 40°Li(内长)= Lp(节园长)-56mm 型号 Li mm 型号Li mm型号 Li mm 型号 Li mm C38 965 C75 1905 C110 2794 C160 4064 C43 1092 C78 1981 C111 2819 C166 4216 C47 1194 C80 2032 C112 2845 C168 4267 C48 1219 C81 2057 C114 2896 C173 4394 C49 1245 C83 2108 C115 2921 C180 4572 C50 1270 C84 2134 C116 2946 C185 4699 C51 1295 C85 2159 C117 2972 C187 4750 C53 1346 C86 2184 C120 3048 C190 4826 C54 1372 C87 2210 C122 3099 C198 5029 C57 1448 C88 2235 C126 3200 C200 5080 C59 1499 C89 2261 C130 3302 C204 5182 C60 1524 C90 2286 C132 3353 C208 5283 C62 1575 C91 2311 C136 3454 C210 5334 C63 1600 C92 2337 C138 3505 C220 5588 C64 1626 C93 2362 C140 3556 C225 5715 C65 1651 C95 2413 C142 3607 C2386045 C66 1676 C96 2438 C144 3658 C240 6096 C67 1702 C99 2515 C146 3708 C264 6706 C68 1727 C 101 2565 C148 3759 C280 7112 C69 1753 C 102 2591 C149 3785 C295 7493 C70 1778 C 104 2642 C150 3810 C320 8128 C71 1803 C 105 2667 C152 3861 C328 8331 C72 1829 C 106 2692 C153 3886 C418 10617 C74 1880C 108 2743C158 4013C65816713*****顶宽: 32mm 最小轮径: 355mm 高度: 19mm Li(内长)= La(外长)-119mm* 角度: 40° Li(内长)= Lp(节园长)-79mm型号L i mm 型号 Li mm 型号 Li mm 型号 Li mm D112 2 845 D 145 3683 D220 5588 D298 7569 D120 3 048 D 152 3861 D230 5842 D300 7620 D122 3 099 D 158 4013 D248 6299 D303 7696 D126 3 200 D 173 4394 D250 6350 D314 7976 D134 3 404 D 174 4420 D264 6706 D342 8687 D136 3 454 D 180 4572 D265 6731 D355 9017 D138 3 505 D 183 4648 D270 6858 D358 9093 D141 3 581 D 200 5080D2807112D3609144*****顶宽: 10mm 最小轮径: 50mm 高度: 6mmLi(内长)= La(外长)-38mm * 角度: 40° Li(内长)= Lp(节园长)-22mm 型号 L i mm 型号 Li mm 型号 Li mm 型号 Li mm Z11 2 79 Z28 1/2724Z43 1092 Z63 1600 Z12 3 05 Z 29 737 Z43 1/2 1105 Z64 1626 Z13.5 3 43 Z 30 762 Z44 1118 Z65 1651 Z14 3 56 Z 31 787 Z45 1143 Z66 1676 Z15 3 81 Z 32 813 Z46 1168 Z68 1727 Z17 4 32 Z 33 838 Z48 1219 Z69 1753 Z18 4 57 Z 33.5 851 Z49 1245 Z70 1778 Z19 4 83 Z 34 864 Z50 1270 Z71 1803 Z19 3/4 5 02 Z 35 889 Z51 1295 Z72 1829 Z20 5 08 Z35 1/2902Z52 1321 Z73 1854 Z21 5 33 Z 36 914 Z54 1372 Z75 1905 Z21 1/4 5 40 Z 38 965 Z55 1397 Z78 1981 Z22 5 59 Z38 1/2978Z56 1422 Z79 2007 Z23 5 84 Z 39 991 Z57 1448 Z80 2032 Z24 6 10 Z 40 1016 Z58 1473 Z88 2235 Z25 6 35 Z 40 1/2 1029 Z59 1499 Z93 2362 Z26 6 60 Z41 121054Z60 1524 Z28711 Z 42 1067Z621575顶宽皮带型号高度角度标测长度外周长Z10640oLi (内周长)Li+38mm A13840oLi Li+50mm B171140oLi Li+69mm C221440oLi Li+88mm D322040oLi Li+119mm 详细尺寸SPZ10840oLp (节圆长)Lp+13mm SPA131040oLp Lp+18mm SPB171340oLp Lp+20mm SPC221840oLp Lp+30mm 详细尺寸3V9.7840oLa (外周长)5V161440oLa8V252340oLa详细尺寸。
标准三角带A,B,C,D,Z* 防油,抗静电* 工作温度: -18℃至+70℃* 最大线性速度: 30米/ 秒详细尺寸详细尺寸详细尺寸下面是诗情画意的句子欣赏,不需要的朋友可以编辑删除!!谢谢1. 染火枫林,琼壶歌月,长歌倚楼。
岁岁年年,花前月下,一尊芳酒。
水落红莲,唯闻玉磬,但此情依旧。
2. 玉竹曾记凤凰游,人不见,水空流。
3. 他微笑着,在岁月的流失中毁掉自己。
4. 还能不动声色饮茶,踏碎这一场,盛世烟花。
5. 红尘嚣浮华一世转瞬空。
6. 我不是我你转身一走苏州里的不是我。
7. 几段唏嘘几世悲欢可笑我命由我不由天。
8. 经流年梦回曲水边看烟花绽出月圆。
9. 人生在世,恍若白驹过膝,忽然而已。
然,我长活一世,却能记住你说的每一话。
10. 雾散,梦醒,我终于看见真实,那是千帆过尽的沉寂。
11. 纸张有些破旧,有些模糊。
可每一笔勾勒,每一抹痕迹,似乎都记载着跨越千年万载的思念。
12. 生生的两端,我们彼此站成了岸。
13. 缘聚缘散缘如水,背负万丈尘寰,只为一句,等待下一次相逢。
14. 握住苍老,禁锢了时空,一下子到了地老天荒15. 人永远看不破的镜花水月,不过我指间烟云世间千年,如我一瞬。
16. 相逢一醉是前缘,风雨散,飘然何处。
17. 虚幻大千两茫茫,一邂逅,终难忘。
相逢主人留一笑,不相识,又何妨。
18. 天下风云出我辈,一入江湖岁月催;皇图霸业谈笑间,不胜人生一场醉。
19. 得即高歌失即休,多愁多恨亦悠悠,今朝有酒今朝醉,明日愁来明日愁。
20. 直道相思了无益,未妨惆怅是清狂。
21. 看那天地日月,恒静无言;青山长河,世代绵延;就像在我心中,你从未离去,也从未改变。
22. 就这样吧,从此山水不相逢。
23. 人天自两空,何相忘,何笑何惊人。
24. 既不回头,何必不忘。
既然无缘,何须誓言。
今日种种,似水无痕。
明夕何夕,君已陌路。
25. 有缘相遇,无缘相聚,天涯海角,但愿相忆。
有幸相知,无幸相守,苍海明月,天长地久。
* 顶宽:13mm* 最小轮径: 75mm* 高度: 8mm * 长度(内长)= La(外长)-50mm* 角度: 40°*长度(内长)= Lp(节园长)-36mm型号长度型号长度型号长度型号长度A15381 A421067 A721829 A962438 A18457 A431092 A741880 A982489 A20508 A43 1/21105 A751905 A992515 A22559 A441118 A761930 A1012565 A23584 A451143 A771956 A1022591 A23 1/2597 A45 1/21156 A781727 A1032616 A24610 A461168 A791753 A1042642 A25635 A46 1/21181 A801778 A1052667 A26660 A471194 A811803 A1072718 A27686 A481219 A831854 A1082743 A28711 A491245 A851905 A1102794 A29737 A501270 A861930 A1122845* 顶宽:17mm* 最小轮径: 125mm* 高度: 11mm *长度i(内长)= La(外长)-69mm* 角度: 40°*长度(内长)= Lp(节园长)-43mm型号长度型号长度mm型号长度mm型号长度mmB23584 B521321 B892261 B1323353 B24610 B531346 B902286 B1363454B25635 B531/21359 B912311 B1403556B26660 B551397 B922337 B1423607 B261/2673 B561422 B932362 B1463708 B27686 B571448 B942388 B1503810B28711 B581473 B941/22400 B1513835B29737 B591499 B952413 B1523861B451/21156 B822083 B1193023 B406096 B461168 B832108 B1203048 B2486299 B481219 B852159 B1253175 B2807112 B491245 B862184 B1263200 B2987569 B501270 B882235 B1283251 B3458763* 顶宽:22mm* 最小轮径: 120mm* 高度: 14mm *长度(内长)= La(外长)-88mm* 角度: 40°*长度(内长)= Lp(节园长)-56mm型号长度mm型号长度mm型号长度i mm型号长度mm C38965 C751905 C1102794 C1604064 C431092 C781981 C1112819 C1664216 C471194 C802032 C1122845 C1684267 C481219 C812057 C1142896 C1734394 C491245 C832108 C1152921 C1804572* 顶宽:32mm* 最小轮径: 355mm* 高度: 19mm *长度(内长)= La(外长)-119mm* 角度: 40°*长度(内长)= Lp(节园长)-79mm型号长度mm型号长度mm型号长度mm型号长度mm D1122845 D1453683 D2205588 D2987569 D1203048 D1523861 D2305842 D3007620 D1223099 D1584013 D2486299 D3037696 D1263200 D1734394 D2506350 D3147976 D1343404 D1744420 D2646706 D3428687 D1363454 D1804572 D2656731 D3559017 D1383505 D1834648 D2706858 D3589093 D1413581 D2005080 D2807112 D3609144皮带型号顶宽高度角度标测长度外周长Z10640ºLi (内周长)Li+38mm A13840ºLi Li+50mm B 171140ºLi Li+69mm C221440ºLi Li+88mm D 322040ºLi Li+119mm 详细尺寸SPZ 10840ºLp (节圆长)Lp+13mm SPA131040ºLp Lp+18mm SPB 171340ºLp Lp+20mm SPC 221840ºLp Lp+30mm 详细尺寸3V 9.7840ºLa (外周长)5V 161440ºLa8V 252340ºLa详细尺寸。
标准三角带 A,B,C,D,Z
* 防油,抗静电 * 工作温度: -18℃至 +70℃ * 最大线性速度: 30米/ 秒
* 顶宽: 13mm* 最小轮径: 75mm
* 高度: 8mm* Li(内长)= La(外长)-50mm
* 角度: 40°* Li(内长)= Lp(节园长)-36mm
型号Li mm型号Li mm型号Li mm型号Li mm A15381A421067A721829A962438 A18457A431092A741880A982489 A20508A43 1/21105A751905A992515 A22559A441118A761930A1012565 A23584A451143A771956A1022591 A23 1/2597A45 1/21156A781727A1032616 A24610A461168A791753A1042642 A25635A46 1/21181A801778A1052667 A26660A471194A811803A1072718 A27686A481219A831854A1082743 A28711A491245A851905A1102794 A29737A501270A861930A1122845 A29 1/2749A511295A871956A1132870 A30762A521321A881981A1142896 A31787A531346A892007A1152921 A32813A551397A912057A1182997 A32 1/2826A561422A922083A1203048 A33838A571448A832108A1243150 A34864A581473A83 1/22121A1253175 A34 1/2876A591499A842134A1263200 A35889A601524A84 1/22146A1283251 A35 1/2902A611549A852159A1303302 A36914A621575A862184A1323353 A37940A631600A872210A1403556 A38965A651651A892261A1483759 A38 1/2978A661676A902286A1543912 A39991A671702A912311A1624115 A401016A681727A922337A1674242 A411041A701778A942388A1924877 A41 1/21054A711803A952413A1975004
* 防油,抗静电 * 工作温度: -18℃至 +70℃ * 最大线性速度: 30米/ 秒
* 顶宽: 17mm* 最小轮径: 125mm
* 高度: 11mm* Li(内长)= La(外长)-69mm
* 角度: 40°* Li(内长)= Lp(节园长)-43mm
型号Li mm型号Li mm型号Li mm型号Li mm B23584B521321B892261B1323353 B24610B531346B902286B1363454 B25635B53 1/21359B912311B1403556 B26660B551397B922337B1423607 B26 1/2673B561422B932362B1463708 B27686B571448B942388B1503810 B28711B581473B94 1/22400B1513835 B29737B591499B952413B1523861 B31787B601524B962438B1553937 B32813B621575B96 1/22451B1584013 B33838B631600B982489B1604064 B341/2876B641626B992515B1624115 B35889B651651B1012565B1644166 B37940B661676B1032616B1674242 B37 1/2953B671702B1042642B1684267 B38965B681727B1062692B1734394 B39991B69 1/21765B1082743B1794547 B401016B701778B1092769B1804572 B411041B711803B1102794B1874750 B41 1/21054B731854B1112819B1914851 B421067B741880B1142896B2085283 B431092B781981B1162946B2265740 B441118B792007B1172972B2365994 B451143B812057B1182997B2386045 B45 1/21156B822083B1193023B406096 B461168B832108B1203048B2486299 B481219B852159B1253175B2807112 B491245B862184B1263200B2987569 B501270B882235B1283251B3458763
* 防油,抗静电 * 工作温度: -18℃至 +70℃ * 最大线性速度: 30米/ 秒
* 顶宽: 22mm* 最小轮径: 120mm
* 高度: 14mm* Li(内长)= La(外长)-88mm
* 角度: 40°* Li(内长)= Lp(节园长)-56mm
型号Li mm型号Li mm型号Li mm型号Li mm C38965C751905C1102794C1604064 C431092C781981C1112819C1664216 C471194C802032C1122845C1684267 C481219C812057C1142896C1734394 C491245C832108C1152921C1804572 C501270C842134C1162946C1854699 C511295C852159C1172972C1874750 C531346C862184C1203048C1904826 C541372C872210C1223099C1985029 C571448C882235C1263200C2005080 C591499C892261C1303302C2045182 C601524C902286C1323353C2085283 C621575C912311C1363454C2105334 C631600C922337C1383505C2205588 C641626C932362C1403556C2255715 C651651C952413C1423607C2386045 C661676C962438C1443658C2406096 C671702C992515C1463708C2646706 C681727C1012565C1483759C2807112 C691753C1022591C1493785C2957493 C701778C1042642C1503810C3208128 C711803C1052667C1523861C3288331 C721829C1062692C1533886C41810617 C741880C1082743C1584013C65816713
* 防油,抗静电 * 工作温度: -18℃至 +70℃ * 最大线性速度: 30米/ 秒
* 顶宽: 32mm* 最小轮径: 355mm
* 高度: 19mm* Li(内长)= La(外长)-119mm
* 角度: 40°* Li(内长)= Lp(节园长)-79mm
型号Li mm型号Li mm型号Li mm型号Li mm D1122845D1453683D2205588D2987569 D1203048D1523861D2305842D3007620 D1223099D1584013D2486299D3037696 D1263200D1734394D2506350D3147976 D1343404D1744420D2646706D3428687 D1363454D1804572D2656731D3559017 D1383505D1834648D2706858D3589093 D1413581D2005080D2807112D3609144
* 防油,抗静电 * 工作温度: -18℃至 +70℃ * 最大线性速度: 30米/ 秒
* 顶宽: 10mm* 最小轮径: 50mm
* 高度: 6mm* Li(内长)= La(外长)-38mm
* 角度: 40°* Li(内长)= Lp(节园长)-22mm 型号Li mm型号Li mm型号Li mm型号Li mm Z11279Z28 1/2724Z431092Z631600 Z12305Z29737Z43 1/21105Z641626 Z13.5343Z30762Z441118Z651651 Z14356Z31787Z451143Z661676 Z15381Z32813Z461168Z681727 Z17432Z33838Z481219Z691753 Z18457Z33.5851Z491245Z701778 Z19483Z34864Z501270Z711803 Z19 3/4502Z35889Z511295Z721829 Z20508Z35 1/2902Z521321Z731854 Z21533Z36914Z541372Z751905 Z21 1/4540Z38965Z551397Z781981 Z22559Z38 1/2978Z561422Z792007 Z23584Z39991Z571448Z802032 Z24610Z401016Z581473Z882235 Z25635Z40 1/21029Z591499Z932362 Z26660Z41 121054Z601524
Z28711Z421067Z621575。