[其他公路] 水泥混凝土面层质量检验报告单 (2)
- 格式:doc
- 大小:144.50 KB
- 文档页数:4
第二部分工程质量检验报告单及统计表目录统计表1 混凝土或砂浆抗压强度统计表统计表2 压实度结果统计表统计表3 回弹弯沉检测结果统计表统计表4 半刚性基层强度统计表统计表5 路面结构层厚度统计表统计表6 水泥砼路面抗折强度统计表统计表7 桩基工程质量检测统计表路基路面工程检表1 土方路基质量检验报告单检表2 石方路基质量检验报告单检表3 砂垫层质量检验报告单检表4 袋装砂井质量检验报告单检表5 塑料排水板质量检验报告单检表6 碎石桩(砂桩)质量检验报告单检表7 粉喷桩质量检验报告单检表8 加筋工程土工合成材料质量检验报告单检表9 隔离工程土工合成材料质量检验报告单检表10 过滤排水工程土工合成材料质量检验报告单检表11 防裂工程土工合成材料质量检验报告单检表12 管节预制质量检验报告单检表13 管道基础及管节安装质量检验报告单检表14 检查(雨水)井砌筑质量检验报告单检表15 土沟质量检验报告单检表16 浆砌排水沟质量检验报告单检表17 盲沟质量检验报告单检表18 排水泵站(沉井)质量检验报告单检表19 砌体和混凝土挡土墙质量检验报告单检表20 干砌挡土墙质量检验报告单检表21 悬臂式和扶臂式挡土墙质量检验报告单检表22 筋带质量检验报告单检表23 锚杆、拉杆质量检验报告单检表24 面板预制质量检验报告单检表25 面板安装质量检验报告单检表26 锚杆、锚碇板和加筋土挡土墙质量检验报告单检表27 锚杆、锚碇板和加筋土挡土墙墙背填土质量检验报告单检表28 抗滑桩质量检验报告单检表29 锚喷支护质量检验报告单检表30 锥、护坡质量检验报告单检表31 浆砌砌体质量检验报告单检表32 干砌片石质量检验报告单检表33 导流工程质量检验报告单检表34 石笼防护质量检验报告单检表35 水泥混凝土面层质量检验报告单检表36 沥青混凝土面层和沥青碎(砾)石面层质量检验报告单检表37 沥青贯入式面层(或上拌下贯式面层)质量检验报告单检表38 沥青表面处治面层质量检验报告单检表39 半刚性基层(底基层)质量检验报告单检表40 级配碎(砾)石基层(底基层)质量检验报告单检表41 填隙碎石(矿碴)基层质量检验报告单检表42 路缘石铺设质量检验报告单检表43 路肩质量检验报告单桥梁、涵洞工程检表44 桥梁总体质量检验报告单检表45 钻孔灌注桩质量检验报告单检表46 挖孔桩质量检验报告单检表47 预制桩质量检验报告单检表48 沉桩质量检验报告单检表49 地下连续墙质量检验报告单检表50 管桩质量检验报告单检表51 沉井质量检验报告单检表52 双壁钢围堰的制作拼装质量检验报告单检表53 钢围堰封底混凝土质量检验报告单检表54 浆砌片石基础质量检验报告单检表55 墩、台身砌体质量检验报告单检表56 拱圈砌体质量检验报告单表检表57 侧墙砌体质量检验报告单检表58 拱桥组合桥台质量检验报告单检表59 钢筋加工安装质量检验报告单检表60 钢筋网质量检验报告单检表61 预制桩钢筋安装质量检验报告单检表62 混凝土基础质量检验报告单检表63 承台质量检验报告单检表64 混凝土墩、台身质量检验报告单检表65 柱或双壁墩质量检验报告单检表66 墩、台帽或盖梁质量检验报告单检表67 台背填土质量检验报告单检表68 预制梁(板)质量检验报告单检表69 就地浇筑梁(板)质量检验报告单检表70 预制拱圈质量检验报告单检表71 就地浇筑拱圈质量检验报告单检表72 大体积构件浇筑质量检验报告单检表73 小型预制件质量检验报告单检表74 桁架梁、拱杆件预制质量检验报告单检表75 钢丝、钢铰线(先张法)质量检验报告单检表76 粗钢筋先张法质量检验报告单检表77 后张法质量检验报告单检表78 墩、台身安装质量检验报告单检表79 梁(板)安装质量检验报告单检表80 悬臂梁浇筑质量检验报告单检表81 顶推施工梁质量检验报告单检表82 悬臂梁拼装质量检验报告单检表83 主拱圈安装质量检验报告单检表84 腹拱安装质量检验报告单检表85 悬臂拼装梁质量检验报告单检表86 悬臂拼装桁架拱质量检验报告单检表87 转体施工梁、拱质量检验报告单检表88 劲性骨架加工质量检验报告单检表89 劲性骨架安装质量检验报告单检表90 劲性骨架拱混凝土浇筑质量检验报告单检表91 钢管拱肋制作质量检验报告单检表92 钢管拱肋安装质量检验报告单检表93 钢管拱肋混凝土浇筑质量检验报告单检表94 柔杆、系杆质量检验报告单检表95 吊杆的制作与安装质量检验报告单检表96 复合桥面水泥混凝土铺装质量检验报告单检表97 桥面铺装质量检验报告单检表98 桥面防水层质量检验报告单检表99 钢桥面板上沥青混凝土质量检验报告单检表100 支座垫石质量检验报告单检表101 挡块质量检验报告单检表102 支座安装质量检验报告单检表103 伸缩缝安装质量检验报告单检表104 人行道铺设质量检验报告单检表105 栏杆安装质量检验评定表检表106 混凝土护栏浇筑质量检验报告单检表107 桥头搭板质量检验报告单检表108 整体层质量检验报告单检表109 涵洞总体质量检验报告单检表110 涵台质量检验报告单检表111 管座与管节安装质量检验报告单检表112 盖板制作质量检验报告单检表113 盖板安装质量检验报告单检表114 拱涵浇(砌)质量检验报告单检表115 箱涵浇筑质量检验报告单检表116 倒虹吸竖井浇筑质量检验报告单检表117 一字墙和八字墙质量检验报告单单检表118 顶入法施工的桥涵质量检验报告隧道工程检表119 隧道总体质量检验报告单检表120 明洞浇筑质量检验报告单检表121 明洞防水层质量检验报告单检表122 明洞回填质量检验报告单检表123 洞身开挖质量检验报告单检表124 (钢纤维)喷射混凝土支护质量检验报告单检表125 锚杆支护质量检验报告单检表126 钢筋网支护质量检验报告单检表127 仰拱质量检验报告单检表128 混凝土衬砌质量检验报告单检表129 钢支撑质量检验报告单检表130 衬砌钢筋质量检验报告单检表131 防水层质量检验报告单检表132 止水带质量检验报告单检表133 超前锚杆、超前钢管质量检验报告单交通工程检表134 交通标志质量检验报告单检表135 路面标线质量检验报告单检表136 突起路标质量检验报告单检表137 轮廓标质量检验报告单检表138 波形梁钢护栏质量检验报告单检表139 混凝土护栏质量检验报告单检表140 缆索护栏质量检验报告单检表141 防眩设施质量检验报告单检表142 隔离栅和防落网质量检验报告单环保工程检表143 砌块体声屏障质量检验报告单检表144 金属结构声屏障质量检验报告单检表145 中央分隔带绿化质量检验报告单检表146 路侧绿化质量检验报告单检表147 互通立交区绿化质量检验报告单检表148 养护管理区、服务区绿化质量检验报告单检表149 取、弃土场绿化质量检验报告单机电工程检表150 车辆检测器质量检验报告单检表151 气象检测器质量检验报告单检表152 闭路电视监视系统质量检验报告单检表153 可变标志质量检验报告单检表154 光、电缆线路质量检验报告单检表155 监控中心设备安装及系统调测质量检验报告单检表156 大屏幕投影系统质量检验报告单检表157 地图板质量检验报告单检表158 监控系统计算机网络质量检验报告单检表159 通信管道与光、电缆线路质量检验报告单检表160 光纤数字传输系统质量检验报告单检表161 数字程控交换系统质量检验报告单检表162 紧急电话系统质量检验报告单检表163 无线移动通信系统质量检验报告单检表164 通信电源质量检验报告单检表165 入口车道设备质量检验报告单检表166 出口车道设备质量检验报告单检表167 收费站设备及软件质量检验报告单检表168 收费中心设备及软件质量检验报告单检表169 IC卡发卡编码系统质量检验报告单检表170 内部有线对讲及紧急报警系统质量检验报告单检表171 闭路电视监视系统质量检验报告单检表172 收费站内光、电缆及塑料管道质量检验报告单检表173 中心(站)内低压配电设备质量检验报告单检表174 外场设备电力电缆线路质量检验报告单检表175 照明设施质量检验报告单检表176 隧道环境检测设备质量检验报告单检表177 隧道报警与诱导设施质量检验报告单检表178 隧道通风设施质量检验报告单检表179 隧道照明设施质量检验报告单检表180 隧道消防设施质量检验报告单检表181 隧道本地控制器质量检验报告单检表182 隧道监控中心设备及软件质量检验报告单路基路面工程检表183 水泥深层搅拌桩质量检验报告单检表184 CFG桩质量检验报告单检验附表检验附表统计表1混凝土(砂浆)抗压强度统计汇总表编号:工程名称合同段施工单位第页共页统计:复核:技术负责人:项目经理:日期:统计表2 压实度统计汇总表编号:工程名称:合同段:施工单位:第页共页统计:复核:技术负责人:项目经理:日期:统计表3 回弹弯沉检测结果统计表承包单位:合同号:编号:单位工程名称:统计:复核:技术负责人:项目经理:日期:统计表4 半刚性基层强度试验结果统计表承包单位:合同段:编号:单位工程名称:统计:复核:技术负责人:项目经理:日期:统计表5 路面结构层厚度检测结果统计表承包单位:合同段:编号:统计:复核:技术负责人:项目经理:日期:统计表6 水泥混凝土抗折强度统计表承包单位:合同段:编号:单位工程名称:统计:复核:技术负责人:项目经理:日期:统计表7 钻(冲、挖)孔桩工程质量资料统计表编号:承包单位:单位工程名称:合同段:第页共页统计:复核:技术负责人:项目经理:日期:检表(1) 土方路基质量检验报告单编号:第段共段第页共页检测:复核:施工员:质检负责人:技术负责人:项目经理:日期:检表(2) 石方路基质量检验报告单编号:第段共段第页共页检测:复核:施工员:质检负责人:技术负责人:项目经理:日期:检表(3) 砂垫层质量检验报告单编号:第段共段第页共页检测:复核:施工员:质检负责人:技术负责人:项目经理:日期:检表(4)袋装砂井质量检验报告单编号:第段共段第页共页检测:复核:施工员:质检负责人:技术负责人:项目经理:日期:检表(5) 塑料排水板质量检验报告单检测:复核:施工员:质检负责人:技术负责人:项目经理:日期:检表(6) 碎石桩(砂桩)质量检验报告单编号:第段共段第页共页检测:复核:施工员:质检负责人:技术负责人:项目经理:日期:检表(7) 粉喷桩质量检验报告单编号:第段共段第页共页检测:复核:施工员:质检负责人:技术负责人:项目经理:日期:检表(8)加筋工程土工合成材料质量检验报告单编号:第页共页检测:复核:施工员:质检负责人:技术负责人:项目经理:日期:检表(9)隔离工程土工合成材料质量检验报告单编号:第页共页检测:复核:施工员:质检负责人:技术负责人:项目经理:日期:检表(10)过滤排水工程土工合成材料质量检验报告单编号:第页共页检测:复核:施工员:质检负责人:技术负责人:项目经理:日期:检表(11)防裂工程土工合成材料质量检验报告单编号:第页共页检测:复核:施工员:质检负责人:技术负责人:项目经理:日期:检表(12)管节预制质量检验报告单编号:第页共页检测:复核:施工员:质检负责人:技术负责人:项目经理:日期:检表(13)管道基础及管节安装质量检验报告单编号:第页共页检测:复核:施工员:质检负责人:技术负责人:项目经理:日期:检表(14)检查(雨水)井砌筑质量检验报告单编号:第页共页检测:复核:施工员:质检负责人:技术负责人:项目经理:日期:检表(15)土沟质量检验报告单检测:复核:施工员:质检负责人:技术负责人:项目经理:日期:检表(16)浆砌排水沟质量检验报告单编号:第段共段第页共页检测:复核:施工员:质检负责人:技术负责人:项目经理:日期:检表(17) 盲沟质量检验报告单编号:第页共页检测:复核:施工员:质检负责人:技术负责人:项目经理:日期:检表(18)排水泵站(沉井)质量检验报告单编号:第页共页检测:复核:施工员:质检负责人:技术负责人:项目经理:日期:检表(19) 砌体挡土墙质量检验报告单编号:第页共页检测:复核:施工员:质检负责人:技术负责人:项目经理:日期:检表(20) 干砌片石挡土墙质量检验报告单编号:第页共页检测:复核:施工员:质检负责人:技术负责人:项目经理:日期:检表(21)悬臂式和扶臂式挡土墙质量检验报告单检测:复核:施工员:质检负责人:技术负责人:项目经理:日期:检表(22)筋带质量检验报告单检测:复核:施工员:质检负责人:技术负责人:项目经理:日期:检表(23)锚杆、拉杆质量检验报告单检测:复核:施工员:质检负责人:技术负责人:项目经理:日期:表(24) 面板预制质量检验报告单编号:第页共页检测:复核:施工员:质检负责人:技术负责人:项目经理:日期:表(25) 面板安装质量检验报告单编号:第页共页检测:复核:施工员:质检负责人:技术负责人:项目经理:日期:检表(26) 锚杆、锚碇板和加筋土挡土墙质量检验报告单编号:第页共页检测:复核:施工员:质检负责人:技术负责人:项目经理:日期:检表(27) 锚杆、锚碇板和加筋土挡土墙墙背填土质量检验报告单编号:第页共页检测:复核:施工员:质检负责人:技术负责人:项目经理:日期:检表(28) 抗滑桩质量检验报告单编号:第页共页检测:复核:施工员:质检负责人:技术负责人:项目经理:日期:检表(29) 锚喷防护质量检验报告单检测:复核:施工员:质检负责人:技术负责人:项目经理:日期:检表(30) 锥、护坡质量检验报告单检测:复核:施工员:质检负责人:技术负责人:项目经理:日期:检表(31) 浆砌砌体质量检验报告单编号:第段共段第页共页检测:复核:施工员:质检负责人:技术负责人:项目经理:日期:检表(32)干砌片石质量检验报告单编号:第段共段第页共页检测:复核:施工员:质检负责人:技术负责人:项目经理:日期:检表(33) 导流工程质量检验报告单编号:第段共段第页共页检测:复核:施工员:质检负责人:技术负责人:项目经理:日期:、检表(34)石笼防护质量检验报告单检测:复核:施工员:质检负责人:技术负责人:项目经理:日期:检表(35) 水泥混凝土面层质量检验报告单编号:第段共段第页共页检测:复核:施工员:质检负责人:技术负责人:项目经理:日期:检表(36) 沥青混凝土面层和沥青碎(砾)石面层质量检验报告单编号:第段共段第页共页检测:复核:施工员:质检负责人:技术负责人:项目经理:日期:检表(37) 沥青贯入式面层(或上拌下贯式面层)质量检验报告单编号:第段共段第页共页检测:复核:施工员:质检负责人:技术负责人:项目经理:日期:检表(38) 沥青表面处治面层质量检验报告单检测:复核:施工员:质检负责人:技术负责人:项目经理:日期:检表(39) 半刚性基层(底基层)质量检验报告单编号:第段共段第页共页检测:复核:施工员:质检负责人:技术负责人:项目经理:日期:检表(40) 级配碎(砾)石基层(底基层)质量检验报告单检测:复核:施工员:质检负责人:技术负责人:项目经理:日期:检表(41)填隙碎石(矿碴)基层质量检验报告单编号:第段共段第页共页。
市政工程复合桥面水泥混凝土铺装现场质量检验报告单一、工程背景:为保障道路安全和提高交通效率,本市政工程在地段进行了复合桥面水泥混凝土铺装工作。
为确保施工质量,特进行现场质量检验。
二、检验内容:1.施工材料的质量控制2.施工工艺的合理性和可行性3.施工现场的环境、设备等的检测及记录4.施工中的质量控制措施和施工记录5.施工工程的成果检测和对比三、检验过程与结果:1.施工材料的质量控制本施工工程所使用的水泥、沥青、骨料等材料应符合国家相关标准,并且经过相应的试验和检测。
在施工过程中,检验员对材料进行了抽检,并对抽检的样品进行了试验。
结果:经试验,水泥的强度符合要求,沥青的黏度和稳定性符合要求,骨料的级配符合要求。
2.施工工艺的合理性和可行性在施工过程中,施工单位按照设计要求对道路进行了标线划定和基础处理。
检验员观察了标线的精度和基础的平整度,以及施工过程中是否按照合理工艺进行。
结果:标线的划定位置准确,精度满足要求;基础的平整度符合设计要求;施工过程中按照合理工艺进行。
3.施工现场的环境、设备等的检测及记录在施工现场的检验中,检验员对施工现场的环境、设备等进行了检测,并详细记录。
结果:施工现场的环境符合国家环保要求,设备的安装合理、操作正常。
4.施工中的质量控制措施和施工记录在施工过程中,施工单位采取了一系列的质量控制措施,并对每一步的施工进行了记录。
结果:施工单位采用了合适的质量控制措施,并对每一步施工都进行了记录。
5.施工工程的成果检测和对比在施工结束后,检验员对施工工程的成果进行了检测,并与设计要求进行了对比。
结果:施工工程成果符合设计要求,并且质量指标优于设计要求。
四、结论:通过以上的检验,本次市政工程复合桥面水泥混凝土铺装的质量符合要求,施工过程中的质量控制措施和工艺操作都达到了规定要求,工程成果优于设计要求。
五、建议:1.继续加强施工过程中的质量控制,确保施工质量的持续优良;2.在施工过程中加强安全防护,保障工人和施工设备的安全;3.加强工艺技术人员的培训和更新,提高施工水平和质量管理水平。
公路工程管理用表范本-复合桥面水泥混凝土铺装质量检验报
告单
检验报告单编号: XXX
检验日期: XXX
施工单位: XXX
工程名称: XXX
检验人员: XXX
检验内容和要求
1.混凝土铺装材料:
–混凝土强度等级:XXX
–骨料种类及级配:XXX
–砂率:XXX%
2.施工要求:
–铺装厚度:XXXmm
–铺装坡度:X%
–铺装宽度:XXXm
3.铺装检验项目:
–铺装密实度:XXX
–铺装平整度:XXX
–铺装抗压强度:XXX
检验结果
1.混凝土铺装质量:
–强度合格:✔️
–厚度均匀:✔️
–平整度符合要求:✔️
2.检验结论:
–经检验,混凝土铺装质量符合规范要求,可正常投入使用。
检验人员意见
XXX
批准单位
XXX
感谢阅读以上复合桥面水泥混凝土铺装质量检验报告单,请相关单位妥善保存。
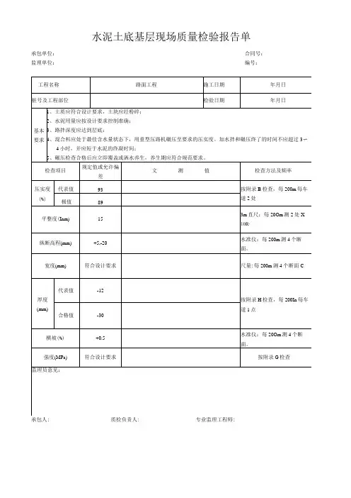
水泥混凝土路面质量检验报告单水泥混凝土路面质量检验报告单工程部位:施工单位:监理单位:分项工程名称:所属分部工程名称:所属建设项目:基本要求1)基层必须符合规定要求,并应进行弯沉测定,验算的基层整体模量应满足设计要求。
2)水泥强度、物理性能和化学性能和化学成份应符合国家标准及有关规范的规定。
3)粗细集料、水、外掺剂、接缝填缝料应符合设计和施工规范要求。
4)施工配合比应根据现场测定水泥的实际强度进行计算,并经试验,选择采用最佳配合比。
5)接缝位置、规格、尺寸及传力杆、拉力杆的设置应符合设计要求。
6)路面拉毛或机具压等抗滑措施,其构件深度应符合施工规范要求。
7)面层与其他构件物相接应平顺,检查井井盖顶面高程应高于周边路面18mm,路面边缘无积水现象。
8)混凝土路面铺筑后按施工规范要求养生。
实测项目项次检查项目规定值或允许偏差实测值和实测偏差值123456789101Δ抗压强度(MPa)符合设计要求见检查记录2Δ板厚度(mm)代表值-5见检查记录合格值-10见检查记录3平整度IRI(m/Km)2、0见检查记录δ(mm)3、2见检查记录最大间隙h(mm)5见检查记录4抗滑构造深度(mm)一般不小于0、5,不大于1、0,特殊路段不小于0、6,不大于1、1。
见检查记录5相邻板高差(mm)3见检查记录6纵横缝顺直度(mm)10见检查记录7中线平面偏差(mm)20见检查记录8路面宽度(mm)+20见检查记录9纵断高程(mm)+15见检查记录10横坡(%)+0、25见检查记录外观鉴定自检意见签字:日期监理意见签字日期检测:复核:施工主管:质检负责人:施工技术负责人:年月日〖其他公路〗水泥混凝土路面质量检验评定表工程部位:施工单位:监理单位:分项工程名称:所属分部工程名称:所属建设项目:基本要求1)基层必须符合规定要求,并应进行弯沉测定,验算的基层整体模量应满足设计要求。
2)水泥强度、物理性能和化学性能和化学成份应符合国家标准及有关规范的规定。
水泥混凝土面层质量检验报告单项目编号:检验单位:检验时间:一、项目背景本次检验是针对水泥混凝土面层的质量进行的检验。
水泥混凝土面层是建筑施工中常用的一种材料,其质量直接关系到建筑物的使用寿命和安全性。
本次检验的目的是确保水泥混凝土面层满足相关标准和要求,以提高其使用寿命和质量。
二、检验内容1.水泥混凝土面层厚度检验:根据设计要求,测量水泥混凝土面层的厚度,并与设计要求进行对比分析。
2.水泥混凝土面层抗压强度检验:采集水泥混凝土面层样本,进行抗压强度试验,确定其承受压力及强度。
3.水泥混凝土面层平整度检验:利用专业平整度检测仪器,对水泥混凝土面层进行平整度检测,以评估其施工质量。
4.水泥混凝土面层附着力检验:对水泥混凝土面层进行附着力试验,确定其与施工基层的附着性能。
5.水泥混凝土面层表面硬度检验:采用专业硬度测试仪,对水泥混凝土面层表面进行硬度检测,以评估其硬度性能。
三、检验结果1. 水泥混凝土面层厚度检验结果:经测量,水泥混凝土面层的厚度为XXmm,符合设计要求。
2.水泥混凝土面层抗压强度检验结果:经试验,水泥混凝土面层的抗压强度为XXMPa,达到或超出设计要求。
3. 水泥混凝土面层平整度检验结果:经平整度检测,水泥混凝土面层的平整度为XXmm/m,符合施工质量要求。
4.水泥混凝土面层附着力检验结果:经试验,水泥混凝土面层与施工基层的附着力为XX,符合相关标准和要求。
5.水泥混凝土面层表面硬度检验结果:经硬度测试,水泥混凝土面层表面硬度为XX,符合施工质量要求。
四、结论根据本次水泥混凝土面层质量检验的结果,水泥混凝土面层的厚度、抗压强度、平整度、附着力和表面硬度等指标均符合设计要求和施工质量要求,并达到相关标准。
水泥混凝土面层的质量良好,可以满足使用需求,并具有较长的使用寿命。
五、建议1.继续加强对水泥混凝土面层施工工序的管理和监督,确保施工过程中严格按照设计要求和相关标准进行施工。
2.定期进行水泥混凝土面层的维护和保养,及时修补和处理损坏或破损的部分,以延长水泥混凝土面层的使用寿命。
第二部分工程质量检验报告单及统计表目录统计表1 混凝土或砂浆抗压强度统计表统计表2 压实度结果统计表统计表3 回弹弯沉检测结果统计表统计表4 半刚性基层强度统计表统计表5 路面结构层厚度统计表统计表6 水泥砼路面抗折强度统计表统计表7 桩基工程质量检测统计表路基路面工程检表1 土方路基质量检验报告单检表2 石方路基质量检验报告单检表3 砂垫层质量检验报告单检表4 袋装砂井质量检验报告单检表5 塑料排水板质量检验报告单检表6 碎石桩(砂桩)质量检验报告单检表7 粉喷桩质量检验报告单检表8 加筋工程土工合成材料质量检验报告单检表9 隔离工程土工合成材料质量检验报告单检表10 过滤排水工程土工合成材料质量检验报告单检表11 防裂工程土工合成材料质量检验报告单检表12 管节预制质量检验报告单检表13 管道基础及管节安装质量检验报告单检表14 检查(雨水)井砌筑质量检验报告单检表15 土沟质量检验报告单检表16 浆砌排水沟质量检验报告单检表17 盲沟质量检验报告单检表18 排水泵站(沉井)质量检验报告单检表19 砌体和混凝土挡土墙质量检验报告单检表20 干砌挡土墙质量检验报告单检表21 悬臂式和扶臂式挡土墙质量检验报告单检表22 筋带质量检验报告单检表23 锚杆、拉杆质量检验报告单检表24 面板预制质量检验报告单检表26 锚杆、锚碇板和加筋土挡土墙质量检验报告单检表27 锚杆、锚碇板和加筋土挡土墙墙背填土质量检验报告单检表28 抗滑桩质量检验报告单检表29 锚喷支护质量检验报告单检表30 锥、护坡质量检验报告单检表31 浆砌砌体质量检验报告单检表32 干砌片石质量检验报告单检表33 导流工程质量检验报告单检表34 石笼防护质量检验报告单检表35 水泥混凝土面层质量检验报告单检表36 沥青混凝土面层和沥青碎(砾)石面层质量检验报告单检表37 沥青贯入式面层(或上拌下贯式面层)质量检验报告单检表38 沥青表面处治面层质量检验报告单检表39 半刚性基层(底基层)质量检验报告单检表40 级配碎(砾)石基层(底基层)质量检验报告单检表41 填隙碎石(矿碴)基层质量检验报告单检表42 路缘石铺设质量检验报告单检表43 路肩质量检验报告单桥梁、涵洞工程检表44 桥梁总体质量检验报告单检表45 钻孔灌注桩质量检验报告单检表46 挖孔桩质量检验报告单检表47 预制桩质量检验报告单检表48 沉桩质量检验报告单检表49 地下连续墙质量检验报告单检表50 管桩质量检验报告单检表51 沉井质量检验报告单检表52 双壁钢围堰的制作拼装质量检验报告单检表53 钢围堰封底混凝土质量检验报告单检表54 浆砌片石基础质量检验报告单检表55 墩、台身砌体质量检验报告单检表56 拱圈砌体质量检验报告单表检表57 侧墙砌体质量检验报告单检表58 拱桥组合桥台质量检验报告单检表59 钢筋加工安装质量检验报告单检表60 钢筋网质量检验报告单检表61 预制桩钢筋安装质量检验报告单检表63 承台质量检验报告单检表64 混凝土墩、台身质量检验报告单检表65 柱或双壁墩质量检验报告单检表66 墩、台帽或盖梁质量检验报告单检表67 台背填土质量检验报告单检表68 预制梁(板)质量检验报告单检表69 就地浇筑梁(板)质量检验报告单检表70 预制拱圈质量检验报告单检表71 就地浇筑拱圈质量检验报告单检表72 大体积构件浇筑质量检验报告单检表73 小型预制件质量检验报告单检表74 桁架梁、拱杆件预制质量检验报告单检表75 钢丝、钢铰线(先张法)质量检验报告单检表76 粗钢筋先张法质量检验报告单检表77 后张法质量检验报告单检表78 墩、台身安装质量检验报告单检表79 梁(板)安装质量检验报告单检表80 悬臂梁浇筑质量检验报告单检表81 顶推施工梁质量检验报告单检表82 悬臂梁拼装质量检验报告单检表83 主拱圈安装质量检验报告单检表84 腹拱安装质量检验报告单检表85 悬臂拼装梁质量检验报告单检表86 悬臂拼装桁架拱质量检验报告单检表87 转体施工梁、拱质量检验报告单检表88 劲性骨架加工质量检验报告单检表89 劲性骨架安装质量检验报告单检表90 劲性骨架拱混凝土浇筑质量检验报告单检表91 钢管拱肋制作质量检验报告单检表92 钢管拱肋安装质量检验报告单检表93 钢管拱肋混凝土浇筑质量检验报告单检表94 柔杆、系杆质量检验报告单检表95 吊杆的制作与安装质量检验报告单检表96 复合桥面水泥混凝土铺装质量检验报告单检表97 桥面铺装质量检验报告单检表98 桥面防水层质量检验报告单检表99 钢桥面板上沥青混凝土质量检验报告单检表101 挡块质量检验报告单检表102 支座安装质量检验报告单检表103 伸缩缝安装质量检验报告单检表104 人行道铺设质量检验报告单检表105 栏杆安装质量检验评定表检表106 混凝土护栏浇筑质量检验报告单检表107 桥头搭板质量检验报告单检表108 整体层质量检验报告单检表109 涵洞总体质量检验报告单检表110 涵台质量检验报告单检表111 管座与管节安装质量检验报告单检表112 盖板制作质量检验报告单检表113 盖板安装质量检验报告单检表114 拱涵浇(砌)质量检验报告单检表115 箱涵浇筑质量检验报告单检表116 倒虹吸竖井浇筑质量检验报告单检表117 一字墙和八字墙质量检验报告单单检表118 顶入法施工的桥涵质量检验报告隧道工程检表119 隧道总体质量检验报告单检表120 明洞浇筑质量检验报告单检表121 明洞防水层质量检验报告单检表122 明洞回填质量检验报告单检表123 洞身开挖质量检验报告单检表124 (钢纤维)喷射混凝土支护质量检验报告单检表125 锚杆支护质量检验报告单检表126 钢筋网支护质量检验报告单检表127 仰拱质量检验报告单检表128 混凝土衬砌质量检验报告单检表129 钢支撑质量检验报告单检表130 衬砌钢筋质量检验报告单检表131 防水层质量检验报告单检表132 止水带质量检验报告单检表133 超前锚杆、超前钢管质量检验报告单交通工程检表134 交通标志质量检验报告单检表135 路面标线质量检验报告单检表137 轮廓标质量检验报告单检表138 波形梁钢护栏质量检验报告单检表139 混凝土护栏质量检验报告单检表140 缆索护栏质量检验报告单检表141 防眩设施质量检验报告单检表142 隔离栅和防落网质量检验报告单环保工程检表143 砌块体声屏障质量检验报告单检表144 金属结构声屏障质量检验报告单检表145 中央分隔带绿化质量检验报告单检表146 路侧绿化质量检验报告单检表147 互通立交区绿化质量检验报告单检表148 养护管理区、服务区绿化质量检验报告单检表149 取、弃土场绿化质量检验报告单机电工程检表150 车辆检测器质量检验报告单检表151 气象检测器质量检验报告单检表152 闭路电视监视系统质量检验报告单检表153 可变标志质量检验报告单检表154 光、电缆线路质量检验报告单检表155 监控中心设备安装及系统调测质量检验报告单检表156 大屏幕投影系统质量检验报告单检表157 地图板质量检验报告单检表158 监控系统计算机网络质量检验报告单检表159 通信管道与光、电缆线路质量检验报告单检表160 光纤数字传输系统质量检验报告单检表161 数字程控交换系统质量检验报告单检表162 紧急电话系统质量检验报告单检表163 无线移动通信系统质量检验报告单检表164 通信电源质量检验报告单检表165 入口车道设备质量检验报告单检表166 出口车道设备质量检验报告单检表167 收费站设备及软件质量检验报告单检表168 收费中心设备及软件质量检验报告单检表169 IC卡发卡编码系统质量检验报告单检表170 内部有线对讲及紧急报警系统质量检验报告单检表171 闭路电视监视系统质量检验报告单检表172 收费站内光、电缆及塑料管道质量检验报告单检表173 中心(站)内低压配电设备质量检验报告单检表174 外场设备电力电缆线路质量检验报告单检表175 照明设施质量检验报告单检表176 隧道环境检测设备质量检验报告单检表177 隧道报警与诱导设施质量检验报告单检表178 隧道通风设施质量检验报告单检表179 隧道照明设施质量检验报告单检表180 隧道消防设施质量检验报告单检表181 隧道本地控制器质量检验报告单检表182 隧道监控中心设备及软件质量检验报告单路基路面工程检表183 水泥深层搅拌桩质量检验报告单检表184 CFG桩质量检验报告单检验附表检验附表统计表1 混凝土(砂浆)抗压强度统计汇总表编号:7统计:复核:技术负责人:项目经理:日期:8统计表2 压实度统计汇总表编号:统计:复核:技术负责人:项目经理:日期:9统计表3 回弹弯沉检测结果统计表承包单位:合同号:编号:统计:复核:技术负责人:项目经理:日期:统计表4 半刚性基层强度试验结果统计表承包单位:合同段:编号:统计:复核:技术负责人:项目经理:日期:11统计表5 路面结构层厚度检测结果统计表统计:复核:技术负责人:项目经理:日期:13统计表6 水泥混凝土抗折强度统计表承包单位:合同段:编号:统计:复核:技术负责人:项目经理:日期:15统计表7 钻(冲、挖)孔桩工程质量资料统计表编号:承包单位:17统计:复核:技术负责人:项目经理:日期:18检表(1) 土方路基质量检验报告单19检测:复核:施工员:质检负责人:技术负责人:项目经理:日期:20检表(2) 石方路基质量检验报告单21检测:复核:施工员:质检负责人:技术负责人:项目经理:日期:检表(3) 砂垫层质量检验报告单22检测:复核:施工员:质检负责人:技术负责人:项目经理:日期:检表(4)袋装砂井质量检验报告单23检测:复核:施工员:质检负责人:技术负责人:项目经理:日期:检表(5) 塑料排水板质量检验报告单24检测:复核:施工员:质检负责人:技术负责人:项目经理:日期:检表(6) 碎石桩(砂桩)质量检验报告单25检测:复核:施工员:质检负责人:技术负责人:项目经理:日期:粉喷桩质量检验报告单检表(7)26检测:复核:施工员:质检负责人:技术负责人:项目经理:日期:检表(8)加筋工程土工合成材料质量检验报告单27检测:复核:施工员:质检负责人:技术负责人:项目经理:日期:检表(9)隔离工程土工合成材料质量检验报告单编号:第页共页2829检测:复核:施工员:质检负责人:技术负责人:项目经理:日期:检表(10)过滤排水工程土工合成材料质量检验报告单30检测:复核:施工员:质检负责人:技术负责人:项目经理:日期:检表(11)防裂工程土工合成材料质量检验报告单编号:第页共页31检测:复核:施工员:质检负责人:技术负责人:项目经理:日期:检表(12)管节预制质量检验报告单32检测:复核:施工员:质检负责人:技术负责人:项目经理:日期:检表(13)管道基础及管节安装质量检验报告单编号:第页共页3334检测:复核:施工员:质检负责人:技术负责人:项目经理:日期:检表(14)检查(雨水)井砌筑质量检验报告单编号:第页共页35检测:复核:施工员:质检负责人:技术负责人:项目经理:日期:检表(15)土沟质量检验报告单36检测:复核:施工员:质检负责人:技术负责人:项目经理:日期:检表(16)浆砌排水沟质量检验报告单37检测:复核:施工员:质检负责人:技术负责人:项目经理:日期:检表(17) 盲沟质量检验报告单39检测:复核:施工员:质检负责人:技术负责人:项目经理:日期:检表(18)排水泵站(沉井)质量检验报告单40检测:复核:施工员:质检负责人:技术负责人:项目经理:日期:检表(19) 砌体挡土墙质量检验报告单编号:第页共页41检测:复核:施工员:质检负责人:技术负责人:项目经理:日期:检表(20) 干砌片石挡土墙质量检验报告单4243检测:复核:施工员:质检负责人:技术负责人:项目经理:日期:检表(21)悬臂式和扶臂式挡土墙质量检验报告单检测:复核:施工员:质检负责人:技术负责人:项目经理:日期:检表(22)筋带质量检验报告单45检测:复核:施工员:质检负责人:技术负责人:项目经理:日期:检表(23)锚杆、拉杆质量检验报告单46检测:复核:施工员:质检负责人:技术负责人:项目经理:日期:表(24) 面板预制质量检验报告单47检测:复核:施工员:质检负责人:技术负责人:项目经理:日期:表(25) 面板安装质量检验报告单49检测:复核:施工员:质检负责人:技术负责人:项目经理:日期:检表(26) 锚杆、锚碇板和加筋土挡土墙质量检验报告单编号:第页共页50。