机房静电地板 工程检验批质量验收记录
- 格式:doc
- 大小:33.00 KB
- 文档页数:2
防静电地板隐蔽验收记录
一、工程概况
本工程为某公司办公楼改造项目,其中防静电地板安装工程由我单位负责施工。
防静电地板采用XX品牌,型号为XX,具有优良的防静电性能和承载能力,符合国家相关标准和规范要求。
二、验收内容
本次验收主要针对防静电地板的安装质量进行隐蔽验收,具体内容包括:
1. 防静电地板的安装位置、平整度和接缝处理;
2. 防静电地板与地面之间的密封处理;
3. 防静电地板下的电气管线敷设情况;
4. 防静电地板的接地措施;
5. 防静电地板的外观质量。
三、验收方法与标准
1. 采用观察、尺量等方法进行检测,确保防静电地板的安装位置、
平整度和接缝处理符合设计要求;
2. 检查防静电地板与地面之间的密封材料是否合格,密封处理是否到位;
3. 仔细检查防静电地板下的电气管线敷设是否规范,是否存在安全隐患;
4. 检查防静电地板的接地电阻值是否符合规范要求;
5. 观察防静电地板的外观质量,确保无明显瑕疵和损坏。
四、验收结果
经过仔细检查和测量,防静电地板的安装质量符合设计要求和相关规范,具体如下:
1. 防静电地板安装位置准确,平整度良好,接缝处理严密;
2. 防静电地板与地面之间的密封处理到位,无渗漏现象;
3. 防静电地板下的电气管线敷设规范,无安全隐患;
4. 防静电地板的接地电阻值符合规范要求;
5. 防静电地板外观质量良好,无明显瑕疵和损坏。
五、结论与建议
综上所述,本工程防静电地板的安装质量符合设计要求和相关规范,
验收合格。
建议在后续使用过程中加强维护和保养,确保防静电地板的性能得到充分发挥。
活动地板面层工程检验批质量验收记录编号:
填表说明:
1、检验批容量填写:活动地板面层工程的施工质量验收应按每一层次或每层施工段(或变形缝)划分检验批。
(GB50209-2010第3.0.21条第1款)
2、最小/实际检查数量栏中,实际检查数量:每检验批应以各子分部工程的基层(各构造层)和各类面层所划分的分项工程按自然间(或标准间)检验,抽查数量应随机检验不应少于3间;不足3间,应全数检查;其中走廊(过道)应以10延米为1间,工业厂房(按单跨计)、礼堂、门厅应以两个轴线为1间计算。
(GB50209-2010第3.0.21条第2款)
有防水要求的建筑地面子分部工程的分项工程施工质量每检验批抽查数量应按其房间总数随机检验不应少于4间,不足4间,应全数检查。
(GB50209-2010第3.0.21条第3款)1、表头中“施工依据”栏目应依照实际的施工操作依据填写,如施工企业的操作规程、施工工艺标准等。
防静电地板检验批验收记录
一、检验批号:XXXX
二、检验日期:XXXX年XX月XX日
三、地板类型:防静电地板
四、地板材料:优质合金冷轧钢板,表面镀锌,导电性能优良。
五、表面处理:采用防静电粉末喷涂工艺,颜色可根据客户需求定制。
六、导静电性能:地板表面电阻值低于10^8Ω,导电性能优良,能有效防止静电积聚。
七、外观质量:地板表面平整,无划痕、起泡、变形等现象,颜色均匀一致。
八、尺寸偏差:地板尺寸符合设计要求,偏差在允许范围内。
九、承载能力:地板承载能力符合设计要求,能够承受大量人员及设备重量。
十、使用寿命:地板使用寿命长,正常情况下可使用10年以上。
如有需要,可进行更换或维修。
机房防雷与接地系统检验批质量验收记录注:本表内容的填写需依据《现场验收检验批检查原始记录》。
本检验批质量验收的规范依据见本页背面。
填写说明一、填写依据1 《智能建筑工程施工规范》GB50606-2010。
2 《电子信息系统机房施工及验收规范》GB50462-2008。
3 《建筑工程施工质量验收统一标准》GB50300-2013。
二、检验批划分可按照系统、区域、楼层划分检验批。
三、GB50606-2010规范摘要3.5.1 材料、器具、设备进场质量检测应符合下列规定:1 需要进行质量检查的产品应包括智能建筑工程各子系统中使用的材料、硬件设备、软件产品和工程中应用的各种系统接口;列入中华人民共和国实施强制性产品认证的产品目录或实施生产许可证和上网许可证管理的产品应进行产品质量检查,未列入的产品也应按规定程序通过产品质量检测后方可使用。
2 材料及主要设备的检测应符合下列规定:1)按照合同文件和工程设计文件进行的进场验收,应有书面记录和参加人签字,并应经监理工程师或建设单位验收人员确认;2)应对材料、设备的外观、规格、型号、数量及产地等进行检查复核;3)主要设备、材料应有生产厂家的质量合格证明文件及性能的检测报告。
3 设备及材料的质量检查应包括安全性、可靠性及电磁兼容性等项目,并应由生产厂家出具相应检测报告。
17.2.3 防雷与接地系统工程的施工应执行国家标准《电子信息系统机房施工及验收规范》GB50462-2008第4章和本规范第16章的规定。
四、GB50462-2008规范摘要5.4.1 验收检测应包括下列内容:1 检查接地装置的结构、材质、连接方法、安装位置、埋设间距、深度及安装方法应符合设计要求。
2 对接地装置的外露接点应进行外观检查,已封闭的应检查施工记录。
3 验证浪涌保护器的规格、型号应符合设计要求,检查浪涌保护器安装位置、安装方式应符合设计要求或产品安装说明书的要求。
4 检查接地线的规格、敷设方法及其与等电位金属带的连接方法应符合设计要求。
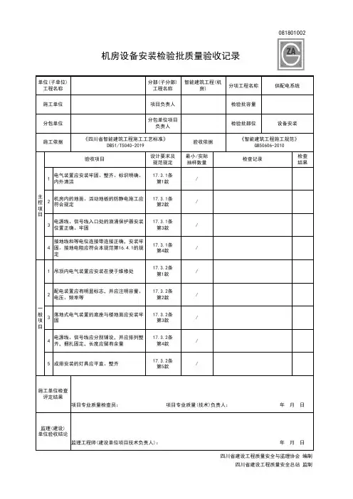
(综合布线系统)机房设备安装检验批质量验收记录
机房设备安装检验批质量验收记录
注:本表内容的填写需依据《现场验收检验批检查原始记录》。
本检验批质量验收的规范依据见本页背面。
填写说明
一、填写依据
1 《智能建筑工程施工规范》GB50606-2010。
2 《建筑工程施工质量验收统一标准》GB50300-2013。
二、检验批划分
可按照系统、区域、楼层划分检验批。
三、GB50606-2010规范摘要
17.3.1 主控项目应符合下列规定:
1 电气装置应安装牢固、整齐、标识明确、内外清洁。
2 机房内的地面、活动地板的防静电施工应符合行业标准《民用建筑电气规范》JGJ 16-2008第23.2节的要求。
3 电源线、信号线入口处的浪涌保护器安装位置正确、牢固。
4 接地线和等电位连接带连接正确,安装牢固。
接地电阻应符合本规范第16.4.1的规定。
17.3.2 一般项目应符合下列规定:
1 吊顶内电气装置应安装在便于维修处。
2 配电装置应有明显标志,并应注明容量、电压、频率等。
3 落地式电气装置的底座与楼地面应安装牢固。
4 电源线、信号线应分别铺设,并应排列整齐,捆扎固定,长度应留有余量。
5 成排安装的灯具应平直、整齐。
活动地板、地毯面层分项工程检验批质量验收记录TJ4.3.12
提示
本表适用于活动地板(防尘和防静电)面层和地毯面层分项工程。
使用本表时,应在其分项工程名称上打钩。
活动地板面层
主控项目
1.面层材质
检验方法:观察检查和检查材质合格证明文件及检测报告。
2.面层缺陷
检验方法:观察和脚踩检查。
一般项目
1.面层质量
检验方法:观察检查。
2.面层质量偏差
检验方法:第1项用2m靠尺和楔形塞尺检查;第2项拉5m线和用钢尺检查;第3项用钢尺和楔形塞尺检查;第4项用钢尺检查。
地毯(方块、卷材)面层
主控项目
1.地毯材质
检验方法:观察检查和检查材质合格记录。
2.表面质量
检验方法:观察检查。
一般项目
1.表面质量缺陷
检验方法:观察检查。
2.与其他面层接口和墙边、柱周围
检验方法:观察检查。