八大行业分类明细表
- 格式:doc
- 大小:1.49 MB
- 文档页数:32
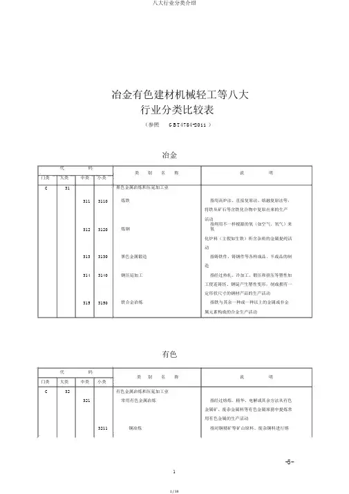
冶金有色建材机械轻工等八大行业分类对照表(参照GBT4754-2011)冶金代门类C 大类313113110码中类小类类别名称说明黑色金属冶炼和压延加工业炼铁指用高炉法、直接还原法、熔融还原法等,将铁从矿石等含铁化合物中还原出来的生产活动3123120炼钢指利用不同来源的氧(如空气、氧气)来氧化炉料(主要是生铁)所含杂质的金属提纯活动3133130黑色金属铸造指铸铁件、铸钢件等各种成品、半成品的制造3143140钢压延加工指通过热轧、冷加工、锻压和挤压等塑性加工使连铸坯、钢锭产生塑性变形,制成具有一定形状尺寸的钢材产品的生产活动3153150铁合金冶炼指铁与其他一种或一种以上的金属或非金属元素组成的合金生产活动有色代门类C 大类32321码中类小类类别名称说明有色金属冶炼和压延加工业常用有色金属冶炼指通过熔炼、精炼、电解或其他方法从有色金属矿、废杂金属料等有色金属原料中提炼常用有色金属的生产活动3211铜冶炼指对铜精矿等矿山原料、废杂铜料进行熔-5-代门类大类码中类小类类别名称说明炼、精炼、电解等提炼铜的生产活动32123213321432153216铅锌冶炼镍钴冶炼锡冶炼锑冶炼铝冶炼指对铝矿山原料通过冶炼、电解、铸型,以及对废杂铝料进行熔炼等提炼铝的生产活动321732193223221镁冶炼其他常用有色金属冶炼贵金属冶炼金冶炼指对金、银及铂族金属的提炼活动指用金精(块)矿、阳极泥(冶炼其他有色金属时回收的阳极泥含金)、废杂金提炼黄金的生产活动3222银冶炼指用银精(块)矿、阳极泥(冶炼其他有色金属时回收的阳极泥含银)、废杂银提炼白银的生产活动3229323其他贵金属冶炼稀有稀土金属冶炼指钨钼、稀有轻金属、稀有高熔点金属、稀散金属、稀土金属及其他稀有稀土金属冶炼活动,但不包括钍和铀等放射性金属的冶炼加工3231323232393243240钨钼冶炼稀土金属冶炼其他稀有金属冶炼有色金属合金制造指以有色金属为基体,加入一种或几种其他元素所构成的合金生产活动3253250有色金属铸造指有色金属及其合金铸造的各种成品、半成品的制造326326132623263有色金属压延加工铜压延加工铝压延加工贵金属压延加工指铜及铜合金的压延加工生产活动指铝及铝合金的压延加工生产活动指对金、银及铂族等贵金属,进行轧制、拉制或挤压加工的生产活动32643269稀有稀土金属压延加工其他有色金属压延加工指对钨、钼、钽等稀有金属材的加工-6-建材代门类C 大类20码中类小类类别名称说明木材加工和木、竹、藤、棕、草制品业2012011木材加工锯材加工指以原木为原料,利用锯木机械或手工工具将原木纵向锯成具有一定断面尺寸(宽、厚度)的木材加工生产活动,用防腐剂和其他物质浸渍木料或对木料进行化学处理的加工,以及地板毛料的制造2012木片加工指利用森林采伐、造材、加工等剩余物和定向培育的木材,经削(刨)片机加工成一定规格的产品生产活动2013单板加工指用于单板层积材(LVL)、纺织用木质层压板、电工层压木板和木质层积塑料等单位的生产;随着科技进步,装饰单板(厚度0.55mm以下的单板)发展很快,主要用于装饰贴面二次加工,如生产装饰贴面胶合板、实木复合地板、木质复合门窗、家具、楼梯、汽车内饰、木墙纸和踢脚线等2019其他木材加工指对木材进行干燥、防腐、改性、染色加工等活动202人造板制造指用木材及其剩余物、棉秆、甘蔗渣和芦苇等植物纤维为原料,加工成符合国家标准的胶合板、纤维板、刨花板、细木工板和木丝板等产品的生产活动,以及人造板二次加工装饰板的制造2021胶合板制造指具有一定规格的原木经旋(刨)切成单板,再经干燥、涂胶、组坯、热压而成的符合国家标准及供需双方协定标准的产品生产活动2022纤维板制造指用木材碎料(包括木片)、棉秆、甘蔗渣、芦苇等植物纤维作原料,经削片纤维分离,铺装成型,热压而成的产品生产活动2023刨花板制造指用木材碎料(包括木片)和其他植物纤维作原料,制成刨花,经干燥、施胶,铺装成型,热压而成的产品生产活动2029其他人造板制造包括非木质纤维、胶合木等其他各类人造板的制造-7-代门类大类码中类203小类类木制品制造别名称说明指以木材为原料加工成建筑用木料和木材组件、木容器、软木制品及其他木制品的生产活动,但不包括木质家具的制造2031建筑用木料及木材组件加工指主要用于建筑施工工程的木质制品,如建筑施工用的大木工或其他支撑物,以及建筑木工的生产活动2032203320342039木门窗、楼梯制造地板制造木制容器制造软木制品及其他木制品制造指天然软木除去表皮,经初加工后获得的结块软木及其制品的生产活动,以及其他未列明的木质产品的生产活动303013011非金属矿物制品业水泥、石灰和石膏制造水泥制造指以水泥熟料加入适量石膏或一定混合材,经研磨设备(水泥磨)磨制到规定的细度,制成水凝水泥的生产活动,还包括水泥熟料的生产活动3012 30230213022石灰和石膏制造石膏、水泥制品及类似制品制造水泥制品制造砼结构构件制造指水泥制管、杆、桩、砖、瓦等制品制造指用于建筑施工工程的水泥混凝土预制构件的生产活动3023石棉水泥制品制造3024轻质建筑材料制造指石膏板、石膏制品及类似轻质建筑材料的制造3029其他水泥类似制品制造指玻璃纤维增强水泥制品,以及其他未列明的水泥制品的制造303砖瓦、石材等建筑材料制造指粘土、陶瓷砖瓦的生产,建筑用石的加工,用废料或废渣生产的建筑材料,以及其他建筑材料的制造3031粘土砖瓦及建筑砌块制造指用粘土和其他材料生产的砖、瓦及建筑砌块的活动3032建筑陶瓷制品制造指用于建筑物的内、外墙及地面装饰或耐酸腐蚀的陶瓷材料(不论是否涂釉)的生产活动,以及水道、排水沟的陶瓷管道及配件的制造-8-代门类大类码中类小类3033类别名称说明建筑用石加工指用于建筑、筑路、墓地及其他用途的大理石板、花岗岩等石材的切割、成形和修饰活动3034防水建筑材料制造指以沥青或类似材料为主要原料制造防水材料的活动3035隔热和隔音材料制造指用于隔热、隔音、保温的岩石棉、矿渣棉、膨胀珍珠岩、膨胀蛭石等矿物绝缘材料及其制品的制造,但不包括石棉隔热、隔音材料的制造3039304其他建筑材料制造玻璃制造指任何形态玻璃的生产,以及利用废玻璃再生产玻璃活动,包括特制玻璃的生产3041平板玻璃制造指用浮法、垂直引上法、压延法等生产平板玻璃原片的活动3049305其他玻璃制造玻璃制品制造指未列明的玻璃制造指任何形态玻璃制品的生产,以及利用废玻璃再生产玻璃制品的活动3051技术玻璃制品制造指用于建筑、工业生产的技术玻璃制品的制造3052光学玻璃制造指用于放大镜、显微镜、光学仪器等方面的光学玻璃,日用光学玻璃,钟表用玻璃或类似玻璃,光学玻璃眼镜毛坯的制造,以及未进行光学加工的光学玻璃元件的制造3053玻璃仪器制造指实验室、医疗卫生用各种玻璃仪器和玻璃器皿以及玻璃管的制造3054日用玻璃制品制造指餐厅、厨房、卫生间、室内装饰及其它生活用玻璃制品的制造3055玻璃包装容器制造指主要用于产品包装的各种玻璃容器的制造3056玻璃保温容器制造指玻璃保温瓶和其他个人或家庭用玻璃保温容器的制造3057制镜及类似品加工指以平板玻璃为材料,经对其进行镀银、镀铝,或冷、热加工后成型的镜子及类似制品的制造3059306其他玻璃制品制造玻璃纤维和玻璃纤维增强塑料制品制造3061玻璃纤维及制品制造-9-代门类大类码中类小类3062类别名称说明玻璃纤维增强塑料制品制造也称玻璃钢,指用玻璃纤维增强热固性树脂生产塑料制品的活动307陶瓷制品制造3071卫生陶瓷制品制造指卫生和清洁盥洗用的陶瓷用具的生产活动3072特种陶瓷制品制造指专为工业、农业、实验室等领域的各种特定用途和要求,采用特殊生产工艺制造陶瓷制品的生产活动3073日用陶瓷制品制造指以粘土、瓷石、长石、石英等为原料,经破碎、制泥、成型、烧炼等工艺制成,主要供日常生活用的各种瓷器、炻器、陶器等陶瓷制品的制造3079园林、陈设艺术及其他陶瓷制品制造指以石英、长石、瓷土等为原料,经制胎、施釉、装饰、烧成等工艺制成的,具有艺术造型或花纹、图案等,主要供陈设、观赏或装饰用的纯艺术欣赏陶瓷制品和以欣赏为主的陶瓷陈列品、实用品的制造,以及其他未列明的陶瓷制品的制造3083081耐火材料制品制造石棉制品制造指以石棉或其他矿物纤维素为基础,制造摩擦制品、石棉纺织制品、石棉橡胶制品、石棉保温隔热材料制品的生产活动3082云母制品制造3089耐火陶瓷制品及其他耐火材料制造指用硅质、粘土质、高铝质等石粉成形的陶瓷隔热制品的制造309石墨及其他非金属矿物制品制造3091石墨及碳素制品制造指以炭、石墨材料加工的特种石墨制品、碳素制品、异形制品,以及用树脂和各种有机物浸渍加工而成的碳素异形产品的制造3099其他非金属矿物制品制造- 10 -机械代门类C 大类3333233213323码中类小类类金属制品业金属工具制造切削工具制造农用及园林用金属工具制造指手工或机床用可互换的切削工具的制造指主要用于农牧业生产的小农具,园艺或林业作业用金属工具的制造3333331集装箱及金属包装容器制造集装箱制造指专门设计,可长期反复使用,不用换箱内货物,便可从一种运输方式转移到另一种运输方式的放置货物的钢质箱体(其容积大于1m3)的生产活动3332金属压力容器制造指用于存装压缩气体、液化气体及其他具有一定压力的液体物质的金属容器(不论其是否配有顶盖、塞子,或衬有除铁、钢、铝以外的材料)的制造3363360金属表面处理及热处理加工指对外来的金属物件表面进行的电镀、镀层、抛光、喷涂、着色等专业性作业加工3393399其他金属制品制造其他未列明金属制品制造指其他上述未包括的金属制品的制造;包括:指焊条、焊丝、电焊用的金属焊剂电极及其它类似品;铅防护用品;金属链条:防滑链、日字环节链、其他焊接链及其零件;铁道或有轨电车轨道装置或配件:装置好的轨道、转车盘、道钉、站台缓冲装置等;船用金属零附件:船用推进器及浆叶片、铁锚链、多爪锚及其零件、铁钩、钩环、蛇管、扣环等;一次冲压成型的普通机械标牌;铸钢制研磨机的研磨球,类似的铸铁或铸钢制品;非电动的铃及类似品,马鞍的金属配件。
冶金有色建材机械轻工等八大行业分类对照表(参照GBT4754-2011)冶金代门类C 大类313113110码中类小类类别名称说明黑色金属冶炼和压延加工业炼铁指用高炉法、直接还原法、熔融还原法等,将铁从矿石等含铁化合物中还原出来的生产活动3123120炼钢指利用不同来源的氧(如空气、氧气)来氧化炉料(主要是生铁)所含杂质的金属提纯活动3133130黑色金属铸造指铸铁件、铸钢件等各种成品、半成品的制造3143140钢压延加工指通过热轧、冷加工、锻压和挤压等塑性加工使连铸坯、钢锭产生塑性变形,制成具有一定形状尺寸的钢材产品的生产活动3153150铁合金冶炼指铁与其他一种或一种以上的金属或非金属元素组成的合金生产活动有色代门类C 大类32321码中类小类类别名称说明有色金属冶炼和压延加工业常用有色金属冶炼指通过熔炼、精炼、电解或其他方法从有色金属矿、废杂金属料等有色金属原料中提炼常用有色金属的生产活动3211铜冶炼指对铜精矿等矿山原料、废杂铜料进行熔-5-代门类大类码中类小类类别名称说明炼、精炼、电解等提炼铜的生产活动32123213321432153216铅锌冶炼镍钴冶炼锡冶炼锑冶炼铝冶炼指对铝矿山原料通过冶炼、电解、铸型,以及对废杂铝料进行熔炼等提炼铝的生产活动321732193223221镁冶炼其他常用有色金属冶炼贵金属冶炼金冶炼指对金、银及铂族金属的提炼活动指用金精(块)矿、阳极泥(冶炼其他有色金属时回收的阳极泥含金)、废杂金提炼黄金的生产活动3222银冶炼指用银精(块)矿、阳极泥(冶炼其他有色金属时回收的阳极泥含银)、废杂银提炼白银的生产活动3229323其他贵金属冶炼稀有稀土金属冶炼指钨钼、稀有轻金属、稀有高熔点金属、稀散金属、稀土金属及其他稀有稀土金属冶炼活动,但不包括钍和铀等放射性金属的冶炼加工3231323232393243240钨钼冶炼稀土金属冶炼其他稀有金属冶炼有色金属合金制造指以有色金属为基体,加入一种或几种其他元素所构成的合金生产活动3253250有色金属铸造指有色金属及其合金铸造的各种成品、半成品的制造326326132623263有色金属压延加工铜压延加工铝压延加工贵金属压延加工指铜及铜合金的压延加工生产活动指铝及铝合金的压延加工生产活动指对金、银及铂族等贵金属,进行轧制、拉制或挤压加工的生产活动32643269稀有稀土金属压延加工其他有色金属压延加工指对钨、钼、钽等稀有金属材的加工-6-建材代门类C 大类20码中类小类类别名称说明木材加工和木、竹、藤、棕、草制品业2012011木材加工锯材加工指以原木为原料,利用锯木机械或手工工具将原木纵向锯成具有一定断面尺寸(宽、厚度)的木材加工生产活动,用防腐剂和其他物质浸渍木料或对木料进行化学处理的加工,以及地板毛料的制造2012木片加工指利用森林采伐、造材、加工等剩余物和定向培育的木材,经削(刨)片机加工成一定规格的产品生产活动2013单板加工指用于单板层积材(LVL)、纺织用木质层压板、电工层压木板和木质层积塑料等单位的生产;随着科技进步,装饰单板(厚度0.55mm以下的单板)发展很快,主要用于装饰贴面二次加工,如生产装饰贴面胶合板、实木复合地板、木质复合门窗、家具、楼梯、汽车内饰、木墙纸和踢脚线等2019其他木材加工指对木材进行干燥、防腐、改性、染色加工等活动202人造板制造指用木材及其剩余物、棉秆、甘蔗渣和芦苇等植物纤维为原料,加工成符合国家标准的胶合板、纤维板、刨花板、细木工板和木丝板等产品的生产活动,以及人造板二次加工装饰板的制造2021胶合板制造指具有一定规格的原木经旋(刨)切成单板,再经干燥、涂胶、组坯、热压而成的符合国家标准及供需双方协定标准的产品生产活动2022纤维板制造指用木材碎料(包括木片)、棉秆、甘蔗渣、芦苇等植物纤维作原料,经削片纤维分离,铺装成型,热压而成的产品生产活动2023刨花板制造指用木材碎料(包括木片)和其他植物纤维作原料,制成刨花,经干燥、施胶,铺装成型,热压而成的产品生产活动2029其他人造板制造包括非木质纤维、胶合木等其他各类人造板的制造-7-代门类大类码中类203小类类木制品制造别名称说明指以木材为原料加工成建筑用木料和木材组件、木容器、软木制品及其他木制品的生产活动,但不包括木质家具的制造2031建筑用木料及木材组件加工指主要用于建筑施工工程的木质制品,如建筑施工用的大木工或其他支撑物,以及建筑木工的生产活动2032203320342039木门窗、楼梯制造地板制造木制容器制造软木制品及其他木制品制造指天然软木除去表皮,经初加工后获得的结块软木及其制品的生产活动,以及其他未列明的木质产品的生产活动303013011非金属矿物制品业水泥、石灰和石膏制造水泥制造指以水泥熟料加入适量石膏或一定混合材,经研磨设备(水泥磨)磨制到规定的细度,制成水凝水泥的生产活动,还包括水泥熟料的生产活动3012 30230213022石灰和石膏制造石膏、水泥制品及类似制品制造水泥制品制造砼结构构件制造指水泥制管、杆、桩、砖、瓦等制品制造指用于建筑施工工程的水泥混凝土预制构件的生产活动3023石棉水泥制品制造3024轻质建筑材料制造指石膏板、石膏制品及类似轻质建筑材料的制造3029其他水泥类似制品制造指玻璃纤维增强水泥制品,以及其他未列明的水泥制品的制造303砖瓦、石材等建筑材料制造指粘土、陶瓷砖瓦的生产,建筑用石的加工,用废料或废渣生产的建筑材料,以及其他建筑材料的制造3031粘土砖瓦及建筑砌块制造指用粘土和其他材料生产的砖、瓦及建筑砌块的活动3032建筑陶瓷制品制造指用于建筑物的内、外墙及地面装饰或耐酸腐蚀的陶瓷材料(不论是否涂釉)的生产活动,以及水道、排水沟的陶瓷管道及配件的制造-8-代门类大类码中类小类3033类别名称说明建筑用石加工指用于建筑、筑路、墓地及其他用途的大理石板、花岗岩等石材的切割、成形和修饰活动3034防水建筑材料制造指以沥青或类似材料为主要原料制造防水材料的活动3035隔热和隔音材料制造指用于隔热、隔音、保温的岩石棉、矿渣棉、膨胀珍珠岩、膨胀蛭石等矿物绝缘材料及其制品的制造,但不包括石棉隔热、隔音材料的制造3039304其他建筑材料制造玻璃制造指任何形态玻璃的生产,以及利用废玻璃再生产玻璃活动,包括特制玻璃的生产3041平板玻璃制造指用浮法、垂直引上法、压延法等生产平板玻璃原片的活动3049305其他玻璃制造玻璃制品制造指未列明的玻璃制造指任何形态玻璃制品的生产,以及利用废玻璃再生产玻璃制品的活动3051技术玻璃制品制造指用于建筑、工业生产的技术玻璃制品的制造3052光学玻璃制造指用于放大镜、显微镜、光学仪器等方面的光学玻璃,日用光学玻璃,钟表用玻璃或类似玻璃,光学玻璃眼镜毛坯的制造,以及未进行光学加工的光学玻璃元件的制造3053玻璃仪器制造指实验室、医疗卫生用各种玻璃仪器和玻璃器皿以及玻璃管的制造3054日用玻璃制品制造指餐厅、厨房、卫生间、室内装饰及其它生活用玻璃制品的制造3055玻璃包装容器制造指主要用于产品包装的各种玻璃容器的制造3056玻璃保温容器制造指玻璃保温瓶和其他个人或家庭用玻璃保温容器的制造3057制镜及类似品加工指以平板玻璃为材料,经对其进行镀银、镀铝,或冷、热加工后成型的镜子及类似制品的制造3059306其他玻璃制品制造玻璃纤维和玻璃纤维增强塑料制品制造3061玻璃纤维及制品制造-9-代门类大类码中类小类3062类别名称说明玻璃纤维增强塑料制品制造也称玻璃钢,指用玻璃纤维增强热固性树脂生产塑料制品的活动307陶瓷制品制造3071卫生陶瓷制品制造指卫生和清洁盥洗用的陶瓷用具的生产活动3072特种陶瓷制品制造指专为工业、农业、实验室等领域的各种特定用途和要求,采用特殊生产工艺制造陶瓷制品的生产活动3073日用陶瓷制品制造指以粘土、瓷石、长石、石英等为原料,经破碎、制泥、成型、烧炼等工艺制成,主要供日常生活用的各种瓷器、炻器、陶器等陶瓷制品的制造3079园林、陈设艺术及其他陶瓷制品制造指以石英、长石、瓷土等为原料,经制胎、施釉、装饰、烧成等工艺制成的,具有艺术造型或花纹、图案等,主要供陈设、观赏或装饰用的纯艺术欣赏陶瓷制品和以欣赏为主的陶瓷陈列品、实用品的制造,以及其他未列明的陶瓷制品的制造3083081耐火材料制品制造石棉制品制造指以石棉或其他矿物纤维素为基础,制造摩擦制品、石棉纺织制品、石棉橡胶制品、石棉保温隔热材料制品的生产活动3082云母制品制造3089耐火陶瓷制品及其他耐火材料制造指用硅质、粘土质、高铝质等石粉成形的陶瓷隔热制品的制造309石墨及其他非金属矿物制品制造3091石墨及碳素制品制造指以炭、石墨材料加工的特种石墨制品、碳素制品、异形制品,以及用树脂和各种有机物浸渍加工而成的碳素异形产品的制造3099其他非金属矿物制品制造- 10 -机械代门类C 大类3333233213323码中类小类类金属制品业金属工具制造切削工具制造农用及园林用金属工具制造指手工或机床用可互换的切削工具的制造指主要用于农牧业生产的小农具,园艺或林业作业用金属工具的制造3333331集装箱及金属包装容器制造集装箱制造指专门设计,可长期反复使用,不用换箱内货物,便可从一种运输方式转移到另一种运输方式的放置货物的钢质箱体(其容积大于1m3)的生产活动3332金属压力容器制造指用于存装压缩气体、液化气体及其他具有一定压力的液体物质的金属容器(不论其是否配有顶盖、塞子,或衬有除铁、钢、铝以外的材料)的制造3363360金属表面处理及热处理加工指对外来的金属物件表面进行的电镀、镀层、抛光、喷涂、着色等专业性作业加工3393399其他金属制品制造其他未列明金属制品制造指其他上述未包括的金属制品的制造;包括:指焊条、焊丝、电焊用的金属焊剂电极及其它类似品;铅防护用品;金属链条:防滑链、日字环节链、其他焊接链及其零件;铁道或有轨电车轨道装置或配件:装置好的轨道、转车盘、道钉、站台缓冲装置等;船用金属零附件:船用推进器及浆叶片、铁锚链、多爪锚及其零件、铁钩、钩环、蛇管、扣环等;一次冲压成型的普通机械标牌;铸钢制研磨机的研磨球,类似的铸铁或铸钢制品;非电动的铃及类似品,马鞍的金属配件。
八大行业分类目录一、农、林、牧、渔业1、农业:农作物种植、林业、畜牧业、渔业二、采矿业1、采矿业:煤炭开采和洗选、石油和天然气开采、黑色金属矿采选、有色金属矿采选、非金属矿采选、开采辅助活动三、制造业1、食品制造业:粮食加工、食品制造、饮料制造、烟草制品制造2、纺织业:纺织、服装制造、皮革、毛皮、羽毛及其制品制造3、木材加工和木、竹、藤、棕、草制品业:木材加工、家具制造、造纸及纸制品制造、印刷和记录媒介复制业4、化学原料和化学制品制造:化学原料制造、化学制品制造、医药制造5、橡胶和塑料制品业:橡胶制品制造、塑料制品制造6、非金属矿物制品业:水泥、石灰和石膏制造、石棉制品制造、玻璃制造、玻璃制品制造、玻璃纤维增强塑料制品制造7、金属制品业:黑色金属冶炼和压延加工、有色金属冶炼和压延加工、金属制品制造、通用设备制造、专用设备制造、汽车制造、铁路、船舶、航空航天和其他运输设备制造、电气机械和器材制造、仪器仪表制造8、通用设备制造业:金属制品制造、通用设备制造、专用设备制造、汽车制造、铁路、船舶、航空航天和其他运输设备制造、电气机械和器材制造、仪器仪表制造9、废弃资源综合利用业:废旧资源综合利用四、电力、热力、燃气及水生产和供应业1、电力、热力生产和供应业:电力、热力生产和供应2、燃气生产和供应业:燃气生产和供应3、水的生产和供应业:自来水生产和供应、污水处理及其再生利用五、建筑业1、房屋建筑业:房屋建筑、土木工程建筑2、建筑安装业:电气安装、管道和设备安装、其他建筑安装六、批发和零售业1、批发业:农、林、牧、渔产品批发、食品、饮料及烟草制品批发、纺织品、服装及日用品批发、文化、体育用品及器材批发、医药及医疗器材批发、矿产品、建材及化工产品批发、机械设备、五金产品及电子产品批发、贸易经纪与代理2、零售业:百货零售、食品、饮料及烟草制品零售、纺织、服装及日用品零售、文化、体育用品及器材零售、医药及医疗器材零售、汽车、摩托车、燃料及零配件零售、家用电器及电子产品零售七、交通运输、仓储和邮政业1、铁路运输业:铁路旅客运输、铁路货物运输、铁路运输辅助活动2、道路运输业:公路旅客运输、道路货物运输、道路运输辅助活动3、水上运输业:水上旅客运输、水上货物运输、水上运输。
冶金有色建材机械轻工等八大行业分类对照表(参照GBT4754-2011)冶金代门类C 大类313113110码中类小类类别名称说明黑色金属冶炼和压延加工业炼铁指用高炉法、直接还原法、熔融还原法等,将铁从矿石等含铁化合物中还原出来的生产活动3123120炼钢指利用不同来源的氧(如空气、氧气)来氧化炉料(主要是生铁)所含杂质的金属提纯活动3133130黑色金属铸造指铸铁件、铸钢件等各种成品、半成品的制造3143140钢压延加工指通过热轧、冷加工、锻压和挤压等塑性加工使连铸坯、钢锭产生塑性变形,制成具有一定形状尺寸的钢材产品的生产活动3153150铁合金冶炼指铁与其他一种或一种以上的金属或非金属元素组成的合金生产活动有色代门类C 大类32321码中类小类类别名称说明有色金属冶炼和压延加工业常用有色金属冶炼指通过熔炼、精炼、电解或其他方法从有色金属矿、废杂金属料等有色金属原料中提炼常用有色金属的生产活动3211铜冶炼指对铜精矿等矿山原料、废杂铜料进行熔-5-代门类大类码中类小类类别名称说明炼、精炼、电解等提炼铜的生产活动32123213321432153216铅锌冶炼镍钴冶炼锡冶炼锑冶炼铝冶炼指对铝矿山原料通过冶炼、电解、铸型,以及对废杂铝料进行熔炼等提炼铝的生产活动321732193223221镁冶炼其他常用有色金属冶炼贵金属冶炼金冶炼指对金、银及铂族金属的提炼活动指用金精(块)矿、阳极泥(冶炼其他有色金属时回收的阳极泥含金)、废杂金提炼黄金的生产活动3222银冶炼指用银精(块)矿、阳极泥(冶炼其他有色金属时回收的阳极泥含银)、废杂银提炼白银的生产活动3229323其他贵金属冶炼稀有稀土金属冶炼指钨钼、稀有轻金属、稀有高熔点金属、稀散金属、稀土金属及其他稀有稀土金属冶炼活动,但不包括钍和铀等放射性金属的冶炼加工3231323232393243240钨钼冶炼稀土金属冶炼其他稀有金属冶炼有色金属合金制造指以有色金属为基体,加入一种或几种其他元素所构成的合金生产活动3253250有色金属铸造指有色金属及其合金铸造的各种成品、半成品的制造326326132623263有色金属压延加工铜压延加工铝压延加工贵金属压延加工指铜及铜合金的压延加工生产活动指铝及铝合金的压延加工生产活动指对金、银及铂族等贵金属,进行轧制、拉制或挤压加工的生产活动32643269稀有稀土金属压延加工其他有色金属压延加工指对钨、钼、钽等稀有金属材的加工-6-建材代门类C 大类20码中类小类类别名称说明木材加工和木、竹、藤、棕、草制品业2012011木材加工锯材加工指以原木为原料,利用锯木机械或手工工具将原木纵向锯成具有一定断面尺寸(宽、厚度)的木材加工生产活动,用防腐剂和其他物质浸渍木料或对木料进行化学处理的加工,以及地板毛料的制造2012木片加工指利用森林采伐、造材、加工等剩余物和定向培育的木材,经削(刨)片机加工成一定规格的产品生产活动2013单板加工指用于单板层积材(LVL)、纺织用木质层压板、电工层压木板和木质层积塑料等单位的生产;随着科技进步,装饰单板(厚度0.55mm以下的单板)发展很快,主要用于装饰贴面二次加工,如生产装饰贴面胶合板、实木复合地板、木质复合门窗、家具、楼梯、汽车内饰、木墙纸和踢脚线等2019其他木材加工指对木材进行干燥、防腐、改性、染色加工等活动202人造板制造指用木材及其剩余物、棉秆、甘蔗渣和芦苇等植物纤维为原料,加工成符合国家标准的胶合板、纤维板、刨花板、细木工板和木丝板等产品的生产活动,以及人造板二次加工装饰板的制造2021胶合板制造指具有一定规格的原木经旋(刨)切成单板,再经干燥、涂胶、组坯、热压而成的符合国家标准及供需双方协定标准的产品生产活动2022纤维板制造指用木材碎料(包括木片)、棉秆、甘蔗渣、芦苇等植物纤维作原料,经削片纤维分离,铺装成型,热压而成的产品生产活动2023刨花板制造指用木材碎料(包括木片)和其他植物纤维作原料,制成刨花,经干燥、施胶,铺装成型,热压而成的产品生产活动2029其他人造板制造包括非木质纤维、胶合木等其他各类人造板的制造-7-代门类大类码中类203小类类木制品制造别名称说明指以木材为原料加工成建筑用木料和木材组件、木容器、软木制品及其他木制品的生产活动,但不包括木质家具的制造2031建筑用木料及木材组件加工指主要用于建筑施工工程的木质制品,如建筑施工用的大木工或其他支撑物,以及建筑木工的生产活动2032203320342039木门窗、楼梯制造地板制造木制容器制造软木制品及其他木制品制造指天然软木除去表皮,经初加工后获得的结块软木及其制品的生产活动,以及其他未列明的木质产品的生产活动303013011非金属矿物制品业水泥、石灰和石膏制造水泥制造指以水泥熟料加入适量石膏或一定混合材,经研磨设备(水泥磨)磨制到规定的细度,制成水凝水泥的生产活动,还包括水泥熟料的生产活动3012 30230213022石灰和石膏制造石膏、水泥制品及类似制品制造水泥制品制造砼结构构件制造指水泥制管、杆、桩、砖、瓦等制品制造指用于建筑施工工程的水泥混凝土预制构件的生产活动3023石棉水泥制品制造3024轻质建筑材料制造指石膏板、石膏制品及类似轻质建筑材料的制造3029其他水泥类似制品制造指玻璃纤维增强水泥制品,以及其他未列明的水泥制品的制造303砖瓦、石材等建筑材料制造指粘土、陶瓷砖瓦的生产,建筑用石的加工,用废料或废渣生产的建筑材料,以及其他建筑材料的制造3031粘土砖瓦及建筑砌块制造指用粘土和其他材料生产的砖、瓦及建筑砌块的活动3032建筑陶瓷制品制造指用于建筑物的内、外墙及地面装饰或耐酸腐蚀的陶瓷材料(不论是否涂釉)的生产活动,以及水道、排水沟的陶瓷管道及配件的制造-8-代门类大类码中类小类3033类别名称说明建筑用石加工指用于建筑、筑路、墓地及其他用途的大理石板、花岗岩等石材的切割、成形和修饰活动3034防水建筑材料制造指以沥青或类似材料为主要原料制造防水材料的活动3035隔热和隔音材料制造指用于隔热、隔音、保温的岩石棉、矿渣棉、膨胀珍珠岩、膨胀蛭石等矿物绝缘材料及其制品的制造,但不包括石棉隔热、隔音材料的制造3039304其他建筑材料制造玻璃制造指任何形态玻璃的生产,以及利用废玻璃再生产玻璃活动,包括特制玻璃的生产3041平板玻璃制造指用浮法、垂直引上法、压延法等生产平板玻璃原片的活动3049305其他玻璃制造玻璃制品制造指未列明的玻璃制造指任何形态玻璃制品的生产,以及利用废玻璃再生产玻璃制品的活动3051技术玻璃制品制造指用于建筑、工业生产的技术玻璃制品的制造3052光学玻璃制造指用于放大镜、显微镜、光学仪器等方面的光学玻璃,日用光学玻璃,钟表用玻璃或类似玻璃,光学玻璃眼镜毛坯的制造,以及未进行光学加工的光学玻璃元件的制造3053玻璃仪器制造指实验室、医疗卫生用各种玻璃仪器和玻璃器皿以及玻璃管的制造3054日用玻璃制品制造指餐厅、厨房、卫生间、室内装饰及其它生活用玻璃制品的制造3055玻璃包装容器制造指主要用于产品包装的各种玻璃容器的制造3056玻璃保温容器制造指玻璃保温瓶和其他个人或家庭用玻璃保温容器的制造3057制镜及类似品加工指以平板玻璃为材料,经对其进行镀银、镀铝,或冷、热加工后成型的镜子及类似制品的制造3059306其他玻璃制品制造玻璃纤维和玻璃纤维增强塑料制品制造3061玻璃纤维及制品制造-9-代门类大类码中类小类3062类别名称说明玻璃纤维增强塑料制品制造也称玻璃钢,指用玻璃纤维增强热固性树脂生产塑料制品的活动307陶瓷制品制造3071卫生陶瓷制品制造指卫生和清洁盥洗用的陶瓷用具的生产活动3072特种陶瓷制品制造指专为工业、农业、实验室等领域的各种特定用途和要求,采用特殊生产工艺制造陶瓷制品的生产活动3073日用陶瓷制品制造指以粘土、瓷石、长石、石英等为原料,经破碎、制泥、成型、烧炼等工艺制成,主要供日常生活用的各种瓷器、炻器、陶器等陶瓷制品的制造3079园林、陈设艺术及其他陶瓷制品制造指以石英、长石、瓷土等为原料,经制胎、施釉、装饰、烧成等工艺制成的,具有艺术造型或花纹、图案等,主要供陈设、观赏或装饰用的纯艺术欣赏陶瓷制品和以欣赏为主的陶瓷陈列品、实用品的制造,以及其他未列明的陶瓷制品的制造3083081耐火材料制品制造石棉制品制造指以石棉或其他矿物纤维素为基础,制造摩擦制品、石棉纺织制品、石棉橡胶制品、石棉保温隔热材料制品的生产活动3082云母制品制造3089耐火陶瓷制品及其他耐火材料制造指用硅质、粘土质、高铝质等石粉成形的陶瓷隔热制品的制造309石墨及其他非金属矿物制品制造3091石墨及碳素制品制造指以炭、石墨材料加工的特种石墨制品、碳素制品、异形制品,以及用树脂和各种有机物浸渍加工而成的碳素异形产品的制造3099其他非金属矿物制品制造- 10 -机械代门类C 大类3333233213323码中类小类类金属制品业金属工具制造切削工具制造农用及园林用金属工具制造指手工或机床用可互换的切削工具的制造指主要用于农牧业生产的小农具,园艺或林业作业用金属工具的制造3333331集装箱及金属包装容器制造集装箱制造指专门设计,可长期反复使用,不用换箱内货物,便可从一种运输方式转移到另一种运输方式的放置货物的钢质箱体(其容积大于1m3)的生产活动3332金属压力容器制造指用于存装压缩气体、液化气体及其他具有一定压力的液体物质的金属容器(不论其是否配有顶盖、塞子,或衬有除铁、钢、铝以外的材料)的制造3363360金属表面处理及热处理加工指对外来的金属物件表面进行的电镀、镀层、抛光、喷涂、着色等专业性作业加工3393399其他金属制品制造其他未列明金属制品制造指其他上述未包括的金属制品的制造;包括:指焊条、焊丝、电焊用的金属焊剂电极及其它类似品;铅防护用品;金属链条:防滑链、日字环节链、其他焊接链及其零件;铁道或有轨电车轨道装置或配件:装置好的轨道、转车盘、道钉、站台缓冲装置等;船用金属零附件:船用推进器及浆叶片、铁锚链、多爪锚及其零件、铁钩、钩环、蛇管、扣环等;一次冲压成型的普通机械标牌;铸钢制研磨机的研磨球,类似的铸铁或铸钢制品;非电动的铃及类似品,马鞍的金属配件。
冶金有色建材机械轻工等八大行业分类比较表(参照GBT4754-2011 )冶金代码类别名称说明门类大类中类小类C 31 黑色金属冶炼和压延加工业311 3110 炼铁指用高炉法、直接复原法、熔融复原法等,将铁从矿石等含铁化合物中复原出来的生产活动312 3120 炼钢指利用不一样根源的氧(如空气、氧气)来氧化炉料(主假如生铁)所含杂质的金属提纯活动313 3130 黑色金属锻造指铸铁件、铸钢件等各样成品、半成品的制造314 3140 钢压延加工指经过热轧、冷加工、锻压和挤压等塑性加工使连铸坯、钢锭产生塑性变形,制成拥有一定形状尺寸的钢材产品的生产活动315 3150 铁合金冶炼指铁与其余一种或一种以上的金属或非金属元素构成的合金生产活动有色代码类别名称说明门类大类中类小类C 32 有色金属冶炼和压延加工业321 常用有色金属冶炼指经过熔炼、精华、电解或其余方法从有色金属矿、废杂金属料等有色金属原猜中提炼常用有色金属的生产活动3211 铜冶炼指对铜精矿等矿山原料、废杂铜料进行熔-5-1代码门类大类中类小类32123213321432153216321732193223221322232293233231323232393243240325325032632613262326332643269类别名称说明炼、精华、电解等提炼铜的生产活动铅锌冶炼镍钴冶炼锡冶炼锑冶炼铝冶炼指对铝矿山原料经过冶炼、电解、铸型,以及对废杂铝料进行熔炼等提炼铝的生产活动镁冶炼其余常用有色金属冶炼贵金属冶炼指对金、银及铂族金属的提炼活动金冶炼指用金精(块)矿、阳极泥(冶炼其余有色金属时回收的阳极泥含金)、废杂金提炼黄金的生产活动银冶炼指用银精(块)矿、阳极泥(冶炼其余有色金属时回收的阳极泥含银)、废杂银提炼白银的生产活动其余贵金属冶炼罕有稀土金属冶炼指钨钼、罕有轻金属、罕有高熔点金属、稀散金属、稀土金属及其余罕有稀土金属冶炼活动,但不包含钍和铀等放射性金属的冶炼加工钨钼冶炼稀土金属冶炼其余罕有金属冶炼有色金属合金制造指以有色金属为基体,加入一种或几种其余元素所构成的合金生产活动有色金属锻造指有色金属及其合金锻造的各样成品、半成品的制造有色金属压延加工铜压延加工指铜及铜合金的压延加工生产活动铝压延加工指铝及铝合金的压延加工生产活动贵金属压延加工指对金、银及铂族等贵金属,进行轧制、拉制或挤压加工的生产活动罕有稀土金属压延加工指对钨、钼、钽等罕有金属材的加工其余有色金属压延加工-6-2代码门类大类中类小类C2020120112012201320192022021202220232029建材类别名称说明木材加工和木、竹、藤、棕、草制品业木材加工锯材加工指以原木为原料,利用锯木机械或手工工具将原木纵向锯成拥有必定断面尺寸(宽、厚度)的木材加工生产活动,用防腐剂和其余物质浸渍木材或对木材进行化学办理的加工,以及地板毛料的制造木片加工指利用丛林采伐、造材、加工等节余物和定向培养的木材,经削(刨)片机加工成必定规格的产品生产活动单板加工指用于单板层积材( LVL )、纺织用木质层压板、电工层压木板和木质层积塑料等单位的生产;跟着科技进步,装饰单板(厚度0.55mm以下的单板 )发展很快 ,主要用于装饰贴面二次加工,如生产装饰贴面胶合板、实木复合地板、木质复合门窗、家具、楼梯、汽车内饰、木墙纸和踢脚线等其余木材加工指对木材进行干燥、防腐、改性、染色加工等活动人造板制造指用木材及其节余物、棉秆、甘蔗渣和芦苇等植物纤维为原料,加工成切合国家标准的胶合板、纤维板、刨花板、细木匠板和木丝板等产品的生产活动,以及人造板二次加工装饰板的制造胶合板制造指拥有必定规格的原木经旋(刨)切成单板,再经干燥、涂胶、组坯、热压而成的切合国家标准及供需两方协议标准的产品生产活动纤维板制造指用木材碎料(包含木片)、棉秆、甘蔗渣、芦苇等植物纤维作原料,经削片纤维分别,铺装成型,热压而成的产品生产活动刨花板制造指用木材碎料(包含木片)和其余植物纤维作原料,制成刨花,经干燥、施胶,铺装成型,热压而成的产品生产活动其余人造板制造包含非木质纤维、胶合木等其余各种人造板的制造-7-3代码类别名称说明门类大类中类小类203 木制品制造指以木材为原料加工成建筑用木材和木材组件、木容器、软木制品及其余木制品的生产活动,但不包含木质家具的制造2031 建筑用木材及木材组件加工指主要用于建筑施工工程的木质制品,如建筑施工用的大木匠或其余支撑物,以及建筑木工的生产活动2032 木门窗、楼梯制造2033 地板制造2034 木制容器制造2039 软木制品及其余木制品制造指天然软木除掉表皮,经初加工后获取的结块软木及其制品的生产活动,以及其余未列明的木质产品的生产活动30 非金属矿物制品业301 水泥、石灰和石膏制造3011 水泥制造指以水泥熟料加入适当石膏或必定混淆材,经研磨设备(水泥磨)磨制到规定的细度,制成水凝水泥的生产活动,还包含水泥熟料的生产活动3012 石灰和石膏制造302 石膏、水泥制品及近似制品制造3021 水泥制品制造指水泥制管、杆、桩、砖、瓦等制品制造3022 砼构造构件制造指用于建筑施工工程的水泥混凝土预制构件的生产活动3023 石棉水泥制品制造3024 轻质建筑资料制造指石膏板、石膏制品及近似轻质建筑资料的制造3029 其余水泥近似制品制造指玻璃纤维加强水泥制品,以及其余未列明的水泥制品的制造303 砖瓦、石材等建筑资料制造指黏土、陶瓷砖瓦的生产,建筑用石的加工,用废料或废渣生产的建筑资料,以及其余建筑资料的制造3031 黏土砖瓦及建筑砌块制造指用黏土和其余资料生产的砖、瓦及建筑砌块的活动3032 建筑陶瓷制品制造指用于建筑物的内、外墙及地面装饰或耐酸腐化的陶瓷资料(无论能否涂釉)的生产活动,以及水道、排水渠的陶瓷管道及配件的制造-8-4代码门类大类中类小类303330343035303930430413049305305130523053305430553056305730593063061类别名称说明建筑用石加工指用于建筑、筑路、墓地及其余用途的大理石板、花岗岩等石材的切割、成形和修饰活动防水建筑资料制造指以沥青或近似资料为主要原料制造防水资料的活动隔热和隔音资料制造指用于隔热、隔音、保温的岩石棉、矿渣棉、膨胀珍珠岩、膨胀蛭石等矿物绝缘资料及其制品的制造,但不包含石棉隔热、隔音资料的制造其余建筑资料制造玻璃制造指任何形态玻璃的生产,以及利用废玻璃再生产玻璃活动,包含特制玻璃的生产平板玻璃制造指用浮法、垂直引上法、压延法等生产平板玻璃原片的活动其余玻璃制造指未列明的玻璃制造玻璃制品制造指任何形态玻璃制品的生产,以及利用废玻璃重生产玻璃制品的活动技术玻璃制品制造指用于建筑、工业生产的技术玻璃制品的制造光学玻璃制造指用于放大镜、显微镜、光学仪器等方面的光学玻璃,日用光学玻璃,钟表用玻璃或近似玻璃,光学玻璃眼镜毛坯的制造,以及未进行光学加工的光学玻璃元件的制造玻璃仪器制造指实验室、医疗卫生用各样玻璃仪器和玻璃器皿以及玻璃管的制造日用玻璃制品制造指餐厅、厨房、洗手间、室内装饰及其余生活用玻璃制品的制造玻璃包装容器制造指主要用于产品包装的各样玻璃容器的制造玻璃保温容器制造指玻璃保温瓶和其余个人或家庭用玻璃保温容器的制造制镜及近似品加工指以平板玻璃为资料,经对其进行镀银、镀铝,或冷、热加工后成型的镜子及近似制品的制造其余玻璃制品制造玻璃纤维和玻璃纤维加强塑料制品制造玻璃纤维及制品制造-9-5代码类别名称说明门类大类中类小类3062 玻璃纤维加强塑料制品制造也称玻璃钢,指用玻璃纤维加强热固性树脂生产塑料制品的活动307 陶瓷制品制造3071 卫生陶瓷制品制造指卫生和洁净盥洗用的陶瓷器具的生产活动3072 特种陶瓷制品制造指专为工业、农业、实验室等领域的各样特定用途和要求,采纳特别生产工艺制造陶瓷制品的生产活动3073 日用陶瓷制品制造指以黏土、瓷石、长石、石英等为原料,经破裂、制泥、成型、烧炼等工艺制成,主要供平时生活用的各样瓷器、炻器、陶器等陶瓷制品的制造3079 园林、摆设艺术及其余陶瓷制品指以石英、长石、瓷土等为原料,经制胎、制造施釉、装饰、烧成等工艺制成的,拥有艺术造型或花纹、图案等,主要供摆设、赏析或装饰用的纯艺术赏识陶瓷制品和以赏识为主的陶瓷陈设品、适用品的制造,以及其余未列明的陶瓷制品的制造308 耐火资料制品制造3081 石棉制品制造指以石棉或其余矿物纤维素为基础,制造摩擦制品、石棉纺织制品、石棉橡胶制品、石棉保温隔热资料制品的生产活动3082 云母制品制造3089 耐火陶瓷制品及其余耐火资料指用硅质、黏土质、高铝质等石粉成形的陶制造瓷隔热制品的制造309 石墨及其余非金属矿物制品制造3091 石墨及碳素制品制造指以炭、石墨资料加工的特种石墨制品、碳素制品、异形制品,以及用树脂和各样有机物浸渍加工而成的碳素异形产品的制造3099 其余非金属矿物制品制造-10-6代码门类大类中类小类C3333233213323333333133323363360339339934341341134123413机械类别名称说明金属制品业金属工具制造切削工具制造指手工或机床用可交换的切削工具的制造农用及园林用金属工具制造指主要用于农牧业生产的小农具,园艺或林业作业用金属工具的制造集装箱及金属包装容器制造集装箱制造指特意设计,可长久频频使用,不用换箱内货物,即可从一种运输方式转移到另一种运输方式的搁置货物的钢质箱体(其容积大于1m3)的生产活动金属压力容器制造指用于存装压缩气体、液化气体及其余拥有必定压力的液体物质的金属容器(无论其能否配有顶盖、塞子,或衬有除铁、钢、铝之外的资料)的制造金属表面办理及热办理加工指对外来的金属物品表面进行的电镀、镀层、抛光、喷涂、着色等专业性作业加工其余金属制品制造其余未列明金属制品制造指其余上述未包含的金属制品的制造;包括:指焊条、焊丝、电焊用的金属焊剂电极及其余近似品;铅防备用品;金属链条:防滑链、日字环节链、其余焊接链及其零件;铁道或有轨电车轨道装置或配件:装置好的轨道、转车盘、道钉、站台缓冲装置等;船用金属零附件:船用推动器及浆叶片、铁锚链、多爪锚及其零件、铁钩、钩环、蛇管、扣环等;一次冲压成型的一般机械标牌;铸钢制研磨机的研磨球,近似的铸铁或铸钢制品;非电动的铃及近似品,马鞍的金属配件。
中华人民共和国职业大典八大类职业大典是一个系统化的分类与总结了职业类型的工具。
中华人民共和国职业大典分为八大类,涵盖了各个行业领域,以下是这八大类的详细介绍:1. 农林牧渔类:这一类职业主要是从事农业、林业、牧业和渔业等相关职业。
例如农民、林务工作者、养殖人员、渔民等。
他们负责生产和经营各种农牧产品,保障国人的食品安全和生活品质。
2. 工业制造类:这一类职业包括了工业制造和加工领域的职业。
例如机械制造工人、电子工程师、飞机制造工程师、机床操作员、钣金工及各种流水线工人。
他们负责制造、加工各种物品并确保产品的及时交付。
3. 建筑类:这一类职业主要是为建筑业提供各种专业人员,如设计师、工程师、建筑工人、土建施工工人、巡逻灰尘工人等。
他们负责建筑各种房屋、工厂和其他建筑物,保证建筑的质量和安全。
4. 商贸服务类:这一类职业主要包括了商业、销售、餐饮和旅游的相关职业。
例如销售人员、餐厅服务员、导游、酒店服务员、快递员和保安人员等。
他们负责提供各种服务和产品,并确保所有客户得到优质的体验。
5. 交通运输类:这一类职业主要是从事交通运输行业的职业。
例如司机、空乘人员、管制员、车工、邮政工人等。
他们负责运输各种货物和旅客,并确保他们的安全和及时交付。
6. 金融服务类:这一类职业主要是为银行、证券、保险和其他金融机构提供服务的职业。
例如银行行员、保险代理人、证券经纪人、贷款官员等。
他们负责为客户提供金融方面的支持和帮助。
7. 教育科研类:这一类职业是为教育和科研领域提供服务的。
例如教师、研究员、图书馆管理员、实验室技术员、课程设计师等。
他们负责教学和研究方面的工作,保障国家的教育和科研工作的稳步发展。
8. 卫生服务类:这一类职业主要包括了医生、护士、药剂师、医学实验室技术人员、疾病预防控制员等专业的卫生服务人员。
他们负责为人民提供各种医疗和卫生服务,保障国民的健康和福祉。
以上便是中华人民共和国职业大典的八大类,每一类职业都非常复杂和多样化。
一、冶金行业主要包括黑色金属冶炼和压延加工业1大类所包含的全部企业及烧结企业。
二、有色行业主要包括有色金属冶炼和压延加工业1大类所包含的全部企业。
三、建材行业主要包括非金属矿物制品业1大类企业。
不包括:玻璃制品制造1中类的所包含的全部企业;陶瓷制品制造1中类的陶瓷制品制造,日用陶瓷制品制造,园林、陈设艺术及其他陶瓷制品制造等3个小类的企业。
四、机械行业主要包括金属制品业,通用设备制造业,专用设备制造业,汽车制造业,铁路、船舶、航空航天和其他运输设备制造业,电气机械和器材制造业,计算机、通信和其他电子设备制造业,仪器仪表制造业,金属制品、机械和设备修理业等9大类企业。
不包括:金属制日用品制造,船舶及相关装置制造,航空、航天器及设备制造,自行车制造,电池制造,家用电力器具制造,照明器具制造,钟表与计时仪器制造等8个中类所包含的全部企业;手工具制造,刀剪及类似日用金属工具制造,搪瓷日用品及其他搪瓷制品制造,衡器制造,照相机及器材制造,眼镜制造等6个小类的企业;家用锁具及其配件制造企业。
五、轻工行业主要包括农副食品加工业,食品制造业,酒、饮料和精制茶制造业(除酒精制造),皮革、毛皮、羽毛及其制品和制鞋业,木材加工和木、竹、藤、棕、草制品业,家具制造业,造纸和纸制品业,印刷和记录媒介复制业,文教、工美、体育和娱乐用品制造业,橡胶和塑料制品业等10大类的企业;日用化学产品制造(除香料、香精制造),玻璃制品制造,陶瓷制品制造(除卫生陶瓷制品制造),金属制日用品制造,自行车制造,电池制造,家用电力器具制造,照明器具制造,钟表与计时仪器制造、日用杂品制造等10个中类所包含的全部企业;手工具制造,刀剪及类似日用金属工具制造,搪瓷日用品及其他搪瓷制品制造,衡器制造,照相机及器材制造,眼镜制造等6个小类的企业;以及家用锁具及其配件制造企业。
不包括:从种植、养殖、捕捞等环节进入批发、零售市场或者生产加工企业前的农、林、牧、渔业产品初加工服务企业。
工商贸行业分类对照表(参照 GBT4754-2011 )冶金有色建材1码类另U 名称说明门类大类中类小类C 20 木材加工和木、竹、藤、棕、草制品业201 木材加工2011 锯材加工指以原木为原料,利用锯木机械或手工工具将原木纵向锯成具有一定断面尺寸(宽、厚度)的木材加工生产活动,用防腐剂和其他物质浸渍木料或对木料进行化学处理的加工,以及地板毛料的制造2012 木片加工指利用森林采伐、造材、加工等剩余物和定向培育的木材,经削(刨)片机加工成一定规格的产品生产活动2013 单板加工指用于单板层积材(LVL )、纺织用木质层压板、电工层压木板和木质层积塑料等单位的生产;随着科技进步,装饰单板(厚度0.55mm 以下的单板)发展很快,主要用于装饰贴面二次加工,如生产装饰贴面胶合板、实木复合地板、木质复合门窗、家具、楼梯、汽车内饰、木墙纸和踢脚线等2019 其他木材加工指对木材进行干燥、防腐、改性、染色加工等活动202 人造板制造指用木材及其剩余物、棉秆、甘蔗渣和芦苇等植物纤维为原料,加工成符合国家标准的胶合板、纤维板、刨花板、细木工板和木丝板等产品的生产活动,以及人造板二次加工装饰板的制造2021 胶合板制造指具有一定规格的原木经旋(刨)切成单板,再经干燥、涂胶、组坯、热压而成的符合国家标准及供需双方协定标准的产品生产活动2022 纤维板制造指用木材碎料(包括木片)、棉秆、甘蔗渣、芦苇等植物纤维作原料,经削片纤维分离,铺装成型,热压而成的产品生产活动2023 刨花板制造指用木材碎料(包括木片)和其他植物纤维作原料,制成刨花,经干燥、施胶,铺装成型,热压而成的产品生产活动2029 其他人造板制造包括非木质纤维、胶合木等其他各类人造板的制造机械轻工代码类别名称门类大类中类小类1931 毛皮鞣制加工1932 1524 毛皮服装加工含乳饮料和植物蛋白饮料制造1939 其他毛皮制品加工194 羽毛(绒)加工及制品制造1941 羽毛(绒)加工15251942羽毛饮料)造品加工1951529 制鞋业茶饮料及其他饮料制造153 19511530纺织面料鞋制造精制茶加工1952 皮鞋制造19 皮革、毛皮、羽毛及其制品和制鞋业191 1910 皮革鞣制加工1953 塑料鞋制造192 皮革制品制造1954 皮胶鞋装造造1959 其箱制鞋业袋)制造20 木材加工和木、竹、藤、棕、草制品业204 竹、藤、棕、草等制品制造1923 皮手套及皮装饰制品制造2041 竹制品制造1929 其他皮革制品制造2042 藤制品制造2043 棕制品制造193 2049 毛皮鞣制及制品加工造低于指带毛动物生皮经鞣制等化学和物理方法处理后,保持其绒毛形态及特点的毛皮(又称裘皮)的生产活动指用各种动物毛皮和人造毛皮为面料或里产活发酵或未经发料指—生酵指用各种动物毛液等调造毛成为材料妾饮徃制作乳述品别未产明的其以各种蛋途毛皮量较雷白质含量较品的植物活动实、种子或核果类、坚果类的果仁等为原料,在其加工制得的浆液中加入水、糖液等调制而等禽类羽毛饮行植物蛋准毛的品产活产活动指用加工过品添毛剂绒果为填充物制作各等种用途的羽工制品粉如羽绒服粒状羽绒寝具品羽成袋分)的生分活动不高于5%]的生产活^指纺织面料鞋、皮鞋、塑料鞋、橡胶鞋及其他各茶饮料生产活!用途饮料以及其他未列明的饮料制各种纺织面料、木材、棕草等原料缝制、模压对编制各半成品生产活零行筛分、轧切、风选全燥大—成革生为产料动以橡胶、塑料或合成材料等为外底,按贡量分数)不高于5%]的生产缝绱、胶粘、模压、注塑等工艺方法制作各种皮鞋动物生皮经脱毛、鞣制等物理和化学方法加工,以聚经涂烯和整理动制成具酯易腐烂酸柔韧等树脂等原能生皮革生产活动泡的塑料鞋类制品的活动指全橡或作部分用皮革帮人造胶鞋及成橡为面部动的作产式动装的活动指全部或大部分用皮革、人造革、合成革为材料,或者以塑料、纺织物为材料,制作各种用途的皮箱、皮包(袋),或其他材料的箱、包(袋指除木材作外动以竹、藤、棕、草等天然植物为原部或大部分用皮革、但不包括家具革为造料制成的皮手套、皮带,以及皮领带等皮装饰制品的生产活酚地板、竹丝板等竹制品的制造指全部或大部分用皮革、人造革、合成革为材料制成上述未列明的其他各种皮革制品的生产活动门类大类中类小类纺织门类大类中类小类加工1711171217131721721173 174 175 176 172217231731173217331741174217431751175217611762棉纺纱加工棉织造加工棉印染精加工毛纺织及染整精加工毛条和毛纱线加工毛织造加工毛染整精加工麻纺织及染整精加工麻纤维纺前加工和纺纱麻织造加工麻染整精加工丝绢纺织及印染精加工缫丝加工绢纺和丝织加工丝印染精加工化纤织造及印染精加工化纤织造加工化纤织物染整精加工针织或钩针编织物及其制品制造针织或钩针编织物织造针织或钩针编织物印染精加工指以棉及棉型化学纤维为主要原料进行的纺纱加工指以棉纱、混纺纱、化学纤维纱为主要原料进行的机织物织造加工指对非自产的棉和化学纤维织物进行漂白、染色、印花、轧光、起绒、缩水等工序的加工指以毛及毛型化学纤维为原料进行梳条的加工,按毛纺工艺(精梳、粗梳、半精梳)进行纺纱的加工指以毛及毛型化学纤维纱线为原料进行的机织物织造加工指对非自产的毛织物进行漂白、染色、印花等工序的染整精加工指以苎麻、亚麻、大麻、黄麻、剑麻、罗布麻等为原料的纺前纤维加工和纺纱加工指以苎麻、亚麻、大麻、黄麻、剑麻、罗布麻纤维纱线等为主要原料的机织物织造加工指对非自产的麻织物进行漂白、染色、印花等工序的染整精加工指由蚕茧经过加工缫制成丝的活动指以丝为主要原料进行的丝织物织造加工指对非自产的丝织物进行漂白、染色、印花、轧光、起绒、缩水等工序的加工指经纬双向或经向以化纤长丝(不包括化纤短纤)为主要原料生产的机织物指以化纤长丝(含有色长丝)为主要原料生产的机织坯布、色织布指对化纤长丝坯布进行漂白、染色、印花、轧光、起绒、缩水等染整工序的加工指米用经编、纬编、横编及钩针编工艺进行的针织物织造加工指对非自产的针织品进行漂白、染色、印花、轧光、起绒、缩水等工序的加工烟草商贸。
一、冶金行业主要包括黑色金属冶炼和压延加工业1大类所包含的全部企业及烧结企业.二、有色行业主要包括有色金属冶炼和压延加工业1大类所包含的全部企业.三、建材行业主要包括非金属矿物制品业1大类企业.不包括:玻璃制品制造1中类的所包含的全部企业;陶瓷制品制造1中类的陶瓷制品制造,日用陶瓷制品制造,园林、陈设艺术及其他陶瓷制品制造等3个小类的企业.四、机械行业主要包括金属制品业,通用设备制造业,专用设备制造业,汽车制造业,铁路、船舶、航空航天和其他运输设备制造业,电气机械和器材制造业,计算机、通信和其他电子设备制造业,仪器仪表制造业,金属制品、机械和设备修理业等9大类企业.不包括:金属制日用品制造,船舶及相关装置制造,航空、航天器及设备制造,自行车制造,电池制造,家用电力器具制造,照明器具制造,钟表与计时仪器制造等8个中类所包含的全部企业;手工具制造,刀剪及类似日用金属工具制造,搪瓷日用品及其他搪瓷制品制造,衡器制造,照相机及器材制造,眼镜制造等6个小类的企业;家用锁具及其配件制造企业.五、轻工行业主要包括农副食品加工业,食品制造业,酒、饮料和精制茶制造业除酒精制造,皮革、毛皮、羽毛及其制品和制鞋业,木材加工和木、竹、藤、棕、草制品业,家具制造业,造纸和纸制品业,印刷和记录媒介复制业,文教、工美、体育和娱乐用品制造业,橡胶和塑料制品业等10大类的企业;日用化学产品制造除香料、香精制造,玻璃制品制造,陶瓷制品制造除卫生陶瓷制品制造,金属制日用品制造,自行车制造,电池制造,家用电力器具制造,照明器具制造,钟表与计时仪器制造、日用杂品制造等10个中类所包含的全部企业;手工具制造,刀剪及类似日用金属工具制造,搪瓷日用品及其他搪瓷制品制造,衡器制造,照相机及器材制造,眼镜制造等6个小类的企业;以及家用锁具及其配件制造企业.不包括:从种植、养殖、捕捞等环节进入批发、零售市场或者生产加工企业前的农、林、牧、渔业产品初加工服务企业.六、纺织行业主要包括纺织业,纺织服装、服饰业等2大类所包含的全部企业.七、烟草行业主要包括烟草制品业1大类所包含的全部企业及烟草制品批发1个小类的企业.八、商贸行业主要包括批发业,仓储业,零售业,住宿业,餐饮业等5大类的企业不含消防、燃气的监管.不包括:医药及医疗器材批发,贸易经纪与代理,货摊、无店铺及其他零售业等3个中类所包含的全部企业;食品、饮料及烟草制品批发中类的烟草制品批发1个小类的企业;矿产品、建材及化工产品批发中类的石油及制品批发、化肥批发、农药批发、农业薄膜批发、其他化工产品批发等5个小类的企业;汽车、摩托车、燃料及零配件专门零售中类的机动车燃料零售企业;其他餐饮业中类的餐饮配送服务1个小类的企业.。
工贸八大行业分类一、概述在现代经济体系中,工贸行业扮演着重要的角色。
工贸行业是指涉及工业生产和商品流通的经济活动,包括各个具体的产业领域。
本文将对工贸八大行业进行分类介绍,以便更好地理解和把握相关行业的发展动态。
二、制造业制造业是工贸行业中最为重要的一环,它涵盖了各种不同类型的制造活动。
制造业可以细分为以下几个领域:1. 机械制造:涉及生产各种机械设备和零部件,包括重型机械、轻工机械等。
2. 电子信息设备制造:包括计算机、通信设备、电子器件等的生产。
3. 汽车制造:涵盖了轿车、货车、摩托车等交通工具的生产。
4. 食品饮料制造:包括粮油加工、饮料生产、食品加工等。
5. 纺织服装制造:涉及纺织品和服装的生产加工。
三、建筑业建筑业是指房屋、土木工程和市政设施的建设活动。
建筑业可以细分为以下几个领域:1. 房屋建筑:包括住宅、商业、工业建筑等各类房屋的建造。
2. 土木工程建筑:涉及道路、桥梁、隧道等基础设施工程的建设。
3. 市政设施建筑:指公园、广场、供水系统、供电系统等城市设施的建设。
四、批发和零售业批发和零售业是指商品的批发、零售和其他相关的商业服务活动。
这个行业可以细分为以下几个领域:1. 批发业:包括批发经销、仓储及配送等环节。
2. 零售业:指商品的零售、促销等环节。
3. 商贸代理和辅助性服务业:涉及商务代理、商业咨询、市场调查等服务。
五、交通运输、仓储和邮政业交通运输、仓储和邮政业是指交通运输、仓储服务和邮政服务的经济活动。
该行业可以细分为以下几个领域:1. 铁路运输:涉及火车、铁路设施的运营。
2. 道路运输:包括公路、城市交通工具的运营。
3. 水上运输:指航运、港口及船务工作。
4. 航空运输:包括航空公司、机场及航空运输服务。
5. 仓储和邮政业:涉及货物的仓储、装卸和配送,以及邮政服务等。
六、信息传输、软件和信息技术服务业信息传输、软件和信息技术服务业是指计算机与通信技术的应用和相关的服务活动。
行业分类一览表1、农、林、牧、渔业[01]农业[02]林业[03]畜牧业[04]渔业[05]农、林、牧、渔服务业2、采矿业[06]煤炭开采和洗选业[07]石油和天然气开采业[08]黑色金属矿采选业[09]有色金属矿采选业[10]非金属矿采选业[11]其他采矿业3、制造业[13]农副食品加工业[14]食品制造业[15]饮料制造业[16]烟草制品业[17]纺织业[18]纺织服装、鞋、帽制造业[19]皮革、毛皮、羽毛(绒)及其制品业[20]木材加工及木、竹、藤、棕、草制品业[21]家具制造业[22]造纸及纸制品业[23]印刷业和记录媒介的复制[24]文教体育用品制造业[25]石油加工、炼焦及核燃料加工业[26]化学原料及化学制品制造业[27]医药制造业[28]化学纤维制造业[29]橡胶制品业[30]塑料制品业[31]非金属矿物制品业[32]黑色金属冶炼及压延加工业[33]有色金属冶炼及压延加工业[34]金属制品业[35]通用设备制造业[36]专用设备制造业[37]交通运输设备制造业[39]电气机械及器材制造业[40]通信设备、计算机及其他电子设备制造业[41]仪器仪表及文化、办公用机械制造业[42]工艺品及其他制造业[43]废弃资源和废旧材料回收加工业4、电力、煤气及水的生产和供应业[44]电力、热力的生产和供应业[45]煤气生产和供应业[46]水的生产和供应业5、建筑业[47]房屋和土木工程建筑业[48]建筑安装业[49]建筑装饰业[50]其他建筑业6、交通运输、仓储及邮政业[51]铁路运输业[52]道路运输业[53]城市公共交通业[54]水上运输业[55]航空运输业[56]管道运输业[57]装卸搬运和其他运输服务业[58]仓储业[59]邮政业7、信息传输、计算机服务和软件业[60]电信和其他信息传输服务业[61]计算机服务业[62]软件业8、批发和零售业[63]批发业[65]零售业9、住宿和餐饮业[66]住宿业[67]餐饮业10、金融业[68]银行业[69]证券业[70]保险业[71]其他金融活动11、房地产业[72]房地产业12、租赁和商务服务业[73]租赁业[74]商务服务业13、科学研究、技术服务和地质勘查业[75]研究与试验发展[76]专业技术服务业[77]科技交流和推广服务业[78]地质勘查业14、水利、环境和公共设施管理业[79]水利管理业[80]环境管理业[81]公共设施管理业15、居民服务和其他服务业[82]居民服务业[83]其他服务业16、教育[84]教育17、卫生、社会保障和社会福利业[85]卫生[86]社会保障业[87]社会福利业18、文化、体育和娱乐业[88]新闻出版业[89]广播、电视、电影和音像业[90]文化艺术业[91]体育[92]娱乐业19、公共管理和社会组织[93]中国共产党机关[94]国家机构[95]人民政协和民主党派[96]群众团体、社会团体和宗教组织[97]基层群众自治组织[20]国际组织[98]国际组织[99]使领馆。