干灰库工程施工组织设计方案
- 格式:doc
- 大小:193.50 KB
- 文档页数:40
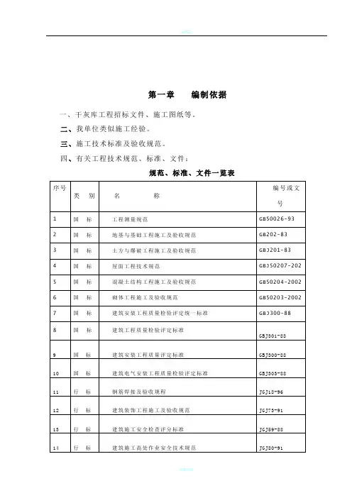
第一章编制依据一、干灰库工程招标文件、施工图纸等。
二、我单位类似施工经验。
三、施工技术标准及验收规范。
四、有关工程技术规范、标准、文件:规范、标准、文件一览表第二章工程概况1、工程名称:宁夏宝塔联化热能动力干灰库工程2、项目业主:宁夏宝塔联合化工有限公司3、工程地址:宁东临河园区4、项目设计:山东恒力热电设计有限公司5、施工单位:宁夏中宁县开元建筑有限公司6、施工工期: 100天7、工程概况本工程位于宝塔联化电厂厂区内,建筑结构的安全等级为二级,设计使用年限为50年,按震设防烈度为8度。
本工程±0.000相当于绝对标高1268.00。
本工程采用钢筋混凝土筒仓,总檐口高度34.4m。
第三章施工部署一、指导思想本工程在公司范围内选调敬业务实、经验丰富的管理、技术人员和作业队伍,组成高效精干的项目班子,采用先进的施工方法和机具,严格贯彻“投标时为用户着想,施工时为用户服务,投产时让用户满意”的原则;坚持“统筹规划、点线结合、中心明确、团结协作”的指导思想;精心组织,科学管理,保证本工程高速优质完成。
1、统筹规划:施工过程中,对人、财、物的使用及所有与本工程有关事务的处理,要全盘规划、统一安排、顾全大局,以满足业主的总体竣工目标要求;2、中心明确:紧紧围绕“建设精品工程”这一中心,实行项目法施工,明确总部、项目经理部及各作业队(班组)各有关人员的责任和权利,责任到人,重奖重罚;3、团结协作:业主、设计、监理及各施工单位统一认识,立足全局,建立友好协商、密切配合的协作关系。
二、难点、重点分部工程根据上述分析和部署,对照一般类似工程的特点,将本项目的有关分部分项工程划分为重点、难点工程,并在施工方法、工艺、设备选择和人员配备方面给予重点考虑。
主要有:◆测量放线;◆模板工程;◆干灰库钢筋砼工程。
三、施工队伍安排1、作业队安排根据本工程的特点,按各主要工序划分为以下作业队:◆模板施工作业队◆钢筋施工作业队;◆砼施工作业队;第四章施工准备一、现场准备我方将及时根据业主要求立即组织人员、机械进场,并从以下几方面做好现场准备工作:1、开拓现场,修整施工通行道路;2、搭设工地临时设施;3、整理材料堆场;二、技术准备1、根据设计总图,建立、复核平面控制网和高程控制网,做好现场测量控制;2、通过业主与电力、电信、交通、气象等部门取得联系,查阅相关资料或通过必要勘察,进一步摸清现场自然条件和地下状况;3、熟悉图纸和有关标准、规范,及时进行图纸会审;4、根据开工前业主提供的图纸、组织设计编制各主要分部分项工程的作业指导书;5、由项目总工、各专业工程师逐级向有关施工人员、班组进行详细的技术交底;6、编制详细的施工进度计划和物资供应计划;7、对焊工、起重工、顶管等特殊工种/操作人员进行必要的岗前再培训。
1.工程概况干灰库工程位于#4锅炉东北角、#5联络栈桥东侧,与扩建端马路毗邻,灰库总高25.3m,由一个细灰库和二个粗灰库组成,筒体与筒体之间的轴线距离为10.5m,每个筒体由5.47m、9.97m、24.97m三个平台及直径φ9800mm的直筒结构组成。
灰库之间通过钢格栅平台连接。
基础采用环形基础,底板直径为11.9m,底板厚1.2m,埋深-3.3m,基础回填土采用粘土分层夯填,压实系数不低于0.96。
本工程混凝土强度等级除设备基础及灰沟为C20外,其余均为C30,方量约900多立方米。
钢筋采用HPB235和HRB335钢筋。
内装饰及各层顶棚采用灰白色乳胶漆饰面,外墙装饰除立面图上打点或文字注明的为蓝色外墙涂料,其余墙面为灰白色丙烯酸外墙涂料,深褐色嵌缝条;楼地面采用细石混凝土地面;门窗采用复合钢板门,窗采用银白色90系列铝合金窗;屋面采用无保温上人屋面和保温不上人屋面两种;室内外所有外露钢构件均采用防锈漆打底,浅灰色调和漆二遍。
2.施工准备2.2技术准备2.2.1 认真熟悉干灰库施工图,做好图纸会审。
2.2.2提前作好水泥、砂卵石、钢材等原材料采购和检测工作。
2.2.3及时与业主、监理联系、做好验收准备工作。
2.3现场准备2.3.1按施工平面图规划好现场道路及临时材料堆场等位置。
2.3.2施工现场应设置好临时排水沟,以免积水。
2.3.3作好设备安装、调试及现有设备的维修保养工作。
3、主要施工方案及技术措施本工程±0.00m以下筒体结构已施工完毕且土方已回填完,本方案仅考虑±0.00m以上结构施工方法及措施。
总体施工程序方面为先筒体、再砖墙围护、钢梯、钢平台等,最后进行楼地面、门窗及内外装饰施工。
3.1、灰库筒身施工采用翻模法施工,每模高度为1.2m,三个筒身采取平行流水施工。
3.2、施工程序:第一、二节筒壁钢筋绑扎→第一、二节模板安装→浇第一、二节砼→砼养护→绑扎第三、四节钢筋→第三、四节筒身模板安装→浇第三、四节筒身砼至+5.47m操作平台梁底→+5.47m层操作平台施工→循环筒身翻模至+9.97m库底环梁下→9.97m平台梁、板施工→循环筒身翻模施工到24.97m库顶盖梁底→24.97m库顶盖施工→屋面围护栏杆制作、安装→屋面防水→垂直钢梯及各层钢格栅平台安装→填充墙的砌筑→内粉刷→外粉刷→门窗安装→扫尾清理。
第1篇一、工程概况1.1 项目名称:某水泥厂灰库工程1.2 项目地点:某市某县某水泥厂1.3 项目规模:建设一座灰库,容量为10000立方米。
1.4 项目总投资:约500万元。
1.5 工程建设内容:灰库基础、灰库本体、灰库进出口管道、灰库控制系统等。
二、施工方案2.1 施工组织设计2.1.1 施工组织结构施工项目经理部下设施工技术组、质量保证组、安全监督组、材料供应组、机械设备组、财务组等。
2.1.2 施工进度计划根据工程特点和施工要求,制定合理的施工进度计划,确保工程按期完成。
2.2 施工准备2.2.1 技术准备组织施工人员学习施工图纸,了解工程特点、施工工艺和技术要求,确保施工顺利进行。
2.2.2 材料准备根据施工进度计划,提前准备所需材料,确保材料供应充足。
2.2.3 机械设备准备根据施工要求,提前准备施工所需的机械设备,确保施工顺利进行。
2.3 施工工艺2.3.1 灰库基础施工(1)地基处理:对灰库地基进行平整、压实,确保地基承载力满足设计要求。
(2)基础垫层:铺设基础垫层,确保基础稳定。
(3)基础混凝土施工:按照设计要求,进行基础混凝土施工,确保混凝土强度、密实度满足设计要求。
2.3.2 灰库本体施工(1)灰库结构:采用钢筋混凝土结构,灰库内壁采用耐磨材料。
(2)灰库模板:采用组合钢模板,确保施工质量。
(3)灰库混凝土施工:按照设计要求,进行灰库混凝土施工,确保混凝土强度、密实度满足设计要求。
2.3.3 灰库进出口管道施工(1)管道材料:采用无缝钢管,确保管道强度、密封性。
(2)管道安装:按照设计要求,进行管道安装,确保管道连接牢固、密封。
2.3.4 灰库控制系统施工(1)控制系统设备:采用先进的灰库控制系统设备,确保系统稳定、可靠。
(2)控制系统安装:按照设计要求,进行控制系统安装,确保系统运行正常。
2.4 施工质量控制2.4.1 质量管理体系建立完善的质量管理体系,确保施工质量满足设计要求。
灰库工程土建施工方案一、总体概述灰库工程是指为储存和管理煤矸石灰等矿渣而建设的储存设施。
本方案主要包括土建施工的各个阶段,包括前期准备、地基处理、结构施工、外部设施建设等方面。
二、前期准备1.进行工程勘察,了解工地的地质及地形情况,为后续土建施工做好准备。
2.制定施工计划和施工方案,明确各个施工阶段的工作内容和时间节点,协调各个施工单位的作业计划。
三、地基处理1.地基处理是土建施工的关键环节,主要包括土方开挖和地基处理两部分。
2.根据勘察结果,进行土方开挖。
首先需要清理工地现有的植物和障碍物,然后进行土方开挖,确保工地平整。
3.地基处理主要包括土方垫层和地基加固两个步骤。
土方垫层是为了保证工地的稳定性,一般采用粉煤灰垫层进行垫铺。
地基加固主要是通过夯实和加固处理,确保地基的牢固稳定。
四、结构施工1.结构施工主要包括灰库的主体结构和外墙施工。
2.主体结构施工一般采用钢筋混凝土结构,首先进行基础施工,包括基础开挖、钢筋绑扎、混凝土浇筑等步骤;然后进行柱、梁的施工,最后进行顶板的浇筑。
3.外墙施工主要是进行墙体的砌筑,墙体材料一般采用砖和混凝土,注意施工质量和施工速度的控制。
五、外部设施建设1.外部设施建设主要包括灰库的防护设施、通道和道路建设等。
2.防护设施包括灰库的防风、防雨、防腐等设施的建设,确保灰库的正常运行和储存质量。
3.通道和道路建设主要是建设灰库所需的道路和通道,方便日后的维护和管理。
六、安全管理1.在整个施工过程中,要加强安全教育和管理,严格遵守安全操作规程,确保施工安全。
2.监控工地人员的安全意识和操作规范,建立安全巡检制度,及时发现和处理安全隐患。
3.对危险作业进行专项安全技术措施,确保施工过程中的安全性。
七、施工质量控制1.在施工过程中,要严格按照设计要求和工程规范进行施工,确保施工质量。
2.对施工过程中的关键节点进行质量检验,确保施工质量符合要求。
3.建立施工记录和施工档案,确保施工质量的追溯和监督。
灰库施工方案指导一、灰库施工前准备工作:1.确定灰库的位置:首先要确定灰库建设的位置,考虑到灰库的使用方便和周围环境等因素,选择较为平坦、开阔、便于施工和管理的地方。
2.编制施工方案:根据对灰库的功能需求和技术要求,编制灰库施工方案,明确施工步骤和工艺要求。
3.采购材料和设备:根据施工方案,采购所需的建筑材料和设备,包括钢筋、混凝土、砖瓦等建筑材料,以及起重机械、搅拌设备等施工用具和设备。
4.组织施工队伍:根据施工方案和工期要求,组织专业的施工队伍,确定施工人员的数量和分工,并对施工人员进行必要的培训和安全教育。
二、灰库主体结构施工:1.地基处理:对于灰库的地基,首先要进行地面平整,清除杂物。
如果地基不够坚实,可以进行加固处理,如夯实、浇筑混凝土基础等。
2.主体结构建设:按照设计要求和施工方案,进行灰库的主体结构建设。
包括进行钢筋预埋、搭建模板、浇筑混凝土等工序。
在混凝土浇筑过程中,要注意控制施工速度和质量,确保浇筑的混凝土均匀、密实。
3.墙体施工:如果灰库的主体结构包括墙体,可以进行墙体的施工。
墙体可以选择砖瓦结构或钢筋混凝土结构,根据实际情况选择合适的建筑材料和工艺。
三、灰库辅助设施施工:1.屋面建设:对于灰库的屋面,可以选择建设防水层和保温层,以保护灰库内的灰石材料不受外界气候的影响。
防水层可以使用沥青涂料、聚合物防水涂料等,保温层可以使用保温料进行施工。
2.通风系统建设:为了保证灰库内的空气流通,可以建设通风系统,包括风机、通风管道等设备。
3.照明设施建设:为了方便对灰库进行操作和管理,可以在灰库内设置照明设备,确保灰库内明亮、清晰。
四、灰库施工后工作:1.巡视和验收:在灰库竣工后,要进行巡视和验收工作,检查灰库的结构是否符合设计要求,各项设施是否正常使用。
2.设备安装:根据灰库的实际需求,安装必要的灰石搅拌设备、输送设备等。
3.灰库的管理和维护:灰库的管理和维护非常重要,对于灰石的储存、运输、使用等要进行合理规划和操作,定期进行清理、维修等工作。
灰库施工方案灰库施工方案项目名称:灰库施工方案项目位置:XX省XX市XX县项目概况:本项目为XX工厂的灰库建设,用于存放生产过程中产生的灰渣,灰库的建设是为了规范管理和合理利用灰渣资源,同时保护环境,达到绿色生产的要求。
一、施工任务:1. 灰库选址:根据工厂生产区域的实际情况,选取合适的位置作为灰库建设用地,要求距离生产区域近,便于灰渣的运输和存储。
2. 库房结构设计:根据灰渣的规模和特点,设计灰库的结构,采用钢结构或混凝土结构,以确保库房的稳固和耐用,同时考虑到库房内的通风和排除灰渣的便利性。
3. 灰渣存储设备配置:根据灰渣的性质,选取适当的灰渣存储设备,如刮板输送机、螺旋输送机等,以便于将灰渣从生产线上输送至灰库,并保持库房的干燥和清洁。
4. 灰库管理设施建设:为了方便管理和监控灰库的运行情况,建设相应的管理设施,如灰库自动化控制系统、监控摄像头等,以确保灰库的安全和高效运行。
二、施工流程:1. 准备施工材料和设备,包括钢材、水泥、砂浆、混凝土搅拌机等。
2. 开展土地平整和基础施工工作,包括场地清理、土方开挖、基础浇筑等。
3. 进行库房结构施工,包括钢结构或混凝土结构的搭建和砌筑。
4. 安装灰渣存储设备,包括刮板输送机、螺旋输送机等。
5. 建设灰库管理设施,包括自动化控制系统、监控摄像头等的安装和调试。
6. 进行灰库的环境保护措施,包括除尘设备的安装和调试。
7. 进行灰库的验收和试运行,并进行相关设备和设施的调试和纠正。
三、施工注意事项:1. 施工过程中要加强安全防护措施,尤其是在高处作业时要做好安全保护措施,确保工人的生命安全。
2. 施工期间要进行现场管理,包括对施工材料和设备的保管,严格按照施工步骤进行施工,确保施工质量。
3. 按照项目计划进行施工,合理安排工期,确保按时完成施工任务。
4. 施工完工后要进行验收,检查灰库的各项设备和设施是否符合要求,确保灰库的正常运行。
通过以上的施工方案,可以保证灰库的正常运行和高效利用,提高灰渣资源的利用率,减少灰渣对环境的影响,达到绿色生产的目标。
灰库施工土建主要施工技术方案一、工程概述灰库是用来存放熟料灰或水泥灰等物料的大型仓库,其主要结构包括主体结构、门式框架结构和屋面结构。
灰库的主体结构通常为钢筋混凝土剪力墙和柱梁结构。
本方案主要针对灰库的土建主体施工技术进行详细的介绍。
二、工程准备1.施工机具的准备:挖掘机、起重机、混凝土搅拌站、扬程水泵等。
2.施工材料的准备:水泥、砂、石料、钢筋等。
3.安全防护设施的准备:安全帽、安全绳、安全网等。
三、基坑开挖1.根据设计要求使用挖掘机开挖基坑。
2.根据土方开挖的进度及时进行土方回填和压实,以确保基坑的稳定性。
3.基坑中的积水应及时排干,以提供施工条件。
四、地基处理1.对基坑底部进行平整处理,并进行压实。
2.进行地基处理,如填土、回填石料等,以提高地基承载力和稳定性。
五、基础施工1.根据设计要求,在基坑底部进行钢筋网的布置。
2. 浇筑一层钢筋混凝土地基基础,厚度一般为200mm左右。
3.进行地下结构的施工,包括地下水池和进出口等。
六、主体结构施工1.根据设计要求进行主体结构的钢筋布置。
2.使用混凝土搅拌站对主体结构进行浇筑,浇筑顺序一般为墙体-柱子-梁。
3.控制混凝土的浇注速度和质量,确保混凝土的均匀性和密实性。
七、门式框架结构施工1.根据设计要求进行门式框架结构的构造计算,并进行结构分段施工。
2.按照施工计划进行门式框架结构的制作与安装。
3.使用起重机进行门式框架结构的吊装和定位。
八、屋面结构施工1.根据设计要求进行屋面结构的制作与安装。
2.安装屋面防水、保温和排水系统,确保屋面的功能完善。
3.进行屋面结构的验收,确保符合设计要求。
九、收尾工作1.对施工过程中产生的废弃物进行清理,保持工地整洁。
2.对主体结构进行质量检验,确保结构的稳定性和安全性。
3.进行安全检查和验收,确保施工过程的安全性和合规性。
4.完成施工记录和工程档案的整理,以备日后查阅。
以上是灰库施工土建主要施工技术方案的详细介绍。
灰库施工方案灰库施工方案1. 引言灰库,也称为灰仓,是一种用于存放石灰的建筑结构。
在施工过程中,灰库的设计和施工方案至关重要,这直接影响到灰库的安全性、耐久性和使用效果。
本文将介绍一种灰库的施工方案,在保证结构稳定和使用功能的基础上,提高施工效率和施工质量。
2. 施工材料准备在开始施工前,需要准备以下材料:- 水泥:用于灰库的混凝土结构。
- 石灰:存放于灰库中。
- 砂浆:用于砌筑和粉刷灰库墙壁。
- 钢筋:用于混凝土结构的加固。
- 砖瓦:用于灰库的墙体砌筑。
3. 施工步骤3.1 地基处理首先,对灰库的地基进行处理。
将地面进行平整,并清理除所有障碍物。
然后,根据设计要求进行地基的夯实和加固。
3.2 结构施工3.2.1 砌体结构根据施工图纸,搭建灰库的砌体结构。
以砖瓦为材料,按照设计要求进行墙体砌筑,并设置门窗洞口。
3.2.2 钢筋加固在灰库的墙体和地面上设置钢筋加固。
根据设计要求,在墙体中埋设钢筋,并在地面上设置钢筋网格。
3.2.3 混凝土浇筑在墙体搭建完成后,进行混凝土的浇筑工作。
根据设计要求,将已调配好的混凝土倒入灰库的墙体和地面内,确保混凝土充实、均匀。
3.3 壁面处理待混凝土凝固后,对灰库的墙面进行处理。
首先,对墙面进行打磨和清洁,确保表面平整。
然后,用砂浆进行灰库墙壁的砌缝,填补墙壁的开裂和不平整处。
最后,进行墙壁的粉刷,美化墙面。
3.4 安装门窗在灰库的墙体上,根据设计要求进行门窗的安装。
使用合适的工具和材料,将门窗固定在墙体上,并确保密封性良好。
4. 施工质量控制在灰库的施工过程中,需要严格控制施工质量,以确保灰库的稳定性和耐久性。
以下是施工质量控制的几个重要方面:- 地基处理的夯实程度和平整度。
- 砖砌墙体的垂直度和墙面平整度。
- 钢筋加固的数量、布置和保护措施。
- 混凝土浇筑的充实度和均匀性。
- 墙壁的砌缝和粉刷质量。
- 门窗的安装牢固性和密封性。
5. 安全注意事项在灰库施工过程中,需要注意以下安全事项:- 工地人员必须穿戴好安全帽、工作服和防护鞋。
灰库的施工方案1. 引言灰库作为建筑施工过程中的重要设施之一,用于储存和管理混凝土的灰料。
灰库的施工方案对于施工过程的顺利进行和工程质量的控制起着至关重要的作用。
本文将详细介绍灰库施工方案的设计和实施步骤。
2. 设计准备在进行灰库施工方案设计之前,需充分了解以下几个方面的内容:2.1 灰库的使用要求根据项目的具体要求,确定灰库在使用过程中的要求,包括灰库的存储能力、施工现场的布置、安全和环保要求等。
2.2 灰库的结构和尺寸根据工程需要和具体场地条件,确定灰库的结构类型(如钢筋混凝土结构、钢结构等)和尺寸(如灰库的高度、占地面积等)。
2.3 灰库的材料选择选择适合的材料用于灰库的建设,包括灰库的外墙材料、屋面材料、地面材料等。
2.4 灰库的设备选择根据工程需要和使用要求,选择适当的设备用于灰库的操作和管理,包括灰料输送设备、灰库卸料设备、防火设备等。
3. 施工步骤根据以上设计准备工作的结果,进行灰库的施工步骤如下:3.1 地基处理对灰库的地基进行处理,包括清理地表、平整地面、进行坑槽挖掘等。
3.2 基础建设按照设计图纸和技术要求进行基础建设,包括基础底板、基础墙体等的施工。
3.3 结构施工根据设计图纸进行灰库的结构施工,包括墙体、屋面、门窗等的建设。
3.4 建筑物配套工程对灰库进行配套工程的施工,包括给排水系统的安装、电气设备的安装等。
3.5 室内装饰根据使用要求对灰库进行室内装饰,包括墙面粉刷、地面铺装等。
3.6 灰库设备安装根据选择的设备,进行灰库设备的安装和调试工作,确保设备能够正常运行。
3.7 安全和环保措施在施工过程中,加强安全和环保措施的实施,确保施工过程安全可靠,环保合规。
4. 施工质量控制灰库施工过程中,需要加强对施工质量的控制,包括:4.1 施工计划的制定与执行制定详细的施工计划,并按计划进行施工工作,确保施工进度和质量。
4.2 工艺技术要求的执行严格按照工艺技术要求进行施工,确保施工质量符合设计要求。
灰库施工方案1.引言灰库是指用于存放灰石、建筑石灰等建筑材料的仓库,是建筑施工过程中的重要工程之一。
灰库的建设和施工需要合理规划和科学设计,以确保安全、高效地存储和使用灰石和石灰等建筑材料。
本文将介绍灰库的施工方案,包括施工准备、土建工程、结构工程以及设备安装等内容。
2.施工准备在开始施工之前,必须进行充分的施工准备工作。
主要包括以下几个方面:2.1 确定施工地点选择合适的场地用于灰库的建设,考虑到灰石和石灰等建筑材料的存放和运输,应选择平整、坚固、易于进出的场地。
2.2 制定施工方案根据灰库的具体需求,制定详细的施工方案,包括土建工程、结构工程和设备安装等。
2.3 采购材料和设备根据施工方案,确定所需的建筑材料和设备清单,并进行采购准备工作,确保施工过程中的物资供应。
2.4 组织施工人员根据施工方案的要求,组织合适的施工人员,包括工程师、技术人员和施工人员等,确保施工过程的顺利进行。
3.土建工程土建工程是灰库建设的重要组成部分,主要包括场地平整、地基处理和建筑物的基础建设等。
3.1 场地平整对施工场地进行平整处理,清除杂物和障碍物,保证施工场地的整洁和顺利施工。
3.2 地基处理根据设计要求,对场地进行地基处理,包括土方开挖、填筑和夯实等工作,确保建筑物的稳定性和安全性。
3.3 建筑物基础建设根据设计图纸进行基础建设,包括地下排水系统、基础混凝土浇筑和钢筋布置等工作,确保建筑物的稳固和耐久。
4.结构工程结构工程是灰库施工中的关键环节,主要包括建筑物的墙体和屋顶结构建设。
4.1 墙体建设根据设计图纸进行墙体建设,包括砌筑砖墙或浇筑混凝土墙体等。
墙体应具有足够的强度和稳定性,以支撑库内的建筑材料。
4.2 屋顶结构建设根据设计图纸进行屋顶结构建设,包括梁、柱、屋架和防水处理等。
屋顶结构应具有良好的承载能力和防水性能,以确保建筑物和建筑材料的安全。
5.设备安装灰库的设备安装是保证正常运转的关键,主要包括通风系统、照明系统和防火系统等。
干灰库上部结构施工作业指导书1.工程概况及特点1.1主要施工技术参数****二期工程干灰库上部结构分为一个细灰库、两个粗灰库且均为圆筒体结构,内径为12m,库壁厚300mm,结构顶标高+29.000m,库顶栏杆顶标高+30.7m;三个灰库内设三层平台,标高分别为+5.48m,+10.5m,+29m;贮灰库壁13.5m以下至10.5m 标高的楼板及锥体面层采用12mm厚耐耐磨、耐冲击的微晶板材,用耐温﹥150℃的胶泥粘铺。
混凝土强度等级:梁板柱及库壁为C35设备基础及沟道为C30。
1.2基础底板主要工程量1.2.1钢筋ф22 102T ф20 87T ф25 2.1Tф16 2.5T ф14 4.5T ф8 0.7T1.2.2混凝土工程基础垫层采用C15(66.567m3),厚度为100mm;基础采用C30(1016m3)。
2.编制依据2.1《山西****二电厂二期工程施工组织设计》2.2《干灰库结构图》 F013IIS—T0346 2.3《火电施工质量及检验评定标准》(土建工程篇) 95-4-1 2.4《建筑工程施工质量验收统一标准》 GB50300-2001 2.5《建筑地基基础工程施工质量验收规范》 GB50202-20022.6《地下防水工程质量验收规范》 GB50208-2002 2.7《混凝土结构工程施工质量验收规范》 GB50204-2002 2.8《电力建设安全健康与环境管理工作规定》 2002—01—212.9《电力建设安全工作规程》 DL5009.1—20023、施工准备3.1技术准备a、施工蓝图到后,组织进行设计交底和图纸会审,并将图纸问题落实清楚。
b、施工前应将作业指导编制并审核完毕。
c、施工前应将测量仪器准备好并校验完毕。
3.2材料机械准备测量仪器3.2.1根据施工图作出施工所需材料计划,组织施工材料进场,及时对材料进行报验,复检。
3.2.2组织施工所需机械、机具进场,并对施工机械的性能进行检查,确保运转良好。
灰库施工方案(最新)
一、背景介绍
灰库是工业生产中常见的一个设施,用于储存和处理灰石等固体废料。
本文将
介绍一个最新的灰库施工方案,旨在提高施工效率和工程质量。
二、施工准备
在进行灰库施工前,需要进行充分的准备工作。
包括场地勘察,设计图纸审核,施工材料准备等。
确保施工前的各项准备工作完善,以保证施工顺利进行。
三、施工流程
1.基础施工:首先进行地基的开挖和加固工作,确保基础牢固稳定。
2.结构施工:按照设计图纸进行灰库主体结构的施工,包括墙体、顶
板等的浇筑和加固。
3.设备安装:灰库内部设备如输送带、除尘设备等的安装调试工作。
4.围护结构:对灰库进行外部围护结构的施工,确保灰库的安全性和
美观性。
5.防水保温:对灰库进行防水和保温处理,提高其使用寿命和效率。
四、质量及安全控制
在整个施工过程中,需要严格控制质量和安全。
施工人员应遵守相关规定和操
作流程,确保灰库施工质量符合标准,同时加强安全管理,做好施工现场的安全保障。
五、施工验收
施工完成后,对灰库进行全面验收。
包括结构安全性、设备运行情况、防水保
温效果等方面的检查,确保灰库施工符合设计要求和标准。
结论
通过本文介绍的灰库施工方案,可以提高灰库施工效率和质量,为工业生产提
供可靠的固体废弃物处理设施。
希望本文内容对灰库施工人员和相关从业者有所帮助。
灰库工程施工方案文库一、项目概况1.1 项目名称:灰库工程施工1.2 项目地点:某某市某某区1.3 项目规模:灰库总面积500平方米,高度20米1.4 项目建设内容:灰库工程为煤电厂建设项目的一部分,用于存放煤场灰渣,保障生产安全。
1.5 施工单位:某某建筑施工有限公司1.6 业主单位:某某煤电厂二、技术方案2.1 项目设计要求(1)灰库总面积500平方米,高度20米,需满足存放灰渣的要求;(2)结构设计要求符合相关国家标准和规范要求;(3)对于基础、承重结构、防腐、排水等方面要求坚固、耐用、安全可靠;(4)施工过程中要保障施工人员的安全。
2.2 施工方法(1)基础施工:采用钢筋混凝土基础,地下水位较高区域需加设防水措施;(2)承重结构施工:采用钢结构,梁柱采用焊接连接,结构要有足够的承载能力;(3)外墙面施工:以混凝土板覆盖,并进行防腐处理;(4)排水系统施工:考虑灰渣的排水和存储,需设计合理的排水系统。
2.3 安全措施(1)施工过程中,要配备消防设备和安全防护用品,确保施工人员的安全;(2)施工现场要设置警示标识,确保进出施工现场的人员都能得到明确的指示;(3)对于高空作业,在进行相关工作时必须佩戴安全带,并严格按照安全规范作业。
三、进度计划3.1 施工进度安排(1)基础施工:预计时长1个月;(2)承重结构施工:预计时长2个月;(3)外墙面施工:预计时长1个月;(4)排水系统施工:预计时长1个月。
3.2 施工过程管控(1)定期召开施工进度会议,跟进施工进度,及时解决施工中出现的问题;(2)对关键节点进行把控,确保施工进度按计划进行;(3)严格遵守环保要求,做好施工现场的环境保护工作。
四、质量保障措施4.1 施工方案评审(1)施工方案设计完成后,进行多方评审,确保施工方案经过多次专业论证,合理可行;(2)施工方案评审人员应具备相应的资质和经验,确保评审结果可靠。
4.2 材料选用(1)在施工过程中,选用符合国家标准的优质建筑材料,确保施工质量;(2)对于建筑材料的选用,要做到量质兼优,杜绝偷工减料的情况。
灰库的施工方案灰库的施工方案一、工程概述灰库建设是建设工程中的一个重要环节,它主要用于储存灰炭等物料,确保工程安全稳定进行。
本施工方案旨在确保灰库施工过程中的安全性、规范性和高效性,保证项目的顺利进行。
二、工程内容1.基础工程:灰库基础施工,包括地基处理、基坑开挖、土方回填等。
2.结构工程:灰库的结构施工,包括主体结构的搭建、支撑系统的安装等。
3.防水工程:对灰库进行防水处理,确保储存物料的安全。
三、施工步骤1.前期准备:根据设计要求,编制施工方案,并组织开展必要的协调工作,确定施工周期和人员配置。
2.地基处理:对灰库地基进行必要的处理,包括地表平整、软土处置等。
3.基坑开挖:根据设计要求,按照基坑标高和尺寸,进行合理的开挖,同时确保周围环境安全。
4.土方回填:对基坑进行填方工作,确保基坑周围地面平整,以提高灰库的稳定性。
5.主体结构搭建:根据灰库的设计图纸,进行主体结构的施工,包括框架结构的搭建、墙体的砌筑等。
6.支撑系统安装:根据灰库的具体情况,安装支撑系统,包括支撑墙、支撑柱等,以增强灰库的稳定性。
7.防水处理:对灰库进行必要的防水处理,确保储存物料的安全,包括防渗漏、排水系统的设置等。
8.清理整理:在灰库施工完毕后,对施工现场进行清理和整理工作,确保施工质量。
四、施工要求1.施工过程中要严格按照设计要求进行施工,确保施工质量。
2.施工过程中要保持施工现场的整洁,做好安全防护措施。
3.施工过程中要确保施工人员的安全,配备必要的劳保用品和安全设施。
4.施工过程中要及时处理施工中出现的问题,确保工期的顺利进行。
5.施工完毕后,要进行必要的验收工作,确保施工质量符合设计要求。
五、施工进度安排1.灰库施工周期约为一个月。
2.前期准备工作:5天。
3.地基处理和基坑开挖:10天。
4.土方回填:5天。
5.主体结构搭建和支撑系统安装:10天。
6.防水处理:5天。
7.清理整理:5天。
六、安全措施1.施工过程中要严格遵守安全生产规定,落实安全生产责任制。
灰库的施工方案在进行灰库施工之前,需要详细制定施工方案,方案要包括以下内容:1. 工程概况:包括灰库的规模、位置和用途等,以及施工的背景和目标。
2. 工程布置和设计:确定灰库的平面布置和立面设计,包括库区的分区划分、进出口位置、仓储方式等。
还要考虑到库区周围的环境和设施,以确保施工的安全和便利。
3. 施工流程和进度安排:制定详细的施工流程,确定各个施工阶段的工作内容和时间节点,并进行进度安排。
同时,要考虑到施工过程中可能遇到的问题和风险,制定相应的解决方案。
4. 施工组织和人员配备:确定项目的组织架构和人员配备,包括项目经理、技术负责人、施工人员等。
要对各个人员的职责和任务进行明确,确保施工的顺利进行。
5. 施工材料和设备:确定所需的施工材料和设备,并确保其质量和供应。
同时要制定材料和设备的验收标准,确保其符合相关的规定和要求。
6. 施工方法和技术要求:确定施工方法和技术要求,包括土方开挖、基础施工、构筑物建设等。
要考虑到施工过程中可能遇到的问题,制定相应的应对措施。
7. 质量控制和验收标准:制定详细的质量控制计划,确定各个施工过程的质量验收标准,并安排相应的检测和测试工作。
要确保施工的质量符合相关的规定和要求。
8. 安全生产和环境保护:制定详细的安全生产和环境保护措施,确保施工安全和环境保护工作的进行。
要对施工中可能存在的安全风险和环境污染进行评估,制定相应的应对方案。
9. 施工费用和资金安排:确定施工费用的预算和资金安排,确保施工的顺利进行。
要合理控制施工成本,确保施工经费的充足和合理使用。
10. 施工监理和验收:确定施工监理的机构和人员,对施工过程进行监督和检查。
在施工结束后,进行最终验收,确保施工完成的质量和效果符合要求。
以上是一份灰库施工方案的基本内容,根据具体的项目和要求,还可以增加或调整一些内容。
施工方案要结合实际情况,合理安排施工工作,确保项目的顺利进行。
第一章编制依据一、干灰库工程招标文件、施工图纸等。
二、我单位类似施工经验。
三、施工技术标准及验收规范。
四、有关工程技术规范、标准、文件:第二章工程概况1、工程名称:宁夏宝塔联化热能动力干灰库工程2、项目业主:宁夏宝塔联合化工有限公司3、工程地址:宁东临河园区4、项目设计:山东恒力热电设计有限公司5、施工单位:宁夏中宁县开元建筑有限公司6、施工工期:100天7、工程概况本工程位于宝塔联化电厂厂区内,建筑结构的安全等级为二级,设计使用年限为50年,按震设防烈度为8度。
本工程±0.000相当于绝对标高1268.00。
本工程采用钢筋混凝土筒仓,总檐口高度34.4m。
第三章施工部署一、指导思想本工程在公司范围内选调敬业务实、经验丰富的管理、技术人员和作业队伍,组成高效精干的项目班子,采用先进的施工方法和机具,严格贯彻“投标时为用户着想,施工时为用户服务,投产时让用户满意”的原则;坚持“统筹规划、点线结合、中心明确、团结协作”的指导思想;精心组织,科学管理,保证本工程高速优质完成。
1、统筹规划:施工过程中,对人、财、物的使用及所有与本工程有关事务的处理,要全盘规划、统一安排、顾全大局,以满足业主的总体竣工目标要求;2、中心明确:紧紧围绕“建设精品工程”这一中心,实行项目法施工,明确总部、项目经理部及各作业队(班组)各有关人员的责任和权利,责任到人,重奖重罚;3、团结协作:业主、设计、监理及各施工单位统一认识,立足全局,建立友好协商、密切配合的协作关系。
二、难点、重点分部工程根据上述分析和部署,对照一般类似工程的特点,将本项目的有关分部分项工程划分为重点、难点工程,并在施工方法、工艺、设备选择和人员配备方面给予重点考虑。
主要有:◆测量放线;◆模板工程;◆干灰库钢筋砼工程。
三、施工队伍安排1、作业队安排根据本工程的特点,按各主要工序划分为以下作业队:◆模板施工作业队◆钢筋施工作业队;◆砼施工作业队;第四章施工准备一、现场准备我方将及时根据业主要求立即组织人员、机械进场,并从以下几方面做好现场准备工作:1、开拓现场,修整施工通行道路;2、搭设工地临时设施;3、整理材料堆场;二、技术准备1、根据设计总图,建立、复核平面控制网和高程控制网,做好现场测量控制;2、通过业主与电力、电信、交通、气象等部门取得联系,查阅相关资料或通过必要勘察,进一步摸清现场自然条件和地下状况;3、熟悉图纸和有关标准、规范,及时进行图纸会审;4、根据开工前业主提供的图纸、组织设计编制各主要分部分项工程的作业指导书;5、由项目总工、各专业工程师逐级向有关施工人员、班组进行详细的技术交底;6、编制详细的施工进度计划和物资供应计划;7、对焊工、起重工、顶管等特殊工种/操作人员进行必要的岗前再培训。
三、人员准备根据组织机构设置、劳动力需要计划和工程进度要求,及时组织管理人员和操作人员进场。
四、机械物资准备1、根据机械需用计划落实所需各种机具、设备,并对所有机具、设备的状况进行检查,不合格者不得进入现场;第五章项目组织机构我单位将针对本工程成立现场项目经理部,设四部一室作为项目纵向控制的职能部门,全面组织、协调、管理各分包单位,并做好与业主、监理、设计及相关主管部门的联系、协调工作。
现场项目部组织机构项目经理部下设的五部一室,按照一专多能,因职设人的原则配置,初步人员分布情况如下:◆项目部领导:共3人,项目经理1人,副经理1人,总工1人;◆工程技术部:共5人,部门负责人1人,责任工程师4人;◆质量安全部:共3人,部门负责人1人,质安员2人;◆材料设备部:共1人,部门负责人1人,保管1人;◆财务部:共2人,部门负责人1人,出纳1人;◆综合办公室:共1人,部门负责人1人,文员1人。
第六章主要施工方案及施工方法一、干灰灰主要工程施工方法本工程筒壁采用滑模;各层梁板结构模板支撑系统为扣件式落地钢管脚手架,模板材料选用竹胶板;均采用商品混凝土进行浇筑。
1、测量控制根据工程的需要,我们将在业主提供的现场控制网的基础上在本标段施工区域内敷设专门的测量控制点,其中座标控制点按二级导线精度敷设,高程控制点按四等水准控制点精度敷设。
1.1人员及仪器配备测量施工作业队配备3人,包括一名测绘工程师。
配备全站仪一台,经纬仪一台、水准仪2台。
各种仪器、钢尺都要通过计量局严格按检定周期检定后进行复核自检,方可投入使用。
测量施工作业队应按制度定期对控制网、高程及放样轴线进行复核自检后交复核单位签字后方可移交其它施工作业队使用。
1.2平面控制依据业主提供的建筑坐标点,建立施工轴线控制网,采用Ⅰ级导线精度要求施测。
各个建构筑物应根据需要建立相应的控制网。
1.3高程控制(a) 从业主提供的建筑坐标点上联测高程到施工轴线上,施工时根据需要用水准仪从轴线网上引测。
(b) 沉降观察采用Ⅱ度水准精度观测。
依据业主提供的水准基点,参照观察点布置图,建立相应的工作基点。
定期联测对工作点的稳定性进行评估。
沉降观察应每增加一次荷载观测一次,施工期间每月观测一次,竣工后按有关规定观测。
1.4控制点的检查和使用布设完毕的控制点在自检合格的基础上由质检科向业主及监理工程师提请复验,复验合格后移交工地使用,使用工地负责控制桩的保护。
控制桩在使用过程中应随时相互校核,如发现控制桩的可靠性有疑,则必须对其重新检验。
2、土方工程2.1土方开挖土方开挖采用机械大开挖、人工修坡清底方案。
在本工程中我公司将投入1m3反铲挖掘机1台,自卸汽车6台,装载机1台,T-170推土机1台。
地质资料显示,厂区地层内基本不含水,故施工中可不考虑地下水的影响,但为防止雨季地表水流入基坑(槽),仍需考虑地表水排除,基坑雨水排除等措施。
为此,在基坑开挖时即在基坑(槽)四周设一高500mm的梯形断面挡水围堰,并在基坑四周挖排水沟将雨水排出场外,基底内沿基坑四周开挖500mm深的排水沟将雨水引至设在坑角的集水井中由污水泵排出。
在土方工程施工中,采用由基槽两端开辟两个工作面逐步推进分层开挖的方案,开挖至桩基上部桩头时应注意不得碰触桩身,至设计基底标高以上300mm 处,改为人工修坡清底,以免扰动基底原土。
开挖时,在基槽一端设一宽5m,坡度为25%的坡道运土,运出的土按施工总平面布置图的安排运至弃土场,弃土场设一台推土机配合作业。
土方开挖前,现场施工及测量人员将依据施工图及施工规范的规定,根据控制桩撒出土方开挖边界线,并向现场施工人员(主要是挖掘机司机)进行详细的技术交底,交底的内容主要包括:确认边界线,了解土质情况,挖方边坡坡度,防塌方措施,施工进度安排,安全注意事项等。
土方开挖过程中,施工测量人员将根据工程进度对开挖深度、边坡坡度及开挖边线进行及时的跟踪测量,并指挥现场施工人员进行及时修整,尤其是当开挖接近基底以上300mm处时,严格控制标高,不超挖,不扰动地基原土。
土方开挖过程中,现场施工管理人员应及时安排修垫运土坡道,以保证运土速度不受影响。
为了保证工程进度,机械维修班将以夜班为主对大型机械进行及时维护和保养。
备品库存应放有较为齐全的易损配件,随时可以为机械提供服务。
基础土方工程施工完毕后,质量检查人员应及时组织验槽,并在验槽合格后迅速组织砼垫层的施工。
2.2土方回填填土前的准备工作:先会同甲方确定填土的土质,并作回填击实试验,确定回填土的最大干容重和最佳含水率,控制干容重等。
开始回填前应做好基础等的隐蔽验收工作。
将基槽(坑)内杂物、积水、淤泥、浮土、杂草等清除干净。
为减少二次开挖,回填前技术人员应认真核对图纸,防止设备基础、沟道等遗漏。
施工机械的选用:土料的运输:大面积回填由自卸汽车运输到工作面,其余可用手推车运至工作面。
夯实机械:大面积回填用推土机将土方平整,用压路机碾压为主,蛙式打夯机打夯为辅,对边角和死角以蛙式打夯机为主,人工夯实为辅。
操作要求及注意事项:在大面积回填前,首先应通过现场小面积试验确定最佳压实遍数,含水率及虚铺厚度。
作为大面积回填的依据。
在回填夯实时,土太干的应均匀地洒水使其湿润,太湿的土应凉干或拌合均匀,否则不得进行压实工作。
在碾压或夯实过程中,如发现局部土层不平,应及时用同类土补平,否则将影响回填土的压实质量。
对碾压及压实回填,碾土方向应从填土两侧逐渐压向中心,开行速度不宜过快,应低速前行多次碾压,应有15-20cm重叠。
在每一层分段施工时,接头宜作成斜坡式,坡度不小于1:1--1:5,碾迹重叠0.5--1.0m,上下层组相邻施工缝不应小于1.0m,并充分压实。
在全高度分段回填压实时,其接头处理方法,应将已回填土压实接头处斜面挖成台阶状,台阶高度为50cm,宽不小于100cm,台阶处回填时宜用蛙式打夯机夯实。
在压实过程中,当出现橡皮土现象时,应停止压实工作,及时挖出橡皮土,用好土回填夯实代之。
每层回填土压实后,应及时取样,检验符合设计后方可进行下一层回填。
为了保证每层回填厚度的均匀,在坑(槽)侧壁用简易尺杆标出每层铺填厚度。
采用各类机械回填时,机械应离开各类基础,沟壁50-100cm,蛙式打夯机不受此限制,但应注意不要碰坏结构和机械。
回填土的质量要求:土方回填前,应根据施工规范及设计规定要求的回填土压实系数,确定回填土干容重控制标准。
回填用土应在回填前进行含水量测定,对含水率小的土,应适当洒水,使其保持在最佳含水率状态。
回填土应优先选用从基坑内挖出的土方,当基坑内挖出的土方的土质不符合回填土的要求时,方可从外取土。
正式回填时,应做好基础等的隐蔽工作,将基坑内杂物、积水等清除干净。
回填土应分层铺摊。
每层铺土厚度根据土质、密实度要求及机械性能确定,一般蛙式打夯机每层铺土厚度为200~250mm,振动压路机宜控制在600mm,人工打夯不大于200mm。
每层铺摊后,应随即耙平。
回填土打夯时应一夯压半夯,夯夯相接,行行相连,纵横交叉。
采用机械碾压时,轮迹应相互搭接,防止漏压或漏夯。
长宽比较大时,回填应分段进行,每层接缝处做成斜坡形。
碾迹重叠0.5~1m左右,上下错缝距离不小于1m。
填方超出基底表面时,应保证边缘部位的压实质量。
在机械碾压不到的部位,应配合人工推土填充,并夯实。
回填土方每层压实后,应按规范规定进行取样,取样采用核子密度仪,试验合格后,方可进行上层土方的回填。
填方全部完成后,表面应拉线找平。
凡超出标准高程的地方,及时依线铲平,低于标准高程的地方,应补土找平夯实。
3、筒壁滑模工程筒壁采用滑模施工方法,如下:3.1滑模系统装置的选用本工程模板采用钢模,模板宽度200mm、高度为1200mm的钢模板。
根据干灰灰的结构形式及规范要求,提升架间距1600mm,在模板上下口设两道围圈,围圈间距600mm,上下围圈用∠40×4角钢作腹杆形成桁架,加大其刚度,用以克服相邻千斤顶不同步而产生的附加荷载。