用人单位职业健康管理措施自查表
- 格式:doc
- 大小:88.50 KB
- 文档页数:4
企业职业病防治工作自查表
一、基本情况
单位名称:(盖章)通讯地址:街道
联系人:电话/方式:
职工总人数:生产工人总数:接触有毒有害作业人数:
经济类型:□国有经济、□集体经济、□私有经济、□港澳台经济、□外商经济
所属行业:主要职业病危害因素:
二、《职业病防治法》主要法定义务落实情况
内容2018年2019完成情况或实施计划
职业卫生管理
组织机构
有有
无无管理制度、
规程
有有
无无实施计划
有有
无无
危害告知与培训
公告栏
有有
无无警示标识
有有
无无劳动者职业
卫生培训
有有
无无危害合同告
知
有有
无无
防护用品有有无无
职业健康检查有有
无无计划月份:
检测评价有
是□否□
超标
有
机构名称:
是否超标:是□否□无无计划月份:
应急设施有有无无
申报有有
无无计划月份:
危害岗位未成年工有有无无
2018年以来新、改、扩等建设项目:有□无□;建设项目职业病防护“三同时”是□否□落实。
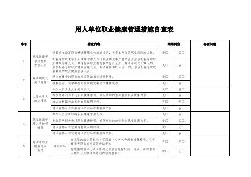
单位名称:单位注册地址:工作场所地址:法定代表人:联系电话:社会信用代码)单位注册地址工作场所地址单位规模上属单位(或者主管)法定代表人职业卫生管理机构职业健康检查人数劳动者总人数职业病危害因素(按类填写具体危害因素) 职业病危害接触水平职业健康管理状况等级一、情况概述大□上岗粉尘类化学物质类物理因素类生物因素类放射性物质类普通职业病危害因素严重职业病危害因素中□小□微□有□无□在岗接触职业病危害总人数超标人数超标人数职业病危害暴露风险等级行业分类注册类型联系电话职业卫生管理人数职业病累计人数专职兼职离岗目前在岗历年累计接触人数接触人数接触人数接触人数接触人数不超标人数不超标人数职业病危害综合风险等级三、整改情况自查和评估人员签字:法定代表人或者主要负责人签字:附表 2单位名称:职业健康管理状况等级:、职业病防治管理措施1. 管理机构或者组织2. 管理人员3. 防治计划和实施方案4. 制度和操作规程设置或者指定职业卫生管理机构或者组织。
职业病危害严重或者劳动者超过 100 人的用人单位应设置或者指定职业卫生管理机构或者组织。
配备专职或者兼职的职业卫生管理人员。
职业病危害严重或者劳动者超过100 人的企业应配备专职职业卫生管理人员;其他存在职业病危害的用人单位,劳动者在 100 人以下的,应当配备专职或者兼职职业卫生管理人员。
制定年度职业病防治计划和实施方案。
建立健全职业卫生管理制度和操作规程。
具体包括:查阅相关文件,文件应明确设置或者指定职业卫生管理机构或者组织,并检查机构或者组织工作开展情况查阅管理人员任命文件,并核实管理人员的工作情况查阅职业病防治计划和实施方案,查看其可行性以及各项工作落实情况等查阅制度、操作规程等文件,制有职业卫生管理机构成立文件,职责清晰,且各部门能够按职责分工开展工作有管理人员任命文件,按照要求开展职业卫生管理工作制定有防治计划和实施方案,具有可操作性,并按计划落实制度齐全;职责清晰;符合单位有职业卫生管理机构成立文件,职责较清晰,各部门基本能够按职责分工开展工作有管理人员任命文件,基本按照要求开展职业卫生管理工作制定有防治计划和实施方案,具有一定的可操作性,基本按计划落实制度基本齐全(缺少 1~3无职业卫生管理机构成立文件的;或者职责不清晰,未履行相关职责无管理人员任命文件;或者未按要求开展职业卫生管理工作未制定防治计划和实施方案,或者未按计划落实制度不齐全(缺少 4 项及10101020□符合□基本符合□不符合□合理缺项□符合□基本符合□不符合□符合□基本符合□不符合□符合□基本符合一5. 职业卫生档案(1)职业病危害防治责任制度;(2)职业病危害警示与告知制度;(3)职业病危害项目申报制度;(4)职业病防治宣传教育培训制度;(5)职业病防护设施维护检修制度;(6)职业病防护用品管理制度;(7)职业病危害监测及评价管理制度;(8)建设项目职业病防护设施“三同时”管理制度;(9)劳动者职业健康监护及其档案管理制度;(10)职业病危害事故处置与报告制度;(11)职业病危害应急救援与管理制度;(12)岗位职业卫生操作规程;(13)法律、法规、规章规定的其他职业病防治制度。
附表2-2 用人单位职业卫生管理自查表在企业管理中,职业卫生管理是一个非常重要的环节。
附表2-2 用人单位职业卫生管理自查表是对企业在职业卫生管理中的自我评估,通过这个表格的填写,企业可以全面了解自己在职业卫生管理上存在的问题,及时进行整改,保障员工的身体健康。
在本文中,我们将深入探讨附表2-2 用人单位职业卫生管理自查表的内容及其重要性。
1. 自查表的填写附表2-2 用人单位职业卫生管理自查表共分为八大部分,包括基本情况、职业卫生管理机构、职业卫生监测评价、职业卫生风险评估、职业卫生标准、职业健康检查、职业危害因素控制、职业卫生培训等内容。
企业需要根据自己的实际情况,认真填写每一部分的内容,对照条文要求,逐一自查和整改。
2. 自查表的重要性自查表的填写不仅能够帮助企业全面了解自身在职业卫生管理方面存在的问题,也是对企业管理水平和工作规范的一次自我审视。
通过自查表,企业可以发现存在的问题,及时采取措施加以改进和完善,从而提高职业卫生管理水平,保护员工的身体健康。
3. 个人观点和理解我个人认为,附表2-2 用人单位职业卫生管理自查表是企业管理中的一项重要工具,填写和整改自查表不仅是对法律法规的遵守,也是对员工身体健康的负责。
企业应该高度重视职业卫生管理工作,严格按照自查表的要求,认真整改存在的问题,不断完善管理制度,切实保障员工的身体健康。
总结回顾附表2-2 用人单位职业卫生管理自查表的填写和整改是企业管理中非常重要的一环。
企业需要根据自己的实际情况,认真填写自查表,并且及时进行整改,提高职业卫生管理水平,保障员工的身体健康。
通过自查表的使用,企业可以全面了解自身在职业卫生管理方面存在的问题,及时采取措施加以改进和完善。
结语附表2-2 用人单位职业卫生管理自查表在企业管理中具有非常重要的意义,企业应该高度重视职业卫生管理工作,认真填写自查表,并且不断完善管理制度,切实保障员工的身体健康。
企业管理者应该增强职业卫生管理的意识,不断提升管理水平,为员工营造一个良好的工作环境。
公司职业健康专项检查表项目1组织机构和规章制度建设(140分)内容评分重点及标准检查状况得分公司最高决议者承诺10 分;查阅书面承诺文件;恪守国家有关职业病防治没有不得分。
的法例政策标准建立职业病防治领导10 分;查阅书面文件,领导机构小组包含最高决议者、职能部门及工会代表;没有不得分。
设置职业安全卫生管10 分;一定设置专兼职的职理机构业安全卫生管理机构;没有不得分。
装备专职或兼职的职10 分;业卫生专业人员职业病防治工作归入10 分;查阅目标中能否波及法定代表人目标管理责任职业病防治工作,并有层层制分解的目标;没有不得分。
拟订职业病防治计划10 分;查阅书面的职业病防和实行方案治计划和实行方案,计划应当包含目的、目标、举措、保障条件等内容;缺一项扣 1分。
实行方案应该包含时间进度、实行步骤、技术要求、查收方法;缺一项扣 1 分。
成立健全职业卫生管10 分;查阅书面的职业卫生理制度管理制度;管理制度要明确职业卫生管理责任人、组织机构及其职责、人员装备、经费保障等方面;缺一项扣 2分。
1.8 设置岗位操作规程10 分;查阅书面的岗位操作规程;不一样的岗位应该拟订相应的操作规程;缺一个岗位扣 1 分。
成立健全职业卫生档10 分;职业卫生档案,应该案包含基本状况、工艺流程、所使用的资料清单、生产的产品、副产品、中间产品、有毒有害因素动态监测结果、职业健康监护结果、职业病人清单、防备设备清单等内容;缺一项内容扣 1 分。
成立健全劳动者健康10 分;查阅劳动者清单,一监护档案人一份档案;缺一人扣 1 分。
2前期预防(100分)1.11 成立、健全工作场所10 分;检测及评论制度应该职业病危害要素检测及评包含检测点的散布、检测周价制度期、拜托的机构、经费保障等内容;缺一项扣 2 分。
保证职业病防治管理20 分;职业病防治、管理经必需的经费投入费归入成本估算,包含人员、机构、预防和治理职业病危害、评论、防备设备配置与保护、个人防备用品配置与保护、职业病危害要素检测与评论、职业健康监护、职业卫生培训、职业病人诊疗与管理、工伤保险等方面;缺一项扣 2 分。