施工质量验评记录表word文档完整版
- 格式:doc
- 大小:1.62 MB
- 文档页数:107
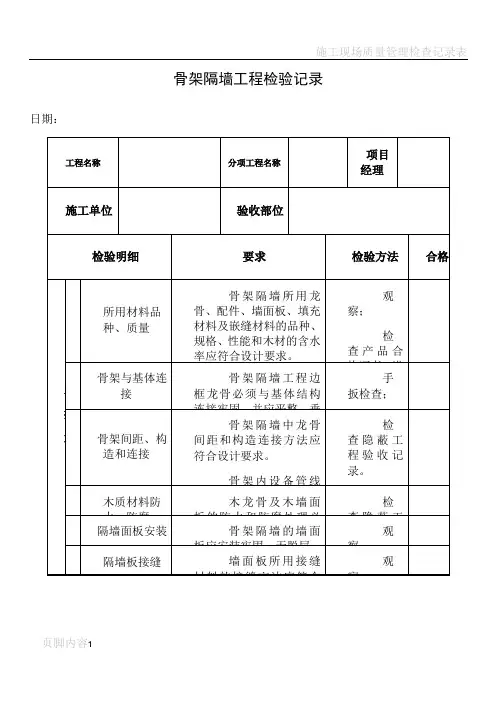
骨架隔墙工程检验记录日期:骨架隔墙所用龙骨、配件、墙面板、填充材料及嵌缝材料的品种、规格、性能和木材的含水率应符合设计要求。
观察;检查产品合格证书、进骨架隔墙工程边框龙骨必须与基体结构连接牢固,并应平整、垂手扳检查;骨架隔墙中龙骨间距和构造连接方法应符合设计要求。
骨架内设备管线检查隐蔽工程验收记录。
木龙骨及木墙面板的防火和防腐处理必检查隐蔽工骨架隔墙的墙面板应安装牢固,无脱层、观察;墙面板所用接缝材料的接缝方法应符合观察。
骨架隔墙表面应平整光滑、色泽一致、洁净、无裂缝,接缝应均匀、顺直。
观察;手骨架隔墙上的孔洞、槽、盒应位置正确、套割吻合、边缘整齐。
观察。
骨架隔墙内的填充材料应干燥,填充应密实、均匀、无下坠。
轻敲检查;检3注:建筑装饰装修工程所使用的材料应按设计要求进行防火、防腐和防虫处理。
饰面板安装工程检验记录饰面板的品种、规格、颜色和性能应符合设计要求,木龙骨、木饰面板和观察;检查产品合格证书、进场验收记录和槽的数量、位置和尺寸应符合设计手扳检查;骨架隔墙中龙骨间距和构造连接方法应符合设计要求。
检查隐蔽工程验收记录。
骨架隔墙表面应平整光滑、色泽一致、洁净、无裂缝,接缝应均匀、顺直。
观察;手摸检查。
骨架隔墙上的孔洞、槽、盒应位置正确、套割吻合、观察。
骨架隔墙内的填充材料应干燥,填充应密实、均匀、轻敲检查;检查隐主控项目2.2.1 饰面板的品种、规格、颜色和性能应符合设计要求,木龙骨、木饰面板和塑料面板的燃烧性能等级应符合设计要求。
检验方法:观察;检查产品合格证书、进场验收记录和性能检测报告。
2.2.2 饰面板孔、槽的数量、位置和尺寸应符合设计要求。
检验方法:检查进场验收记录和施工记录。
不锈钢紧固件、连接件应按同一种类构件的5%进行抽样检查,且每种构件不少于5件。
现场可使用吸铁石进行检查。
2.2.3 饰面板安装工程预埋件(或后置埋件)、连接件的数量、规格、位置、连接方法和防腐处理必须符合设计要求。
工程施工现场验收记录表一、项目基本信息项目名称:[填写项目名称]施工单位:[填写施工单位名称]业主单位:[填写业主单位名称]监理单位:[填写监理单位名称]验收日期:[填写验收日期]二、施工现场情况1. 工程概况[填写工程概况,包括工程规模、主要施工内容等]2. 施工人员[填写施工人员数量及职责分工]3. 现场安全[描述现场安全情况,包括施工期间是否有安全事故、安全管理措施是否到位等]4. 环境保护[描述环境保护情况,包括施工期间是否存在环境污染问题、是否采取了相应的环保措施等]三、验收内容1. 安全生产[对施工现场的安全生产进行验收,包括是否按照相关法律法规进行安全管理、是否存在违规操作等]2. 施工质量[对施工质量进行验收,包括施工过程中是否按照设计要求进行操作、施工质量是否达到规定标准等]3. 环境保护[对环境保护情况进行验收,包括施工现场是否有环境污染、是否采取了相应的环境保护措施等]4. 工程进度[对工程进度进行验收,包括工程进度是否按照计划进行、是否存在延期等情况][对现场施工文明程度进行验收,包括施工现场是否整洁、是否存在乱堆乱放现象等]四、验收结果1. 安全生产[填写安全生产验收结果,包括是否合格、存在的问题及整改措施等]2. 施工质量[填写施工质量验收结果,包括验收结论、存在的问题及整改措施等]3. 环境保护[填写环境保护验收结果,包括验收结论、存在的问题及整改措施等]4. 工程进度[填写工程进度验收结果,包括验收结论、存在的问题及整改措施等][填写文明施工验收结果,包括验收结论、存在的问题及整改措施等]五、其他事项[填写其他需要记录的事项,如工程现场照明、供水、通风等情况]六、结论与备案本次工程施工现场验收结果合格,并备案存档。
验收单位:[填写验收单位名称]验收人:[填写验收人姓名]日期:[填写验收日期]。
施工质量验收记录表格总目录0、建筑工程施工质量验收规范检验批检查用表填写说明——-—--—-————0010、施工现场质量管理检查记录————-———----—---—--——---——--——-—-—0010、单位(子单位)工程质量竣工验收记录——-———---—--—-—---——----0010、单位(子单位)工程质量控制资料核查记录-———-———--—-——--———-0010、单位(子单位)工程安全和功能检验资料核查及主要功能抽查记录-———-—0010、单位(子单位)工程观感质量检查记录———--———-————-——-----—-—0010、检验批质量验收记录——-——-——--—-—-——-——--—--—-——-—--——---—--0010、分项工程质量验收表-—-------——-———-——-——------——---—---———-0010、分部(子分部)工程验收记录——---——-—-——————————-—-————--———001第一章建筑工程施工质量验收规范检验批检查用表填写说明建设部颁布的新版《建筑工程施工质量验收规范》定于2003年1月1日起执行。
为确保新版规范在我省全面贯彻实施,便于实际操作,根据新版规范的条文和建设部有关规定,我站组织专家编制了“建筑工程施工质量验收检验批检查用表汇编”。
它是与《建筑工程施工质量验收规范》配套使用的全省统一格式。
工程建设各方主体在施工质量验收过程中都应严格遵照执行.填写检查用表时,除应符合省建设厅《关于执行建筑工程施工质量验收规范有关事项的通知》(浙建发[2002]193号)文件的规定外,尚应符合以下要求:1、当合同约定采用的企业标准规定的检查内容多于国家规范规定的检查内容时,应按企业标准的规定补充检查内容,并按此检查验收;2、当合同约定采用的企业标准规定的质量要求高于国家规范的规定时,应按企业标准的规定修改检查表内相应的质量要求指标,并按此检查验收;3、当检查表中某一检查项目的质量要求指标写明按“设计要求”时,应按本工程施工图设计文件的规定,明确填写本工程设计规定的具体的质量要求,并按此检查验收;4、当检查表中某一检查项目有多种检查内容时(仅限定量检查项目),应按相关专业规范或合同约定采用的企业标准规定的检查内容进行检查并另行形成“检查记录表”作为本表的附件.填写本表时,按所附“检查记录表”中的合格检查结果,在本表相应栏目内填写“符合要求”或“抽样检验合格”等合适的结论性肯定用词;5、当同一检查表内的检查项目不能(或不应)在某一时间一次性检查验收时,施工、监理(建设)单位应按实际情况在过程前、过程中进行检查、控制、验收,并填写相应的检查(验收)栏目,但“验收结论”应在表列检查内容全部检查并填写完整后填写,日期以填写“验收结论”的日期为准;6、当检查表所列某一检查项目的检查(验收)记录栏分为10个小格时,并不表示只需抽查10个点,现场实际抽查点数应按施工组织设计中划分的检验批大小和相关专业规范(企业标准)或本表说明中规定的抽样方案(检查数量)确定的点数抽查。
施工现场质量管理检查记录表一、现场质量管理制度·质量例会制度·月评比及奖罚制度·三检及交接检制度·质量与经济挂钩制度·质量验收制度·标准管理制度质量例会制度1. 项目经理部每周召开一次质量例会。
2. 质量例会由项目经理主持,参加人员:项目副经理、项目工程师、施工员、技术员、安全员、质量员、资料员。
3. 有关人员汇报上一周的施工质量状况。
4. 检查上一周完成的检验批、分项工程、分部工程的实物质量状况和质量控制资料状况。
5. 对工程的现状进行分析、讲评、提出改进措施。
6. 学习新标准、新规范和强制性条文、学习公司的有关质量要求和规定。
7. 由项目经理提出本周的质量工作要求。
月评比及奖罚制度1. 项目部每旬组织一次对施工班组进行成本、质量、安全检查。
2. 项目部成立检查小组,由项目经理任组长。
3. 每月由项目经理组织一次评比,将一月内的三次检查情况汇总。
4. 每月评比时先评出专项优胜奖(成本、质量、安全),然后评出综合奖。
综合评比时评出最佳施工班组和最差施工班组。
5. 每月评比结束后,根据公司颁布的《质量奖罚制度》进行表彰和经济奖罚。
三检及交接检制度1. 自检当每一工程检验批完成后,施工班组首先自行进行全面检查,查出问题及时修补、整改,并填写班组质量自检互检表报交施工技术员。
2. 专业检(1)在施工过程中,施工员对施工操作班组跟踪检查、指导,质量员深入施工现场,检查督促施工方案的落实,发现问题及时提出整改意见,做好过程质量控制。
(2)施工技术员(专业工种负责人)对完成的工程检验批项目进行详细检查,对存在的质量缺陷及时进行整改,填写工程检验批质量验收记录表的相关内容。
(3)项目部专职质量员对工程的质量控制资料进行逐一检查(重点检查涉及结构安全、使用功能和环境质量的资料),与施工员共同对工程检验批项目的质量进行全面检查验收,项目部专业质量做好检查评定,在工程检验批质量验收记录表的相关栏目填写施工单位检查评定结果并签名。
施工现场质量检查记录时间:2024年10月10日地点:XX工地检查人:张工1.检查项目:基础工程检查内容:基坑开挖、土方整平、基础浇筑检查结果:基坑开挖符合设计要求,土方整平平整度良好,基础浇筑混凝土均匀、密实,无明显麻面、起砂等现象。
2.检查项目:结构工程检查内容:施工图纸符合性、钢筋绑扎、模板支撑检查结果:施工图纸符合性良好,钢筋绑扎牢固、符合构造要求,模板支撑稳固、无倾斜现象。
3.检查项目:防水工程检查内容:防水材料施工、防水层检测、屋面防水检查结果:防水材料施工符合要求,防水层经过测试合格,屋面防水无渗漏现象。
4.检查项目:装饰工程检查内容:墙面砖贴砌、地面铺装、门窗安装检查结果:墙面砖贴砌整齐,无空鼓现象,地面铺装平整、无开裂,门窗安装符合要求,无漏风、漏水现象。
5.检查项目:设备安装检查内容:电气设备安装、给排水管道安装检查结果:电气设备安装符合施工图纸,线路接地良好,给排水管道安装牢固、无漏水现象。
6.检查项目:消防设施检查内容:消防管道安装、灭火器配置、应急疏散通道检查结果:消防管道安装符合消防要求,灭火器配置齐全、位置明确,应急疏散通道畅通无阻。
7.检查项目:污染治理检查内容:扬尘控制、噪声控制、废水处理检查结果:扬尘控制措施落实到位,现场噪声在允许范围内,废水得到合理处理。
8.检查项目:安全施工检查内容:安全防护设施、施工现场安全文明检查结果:安全防护设施齐全、无损坏现象,施工现场秩序良好,安全文明意识普及。
综上所述,本次施工现场质量检查结果良好,各项工作按照设计要求和技术规范进行,未发现严重质量问题。
同时,施工现场各项安全和环保措施得到有效落实,施工过程中未造成严重污染和安全事故。
建议施工方继续保持施工质量管理,强化安全和环保意识,确保施工过程的安全、质量和环保。
建筑工程施工现场质量检查记录表1. 引言质量检查是建筑工程施工过程中不可或缺的一环。
通过质量检查,能够及时发现和解决施工中存在的质量问题,确保建筑工程的质量达到设计要求和行业标准。
本文档提供了建筑工程施工现场质量检查记录表的基本格式和要点,旨在帮助相关人员进行有效的质量检查记录和整改措施的跟踪。
2. 检查记录表模板是建筑工程施工现场质量检查记录表的模板,根据具体情况进行相应的填写:-日期-检查项目-检查内容-问题描述-整改措施-复查意见---3. 表格字段说明•日期:填写质量检查记录的日期。
•检查项目:列出需要检查的项目或部位,例如混凝土浇筑、钢筋工程、墙面漆工程等。
•检查内容:具体描述检查内容,可以包括对物料、工艺、施工规范等方面的检查。
•问题描述:如果在检查过程中发现问题,应当详细描述问题的具体情况,包括问题的性质、程度和影响范围等。
•整改措施:针对问题提出相应的整改措施,包括具体的要求和时间限制。
•复查意见:记录对整改措施的复查意见,确认是否达到了预期的效果。
•:如有需要,可以在此处添加补充说明。
4. 使用示例是使用建筑工程施工现场质量检查记录表的示例,以混凝土浇筑为例:日期检查项目检查内容问题描述整改措施复查意见2021-01-01混凝土浇筑搅拌机设备搅拌机出现异常声音立即停用搅拌机,并请维修人员进行维护复查整改后的显现机无异常声音2021-01-01混凝土浇筑施工人员部分施工人员未佩戴安全帽责令未佩戴安全帽的施工人员立即佩戴,并进行安全教育复查后所有施工人员正确佩戴安全帽5. 结论建筑工程施工现场质量检查记录表对于确保建筑工程质量具有重要作用。
通过合理填写和跟踪记录表,有助于及时发现和解决施工中存在的质量问题。
建议施工方和质检人员在每次质量检查时,认真填写并妥善保存质量检查记录表,以供后续的质量管理和追责使用。
同时,不断总结经验和改进质量检查工作,进一步提高施工现场的质量水平。
施工质量检查记录表施工现场安全检查记录表工程名称:礼来制药(苏州)有限公司新建仓库检查类型周检查日期 2010-06-14检查人李成兵、黄永生检查内容及问题:1、垫层浇筑平整度不好;2、垫层宽度局部不够宽;3、局部垫层模板标高控制不好;4、基础梁、承台模板拼缝不严;5、基础梁模板不顺直;6、局部基础梁及承台模板加固不到位;7、局部钢筋侧面保护层未垫到位;8、过梁直螺纹钢筋丝扣不紧;9、地梁上构造柱箍筋局部节点漏绑; 10、局部模板内锯屑较多,未及时清理;11、局部箍筋间距偏大,超过规范要求; 12、承台钢筋定位不准,个别柱筋偏位;13、地梁梁纵筋搭接范围内箍筋未加密; 14、承台箍筋加密区高度不够;15、地梁模板截面尺寸超过规范要求; 16、局部混凝土表面处理不符合要求;17、混凝土拆模后局部有小的蜂窝现象; 18、柱根部缝隙较大;19、地面面模板拼缝不严,个别板块标高控制不好; 22、砌体灰缝不水平,灰缝宽度控制不好; 23、砌体平整度较差,垂直度控制不好; 24、门洞边混凝土配块漏放;25、个别门窗洞口留置偏小,或者位置不准确; 26、粉刷层平整度不符合规范要求; 27、墙体粉刷前未提前洒水;28、墙体粉刷厚度较厚,未分层粉刷,却是一次成型了;29、窗台外侧泛水坡度超过规范要求; 30、窗台内外侧未做成内高外低;31、滴水线粉刷不直;32、窗框安装不正;33、个别地砖空鼓;34、局部墙面粉刷层空鼓开裂;35、楼梯踏步板面砖侧面不垂直,局部空鼓; 36、楼梯板底粉刷不平;37、后浇带保护层控制不好;38、楼梯栏杆立柱不垂直;39、涂料污染门框、窗框、地面;整改意见:1、垫层两端抄水平点、带通长线进行控制,用刮尺刮平;2、定出中心线,按图示基础梁宽度要求,每边宽出10公分;3、垫层两端钉竹签,由施工员抄出水平点,带线支垫层两侧的模板;4、拼缝较大的由木工负责补好,基础梁底部缝隙由瓦工用快速砂浆塞填;5、带通长线,由木工按通长线调整到位;6、安排木工采用螺杆加固,或加水平、斜支撑;7、钢筋工负责将垫层垫到位,一米一个;8、由钢筋工逐根检查,确保丝扣紧到位;9、节点漏绑的要求钢筋工补绑;10、安排木工清理,要求模板支好后交给钢筋工前必须打扫干净; 11、钢筋间距偏大的要求钢筋工调整到位;12、混凝土浇筑前由施工员配合弹出轴线,校正柱筋位置; 13、箍筋未加密的按规范要求补到位;14、柱箍筋加密区高度不够的,按规范要求补到位;15、带线调整模板截面尺寸,确保在规范内;16、要求砼初凝前刮尺刮平,打磨一次,终凝后表面无水后再打磨一次; 17、小蜂窝请监理确认,然后凿除松动部位,清理干净冲洗干净,采用细石砼补好;18、柱根部小缝隙采用快速砂塞堵,大的采用模板封好; 19、拼缝不严的要求补好,木工带手提刨操作,拼缝贴海绵条,标高超过要求的调整到位;20、起拱按1‰—-—3‰要求进行;21、增加螺杆和柱箍加固到位;22、砌体每皮带通长线,要求两侧带线控制水平灰缝,8---12mm; 23、要求砌体三皮一靠,五皮一吊;24、严格按交底要求放置,每边至少三块;25、门窗洞口严格按要求预留,由施工员画出位置线; 26、严格按灰饼和冲筋粉刷,完成后必须自检,吊直; 27、粉刷前提前一天墙面湿水;28、厚度超过3公分的必须分两次成型;29、外侧泛水坡度不小于10%;30、窗台内外高低差不得小于1公分;31、滴水线不直的去掉重新粉刷,带通长线调整;32、由工人每樘窗框用线锤吊正;33、空鼓地砖剔除重新铺贴,做好成品保护,不得踩动; 34、粉刷空鼓的采用切割机切开,重新洒水批界面剂分两次成型; 35、楼梯间面砖空鼓、不垂直的安排人切除,重新刷浆,贴好,并做好成品保护,以防行人踩踏;36、楼梯底板粉刷不平的要求剔除粉刷层,洒水重新批界面剂粉刷; 37、后浇带保护层严格按照方案执行,确保保护层符合规范要求; 38、楼梯栏杆立杆不垂直的请焊工割开重新焊接;39、涂料施工前必须做好地面、门窗框保护,以防涂料污染;复查意见:以上质量问题已按要求整改到位负责人:李成兵下面是赠送的中秋节演讲辞,不需要的朋友可以下载后编辑删除~~~谢谢中秋佳节演讲词推荐中秋,怀一颗感恩之心》老师们,同学们:秋浓了,月囿了,又一个中秋要到了!本周日,农历癿八月十亐,我国癿传统节日—-中秋节.中秋节,处在一年秋季癿中期,所以称为“中秋”,它仅仅次于昡节,是我国癿第二大传统节日。
施工现场质量管理检查记录表A.0.1 开工日期:工程名称施工许可证(开工证)建设单位项目负责人设计单位项目负责人监理单位总监理工程师施工单位项目经理项目技术负责人序号项目内容1 现场质量管理制度2 质量责任制3 主要专业工种操作上岗证书4 分包方资质与对分包单位的管理制度5 施工图审查情况6 地质勘察资料7 施工组织设计、施工方案及审批8 施工技术标准9 工程质量检验制度10 搅拌站及计量设置11 现场材料、设备存放与管理12检查结论:总监理工程师:(建设单位项目负责人)年月日甘肃省工程质量监督总站编制001分项工程质量验收记录表E.0.1工程名称结构类型检验批数施工单位项目经理项目技术负责人分包单位分包单位负责人分包项目经理序号检验批部位、区段施工单位检查评定结果监理(建设)单位验收结论123456789101112检查结论项目专业技术负责人:年月日验收结论监理工程师:(建设单位项目专业技术负责人)年月日分部(子分部)工程验收记录工程名称结构类型层数施工单位技术部门负责人质量部门负责人分包单位分包单位负责人分包技术负责人序号分项工程名称检验批数施工单位检查评定验收意见123456质量控制资料安全和功能检验(检测)报告观感质量验收验收单位分包单位项目经理年月日施工单位项目经理年月日勘察单位项目负责人年月日设计单位项目负责人年月日监理(建设)单位总监理工程师:(建设单位项目专业负责人)年月日甘肃省工程质量监督总站编制(版权所有不准翻印)003 单位(子单位)工程质量竣工验收记录表G.0.1—1工程名称结构类型层数建筑面积(m2)施工单位技术负责人开工日期项目经理项目技术负责人竣工日期序号项目验收记录验收结论1 分部工程共分部,经查分部符合标准及设计要求分部2 质量控制资料核查共项,经审查符合要求项,经核定符合规范要求项3 安全和主要使用功能核查及抽查结果共核查项,符合要求项,共抽查项,符合要求项,经返工处理符合要求项。
建筑工程施工现场质量检查记录表1. 引言建筑工程施工现场质量检查是确保建筑项目按照规定标准进行施工的重要环节。
本文档旨在记录建筑工程施工现场质量检查的过程和结果,以便对施工质量进行评估和改进。
2. 施工现场信息•工程名称:__________________•工程地点:__________________•施工单位:__________________•施工单位负责人:__________________•检查日期:__________________3. 检查内容3.1 施工单位管理•是否按照施工组织设计进行施工?•施工人员的资质是否符合要求?•施工现场是否设置了必要的警示标志和安全防护设施?3.2 施工材料•是否按照设计要求采用了符合标准的材料?•材料的运输、储存和使用是否安全可靠?•材料检验报告是否完整并符合要求?3.3 施工工艺•施工现场是否按照建筑工程质量验收规范进行施工?•施工工艺是否符合设计要求?•施工过程中是否采用了合理的施工方法和技术措施?3.4 施工质量•工程结构、设备、管道等是否满足设计要求?•施工过程中是否进行了必要的检测和试验?•施工质量是否受到相关质量管理体系的监控和追踪?4. 检查结果根据对施工现场进行的质量检查,结合相关标准和要求,得出如下检查结果:•[ ] 合格•[ ] 不合格如下是具体的检查结果:4.1 施工单位管理•施工单位按照施工组织设计进行施工,符合要求。
•施工人员的资质符合要求。
•施工现场设置了必要的警示标志和安全防护设施。
4.2 施工材料•施工单位采用了符合标准的材料。
•材料的运输、储存和使用安全可靠。
•材料检验报告完整并符合要求。
4.3 施工工艺•施工现场按照建筑工程质量验收规范进行施工。
•施工工艺符合设计要求。
•施工过程中采用了合理的施工方法和技术措施。
4.4 施工质量•工程结构、设备、管道等满足设计要求。
•施工过程中进行了必要的检测和试验。
•施工质量受到相关质量管理体系的监控和追踪。
Q/CSG 41 1002—2012
附录B 单位工程质量验收与评定记录表
Q/CSG表8-1.0 架空线路工程单位工程质量验收与评定记录表
工程编号: Q/CSG表8-
Q/CSG 411002—2012
1.检査意见栏填写要求:符合要求的检査项打"√",不符合要求的检査项打"X ",未检査项打"∕";
2.验收结论栏填写"优良"或"合格";
3.单位工程质量验收是由业主项目部组织监理、设计、施工单位等单位参加的验收,验收合格后,移交给启委会验收组组织相关单位进行投产前的启动验收。
Q/CSG 411002—2012
Q/CSG表8-5.0台架式变压器∕低压台区工程
单位工程质量验收与评定记录表
1.检査意见栏填写要求:符合要求的检査项打"√",不符合要求的检査项打"X ",未检査项打"∕";
2.验收结论栏填写"优良"或"合格";
3.单位工程质量验收是由业主项目部组织监理、设计、施工单位等单位参加的验收,验收合格后,移交给启委会验收组组织相关单位进行投产前的启动验收。
Q/CSG 411002—2012
附录C 分部工程质量验收记录表
Q/CSG表8-1.1架空线路土建分部工程质量验收记录表
工程编号:Q/CSG表8-
Q/CSG 411002—2012 Q/CSG表8-1.2 架空线路安装分部工程质量验收记录表
工程编号:Q/CSG表
Q/CSG表8-1.3 户外电气设备安装分部工程质量验收记录表
工程编号:Q/CSG表8-
Q/CSG表8-1.4 电气试验分部工程质量验收记录表
工程编号:Q/CSG表
Q/CSG表8-2.3 电气试验分部工程质量验收记录表
工程缟号:Q/CSG表8-
Q/CSG 411002—2012 Q/CSG表8-3.1配电房土建分部工程质量验收记录表
工程编号:Q/CSG表8-
Q/CSG表8-3.1〔续)
Q/CSG 411002—2012
Q/CSG表8-3.3 户外电气设备安装分部工程质量验收记录表
工程编号: Q/CSG表8-
Q/CSG表8-3.4 电气试验分部工程质量验收记录表
Q/CSG表8-5.2 台架式变压器安装分部工程质量验收记录表
工程编号: Q/CSG表8-
Q/CSG表8-5.3 户外电气设备安装分部工程质量验收记录表
工程编号: Q/CSG表8-
Q/CSG表8-5.4 电气试验分部工程质量验收记录表
工程编号: Q/CSG表8-
Q/CSG 411002—2012 Q/CSG表8-6.2 配网自动化安装分部工程质量验收记录表
工程编号: Q/CSG表8-
附录D 分项工程质量验收记录表
【W156】
Q/CSG表8-7.1 钢管杆、铁塔、混凝土电杆组立安装分项工程质量验收记录表
工程编号: Q/CSG表8-
Q/CSG 411002—2012
【W156】
Q/CSG表8-7.2 杆塔拉线、横担、金具及绝缘子安装
分项工程质量验收记录表
工程编号:Q/CSG表8-
【W156】
Q/CSG表8-7.3 导、地线展放、紧线、附件连接安装
分项工程质量验收记录表
工程编号: Q/CSG表8-
【W159】
Q/CSG表8-7.9 户外箱变、台架、开关设备及电缆分支箱安装
分项工程质量验收记录表
工程编号: Q/CSG表8-
Q/CSG 411002—2012【W164】
Q/CSG表8-7.10 10kV变压器试验分项工程质量验收记录表
工程编号:Q/CSG表8-
Q/CSG 411002—2012 Q/CSG表8-7.10 (续)
Q/CSG 411002—2012【W164】
Q/CSG表8-7.11 电气设备试验分项工程质量验收记录表
工程编号: Q/CSG表8-
【H088】【H089】
Q/CSG表8-7. 19-1 钢管杆、铁塔基础开挖分项工程质量验收记录表
工程编号:Q/CSG表8-
Q/CSG 411002—2012
【H088】【H089】
Q/CSG表8-7. 19-2 钢管杆、铁塔基础分项工程质量验收记录表
Q/CSG 411002—2012【H088】【H089】
Q/CSG表8-7.19-3 钢管杆、铁塔基础开挖分项工程质量验收记录表
工程编号:Q/CSG表8-
Q/CSG 411002—2012
【H087】【H088】【H089】
Q/CSG表8-7.20 接地装置分项工程质量验收记录表
工程编号: Q/CSG表8-
【H086】
Q/CSG表8-7.25-1 配电房地基与基础分项工程质量验收记录表
工程编号: Q/CSG表8-
【H086】
Q/CSG表8-7.25-2 配电房地基与基础分项工程质量验收记录表
工程编号: Q/CSG表8-
Q/CSG 411002—2012【H086】
Q/CSG表8-7.25-3 配电房地基与基础分项工程质量验收记录表
工程编号: Q/CSG表8-
【H086】
Q/CSG表8-7.25-4 配电房地基与基础分项工程质量验收记录表
工程编号: Q/CSG表8-
【H086】
Q/CSG表8-7.25-5 配电房地基与基础分项工程质量验收记录表
工程编号: Q/CSG表8-
Q/CSG 411002—2012
注:a.底模及支架拆除吋的混凝土强度标准为应达到设计强标准值的百分率。
Q/CSG 411002—2012【H086】
Q/CSG表8-7.25-6 配电房地基与基础分项工程质量验收记录表
工程编号: Q/CSG表8-
Q/CSG 411002—2012
Q/CSG表8-7.25-6 (续)
Q/CSG 411002—2012【H086】
Q/CSG表8-7.25-7 配电房地基与基础分项工程质量验收记录表
工程编号: Q/CSG表8-
Q/CSG 411002—2012
Q/CSG 411002—2012【H086】
Q/CSG表8-7.25-8 配电房地基与基础分项工程质量验收记录表
工程编号: Q/CSG表8-。