冷负荷的计算
- 格式:doc
- 大小:29.50 KB
- 文档页数:2
1、冷负荷计算(一)外墙的冷负荷计算通过墙体、天棚的得热量形成的冷负荷,可按下式计算:CLQτ=KF⊿tτ-ε W式中K——围护结构传热系数,W/m2•K;F——墙体的面积,m2;β——衰减系数;ν——围护结构外侧综合温度的波幅与内表面温度波幅的比值为该墙体的传热衰减度;τ——计算时间,h;ε——围护结构表面受到周期为24小时谐性温度波作用,温度波传到内表面的时间延迟,h;τ-ε——温度波的作用时间,即温度波作用于围护结构内表面的时间,h;⊿tε-τ——作用时刻下,围护结构的冷负荷计算温差,简称负荷温差。
(二)窗户的冷负荷计算通过窗户进入室内的得热量有瞬变传热得热和日射得热量两部分,日射得热量又分成两部分:直接透射到室内的太阳辐射热qt和被玻璃吸收的太阳辐射热传向室内的热量qα。
(a)窗户瞬变传热得形成的冷负荷本次工程窗户为一个框二层3.0mm厚玻璃,主要计算参数K=3.5 W/m2•K。
工程中用下式计算:CLQτ=KF⊿tτ W式中K——窗户传热系数,W/m2•K;F——窗户的面积,m2;⊿tτ——计算时刻的负荷温差,℃。
(b)窗户日射得热形成的冷负荷日射得热取决于很多因素,从太阳辐射方面来说,辐射强度、入射角均依纬度、月份、日期、时间的不同而不同。
从窗户本身来说,它随玻璃的光学性能,是否有遮阳装置以及窗户结构(钢、木窗,单、双层玻璃)而异。
此外,还与内外放热系数有关。
工程中用下式计算:CLQj•τ= xg xd Cs Cn Jj•τ W式中xg——窗户的有效面积系数;xd——地点修正系数;Jj•τ——计算时刻时,透过单位窗口面积的太阳总辐射热形成的冷负荷,简称负荷,W/m2;Cs——窗玻璃的遮挡系数;Cn——窗内遮阳设施的遮阳系数。
(三)外门的冷负荷计算当房间送风两大于回风量而保持相当的正压时,如形成正压的风量大于无正压时渗入室内的空气量,则可不计算由于门、窗缝隙渗入空气的热、湿量。
如正压风量较小,则应计算一部分渗入空气带来的热、湿量或提高正压风量的数值。
焓值计算冷负荷计算公式在建筑设计和空调系统设计中,冷负荷计算是一个非常重要的环节。
冷负荷是指在一定条件下,建筑内部对外界环境产生的热量的需求量。
冷负荷的准确计算对于空调系统的设计和运行都至关重要。
而以焓值计算冷负荷是一种常用的方法,它通过热力学的原理,利用空气的焓值来计算冷负荷,下面我们将介绍以焓值计算冷负荷的计算公式和方法。
首先,我们来看一下以焓值计算冷负荷的基本原理。
在建筑内部,外界环境的温度和湿度会对室内空气的温度和湿度产生影响,从而产生冷负荷。
以焓值计算冷负荷的方法是通过计算室内外空气的焓值差来确定冷负荷的大小。
焓值是热力学中的一个重要参数,它表示单位质量的空气在一定温度和湿度下的总能量。
因此,通过计算室内外空气的焓值差,可以确定建筑内部对外界环境产生的热量需求量,从而确定冷负荷的大小。
接下来,我们来看一下以焓值计算冷负荷的具体公式和方法。
以焓值计算冷负荷的公式如下:Q = m (h2 h1)。
其中,Q表示冷负荷的大小,单位为kJ/h;m表示空气的质量流量,单位为kg/h;h2表示室内空气的焓值,单位为kJ/kg;h1表示室外空气的焓值,单位为kJ/kg。
根据以上公式,我们可以通过以下步骤来计算冷负荷:1. 首先确定建筑的内部空气质量流量。
这一步需要考虑建筑的使用情况、人员数量、设备等因素,从而确定室内空气的质量流量。
2. 然后确定室内外空气的温度和湿度。
这一步需要通过实际测量或者气象数据来确定室内外空气的温度和湿度。
3. 根据室内外空气的温度和湿度,利用空气焓值表来确定室内外空气的焓值。
4. 最后,根据以上数据,利用以焓值计算冷负荷的公式来计算冷负荷的大小。
通过以上步骤,我们可以得到建筑内部对外界环境产生的热量需求量,从而确定冷负荷的大小。
这个计算结果对于空调系统的设计和运行都具有重要的指导意义。
除了以上介绍的以焓值计算冷负荷的方法,还有一些其他方法可以用来计算冷负荷,比如传热学方法、建筑能耗模拟方法等。
空调冷负荷计算公式一.基本气象参数:1.地理位置: 天津市天津2.台站位置: 北纬 39.100 东经 117.1603.夏季大气压: 1004.80 kPa4.夏季室外计算干球温度: 33.40 ℃夏季空调日平均: 29.20 ℃夏季计算日较差: 8.10℃5.夏季室外湿球温度: 26.90 ℃6.夏季室外平均风速: 2.60 m/s一、外墙和屋面传热冷负荷计算公式外墙或屋面传热形成的计算时刻冷负荷QτW;按下式计算:Qτ=KFΔtτ-ξ 1.1式中 F—计算面积;㎡;τ—计算时刻;点钟;τ-ξ—温度波的作用时刻;即温度波作用于外墙或屋面外侧的时刻; 点钟;Δtτ-ξ—作用时刻下;通过外墙或屋面的冷负荷计算温差;简称负荷温差;℃..注:例如对于延迟时间为5小时的外墙;在确定16点房间的传热冷负荷时;应取计算时刻τ=16;时间延迟为ξ=5;作用时刻为τξ=16-5=11..这是因为计算16点钟外墙内表面由于温度波动形成的房间冷负荷是5小时之前作用于外墙外表面温度波动产生的结果..当外墙或屋顶的衰减系数β<0.2时;可用日平均冷负荷Qpj代替各计算时刻的冷负荷Qτ:Qpj=KFΔtpj 1.2式中Δtpj—负荷温差的日平均值;℃..二、外窗的温差传热冷负荷通过外窗温差传热形成的计算时刻冷负荷Qτ按下式计算:Qτ=KFΔtτ 2.1式中Δtτ—计算时刻下的负荷温差;℃;K—传热系数..三、外窗太阳辐射冷负荷透过外窗的太阳辐射形成的计算时刻冷负荷Qτ;应根据不同情况分别按下列各式计算:1. 当外窗无任何遮阳设施时Qτ=FCsCaJwτ 3.1式中Jwτ—计算时刻下太阳总辐射负荷强度;W/㎡;2. 当外窗只有内遮阳设施时Qτ=FCsCaCnJwτ 3.2式中Jwτ—计算时刻下太阳总辐射负荷强度;W/㎡;3. 当外窗只有外遮阳板时Qτ=F1Jnτ+FJnnτCsCa 3.3注:对于北纬27度以南地区的南窗; 可不考虑外遮阳板的作用;直接按式3.1计算..4. 当窗口既有内遮阳设施又有外遮阳板时Qτ=F1Jnτ+FJnnτCsCnCa 3.4式中Jnτ 计算时刻下;标准玻璃窗的直射辐射照度;W/㎡;Jnnτ 计算时刻下;标准玻璃窗的散热辐射照度;W/㎡;F1 窗上收太阳直射照射的面积;F 外窗面积包括窗框、即窗的墙洞面积㎡;Ca 窗的有效面积系数;Cs 窗玻璃的遮挡系数;Cn 窗内遮阳设施的遮阳系数;注:对于北纬27度以南地区的南窗; 可不考虑外遮阳板的作用;直接按式3.2计算..四、内围护结构的传热冷负荷1. 当邻室为通风良好的非空调房间时;通过内窗的温差传热负荷;可按式2.1计算..2. 当邻室为通风良好的非空调房间时;通过内墙和楼板的温差传热负荷;可按式1.1计算;或按式1.2估算..此时负荷温差Δtτ-ξ及其平均值Δtpj;应按"零"朝向的数据采用..3. 当邻室有一定发热量时;通过空调房间内窗、隔墙、楼板或内门等内围护结构的温差传热负荷;按下式计算:Q=KFtwp+Δtls-tn 4.1式中 Q—稳态冷负荷;下同;W;twp—夏季空气调节室外计算日平均温度;℃;t n—夏季空气调节室内计算温度;℃;Δtls—邻室温升;可根据邻室散热强度采用;℃..五、人体冷负荷人体显热散热形成的计算时刻冷负荷Qxτ;按下式计算:Qxτ=nq1CclrCr 5.1式中 Cr 群体系数;n 计算时刻空调房间内的总人数;q1 一名成年男子小时显热散热量;W;Cclr 人体显热散热冷负荷系数..六、灯光冷负荷照明设备散热形成的计算时刻冷负荷Qτ;应根据灯具的种类和安装情况分别按下列各式计算:1. 白只灯和镇流器在空调房间外的荧光灯Q=1000n1NXτ-T 6.12. 镇流器装在空调房间内的荧光灯Q=1200n1NXτ-T 6.23. 暗装在吊顶玻璃罩内的荧光灯Q=1000n0NXτ-T 6.3式中 N 照明设备的安装功率;kW;n0 考虑玻璃反射;顶棚内通风情况的系数;当荧光灯罩有小孔; 利用自然通风散热于顶棚内时;取为0.5-0.6;荧光灯罩无通风孔时;视顶棚内通风情况取为0.6-0.8;n1 同时使用系数;一般为0.5-0.8;T 开灯时刻;点钟;τ-T 从开灯时刻算起到计算时刻的时间;h;Xτ-T τ-T时间照明散热的冷负荷系数..七、设备冷负荷热设备及热表面散热形成的计算时刻冷负荷Qτ;按下式计算:Qτ=qsXτ-T 7.1式中 T 热源投入使用的时刻;点钟;τ-T 从热源投入使用的时刻算起到计算时刻的时间;h;Xτ-T τ-T时间设备、器具散热的冷负荷系数;q s 热源的实际散热量;W..电热、电动设备散热量的计算方法如下:1. 电热设备散热量q s=1000n1n2n3n4N 7.22. 电动机和工艺设备均在空调房间内的散发量q s=1000n1aN 7.33. 只有电动机在空调房间内的散热量q s=1000n1a1-ηN 7.44. 只有工艺设备在空调房间内的散热量qs=1000n1aηN 7.5式中 N 设备的总安装功率;kW;h电动机的效率;n1 同时使用系数;一般可取0.5-1.0;n2 利用系数;一般可取0.7-0.9;n3 小时平均实耗功率与设计最大功率之比;一般可取0.5左右;n4 通风保温系数;a 输入功率系数..八、渗透空气显热冷负荷渗透空气的显冷负荷QxW;按下式计算:Q x=0.28Gtw-tn 8.1式中 G 单位时间渗入室内的总空气量;kg/h;tw 夏季空调室外干球温度;℃;t n 室内计算温度;℃..九、食物的显热散热冷负荷进行餐厅冷负荷计算时;需要考虑食物的散热量..食物的显热散热形成的冷负荷;可按每位就餐客人8.7W考虑..十、伴随散湿过程的潜热冷负荷1. 人体散湿和潜热冷负荷1 人体散湿量按下式计算D=0.001φng 10.1式中D 散湿量;kg/h;g 一名成年男子的小时散湿量;g/h..2 人体散湿形成的潜热冷负荷QW;按下式计算:Q=φnq2 10.2式中 q2 一名成年男子小时潜热散热量;W;Φ 群体系数..2. 渗入空气散湿量及潜热冷负1 渗透空气带入室内的湿量kg/h;按下式计算:D=0.001Gdw-dn 10.32 渗入空气形成的潜热冷负荷W;按下式计算:Q=0.28Giw-in 10.4式中 dw 室外空气的含湿量;g/Kg;d n 室内空气的含湿量;g/Kg;i w 室外空气的焓;KJ/Kg;i n 室内空气的焓;KJ/Kg..3. 食物散湿量及潜热冷负荷1 餐厅的食物散湿量kg/h;按下式计算:D=0.0115n 10.5式中 n 就餐总人数..2 食物散湿量形成的潜热冷负荷W;按下式计算:Q=8.7n 10.64. 水面蒸发散湿量及潜热冷负荷1 敞开水面的蒸发散湿量kg/h;按下式计算:D=a+0.00013vPqb-PqAB/B1 10.7式中 A 蒸发表面积;㎡;a不同水温下的扩散系数;v蒸发表面的空气流速;Pqb 相应于水表面温度下的饱和空气的水蒸气分压力;P q 室内空气的水蒸气分压力;B标准大气压;101325Pa;B1 当地大气压Pa..二.主要计算公式:1.人体冷负荷:由显热散热造成的冷负荷 = 群集系数计算时刻空调房间的总人数一名成年男子小时的显热散热量人体显热散热量的冷负荷系数由潜热散热造成的冷负荷 = 群集系数计算时刻空调房间的总人数一名成年男子小时的潜热散热量人体潜热散热量的冷负荷系数2.人体湿负荷:湿负荷 = 0.001 群集系数空调房间人数一名成年男子小时散湿量3.灯光冷负荷:白炽灯和镇流器在空调房间外的荧光灯的冷负荷 = 1000 同时使用系数照明设备的安装功率照明散热的冷负荷系数镇流器装在空调房间内的荧光灯的冷负荷 = 1200 同时使用系数照明设备的安装功率照明散热的冷负荷系数暗装在吊顶玻璃罩内的荧光灯的冷负荷 = 1000 反射通风系数照明设备的安装功率照明散热的冷负荷系数其它冷负荷 = 1000 照明实际散热量照明散热量的冷负荷系数4.设备冷负荷:电热设备冷负荷 = 1000 同时使用系数利用系数小时平均实耗功率与设计最大功率之比通风保温系数设备安装总功率设备器具散热的冷负荷系数电动机和工艺设备均在空调房间内的冷负荷 = 1000 同时使用系数输入功率系数设备安装总功率设备器具散热的冷负荷系数只有电动机在空调房间内的冷负荷 = 1000 同时使用系数输入功率系数设备安装总功率1 - 电动机效率设备器具散热的冷负荷系数只有工艺设备在空调房间的冷负荷 = 1000 同时使用系数输入功率系数设备安装总功率电动机效率设备器具散热的冷负荷系数其它冷负荷 = 1000 设备散热量设备散热量的冷负荷系数5.新风冷负荷:新风全冷负荷 = md 新风量 iw - in / 3.6其中: md -- 夏季空调室外计算干球温度下的空气密度1.13kg/m^3 iw -- 夏季室外计算参数下的焓值kJ/kgin -- 室内空气的焓值kJ/kg6.新风湿负荷:新风湿负荷 = md 新风量 dw - dn 0.001 kg/h其中: dw -- 夏季空调室外计算参数时的含湿量g/kgdn -- 室内空气的含湿量g/kg7.渗透冷负荷: 计算方法同新风冷负荷8.渗透湿负荷: 计算方法同新风湿负荷9.外墙和屋面冷负荷:冷负荷 CL = F K tl + td Ka - tn其中: F -- 外墙或屋面的面积K -- 外墙或屋面的传热系数tl-- 冷负荷计算温度的逐时值td-- 温度的地点修正值; 单位:度Ka-- 温度的由于外表面放热系数不同引起的温度修正系数; 无因次tn-- 室内设计温度10.外窗和天窗冷负荷:该冷负荷可分为三部分: 直射冷负荷; 散射冷负荷; 传热冷负荷直射冷负荷 CL = Fz Cz Dj; max Ccl其中:Fz -- 窗玻璃的直射面积Cz -- 窗玻璃的综合遮挡系数Dj; max -- 日射得热因数的最大值Ccl -- 冷负荷系数散射冷负荷 CL = Fs Cz Dj; max Ccl其中:Fs -- 窗玻璃的散射面积传热冷负荷 CL = F K tl' - tn11.内围护结构冷负荷: <注:内围护结构包括: 内门; 内窗; 内墙; 楼板>冷负荷 CL = F K Tls其中 Tls -- 邻室温差。
空调冷负荷计算公式一.基本气象参数:1.地理位置: 天津市天津2.台站位置: 北纬39.100 东经117.1603.夏季大气压: 1004.80 kPa4.夏季室外计算干球温度: 33.40 ℃夏季空调日平均: 29.20 ℃夏季计算日较差: 8.10℃5.夏季室外湿球温度: 26.90 ℃6.夏季室外平均风速: 2.60 m/s一、外墙和屋面传热冷负荷计算公式外墙或屋面传热形成的计算时刻冷负荷Qτ(W),按下式计算:Qτ=KFΔtτ-ξ(1.1)式中F—计算面积,㎡;τ—计算时刻,点钟;τ-ξ—温度波的作用时刻,即温度波作用于外墙或屋面外侧的时刻,点钟;Δtτ-ξ—作用时刻下,通过外墙或屋面的冷负荷计算温差,简称负荷温差,℃。
注:例如对于延迟时间为5小时的外墙,在确定16点房间的传热冷负荷时,应取计算时刻τ=16,时间延迟为ξ=5,作用时刻为τξ=16-5=11。
这是因为计算16点钟外墙内表面由于温度波动形成的房间冷负荷是5小时之前作用于外墙外表面温度波动产生的结果。
当外墙或屋顶的衰减系数β<0.2时,可用日平均冷负荷Qpj代替各计算时刻的冷负荷Qτ:Qpj=KFΔtpj(1.2)式中Δtpj—负荷温差的日平均值,℃。
二、外窗的温差传热冷负荷通过外窗温差传热形成的计算时刻冷负荷Qτ按下式计算:Qτ=KFΔtτ (2.1)式中Δtτ—计算时刻下的负荷温差,℃;K—传热系数。
三、外窗太阳辐射冷负荷透过外窗的太阳辐射形成的计算时刻冷负荷Qτ,应根据不同情况分别按下列各式计算:1.当外窗无任何遮阳设施时Qτ=FCsCaJwτ (3.1)式中Jwτ—计算时刻下太阳总辐射负荷强度,W/㎡;2.当外窗只有内遮阳设施时Qτ=FCsCaCnJwτ (3.2)式中Jwτ—计算时刻下太阳总辐射负荷强度,W/㎡;3.当外窗只有外遮阳板时Qτ=[F1Jnτ+FJnnτ]CsCa (3.3)注:对于北纬27度以南地区的南窗,可不考虑外遮阳板的作用,直接按式(3.1)计算。
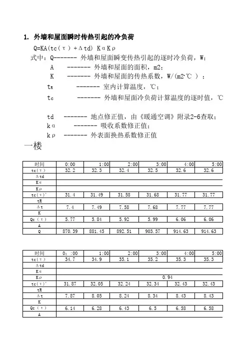
1. 外墙和屋面瞬时传热引起的冷负荷Q=KA(tc(τ)+Δtd) KαKρ式中:Q------- 外墙和屋面瞬变传热引起的逐时冷负荷,W;A ------- 外墙和屋面的面积,m2;K ------- 外墙和屋面的传热系数,W/(m2·℃ ) ;t R ------- 室内计算温度,℃;t c ------- 外墙和屋面冷负荷计算温度的逐时值,℃;td ------- 地点修正值,由《暖通空调》附录2-6查取;kα ------- 吸收系数修正值;kρ ------- 外表面换热系数修正值一楼二楼时间0::001:002:003:004:005:00 tc(τ)43.744.344.8454544.9ΔtdKαKρtc(τ)'41.17241.73642.20642.39442.39442.3 tRΔt17.17217.73618.20618.39418.39418.3 KQc(τ)8.5868.8689.1039.1979.1979.15 AQ6449.86661.646838.176908.796908.796873.48时间0::001:002:003:004:005:00 tc(τ)32.232.332.432.532.632.6ΔtdKαKρtc(τ)'31.431.4931.5831.6831.7731.77 tRΔt7.47.497.587.687.777.77 KQc(τ) 5.77 5.84 5.92 5.99 6.06 6.06 AQ908.19919.74931.28942.82954.37954.37时间0::001:002:003:004:005:00 tc(τ)34.734.935.135.235.335.3ΔtdKαKρtc(τ)'31.8732.0532.2432.3432.4332.43 tRΔt7.878.058.248.348.438.43 KQc(τ) 6.14 6.28 6.43 6.5 6.58 6.58 AQ1158.51186.191213.881227.721241.571241.57时间0::001:002:003:004:005:00 tc(τ)36.636.937.237.437.637.8ΔtdKα0.94Kρtc(τ)'34.8735.1635.4435.6335.8136 tRΔt10.8711.1611.4411.6311.8112 KQc(τ)8.488.78.929.079.219.36 AQ496.69509.57522.45531.04539.63548.21时间0::001:002:003:004:005:00tc(τ)37.537.637.739.237.737.6ΔtdKαKρtc(τ)'35.7235.8135.9137.3235.9135.81 tRΔt11.7211.8111.9113.3211.9111.81KQc(τ)9.149.219.2910.399.299.21 AQ311.82314.32316.82354.34316.82314.322. 外玻璃窗瞬时传热引起的冷负荷Qc(τ) = cw Kw Aw ( tc(τ) + td - tR)式中 :Qc(τ) -------外玻璃窗瞬变传热引起的冷负荷,W;Kw ------- 外玻璃窗传热系数,W/(m2·℃ ),Kw =3.61 W/(m2·℃ ) Aw ------- 窗口面积,m2;tc(τ) ------- 外玻璃窗的冷负荷温度的逐时值,℃,由《暖通空调》附录2-10查得;cw ------- 玻璃窗传热系数的修正值;由《暖通空调》附录2-9查得,单层金属窗框 cw=1.0一楼时间0::001:002:003:004:005:00tc(τ)27.226.726.225.825.525.3ΔtdtRΔt 4.2 3.7 3.2 2.8 2.5 2.3KwQc(τ)15.1713.3611.5610.119.038.31 AQ1073.15945.4817.64715.44638.78587.68二楼时间0::001:002:003:004:005:00tc(τ)27.226.726.225.825.525.3ΔtdtRΔt 4.2 3.7 3.2 2.8 2.5 2.3KwQc(τ)15.1713.3611.5610.119.038.31 AQ1171.461032892.54780.97697.3641.513.透过玻璃窗的日射得热引起的冷负荷Qc(τ) = Cα Aw Cs Ci Djmax CLQ式中 :Cα------- 有效面积系数,由《暖通空调》附录2-15查得;A w------- 窗口面积,m2;C s------- 窗玻璃的遮阳系数,由《暖通空调》附录2-13查得;C i------- 窗内遮阳设施的遮阳系数,由《暖通空调》附录2-14查得;Djmax-------日射得热因数,由《暖通空调》附录2-12查得30纬度带的日 C LQ------- 窗玻璃冷负荷系数,无因次一楼时间0::001:002:003:004:005:00C lQ0.120.110.110.10.090.09DjmaxCc,sQc(τ) 5.93 5.44 5.44 4.95 4.45 4.45 ACaQ122.57112.35112.35102.1491.9391.93时间0::001:002:003:004:005:00C lQ0.070.070.060.060.060.05DjmaxCc,sQc(τ) 5.24 5.24 4.49 4.49 4.49 3.74CaQ144.24144.24123.63123.63123.63103.03时间0::001:002:003:004:005:00C lQ0.080.070.070.060.060.06DjmaxCc,sQc(τ)18.5416.2216.2213.9113.9113.916.48ACaQ90.1178.8578.8567.5867.5867.58二楼时间0::001:002:003:004:005:00C lQ0.120.110.110.10.090.09DjmaxCc,sQc(τ) 5.93 5.44 5.44 4.95 4.45 4.45 ACaQ122.57112.35112.35102.1491.9391.93时间0::001:002:003:004:005:00C lQ0.070.070.060.060.060.05DjmaxCc,sQc(τ) 5.24 5.24 4.49 4.49 4.49 3.74 ACaQ144.24144.24123.63123.63123.63103.03时间0::001:002:003:004:005:00C lQ0.080.070.070.060.060.06DjmaxCc,sQc(τ)18.5416.2216.2213.9113.9113.91CaQ 120.15105.13105.1390.1190.1190.11时间0::001:002:003:004:005:00C lQ 0.060.050.050.050.040.04Djmax Cc,s Qc(τ)13.9111.5911.5911.599.279.27A CaQ 45.0637.5537.5537.5530.0430.04式中:q s ------- 不同室温和劳动性质成年男子显热散热量Q c(τ) =q s n φC LQ人体显热散热形成的冷负荷式中:q l -------不同室温和劳动性质成年男子潜热散热量, W;Qc= q l n φ人体潜热散热引起的冷负荷 C LQ ------- 人体显热散热冷负荷系数,由《暖通空调》附录2-23 φ------- 群集系数,由《暖通空调》表2-12查得;4.人体散热形成的冷负荷Q=Qc(τ) + Q c=1*70*60*0.9+112*60*0.9=9828WQ=5*(751.2*2+4.5*6)+15*60=8547W5. 照明散热形成的冷负荷这里简化为稳态计算n,φ-------同式5-6-1 n ------- 室内全部人数;Q=1000n1n2n3N/ŋ6.设备散热形成的冷负荷τη其中 n1=0.8, n2=0.4,n3 =0.65, ŋ=90﹪,N=1804KWQ=0.8*0.4*0.65*1804*1000/0.9=416924W7.地面散热形成的冷负荷A=(8*5.7+0.6)*2*2+16*2+3.15*2+3.6*2=230.3Q=230.3*0.35*(30.4-24)=515.88W一楼时间0::001:002:003:004:005:00北外墙870.39881.45892.51903.57914.63914.63南外墙1042.541067.461092.371104.831117.291117.29西外墙404.48414.97425.46432.45439.44446.43东外墙120.94121.91122.88137.43122.88121.91外窗1073.15945.4817.64715.44638.78587.68北窗日射得热122.57112.35112.35102.1491.9391.93南窗日射得热144.24144.24123.63123.63123.63103.03西窗日射得热90.1178.8578.8567.5867.5867.58地面515.88515.88515.88515.88515.88515.88总计4384.34282.514181.574102.954032.043966.36二楼时间0::001:002:003:004:005:00北外墙908.19919.74931.28942.82954.37954.37南外墙1158.51186.191213.881227.721241.571241.57西外墙496.69509.57522.45531.04539.63548.21东外墙311.82314.32316.82354.34316.82314.32外窗1171.461032892.54780.97697.3641.51北窗日射得热122.57112.35112.35102.1491.9391.93南窗日射得热144.24144.24123.63123.63123.63103.03西窗日射得热120.15105.13105.1390.1190.1190.11东窗日射得热45.0637.5537.5537.5530.0430.04屋面6449.86661.646838.176908.796908.796873.48总计10928.4811022.7311093.811099.1110994.1910888.57时间0::001:002:003:004:005:00一楼4098.723996.933895.993817.373746.463680.78二楼10928.4811022.7311093.811099.1110994.1910888.57人员982898289828982898289828照明854785478547854785478547设备416924416924416924416924416924416924总计450326.2450318.7450288.8450215.5450039.7449868.4最大冷负荷出现在13:00时,其值为456368.3W则面积冷指标为 456368.3÷1529.4=298.4W/m2) ;时值,℃;由《暖通空调》附录2-4和附录2-5查取;;1.21-0.8169.9211屋面6:007:008:009:0010:0011:0012:00 44.54443.442.741.941.140.20.110.9441.92441.45440.8940.23239.4838.72837.8822417.92417.45416.8916.23215.4814.72813.8820.58.9628.7278.4458.1167.747.364 6.941751.26732.256555.726343.886096.745814.295531.845214.08北外墙6:007:008:009:0010:0011:0012:00 32.732.632.632.532.532.432.21.210.9431.8731.7731.7731.6831.6831.5831.4247.877.777.777.687.687.587.40.786.14 6.06 6.06 5.99 5.99 5.92 5.77157.43965.91954.37954.37942.82942.82931.28908.19南外墙6:007:008:009:0010:0011:0012:00 35.335.335.235.134.934.834.6-0.810.9432.4332.4332.3432.2432.0531.9631.77248.438.438.348.248.057.967.770.786.58 6.58 6.5 6.43 6.28 6.21 6.06188.82 1241.571241.571227.721213.881186.191172.351144.66西外墙6:007:008:009:0010:0011:0012:00 37.937.937.937.837.737.537.30.510.9436.136.136.13635.9135.7235.532412.112.112.11211.9111.7211.530.789.439.439.439.369.299.148.9958.56552.51552.51552.51548.21543.92535.33526.74东外墙6:007:008:009:0010:0011:0012:0037.537.437.337.136.836.636.90.510.9435.7235.1635.5335.3435.0634.8735.162411.7211.1611.5311.3411.0610.8711.160.789.148.78.998.858.638.488.734.11311.82296.81306.82301.82294.31289.31296.81 1 W/(m2·℃ )6:007:008:009:0010:0011:0012:0025.42626.927.92929.930.81242.433.94.96 6.97.83.618.6710.8414.0917.721.6724.9228.1770.74613.23766.54996.51252.011533.081763.0419936:007:008:009:0010:0011:0012:0025.42626.927.92929.930.81242.433.94.96 6.97.83.618.6710.8414.0917.721.6724.9228.1777.22669.4836.761087.781366.71673.511924.542175.57;14查得;带的日射得热因数;北窗6:007:008:009:0010:0011:0012:000.590.540.540.650.750.810.831150.4329.1826.726.732.1437.0940.0541.0427.540.75602.62551.55551.55663.9766.04827.33847.75南窗6:007:008:009:0010:0011:0012:000.110.180.260.40.580.720.841740.438.2313.4719.4529.9343.453.8762.850.75226.66370.9535.74824.221195.111483.591730.86西窗6:007:008:009:0010:0011:0012:00 0.080.110.140.170.180.190.25390.4318.5425.4932.4539.441.7244.0446.356.480.7590.11123.9157.7191.49202.75214.02225.28北窗6:007:008:009:0010:0011:0012:00 0.590.540.540.650.750.810.831150.4329.1826.726.732.1437.0940.0541.0427.540.75602.62551.55551.55663.9766.04827.33847.75南窗6:007:008:009:0010:0011:0012:00 0.110.180.260.40.580.720.841740.438.2313.4719.4529.9343.453.8762.8536.720.75226.66370.9535.74824.221195.111483.591730.86西窗6:007:008:009:0010:0011:0012:00 0.080.110.140.170.180.190.25390.4318.5425.4932.4539.441.7244.0446.350.75120.15165.21210.26255.32270.34285.36300.37东窗6:007:008:009:0010:0011:0012:000.470.680.820.790.590.380.245390.43108.93157.6190.05183.1136.7488.0755.624.320.75352.94510.64615.77593.24443.05285.36180.22 -23各分项逐时冷负荷汇总表6:007:008:009:0010:0011:0012:00 925.7914.63914.63903.57903.57892.51870.39 1117.291117.291104.831092.371067.4610551030.08 449.93449.93511.07507.1503.13495.18487.24 120.94115.12119117.06114.15112.21115.12 613.23766.54996.51252.011533.081763.041993 602.62551.55551.55663.9766.04827.33847.75 226.66370.9535.74824.221195.111483.591730.86 90.11123.9157.7191.49202.75214.02225.28 515.88515.88515.88515.88515.88515.88515.88 4662.364925.745406.96067.66801.177358.767815.66:007:008:009:0010:0011:0012:00 965.91954.37954.37942.82942.82931.28908.19 1241.571241.571227.721213.881186.191172.351144.66 552.51552.51552.51548.21543.92535.33526.74 311.82296.81306.82301.82294.31289.31296.81 669.4836.761087.781366.71673.511924.542175.57 602.62551.55551.55663.9766.04827.33847.75 226.66370.9535.74824.221195.111483.591730.86 120.15165.21210.26255.32270.34285.36300.37 352.94510.64615.77593.24443.05285.36180.22 6732.256555.726343.886096.745814.295531.845214.08 11775.8312036.0412386.412806.8513129.5813266.2913325.25总的汇总表6:007:008:009:0010:0011:0012:00 4376.784640.165121.325782.026515.597073.187530.02 11775.8312036.0412386.412806.8513129.5813266.2913325.259828982898289828982898289828 8547854785478547854785478547 416924416924416924416924416924416924416924 451451.6451975.2452806.7453887.9454944.2455638.5456154.313:0014:0015:0016:0017:0018:0019:00 39.538.938.538.338.438.839.437.22436.6636.28436.09636.1936.56637.13 13.22412.6612.28412.09612.1912.56613.13 6.612 6.33 6.142 4.8384 4.876 5.0264 5.2524966.934755.14613.873634.613662.853775.833945.313:0014:0015:0016:0017:0018:0019:00 32.13231.931.831.831.831.831.331.2131.1131.0231.0231.0231.027.37.217.117.027.027.027.025.7 5.62 5.55 5.48 5.48 5.48 5.48 896.65885.11873.57862.02862.02862.02862.0213:0014:0015:0016:0017:0018:0019:00 34.434.23433.933.833.833.931.5831.431.2131.1131.0231.0231.117.587.47.217.117.027.027.115.92 5.77 5.62 5.55 5.48 5.48 5.55 1116.971089.281061.591047.751033.91033.91047.7513:0014:0015:0016:0017:0018:0019:00 37.136.936.636.436.236.1360.94 35.3435.1634.8734.6934.534.434.3111.3411.1610.8710.6910.510.410.318.858.78.488.348.198.128.04 518.16509.57496.69488.1479.52475.22470.9313:0014:0015:0016:0017:0018:0019:00 36.236.136.136.236.336.436.634.534.434.434.534.5934.2234.4 10.510.410.410.510.5910.2210.4 8.198.128.128.198.267.978.12 279.31276.81276.81279.31281.81271.8276.8113:0014:0015:0016:0017:0018:0019:00 31.531.932.232.23231.630.88.58.99.29.298.67.8 30.732.1533.2333.2332.5131.0628.17 2171.862274.062350.722350.722299.622197.41199313:0014:0015:0016:0017:0018:0019:00 31.531.932.232.23231.630.88.58.99.29.298.67.8 30.732.1533.2333.2332.5131.0628.17 2370.812482.382566.052566.052510.272398.72175.5713:0014:0015:0016:0017:0018:0019:00 0.830.790.710.60.610.680.1741.0439.0735.1129.6730.1633.638.41 847.75806.9725.19612.83623.05694.55173.6413:0014:0015:0016:0017:0018:0019:00 0.80.620.450.320.240.160.159.8646.3933.6723.9417.9611.977.481648.431277.54927.24659.37494.53329.69206.0513:0014:0015:0016:0017:0018:0019:000.340.560.720.830.770.530.11 78.8129.79166.87192.37178.46122.8425.496.48 382.98630.79811.01934.91867.33596.99123.913:0014:0015:0016:0017:0018:0019:000.830.790.710.60.610.680.17 41.0439.0735.1129.6730.1633.638.41 847.75806.9725.19612.83623.05694.55173.6413:0014:0015:0016:0017:0018:0019:000.80.620.450.320.240.160.159.8646.3933.6723.9417.9611.977.48 1648.431277.54927.24659.37494.53329.69206.0513:0014:0015:0016:0017:0018:0019:000.340.560.720.830.770.530.11 78.8129.79166.87192.37178.46122.8425.49510.64841.051081.351246.551156.44795.99165.2113:0014:0015:0016:0017:0018:0019:00 0.240.230.210.180.150.110.0855.6253.3148.6741.7234.7725.4918.54 180.22172.72157.7135.17112.6482.660.07表13:0014:0015:0016:0017:0018:0019:00 859.32848.26837.2826.14826.14826.14826.14 1005.17980.25955.33942.87930.41930.41942.87 479.3471.35459.44451.49443.55439.58435.61 108.33107.36107.36108.33109.3105.42107.36 2171.862274.062350.722350.722299.622197.411993847.75806.9725.19612.83623.05694.55173.64 1648.431277.54927.24659.37494.53329.69206.05 382.98630.79811.01934.91867.33596.99123.9 515.88515.88515.88515.88515.88515.88515.88 8019.027912.397689.377402.547109.816636.075324.4513:0014:0015:0016:0017:0018:0019:00 896.65885.11873.57862.02862.02862.02862.02 1116.971089.281061.591047.751033.91033.91047.75 518.16509.57496.69488.1479.52475.22470.93 279.31276.81276.81279.31281.81271.8276.81 2370.812482.382566.052566.052510.272398.72175.57 847.75806.9725.19612.83623.05694.55173.64 1648.431277.54927.24659.37494.53329.69206.05 510.64841.051081.351246.551156.44795.99165.21 180.22172.72157.7135.17112.6482.660.07 4966.934755.14613.873634.613662.853775.833945.3 13335.8713096.4612780.0611531.7611217.0310720.39383.3513:0014:0015:0016:0017:0018:0019:00 7733.447626.817403.797116.966824.236350.495038.87 13335.8713096.4612780.0611531.7611217.0310720.39383.359828982898289828982898289828 8547854785478547854785478547 416924416924416924416924416924416924416924 456368.3456022.3455482.9453947.7453340.3452369.8449721.220:0021:0022:0023:00 40.241.14242.937.88238.72839.57440.42 13.88214.72815.57416.42 5.5528 5.8912 6.2296 6.5684171.264425.474679.684933.8820:0021:0022:0023:0031.831.93232.131.0231.1131.2131.37.027.117.217.35.48 5.55 5.62 5.7862.02873.57885.11896.6520:0021:0022:0023:003434.134.334.531.2131.331.4931.687.217.37.497.685.62 5.7 5.84 5.991061.591075.441103.121130.8120:0021:0022:0023:0035.93636.136.3.9434.2234.3134.434.5910.2210.3110.410.597.978.048.128.26 466.63470.93475.22483.8120:0021:0022:0023:00 36.83737.237.335.0635.2535.4435.53 11.0611.2511.4411.53 8.638.788.928.99 294.31299.32304.32306.8220:0021:0022:0023:00 29.929.128.427.86.9 6.1 5.4 4.8 24.9222.0319.517.34 1763.041558.631379.771226.4620:0021:0022:0023:00 29.929.128.427.86.9 6.1 5.4 4.8 24.9222.0319.517.34 1924.541701.41506.161338.8120:0021:0022:0023:00 0.160.150.140.137.917.42 6.92 6.43 163.42153.21142.99132.7820:0021:0022:0023:00 0.090.090.080.086.73 6.73 5.99 5.99185.45185.45164.84164.8420:0021:0022:0023:000.10.090.090.0823.1820.8620.8618.54 .48112.64101.38101.3890.1120:0021:0022:0023:000.160.150.140.137.917.42 6.92 6.43163.42153.21142.99132.7820:0021:0022:0023:000.090.090.080.086.73 6.73 5.99 5.99185.45185.45164.84164.8420:0021:0022:0023:000.10.090.090.0823.1820.8620.8618.54150.19135.17135.17120.1520:0021:0022:0023:00 0.070.070.060.0616.2216.2213.9113.91 52.5752.5745.0645.0620:0021:0022:0023:00 826.14837.2848.26859.32 955.33967.79992.711017.62 431.64435.61439.58447.52 114.15116.09118.03119 1763.041558.631379.771226.46 163.42153.21142.99132.78 185.45185.45164.84164.84 112.64101.38101.3890.11 515.88515.88515.88515.88 5067.694871.244703.444573.5320:0021:0022:0023:00 862.02873.57885.11896.65 1061.591075.441103.121130.81 466.63470.93475.22483.81 294.31299.32304.32306.82 1924.541701.41506.161338.81 163.42153.21142.99132.78 185.45185.45164.84164.84 150.19135.17135.17120.15 52.5752.5745.0645.06 4171.264425.474679.684933.88 9331.989372.539441.679553.6120:0021:0022:0023:00 4782.114585.664417.864287.95 9331.989372.539441.679553.619828982898289828 8547854785478547 416924416924416924416924 449413.1449257.2449158.5449140.6。
一、制冷负荷计算1、设计参数2、冷间内各项冷负荷计算 (1)维护结构传入热Q1 根据公式:)(n w t t a F K Q -∙∙=式中 K —维护结构传热系数,单位W/㎡·K ;F —维护结构传热面积,㎡;a —维护结构两侧温差修正系数,查《制冷装置设计》表2-2-2可得;t w —维护结构外侧计算温度℃,当计算外墙、顶棚时,按规定值取;当计算内墙地坪时,按邻室温度规定值取; t n —冷间设计温度℃。
(2)货物放热量Q 2()()()()2'n 21'321b '321'2d 2c 2b 2a 2q G -G 2q q G 10t t BC G 10h h G Q Q Q Q Q +++⨯-+⨯-=+++=ττ式中 Q 2a —食品放热量;Q 2b —食品包装材料和承载工具的热量; Q 2c —食品冷加工过程的呼吸热; Q 2d —食品冷藏过程中的呼吸热;G ′—冷间每天进货量(kg );G ′=72000kg h 1、h 2—货物进出冷间的焓值kJ/kg ;τ—货物冷加工时间,s ;本次设计中设置货物冷加工时间为24小时 B —货物包装材料和运载工具的重量系数; C b —包装材料或运载工具的比热,kJ/kg ·K ; t 1—包装材料或运载工具进入冷间时的温度,℃;t 2—包装材料或运载工具在冷间内降温终止时的温度一般为库房设计温度,℃; q 1、q 2—鲜果冷却初始、终止温度时的呼吸热,W/t ; G n —冷却物冷藏间的最大冷藏量,kg ,G n =900000kg 。
冷藏间:Q 21=80.2Kw+3.2Kw+6.1Kw+15.7Kw=105.2Kw(3)通风换气冷负荷Q3式中:hn ,hw—室内外空气的焓值,kJ/kg;n—每日换气次数,取2次;V—冷间内的净容积,m3;ρn—冷间内空气密度,kg/ m3。
(4)电动机运行产生的冷负荷Q4式中:P—电动机的额定功率(KW);ζ—热转化系数,电动机在冷间内时取1,在冷间外取0.75;ρ—电动机运转时间系数,对冷风机配用的电动机取1,对冷间内其他设备用电动机可按使用情况取值。
冷负荷的计算方法冷负荷是指建筑物或空调系统需要排除室内的热量或冷量,以维持室内舒适温度的能力。
冷负荷的计算对于设计和选择合适的冷却设备、空调系统以及确定合理的建筑设计方案非常重要。
在计算冷负荷时,冷负荷系数法是一种常见且精确的方法。
冷负荷系数法是将建筑物的冷负荷按照不同的部位划分,并根据室内外环境的条件、建筑物的特点和使用功能来确定系数,最后将每个部位的负荷与系数相乘得到最终的冷负荷值。
下面是冷负荷系数法的具体计算步骤:1.确定建筑物的使用功能:根据建筑物的用途(例如住宅、办公、商业等),确定建筑物的使用功能,以便进一步确定系数。
2.划分冷负荷部位:将建筑物划分为不同的部位,例如外墙、屋顶、地板、窗户、门等。
每个部位的冷负荷会有所不同,因此需要进行单独计算。
3.确定冷负荷系数:根据各个部位的特点和使用功能,确定冷负荷系数。
常见的冷负荷系数包括外墙的日射热系数、窗户的透光系数、屋顶和地板的导热系数等。
4.计算每个部位的冷负荷:根据部位的特点和系数,计算每个部位的冷负荷。
例如,对于一个外墙部位,可以通过测量外墙的面积、材料的导热系数和环境条件(例如太阳辐射的强度)来计算日射热量。
5.汇总冷负荷:将每个部位的冷负荷相加得到总的冷负荷值。
根据建筑物的大小和复杂程度,可能需要进行多次计算和调整才能得到准确的结果。
需要注意的是,冷负荷系数法是一种近似计算方法,其结果可能与实际情况存在一定的差异。
因此,在进行冷负荷计算时,建议根据实际情况和经验进行适当的调整。
总之,冷负荷系数法是一种常用且精确的计算方法,可以帮助设计师和工程师确定合适的冷却设备和空调系统,并为建筑物的舒适性和能效提供支持。
通过合理的冷负荷计算,可以提高建筑物的热效应和能源利用效率,减少能源浪费,为可持续发展做出贡献。
一、制冷负荷计算1、设计参数2、冷间内各项冷负荷计算 (1)维护结构传入热Q1 根据公式:)(n w t t a F K Q -∙∙=式中 K —维护结构传热系数,单位W/㎡·K ;F —维护结构传热面积,㎡;a —维护结构两侧温差修正系数,查《制冷装置设计》表2-2-2可得;t w —维护结构外侧计算温度℃,当计算外墙、顶棚时,按规定值取;当计算内墙地坪时,按邻室温度规定值取; t n —冷间设计温度℃。
2()()()()2'n 21'321b '321'2d 2c 2b 2a 2q G -G 2q q G 10t t BC G 10h h G Q Q Q Q Q +++⨯-+⨯-=+++=ττ式中 Q 2a —食品放热量;Q 2b —食品包装材料和承载工具的热量; Q 2c —食品冷加工过程的呼吸热; Q 2d —食品冷藏过程中的呼吸热;G ′—冷间每天进货量(kg );G ′=72000kgh 1、h 2—货物进出冷间的焓值kJ/kg ;τ—货物冷加工时间,s ;本次设计中设置货物冷加工时间为24小时 B —货物包装材料和运载工具的重量系数; C b —包装材料或运载工具的比热,kJ/kg ·K ; t 1—包装材料或运载工具进入冷间时的温度,℃;t 2—包装材料或运载工具在冷间内降温终止时的温度一般为库房设计温度,℃; q 1、q 2—鲜果冷却初始、终止温度时的呼吸热,W/t ; G n —冷却物冷藏间的最大冷藏量,kg ,G n =900000kg 。
冷藏间:Q 21=80.2Kw+3.2Kw+6.1Kw+15.7Kw=105.2Kw3式中:h n ,h w —室内外空气的焓值,kJ/kg ;n —每日换气次数,取2次; V —冷间内的净容积,m 3; ρn —冷间内空气密度,kg/ m 3。
4 式中:P —电动机的额定功率(KW );ζ—热转化系数,电动机在冷间内时取1,在冷间外取0.75;ρ—电动机运转时间系数,对冷风机配用的电动机取1,对冷间内其他设备用电动机可按使用情况取值。
第三章冷负荷计算第一节围护结构冷负荷计算在空调工程设计中,存在两中冷负荷计算的计算方法:一为谐波反应法(负荷温差法),一为冷负荷系数法。
冷负荷系数法是在传递函数的基础上为便于在工程中进行手算而建立起来的一种简化计算法。
通过冷负荷温度与冷负荷系数直接从各种扰量值求得各分项逐时冷负荷。
谐波反应法(负荷温差法)计算的冷负荷的形成包括两个过程:一是由于外扰(室外综合温度)形成室内得热量的过程(既内扰量)。
此一过程考虑外扰的周期性以及围护结构对外扰量的衰减和延迟性。
二是内扰量形成冷负荷的过程。
此一过程是将该热扰量分成对流和辐射两个成分。
前者是瞬时冷负荷的一部分,后者则要考虑房间总体蓄热作用后才化为瞬时冷负荷。
两部分叠加即得各计算时刻的冷负荷。
本设计才用谐波反应法的工程简化计算方法进行冷负荷计算。
一.外墙和屋顶冷负荷计算参考文献【4】,计算公式2–58:CLQτ=KFΔtτ-ε式中:τ—计算时间h。
ε—围护结构表面受到周期为24小时谐波作用,温度波传到内表面的时间延迟h.。
τ-ε—温度波的作用时间,即温度波作用于围护结构内表面的时间h。
K—围护结构传热系数W/m2KF—围护结构的面积m2现以第一层商场为例进行围护结构冷负荷的计算。
由第二章可知道外墙的夏季热工指标,K=1.49W/m2K,衰减系数β=0.15,衰减度ν=38.6 ,延时时间ε=12.7h。
从附录2–11查得扰量作用时刻τ-ε时的重庆市各个朝向围护结构负荷温差的逐时值Δtτ-ε,即可按上面的公式算出外围护结构的逐时冷负荷,计算结果列入表3–1中。
二.外窗冷负荷计算外窗的冷负荷包括瞬变得热形成的冷负荷和日射得热形成的冷负荷,现分开计算。
1.窗户瞬变得热形成的冷负荷,查参考文献【4】公式2–60 CLQ c•τ =KFΔtτ式中:Δtτ计算时刻的负荷温差℃,查附录2–12。
将第一层商场各个朝向窗户的瞬变得热形成的冷负荷计算结果列入表3–2中第一层商场外墙冷负荷计算表表3–1表3–22.窗户日射得热形成的冷负荷,查参考文献【4】公式2–61 CLQ jτ=x g x d C n C s FJ jτ式中:x g—窗户的有效面积系数,对于单层玻璃钢窗,x g取0.85。
第二章空调负荷的计算第一节主要设计参数一、室外气象参数地点:武汉纬度:30° 37' 海拔:23.3m冬季大气压力:102.33KPa冬季空调室外计算温度:-5 C冬季空调室外计算相对湿度:76%夏季大气压力:100.17KPa夏季空调室外空气计算温度:35.2 C 夏季空调室外空气计算湿球温度:28.2 C 夏季空调室外空气计算日平均温度:31.9 C夏季平均日较差:6.3 C夏季室外平均风速:2.7m/s二、室内设计参数第二节冷负荷的计算空调房间的冷负荷包括建筑围护结构传入室内热量(这其中包括太阳辐射进入的热量和室内外空气温差经围护结构传入的热量)所形成的冷负荷, 另外还要有人体散热形成的冷负荷, 以及灯光照明散热形成的冷负荷和其它设备散热形成的冷负荷。
由于室内外温差和太阳辐射热的作用, 通过围护结构传入室内的热量形成的冷负荷和室外气象参数( 太阳辐射热,室内外温度), 围护结构和房间的热工性能有关。
传入室内的热量并不一定立即成为室内冷负荷。
其中对流形成的得热量立即变成室内冷负荷,辐射部分的得热量经过室内围护结构的吸热—放热后,有时间的衰减和数量上的延迟。
因此,必须采用相应的冷负荷系数。
本设计中采用的是冷负荷系数法。
一、具体计算步骤主要应用的公式如下:(1) 外墙和屋面瞬变传热引起的冷负荷Q C(T) =AK(tc(T)—tR) WQ C(T)――外墙和屋面瞬变传热引起的冷负荷的逐时值;K-围护结构传热系数,W/卅.K;F—围护结构计算面积,卅;tR ――室内计算温度。
C;tC ( T )—外墙和屋面冷负荷计算温度的逐时值。
( 2 )、窗户A窗户瞬变传导得热形成的冷负荷Q C(T)=K W F W(tc (T)— tR) WQ C(T)――外墙和屋面瞬变传热引起的冷负荷的逐时值;Kw —外玻璃窗传热系数,W/m2・K;Fw—窗口计算面积,m2;tR ――室内计算温度。
C;tc ( T )—外玻璃窗冷负荷计算温度的逐时值。
1、冷负荷计算(一)外墙的冷负荷计算通过墙体、天棚的得热量形成的冷负荷,可按下式计算:CLQτ=KF⊿tτ-ε W式中K——围护结构传热系数,W/m2•K;F——墙体的面积,m2;β——衰减系数;ν——围护结构外侧综合温度的波幅与内表面温度波幅的比值为该墙体的传热衰减度;τ——计算时间,h;ε——围护结构表面受到周期为24小时谐性温度波作用,温度波传到内表面的时间延迟,h;τ-ε——温度波的作用时间,即温度波作用于围护结构内表面的时间,h;⊿tε-τ——作用时刻下,围护结构的冷负荷计算温差,简称负荷温差。
(二)窗户的冷负荷计算通过窗户进入室内的得热量有瞬变传热得热和日射得热量两部分,日射得热量又分成两部分:直接透射到室内的太阳辐射热qt和被玻璃吸收的太阳辐射热传向室内的热量qα。
(a)窗户瞬变传热得形成的冷负荷本次工程窗户为一个框二层3.0mm厚玻璃,主要计算参数K=3.5 W/m2•K。
工程中用下式计算:CLQτ=KF⊿tτ W式中K——窗户传热系数,W/m2•K;F——窗户的面积,m2;⊿tτ——计算时刻的负荷温差,℃。
(b)窗户日射得热形成的冷负荷日射得热取决于很多因素,从太阳辐射方面来说,辐射强度、入射角均依纬度、月份、日期、时间的不同而不同。
从窗户本身来说,它随玻璃的光学性能,是否有遮阳装置以及窗户结构(钢、木窗,单、双层玻璃)而异。
此外,还与内外放热系数有关。
工程中用下式计算:CLQj•τ= xg xd Cs Cn Jj•τ W式中xg——窗户的有效面积系数;xd——地点修正系数;Jj•τ——计算时刻时,透过单位窗口面积的太阳总辐射热形成的冷负荷,简称负荷,W/m2;Cs——窗玻璃的遮挡系数;Cn——窗内遮阳设施的遮阳系数。
(三)外门的冷负荷计算当房间送风两大于回风量而保持相当的正压时,如形成正压的风量大于无正压时渗入室内的空气量,则可不计算由于门、窗缝隙渗入空气的热、湿量。
如正压风量较小,则应计算一部分渗入空气带来的热、湿量或提高正压风量的数值。
冷负荷计算公式一、外墙(立板)和屋面(吊顶)传热冷负荷计算公式Q=KF(tw+Δtpj-tn)Wtw—夏季空气调节室外计算日平均温度,℃Δtpj—考虑辐射附加温升温度,3℃tn—室内空调设计温度,℃K—传热系数F—传热面积所以:彩钢板传热量Q=S*30w/M2 (概算)公式一:电热设备和电动设备(电动机带动的工艺设备)的散量计算公式为: 电热工艺设备散热量qs=n1·n2·n3·n4·N 系数在0.0875-0.225 (7.2)电动机和工艺设备均在空调房间内的散发量qs=n1·n2·n3·N/η系数在(7.3)只有电动机在空调房间内的散热量qs= n1·n2·n3·N·(1-η) /η(7.4)只有工艺设备在空调房间内的散热量qs=n1·n2·n3·N (7.5)Q=N×n1×n2×n3×n4/η(W)Q-----工艺设备散热总量N-----设备的额定功率(安装功率KW);n1----安装系数,即最大实耗功率与安装功率之比,它反映了客定功率N的利用程度,一般为0.7~0.9 ;n2----同时使用系数,即房间内电动机同时使用的安装功率与总安装功率之比,根据工艺过程的设备使用情况而定,一般为0.5~1.0;n3---负荷系数,每小时的平均实耗功率与设计最大实耗功率之比,它反映了平均负荷达到一个新的水平最大负荷的程度,一般可取0.5左右;n4----考虑保温排风系数,一般可取0.5;无冷却排风取1.0。
η----电动机效率(一般取0.85);公式二:电热设备散热Q=P*a P为功率,a为冷负荷系数,一般取0.2-0.3;电动设备散热Q=P*a P为功率,a为冷负荷系数一般取0.3-0.45。
新风负荷:Q=G*1.2*空气焓差/3600(KW)查询空气焓湿图计算人体散热Q=N*230 W 按室内温度下轻劳动状态下散热量照明散热Q=S*15.6 W 按300照度15.6W计算发热还有考虑渗透及风机管道温升3%-5%。
空调总负荷计算公式
空调总负荷计算公式如下:
1. 制冷负荷=房间面积×空调匹数-开启时间。
2. 制热负荷=房间面积×空调匹数-开启时间。
3. 电负荷=房间面积×空调匹数。
4. 冷却水供回水温度差=制冷量(冷负荷-制热量)/供冷量。
5. 冷却水供回水温度差=房间面积×室温。
6. 冷却水供回水温度差=制冷量(冷负荷-制热量)/电功率。
7. 制冷量=制冷设备容量×每小时使用冷却水的次数。
此外,围护结构冷负荷计算公式为:CL=KF(),其中K为传热系数,一般由建筑节能计算给出,F为传热面积,tn为空调室内设计(计算)温度,为逐时冷负荷计算温度。
如需获取更具体的空调负荷计算方式,可以查阅关于空调负荷计算的书籍、资料或咨询专业的空调工程师,获取更全面的信息。
冷负荷计算方法1.外墙和屋面传热冷负荷计算公式外墙或屋面传热形成的计算时刻冷负荷Qτ(W),按下式计算:Qτ=K·F·Δtτ-ξ(1.1) 式中:F—计算面积,㎡;τ—计算时刻,点钟;τ-ξ—温度波的作用时刻,即温度波作用于外墙或屋面外侧的时刻,点钟;Δtτ-ξ—作用时刻下,通过外墙或屋面的冷负荷计算温差,简称负荷温差,℃。
注:例如对于延迟时间为5小时的外墙,在确定16点房间的传热冷负荷时,应取计算时刻τ=16,时间延迟为ξ=5,作用时刻为τξ=16-5=11。
这是因为计算16点钟外墙内表面由于温度波动形成的房间冷负荷是5小时之前作用于外墙外表面温度波动产生的结果。
当外墙或屋顶的衰减系数β<0.2时,可用日平均冷负荷Qpj代替各计算时刻的冷负荷Qτ:Qpj=K·F·Δtpj(1.2)Δtpj—负荷温差的日平均值,℃。
2.外窗的温差传热冷负荷通过外窗温差传热形成的计算时刻冷负荷Qτ按下式计算:Qτ=a·K·F·Δtτ(2.1) 式中:Δtτ—计算时刻下的负荷温差,℃;K—传热系数;a—窗框修正系数。
3.外窗太阳辐射冷负荷透过外窗的太阳辐射形成的计算时刻冷负荷Qτ,应根据不同情况分别按下列各式计算:[1].当外窗无任何遮阳设施时Qτ=F·Xg·Jwτ(3.1) 式中:Xg—窗的构造修正系数;Jwτ—计算时刻下,透过无遮阳设施玻璃太阳辐射的冷负荷强度,W/㎡。
[2].当外窗只有内遮阳设施时Qτ=F·Xg·Xz·Jnτ (3.2)Xz—内遮阳系数;Jnτ—计算时刻下,透过有内遮阳设施玻璃太阳辐射的冷负荷强度,W/㎡。
[3].当外窗只有外遮阳板时Qτ=[F1·Jwτ+(F-F1) ·Jwτ0] ·Xg(3.3)式中:F1—窗口受到太阳照射时的直射面积,㎡。
1.外墙和屋面传热冷负荷计算公式外墙或屋面传热形成的计算时刻冷负荷Qτ(W),按下式计算:Qτ=K·F·Δtτ-ξ(1.1)式中:F—计算面积,㎡;τ—计算时刻,点钟;τ-ξ—温度波的作用时刻,即温度波作用于外墙或屋面外侧的时刻,点钟;Δtτ-ξ—作用时刻下,通过外墙或屋面的冷负荷计算温差,简称负荷温差,℃。
注:例如对于延迟时间为5小时的外墙,在确定16点房间的传热冷负荷时,应取计算时刻τ=16,时间延迟为ξ=5,作用时刻为τξ=16-5=11。
这是因为计算16点钟外墙内表面由于温度波动形成的房间冷负荷是5小时之前作用于外墙外表面温度波动产生的结果。
当外墙或屋顶的衰减系数β<0.2时,可用日平均冷负荷Qpj代替各计算时刻的冷负荷Qτ:Qpj=K·F·Δtpj(1.2)式中:Δtpj—负荷温差的日平均值,℃。
2.外窗的温差传热冷负荷通过外窗温差传热形成的计算时刻冷负荷Qτ按下式计算:Qτ=a·K·F·Δtτ(2.1)式中:Δtτ—计算时刻下的负荷温差,℃;K—传热系数;a—窗框修正系数。
3.外窗太阳辐射冷负荷透过外窗的太阳辐射形成的计算时刻冷负荷Qτ,应根据不同情况分别按下列各式计算:[1].当外窗无任何遮阳设施时Qτ=F·Xg·Jwτ(3.1)式中:Xg—窗的构造修正系数;Jwτ—计算时刻下,透过无遮阳设施玻璃太阳辐射的冷负荷强度,W/㎡。
[2].当外窗只有内遮阳设施时Qτ=F·Xg·Xz·Jnτ (3.2)式中:Xz—内遮阳系数;Jnτ—计算时刻下,透过有内遮阳设施玻璃太阳辐射的冷负荷强度,W/㎡。
[3].当外窗只有外遮阳板时Qτ=[F1·Jwτ+(F-F1) ·Jwτ0] ·Xg (3.3)式中:F1—窗口受到太阳照射时的直射面积,㎡。
Jwτ0—计算时刻下,透过无遮阳设施玻璃太阳散射辐射的冷负荷强度,W/㎡。
4、冷负荷的计算
先计算出每个房间的面积,房间冷负荷计算方法采用估算值。
根据国内部分建筑空调冷负荷概算指标,取为140W/m 2.
冷负荷=估算指标X 空调房间面积
Q A =140X ( 4 X 3.2) Q B =140X (4 X 3.2) Q C =140X (4 X 5.78) Q A =1792kg/s Q B =1792kg/s Q C =3236.8kg/s
Q D =140X ( 2.8 X 3.875) Q E =140X (6 X 3.875) Q F =140X (5.83 X 3.875) Q D =1519kg/s Q E =3255kg/s Q F =3164kg/s
5、湿负荷计算
湿负荷是指空提案房间的湿源向室内的散湿量,所以这里的湿负荷定为零。
6、空气调节送、回风量计算
空气调节系统一般由空气处理设备和空气输送管道以及空气分配装置组成,根据需要,它能组成许多不同形式的要求。
本建筑为办公楼,各房间均为小空间结构,要求各房间能独立进行调控,因此宜采用风机盘管加新风系统。
G=Q/(i n - i 0)
Q--------空调房间的冷负荷(W )
W-------空调房间湿负荷 (kg/s)
G--------空调房间送风量 (kg/s) i n ----排出空调房间空气的焓 (KJ/kg)
i0----送出空调房间空气的焓 (KJ/kg) 房间设计送风温差为8℃及查表得到i n=55.5 i0=47
G A=1792/8.5 G B=1792/8.5 G C=3236.8/8.5 G A=210.82kg/s G B=1792kg/s G C=380.8kg/s
G D=1519/8.5 G E= 3255/8.5 G F=3164/8.5 G D=178.7kg/s G E =328.94kg/s G F=372.24kg/s
由检验得,每个房间的送风量都小于5,所以数据不成立。
送风量=房间的体积X换气次数
由上式可知:
G A=268.8kg/s G B=268.8kg/s G C=485.52kg/s
G D=227.85kg/s G E =488.25kg/s G F=474.6kg/s
新风量=送风量X 10%
注:本建筑为办公楼,查资料得:办公室高级无烟区,每人最小新风量30~50,取32(m3 /h).
由上式可知:
G A=32kg/s G B=32kg/s G C=48.56kg/s
G D=32kg/s G E =48.83kg/s G F=47.46kg/s。