货物技术要求及其它(1)
- 格式:doc
- 大小:207.40 KB
- 文档页数:12
道路货物运输车辆基本技术要求
从事道路运输经营的货运车辆应当符合下列技术要求:
1、车辆的外廓尺寸、轴荷和最大允许总质量应当符合《汽车、挂车及汽车列车外廓尺寸、轴荷及质量限值》(GB1589-2016)的要求;
2、车辆的技术性能应当符合《道路运输车辆综合性能要求和检验方法》(GB 18565-2016)的要求;
3、货运车辆的车型的燃料消耗量限值应当符合《营运车辆燃料消耗量限值及测量方法》(JT/T 719-2016)的要求;
4、车辆技术等级应当达到二级以上,技术等级评定方法应当符合国家有关道路运输车辆技术等级划分和评定的要求。
1。
招标货物质量技术标准与要求一、质量技术标准1、分水器须一次注塑成型。
PE分水器主材符合GB/T13663—2000给水用聚乙烯管材的标准要求,PN 1.6MPa,其使用寿命不低于30年;PPR分水器主材应符合GB/T18742。
2-2002冷热水用聚丙烯管道系统标准要求,PN 1.6MPa其成品须符合《生活饮用水输配水设备及防护材料安全性评价规范》(2001);2、产品外观要求表面光滑平整,无制造缺陷,要有制造厂商名称或商标,产品规格型号等清晰的标志。
供货时应提供装箱单、产品合格证书等相关资料,不得提供贴牌产品,生产原料不得使用再生料;每批次产品须附出厂合格证和出厂检验报告;3、分水器一端需要封闭,六角外丝接口材质采用HPb 59-1或优于HPb 59-1的材质。
4、六角外丝接口底部六角部分,对边宽S=30mm,侧边高度m=10mm二、供货期限要求:1、按招标人的通知发货,接通知后4日内将所需货物送到招标人指定地点。
中标人迟交货物的,自迟交货物之日起,每天按迟交货物总金额的千分之二向招标人支付违约金。
报价函致:浙江衢州水业集团工程有限公司_________________________(交易人全称)授权_________________(全名、职务)为全权代表参加贵方组织的_________________________招标的有关活动。
为此提交下述文件.1、交易资料一份2、其他:3、以_现金形式提供的交易保证金,金额为________元。
据此函,签字代表宣布同意如下:1)所附报价明细表中规定的应提供和支付的货物和服务交易总价为(人民币) ______________即:______________________(大写).2)供货期:质保期:3)供应商已详细审查全部文件,我们完全理解并同意放弃对这方面有不明及误解的权利。
4)供应商将按交易公告规定履行合同责任和义务。
5)供应商同意提供按照贵方可能要求的与其交易有关的一切数据或资料,理解贵方接受最低价的交易。
货物技术要求及其它及相关服务,执行国家(或高于)相关标准,没有国家相关标准的执行国家行业/部颁相关标准。
2.2.3投标方应保证需方在使用所提供的设备或其它有关任何一部分时不受第三方提出侵犯专利权、商标权和工业设计权的起诉。
如果任何第三方提出侵权指控,由中标方(供方)负责与提出侵权指控的第三方交涉并承担可能发生的一切费用和责任。
2.2.4 投标方应保证所交付的技术文件资料是完整的、清楚的和正确的,并且能够满足设备再制造、安装、调试、性能考核、操作和维修的要求。
保证及时派遣合格的技术人员提供技术服务和技术培训。
2.2.5 投标方应承诺在质量保证期后长期优先、优价供应备品备件、易损件(包括图纸)。
2.2.6 投标方应对4台/套设备,及其配套的辅助系统参考下面列表进行分项报1.技术规格及有关要求3.1 设备分项技术说明3.1.1 渣包吊钩秤(2620)1)用途:用于渣包装载的高温渣子的称重计量;2)物料特性:渣密度:6000 kg/m3,渣温度:200-1200℃;3)称重范围;0-15t;4)检定精度:5kg;5)校准:标准砝码校准;6)故障报警功能;标准输出接口、数据可导出,配套提供称重管理软件;7)*挂钩、卸扣要求:卸扣挂在50t行车主钩上,50t主钩和钩环见附图1。
挂钩挂在吊具的钩环上,吊具钩环见附图2;8)*安装位置:距离中频炉感应电炉(频率500HZ、功率400kw)直线距离≥7m;距离中频炉电源柜直线距离≥2m;9)工作环境:室内布置;工作制度:间断作业,1-2小时/天;10)*作业温度:秤体距离200-1200℃渣包液面1.5m;11)电源:秤体:可充电高温镍氢电池;配专用充电器;仪表:可充电镍氢电池;配专用充电器;12)秤体型号:防磁防热无线数传电子吊秤,采用模块化结构,由高温传感器、防高温的抛光反热辐射钢板、高分子复合材料隔热减振板、全钢双层秤体等组成。
13)仪表型号:全中文手持式、双向通讯仪表;配连接计算机的串行电缆;14)专用小车:有,304材质;15)秤体电气防护等级:IP65;仪表外壳防护等级:IP65;16)推荐品牌:梅特勒-托利多、赛多利斯、奥豪斯、瑞德威或不低于此档次的其他品牌产品。
硫酸亚铁技术要求及其它2.技货物要求及其它2.1技术标准范围本标准规定了采购水处理剂硫酸亚铁的质量要求、试验方法、检验规则以及保管要求等。
本标准适用于金隆铜业、金冠公司、冬瓜山矿、天马山矿水处理剂硫酸亚铁的采购、验收及贮存。
D 规范性引用文件下列标准所包含的条文,通过在本标准中引用而构成本标准的条文。
本标准实施时, 所示版本均为有效。
所有标准都会被修订,使用本标准的各方应探讨使用下列标准的最新版本的可能性。
凡是不注日期的引用文件,其最新版本适用本标准。
GB/T10531-2016 水处理剂硫酸亚铁2)质量要求a)水处理剂硫酸亚铁的外观应为绿色或淡黄绿色结晶。
b)水处理剂硫酸亚铁的质量指标应符合表1要求。
3)试验方法a)水处理剂硫酸亚铁的质量指标检验按GB/T10531-2016规定执行。
4)检验规则a)水处理剂硫酸亚铁应成批提交检验,由同一供方、同一规格、同一个月某一段时间集中到货的组成一个交付批。
b)水处理剂硫酸亚铁应采用双层防潮包装,单件净重不超过25kg o每一件包装上应有清晰牢固的标志及合格证书,标明产品名称、型号、等级、批号、净重、生产日期及生产厂名,包装应完好无损,包装物不回收。
c)水处理剂硫酸亚铁以供方的出厂检验为主,供方必须随货提供标有每批产品名称、数量、规格型号、检验时间及规定指标检验结果的质量保证书和使用说明书,用户根据质量保证书对货物的数量和质量进行验收。
d)当用户在验收或使用过程中疑有质量问题时,应在收到产品1个月内向供方提出;在双方协商无果的情况下,可委托共同认可的第三方检验,检验指标全部符合本标准要求方为合格。
5)保管要求⑴水处理剂硫酸亚铁应存放于干燥洁净的库房内,不得在露天或潮湿的地方存放。
⑵水处理剂硫酸亚铁在贮运过程中应保持标志完好无损。
3.货物交货时间及地点3.1、交货时间:合同签订后按月分批交货(以需方通知发货为准)。
3.2、交货地点:使用单位指定地点(金隆铜业、金冠铜业、冬瓜山铜矿、天马山铜矿等,其中天马山矿送货约10-15吨/次)。
公务车采购项目技术、服务及其他商务要求(一)项目技术要求:1.XX办公室公务车采购项目2.本项目所属行业:工业。
本项目所属类别为货物类。
第一部分:项目清单及限价1、交货时间(实质性要求)合同签订后2个月内完成车辆的交货和安装调试(确因不可预见因素的情况除外,双方另行协商)。
2、交货地点(实质性要求)采购人指定地点。
3、包装和运输/4、交付(实施)的时间(期限)和地点(范围)/5、付款条件及进度合同签订时投标人出具的有效发票后三个工作日内交付30%,交货验收合格且收到投标人出具的有效发票后10日支付70%的合同款项。
6、验收、交付标准和方法1.验收主体:XX办公室。
2.验收时间;本项目完成后供应商提出验收申请之日起2日内组织验收。
3.验收方式:单位内部验收。
4.验收程序:一次性验收。
5.验收标准:按照《财政部关于进一步加强政府采购需求和履约验收管理的指导意见》 (财库(2016)205号)及招标文件技术服务要求、投标文件响应情况和国家、行业标准验收。
7、售后服务1.质保期为项目验收合格后3年/10万公里,质保期内成交投标人负责所供车辆的维修:质保期内出现的非人为操作设备问题由成交投标人负责维修,所有材料、配件、人工等一切费用由成交投标人负责。
成交投标人接到报修电话后2小时内安排人员响应到场,24小时内完成维修或调换。
2.成交投标人保证所供设备性能良好,若质保期内按照汽车三包法进行售后理赔等。
3.保修期外为终身维护,设备故障维修只收取零配件费用,免收人工等其他费用,零配件收费按市场最低优惠价执行。
4.成交投标人需在凉山州内有专用售后维修站,并须指派专人负责与采购人联系售后服务事宜。
5.运输、安装必须符合行业规范和要求,所涉及的一切劳务、材料、运输、安装安全、费用由成交投标人负责。
6.供应商对操作人员进行培训,并保证正常使用。
8、质量保修范围和质保期:质保期为3年/10万。
9、责任与解决争议的办法1.投标人提供的货物不符合本合同规定的,每出现一次违约(合同涉及“日期”和“天数”的,每逾期一天或少一天,视为一次违约),投标人须向采购人支付本合同总价3%的违约金并且按采购人要求进行整改,出现违约3次以上或未按采购人要求整改的,采购人有权无条件解除本合同并要求投标人退还已收取的费用。
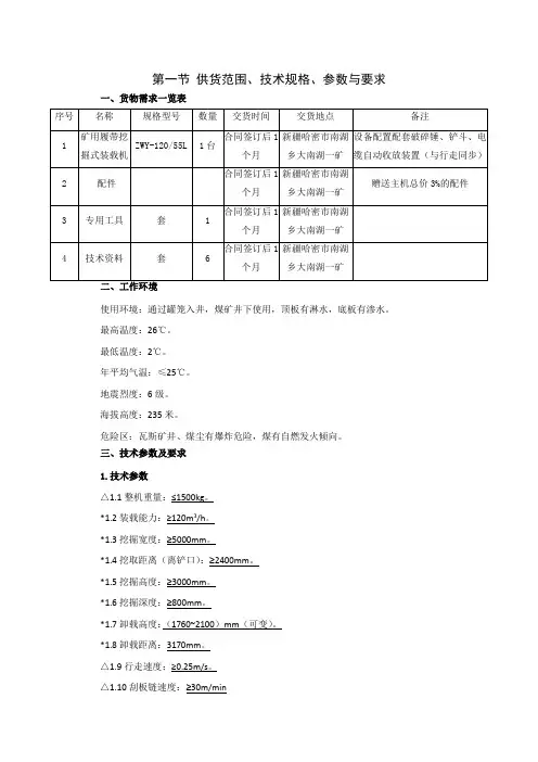
第一节供货范围、技术规格、参数与要求一、货物需求一览表使用环境:通过罐笼入井,煤矿井下使用,顶板有淋水,底板有渗水。
最高温度:26℃。
最低温度:2℃。
年平均气温:≤25℃。
地震烈度:6级。
海拔高度:235米。
危险区:瓦斯矿井、煤尘有爆炸危险,煤有自燃发火倾向。
三、技术参数及要求1.技术参数△1.1整机重量:≤1500kg。
*1.2装载能力:≥120m3/h。
*1.3挖掘宽度:≥5000mm。
*1.4挖取距离(离铲口):≥2400mm。
*1.5挖掘高度:≥3000mm。
*1.6挖掘深度:≥800mm。
*1.7卸载高度:(1760~2100)mm(可变)。
*1.8卸载距离:3170mm。
△1.9行走速度:≥0.25m/s。
△1.10刮板链速度:≥30m/min△1.11刮板链运输机构形式:双链双驱动。
1.12适用巷道坡度:≥30°。
*1.13最小转弯半径:≤6000mm。
*1.14离地间隙:≥350mm。
△1.15总功率:≤75kW。
*1.16电压等级:660/1140V。
*1.17操纵方式:液控。
△1.18履带内侧宽度:1000mm。
△1.19最大物料通过尺寸(宽×高):≥620×740mm。
△1.20大臂最大回转角度:±55°。
*1.21最大不可拆卸件尺寸(长×宽×高)(设备需经罐笼入井):≤5000×2400×2800mm。
2.技术要求2.1本规范文件对大南湖矿一号井履带挖掘式装载机设备,提出了功能设计、结构、性能、安装和调试等方面的技术要求。
2.2招标方在本技术文件中提供了最低限度的技术要求,并未对一切技术细节作出规定,也未充分引述有关标准和规范的条文,投标方应保证提供符合本投标书和工业标准的设备及其相应服务。
对国家有关安全、消防等强制性标准,必须满足其要求。
2.3如果投标方没有以书面形式对本规范文件的条文提出异议,则招标方认为投标方的产品(包括硬件和软件等)将完全满足本技术规范文件的要求。
招标货物技术规格、参数及要求1. 方案拓扑2. 方案清单 序号产品名称 性能参数 数量 1机架服务器 参考两颗十核Intel 最新系列E7-4820v3CPU 或更高配置,128GB 内存,2块300GB15KSAS ,四端口千兆网卡和双端口8GbFC HBA 卡,冗余电源风扇,DVD 光驱,3年质保.详细技术要求附后。
2 2刀片机箱 满配电源风扇,2台全万兆交换机和2台8Gb 光纤交换机,配齐全部所需收发器模块和线缆,冗余管理模块和PDU,3年保修服务.详细技术要求附后。
2 3 一类刀片服务器 参考两颗十核IntelXeon 系列CPU 或更高配置,128GB 内存,2块300GB10KSAS ,双端口万兆网卡和双端口8Gb FCHBA 卡,远程管理芯片, 3年质保。
详细技术要求附后。
10 4 二类刀片服务器 参考两颗四核IntelXeon 系列CPU 或更高配置,32GB 内存,2块300GB10KSAS ,双端口千兆网卡和双端口8Gb FCHBA 卡, 远程管理芯片,3年质保。
详细技术要求附后。
6 5 光纤交换机 24 46 磁盘阵列 高性能多控制器架构,采用对称双活技术。
4个8Gb 光纤端口、4个10GbISCSI 接口,64GB 缓存,配置8块400GB SSD 、12块1200GB 和12块4000GB SAS 驱动器。
包含精简、克隆、多路径、数据迁移、重删、自动分层等功能,3年质保.详细技术要求附后。
2 7 虚拟化操作系统 裸金属架构,本次配置4颗处理器企业版授权和1套管理平台标准版授权,1年电话支持服务.详细技术要求附后。
1 8系统集成包含系统运行所需的全部集成服务, 详细技术要求附后 1 3.产品详细技术参数及功能要求以下是根据方案清单配套的软硬件产品详细技术指标,其中带★的指标项是必备指标项,不满足时技术分直接得零分;其它指标项为得分项,不满足时将扣分。
包一:3.1 机架服务器技术要求3.2 刀片机箱技术要求3.3一类刀片服务器技术要求3.4二类刀片服务器技术要求3.5 光纤交换机技术要求3.6核心存储技术要求3.7系统集成技术要求4.总体要求根据建设内容设备清单按照买方建议的设备技术要求和规范进行编制技术文件,买方不排除选择具备同等功能的其他公司的设备和产品。
道路运输液体危险货物罐式车辆第1部分金属常压罐体技术要求(一)道路运输液体危险货物罐式车辆第1部分金属常压罐体技术要求1. 符合法律法规标准•金属常压罐体必须符合国家相关法律法规的要求,包括但不限于《道路运输液体危险货物安全管理规范》等。
2. 材质要求•罐体材质应为合格的金属材料,常用的包括不锈钢、铝合金等,具有良好的耐腐蚀性和机械强度。
•材料的厚度应符合设计要求,并能够承受内压和外力的挤压。
3. 设计要求•罐体设计应满足承载液体危险货物的需求,包括容量、外形尺寸等。
•罐体应具备结构合理、刚性良好、整体稳定的特点,以确保在运输过程中不发生变形或泄漏等问题。
4. 制造要求•罐体的制造应采用合规的工艺和设备,确保质量。
•焊接工艺应符合相关标准,并进行必要的无损检测,确保焊缝质量。
5. 安全装置要求•罐体应具备必要的安全装置,包括安全阀等,以防止过压和爆炸等危险情况的发生。
6. 检测和验收要求•罐体在制造完成后,应进行严格的检测和验收,包括内部和外部的检查,以确保其质量和安全性。
•检测和验收的标准应符合国家相关要求,并有相应的检测报告和验收证明。
示例解释说明•例如,根据上述要求,一辆用于运输氯气的金属常压罐体应具备以下特点:1.符合国家《道路运输液体危险货物安全管理规范》等法律法规的要求。
2.采用耐腐蚀性强的不锈钢材料制造,材料厚度符合设计要求。
3.罐体结构合理,具备良好的刚性和稳定性,能够承受氯气运输过程中的压力和外力。
4.制造过程使用符合标准的焊接工艺,并进行无损检测,确保焊缝质量。
5.安装有安全阀等必要的安全装置,以防止罐体过压和爆炸等危险情况。
6.在制造完成后,进行严格的检测和验收,包括内部和外部的检查,确保罐体的质量和安全性,并有相应的检测报告和验收证明。
通过以上示例,我们可以看到金属常压罐体技术要求的重要性和对罐体质量、安全性的保障作用。
这些要求的遵守将确保液体危险货物在道路运输过程中的安全性和稳定性。
集装箱技术要求和试验方法一、集装箱技术的要求集装箱是一种用于运输货物的大型金属箱体,其设计和制造需要满足一定的技术要求,以确保货物的安全运输和保护。
以下是集装箱技术的一些重要要求:1. 结构强度:集装箱需要具备足够的结构强度,以承受各种运输条件下的振动和冲击力。
它必须能够承受堆放、起重和叠加等操作,以及在海上航行过程中的波浪和风力。
2. 尺寸标准化:集装箱的尺寸需要符合国际标准,以确保能够与不同的运输工具(如船舶、火车和卡车)适配。
常见的标准尺寸包括20英尺、40英尺和45英尺。
3. 耐候性能:集装箱需要具备良好的耐候性能,能够承受各种气候条件下的腐蚀、紫外线辐射和温度变化。
防锈涂层和高质量的材料选择是确保集装箱长期使用的关键。
4. 密封性能:集装箱需要具备良好的密封性能,以防止水分、灰尘和其它外界物质的侵入。
这对于保护货物免受损坏尤为重要,尤其是在海上运输中。
5. 负载能力:集装箱需要具备足够的负载能力,以承载货物的重量。
这需要考虑到集装箱的结构设计、材料选择和焊接工艺等因素。
6. 安全性能:集装箱需要具备一定的安全性能,以防止货物被盗或非法侵入。
这包括加装安全门锁、安全传感器和视频监控等措施。
二、集装箱技术的试验方法为了验证集装箱是否符合技术要求,需要进行一系列的试验。
以下是常见的集装箱技术试验方法:1. 结构强度试验:使用压力测试仪器对集装箱进行负载试验,以验证其结构是否足够强度。
2. 防水性能试验:将集装箱放入水槽中,观察是否有水分渗入,并进行压力测试以评估其防水性能。
3. 环境适应性试验:将集装箱放置在恶劣的环境条件下,如高温、低温、高湿度等,观察其性能是否受到影响。
4. 密封性能试验:使用气压测试仪器对集装箱进行压力测试,以验证其密封性能。
5. 负载能力试验:将集装箱堆放并加以负载,观察其是否能够承受所要求的重量。
6. 安全性能试验:对集装箱的安全门锁、传感器和视频监控等进行功能性测试,以确保其安全性能。
颚式破碎机招标文件招标编号:0684-10A TDT09153/02第五章货物技术要求及其它1、货物需求一览表2、环境及公用工程条件2.1工程、水文地质条件和当地气象资料当地大气压: 101150Pa绝对最高温度: 41℃绝对最低温度:-11.9℃年平均气温: 16.3℃最热月平均温度: 28.8℃最冷月平均温度: 3.1℃全年平均相对湿度: 74%夏季平均相对湿度: 84%冬季平均相对湿度: 75%全年最大降雨量: 1780mm全年最小降雨量: 580mm一次最大连降暴雨量: 84.4mm夏季主导风向:西南风冬季主导风向:东北风常年主导风向:西南风夏季平均风速: 3.2m/s冬季平均风速: 3.8m/s年平均风速: 3.3m/s最大风速: 24m/s基本风压: 0.5kPa最大积雪深度: 36cm基本雪压: 0.5kPa土壤冻结深度: 0.4m地震烈度: 7度海拔高度: 20米2.2公用工程条件2.2.1 生产用水水质2.2.2电源条件高压: 110kV,正、负电压偏差绝对值之和小于10%,50Hz±1% 中压: 10kV±7%,50Hz±1%低压: 380三相/220V单相±10%,50Hz频率偏差允许值:±0.5Hz电源及电气设备电压见下表注1:250kW至300kW交流电动机可根据工艺配置区域与高低压配电所区域配置结合考虑是否选用高压电动机。
注2:根据设备保护要求确定。
3 颚式破碎机设备要求3.1主要技术参数3.2 设备供货范围为全套颚式破碎机,包括:主机、电机、全套衬板、辅机等,现场只要供给颚式破碎机所需的电源、润滑油等外部条件后,颚式破碎机即可正常工作。
能完整的设备2、投标时也可选用其它名优产品,但必须注明,并备注是否愿意更改为建议厂家*投标人对供货范围、技术要求、推荐配套厂家的相应性(投标人应提供详细的供货范围、技术要求、主要外购件清单、价格、制造商及产地。
)*3.3随机的易损件(附清单和单价)卖方负责提供用于带负荷测试及易损件和必要的事故备件*3.4两年正常使用备品备件(附清单和单价)卖方应提供两年内(从设备验收合格之日起计算)正常使用的设备的生产及维护的备品备件清单。
3.5设备技术要求3.5.1机械设备要求3.5.1.1 机械设备主要组成零、部件材质、结构、制造标准、质量保证手段、寿命及相互间的装配等的详细描述,包括机架、动颚、定颚及调整机构等3.5.1.2卖方在投标过程中要提供破碎机的设备基础图、总装图、电气原理图、润滑原理图等。
3.5.1.3机架在制造过程中要确保无残余应力,要保证具有足够的刚度,以便承受来自物料的冲击。
3.5.1.4轴承采用迷宫式密封,各润滑点不能有润滑油脂泄漏,轴承的最高温度不超过75℃,温升不超过35℃。
3.5.1.5飞轮、皮带轮及轴承座的结构设计合理,充分考虑检修和维护的方便。
3.5.1.6动静颚部,颚板除保证铸造的质量外,按标准选用耐磨材料,进行材质检验。
3.5.1.7颚板、护板等易损件更换应方便,润滑点位置应合理,调整装置灵活,操作方便快捷。
3.5.1.8 出料口的尺寸调整方式要求方便,可靠,稳定性高的垫板调整方式。
3.5.1.9偏心轴锻造后,要进行材质化学成份的检验和机械性能的检查,应符合或优于相关的国家标准。
3.5.1.10机架部的材质有材料成份报告、焊逢及焊条等要符合相应的标准。
机架焊后要进行整体退火,以保证机架的加工质量。
3.5.1.11整机组装后,严格按技术标准进行调试、检验,不合格不出厂。
保证设备到现场生产时运转正常。
3.5.1.12投标人对所供的生产设备应逐项予以说明,包括设备功能组成、特点、技术性能、有关参数等。
3.5.1.13 润滑系统的配置要求:设计和配置都要选用国际知名品牌厂家的产品。
3.5.2颚式破碎机电气控制部分要求①配置电控柜,适应颚式破碎机初期的频繁启动。
②自耦降压启动3.5.3电动机要求①配套电机外壳防护等级 IP23②配套电机绝缘等级 B级5.性能保证与验收5.1通用标准与规范设备表面(除特殊说明外):碳钢表面进行Sa2.5除锈处理,均匀涂两底两面防锈漆,均匀涂环氧树脂复合涂层(颜色由买方提供色标)。
另外:机加工表面:涂抹防锈油,不锈钢表面:保持钝化色,机器内表面:无,外购设备:表面涂漆颜色按买方标准执行。
5.2专用标准与规范:JB/T5000.1-1998 《产品检验通用技术条件》JB/T5000.2-1998 《火焰切割件通用技术条件》JB/T5000.3-1998 《焊接件通用技术条件》JB/T5000.4-1998 《铸铁件通用技术条件》JB/T5000.6-1998 《铸钢通用技术条件》JB/T5000.7-1998 《铸钢件补焊通用技术条件》JB/T5000.8-1998 《锻件通用技术条件》JB/T5000.9-1998 《切割件加工件通用技术条件》JB/T5000.10-1998 《装配通用技术条件》JB/T5000.11-1998 《配管通用技术条件》JB/T5000.12-1998 《涂装通用技术条件》JB/T5000.13-1998 《包装通用技术条件》JB/T5000.14-1998 《铸钢件无损探伤通用技术条件》GB/T7233-1987 《铸钢件超声探伤及质量评级标准》GB/T7233.1-2009 《铸钢件超声检测第一部:一般用途铸钢件》GB/T3323-2005 《金属熔化焊焊接接头射线照相》GB/T6402-2008 《钢锻件超声检测方法》GB/T11345-1989 《钢焊缝手工超声波探伤方法和探伤结果分级》JB/T5000.15-1998 《锻钢件无损探伤通用技术条件》JB/T 1388-2002 《复摆颚式破碎机》JB/T 3279-91 《复杂摆动型细碎颚式破碎机》JB/T 53535-1999 《复摆颚式破碎机产品质量分等》GB 18452-2001 《破碎设备安全要求》GB 3768-2002 《噪声源声功率级的测定简易法》5.3 性能保证:5.3.1颚式破碎机的产出产品的粒度必须满足要求,测定方法同最新的国家标准;5.3.2颚式破碎机的产出能力必须达到设计要求20t/h,测定方法同最新的国家标准;5.3.3颚式破碎机工作寿命:>20年。
;5.4设备调试试车及验收全部机电设备、附属设备、水电油气系统等全部安装完成后,进行联动不间断试车①进行空载试车2~4小时;②空载试车未发现问题后,加入1/3矿量投料试车24小时;③第二项无问题后,再100%投料试车48小时;④在排料口的公称尺寸下,按国家标准规定的方法,对处理能力进行测试;⑤各部试车正常后,设备验收结束,各方写出验收报告。
6.卖方资料表与交付时间6.1第一批提交资料:合同签字后4周内,必须提交如下满足施工图设计的资料:6.1.1 工程进度表和界区图(在界区处有连接点的数据说明);6.1.2 设备性能参数说明书,成套设备附件及其规格一览表;6.1.3 设备总装图(平面、立面);6.1.4 基础条件图,含动、静载荷(水平和垂直)、自振频率;6.1.5 电机功率,电仪控制原理及接线端子图;6.1.6 公用消耗(水、压缩风、仪表风、蒸汽、氮气等)参数及相关技术图纸,接口要求。
6.2第二批提交资料,发货时提供6.2.1 产品出厂合格证6.2.2 安装技术、材料要求等6.2.4 全部的易损件制造图纸(衬板图等)、部件装配图、设备总装图;6.3.1 使用说明书6.3.4 维护和维修手册(包括设备的润滑图表等)6.4上述资料要求(1)所有技术资料计量单位使用国际标准计量单位制,SI,语言为中文。
(2)图纸一律采用计算机制图,制造商在要求的时间内提供图纸、文件,图纸、文件必须盖有制造商的专用章。
并另提供可修改的电子版图纸、文件,图纸为*.dwg(Auto CAD2007及以下版),文件为*.doc(word2000)。
(3)图纸标准为中国国家标准或ISO标准,采用幅面:A0、A1、A2、A3、A4,优先用A1,打印文件规格:A4。
(4)若资料中有外文,须中外文对照,设备外形尺寸图,CD盘3份,加盖单位公章的纸张6份。
7.由卖方提供技术服务和指导7.1非现场培训设备发货之前,卖方应为买方联络提供在类似设备上的操作和维护培训便利。
7.1.1. 培训内容:操作、维护与安装、启动、试车相关的指导7.2现场培训7.2.1 卖方应安排一个技术监督,作为卖方的现场总代表。
7.2.2 卖方的现场总代表应在合同范围内提供技术指导并与买方全面合作和协商以解决从合同和现场中出现的技术问题。
7.2.3卖方总代表将根据现场安装进度,提出技术服务人员的派遗计划7.2.4买方将负责现场各单位之间的协调工作,卖方技术服务人员应给予支持。
7.2.5卖方总代表在买方现场负责组织与协调合同设备分包方现场服务人员的工作。
7.2.6卖方的全体现场人员应遵守铜陵有色的相关规章制度。
7.3现场培训7.3.1卖方应提供设备的卸货、搬运和安装说明,安装准备工作的日程表。
当设备到达现场后,卖方应保证设备完整性,并提供可能出现的损坏帮助及特殊储藏要求。
在设备安装时卖方应随时到现场提供帮助。
7.3.2卖方应提供设备安装的所有说明书。
7.4现场培训7.4.1卖方应在合同范围内提供启动和试车阶段的程序和故障处理帮助,和整个试车期间的操作和调节指导。
7.4.2卖方应提供试车准备工作时间安排,并在整个试车期间报告工作进度。
7.4.3设备测试时卖方应在场,并保证所有性能保证值都符合合同要求。
7.5现场培训7.5.1在现场卖方应在设备的操作和维修等方面提供买方员工培训。
卖方技术人员将详细进行技术交底,详细讲解图纸、工艺流程、操作规程、设备性能及有关注意事项等,解答合同范围内买方提出的技术问题,对集散控制应特别讲解。
7.5.2现场培训应在设备安装和试车过程中进行,卖方技术人员给买方提供合同范围内全面的技术服务并进行必要的示范操作。
7.5.3卖方现场代表应为买方员工进行实地培训(包括操作、机械、自动化人员)。
7.5.4买方将提供卖方服务人员的现场必要条件,如7.5.4.1必要的工作用房,包括办公桌椅及办公用品,为借阅有关的技术图纸及技术资料提供方便。
7.5.4.2食宿、医疗、通讯及交通等方面的方便,费用由卖方承担。
7.5.4.3根据现场工作需要,提供必要的劳动保护用品(以借用为主)。
8.质量控制、检验和设备监制8.1 质量控制与检验8.1.1 卖方提供的设备、机械和材料在出厂前要进行质量检验与测试,出厂时附带质量检验报告单。
8.1.2 卖方应对转动机械所要求的标准车间试验做充分的说明。
8.1.3 卖方对买方规定需到卖方工厂目睹试验和检验的项目,卖方确定试验日期后至少提前一个月通知买方,以便买方及时参加。