【中文】阿特拉斯BoomerXL3D最新三臂液压凿岩台车技术规格书
- 格式:pdf
- 大小:901.19 KB
- 文档页数:4
| 工程设备与材料 | Engineering Equipment and Materials·122·2020年第4期三臂凿岩台车在隧道中心深埋水沟开挖施工中的应用王 康(中铁七局集团有限公司,河南 郑州 450000)摘 要:阿拉套山隧道位于新疆博州,属于严寒地区,为保证冬季隧道内排水通畅,全隧道设置中心深埋水沟,无仰拱地段水沟开挖深度达3.27m。
采用传统钻爆法开挖难度非常大,耗时较长,超欠挖较大,安全质量无法保证。
阿拉套山隧道通过引进三臂凿岩台车,采用深孔预裂爆破技术,大大加快了中心深埋水沟施工进度,开挖断面得到有效控制。
文章根据现场实际情况,系统总结了三臂凿岩台车在隧道中心深埋水沟开挖中的应用,为类似工程提供借鉴。
关键词:三臂凿岩台车;隧道中心深埋水沟;深孔预裂爆破中图分类号:U455.3 文献标志码:A 文章编号:2096-2789(2020)04-0122-03作者简介:王康(1985—),男,工程师,研究方向:隧道工程施工。
1 工程概况1.1 阿拉套山隧道概况阿拉套山隧道为新建博州支线铁路控制性工程,为单线隧道,起讫里程为D1K1+815~D1K4+400,全长2585m 。
隧区位于阿拉套山南麓丘陵区,地形起伏,隧道通过区地势呈中间高,两边低,海拔高程220~310m ,最大埋深83.1m 。
沿隧道分布地层主要为第四系全新统洪积细角砾土及泥盆系上统砂岩,其中洞口部分为Ⅳ、Ⅴ围岩,洞身部分为Ⅲ级围岩。
1.2 隧道中心深埋水沟设计概况阿拉套山隧道通长设置中心深埋水沟,水沟采用预制直径φ800mm 、壁厚80mm 的钢筋混凝土管,管顶面距內轨顶2.87m ,大于当地最大冻结深度1.1m 。
钢筋混凝土管采用承插式口管,管接口采用滑动就位橡胶圈密封,施工碎石反滤层前将环向盲管插入水管不小于3cm 。
管底铺设10~20cm 碎石垫层,设置C20混凝土基座,管顶30cm 以内采用C20混凝土回填固定管身。
三臂凿岩台车技术参数三臂凿岩台车是一种用于隧道建设的重型设备,具有高效率、稳定性强、操作方便等特点。
本文将对三臂凿岩台车的技术参数进行详细阐述。
一、整机技术参数1. 整机尺寸:长×宽×高=11700mm×2700mm×3800mm2. 整机净重:约45吨4. 发动机功率:162kW/220马力5. 转速范围:2200r/min6. 最大扭矩:898N·m7. 排放标准:国Ⅲ8. 燃油消耗:≤215g/kW·h9. 燃油箱容积:450L10. 液压系统压力:24MPa11. 液压系统流量:400L/min12. 电气系统电压:24V13. 整机最高行驶速度:≤15km/h14. 最大爬坡能力:≥25%1. 钻进凿岩范围:不大于Ф1300mm的硬岩3. 凿岩深度:≤4.5m4. 钻进动力头型号:HYD2005. 钻进动力头直径:Ф130mm8. 钻进动力头最大推力:78kN9. 钻进动力头工作压力:16MPa1. 前臂长度:5.2m2. 前臂最大液压支撑力:88kN4. 前臂旋转角度:360°5. 中臂倾斜角度:±18°六、总结随着隧道建设不断发展,三臂凿岩台车的应用范围也越来越广泛。
其高效率、稳定性强、操作方便等特点,使其得到了越来越多的用户的认可和青睐。
下面,我们将从应用领域和优势两个方面对其进行进一步分析。
一、应用领域1. 隧道建设:三臂凿岩台车是隧道开挖构筑工程中不可缺少的设备之一。
通过钻进凿岩、炸岩、凿岩等技术,将硬岩等难以开挖的隧道开挖出来。
2. 水电站建设:在水电站建设中,有很多的隧洞需要建造。
三臂凿岩台车因其高效、稳定的特点,在这些工程中也有广泛应用。
3. 矿山建设:矿山的开采过程中需要挖掘传送道路、通风井和排水孔等工程。
这些工程中也需要用到三臂凿岩台车。
二、优势1. 高效率:通过三臂凿岩台车完成隧道开挖工程,可以大大缩短工期,提高开挖效率。
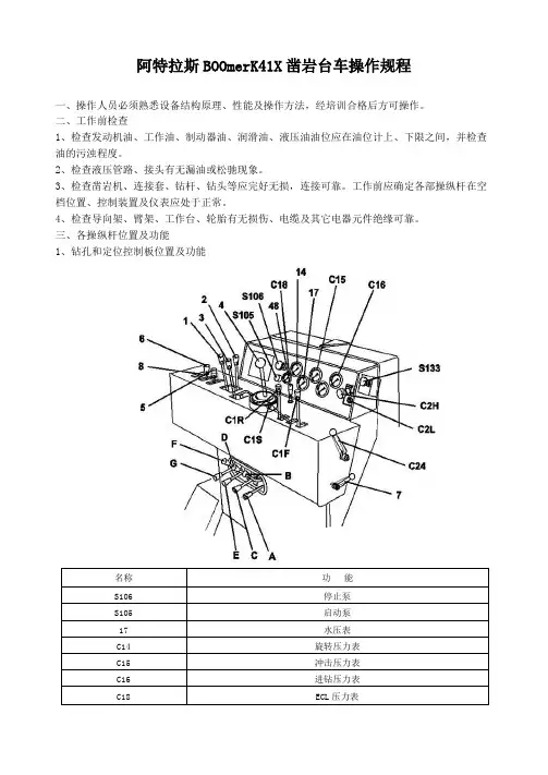
阿特拉斯BOOmerK41X凿岩台车操作规程一、操作人员必须熟悉设备结构原理、性能及操作方法,经培训合格后方可操作。
二、工作前检查1、检查发动机油、工作油、制动器油、润滑油、液压油油位应在油位计上、下限之间,并检查油的污浊程度。
2、检查液压管路、接头有无漏油或松驰现象。
3、检查凿岩机、连接套、钻杆、钻头等应完好无损,连接可靠。
工作前应确定各部操纵杆在空档位置、控制装置及仪表应处于正常。
4、检查导向架、臂架、工作台、轮胎有无损伤、电缆及其它电器元件绝缘可靠。
三、各操纵杆位置及功能1、钻孔和定位控制板位置及功能2、控制板功能四、操作(按操作台铭牌提示操作)(1)、启动发电机1、将电瓶开关旋转至位置(1)。
2、将点火钥匙旋至位置1,对柴油机进行预热,待预热指示灯点亮,将点火开关旋至位置2,启动柴油机,柴油机一启动就松开钥匙。
3、根据铭牌指示,按下指示灯测试按钮检测机器故障,各报警灯应点亮,但在停车制动被释放之前,停车制动指示灯是不会熄灭的。
4、检查停车制动及脚踏制动器是否正常(在启用停车制动和踩下制动踏板,挂入2档加油门而台车不移动,检查持续时间不得超过超过4秒)。
5、检查联锁电路是否安全可靠。
(2)、行走1、将钻机调整到进钻装置的后端位置。
2、操作推进控制杆,将推进梁调整到推进梁延伸油缸的后端位置。
3、操作旋转控制杆,转动推进梁,直到推进梁支架安装轴处于垂直位置。
4、操作千斤顶操纵杆,收起千斤顶。
5、检测台车照明设施良好,轮胎气压满足正常值。
6、应查看场地周围,确认前后左右无人及障碍物后,再按照引导人员的指示信号作业,切不可误触操纵杆。
7、通过档位选择器选择行驶方向和档位。
8、松开停车制动,踩下加速踏板,根据路况调整速度。
9、行走时要平稳,避免紧急动作以免发生意外事故,特别在上、下坡时应更注意。
应经常检查液压油温是否正常(30~60o C),超过60o C时,应停驶,发动机低速运转,使油温下降。
(3)、停车1、启动停车制动。
Boomer XL3D凿岩台车电源变压器故障分析及处理措施作者:邱光辉来源:《中国科技博览》2018年第08期[摘要]瑞典阿特拉斯·科普柯(Atlas Copco)公司生产的Boomer XL3D型凿岩台车,是适用于隧道掘进、岩层开孔以及地下工程开挖等作业的地下凿岩设备。
该设备在地下工程领域使用过程中,经常因各种原因导致电压不稳,致使设备电源变压器故障,并造成整机停机,甚至无法使用,严重影响施工单位的正常施工生产。
本文就如何防止设备电源变压器损坏做详细的分析,并提出处理措施。
[关键词]三臂凿岩台车电路故障诊断电源变压器中图分类号:S156 文献标识码:A 文章编号:1009-914X(2018)08-0093-031、Boomer XL3D凿岩台车电源变压器常见故障概述根据对阿特拉斯公司的Boomer XL3D凿岩台车近四年的使用情况跟踪,该类凿岩台车主要用于隧道工程,因各类隧道工程所在地区和项目的特殊情况,无法保障该类设备的电源电压稳定,从而导致电路故障。
主要有如下几种情况:1、工程项目刚开工,网电无法及时接入,临时采用发电机供电。
通常由于自发电电压极不稳定,且前期用电量负载大,各用电设备启停频繁,造成Boomer XL3D凿岩台车照明系统电源变压器U158以及蓄电池充电电源变压器U40频繁烧毁。
2、较长隧道的工程项目,在凿岩台车距离变压器超过400米时,导致电压压降很大。
若因变压器跟进不及时,极易导致照明系统、控制系统以及蓄电池充电电源变压器等烧坏。
3、网电电压不稳定或者其他负载很大且频繁启动,将导致Boomer XL3D凿岩台车输入电压频繁波动,对电器元件造成冲击,特别容易造成照明系统稳压电源变压器以及充电电源变压器损坏。
2、Boomer XL3D凿岩台车电源系统工作原理2.1 Boomer XL3D凿岩台车电源供应原理由于阿特拉斯·科普柯公司提供的Boomer XL3 D凿岩台车电路图为逻辑性坐标布置,电路原理分析比较困难和繁杂。
阿特拉斯·科普柯建筑与矿山技术部设备选购指南阿特拉斯·科普柯集团是一家全球领先的工业生产解决方案供应商。
其提供的产品和服务从压缩空气及气体设备、发电机、建筑及采矿设备、工业工具和装配系统到相关售后服务及专业租赁,一应俱全。
通过与客户及商业伙伴的紧密合作,在135年生产经验的基础上,阿特拉斯·科普柯为实现卓越生产力而不断创新。
集团总部位于瑞典斯德哥尔摩,业务遍及170多个国家和地区。
阿特拉斯·科普柯凭借百余年积累的技术优势,为中国的各类矿山和主要的基础设施建设提供先进的生产力和服务。
从最大的露天煤矿——准格尔煤矿,到最大的地下铁矿——梅山铁矿、最大的镍矿——金川镍矿,以及中国最大的水泥公司——安徽海螺;从规模居世界第一的三峡工程,到中国最长的铁路隧道——长达18公里的秦岭铁路隧道。
在这些威名显赫的矿山和举世瞩目的伟大工程中,阿特拉斯·科普柯产品为露天钻孔、地下凿岩、岩石加固、基础工程、挖掘水井、石油和天然气开采等提供先进的生产力,并能有效的降低运行成本。
早在20世纪20年代,阿特拉斯·科普柯的产品就已经进入中国。
80年代初,阿特拉斯·科普柯在香港成立公司,并同时在北京、上海和广州建立代表处。
阿特拉斯·科普柯(中国)投资有限公司是集团公司设在中国上海的地区性总部,负责所有下属机构,涉及所有权、法律、税务和机构事宜,提供财务、信息系统经营服务和人力资源支持及培训,并通过浦东客户服务中心向所有属下机构提供物流支持。
阿特拉斯·科普柯(上海)贸易有限公司设立在上海浦东外高桥,负责进口产品和本地制造产品的销售和服务。
阿特拉斯·科普柯(南京)建筑矿山设备有限公司始建于1993年,位于南京国家级经济技术开发区,主要负责生产、销售和服务全系列液压、气动露天钻机、地下钻机和铲运机等。
公司于2000年通过ISO 14001和ISO 9001认证。
阿特拉斯公司凿岩钻车与液压凿岩机介绍胡铭,董鑫业(中国钢协钎钢钎具协会秘书处,北京100081)摘要:凿岩钻车是随着工业化技术发展而出现的一种自动化程度较高的新型凿岩设备。
近年来,我国基础建设施工部门、大型金属矿山、建筑石料开采场购进国外凿岩钻车的数量在不断增加,设备型号也在不断更新。
本文利用图表形式对瑞典阿特拉斯·科普克(Atlas Copco)公司主要类型的凿岩钻车、液压凿岩机、以及配用钎具产品进行了叙述,可为钎具企业了解钻车性能和配套钎具种类提供参考资料。
关键词:凿岩机械;液压钻车;岩石开采;钎具产品;Atlas Copco中图分类号:TD63+2.9文献标识码:B0前言在二十世纪四十年代后期,随着气动凿岩机械的快速发展,凿岩效率不断提高。
但是,要提高凿岩机械的输出功率,就需要增加活塞直径,凿岩机械的重量也在不断增加,一些凿岩机械完全用人工操纵的方式已经显得力不从心。
在这种情况下,凿岩钻车的设计理念开始形成,将一台或几台大功率的凿岩机械连同自动推进机构一起,安装在特制的钻臂上,再将整个装置配上行走机构,就可实现连续机械化的凿岩作业。
在凿岩钻车应用到凿岩的初期阶段,从凿岩机、控制系统、钻臂转动及推进机构,甚至钻车的行走机构都采用气动源驱动和控制。
这类结构简单,造价低廉的钻车应用到凿岩工程后,不仅减轻凿岩工人的体力劳动,改善了劳动条件,同时与人工操纵的气腿式、手持式凿岩机械相比,凿岩机体积重量的增加也就意味着给设计更大输出冲击功的机械充分的空间。
凿岩机输出功率增加、同一作业面可同时多机化钻凿、钻机在钻车上作业具有很好的稳定性等一系列优点,使得凿岩效率大幅提高,而且进尺速度快,炮孔平直圆整,很快受到工程行业的好评,市场需求量不断上升,也激发了凿岩机械设备制造厂商的研发热情。
二十世纪五十年代中期,凿岩机械制造厂商开始将液压技术应用到钻车的控制系统,除凿岩机冲击系统和转钎系统外,钻臂转动、推进、行走系统都采用了液压控制,使钻车的辅助工作时间大大缩短,生产效率提高。
1 引言2015年以来,我公司根据承建的国家重点工程需要和国家相关部委提出的“机械化换人、自动化减人”工程施工指导思想,陆续引进9台瑞典阿特拉斯生产的Boomer XE3 C 型全电脑三臂凿岩台车在我公司承建的京张铁路新八达岭隧道、川藏铁路拉萨至林芝段桑珠岭隧道、哈牡客专虎峰岭隧道、黔张常铁路刘家寨隧道、成兰铁路杨家坪隧道、玉磨铁路莫郎山隧道、玉磨铁路安定隧道、玉磨铁路通达隧道、郑万高铁湖北段巴东隧道、郑万高铁湖北段荣家湾隧道、郑万高铁湖北段香树湾隧道、张吉怀高铁凤凰隧道等铁路隧道工地应用,为完成我公司承建的重点控制性工程提供了重要的保障。
现对我公司配置的凿岩台车在各铁路隧道开挖施工中的全电脑三臂凿岩台车在铁路隧道开挖施工中的应用彭仁军 / PENG Renjun,李三华 / LI Sanhua,刘爱兵 / LIU Aibing,张晓寿 / ZHANG Xiaoshou,李中华 / LI Zhonghua(中铁五局集团有限公司,湖南 长沙 410007)摘 要:根据国家相关部委提出的“机械化换人、自动化减人”工程施工指导思想和重点工程施工需要,近年来凿岩台车在铁路隧道施工应用越来越广泛。
现对我公司购置的全电脑三臂凿岩台车在各铁路隧道开挖施工中的应用情况进行阶段性总结,对应用效果进行分析,提出凿岩台车应用需要继续探讨和深入研究的问题,为凿岩台车后续应用提供参考。
关键词:全电脑三臂凿岩台车;铁路隧道;开挖成本;利用率;机械化施工中图分类号:U215.3 文献标识码:A应用情况进行阶段性总结,对应用效果进行分析,提出凿岩台车应用需要继续探讨和深入研究的问题,为凿岩台车后续应用提供参考。
2 凿岩台车组成与主要功能概述2.1 凿岩台车组成Boomer XE3 C 型全电脑三臂凿岩台车主要由底盘及发动机、钻臂及凿岩机、液压系统、电气系统、全电脑控制系统以及驾驶室、工作平台、空压机、高压水泵及其它附属系统组成,其主要技术参数见表1。
凿岩台车作业指导书编制单位:二矿区编制时间:二零一一年三月目录1、Atlas公司Boomer 282凿岩台车技术性能 (3)2、凿岩台车主要部件的结构名称 (9)3、凿岩台车全车润滑示意图 (16)4、总的安全守则 (17)5、凿岩台车出车前的检查 (18)6、凿岩台车运行中的检查 (20)7、凿岩台车停车后的检查 (21)8、发动机的启动 (21)9、凿岩台车的操作 (22)10、怎样操作钻臂进行凿岩作业 (25)11、凿岩台车运行和停车时的注意事项 (28)12、台车的起步与行驶 (33)13、凿岩前的准备工作 (34)14、凿岩作业 (34)15、作业完毕与收车 (35)一、Atlas公司Boomer 282凿岩台车技术性能Boomer 282 全液压凿岩台车,适用于地下矿山、隧道及地下厂房开挖的爆破钻孔。
最大工作面积达45 平方米,钻孔直径自41 毫米至102毫米。
整体结构设计合理、强度高、操作和维修简单、方便,设备运行效率高、经济性好。
1.1、COP1638技术数据重量, kg 170长度, mm 1008宽度, mm 251高度, mm 223冲击功率, kw 16冲击频率, Hz 60液压系统压力, 最大bar 200回转速度, rpm 0-310/0-190回转压力,最大, bar 210回转扭矩,最大, Nm 660/1000冲渣水压力, bar 5.5-251.2、BMH 2800系列推进梁BMH型号2843总长mm 5897钻杆长mm 4310钻孔深度mm 4015重量kg(含凿岩机)524最大推进力100bar1.3、BUT28钻臂推进补偿1250 mm钻臂延伸1250 mm推进梁360º翻转大臂举升角度+65º,下摆角度–30º大臂左右摆动角度± 35º重量1750 kg1.4、DC15底盘DeutzF5L912W柴油发动机,2500rpm时功率为55kW,1550rpm时,扭矩为230Nm,铰接式底盘,+/- 41°转角,液压助力转向系统。
Boomer XL3D凿岩台车急停故障诊断解析Boomer XL3D凿岩台车急停故障诊断解析 (1)摘要 (2)一、Boomer XL3 D凿岩台车紧急停机系统工作原理 (2)1、电路原理图读图方法 (2)2、紧急停机系统电路原理图纸整合 (2)3、紧急停机系统电路原理分析 (3)二、Boomer XL 3D凿岩台车紧急停机故障诊断方法及实例 (4)1、 紧急停机故障判断及分析 (4)2、 紧急停机故障诊断流程图 (4)3、紧急停机故障诊断实例 (5)三、Boomer XL 3D凿岩台车常见的紧急停机情况及预防措施 (6)1、常见的紧急停机情况 (6)2、急停故障的预防措施 (6)四、小结 (7)参考文献 (7)摘要瑞典阿特拉斯·科普柯(Atlas Copco)公司生产的Boomer XL3D型凿岩台车,是适用于隧道掘进、岩层开孔以及地下厂房开挖等作业的地下凿岩设备。
其优点为钻孔速度快、操作简单灵活,大大提高施工生产效率,解放人力劳动,保障操作人员在复杂的地下隧道内作业安全。
该设备配备的紧急停机系统,为操作人员和设备安全增加了一项重要的保障措施。
但该系统在使用过程中易出现故障,且有些故障出现还会影响设备正常运转。
本文就该设备紧急停机系统原理及故障诊断简要的阐述和分析。
关键词:三臂凿岩台车 电路 故障诊断 紧急停机一、Boomer XL3 D凿岩台车紧急停机系统工作原理1、电路原理图读图方法阿特拉斯·科普柯公司提供的Boomer XL3 D凿岩台车电路图为逻辑性布置,这里简要介绍一下该图的读图方法。
该电路图采用坐标布置,横坐标为1-10的数字,纵坐标为A-G的字母,每个功能元件对应一个坐标,然后将同一配电箱内的接线排尽量集中放置在几页图纸中。
读图时,首先要确定需要查找的功能,再根据该功能元件的坐标查找相关控制元件的页码和坐标,将对应功能相关图纸关联起来,才可理解该电路系统的工作原理。
*********************文件编号:作业文件标题: 353/ 353E 型液压版号:凿岩钻机页数:安全操作维护保养规程生效日期:编制人 /日期:审核人 /日期:批准人 /日期:文件会签表会签部门会签人 /日期会签部门会签人/日期总工办质量安全部设备物质部人力资源部1.目的为了 BOOMER 353 型液压凿岩钻车的正确使用、维护,保证机械设备的完好,满足施工生产需要,制订本规程。
2.适用范围适用于阿特拉斯· 科普柯BOOMER353 型(三臂)液压凿岩钻机。
BOOMER353E 型(三臂)液压凿岩钻机可参照执行。
3.职责3.1 机长职责3.1.1机长必须有高度的工作责任心,熟悉本机车的性能、业务,了解本机车的结构和技术资料,并辅导大家学习、研究、解决技术问题,能够团结同志,有一定的组织管理能力。
本机人员必须服从机长的正确领导。
3.1.2机长应模范遵守规章制度和上级的决定,反映情况,精心维护机械设备,使机车经常处于良好状态。
3.1.3机长要经常检查各项安全装置及操作情况,保证机车安全运行,如有危及机车安全的隐患,机长有权拒绝执行调度的安排。
3.1.4在多机同时运转时,机长应做好相互之间的配合协作,有具体的安全措施。
3.1.5机车进行检修时,机长应与检修单位通报情况,做好交接,同时应派人参加检修。
3.1.6机车停车、封存时,机长必须与使用单位联系,并确保有一名以上的司机看管,进行日常保养维护。
3.1.7机车调走时,机长应负责装箱、编号,做好记录和交接手续,并负责设备的技术资料、随车工具、履历表、交接班记录等随车调走。
3.2 司机及助手职责3.2.1当班司机对当班机车的安全运转负全责。
3.2.2当班司机应认真填好报表、记录,要做到准确、齐全、清楚、干净,并保管好记录。
3.2.3助手只能在司机的指导下操作机车,未经司机同意不得自行操作和拆卸机车零部件。
3.2.4助手应协助司机填好报表、记录。