基坑降水计算
- 格式:docx
- 大小:84.47 KB
- 文档页数:6
深基坑工程降水沉降分析计算1. 引言1.1 深基坑工程降水沉降分析计算概述深基坑工程是指在城市中心或繁华商业区建设的高度超过一定数值的基坑,通常用于建造高层建筑或地下商业空间。
由于基坑深度较大,土层承受的压力也会增加,因此在施工过程中需要考虑降水沉降分析计算。
降水是指由于人工挖土、降雨等原因导致基坑内水位升高的情况,如果不及时排水处理,可能会导致基坑失稳甚至发生塌陷。
降水量的计算与分析对于深基坑工程至关重要。
除了降水量,还需要考虑降水对工程的影响,包括地基土壤的稳定性、土壤压力分布等方面。
地下水位的变化也会影响沉降情况。
当地下水位下降时,可能导致土层产生松动而引起沉降,而地下水位上升则可能导致土层变得密实而减缓沉降速度。
在进行沉降计算时,需要考虑地下水位变化对沉降的影响。
为了准确地进行深基坑工程降水沉降分析计算,需要建立相应的计算方法与模型。
通过实例分析不同工程条件下的降水沉降情况,可以验证计算方法的准确性,为实际工程建设提供参考依据。
深基坑工程降水沉降分析计算是一个综合性的工程问题,需要系统地分析各种因素的影响,以确保工程的安全与稳定。
2. 正文2.1 降水量计算与分析降水量的计算与分析在深基坑工程中起着至关重要的作用。
深基坑工程施工过程中,需要考虑地下水的影响,尤其是降水对工程的影响。
降水量的计算是确定降水对工程的影响程度的关键步骤。
降水量计算通常基于降水量的统计数据和气象学原理进行。
常用的降水量计算方法包括传统统计方法、数值预报方法和概率预测方法。
传统统计方法主要基于历史气象数据和统计分析,通过对历史降水量数据的分析来推测未来降水量。
数值预报方法则是基于数值模型进行降水量预测,利用大气环流动力学原理推算未来一段时间内的降水量。
概率预测方法则是将降水量视为一个随机过程,通过概率统计分析来推测未来降水量的可能范围。
在深基坑工程中,降水量的计算与分析需要考虑多种因素,如地形地貌、气象条件、工程施工方式等。
(二)基坑降水计算根据本工程《岩土工程勘察报告》可知,因场地水位较浅,旱季施工,涌水量不大,在基坑施工时降水措施可采取坑内挖沟设降水井明排方式进行基坑排水。
井深从基坑底标高向下2.0米。
井内径0.9米。
在师大世博学院和祭天山两侧水量较大,在这两侧各设5个和4个降水井。
基坑底四周设300×300排水盲沟,连接降水井进行降排水。
其它两侧降水井按间距25~30设置一口,可满足基坑降水要求。
地下水位降至基底下1m.采用14台管径为¢70的污水水泵进行抽排至沉淀池,沉淀处理后,由14台管径为¢70清水水泵抽排至市政雨水管网或河道。
降水Q计算:Q=5井×12m3井*小时×24小时+9井×12m3/井*小时×16小时=3168m3排水量Q计算:污水水泵(清水水泵):Q1=5台×12m3/台*小时×24小时+9台×12m3/台*小时×16小时=3168m3六、施工组织管理1、施工管理目标(1)质量目标:优良。
(2)工期目标:工期30天。
确保在30天内完成基坑支护、降水、挖土外运工作,其余项目确保在业主规定的时间内完成。
(3)安全目标:创“无事故工程”。
2、项目施工组织机构设置(1)我公司把本工程列为重点项目工程,在全公司范围内抽调年富力强、管理水平高、具有丰富施工经验的人员组成本工程项目经理部,严格按项目法组织施工。
(2)成立云南长机房地产开发有限公司都市名典苑工程基坑开挖及支护施工项目经理部。
推行项目法施工,减少管理层次,提高办事效率,项目部对本工程的施工全权负责。
(3)施工现场项目经理受公司法定代表人的委托,组成项目经理部,负责工程的全面实施。
项目经理部设置项目经理1人;项目副经理1人;项目技术负责人1人;工长6人;质量检查员1人;安全检查员1人;内页技术员1人;测量员2人;试验、计量员2人;机务员2人;材料员2人;项目经理部实行矩阵式的施工管理体系,全面履行施工承包合同。
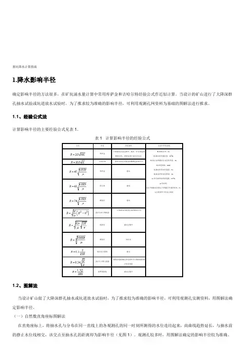
基坑降水计算指南1.降水影响半径确定影响半径的方法很多,在矿坑涌水量计算中常用库萨金和吉哈尔特经验公式作近似计算。
当设计的矿山进行了大降深群孔抽水试验或坑道放水试验时,为了推求较为准确的影响半径,可利用观测孔网资料为基础的图解法进行推求。
1.1、经验公式法计算影响半径的主要经验公式见表1。
表1 计算影响半径的经验公式1.2、图解法当设计矿山做了大降深群孔抽水或坑道放水试验时,为了推求较为准确的影响半径,可利用观测孔实测资料,用图解法确定影响半径。
(一)自然数直角座标图解法在直角座标上,将抽水孔与分布在同一直线上的各观测孔的同一时刻所测得的水位连结起来,尚曲线趋势延长,与抽水前的静止水位线相交,该交点至抽水孔的距离即为影响半径(见图1)。
观测孔较多时,用图解法确定的影响半径较为准确。
(二)半对数座标图解法在横座标用对数表示观测孔至抽水孔的距离,纵座标用自然数表示抽水主孔及观测孔水位降深的直角座标系中,将抽水主孔的稳定水位降深及同时刻的观测孔水位降低标绘在相应位置,连结这两点并延长与横座标的交点即为影响半径(见图2)。
当有两个或两个以上观测孔时,以观测孔稳定水位降深绘图更准些。
1.3、影响半径经验数值根据岩层性质、颗粒粒径及单位涌水量与影响半径的关系来确定影响半径,见表2与表3。
表2 松散岩土影响半径(R)经验数值表3 单位涌水量与影响半径关系2 计算模型及公式2.1.潜水完整井计算模型()⎪⎭⎫ ⎝⎛+-=01log 2366.1r R S S H kQ …………………………………………公式1式中:Q 基坑涌水量(m 3/d );k :渗透系数(m/d ); H :潜水含水层厚度(m ): S :基坑水位降深(m ); R :降水影响半径(m ); r 0:基坑等效半径(m )。
2.2.承压水完整井计算模型⎪⎪⎭⎫⎝⎛+=01lg 73.2r R MS kQ式中:Q :K R :r 0:基坑(m );M :承压含水层厚度(m )2.3.承压水非完整井计算模型⎪⎪⎭⎫⎝⎛+-+⎪⎪⎭⎫ ⎝⎛+=002.01lg 1lg 73.2r M l l M r R MSkQ ……………………………公式式中:Q :基坑涌水量(m 3/d );K :渗透系数(m/d ); R :降水影响半径(m ); r 0:基坑等效半径(m ); M :承压含水层厚度(m ); S :基坑水位降深(m );l :基坑降水井过滤器工作部分长度(m )()⎪⎪⎭⎫⎝⎛+--=021lg 2366.1r R h M M H kQ 式中:Q :基坑涌水量(m 3/d );K :渗透系数(m/d ); R :降水影响半径(m ); r 0:基坑等效半径(m ); M :承压含水层厚度(m );h2.5.线形工程潜水完整井计算模型R h H kL Q 22-=…………………………………………………公式5()222h H Rxh y -+=……………………………………………公式6 ()dR r d SS H k q w 2ln 2πππ+-=…………………………………………………公式7双直线井排,条件同上,适用条件:①均质潜水含水层; ②完整井点; ③位于无界含水层中; ④直线井点排,两侧进水; ⑤L>50m 。
降水深度从哪里开始计算
降水深度=地面开始计算至需要降至的水位之间的动水深度。
=原地面下水位标高-基坑开挖底标高+0.5。
≠原地面标高-基坑开挖底标高+0.5。
扩展资料:
基坑降水方法主要有:
明沟加集水井降水、轻型井点降水、喷射井点降水、电渗井点降水、深井井点降水等等。
各种降水方法有其特点和适用情况,
明沟加集水井降水。
明沟加集水井降水是一种人工排降法。
它具有施工方便,用具简单,费用低廉的特点,在施工现场应用的最为普遍。
在高水位地区基坑边坡支护工程中,这种方法往往作为阻挡法或其他降水方法的辅助排降水措施,它主要排除地下潜水、施工用水和天降雨水。
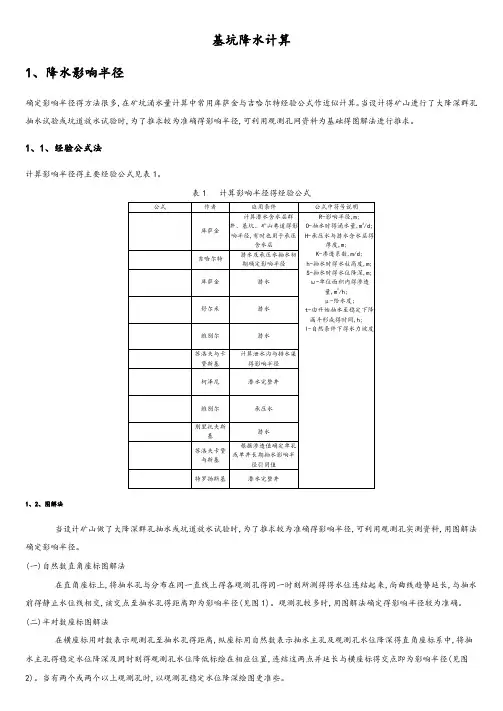
基坑降水计算1、降水影响半径确定影响半径得方法很多,在矿坑涌水量计算中常用库萨金与吉哈尔特经验公式作近似计算。
当设计得矿山进行了大降深群孔抽水试验或坑道放水试验时,为了推求较为准确得影响半径,可利用观测孔网资料为基础得图解法进行推求。
1、1、经验公式法计算影响半径得主要经验公式见表1。
表1 计算影响半径得经验公式1、2、图解法当设计矿山做了大降深群孔抽水或坑道放水试验时,为了推求较为准确得影响半径,可利用观测孔实测资料,用图解法确定影响半径。
(一)自然数直角座标图解法在直角座标上,将抽水孔与分布在同一直线上得各观测孔得同一时刻所测得得水位连结起来,尚曲线趋势延长,与抽水前得静止水位线相交,该交点至抽水孔得距离即为影响半径(见图1)。
观测孔较多时,用图解法确定得影响半径较为准确。
(二)半对数座标图解法在横座标用对数表示观测孔至抽水孔得距离,纵座标用自然数表示抽水主孔及观测孔水位降深得直角座标系中,将抽水主孔得稳定水位降深及同时刻得观测孔水位降低标绘在相应位置,连结这两点并延长与横座标得交点即为影响半径(见图2)。
当有两个或两个以上观测孔时,以观测孔稳定水位降深绘图更准些。
1、3、影响半径经验数值根据岩层性质、颗粒粒径及单位涌水量与影响半径得关系来确定影响半径,见表2与表3。
表2 松散岩土影响半径(R)经验数值岩土名称主要颗粒粒径(mm) 影响半径(m)粉砂细砂中砂粗砂板粗砂小砾中砾大砾0、05~0、10、1~0、250、25~0、50、5~1、01、0~2、02、0~3、03、0~5、05、0~10、025~5050~100100~200300~400400~500500~600600~15001500~3000 表3 单位涌水量与影响半径关系单位涌水量(L/S·m)影响半径(m)单位涌水量(L/S·m)影响半径(m)>2、0 2、0~1、0 1、0~0、5 >300~500100~30050~1000、5~0、330、33~0、2<0、225~5010~25<102 计算模型及公式2、1、潜水完整井计算模型…………………………………………公式1式中:Q基坑涌水量(m3/d);k:渗透系数(m/d);H:潜水含水层厚度(m):S:基坑水位降深(m);R:降水影响半径(m);r0:基坑等效半径(m)。
基坑降水计算指南1.降水影响半径确定影响半径的方法很多,在矿坑涌水量计算中常用库萨金和吉哈尔特经验公式作近似计算。
当设计的矿山进行了大降深群孔抽水试验或坑道放水试验时,为了推求较为准确的影响半径,可利用观测孔网资料为基础的图解法进行推求。
1.1、经验公式法计算影响半径的主要经验公式见表1。
表1 计算影响半径的经验公式1.2、图解法当设计矿山做了大降深群孔抽水或坑道放水试验时,为了推求较为准确的影响半径,可利用观测孔实测资料,用图解法确定影响半径。
(一)自然数直角座标图解法在直角座标上,将抽水孔与分布在同一直线上的各观测孔的同一时刻所测得的水位连结起来,尚曲线趋势延长,与抽水前的静止水位线相交,该交点至抽水孔的距离即为影响半径(见图1)。
观测孔较多时,用图解法确定的影响半径较为准确。
(二)半对数座标图解法在横座标用对数表示观测孔至抽水孔的距离,纵座标用自然数表示抽水主孔及观测孔水位降深的直角座标系中,将抽水主孔的稳定水位降深及同时刻的观测孔水位降低标绘在相应位置,连结这两点并延长与横座标的交点即为影响半径(见图2)。
当有两个或两个以上观测孔时,以观测孔稳定水位降深绘图更准些。
1.3、影响半径经验数值根据岩层性质、颗粒粒径及单位涌水量与影响半径的关系来确定影响半径,见表2与表3。
表2 松散岩土影响半径(R)经验数值表3 单位涌水量与影响半径关系2 计算模型及公式2.1.潜水完整井计算模型()⎪⎭⎫ ⎝⎛+-=01log 2366.1r R S S H kQ …………………………………………公式1式中:Q 基坑涌水量(m 3/d );k :渗透系数(m/d ); H :潜水含水层厚度(m ): S :基坑水位降深(m ); R :降水影响半径(m ); r 0:基坑等效半径(m )。
2.2.承压水完整井计算模型⎪⎪⎭⎫⎝⎛+=01lg 73.2r R MS kQ式中:Q :K R :r 0:基坑(m );M :承压含水层厚度(m )2.3.承压水非完整井计算模型⎪⎪⎭⎫⎝⎛+-+⎪⎪⎭⎫ ⎝⎛+=002.01lg 1lg 73.2r M l l M r R MSkQ ……………………………公式式中:Q :基坑涌水量(m 3/d );K :渗透系数(m/d ); R :降水影响半径(m ); r 0:基坑等效半径(m ); M :承压含水层厚度(m ); S :基坑水位降深(m );l :基坑降水井过滤器工作部分长度(m )()⎪⎪⎭⎫⎝⎛+--=021lg 2366.1r R h M M H kQ 式中:Q :基坑涌水量(m 3/d );K :渗透系数(m/d ); R :降水影响半径(m ); r 0:基坑等效半径(m ); M :承压含水层厚度(m );h2.5.线形工程潜水完整井计算模型R h H kL Q 22-=…………………………………………………公式5()222h H Rxh y -+=……………………………………………公式6 ()dR r d SS H k q w 2ln 2πππ+-=…………………………………………………公式7双直线井排,条件同上,适用条件:①均质潜水含水层; ②完整井点; ③位于无界含水层中; ④直线井点排,两侧进水; ⑤L>50m 。
基坑降水计算指南1.降水影响半径确定影响半径的方法很多,在矿坑涌水量计算中常用库萨金和吉哈尔特经验公式作近似计算。
当设计的矿山进行了大降深群孔抽水试验或坑道放水试验时,为了推求较为准确的影响半径,可利用观测孔网资料为基础的图解法进行推求。
1.1、经验公式法计算影响半径的主要经验公式见表1。
表1 计算影响半径的经验公式1.2、图解法当设计矿山做了大降深群孔抽水或坑道放水试验时,为了推求较为准确的影响半径,可利用观测孔实测资料,用图解法确定影响半径。
(一)自然数直角座标图解法在直角座标上,将抽水孔与分布在同一直线上的各观测孔的同一时刻所测得的水位连结起来,尚曲线趋势延长,与抽水前的静止水位线相交,该交点至抽水孔的距离即为影响半径(见图1)。
观测孔较多时,用图解法确定的影响半径较为准确。
(二)半对数座标图解法在横座标用对数表示观测孔至抽水孔的距离,纵座标用自然数表示抽水主孔及观测孔水位降深的直角座标系中,将抽水主孔的稳定水位降深及同时刻的观测孔水位降低标绘在相应位置,连结这两点并延长与横座标的交点即为影响半径(见图2)。
当有两个或两个以上观测孔时,以观测孔稳定水位降深绘图更准些。
1.3、影响半径经验数值根据岩层性质、颗粒粒径及单位涌水量与影响半径的关系来确定影响半径,见表2与表3。
表2 松散岩土影响半径(R)经验数值表3 单位涌水量与影响半径关系2 计算模型及公式2.1.潜水完整井计算模型()⎪⎭⎫ ⎝⎛+-=01log 2366.1r R S S H kQ …………………………………………公式1式中:Q 基坑涌水量(m 3/d );k :渗透系数(m/d ); H :潜水含水层厚度(m ): S :基坑水位降深(m ); R :降水影响半径(m ); r 0:基坑等效半径(m )。
2.2.承压水完整井计算模型⎪⎪⎭⎫⎝⎛+=01lg 73.2r R MS kQ式中:Q :K R :r 0:基坑(m );M :承压含水层厚度(m )2.3.承压水非完整井计算模型⎪⎪⎭⎫⎝⎛+-+⎪⎪⎭⎫ ⎝⎛+=002.01lg 1lg 73.2r M l l M r R MSkQ ……………………………公式式中:Q :基坑涌水量(m 3/d );K :渗透系数(m/d ); R :降水影响半径(m ); r 0:基坑等效半径(m ); M :承压含水层厚度(m ); S :基坑水位降深(m );l :基坑降水井过滤器工作部分长度(m )()⎪⎪⎭⎫⎝⎛+--=021lg 2366.1r R h M M H k Q 式中:Q :基坑涌水量(m 3/d );K :渗透系数(m/d ); R :降水影响半径(m ); r 0:基坑等效半径(m ); M :承压含水层厚度(m );h2.5.线形工程潜水完整井计算模型R h H kL Q 22-=…………………………………………………公式5()222h H Rxh y -+=……………………………………………公式6 ()dR r d SS H k q w 2ln 2πππ+-=…………………………………………………公式7双直线井排,条件同上,适用条件:①均质潜水含水层; ②完整井点; ③位于无界含水层中; ④直线井点排,两侧进水; ⑤L>50m 。
一、潜水计较公式之五兆芳芳创作1、公式1式中:Q为基坑涌水量(m3/d);k为渗透系数(m/d);H为潜水含水层厚度(m);S为水位降深(m);R为引用影响半径(m);为基坑半径(m).r2、公式2式中:Q为基坑涌水量(m3/d);k为渗透系数(m/d);H为潜水含水层厚度(m);S为水位降深(m);b为基坑中心距岸边的距离(m);为基坑半径(m).r3、公式3式中:Q为基坑涌水量(m3/d);k为渗透系数(m/d);H为潜水含水层厚度(m);S为水位降深(m);为基坑中心距A河岸边的距离(m);b1为基坑中心距B河岸边的距离(m);b2b'=b1+b2;为基坑半径(m).r4、公式4式中:Q为基坑涌水量(m3/d);k为渗透系数(m/d);H为潜水含水层厚度(m);S为水位降深(m);R为引用影响半径(m);为基坑半径(m);rb''为基坑中心至隔水鸿沟的距离.5、公式5式中:Q为基坑涌水量(m3/d);k为渗透系数(m/d);H为潜水含水层厚度(m);R为引用影响半径(m);为基坑半径(m);rl为过滤器有效任务长度(m);h 为基坑动水位至含水层底板深度(m);h 为潜水层厚与动水位以下的含水层厚度的平均值(m).6、公式6式中:Q 为基坑涌水量(m 3/d);k 为渗透系数(m/d);r 0为基坑半径(m); S 为水位降深(m);l 为过滤器有效任务长度(m);b 为基坑中心距岸边的距离(m);m 为含水层底板到过滤器有效任务部分中点的长度.7、公式7(1)、b>l(2)、b>l式中:Q 为基坑涌水量(m 3/d);k 为渗透系数(m/d);r 0为基坑半径(m); S 为水位降深(m);l 为过滤器有效任务长度(m);b 为基坑中心距岸边的距离(m).8、公式8Q为基坑涌水量(m3/d);k为渗透系数(m/d);H为潜水含水层厚度(m);S为水位降深(m);R为引用影响半径(m);为基坑半径(m);rb''为基坑中心至隔水鸿沟的距离(m);为过滤器进水部分长度0.5处至静水位的距离(m);hsT为过滤器进水部分长度0.5处至含水层底板的距离(m); 为不完整井阻力系数.9、公式9式中:Q为基坑涌水量(m3/d);为上层含水层的渗透系数(m3/d);k2为下层含水层的渗透系数(m3/d);k1为上层含水层厚度(m);H1为下层含水层厚度(m);M1为基坑动水位到上层含水层底板的距离(m);hR为引用影响半径(m);为基坑半径(m).r10、公式10Q为基坑涌水量(m3/d);k 3、k2、k1为上、中、下含水层的渗透系数(m3/d);H1为上层含水层厚度(m);M1为下层含水层厚度(m);M2为中层含水层厚度(m);h为基坑动水位到上层含水层底板的距离(m);R为引用影响半径(m);r为基坑半径(m).二、承压水计较公式1、公式1式中:Q为基坑涌水量(m3/d);k为渗透系数(m/d);M为承压水含水层厚度(m);S为水位降深(m);R为引用影响半径(m);r为基坑半径(m).2、公式2式中:Q为基坑涌水量(m3/d);k为渗透系数(m/d);M为承压水含水层厚度(m);S为水位降深(m);b为基坑中心距岸边的距离(m);为基坑半径(m).r3、公式3式中:Q为基坑涌水量(m3/d);k为渗透系数(m/d);M为承压水含水层厚度(m);S为水位降深(m);为基坑中心距A河岸边的距离(m);b1为基坑中心距B河岸边的距离(m);b2b'=b1+b2;为基坑半径(m).r4、公式4式中:Q为基坑涌水量(m3/d);k为渗透系数(m/d);M为承压水含水层厚度(m);S为水位降深(m);R为引用影响半径(m);为基坑半径(m);rb''为基坑中心至隔水鸿沟的距离.5、公式5式中:Q为基坑涌水量(m3/d);k为渗透系数(m/d);M为承压水含水层厚度(m);R为引用影响半径(m);为基坑半径(m);rl为过滤器有效任务长度(m);6、公式6(1)、l<0.3M,b<2l(2)、l<0.3M,b>2l式中:Q为基坑涌水量(m3/d);k为渗透系数(m/d);M为承压水含水层厚度(m);R为引用影响半径(m);为基坑半径(m);rl为过滤器有效任务长度(m);b为基坑中心距岸边的距离(m).7、公式7式中:Q为基坑涌水量(m3/d);k为渗透系数(m/d);M为承压水含水层厚度(m);S为水位降深(m);R为引用影响半径(m);为基坑半径(m);rb''为基坑中心至隔水鸿沟的距离(m);为不完整井阻力系数.8、公式8式中:Q为基坑涌水量(m3/d);k为渗透系数(m/d);M为承压水含水层厚度(m);S为水位降深(m);R为引用影响半径(m);为基坑半径(m);rh为含水层底板到动水位距离(m).9、公式9式中:Q为基坑涌水量(m3/d);k为渗透系数(m/d);M'为过滤器进水部分长度0.5处至含水层顶板的距离(m);R为引用影响半径(m);为基坑半径(m);rl为过滤器有效任务长度(m);H'为过滤器进水部分长度0.5处至静水位的距离(m);T为过滤器进水部分长度0.5处至含水层底板的距离(m); 为不完整井阻力系数.10、公式10式中:Q为基坑涌水量(m3/d);k为渗透系数(m/d);H为含水层水头高度(m);M为承压水含水层厚度(m);S为水位降深(m);R为引用影响半径(m);为基坑半径(m);rb''为基坑中心至隔水鸿沟的距离.11、公式11式中:Q为基坑涌水量(m3/d);k为渗透系数(m/d);M'为过滤器进水部分长度0.5处至含水层顶板的距离(m);R为引用影响半径(m);为基坑半径(m);rl为过滤器有效任务长度(m);H'为过滤器进水部分长度0.5处至静水位的距离(m);T为过滤器进水部分长度0.5处至含水层底板的距离(m);b''为基坑中心至隔水鸿沟的距离(m);为不完整井阻力系数.三、条形基坑降水计较公式1、公式1式中:Q为基坑涌水量(m3/d);k为渗透系数(m/d);M为承压水含水层厚度(m);S为水位降深(m);L为基坑长度(m);R为引用影响半径(m);2、公式2式中:q为单井出水量(m3/d);k为渗透系数(m/d);M为承压水含水层厚度(m);S为水位降深(m);R为引用影响半径(m);d为井间距之半(m);为井点半径(单排)或排距之半(双排)(m). rw3、公式3式中:q为单井出水量(m3/d);k为渗透系数(m/d);M为承压水含水层厚度(m);S为水位降深(m);R为引用影响半径(m);d为井间距之半(m);为不完整井阻力系数.4、公式4式中:Q为基坑涌水量(m3/d);q为单井出水量(m3/d);k为渗透系数(m/d);L为基坑长度(m);H为含水层水头高度(m);M为承压水含水层厚度(m);S为水位降深(m);R为引用影响半径(m);d为井间距之半(m);为井点半径(单排)或排距之半(双排)(m).rw5、公式5式中:q为单井出水量(m3/d);k为渗透系数(m/d);为过滤器进水部分长度0.5处至静水位的距离(m);HsS为水位降深(m);R为引用影响半径(m);d为井间距之半(m);为井点半径(单排)或排距之半(双排)(m);rw为不完整井阻力系数.6、公式6式中:q为单井出水量(m3/d);k为渗透系数(m/d);M为承压水含水层厚度(m);h为含水层底板到动水位距离(m).H为含水层水头高度(m);R为引用影响半径(m);d为井间距之半(m);为井点半径(单排)或排距之半(双排)(m).rw7、公式7式中:q为单井出水量(m3/d);k为渗透系数(m/d);M'为过滤器进水部分长度0.5处至含水层顶板的距离(m);S为水位降深(m);R为引用影响半径(m);为基坑半径(m);rl为过滤器有效任务长度(m);H'为过滤器进水部分长度0.5处至静水位的距离(m);T为过滤器进水部分长度0.5处至含水层底板的距离(m);d为井间距之半(m);为井点半径(单排)或排距之半(双排)(m).rw为不完整井阻力系数.四、单井出水量计较公式1、轻型井点/喷射井点式中:q为单井出水量(m3/d);i为水力坡度,开始抽水时i=1;k为渗透系数(m/d);D为钻孔直径(m);H为含水层厚度.2、管井井点式中:q为单井出水量(m3/d);2/);φ为单井单位长度出水量(m dα'为经验系数;l为过滤器浸没长度(m);d为过滤器外径(mm);五、水位降深计较公式1、潜水式中:Q为基坑涌水量(m3/d);k为渗透系数(m/d);H为含水层厚度(m);S为某点水位降深(m);R为引用影响半径(m);...为某点到各井点中心的距离;x x x12nn为井数量.2、承压水式中:Q为基坑涌水量(m3/d);k为渗透系数(m/d);M为承压水含水层厚度(m);S为某点水位降深(m);R为引用影响半径(m);...为某点到各井点中心的距离;x x xn12n为井数量.六、井深计较公式井深式中:L为井点管埋设深度(m);H为基坑深度(m);h为降水后水面距基坑底的深度(m) ;一般取0.5; i为降水区内的水力坡度;一般取0.1-0.3;为基坑等效半径(m);rZ为降水期内地下水位变更幅度(m) ;Y为过滤器任务部分长度(m);T为沉砂管长度(m);一般取为0.5.。
6.3基坑降水方案设计
6.3.1降水井型
选6型喷射井点:外管直径为200mm,采用环形布置方案。
6.3.2井点埋深
埋置深度须保证使地下水降到基坑底面以下,本工程案例取降到基坑面以下
1.0m处。
埋置深度可由下式确定:
L = H h :h i x h i r 0 l
(6.2)
式中:
L ――井点管的埋置深度(m);
H ―― 基坑开挖深度(m);这里H =12m
h ——井点管露出地面高度(m),这里可取一般值
0.2m ;
h ―― 降水后地下水位至基坑底面的安全距离(m),
本次可取1.0m ;
i x ―― 降水漏斗曲线水力坡度,本次为环状,取0.1;
h i ——井点管至基坑边线距离(m),本次取1.0m ;
r0 -----基坑中心至基坑边线的距离(m),本次工程案
例去最近值宽边的一半,即40m;
l ---- 滤管长度(m),本次取1.0m。
故带入公式可得埋置深度L为:
L=H h h i x h「0 I =12 0.2 1.0 0.1 (1.0 40) 1.0=18.3m
6.3.3环形井点引用半径
采用“大井法”,参考规范,将矩形(本案例长宽比为 2.5,小于10)基坑折算成半径为X0的理想大圆井,按“大井法”计算涌水量,故本次基坑的引用半径:
X0=专
(6.3)
式中:
a,b ----- 基坑的长度和宽度(m),a=200m,b=80m
亠1.16型80
4 4
8 m. 2
(6.4) 式中:
例取5d ;
-系数,可参照下表格选取: 表6.1 系数n 表
a = °2OO =040 ,贝U 「-1.16
故带入公式可得本次基坑的引用半径 X 。
为:
6.3.4井点抽水影响半径
由下列公式可求得抽水影响半径:
t 时间,自抽水时间算起(2-5昼夜)(d ),本案 k ―― 土的渗透
系数(m/d ),这里取平均值
k =2.7m/ d ;
H w
含水层厚度(m ),本次取承压含水层厚度含水 层厚度④,⑤土层厚度的总和,即为 H w =5.2 • 6 = 11.2m ,
m ―― 土的给水度,按表
3.2确定,本次取圆砾 m=0.2,另外由上述计算可得 X
o= 73.7m 。
35840
10 =3584.0m 3/d 2 2.7 5 11.2
0.2
=90.0m
故带入公式
表6.2 土的给水度m 表
土的 种类 砾石、 卵石
粗砂 中砂 细砂 粉砂 粉质粘土
粘土 泥炭 m
0.30- 0.25-
0.20- 0.15- 0.10- 0.10- :0.04- 0.02- 0.35 0.30
0.25
0.20
0.15
0.15
0.07
0.05
故带入公式可得抽水影响半径R 为:
6.3.5基坑涌水量计算
(1) 基坑稳定渗流涌水量 用下列公式来进行计算:
2.73k MS
~--
ig(R x o )_ lg
X 0
(6.5) 式中:
k
土的渗透系数(m/d),这里取平均值
k =2.7m/ d ;
M ―― 总含水层厚度(m),这里M =12-1.2 = 10.8m ;
S —— 地下水水位降深(m),本次取13m ;另外由上
述计算可得 R=9O.m X
,0
二8 1m 2故带入公式可得基坑稳定渗流涌水量
Q !为:
Q =2.73 2.7 绞8丄3 3194.6m 3/d
r lg(81.2 90.0)-lg81.2
(2) 基坑静储水量计算
取基坑土体给水度m =0.20,故基坑总静储水量 V(m3)可由下式计算:
V 二 H w ab m
(6.6)
由上述计算可得: H w =11.2m, a =200m,b =80m,m =0.2 可得基坑静储水量V 为:
V -11.2 200 80 0.2= 35840m 3
按预降水10d 算,则平均日出水量Q 为:
(6.7)
(3) 基坑总涌水量计算 则基坑的总涌水量为:
x 0 2kt
H w
=
q
I
y^H -
Q 二q Q =31946 3584.0= 6778.6n 3
/d
(6.8)
636基坑单井出水量计算
可采用完整承压井来计算单井出水量,公式如下:
2.73kM H w lg R - lg r w
(6.9) 式中:
水井半径(m ),可取外管半径200mm ;
由上述计算可得:k =2.7m/d,M =10.8m,H w =11.2m,R = 83.3m 。
故带 入公式可得基坑单井出水量q 为:
2.73kM H w = 2.73汉
2.7汉
1121108 = 337.2^8
IgR-lgr w Ig90.0-lg0.2
6.3.7基坑单井数量和井间距的确定 (1)基坑井点数量计算 管井数量为: n =1.2Q q=1.2 6 7 7 8.6 337(个)
(6.10) 实取24根井点管。
(2)基坑井点间距计算 井点间距:
2 200 2T"
8°23.r3(6.11)
6.3.8基坑单井数量复核验算 用下式计算:
(6.12)
(6.13) 式中:
n 取外围井的数量24, Q=6778.6m 3
/d ,y °对于承压完整井,可按下式计 算:
'
.逢 lg R r w -!|g(n x 0-r w ) kM _
n
(6.14)
式中:
H'——承压水头至该含水层底板的距离,本次案例的
综合承压稳定水头相对标高为-1.2m,故参照工勘报告中的土层特性参数表,
取其值为-14.27m,其他所有参数均同前述,不再重复。
贝U:
y° =14.27 —O.3;》:;7:.6 |lg (90.0 +0.20 )—±lg(24 ><81.223汉0.20)]= 6.0m 故:LB 1il 6511.0 0.9 :: y0( = 6.0)
n- 24 324.8" 1.0 0
所以满足要求。
6.3.9基坑井降水深度验算
对于承压含水层:
(6.15) 式中:
° 0.366Q。
订$»* 1 1 / 、S—」lg(R r w)—lg(x1 X2 x^l x n)
kM ] n 一
S ―― 基坑中心处地下水位降深值(m);
Q由n、y°、书的乘积得出的基坑抽水总流量
(m3/d);
X1, x2, x3l I , rx 基坑中心距各井点中心的距离(m)。
由上小节可分配井点分布方案:在基坑角点想外扩展1m,形成井点轮廓,在轮廓的角点处设置四口井,其余在宽边各设置3 口井:中点处一口,两边对称设置1 口;长边设置7 口:中点处设置一口,其余在两旁各设置3 口,对称布置, 则基坑井点轮廓宽边处的井点距离为 20.5m,长边为25.3m。
各井点中心距离基坑中心的距离可参照此方案按几何勾股定理方法确定,如下图 3.3
所示,在此不
再累赘。
故可得出如下结论:
c 0.366 24 6.0 3372 1.0
S - ■ 2.7X0.8
lg(90.0 0.20)-2lg(1012412103.1° 109.0° 86.1465.0° 48.24) - 24 = 44.8 1.0m
故满足要求。
其各井点中心到基坑中心的距离理想示意图,如下图所示:
图6.2 各井点中心到基坑中心的距离理想示意图。