常见报文格式帧结构
- 格式:pdf
- 大小:246.25 KB
- 文档页数:6
以太网帧结构详解分类:计算机网络知识2011-10-25 20:28 3165人阅读评论(0) 收藏举报byte网络工作serviceaccess扩展1 以太网相关背景以太网这个术语通常是指由DEC,Intel和Xerox公司在1982年联合公布的一个标准,它是当今TCP/IP采用的主要的局域网技术,它采用一种称作CSMA/CD 的媒体接入方法。
几年后,IEEE802委员会公布了一个稍有不同的标准集,其中802.3针对整个CSMA/CD网络,802.4针对令牌总线网络,802.5针对令牌环网络;此三种帧的通用部分由802.2标准来定义,也就是我们熟悉的802网络共有的逻辑链路控制(LLC)。
由于目前CSMA/CD的媒体接入方式占主流,因此本文仅对以太网和IEEE 802.3的帧格式作详细的分析。
在TCP/IP世界中,以太网IP数据报文的封装在RFC 894中定义,IEEE802.3网络的IP数据报文封装在RFC 1042中定义。
标准规定:1)主机必须能发送和接收采用RFC 894(以太网)封装格式的分组;2)主机应该能接收RFC 1042(IEEE 802.3)封装格式的分组;3)主机可以发送采用RFC 1042(IEEE 802.3)封装格式的分组。
如果主机能同时发送两种类型的分组数据,那么发送的分组必须是可以设置的,而且默认条件下必须是RFC 894(以太网)。
最常使用的封装格式是RFC 894定义的格式,俗称Ethernet II或者Ethernet DIX。
下面,我们就以Ethernet II称呼RFC 894定义的以太帧,以IEEE802.3称呼RFC 1042定义的以太帧。
2 帧格式Ethernet II和IEEE802.3的帧格式分别如下。
Ethernet II帧格式:----------------------------------------------------------------------------------------------| 前序| 目的地址| 源地址| 类型| 数据 |FCS |---------------------------------------------------------------------------------------------- | 8 byte | 6 byte | 6 byte | 2 byte | 46~1500 byte | 4 byte|IEEE802.3一般帧格式--------------------------------------------------------------------------------------------------------------| 前序| 帧起始定界符| 目的地址| 源地址| 长度| 数据| FCS |------------------------------------------------------------------------------------------------------------| 7 byte | 1 byte | 2/6 byte | 2/6 byte | 2 byte | 46~1500 byte | 4 byte |Ethernet II和IEEE802.3的帧格式比较类似,主要的不同点在于前者定义的2字节的类型,而后者定义的是2字节的长度;所幸的是,后者定义的有效长度值与前者定义的有效类型值无一相同,这样就容易区分两种帧格式了。
以太网数据格式与各种报文格式一、数据封装当我们应用程序用TCP传输数据的时候,数据被送入协议栈中,然后逐个通过每一层,知道最后到物理层数据转换成比特流,送入网络。
而再这个过程中,每一层都会对要发送的数据加一些首部信息。
整个过程如下图。
如图可以看出,每一层数据是由上一层数据+本层首部信息组成的,其中每一层的数据,称为本层的协议数据单元,即PDU.应用层数据在传输层添加TCP报头后得到的PDU被称为Segment(数据段),图示为TCP段传输层的数据(TCP段)传给网络层,网络层添加IP报头得到的PDU被称为Packet(数据包); 图示为IP数据包网络层数据报(IP数据包)被传递到数据链路层,封装数据链路层报头得到的PDU被称为Frame(数据帧),图示为以太网帧。
最后,帧被转换为比特,通过网络介质传输。
这种协议栈逐层向下传递数据,并添加报头和报尾的过程称为封装。
二、数据格式需要注意的是,这里所说的以太网帧,与我们常说的以太网是不一样的。
下面我们就来介绍每一层数据的首部信息内容。
首先我们知道世界上有个协会叫作IEEE,即电子工程师协会,里面有个分会,叫作IEEE802委员会,是专门来制定局域网各种标准的。
而802下面还有个分部,叫作802.3.就是我们经常提到的IEEE802.3,这个部门制定的规范叫以太网规范,这个以太网规范中就定义了上面提到的“以太网首部”,这个以太网规范,实际只定义了数据链路层中的MAC层和物理层规范。
(注意数据链路层包括MAC子层和LLC子以太网帧格式:以太网常用帧格式有两种,一种是Ethernet II,另一种是IEEE 802.3 格式。
这两种格式区别是:Ethernet II中包含一个Type字段,。
其中Type字段描述了,以太网首部后面所跟数据包的类型,例如Type为0x8000时为IP协议包,Type为8060时,后面为ARP协议包。
以太网中多数数据帧使用的是Ethernet II帧格式。
1. 104规约框架分析1.1 原始报文的组成报文组成(1字节启动字符0x68,1字节报文长度,4字节控制域,不定长用户数据)第1个字节是启动字符0x68;第2个字节是报文长度;第3~6共4个字节是控制域;第7个字节是报文类型;第8个字节是可变结构限定词;第9~10共2个字节是传送原因;第11~12共2个字节是应用服务数据单元公共地址;第13~15共3个字节是信息对象地址;。
1.2 三种报文格式的控制域定义(1)I帧编号的信息传输格式(InFormation Transmit Format),简称I-格式I格式控制域标志,控制域:第一个八位位组的第一位比特= 0 第三个八位位组第一位比特= 0(2)S帧编号的监视功能格式(Numbered supervisory Functions),简称S-格式,控制域,第一个八位位组的第一位比特= 1 并且第二位比特= 0,第三个八位位组第一位比特= 0(3)U帧不编号的控制功能格式(Unnumbered control Function),简称U-格式,第一个八位位组的第一位比特= 1 并且第二位比特=1 且第三个八位位组第一位比特= 01.3 报文类型(第7个字节)1.3.1 监视方向的应用功能类型类型标识∶=UI8[1..8]<0..44>M_SP_NA_1(1) 无时标单点遥信M_SP_TA_1(2) 带短时标的单点遥信M_DP_NA_1(3) 无时标双点遥信M_DP_TA_1(4) 带短时标双点遥信M_ST_NA_1(5) 步位置信息M_ST_TA_1(6) 带短时标的步位置信息M_BO_NA_1(7) 32比特串M_BO_TA_1(8) 带短时标的比特串M_ME_NA_1(9) 不带时标的常规遥测(规一化值)M_ME_TA_1(10) 带短时标的常规遥测(规一化值)M_ME_NB_1(11) 不带时标的常规遥测(标度化值)M_ME_TB_1(12) 带短时标的常规遥测(标度化值)M_ME_NC_1(13) 不带时标浮点遥测M_ME_TC_1(14) 带短时标浮点遥测M_IT_NA_1(15) 累计量M_IT_TA_1(16) 带短时标的累计量M_EP_TA_1(17) 带短时标的继电保护装置事件M_EP_TB_1(18) 带短时标的继电保护装置成组事件M_EP_TC_1(19) 带短时标的继电保护装置成组输出电路信息M_PS_NA_1(20) 带变位检出的成组单点信息M_ME_ND_1(21) 不带品质描述的常规遥测(规一化值)M_SP_TB_1(30) 带长时标的单点遥信M_DP_TB_1(31) 带长时标的双点遥信M_ST_TB_1(32) 带长时标的步位置信息M_BO_TB_1(33) 带长时标的32比特串M_ME_TD_1(34) 带长时标的遥测(规一化值)M_ME_TE_1(35) 带长时标的遥测(标度化值)M_ME_TF_1(36) 带长时标的浮点遥测M_IT_TB_1(37) 带长时标的累计量M_EP_TD_1(38) 带长时标的继电保护装置事件M_EP_TE_1(39) 带长时标的继电保护装置成组事件M_EP_TF_1(40) 带长时标的继电保护装置成组输出电路信息1.3.2 控制方向的过程信息类型标识∶= UI8[1..8]<45..69>C_SC_NA_1(45) 单点遥控命令C_DC_NA_1(46) 双点遥控命令C_RC_NA_1(47) 调节步命令C_SE_NA_1(48) 设定值命令,规一化值C_SE_NB_1(49) 设定值命令,标度化值C_SE_NC_1(50) 设定值命令,短浮点数C_BO_NC_1(51) 32比特串1.3.3 在监视方向的系统信息类型标识∶= UI8[1..8]<70..99>M_EI_NA_1(70) 初始化结束<71..99>∶= 保留1.3.4 在控制方向的系统信息类型标识∶= UI8[1..8]<100..109>C_IC_NA_1(100) 总召唤C_CI_NA_1(101) 累计量召唤命令C_RD_NA_1(102) 读取数据命令C_CS_NA_1(103) 时钟同步命令C_TS_NA_1(104) 测试命令C_RP_NA_1(105) 复位进程命令C_CD_NA_1(106) 收集传输延时P_ME_NA_1(110) 测量值参数,规一化值P_ME_NB_1(111) 测量值参数,标度化值P_ME_NC_1(112) 测量值参数,短浮点数P_AC_NA_1(113) 参数激活F_FR_NA_1(120) 文件准备就绪F_SR_NA_1(121) 节准备就绪F_SC_NA_1(122) 召唤目录,选择文件,召唤文件召唤节F_LS_NA_1(123) 最后的节,最后的段F_AF_NA_1(124) 认可文件,认可节F_SG_NA_1(125) 段F_DR_NA_1(126) 目录1.4 可变结构限定词(第8个字节)可变结构限定词,下图所示:bit 8 7 6 5 4 3 2 1S数目Q第1~7bit位表示信息元素的个数,比如10个遥信值,20个遥测值等等第8 bit位是表示,后面信息单元中的数据是否连续,=1时表示是连续,=0时表示是非连续。
CAN总线协议的报文帧结构形式在报文传输时,不同的帧具有不同的传输结构,下面将分别介绍四种传输帧的结构,只有严格按照该结构进行帧的传输,才能被节点正确接收和发送。
(1)数据帧:由七种不同的位域(Bit Field)组成:帧起始(Start of )、仲裁域(Arbitration Field)、控制域(Control Field)、数据域(DataField)、CRC域(CRC Field)、应答域(ACK Field)和帧结尾(End of )。
数据域的长度可以为0~8个字节。
1)帧起始(SOF):帧起始(SOF)标志着数据帧和远程帧的起始,仅由一个“显性”位组成。
在CAN的同步规则中,当总线空闲时(处于隐性状态),才允许站点开始发送(信号)。
所有的站点必须同步于首先开始发送报文的站点的帧起始前沿(该方式称为“硬同步”)。
2)仲裁域:仲裁域由标识符和RTR位组成,标准帧格式与扩展帧格式的仲裁域格式不同。
标准格式里,仲裁域由11位标识符和RTR位组成。
标识符位 有ID28~IDl8。
扩展帧格式里,仲裁域包括29位标识符、SRR位、IDE位、RTR 位。
其标识符有ID28~ID0。
为了区别标准帧格式和扩展帧格式,CAN l.0~1.2版本协议的保留位 r1现表示为IDE位。
IDE位为显性,表示数据帧为标准格式;IDE位为隐性,表示数据帧为扩展帧格式。
在扩展帧中,替代远程请求 (Substitute Remote Request,SRR)位为隐性。
仲裁域传输顺序为从最高位到最低位,其中最高7位不能全为零。
RTR的全称为“远程发送请求(Remote TransmissionRequest)”。
RTR位在数据帧里必须为“显性”,而在远程帧里必须为“隐性”。
它是区别数据帧和远程帧的标志。
3)控制域:控制域由6位组成,包括2个保留位(r0、r1同于CAN总线协议扩展)及4位数据长度码,允许的数据长度值为0~8字节。
104报文格式
104报文格式是一种通信协议中的报文格式,主要用于智能设备之间的通信和数据交换。
它由报文头、报文数据、校验和以及报文尾组成。
报文头包含了报文的一些基本信息,如报文类型、长度等;报文数据是104报文的主要内容,包括了要传输的数据;校验和用于检验数据在传输过程中是否发生错误;报文尾包含了一些附加信息。
在104规约中,报文由启动字符、报文长度、控制域和应用服务数据单元组成。
根据不同的应用,控制域的格式有三种类型:I格式帧用于编号的信息传输,S格式帧用于编号的监视功能,U格式帧用于未编号的控制功能。
这些不同类型的报文格式适用于不同的应用场景,以满足不同的控制需求。
以上信息仅供参考,如果需要更多信息,建议咨询相关技术人员或查阅相关技术文档。
104规约报文解析(实例(适用初学者))IEC 104规约报文解析一、固定长度报文:111、格式:启动字符长度控制域一控制域二控制域三控制域四启动字符:68长度:该字节之后的报文的字节数目。
短帧都为042、常见帧:启动链路:68 04 07 00 00 00启动链路确认:68 04 0B 00 00 00测试帧:68 04 43 00 00 00测试确认:68 04 83 00 00 00监视帧:68 04 01 00 00 00二、可变长度报文1、格式:启动字符长度控制域一控制域二控制域三控制域四类型标识符可变结构限定词传送原因高字节传送原因低字节公共地址高字节公共地址低字节数据启动字符:68长度:该字节之后的报文的字节数目类型标识:0x01:单点遥信0x09:归一化遥测(整型)0x0D:浮点型遥测0x03:双点遥信0x1e:SOE(事件记录)0x67:对时0x25:电度0x64:总召0x2d:单点遥控0x2e:双点遥控可变结构限定词:最高位表示数据是否连续,1:连续。
不连续,低7位表示报文中包含的数据的个数。
传送原因:0x06:激活0x07:激活确认0xA:激活终止0x8:停止激活0x09:激活停止确认公共地址:设备地址2、常见报文的格式:点号=肇端地点大概信息体地点-104规约中配置的肇端地点遥信:继续:数据报文的花式:3个字节(低前高后)肇端地点+n个字节的遥信值不继续:数据报文的花式:3个字节(低前高后)信息体地点+1个字节的遥信值3个字节(低前高后)信息体地址+1个字节的遥信值3个字节(低前高后)信息体地址+1个字节的遥信值遥测:继续:数据报文的花式:3个字节(低前高后)肇端地点+(4个字节的遥测值+1个字节的品格描绘)n组不继续:数据报文的花式:3个字节(低前高后)信息体地点+4个字节的遥测值+1个字节的品格描绘3个字节(低前高后)信息体地点+4个字节的遥测值+1个字节的品格描绘3个字节(低前高后)信息体地址+4个字节的遥测值+1个字节的品质描述SOE:不区分连续不连续数据报文花式:3个字节肇端地点+1个字节值+7个字节的时标(毫秒、秒、分、时、日、月、年)电度:继续:数据报文花式:3个字节(低前高后)肇端地点+(4个字节的遥测值+1个字节的品格描绘+7个字节的时标)×n组(毫秒、秒、分、时、日、月、年)不连续:3个字节(低前高后)起始地址+(4个字节的遥测值+1个字节的品质描述+7个字节的时标)3个字节(低前高后)起始地址+(4个字节的遥测值+1个字节的品质描述+7个字节的时标)遥控:3个信息体地址+1个字节命令码对时:3个字节信息体地址+7个字节的时标(毫秒、秒、分、时、日、月、年)三、报文举例1、主站发总召:68 0E 00 00 00 xxxxxxxx0001 00 00 00 00 142、主站收到的总召响应报文:68 0E 06 00 02 xxxxxxxx 0001 00 00 00 00 143、主站收到的全遥信报文:68 38 08 00 02 0001AB14 0001 0001 00 0000 00 01 00 00 00 01 00 01 00 01 00 00 00 01 0001 00 01 00 00 00 00 00 00 00 00 0001 00 01 00 00 00 00 00 01 00 00 00 01 00 004、主站收到的全遥测报文:68 F3 0A 00 02 000DAE 0001 4C 009A 99 41 41 00 34 33 97 41 00 67 66 08 C2 00 3333 03 42 00 2E 33 23 41 00 67 66 92 C1 00 66 66 AA C1 00 9A 99 19 B6 00 9A 99 11 C1 00 00 004A 42 00 CE CC 47 C3 00 98 99 41 C2 00 CF 8C 89 C3 00 36 33 29 42 00 66 66 D3 42 00 9B 19 3143 00 02 00 AB 43 00 9A 19 47 43 00 CE 4C 78 C3 00 00 00 C9 42 00 35 33 7D C3 00 00 00 5D C300 FF FF E6 C2 00 68 E6 D8 43 00 CB CC C8 41 00 CF CC D0 C1 00 9C 59 E6 C3 00 CF CC E0 C3 009A 99 AE 42 00 CA 2C 4B 44 00 CD CC 8C 36 00 66 66 80 C2 00 01 80 25 C3 00 96 F9 A1 C4 00 6666 0C C3 00 01 80 B4 43 00 62 66 94 C2 00 66 66 18 C4 00 67 66 1C C3 00 9A 99 70 C3 00 01 80CD C3 00 01 80 D2 43 00 CA 0C 6D 44 00 66 66 26 38 00 97 39 56 44 00 6C 66 38 C2 004、主站收到的总召结束报文:68 0E 0C 00 02 xxxxxxxA0001 00 00 00 00 145、主站发送的对时报文:68 14 02 00 0E xxxxxxxx0001 00 00 00 008E 6D 2C 0B 2F 0B 0A6、主站收到的对时返回:68 14 0E 00 04 xxxxxxxx0001 00 00 00 008E 6D 2C 0B 2F 0B 0A7、主站收到的SOE报文:68 20 12 00 04 001Exxxxxxxx 0003 00 AF 3A 13 1E 03 0003 00 AF 3A 131E 03 008、主站发送的遥控预置报文68 0E 00 00 00 002Exxxxxxxx 0001 60 008d9、主站收到的遥控预置返校报文68 0E 00 00 00 002Exxxxxxxx 0001 60 008d10、主站发送的遥控执行报文68 0E 00 00 00 002Exxxxxxxx 0001 60 000d11、主站收到的遥控执行确定报文68 0E 00 00 00 002Exxxxxxxx 0001 60 000d12、主站发送的遥控撤消报文68 0E 00 00 00 002Exxxxxxxx 0001 60 008d13、主站收到的遥控撤销确认报文68 0E 00 00 00 002Exxxxxxxx 0001 60 008d14、主站收到的变革遥信报文:68 3A 14 00 04 C 0007 00 00 D 00 F 00 00 00 B 00 D 00 00 00 00 B 00 、主站收到的变化遥测报文:。
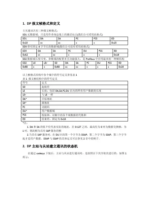
1.DP报文帧格式和定义主从通讯共有三种报文帧格式:SD1:无数据域,只是用作查询总线上的激活站点(我们公司采用此格式)SD1 DA SA FC FCS ED0x10 xx xx x x 0x15 SD3:带有固定8字节长的数据域(我们公司没有采用此格式)SD3 DA SA FC DU FCS ED xx xx x x x 0x16 0xA2SD2:数据域长度可变,参数域的配置多且功能强大,是Profibus中应用最多的一种帧结构SD2 LE LEr SD DA SA FC DU FCS EDxx xx x x x 0x16 x x 0x680x68以上帧格式结构中各个域中的符号定义参见表1表1 报文帧结构中的符号定义符号定义SD 起始符LE 长度:包括DA,SA,FC,DU在内的所有用户数据的长度LEr 与LE一样DA* 目标地址SA* 源地址FC 功能码DU* 用户数据域FCS 校验和,对帧中的各个域数据的代数和ED 结束符,固定为0x16*注:1. DA和SA的低7位代表实际的地址,在0-127之间,最高位为0时为数据交换帧,为1时,则此帧为具有SAP服务的帧2.当具有SAP服务时,在DU区的第一个字节为DSAP,第二个字节为SSAP,第三个字节起才是用户数据。
DSAP与SSAP的具体定义可以参见2章中的例子。
2.DP主站与从站建立通讯的状态机在通过codesys下装后,主站与从站进行通讯时,是按照以下次序依次进行的,如图1所示:图1 从站建立通讯状态机1. 请求诊断1主站发诊断请求,从站受到主站的诊断请求后应答,DP 从站的诊断信息包括6字节的标准诊断信息加任何和用户有关的诊断信息。
此时在网络上侦听到的数据包应为如下字节格式:主站发送的数据包应为:SD LE LEr SDr DA SA FC DSAP SSAP FCS ED0x3E.. 0x16.. .. .. 0x3C.. .. 0x680x68其中SD,SDR,DSAP,SSAP,ED必须为上面表格中的数据。
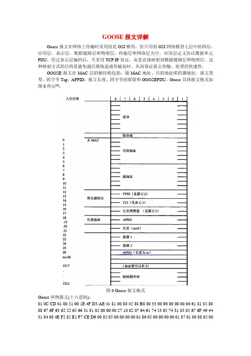
GOOSE报文详解Goose报文在网络上传输时采用的是OSI模型,但只用到OSI网络模型七层中的四层,应用层、表示层、数据链路层和物理层,传输层和网络层为空。
应用层定义协议数据单元PDU,经过表示层编码后,不采用TCP/IP协议,而是直接映射到数据链路层和物理层。
这种映射方式的目的是避免通信堆栈造成传输延时,从而保证报文传输、处理的快速性。
GOOSE报文在MAC层的帧结构包括:源MAC地址、目的地址即组播地址、报文类型、四字节Tag、APPID、报文长度、四字节的保留和GOOSEPDU。
Goose具体报文格式如图0所示[0]。
图0 Goose报文格式Goose举例报文(十六进制):01 0C CD 01 00 51 00 1E 4F D3 AE 41 81 00 80 42 88 B8 00 33 00 90 00 00 00 00 61 81 85 80 08 67 6F 63 62 52 65 66 31 81 05 00 00 00 27 10 82 07 64 61 74 53 65 74 31 83 05 67 6F 49 44 31 84 08 4E F2 85 E1 F7 CE D9 00 85 05 00 00 00 00 01 86 05 00 00 00 00 01 87 01 00 88 05 0000 00 00 01 89 01 00 8A 05 00 00 00 00 09 AB 36 83 01 00 84 03 03 00 00 91 08 00 00 00 00 00 00 00 00 83 01 00 84 03 03 00 00 91 08 00 00 00 00 00 00 00 00 83 01 00 84 03 03 00 00 91 08 00 00 00 00 00 00 00 00分析如下(可结合Ethereal解析):1、01 0C CD 01 00 51目的MAC地址2、00 1E 4F D3 AE 41源MAC地址3、81 00 80 42GOOSE报文支持IEEE 802.1Q/P优先级技术,IEEE 802.1Q为VLAN技术的标准,IEEE 802.1P为报文优先级标准。
IEC 61850过程层数据帧格式说明ISO/IEC 8802-3以太网帧结构IEC 61850-9-2LE采样值报文在链路层传输都是基于ISO/IEC 8802-3的以太网帧结构。
帧结构定义如下图所示:帧格式说明:(1)前导字节(Preamble)前导字段,7字节。
Preamble字段中1和0交互使用,接收站通过该字段知道导入帧,并且该字段提供了同步化接收物理层帧接收部分和导入比特流的方法。
(2)帧起始分隔符字段(Start-of-Frame Delimiter)帧起始分隔符字段,1字节。
字段中1和0交互使用。
(3)以太网mac地址报头以太网mac地址报头包括目的地址(6个字节)和源地址(6个字节)。
目的地址可以是广播或者多播以太网地址。
源地址应使用唯一的以太网地址。
建议目的地址为:(4)优先级标记(Priority tagged)为了区分与保护应用相关的强实时高优先级的总线负载和低优先级的总线负载,采用了符合IEEE 802.1Q 的优先级标记。
优先级标记头的结构:TPID值:0x8100User priority:用户优先级,用来区分采样值,实时的保护相关的GOOSE报文和低优先级的总线负载。
高优先级帧应设置其优先级为4~7,低优先级帧则为1~3,优先级1 为未标记的帧,应避免采用优先级0,因为这会引起正常通信下不可预见的传输时延。
采样值传输优先级设置建议为最高级7。
CFI:若值为1,则表明在ISO/IEC 8802-3 标记帧中,Length/Type 域后接着内嵌的路由信息域(RIF),否则应置0。
VID:虚拟局域网标识,VLAN ID。
(5)以太网类型Ethertype由IEEE著作权注册机构进行注册,可以区分不同应用。
(6)以太网类型PDUAPPID:应用标识,建议在同一系统中采用唯一标识,面向数据源的标识。
为采样值保留的APPID值范围是0x4000-0x7fff。
可以根据报文中的APPID 来确定唯一的采样值控制块。
h265 报文解析一、概述H265,也称为HEVC(High Efficiency Video Coding),是一种先进的视频编码标准,它提供了更高的压缩比和更好的图像质量。
在H265中,报文起着至关重要的作用,它们定义了编码和解码过程的数据传输和交换。
本文档将介绍如何解析H265报文。
二、报文结构H265报文主要由以下几部分组成:1. 头信息:包含报文的长度、版本、标志和偏移量等信息。
2. 编码块信息:描述视频帧中的编码块参数,如块大小、量化参数等。
3. 序列参数集:定义了视频序列的总体参数,如分辨率、帧率、色彩空间等。
4. 运动矢量和内插值参数:用于更有效地压缩视频数据,减少冗余信息。
5. 校验和:用于检测错误和完整性检查。
三、解析过程1. 读取头信息:首先读取报文的头信息,包括长度、版本、标志和偏移量等。
2. 解析编码块信息:根据头信息中的标志,确定是否需要解析编码块信息。
如果需要,则读取并解析编码块参数。
3. 解析序列参数集:根据头信息和序列参数集的定义,读取并解析视频序列的总体参数。
4. 解析运动矢量和内插值参数:根据头信息和运动矢量和内插值参数的定义,读取并解析用于更有效压缩的视频数据。
5. 校验和验证:根据报文中的校验和字段,计算出预期的校验和,并与实际校验和进行比较,以检测错误和完整性检查。
四、常见报文类型H265中常见的报文类型包括:1. 编码单元(Coding Unit)报文:描述视频帧中的一个编码块,包括编码块的位置、大小、编码方式等。
2. 序列参数集(Sequence Parameter Set)报文:定义了整个视频序列的参数,如分辨率、帧率、色彩空间等。
3. 运动矢量和内插值参数(Motion Vector and Interpolation Parameters)报文:用于描述视频帧中的运动矢量和内插值参数,以更有效地压缩视频数据。
4. 宏块类型(Macroblock Type)报文:定义了视频帧中不同类型宏块(如I宏块、P宏块、B宏块)的解码过程。
can数据报文标准"CAN" 通常指的是控制器区域网络(Controller Area Network),是一种常用于汽车和工业控制领域的通信协议和总线系统。
CAN 总线系统通过数据报文进行通信,这些数据报文可以遵循不同的标准,具体取决于应用领域和设备的要求。
CAN 数据报文通常由两个主要部分组成:CAN 帧格式:CAN 帧格式描述了数据报文的结构,包括起始标识符、数据域、校验字段和结束标识符。
常见的CAN 帧格式包括标准帧和扩展帧。
CAN 标识符:CAN 标识符用于唯一标识消息的发送者和接收者,通常包括一个或多个字节的数据,以便确定消息的类型和优先级。
以下是一些常见的CAN 数据报文标准和格式:CAN 2.0A 和CAN 2.0B:这是最常见的CAN 标准,定义了不同的帧格式和标识符长度。
CAN 2.0A 使用11位标识符,而CAN 2.0B 使用29位标识符。
CANopen:这是一个高级的开放式CAN 标准,用于工业自动化和机器控制。
它定义了一系列的通信对象和协议,以支持设备之间的互操作性。
J1939:J1939 是一种用于重型和商用车辆的CAN 协议标准,用于车辆电子系统之间的通信。
DeviceNet:DeviceNet 是用于工业自动化的CAN 标准,允许不同的设备通过CAN 总线连接和通信。
CAN FD (CAN with Flexible Data-Rate):CAN FD 是一种扩展的CAN 标准,支持更高的数据传输速率和更大的数据帧。
它通常用于需要更大带宽的应用。
需要根据特定应用和领域的要求来选择适当的CAN 数据报文标准和格式。
不同的标准支持不同的数据传输速率、数据长度和网络拓扑,因此在选择标准时需要考虑应用的需求。
TCP/IP协议族IP/TCPTelnet和R login、FTP以及SMTPIP/UDPDNS 、TFTP、BOOTP、SNMPICMP是IP协议的附属协议、IGMP是Internet组管理协议ARP(地址解析协议)和RARP(逆地址解析协议)是某些网络接口(如以太网和令牌环网)使用的特殊协议,用来转换I P层和网络接口层使用的地址。
1、以太帧类型以太帧有很多种类型。
不同类型的帧具有不同的格式和MTU值。
但在同种物理媒体上都可同时存在。
▪标签协议识别符(Tag Protocal Identifier, TPID): 一组16位元的域其数值被设定在0x8100以用来辨别某个IEEE 802.1Q的帧为已被标签的,而这个域所被标定位置与乙太形式/长度在未标签帧的域相同,这是为了用来区别未标签的帧。
▪优先权代码点(Priority Code Point, PCP): 以一组3位元的域当作IEEE 802.1p 优先权的参考,从0(最低)到7(最高),用来对资料流(音讯、影像、档案等等)作传输的优先级。
▪标准格式指示(Canonical Format Indicator, CFI): 1位元的域。
若是这个域的值为1,则MAC地指则为非标准格式;若为0,则为标准格式;在乙太交换器中他通常默认为0。
在乙太和令牌环中,CFI用来做为两者的相容。
若帧在乙太端中接收资料则CFI的值须设为1,且这个端口不能与未标签的其他端口桥接。
▪虚拟局域网识别符(VLAN Identifier, VID): 12位元的域,用来具体指出帧是属于哪个特定VLAN。
值为0时,表示帧不属于任何一个VLAN;此时,802.1Q标签代表优先权。
16位元的值0x000和0xFFF为保留值,其他的值都可用来做为共4094个VLAN的识别符。
在桥接器上,VLAN1在管理上做为保留值。
这个12位元的域可分为两个6位元的域以延伸目的(Destination)与源(Source)之48位元地址,18位元的三重标记(Triple-Tagging)可和原本的48位元相加成为66位元的地址。
常见报文格式帧结构常见的报文格式帧结构是指在通信领域中使用的一种约定的报文格式,用于在数据传输过程中将数据分割为可管理的帧或包的结构。
这种结构可以帮助发送方和接收方之间进行数据的可靠传输,并保证数据的完整性和可解释性。
以下是几种常见的报文格式帧结构。
1.字节计数形式(BCD)帧结构:这种帧结构是最简单和最常见的报文格式之一、在这种结构中,每个帧的开头包含一个字节来表示接下来的帧中有效数据的字节数。
接收方通过读取该字节来确定接收的数据帧的长度,并据此解析数据。
2.长度字段形式帧结构:在这种帧结构中,每个帧的开头包含一个固定长度的字段,用于指示接下来的帧中有效数据的长度。
常见的长度字段包括字节计数字段、位计数字段或者紧凑字段,用于描述数据的长度。
接收方通过读取该字段来确定接收的数据帧的长度。
3.标志字节形式帧结构:在这种帧结构中,每个帧的开头包含一个特定的标志字节,用于指示帧的开始和结束。
接收方通过检测标志字节来识别帧的开始,并根据帧的内容来解析数据。
常见的标志字节包括特殊字符、字节组合或者比特模式。
4.帧同步字段形式帧结构:在这种帧结构中,每个帧的开头包含一个特定的字段或者标志字节,用于帧同步和识别帧的开始。
该字段或者标志字节是在传输中发送方和接收方预先约定的,用于同步数据流。
接收方通过检测该字段或者标志字节来识别帧的开始,并根据约定的格式解析数据。
5.帧头帧尾形式帧结构:在这种帧结构中,每个帧的开头和结尾分别包含一个特定的字段或者标志字节,用于识别帧的开始和结束。
接收方通过检测帧头和帧尾来确定帧的边界,并根据约定的格式解析数据。
总结起来,常见的报文格式帧结构可以通过字节计数、长度字段、标志字节、帧同步字段和帧头帧尾来识别和解析数据。
使用不同的帧结构可以根据具体的应用需求来实现数据的可靠传输和处理。