现浇混凝土基础钢筋连接检验批质量验收记录(最新版)
- 格式:xlsx
- 大小:10.46 KB
- 文档页数:1
现浇钢筋混凝土检验批质量检验记录范本1:一、检验项目及编号1.1 混凝土配合比及材料试验(编号:XXXX)1.2 钢筋编号及验收记录(编号:XXXX)1.3 现浇混凝土柱检验(编号:XXXX)1.4 现浇混凝土梁检验(编号:XXXX)1.5 现浇混凝土板检验(编号:XXXX)1.6 现浇混凝土墙检验(编号:XXXX)二、混凝土配合比及材料试验(编号:XXXX)2.1 水泥及矿物掺合料试验2.2 粗骨料试验2.3 细骨料试验2.4 混凝土添加剂试验2.5 泵送混凝土试验2.6 高性能混凝土试验三、钢筋编号及验收记录(编号:XXXX)3.1 钢筋品种及规格验收记录3.2 钢筋加工及连接验收记录3.3 钢筋合格证明文件四、现浇混凝土柱检验(编号:XXXX)4.1 罗纹钢筋绑扎及间距检验4.2 模板安装及拆除验收记录4.3 钢筋混凝土浇筑过程检验4.4 混凝土柱表面质量检查记录4.5 混凝土柱尺寸及偏差检验五、现浇混凝土梁检验(编号:XXXX)5.1 罗纹钢筋绑扎及间距检验5.2 模板安装及拆除验收记录5.3 钢筋混凝土浇筑过程检验5.4 混凝土梁表面质量检查记录5.5 混凝土梁尺寸及偏差检验六、现浇混凝土板检验(编号:XXXX)6.1 罗纹钢筋绑扎及间距检验6.2 模板安装及拆除验收记录6.3 钢筋混凝土浇筑过程检验6.4 混凝土板表面质量检查记录6.5 混凝土板尺寸及偏差检验七、现浇混凝土墙检验(编号:XXXX)7.1 罗纹钢筋绑扎及间距检验7.2 模板安装及拆除验收记录7.3 钢筋混凝土浇筑过程检验7.4 混凝土墙表面质量检查记录7.5 混凝土墙尺寸及偏差检验八、附件本文档涉及相关附件,请参阅附件列表。
九、法律名词及注释1. 混凝土:指由水泥、骨料、掺合料、外加剂等按照一定比例配制成浆状物质的建造材料,并在固化后具备一定的力学性能。
2. 钢筋:指用于混凝土或者砌体结构中构造部件的金属材料,主要用于增强结构抗拉强度和抗弯强度。
钢筋连接检验批质量验收记录钢筋连接是建筑工程中非常重要的一环,其质量直接关系到整个结构的安全性和稳定性。
为了保证钢筋连接的质量,需要进行验收和记录,并且严格按照相关规范和标准进行检验,以确保质量合格。
下面是钢筋连接检验批质量验收记录的一份样板,供参考。
项目名称:项目地址:检验单位:编制人:日期:一、基本信息:1.批次号:2.钢筋连接构件号:3.钢筋种类、规格及强度等级:4.检验日期:5.样本编号:二、工作范围:对钢筋连接进行质量验收,包括但不限于以下内容:1.钢筋连接间距的测量;2.钢筋连接是否达到预定的标高,是否有错位;3.钢筋连接的密实性;4.钢筋连接的角度、夹角;5.钢筋连接的质量是否符合设计要求;6.其他必要的检验项目。
三、检验设备:1.量具:卷尺、角尺、直尺等;2.灯光设备;3.相机或摄像设备。
四、检验过程和结果:1.检验前准备:a)检验人员准备好相应的检验设备;b)样本准备:-随机选择一定数量的钢筋连接构件进行检验;-对每个钢筋连接构件进行编号,并记录在验收记录中。
2.检验过程:a)进行钢筋连接间距的测量;-使用卷尺等量具测量钢筋连接的间距;-检查测量结果是否符合设计要求,并记录在验收记录中。
b)检查钢筋连接是否达到预定的标高,是否有错位;-使用直尺等量具测量钢筋连接的标高;-检查是否有错位现象,并记录在验收记录中。
c)检查钢筋连接的密实性;-通过目视、触摸等方法检查钢筋连接的密实程度;-检查是否有裂缝、松动等现象,并记录在验收记录中。
d)检查钢筋连接的角度、夹角;-使用角尺等量具测量钢筋连接的角度、夹角;-检查测量结果是否符合设计要求,并记录在验收记录中。
e)检查钢筋连接的质量是否符合设计要求;-根据设计要求对钢筋连接进行视觉检查、尺寸检查等;-检查钢筋连接的焊缝、锈蚀等情况,并记录在验收记录中。
3.检验结果:对每个样本的检验结果进行记录,包括合格、不合格等。
五、检验结论和建议:根据以上检验结果,对钢筋连接的质量进行结论和建议。
建筑工程施工质量验收资料(TJ:土建部分)档号档案馆代号案卷题名编制单位编制日期密级保管期限共卷第卷目录工程概况TJ1.1复核人: 填表人:工程项目施工管理人员名单T J1。
2施工现场质量管理检查记录T J1。
3开工日期:施工组织设计、施工方案审批表T J1.4注:附施工组织设计、施工方案.技术交底记录T J1。
5注:本记录一式两份,一份交接受交底人,一份存档.开工报告T J1。
6建设单位:工程竣工报告T J1.7图纸会审、设计变更、洽商记录汇总表T J2。
1注:图纸会审、设计变更、洽谈商记录附后。
图纸会审、设计变更、洽商记录T J2。
1。
1设计交底记录T J2。
1。
2工程定位测量、放线验收记录T J2。
2钢材合格证和复试报告汇总表T J2。
.3.1技术负责人:质量检查员:水泥出厂合格证、复试报告汇总表T J2。
.3。
2技术负责人:质量检查员:砖(砌块)检验报告汇总表T J2。
3.3技术负责人:质量检查员:混凝土外加剂(及其它材料)产品合格证、出厂检验报告和进场复验报告汇总表T J2。
3。
4技术负责人:质量检查员:防水和保温材料合格证、复试报告汇总表T J2。
3。
5技术负责人:质量检查员:(其它)建筑材料合格证、复试报告汇总表T J2。
3。
6技术负责人:质量检查员:混凝土试块试压报告汇总表T J2。
4。
1技术负责人:质量检查员:注:1、F eu,I——第I组混凝土抗压强度代表值.2、不同验收批的混凝土、标准养护和与结构实体同条件养护的混凝土应分别汇总评定。
试验报告分别附本汇总表后。
混凝土强度评定T J2.。
4.2技术负责人:质量检查员: 年月日结构实体混凝土强度评定T J2。
4.3技术负责人: 质量检查员: 年月日注:同条件养护试件强度按GBJ107的规定确定后,宜取1。
10的折算系数。
砂浆强度汇总评定表T J2.。
4.4钢筋连接试验报告、焊条(剂)合格证汇总表T J2.。
4。
5技术负责人:质量检查员:土壤试验记录汇总表T J2。
SG—T044
现浇结构混凝土工程检验批质量验收记录
四川省建设厅制
SG—T044填写说明
一、本表适用于现浇结构混凝土工程检验批质量验收记录。
二、本表由监理工程师(建设单位技术负责人)组织项目专业质量(技术)负责人等进行验收。
三、检验批的划分:
现浇结构混凝土工程可根据与施工方式相一致且便于控制施工质量的原则,按工作班、楼层、结构缝或施工段划分为若干个检验批。
四、表中主控项目的检查数量及方法:
1.外观质量:全数检查。
检查方法:观察、检查技术处理方法。
2.尺寸偏差:全数检查。
检查方法:观察、量测、检查技术处理方法。
五、一般项目的检查数量及方法:
1.一般项目中第1项“外观质量”:全数检查。
检查方法:观察、检查技术处理方法。
2.一般项目中第2项“尺寸偏差”∶按楼层、结构缝或施工段划分检验批。
在同一检验批内,对梁、柱和独立基础,应抽查构件数量的10%,且不少于3件;对墙和板,应按有代表性的自然间抽查10%,且不少于3间;对大空间结构,墙可按相邻轴线间高度5m左右划分检查面,板可按纵、横轴线划分检查面,抽查l0%,且不少于3面;对电梯井、应全数检查。
检查方法:钢尺检查,经纬仪、吊线、水准仪、塞尺检查。
3.检查轴线和中心线位置时,应沿纵、横两个方向量测,并取其中的较大值。
六、表中一般项目允许偏差值的单位为“mm”。
七、本表一式四份,建设、监理单位各存上份,施工单位两份。
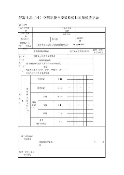
混凝土墩(柱)钢筋制作与安装检验批质量验收记录
表 G2-5
单位工程名
子单位工程
称
名称 分部工程名
验收部位
称
项目经
施工单位 施工员
理
验收执行标
《城市桥梁工程施工与质量验收规范》
(CJJ2-2008 ) 准
名称及
编号
监理(建设)
质量检验标准规定
施工单位检查评定记录
单位验收意
主
1
钢筋原材料符合设计要求
控 2 钢筋外观质量
项
受力钢筋的连接方式应符合设计和规范的
目
3
规定
钢筋表面不得有油渍、油漆、鳞锈等,加 1
工的几何尺寸符合设计要求
主筋间距
± 20
一
允
箍筋间距
± 10
许
般
偏 长度
± 10
差
项 或
2
钢筋
目
允
骨架
宽度
± 5
许
值 尺寸
( mm
)
高度 ± 5
钢筋 ± 5
保护层厚度
施工单位检查
评定结果
项目质量检查员: 年
月
日
监理(建设)单位
验收结论
监理工程师:
(建设单位项目技术负责人)年月日。
钢筋(连接、安装)工程检验批质量验收记录1.1.9钢筋(连接、安装)工程检验批质量验收记录1.1.9钢筋(连接、安装)工程检验批质量验收记录1.1.9钢筋(连接、安装)工程检验批质量验收记录1.1.9钢筋(连接、安装)工程检验批质量验收记录1.1.9钢筋(连接、安装)工程检验批质量验收记录1.1.9钢筋(连接、安装)工程检验批质量验收记录1.1.9钢筋(连接、安装)工程检验批质量验收记录1.1.9钢筋(连接、安装)工程检验批质量验收记录1.1.9钢筋(连接、安装)工程检验批质量验收记录1.1.9钢筋(连接、安装)工程检验批质量验收记录1.1.9钢筋(连接、安装)工程检验批质量验收记录1.1.9钢筋(连接、安装)工程检验批质量验收记钢筋(连接、安装)工程检验批质量验收记录1.1.9钢筋(连接、安装)工程检验批质量验收记钢筋(连接、安装)工程检验批质量验收记录钢筋(连接、安装)工程检验批质量验收记钢筋(连接、安装)工程检验批质量验收记录钢筋(连接、安装)工程检验批质量验收记钢筋(连接、安装)工程检验批质量验收记录钢筋(连接、安装)工程检验批质量验收记钢筋(连接、安装)工程检验批质量验收记录钢筋(连接、安装)工程检验批质量验收记钢筋(连接、安装)工程检验批质量验收记录钢筋(连接、安装)工程检验批质量验收记钢筋(连接、安装)工程检验批质量验收记录钢筋(连接、安装)工程检验批质量验收记钢筋(连接、安装)工程检验批质量验收记录钢筋(连接、安装)工程检验批质量验收记钢筋(连接、安装)工程检验批质量验收记录钢筋(连接、安装)工程检验批质量验收记钢筋(连接、安装)工程检验批质量验收记录钢筋(连接、安装)工程检验批质量验收记钢筋(连接、安装)工程检验批质量验收记录钢筋(连接、安装)工程检验批质量验收记。
建筑工程施工质量验收资料(TJ:土建部分)档号档案馆代号案卷题名编制单位编制日期密级保管期限共卷第卷江苏省建设工程质量监督站编印目录工程概况TJ1。
1复核人:填表人:工程项目施工管理人员名单T J1.2施工现场质量管理检查记录T J1.3施工组织设计、施工方案审批表T J1。
4注:附施工组织设计、施工方案.技术交底记录T J1.5注:本记录一式两份,一份交接受交底人,一份存档。
开工报告T J1.6工程竣工报告T J1。
7图纸会审、设计变更、洽商记录汇总表T J2。
1注:图纸会审、设计变更、洽谈商记录附后.图纸会审、设计变更、洽商记录T J2..1.1设计交底记录T J2..1。
2工程定位测量、放线验收记录T J2.。
2钢材合格证和复试报告汇总表T J2.。
3。
1技术负责人:质量检查员:水泥出厂合格证、复试报告汇总表T J2..3.2技术负责人:质量检查员:砖(砌块)检验报告汇总表T J2。
.3.3技术负责人: 质量检查员:混凝土外加剂(及其它材料)产品合格证、出厂检验报告和进场复验报告汇总表T J2。
.3.4技术负责人:质量检查员:防水和保温材料合格证、复试报告汇总表T J2。
.3.5技术负责人:质量检查员:(其它)建筑材料合格证、复试报告汇总表T J2.。
3。
6技术负责人:质量检查员:混凝土试块试压报告汇总表T J2。
4。
1技术负责人:质量检查员:注:1、F eu,I—-第I组混凝土抗压强度代表值。
2、不同验收批的混凝土、标准养护和与结构实体同条件养护的混凝土应分别汇总评定。
试验报告分别附本汇总表后.混凝土强度评定T J2.。
4.2技术负责人:质量检查员: 年月日结构实体混凝土强度评定T J2..4.3技术负责人: 质量检查员:年月日注:同条件养护试件强度按GBJ107的规定确定后,宜取1.10的折算系数。
砂浆强度汇总评定表T J2。
.4。
4钢筋连接试验报告、焊条(剂)合格证汇总表T J2.。
钢筋连接检验批质量验收记录1. 概述本文档记录了钢筋连接检验批的质量验收记录,对钢筋连接工程进行质量检验,确保连接质量符合标准要求。
2. 项目信息•项目名称:•工程名称:•编制日期:3. 检验批信息•检验批编号:•检验日期:•检验人员:4. 检验内容和要求本次检验批的主要内容包括以下项目: - 焊接质量检验:检查焊接接头的焊缝质量,包括焊缝的密度、均匀性和焊缝表面的缺陷等。
- 螺纹连接检验:检查螺纹连接件的螺纹质量,确保螺纹连接的紧固性良好。
- 维护检验:检查钢筋连接的维护情况,包括防腐、除锈等维护工作的执行情况。
5. 检验结果根据对钢筋连接的检验,以下为本次检验批的质量验收结果:5.1 焊接质量检验结果•焊接接头1:合格•焊接接头2:合格•焊接接头3:合格•螺纹连接件1:合格•螺纹连接件2:合格•螺纹连接件3:合格5.3 维护检验结果•防腐处理:合格•除锈处理:合格6. 验收意见根据本次检验结果,对钢筋连接的质量进行验收意见如下:6.1 焊接质量验收意见根据焊接接头的质量检验结果,认为焊接质量符合标准要求,可以进行验收。
根据螺纹连接件的质量检验结果,认为螺纹连接质量符合标准要求,可以进行验收。
6.3 维护验收意见根据钢筋连接的维护检验结果,认为维护工作符合标准要求,可以进行验收。
7. 验收结论综上所述,经过本次钢筋连接检验批的质量验收,验证钢筋连接的质量符合标准要求,同意进行验收。
8. 验收人员•验收人员1:•验收人员2:•日期:9. 相关附件•附件1:焊接检验报告•附件2:螺纹连接检验报告•附件3:维护检验报告以上为钢筋连接检验批的质量验收记录,用于记录钢筋连接工程的质量验收情况。
混凝土浇筑申请表钢筋报审、报验表工程名称:编号:注:本表一式二份,项目监理机构、施工单位各存一份。
现场验收检查原始记录监理校核:记录:验收日期:年月日钢筋安装报审、报验表工程名称:编号:注:本表一式二份,项目监理机构、施工单位各存一份。
钢筋安装检验批质量验收记录本表由施工单位填写,建设单位、施工单位、城建档案馆各保存一份。
现场验收检查原始记录监理校核:记录:验收日期:年月日模板安装报审、报验表工程名称:编号:注:本表一式二份,项目监理机构、施工单位各存一份。
模板安装检验批质量验收记录现场验收检查原始记录共1页第1 页监理校核:记录:验收日期:年月日混凝土施工报审、报验表工程名称:编号:混凝土施工检验批质量验收记录现场验收检查原始记录现浇结构外观及尺寸偏差报审、报验表工程名称:编号:注:本表一式二份,项目监理机构、施工单位各存一份。
现浇结构外观及尺寸偏差检验批质量验收记录现场验收检查原始记录监理校核:记录:验收日期:年月日钢筋安装报审、报验表工程名称:编号:钢筋安装检验批质量验收记录本表由施工单位填写,建设单位、施工单位、城建档案馆各保存一份。
现场验收检查原始记录监理校核:记录:验收日期:年月日模板安装报审、报验表工程名称:编号:注:本表一式二份,项目监理机构、施工单位各存一份。
模板安装检验批质量验收记录现场验收检查原始记录共1页第1 页监理校核:记录:验收日期:年月日混凝土施工报审、报验表工程名称:编号:混凝土施工检验批质量验收记录现场验收检查原始记录现浇结构外观及尺寸偏差报审、报验表工程名称:编号:注:本表一式二份,项目监理机构、施工单位各存一份。
现浇结构外观及尺寸偏差检验批质量验收记录现场验收检查原始记录监理校核:记录:验收日期:年月日。
建筑工程施工质量验收资料(TJ:土建部分)档 号 档案馆代号 案 卷 题 名编 制 单 位编 制 日 期密 级 保管期限共 卷 第 卷江苏省建设工程质量监督站编印目 录工 程 概 况 ❆☺复核人填表人工程项目施工管理人员名单 ❆☺施工现场质量管理检查记录 ❆☺开工日期:施工组织设计、施工方案审批表 ❆☺注:附施工组织设计、施工方案。
技 术 交 底 记 录 ❆☺注:本记录一式两份,一份交接受交底人,一份存档。
开 工 报 告❆☺ 建设单位工 程 竣 工 报 告 ❆☺图纸会审、设计变更、洽商记录汇总表 ❆☺ 注:图纸会审、设计变更、洽谈商记录附后。
图纸会审、设计变更、洽商记录 ❆☺ 设 计 交 底 记 录 ❆☺工程定位测量、放线验收记录 ❆☺ 钢材合格证和复试报告汇总表 ❆☺ 技术负责人: 质量检查员:水泥出厂合格证、复试报告汇总表 ❆☺ 技术负责人: 质量检查员:砖(砌块)检验报告汇总表 ❆☺ 技术负责人: 质量检查员:混凝土外加剂(及其它材料)产品合格证、出厂检验报告和进场复验报告汇总表❆☺ 技术负责人: 质量检查员:防水和保温材料合格证、复试报告汇总表 ❆☺ 技术负责人: 质量检查员:(其它)建筑材料合格证、复试报告汇总表 ❆☺ 技术负责人: 质量检查员:混凝土试块试压报告汇总表 ❆☺ 工程名称:技术负责人: 质量检查员:注: 、☞♏◆ ✋——第✋组混凝土抗压强度代表值。
、不同验收批的混凝土、标准养护和与结构实体同条件养护的混凝土应分别汇总评定。
试验报告分别附本汇总表后。
混 凝 土 强 度 评 定❆☺ 单位工程:。
钢筋安装检验批质量验收记录1. 引言本文档是对钢筋安装工程进行质量验收的记录。
钢筋安装是建筑工程中十分重要的一项工作,对于建筑结构的稳定性和耐久性起到关键作用。
为了确保钢筋安装质量符合相关标准和规范,本次验收通过对钢筋安装的材料、尺寸、位置等方面进行检查,记录检验结果,并提出相关问题和建议。
2. 验收对象本次验收的对象为建筑工地A栋楼翼墙的钢筋安装工程。
3. 验收内容本次验收主要从以下几个方面对钢筋安装进行检验:•钢筋安装材料的质量和规格是否符合要求;•钢筋安装的尺寸和位置是否符合设计要求;•钢筋连接的可靠性和执行标准要求;•钢筋间的间距、绑扎质量等是否符合规范要求。
4. 验收方法本次验收采用目视检查和测量工具进行检验。
5. 验收结果经过对钢筋安装工程进行详细检查,以下是验收结果的总结:•钢筋安装材料的质量和规格均符合要求,没有发现明显的缺陷;•钢筋安装的尺寸和位置基本符合设计要求,未发现明显的偏差;•钢筋连接的可靠性符合标准要求,连接部位未发现明显的裂纹或错位;•钢筋间的间距和绑扎质量也符合规范要求,未发现明显的问题。
6. 存在问题及建议在钢筋安装的过程中,我们也发现了一些问题,并提出了以下建议:1.部分钢筋位置未达到设计要求,存在偏移的情况。
建议施工方加强工人的操作培训,提高钢筋安装的准确性和精度。
2.部分钢筋连接处存在细微的裂纹,虽然不影响结构的安全性,但建议施工方和钢筋供应商共同解决该问题,以确保连接的可靠性。
3.钢筋间的绑扎质量不够牢固,存在松动的情况。
建议施工方加强对工人的培训和监督,确保绑扎工作的质量。
7. 验收结论根据以上的检验结果和存在的问题及建议,对于本次钢筋安装工程的质量验收,我们得出以下结论:•钢筋安装质量整体上符合要求,各项指标均在可接受范围内;•存在的问题虽然不是严重的质量问题,但仍需要施工方和相关人员重视并及时改进。
8. 验收人员•验收人员1:XXX•验收人员2:XXX9. 附件•钢筋安装图纸及相关规范文件•验收照片以上就是本次钢筋安装检验批质量验收的记录。