科目二考试必过秘籍 PPT
- 格式:ppt
- 大小:710.50 KB
- 文档页数:14
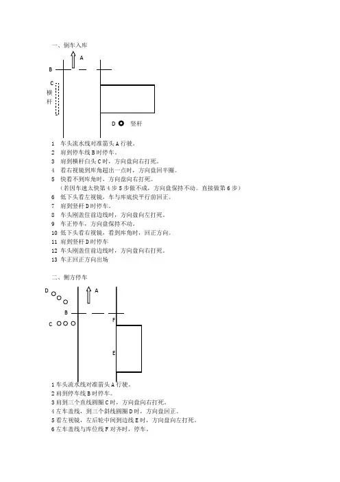
一、倒车入库1 车头流水线对准箭头A 行驶。
2 肩到停车线B 时停车。
3 肩到横杆白头C 时,方向盘向右打死。
4 看右视镜到库角超出一点时,方向盘回半圈。
5 快看不到库角时,方向盘向右打死。
(若因车速太快第4步5步做不成,方向盘保持不动。
直接做第6步) 6 低下头看左视镜,车与库底快平行前回正。
7 肩到竖杆D 时停车。
8 车头刚盖住前边线时,方向盘向左打死。
9 车正停车,方向盘保持不动。
10 低下头看右视镜,看到库角时,回正方向。
11 肩到竖杆D 时停车12 车头刚盖住前边线时,方向盘向右打死。
13 车正回正方向出场二、侧方停车杆在左侧1流水线沿箭头行驶。
2杆到左后视镜处,离合踩到底。
3杆到肩处停车。
(离合踩到底,不松刹车,不摘档)4慢松离合,到转速表9的位置时。
脚停到离合位置不要动,松开刹车。
杆在右侧1流水线沿箭头行驶。
2杆到前窗玻璃边线时,离合踩到底。
3杆到肩处停车。
(离合踩到底,不松刹车,不摘档)4慢松离合,到转速表9的位置时。
脚停到离合位置不要动,松开刹车。
四、直角转弯1车头流水线沿虚线直行。
2车头刚盖住前边线时,方向盘向右打死。
3车回正方向。
五、曲线行驶1右门把手顶端到白色A线时,方向盘向右打死。
2车正回正方向。
(雨刷轴点延线到白色A线时)。
3流水线到白色A线边线时,向左打一圈1/4方向。
(车盖线沿白色A线边线行驶)4流水线到白色B线边线时,回正方向。
5流水线快到黑色区域外边线时,向右打一圈1/4方向。
(流水线沿黑色区域外边线行驶)6车正向左打死,出场。
2013 年驾考科目二技巧(图文教程)新驾考科目二扣分标准及技巧一、科目二考试顺序:上坡起步定点停车、侧方位停车、曲线行驶、直角转弯、倒车入库。
二、解析:小心,这些地方容易扣分综合评判未系安全带:扣100 分未关好车门:扣100 分未开转向灯:起步、转向、变更车道、超车、停车前未使用转向灯或使用少于3秒,扣10 分(使用转向灯少于3秒,经常成为学员扣分的原因。
)熄火一次:扣10 分三、五项考试标准及技巧:(一)定点停车与坡道起步1. 考试标准没有定点停车,扣100分;车辆停止后,汽车前保险杠未到控制线,扣100 分停车后后溜大于30 厘米,扣100 分;停车后后溜小于30 厘米,扣10 分(原规定扣20 分)起步未开左转向灯,扣10 分车辆行驶中压道路边缘实线,扣100 分车辆停止后,前保险杠未到停车线,扣10 分(原规定是扣20 分); 停车时右前轮距边缘线30厘米以上,扣10 分(原规定是扣20 分)起步时间超30 秒,扣100 分(新增扣分项目,学员落马最多的考试项目。
)2. 场地要求:陡坡的坡度必须大于等于10 度,考C1驾照的陡坡长度要大于等于20米。
在考试过程中,学员在陡坡停车后,必须在30 秒内起步,否则就算失败。
3. 操作技巧:1. 听到“上坡定点停车”指令后, (立刻打右转向灯),方向向场地右侧靠; ( 起步时如果 有坡度时,为防止溜坡,要用半坡起步法起步 )。
2. 即将到达路边时, 方向向左回小半圈, 再迅速向右回正,使车右侧与路边保持平行, 并距 离在 30CM内(保持左雨刷中部连接部件 ( 黑色方块 ) 在白色线与黄色线之间, 不能压黄色线; 最好压白色虚线走 . 或用左筋对准标志线走);起步后,可完全放开离合(或用离合控制, 车速快一点,不易熄火)进行上坡(上坡过程中,如果车出现明显抖动,可踩一点离合,可 保持不熄火)。
3. 快到达停车点时,踩离合,降慢车速,当向右看到停车标记时,踩脚刹,踩离合停车(或 从左侧反光镜下沿看到定位桩杆线边缘即停车),拉手刹、 (关转向灯),摘空挡,抬离合 (一定要抬离合后再起步)。
科目二考试内容西丽车管所考试顺序:考场一:1:定点停车&半坡起步2:直角转弯3:侧方位停车4:曲线行车考场二:倒桩目录考场一:1定点停车&半坡起步 (3)考场一:2直角转弯 (6)考场一:3侧方位停车 (7)考场一:4曲线行车 (9)考场二:倒桩考试: (11)视频链接:/v_show/id_XNTgxNTYxNjY4.html?from=y1.2-1-104.3.1-1.1-1-1-0考场一:1定点停车&半坡起步A:坡道定点停车操作方法1、听到指令后,立刻打右转向灯。
当车辆行驶接近停车桩杆约20m时,向右适当转动转向盘,使车辆靠道路右侧缓慢行驶,并注意观察停车桩杆。
2、即将到达路边时,方向向左拉小半圈,再迅速向右回正,使车右侧与路边保持50cm以内平行(以前方停车点白线为参照物,不得越白线);(可看右反光镜里地面白线,车右侧压着过白线就可以)。
3、准确目测目标,根据自身驾驶经验,当目测到风窗玻璃某一点与停车桩杆成一条直线,使车辆保险杠与停车桩杆线对齐时立即停车(踩离合器,踩刹车,拉手动,挂空挡,松离合器,松刹车),关闭转向灯。
技巧1:关于与右侧保持30CM法一:通过右后视镜,观测右后轮是否压在细白线上法二:通过前前盖上的某个标志位看粗实线来定位2:关于在哪个点停车法一:使窗花落在粗线上时停车法二:看中间那条最粗的线,只要左边镜子最下面刚好压到那根线(压过约四分之三),就刹车。
坡道停车起步注意事项1、坡道边距确认:车盖前中心对正白线30厘米。
2、坡道定点确认:当车盖右喷水嘴对正标志杆时停车。
3、用三挡以上上坡时在停车前要刹车减速至二挡轻加油门。
4、定点停车时,为使汽车前保险杠准确定于桩杆线上,在训练中应在车身上设定一个标记点,与考场上的某一物体对齐。
5、在坡道上起步,放松驻车制动杆后,要马上加油,基本转速维持在1500r/s左右,才能避免车体“抖动”,做到平稳起步。
B:坡道起步操作方法1、先踏下离合器踏板,挂低速挡,打开左转向灯并鸣喇叭示意车辆即将起步;2、踏下加速踏板,提高发动机转速,同时慢抬离合,手握手刹柄随时准备起步;3、慢慢松开驻车制动杆,并徐徐踏下加速踏板,同时缓缓抬离合器踏板;4、当离合器完全接合后,继续下踏加速踏板,使车辆平稳起步。
科目二考点过关秘籍(技巧图文,流程,注意事项,最全,最实用)第一篇操作要点项目一:倒车入库第一步:定点100:起步:安全带、左转灯101:保持左倒车镜压1号线走,坐车距离1.5m102:左侧车门扣手压在7号线上,前轮紧邻7号线前踩离合并轻踩刹车、停车(注:可伸头观察车轮与7号线位置,早or晚?)第二步:右倒库103:倒挡、右360°一圈;然后看左侧104:肩旁到此加90°,然后看右倒车镜(注:102步骤停早的话,早加90°,大致是两条水泥条左半部分前沿;102步骤停晚的话,晚加90°,大致是第二条水泥线处)105:右倒车镜中车门扣手压住2号线时,判断车身与库角距离30厘米;(注:大了方向打死,小了回点;)然后低头倾斜看左倒车镜106:左倒车镜中出现底部库角回正方向107:左倒车镜下沿与2号重合停车(注:禁忌过晚、考场下斜溜车)第三步:左出库108:伸头观察左侧距离、然后低换1挡(注:看左侧车身是否过宽?即是否大于30)109:发动机盖快压住1号线时左450°(注:个子高不到线打,个子低压线打)110:驶过4号线停车(谨记)第四步:左倒库111:初始(108步骤)左宽,适当加点方向,然后倒挡、看左倒车镜112:左倒车镜中车门扣手压住2号线时,判断车身与库角距离30厘米(注:大了方向打死,小了回点;)113:左倒车镜中车身平行回正方向,114:停止同前107步骤115:岀右库相同,前盖压1号线右打450 116:车身大致对着电线杆,回正方向项目二:侧方停车201:左450°202:进线后回正,进侧方203:雨刮器凸点压住2号线前进,保持右侧30厘米(注:若压线前进时车身是斜的,在前进的过程中不停地左打回正再左打回正)204:右倒车镜驶过1号库角停车(切记不能开太远出黄线)205:倒挡后退,看右倒车镜,1号库角在右倒车镜即将消失时,右打450,然后低头看左倒车镜206:左倒车镜看到路障杆最右端时回正207:看左车门扣手过2号线时左打450208:车正停车(注:车斜的话后身由宽变窄停车)209:方向不动,1挡、左转灯210:仪表圆弧高点对应位置压1号线回正;;雨刷器凸点右台阶压1线右450°211:车身快正时,稍趁早回正方向项目三:S弯301:身体大致铁箱,车前进;前车身任一位置压S弯左线起点,右450°302:前挡玻璃左下角压线或线左侧回正303:前挡玻璃左下角压线成夹角,左360一圈+70°304:始终保持压线成夹角305:仪表圆弧高点对应位置压左线回正;雨刷器凸点右台阶压左线右360°一圈306:侧头看车左前身距离,保持50厘米,可调整方向307:出S弯回正项目四:直角转弯401:车前盖右侧压考场围栏时左450 402:车正时回正403:雨刷器凸点压线,保持右侧30厘米以内404:左车门扣手过线迅速左打死405:车正时回正406:注意等候正在出S弯的其他车辆;合适区域可停车等候项目五:半坡定点停车、起步501:身体过杆左450°502:压低车速,保持雨刷器凸点压右黄线形式保持30厘米以内;(注:非必须拿分项目)503:左车门扣手压第一条黄线停车(同右倒库7号线)504:起步左转灯,左带90方向(先慢松离合至半联动状态,再松刹车)505:坡顶勿停车,下坡减速;前进听指令第二篇汇总考点:第三篇易错点:一、1)车速要慢,车速是科二的命门,车速要稳,打方向要跟上。
驾考科目二考试过关秘籍图文(全)当今社会随着生活水平的提高,大多数老百姓出门的首选代步工具也逐渐升级成为了汽车,所以驾驶证被人称之为除了身份证以外的第二大证件,可见驾驶证在目前老百姓心目中的重要位置。
现在分享给大家一些有关于科目二考试的过关口诀,驾考必备!避免学员考试时过于紧张,学会以后100%过关百试不爽。
一、倒车入库倒库出库并不难,系带挂挡左灯闪,踩住离合放手刹,慢抬离合起步缓。
看好右线调车身,左镜竖缝沿右线。
前边横线齐肩停,挂上倒档离合松。
左镜盖住横线角,向右打死方向好。
看准左镜等库线,夹角30回一圈,等到车与线平行,回正方向整两圈,左镜盖住库前角,踩住离合和刹车。
挂上一档要出库,车头触线左打足。
车头盖线车停好,方向不动把车倒。
看准右镜等库线,夹角30回一圈,等到车与线平行,回正方向整两圈,左镜盖住库前角,踩住离合和刹车。
挂上一档要出库,车头触线右打足。
车头盖线车停好,调正车身本领高。
二、上坡起步上坡起步要放松,右线对准雨刷中。
中轴对准白线后,调正车身看右镜。
小于三十公分好,缓缓起步看左镜。
左镜压线踩刹车,拉好手刹别熄火。
踩住脚刹放手刹,抬起左手把灯打。
轻轻抬起离合器,听声变了放脚刹。
车速缓缓向前走,上坡起步完成啦。
三、直角转弯弯前一档车速慢,摆正车身是关键; 左边三十公分好,不能压线要记牢; 车头接近突起点,左打方向莫迟延; 后视镜中看后轮,打回方向别慌乱。
四、曲线行驶车头先把曲线进,左棱右线紧瞄准。
左棱紧贴右线走,要触左线回正身。
左线移到车头中,一圈方向要回稳。
右棱快要触左线,半圈方向要瞄准。
五、侧方停车侧方停车在右边,中轴去瞄右边线。
直行慢过右边角,倒车要把右镜看。
盖过右角右打死,前看左线到中间。
左打方向整两圈,再把左后镜子看后轮压线右打死,等到车身平库线。
停稳车身挂一档,不要忘记左灯闪。
慢抬离合看左角,触到左线回一圈。
线到中间回两圈,车身出库正车完。
六、其他注意细节1、座椅调整座椅的调整是根据自己身高来的,要调整到双脚把离合器踏板踩到底不费力,膝盖稍微弯曲,双手自然的搭在方向盘上,背部贴在座椅上不费劲。
科目二技巧秘籍:一、曲线行驶和直角拐弯支招:速度要慢,但千万不能停与以往相比,曲线行驶和直角拐弯两项考试内容没有多大变化。
主要考验的是机动车驾驶人在急变路段驾驶车辆时,正确操纵转向、准确判断车辆内、外轮差的能力。
这两个项目考的是车辆操控力、判断力,速度一快很容易压线。
在考试过程中,不能出现任何停顿。
最重要的一点,学员一定要控制好车速,最好让车速保持在时速5公里左右,因为车速过快容易导致转向不足从而偏离车道。
二、坡道起步停车支招:掌控好离合,注意有时限在坡道定点停车和起步项目考试过程中,要能在陡坡上精准停车,而且还必须在30秒内起步,否则就算失败,操作时需要注意哪些事项呢?开车至坡道起考点时,可借辨认前挡玻璃标志与标线重叠,同时用余光扫射车身与旁边分界线的距离是否在30厘米区域之内,来决定什么时候停车。
在起步时,注意轻轻松开离合,再松手刹,以防止车辆后溜。
新规只有30秒的时间将车开出车道,须注意把握好时间。
三、在倒车入库时,缺少了标杆作为参照,怎么取角度?什么时候打方向盘?有顺利通过科目二的学员支招:在准备入库之前,可由后视镜观察车库边线,再决定倒车时方向盘的角度。
特别需要注意的是,车身位置要略靠近外侧标线一些,这样入库的角度比较大,可增加再次修正的机会。
开考后,将车头压红外线后,再缓慢往后倒车。
由于倒车时没了标杆,因此整个考试过程只能以地面为参照物,玩的就是“空间感”。
在倒车时,当车后门右侧三角窗竖衬应与黄色边线右上角重合,方向盘向右打死,即可顺利入库。
此外,在倒车过程中,一定要留意观察后视镜,并且只需要看一个方向的车尾。
一旦感觉车身正了,要以最快速度回正方向,再慢慢修正车身与左右边线的距离。
四、侧方位停车支招:考验对后视镜的使用能力以前侧方位停车,是用四根标杆立在地上,象征车库的四个角,车辆是否顺利进库停车,有没有碰到这四根标杆是标准之一。
而新规实施后,侧方位停车不再有标杆,全部采用地上标线的形式作车库边界。