地下矿山风险分级检查表
- 格式:docx
- 大小:121.71 KB
- 文档页数:31
地下矿山安全风险分级评分表摘要:一、地下矿山安全风险分级评分表的概述二、地下矿山安全风险分级评分表的具体内容1.评分标准2.评分方法3.评分表的使用三、地下矿山安全风险分级评分表的意义和作用正文:地下矿山安全风险分级评分表是一种用于评估地下矿山安全风险的工具,通过对矿山的安全风险进行量化评分,以等级形式体现,从而为矿山企业提供安全风险管理的依据。
一、地下矿山安全风险分级评分表的概述地下矿山安全风险分级评分表是根据我国地下矿山的实际情况和安全生产法规制定的,主要包括了矿山安全风险的各个方面,如矿井结构、地质条件、矿井水文、通风系统、提升运输、采矿方法、爆破作业等。
通过对这些方面进行评估,可以全面掌握矿山的安全生产风险。
二、地下矿山安全风险分级评分表的具体内容1.评分标准:评分标准是根据我国相关的安全生产法规和标准制定的,具有很强的针对性和实用性。
评分标准通常包括四个等级,即低风险、中等风险、高风险和极高风险。
2.评分方法:评分方法一般采用专家评分法,由具有相关经验和专业知识的人员对矿山的安全风险进行评分。
评分人员通常需要经过专门的培训,以确保评分的准确性和公正性。
3.评分表的使用:评分表的使用需要结合矿山的实际情况,对矿山的安全风险进行全面评估。
评分结果可以作为矿山企业安全风险管理的依据,帮助企业制定合理的安全措施,提高矿山的安全生产水平。
三、地下矿山安全风险分级评分表的意义和作用地下矿山安全风险分级评分表的制定和使用,对于提高我国地下矿山的安全生产水平具有重要意义。
通过评分表,可以量化矿山的安全生产风险,为矿山企业提供科学的安全管理依据,帮助企业更好地开展安全风险管理工作。
地下矿山安全风险分级评分表
一、地下矿山安全风险概述
地下矿山开采过程中,安全风险始终如影随形。
为了更好地识别、评估和管理这些风险,我国制定了一套地下矿山安全风险分级评分表,旨在提高矿山安全管理水平,降低事故发生率。
二、地下矿山安全风险分级评分表的制定背景与意义
随着我国地下矿山数量的增多和规模的扩大,矿山安全事故日益引起广泛关注。
为了解决这一问题,相关部门组织专家研究制定了地下矿山安全风险分级评分表,以便于矿山企业更好地识别、评估和管理风险,提高矿山安全管理水平。
三、地下矿山安全风险分级评分表的具体内容
1.矿井概况:包括矿井名称、地理位置、矿区范围、矿井规模等。
2.矿井地质与开采技术条件:包括地质构造、矿岩性质、开采方法、采矿工艺等。
3.矿井安全设施与安全管理:包括通风系统、排水系统、供电系统、安全监控系统、应急救援设施等。
4.矿井生产状况与事故历史:包括矿井生产能力、实际产量、事故类型、事故频率等。
5.矿井环境影响:包括地表沉陷、地下水污染、土壤污染等。
四、如何应用地下矿山安全风险分级评分表
矿山企业应根据评分表的内容,逐一评估矿山的各项风险因素,并给出相
应的评分。
然后,将各项评分加总,得到矿山的总体安全风险评分。
根据评分结果,可以将矿山划分为不同风险等级,从而有针对性地采取相应的安全管理措施。
五、地下矿山安全风险管理的未来发展
随着科技的发展和矿山安全意识的提高,地下矿山安全风险管理水平也将不断提高。
未来,矿山企业应继续完善安全风险分级评分表,加强矿山安全设施建设和技术创新,提高矿山安全管理水平,确保矿工生命安全。
附件1:
风险分级检查报告
企业名称(盖章)
年月日
说明
1.会诊检查按百分制打分,A级为一般风险(得分≥90分)、B级为较高风险(90分>得分≥75分)、C级为高风险(75分>得分≥60分)、D级为最高风险(得分<60分)
2.对于检查项目中的不涉及项视作得满分,不涉及项的认定由原设计确定。
3.对于可能形成重大安全隐患且容易直接导致事故发生的重点检查项目(否决项),作为检查重点,若有一项不符合,直接评定为D级。
4.单项扣分,扣完为止,不计负分。
地下矿山风险分级检查表
露天矿山风险分级检查表
尾矿库风险分级检查表
陆上石油天然气开采企业风险分级检查表
非煤矿山风险分级专家会诊结论
非煤矿山风险分级专家复诊结论
附件2:
县(市、区)非煤矿山风险分级情况督查表。
地下矿山安全风险分级评分表1. 简介地下矿山是一种具有高风险的工作环境,其中存在许多潜在的安全风险。
为了确保矿工的安全,评估和管理这些风险至关重要。
地下矿山安全风险分级评分表是一种常用的工具,用于对矿山中的各种风险进行评估和分类。
本文将深入探讨地下矿山安全风险分级评分表的相关内容。
2. 地下矿山安全风险分级评分表的目的地下矿山安全风险分级评分表的主要目的是对矿山中的各种安全风险进行分类和评估,以便采取相应的措施来降低这些风险。
通过对风险进行分级评分,可以更好地了解风险的严重程度,并制定相应的控制措施和应急预案。
3. 地下矿山安全风险分级评分表的内容地下矿山安全风险分级评分表通常包括以下几个方面的内容:3.1 物理风险•坍塌风险:包括地层坍塌、支护结构失效等风险。
•瓦斯爆炸风险:包括瓦斯积聚、瓦斯爆炸等风险。
•通风不良风险:包括通风系统故障、有害气体积聚等风险。
3.2 化学风险•有害物质泄漏风险:包括化学品泄漏、有毒气体泄漏等风险。
•酸碱溶液泄漏风险:包括酸碱溶液泄漏、腐蚀性物质泄漏等风险。
3.3 生物风险•病菌传播风险:包括传染病菌传播、矿工健康受损等风险。
•矿山生物灾害风险:包括昆虫、啮齿类动物等生物的侵害风险。
3.4 人为因素风险•人员操作失误风险:包括操作失误、疲劳驾驶等风险。
•人为破坏风险:包括盗窃、恶意破坏等风险。
4. 地下矿山安全风险分级评分表的评分标准地下矿山安全风险分级评分表通常采用一定的评分标准来对各种风险进行评估和分类。
评分标准可以根据不同矿山的具体情况进行调整,但通常包括以下几个方面的考虑:4.1 风险的概率评估风险发生的概率,包括该风险事件在一段时间内发生的频率和概率。
4.2 风险的严重程度评估风险事件发生后可能造成的损失和影响的严重程度,包括人身伤害、设备损坏、生产中断等。
4.3 风险的可控性评估风险事件是否可以通过采取相应的控制措施来降低或消除,包括技术控制、管理控制等。
地下矿山安全风险分级评分表地下矿山安全风险分级评分表一、简介地下矿山安全风险分级评分表是一种用于评估和管理地下矿山安全风险的工具。
通过对不同风险因素的定性和定量分析,结合专家经验和统计数据,可以对地下矿山的安全风险进行科学、全面的评估,为安全生产提供技术支持和决策依据。
二、评分表的内容地下矿山安全风险分级评分表通常包括多个方面的内容,如地质构造、矿井布局、采矿方法、矿岩稳定性、通风系统、水文地质条件、瓦斯地质条件、地震地质条件等。
每个方面都有相对应的评分标准和等级划分,用于评估该方面的安全风险程度。
三、评分流程在实际应用中,地下矿山安全风险分级评分表的评分流程一般包括以下几个步骤:1. 数据采集:收集跟地下矿山安全相关的各种数据,包括地质勘查报告、矿山设计图纸、生产实际数据等。
2. 评分标准制定:根据实际情况和相关法规,制定各个方面的评分标准和等级划分。
3. 评分操作:根据评分标准,对各个方面进行评分,计算各项风险的得分。
4. 风险等级划分:根据得分,将地下矿山的安全风险划分为不同等级,如低风险、中风险、高风险等。
5. 风险管理措施制定:针对不同等级的风险,制定相应的管理措施和应急预案。
四、评分表的优势地下矿山安全风险分级评分表能够将繁杂的安全风险因素系统化、量化,使安全评价更为客观、科学。
通过对各个方面的评分,可以清晰地了解地下矿山的整体安全状况,发现和预警安全隐患,为矿山生产提供科学、精准的安全生产管理手段。
五、个人观点地下矿山的安全风险评估是矿山安全管理工作中的重要环节,而安全风险分级评分表的运用对于提高矿山安全生产水平具有重要意义。
在实际应用中,需要根据实际情况不断完善和修订评分标准,提高评分表的适用性和准确性。
六、总结地下矿山安全风险分级评分表是一种科学、全面评估地下矿山安全风险的工具,对于提高矿山安全生产水平具有重要意义。
通过对各个方面的风险进行评分,可以发现并及时应对安全隐患,提高矿山的安全生产水平。
备注:
1.检查结论只能填写“合格”、“不合格”或“缺项”对“不合格”项目和检查过程发现的其它问题,应以书面形式列出存在的具体问题,依法进行行政处罚。
2. 根据检查结果,给出风险分级建议,.A级为安全管理规范,现场问题少,风险受控的企业,不合格项不应超3项;B级为安全管理比较规范,现场问题隐患不多,风险控制较好的企业,不合格项不应超6项;C级为安全管理缺陷较大,现场隐患较多,风险控制不良的企业,不合格项不应超9项。
3. 根据《金属非金属矿山重大事故隐患判断标准》判定存在重大隐患的应确定为D级
备注:
1.检查结论只能填写“合格”、“不合格”或“缺项”对“不合格”项目和检查过程发现的其它问题,应以书面形式列出存在的具体问题,依法进行行政处罚。
2. 根据检查结果,给出风险分级建议,.A级为安全管理规范,现场问题少,风险受控的企业,不合格项应不超3项;B级为安全管理比较规范,现场问题隐患不多,风险控制较好的企业,不合格项不应超5项;C级为安全管理缺陷较大,现场隐患较多,风险控制不良的企业,不合格项不应超8项。
3. 根据《金属非金属矿山重大事故隐患判断标准》判定存在重大隐患的,或存在未进行自上而下、分台阶(分层)开采,未建立边坡管理和检查制度,未采用机械铲装、机械二次破碎,排土场无正规设计,排土场为病级或者危险级等情形之一的应确定为D级。
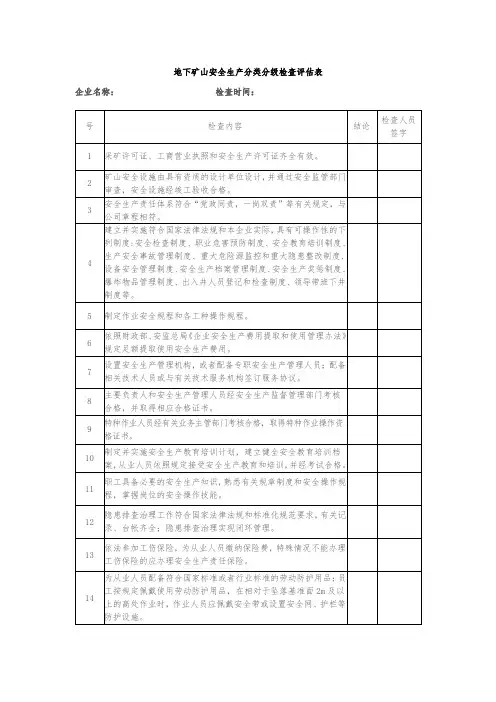
附件1吉林省金属非金属地下矿山安全风险分级检查表项目名称:企业负责人安全生产风险否决项检查人(签字):年月日1 / 56吉林省金属非金属地下矿山安全风险分级检查表项目名称:企业负责人安全生产风险否决项检查人(签字):年月日2 / 56吉林省金属非金属地下矿山安全风险分级检查表项目名称:企业负责人安全生产风险否决项检查人(签字):年月日3 / 56吉林省金属非金属地下矿山安全风险分级检查表项目名称:安全生产风险否决项检查人(签字):企业负责人年月日吉林省金属非金属地下矿山安全风险分级检查表项目名称:企业负责人安全生产风险否决项检查人(签字):年月日5 / 56企业负责人(签一、综合管理(440分)检查人(签字):年月日6 / 56吉林省金属非金属地下矿山安全风险分级检查表项目名称:企业负责人安全生产风险否决项检查人(签字):年月日7 / 56吉林省金属非金属地下矿山安全风险分级检查表项目名称:企业负责人安全生产风险否决项检查人(签字):年月日8 / 56吉林省金属非金属地下矿山安全风险分级检查表项目名称:企业负责人安全生产风险否决项检查人(签字):年月日9 / 56吉林省金属非金属地下矿山安全风险分级检查表项目名称:企业负责人安全生产风险否决项检查人(签字):年月日10 / 56吉林省金属非金属地下矿山安全风险分级检查表项目名称:企业负责人安全生产风险否决项检查人(签字):年月日11 / 56吉林省金属非金属地下矿山安全风险分级检查表项目名称:企业负责人安全生产风险否决项检查人(签字):年月日12 / 56吉林省金属非金属地下矿山安全风险分级检查表项目名称:企业负责人安全生产风险否决项检查人(签字):年月日13 / 5614 / 56吉林省金属非金属地下矿山安全风险分级检查表项目名称:安全生产风险否决项检查人(签字):企业负责人年 月 日吉林省金属非金属地下矿山安全风险分级检查表项目名称:二、开拓与开采(260分)检查人(签字):企业负责人(签年 月 日吉林省金属非金属地下矿山安全风险分级检查表项目名称:企业负责人安全生产风险否决项检查人(签字):年月日15 / 56吉林省金属非金属地下矿山安全风险分级检查表项目名称:企业负责人安全生产风险否决项检查人(签字):年月日16 / 56吉林省金属非金属地下矿山安全风险分级检查表项目名称:企业负责人安全生产风险否决项检查人(签字):年月日17 / 56吉林省金属非金属地下矿山安全风险分级检查表项目名称:企业负责人安全生产风险否决项检查人(签字):年月日18 / 56吉林省金属非金属地下矿山安全风险分级检查表项目名称:企业负责人安全生产风险否决项检查人(签字):年月日19 / 56吉林省金属非金属地下矿山安全风险分级检查表项目名称:企业负责人安全生产风险否决项检查人(签字):年月日20 / 5621 / 56吉林省金属非金属地下矿山安全风险分级检查表项目名称:安全生产风险否决项检查人(签字):企业负责人年 月 日吉林省金属非金属地下矿山安全风险分级检查表项目名称:三、通风与防尘(50分)检查人(签字):企业负责人(签年 月 日22 / 56吉林省金属非金属地下矿山安全风险分级检查表项目名称:四、提升运输与空压(100分)检查人(签字):企业负责人年 月 日吉林省金属非金属地下矿山安全风险分级检查表项目名称:企业负责人安全生产风险否决项检查人(签字):年月日24 / 56吉林省金属非金属地下矿山安全风险分级检查表项目名称:企业负责人安全生产风险否决项检查人(签字):年月日25 / 56吉林省金属非金属地下矿山安全风险分级检查表项目名称:企业负责人安全生产风险否决项检查人(签字):年月日26 / 56吉林省金属非金属地下矿山安全风险分级检查表项目名称:企业负责人安全生产风险否决项检查人(签字):年月日27 / 5628 / 56吉林省金属非金属地下矿山安全风险分级检查表项目名称:安全生产风险否决项检查人(签字):企业负责人年 月 日吉林省金属非金属地下矿山安全风险分级检查表项目名称:五、井下防排水(30分)检查人(签字):企业负责人年 月 日吉林省金属非金属地下矿山安全风险分级检查表项目名称:29 / 56企业负责人(签六、供水与消防(40分)检查人(签字):年月日30 / 56吉林省金属非金属地下矿山安全风险分级检查表项目名称:31 / 56企业负责人七、供配电(110分)检查人(签字):年月日32 / 56吉林省金属非金属地下矿山安全风险分级检查表项目名称:企业负责人安全生产风险否决项检查人(签字):年月日33 / 56吉林省金属非金属地下矿山安全风险分级检查表项目名称:企业负责人安全生产风险否决项检查人(签字):年月日34 / 56吉林省金属非金属地下矿山安全风险分级检查表项目名称:企业负责人安全生产风险否决项检查人(签字):年月日35 / 56吉林省金属非金属地下矿山安全风险分级检查表项目名称:企业负责人安全生产风险否决项检查人(签字):年月日36 / 56吉林省金属非金属地下矿山安全风险分级检查表项目名称:安全生产风险否决项检查人(签字):企业负责人年月日吉林省金属非金属地下矿山安全风险分级检查表项目名称:八、安全避险“六大系统”(100分)检查人(签字):企业负责人(签字):年月日37 / 5638 / 56吉林省金属非金属地下矿山安全风险分级检查表项目名称:企业负责人安全生产风险否决项检查人(签字):年月日39 / 56吉林省金属非金属地下矿山安全风险分级检查表项目名称:企业负责人安全生产风险否决项检查人(签字):年月日40 / 56吉林省金属非金属地下矿山安全风险分级检查表项目名称:企业负责人安全生产风险否决项检查人(签字):年月日41 / 56吉林省金属非金属地下矿山安全风险分级检查表项目名称:企业负责人安全生产风险否决项检查人(签字):年月日42 / 56吉林省金属非金属地下矿山安全风险分级检查表项目名称:企业负责人安全生产风险否决项检查人(签字):年月日43 / 56吉林省金属非金属地下矿山安全风险分级检查表项目名称:企业负责人(签九、总图及排土场(130分)检查人(签字):年月日44 / 56吉林省金属非金属地下矿山安全风险分级检查表项目名称:企业负责人安全生产风险否决项检查人(签字):年月日45 / 56吉林省金属非金属地下矿山安全风险分级检查表项目名称:企业负责人安全生产风险否决项检查人(签字):年月日46 / 56吉林省金属非金属地下矿山安全风险分级检查表项目名称:安全生产风险否决项检查人(签字):企业负责人年月日吉林省金属非金属地下矿山安全风险分级检查表项目名称:十、开采条件(340分)检查人(签字):企业负责人(签字):年月日47 / 5648 / 56吉林省金属非金属地下矿山安全风险分级检查表项目名称:安全生产风险否决项检查人(签字):企业负责人年月日吉林省金属非金属地下矿山安全风险分级检查表项目名称:企业负责人安全生产风险否决项检查人(签字):年月日50 / 56。
附件1
安全生产风险否决项检查人(签字):企业负责人(签字):年月曰
安全生产风险否决项检查人(签字):企业负责人(签字):年月曰
安全生产风险否决项检查人(签字):企业负责人(签字):年月曰
、综合管理(440分)检查人(签字):企业负责人(签字):年月曰
吉林省金属非金属地下矿山安全风险分级检查表项目名称: _____________________________________________________ 、开拓与开采(260分)检查人(签字):企业负责人(签字):年月曰
、开拓与开采(260分)检查人(签字):企业负责人(签字):年月曰
、开拓与开采(260分)检查人(签字):企业负责人(签字):年月曰
、开拓与开采(260分)检查人(签字):企业负责人(签字):年月曰
三、通风与防尘(50分)检查人(签字):企业负责人(签字):年月曰
四、提升运输与空压(100分)检查人(签字):企业负责人(签字):年月曰
四、提升运输与空压(100分)检查人(签字):企业负责人(签字):年月曰
四、提升运输与空压(100分)检查人(签字):企业负责人(签字):年月曰
五、井下防排水(30分)检查人(签字):企业负责人(签字):年月曰
六、供水与消防(40分)检查人(签字):企业负责人(签字):年月曰
七、供配电(110分)检查人(签字):企业负责人(签字):年月曰
七、供配电(110分)检查人(签字):企业负责人(签字):年月曰
七、供配电(110分)检查人(签字):企业负责人(签字):年月曰
八、安全避险“六大系统”100分)检查人(签字):企业负责人(签字):年月曰
八、安全避险“六大系统”100分)检查人(签字):企业负责人(签字):年月曰
八、安全避险“六大系统”100分)检查人(签字):企业负责人(签字):年月曰
九、总图及排土场(130分)检查人(签字):企业负责人(签字):年月曰
九、总图及排土场(130分)检查人(签字):企业负责人(签字):年月曰
十、开采条件(340分)检查人(签字):企业负责人(签字):年月曰
十、开采条件(340分)检查人(签字):企业负责人(签字):年月曰
十、开采条件(340分)检查人(签字):企业负责人(签字):年月曰
1^一、汇总表检查人(签字):企业负责人(签字):年月曰
得分率(%)=会诊实际得分宁(总分减无关项分数)。