纱线基础知识
- 格式:ppt
- 大小:2.01 MB
- 文档页数:53
纱线基础知识培训纱线是棉纺生产的最后成品,也是纺织织造最基础的原材料。
不管是针织用纱还是机织用纱,都要求按照国家标准规定规范书写。
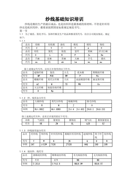
第一节1.1 为了规范、简化书写,各种纤维及生产的品种都采用代号,结合公司现实情况,规定如下:除上述规定代号外,还有正在使用的以下代号。
除上述规定代号外,还有正在使用的以下代号。
1.1.4 混纺纱、线代号第二节纤维及纱线粗细规格的计量有定长制和定重制两大类。
2.1.定长制定长制即纤维或者纱线以规定的单位长度在公定回潮时的重量表示纤维或者纱线的细度。
因计量单位不同,通常有线密度制的特[克斯]和旦尼尔。
我国多采用线密度制,法定计量单位是tex(特)。
2.1.1线密度(Tt)以1000米长的纤维或者纱线在公定回潮率时的重量克(g)数来表示。
计量单位为tex.棉纱线线密度的公定回潮率为8.5%例:有纯棉纱一缕,长度为100米,在公定回潮率8.5%时的重量为2.8g,求细纱的线密度。
Tt=2.8x1000/100=28(Tex)2.1.2旦尼尔(Nd)以9000米的纤维或者纱线在公定回潮率时的重量克(g)数来表示。
计量单位为旦。
二、定重制定重制以纤维或者纱线在规定回潮率时单位重量内具有的长度表示。
棉纺通常用英制支数和公制支数。
1.英制支数(Ne)用在规定回潮率时,1磅重的纱、线所具有的840码长的倍数。
单位是英支,简称支。
2.公制支数(Nm)用在规定回潮率时,1克(g)重的纤维或者纱线所具有的长度(m)来表示。
计量单位公支。
三、常用细度单位的换算1.纱线的线密度与英制支数的换算Tt x Ne=590.5 式中:590.5为在公定回潮率相同条件下(或不考虑回潮率因素)英制支数(Ne)与线密度(Tt)之间的换算常数。
2.用于棉纺的天然纤维和化学纤维纺制的纱线公定回潮率:不同原料纱线的公定回潮率四、纱线捻度与捻系数之间的关系纱线捻度表示方法:90捻/10cm或者900捻/m。
纱线的捻系数因纱线的用途一般分针织捻度和机织捻度。
纱线知识大全(时间:2007-1-10 19:32:52 共有51 人次浏览)“纱支”简而言之,即指纱的粗细程度,中国目前通用的还是“英制式”即:一磅(454克)重的棉纱(或其它成分纱),长度为840码(0.9144码/米)时,纱的细度为一支。
如果一磅纱,其长度是10×840码,其细度是10支,依此类推。
#纱支的表示方法英制式的表示符号是英文字母“S”单根纱的表示方法是:32支单纱-------表示为:32S股线的表示方法是:32支股线(两亘并捻)既为:32S/2,42支3 根并捻既为:42S/3。
纺织面料的纱线:要认识服装面料,首先要了解什么是纱,什么是线,因为任何纺织面料都是由纱线组成的。
所谓纱:既是将纺织纤维平行排列,并经加捻制而成的产品。
而将双根或多根纱并合加捻制而成的产品则称之为线或股线。
(1)纱线分类纱线的分类很多,这里只介绍一般的分类方法:A)按纺纱工艺方法分类可分为:精梳纱和普梳纱、半精梳纱B)按纱线的染整及后加工分类可分为:本白纱、漂白纱、染色纱、烧光纱、丝光纱等等。
C)按纱线的粗细(纱支)分类,如粗支纱,中支纱,细支纱和高支纱。
纺织面料的粗细、厚薄、轻重及档次,其中纱的粗细是决定因素之一面料的组织: *************************************************各种梭织织物都是由经纱与纬纱,按一定的规律浮沉交织而成,这一一浮沉交织的规律即称之为组织.经纱-----纵向(与布边平行)排列的纱线。
纬纱-----横向(与布边垂直)排列的纱线。
经、纬纱的支数可以用经纱×纬纱来表示,例如:某织物的经纱是20支,纬纱是16支,即可表示为:20S×16S。
面料的密度********************************************************************************** ****************面料的密度是指织物在单位长度内所具有的经纱或纬纱的根数。
原料基础知识(一)纤维种类及性能、纺织纤维种类比较多,根据其来源和制作手段可分为天然纤维和化学纤维两大类。
化学纤维又可份为人造纤维和合成纤维。
1、天然纤维:天然纤维一直是纺织上的主要原料来源,我国天然纤维原料种类繁多,资源丰富。
随着人们穿着观念的变化,回归自然和生态纺织观念的产生,天然纤维已经越来越多的深入人们的生活。
A,棉纤维:棉纤维是纺织工业中应用最多的原料,因为其纤维柔软,吸湿性好,保暖性好,可纺制比较细的纱线,对皮肤不会产生不适感觉,因此针织内衣多用棉或者棉混的原料来生产。
棉纱可分为普梳纱和精梳纱。
由于精梳纱具有条干均匀,强度高,毛羽少等诸多优点,所制成的产品档次比较高,是产品发展的主要方向。
有时间为了改善纤维的性能,提高产品档次,可以对其做改性处理,用于制作仿麻、仿毛、仿丝、高弹、丝光、强捻等产品。
棉纤维根据其纤维的物理特性可分为细绒棉、长绒棉、粗绒棉,具体的物理性能如下:长度(MM)细度(TEX)强度(CN/根)细绒棉:23—33 0.15—0.2 2.94--4.41长绒棉:33—54 0.12--0.14 3.92--4.9粗绒棉:15—24 0.25--0.4 4.41--6.86 目前我们所用的棉纱绝大多数是细绒棉,棉纤维的长度越长,纤维整齐度越好,纱线的可纺性就越好。
目前长绒棉的产地主要在埃及,我国只有在新疆有少量种植。
B,毛纤维:天然动物毛用于针织的主要有绵羊毛、兔毛、山羊绒、马海毛、兔绒等。
纺织用毛类纤维,最大量的是绵羊毛,统称羊毛,它具有弹性好、吸湿性强、保暖性好、不易沾污等很多优良的特性。
一般精梳毛纱短纤维含量少,毛纤维长度比较长,纤维的平行伸直度好,纱线条杆均匀,强力高,一般用来编织细针型的产品;粗梳毛纱毛纤维长度短,纱线中纤维的平行伸直度差,强力比较低,但用其织物经缩绒整理后毛感强,手感柔软、丰满、蓬松、保暖性好。
目前羊毛根据其用途的分类主要是根据纤维的品质支数,具体的见下表(品质支数与纤维平均直径的关系表):品质支数:70 66 64 60 58 56平均直径(µM):18.1--20 20.1—21.5 21.6—23 23--25 25--27 27--29一般可纺纱支:64以上52—60 45—52 45—52 36--45 32--36 有时候为增加织物的外观、手感和保暖性,需要经过缩绒处理,即:通过一定的温湿度、化学试剂和外力使构成织物的纤维根端做无规则的蠕动,产生毡合。
纱线基础知识 纱线是指⽤各种纺织纤维加⼯成⼀定细度的产品,⽤于织布、制绳、制线、针织和刺绣等。
那么你对纱线了解多少呢?以下是由店铺整理关于纱线知识的内容,希望⼤家喜欢! 纱线的介绍 纱分为:①短纤维纱,由短纤维(天然短纤维或化纤切段纤维)经纺纱加⼯⽽成,分环锭纱、⾃由端纺纱、⾃拈纱等。
②连续⻓丝,如天然蚕丝和化纤⻓丝,分加拈或不加拈、光滑⻓丝或变形⻓丝等。
③短纤维与连续⻓丝组合纱,例如涤棉⻓丝包芯纱等。
线由两股或两股以上的单纱并合加拈⽽成。
纱线的细度有多种表⽰⽅法,例如号数、公制⽀数、英制⽀数、旦尼尔等(⻅⽀数)。
纱线的拈度⽤每⽶或每英⼨的拈回数表⽰。
拈回的⽅向分S拈和Z拈。
在⼀定拈度范围内,纱的强度随拈度增加⽽增⼤。
单纱的拈向和股线的拈向搭配根据股线的⽤途选择。
通常单纱与股线采⽤相反拈向,即ZS或SZ。
单纱与股线的拈度有⼀个最佳⽐值,在这范围内,股线强⼒随着股线拈度增加⽽增加,超过临界值时股线强⼒反⽽下降。
纤维的性状和纺纱⽅法对纱线的性能起决定性作⽤。
环锭纱在加拈过程中,由于纤维产⽣转移,从纱线内层到外层,再从外层到内层,多次反复转移,纤维围绕纱的轴⼼呈螺旋状,螺旋半径沿轴向交替增⼤或减⼩。
这时⻓度⻓的纤维较多地趋向纱的轴⼼,⻓度短的纤维较多地趋向纱的外层。
细度细的纤维趋向纱的轴⼼,细度粗的纤维趋向纱的外层。
初始模量较⼩的纤维较多地位于外层,初始模量⼤的纤维较多地位于内层。
合理选⽤不同性状的纤维,能够纺成不同⻛格的纱线,适应不同织物⽤途或改善服⽤性能。
由于化纤可以任意选择⻓度、细度和纤维的截⾯形状,外⾐织物宜选⽤纤维稍粗、⻓度稍短的化纤与棉混纺,以增加成纱表⾯的⽑型感。
内⾐织物宜选⽤纤维稍细、⻓度稍⻓的化纤,使棉纤维在纱线的外层,以便改善吸湿性能和穿着舒适感。
⾃由端纺纱包括⽓流纺、静电纺、涡流纺等纺成的纱,因加拈时纤维向内转移少,纱芯与外层相⽐,内紧外松,结构较松散,纤维伸直度差,纤维间抱合⼒差,成纱强⼒低,但染⾊性和耐磨性能好。
科普最全纱线基础知识纱线基础知识纺纱工艺流程配棉→ 清梳联→梳棉→并条(气流纺)→ 粗纱→细纱→络筒机纱线基本知识纱线定义:是以各种纺织纤维为原料制成的连续线状物体。
纱线主要用于织造梭织物、针织物、编结织物和部分非织造纱线的分类一、纯纺纱线纯纺纱线由同一种纤维组成,如纯棉纱线、毛纱线、粘胶纤维纱线、腈纶纱线、涤纶纱线、锦纶纱线等等。
二、混纺(混纤)纱线混纺或交捻纱线是由两种或两种以上纤维组成的纱线三、股线将两根或两根以上的单纱,通过并合加捻的方式集聚形成的纱线,称为股线,简称线。
“纱”是将许多短纤维或长丝排列成近似平行状态,并沿轴向旋转加捻,组成具有一定强力和线密度的细长物体“线”是由两根或两根以上的单纱捻合而成的股线。
按纺纱系统分1、精纺纱 (JC/CJ) (CM combed)也称精梳纱,是指通过精梳工序纺成的纱,包括精梳棉纱和精梳毛纱。
精梳纱特点:纤维平行伸直度高,条干均匀、,但成本较高,纱支较高。
主要用于高级织物及针织品的原料,如细纺、华达呢、花呢、羊毛衫等。
2.粗纺纱(C) ( CD CARDED)不经过精梳工序纺成的纱。
所有的化纤和纤维素纤维都不走精梳工序。
普梳纱特点及用途:中短纤维含量较多,纤维平行伸直度差,结构松散,毛茸多,纱支较低,品质较差。
多用于一般织物和针织品的原料,如粗纺毛织物、中特以上棉织物等。
3.废纺纱废纺纱是指用纺织下脚料(废棉)或混入低级原料纺成的纱。
废纺纱特点:纱线品质差、松软、条干不匀、含杂多、色泽差,一般只用来织粗棉毯、厚绒布和包装布等低级的织品。
按纺纱方法分1.环锭纱(RING SPUN)环锭纱是指在环锭细纱机上,用传统的纺纱方法加捻制成的纱线。
纱中纤维内外缠绕联结,纱线结构紧密,强力高。
2.自由端纱(OPEN END)自由端纱是指在高速回转的纺杯流场内或在静电场内使纤维凝聚并加捻成纱,其纱线的加捻与卷绕作用分别由不同的部件完成,因而效率高,成本较低。
自由端纺纱代表—气流纺气流纱: (OPEN END)也称转杯纺纱,是利用气流将纤维在高速回转的纺纱杯内凝聚加捻输出成纱。
第一章纺织原料进入花式纱领域,首先必须要了解原料,原料种类很杂,而且还每年在开发新型原料,以下就一些基本的原料知识带给大家。
一、纺织纤维种类集锦D是DENIER(旦尼尔)的缩写,是化学纤维的一种细度表达方法,是指9000米长的丝在公定回潮率时的重量克数,也称为旦数。
D越大,表示纱线越粗.eg:75D比50D要粗.S是英支的缩写,用于纯棉纱的细度表达,指一磅重(454克)的棉纱所具有的840码(1码=0.9144米)长度的个数. 即有几个840码,就是几支,所以S越大,纱线越细.eg:32S 比21S要细.纺织纤维(textile fibre)★(1)天然纤维 (natural fibre)●植物纤维(plant fiber)○种子毛纤维(seed fibre): 棉花(cotton):主要有陆地棉和海岛棉,是主要的天然纤维。
木棉(kapok)○韧皮纤维(bast fiber): 亚麻(flax):亚麻科亚麻属一年生或多年生植物的韧皮纤维。
大麻(Hemp) 青麻、洋麻苎麻(Ramie)(China grass):苎麻科苎麻属多年生植物的茎皮。
黄麻(Jute):田麻科黄麻属一年生草本植物的茎皮纤维。
○叶纤维(leaf fibre):剑麻(sisal hemp)、蕉麻(Manila hemp)○果实纤维(fruit fibre): 椰子纤维(coconut fibre)●动物纤维(animal fibre)毛发(hair) : 羊毛(wool):主要指绵羊毛,属于蛋白质短纤维。
兔毛(rabbit hair):主要为安哥拉兔和家兔所产蛋白质短纤维。
鸵毛(camel hair):纤维较粗,主要用于工业纺织品。
分泌物: 柞蚕丝(tussah silk):野蚕丝,以柞蚕丝为食的蚕所吐出的长丝。
桑蚕丝(mulberry silk) :家蚕丝,以桑叶为食的蚕所吐出的长丝。
●矿物纤维(mineral fiber):石棉(asbestos fiber)★(2)人造纤维 (man-made fibre)○无机纤维:金属纤维、玻璃纤维、岩石纤维矿渣纤维等(inorganic fiber: metal fiber、stone fiber、glass fiber、slag fiber,Etc.)○再生纤维: 粘胶纤维:viscose fibre,vicose rayon,粘胶纺丝再生纤维素纤维。
袜子纱线基础知识教案一、引言在这个快节奏的时代,手工制作逐渐成为人们放松心情的一种方式。
而制作袜子更是很多爱好者喜欢的手工项目之一。
本教案将带领大家了解袜子纱线的基础知识,帮助初学者快速入门。
二、袜子纱线的种类和特点1. 棉纱线棉纱线是一种常见的袜子制作材料,具有柔软、吸湿性好的特点。
它适用于夏季或温暖的气候条件下制作袜子,有助于保持脚部干爽舒适。
2. 羊毛纱线羊毛纱线是一种保暖性能较好的选择。
其纤维结构使其具有良好的保温效果,适用于寒冷季节穿着,可以有效地防止脚部受寒。
3. 合纤纱线合纤纱线是由不同纤维混合制成的一种纱线,通常是与棉纱线或羊毛纱线混纺而成。
合纤纱线的特点是既有棉纱线的舒适性,又有羊毛纱线的保暖性,非常适合在春秋季节或温差较大的天气里穿着。
三、袜子纱线的选择要点1. 颜色选择要适合袜子作为时尚单品的一部分,颜色的选择要能够与个人服饰风格搭配,同时也可以选择亮色纱线来增加趣味性。
2. 纱线的质地要匹配袜子款式质地粗糙的纱线适合制作厚实的冬季袜子,而质地柔软的纱线则适合制作薄款透气的夏季袜子。
3. 纱线的拉力要适中选择纱线时要关注纱线的拉力。
纱线的拉力适中可以使袜子贴合脚型,既能穿着舒适,又能保证袜子的耐用性。
四、袜子纱线的使用技巧1. 纷线的连接在制作袜子时,很多时候需要将两根纱线连接在一起。
这可以通过打结、编织或者缝线的方式来完成。
选择合适的连接方式可以使纱线连接更加牢固。
2. 纱线的储存为了保持纱线的柔软度和颜色鲜艳度,需要将未使用的纱线正确储存。
常见的方法包括将纱线放入密封袋中或用纱线筒进行储存,避免阳光直射和湿气侵入。
3. 纱线的加固在袜子制作过程中,有些关键部位需要额外加固以提高袜子的耐用性。
可以使用双纱线、缝线或者特殊编织方式来加固袜头、袜跟等部位。
五、扩展知识在掌握了袜子纱线的基础知识之后,进一步了解一些与袜子制作相关的技巧和概念将有助于提高制作袜子的技术水平。
例如,了解不同的针法、花样编织等等。