建设工程桥梁隧道检测人员职业能力标准
- 格式:doc
- 大小:18.67 KB
- 文档页数:4
检测技术员岗位专业能力要求1、基础知识储备检测技术员嘛,那化学知识肯定得有。
像各种化学物质的性质,你得门儿清。
比如说酸和碱,你得知道盐酸是有刺激性气味的,氢氧化钠是强腐蚀性的。
要是在检测的时候碰到了,你得一下子就能反应过来。
这就跟我们平常认人一样,你得一眼就能看出谁是谁。
物理知识也不能少呀。
像电学方面的,电路怎么连接,电压电流怎么测,这在一些检测仪器的使用上可重要了。
就好比你玩游戏,得知道每个按键是干啥的,仪器上的那些线路啊,参数啊,就像游戏里的各种装备属性。
还有数学知识呢。
计算数据的时候,小数点可不能点错。
比如在计算浓度啊,比例啊,差一点可能结果就完全不对了。
这就像做菜放盐,放多放少可太影响“口感”了。
2、仪器操作能力对于那些检测仪器,像光谱仪之类的,你得会熟练操作。
不是说光会开机就行了,各种参数设置、样品放置、数据读取,那都得会。
这就像开车,你得知道怎么启动、换挡、看仪表盘,还得知道啥时候该踩刹车。
仪器的日常维护也很重要。
就好比你养宠物,得给它打扫卫生、喂食一样。
仪器要是不维护好,今天这个零件坏了,明天那个数值不准了,那检测出来的数据肯定不靠谱。
要定期清洁仪器、检查零部件有没有磨损之类的。
3、数据处理能力检测出来的数据那可不能就那么放着,得会分析。
比如说数据波动大了,你得知道是检测过程有问题,还是样品本身就是这样的。
这就像侦探破案,数据就是线索,你得从这些线索里找出真相。
数据的记录也得准确规范。
不能今天写这个格式,明天写那个格式。
要按照标准来,就像写作文得按照一定的格式一样,这样别人看你的数据记录才能看得懂。
4、沟通协作能力在实验室里,肯定不是你一个人单打独斗的。
要和其他技术员交流,要是你发现了什么问题,得能清楚地告诉别人。
不能自己心里明白,但是说出来别人听不懂。
这就像你给路痴指路,得说得清楚明白。
有时候还得和其他部门协作呢。
比如和采购部门说仪器的需求,得让他们知道你到底需要什么样的仪器,要是沟通不好,买错了仪器,那就麻烦了。
城市道路施工养护隧道工职业技能标准6.1职业要求6.1.1职业技能五级隧道工的职业要求应符合表6.1.1的规定。
6.1.2职业技能四级隧道工的职业要求应符合表6.1.2的规定。
6.1.3职业技能三级隧道工的职业要求应符合表6.1.3的规定。
6.1.4职业技能二级隧道工的职业要求应符合表6.1.4的规定。
6.1.5职业技能一级隧道工的职业要求应符合表6.1.5的规定。
6.2职业技能6.2.1职业技能五级隧道工的技能要求应符合表6.2.1的规定。
6.2.2职业技能四级隧道工的技能要求应符合表6.2.2的规定。
6.2.3职业技能三级隧道工的技能要求应符合表6.2.3的规定。
6.2.4职业技能二级隧道工的技能要求应符合表6.2.4的规定。
6.2.5职业技能一级隧道工的技能要求应符合表6.2.5的规定。
1.1.13培训考核1.1.2培训考核条件1职业技能五级应为从事本职业工作1年及以上者。
2职业技能四级应符合下列条件之一:1)取得本职业技能五级培训合格证后从事本职业工作2年及以上;2)从事本职业工作4年及以上;3)取得技工学校、中等及以上职业学校本专业毕业证书(含尚未取得毕业证书的在校应届毕业生)。
3职业技能三级应符合下列条件之一:1)取得本职业技能四级培训合格证后从事本职业工作2年及以上;2)从事本职业工作7年及以上;3)取得高级技工学校、技师学院、高等职业学校本专业毕业证书(含尚未取得毕业证书的在校应届毕业生);4)取得大专及以上本专业或相关专业毕业证书后从事本职业工作1年及以上。
4职业技能二级应为取得本职业技能三级培训合格证后从事本职业工作3年及以上者。
5职业技能一级应为取得本职业技能二级培训合格证后从事本职业工作3年及以上者。
1.1.3职业技能培训考核形式应包括笔试、实际操作两种。
633职业技能培训考核结果分为合格、不合格。
6.3.4职业技能培训考核应按照本标准第3.3.1条所述的模块顺序递进式进行,三个模块培训考核合格后,即能获得相应的职业培训合格证。
城市道路施工养护桥隧巡视养护工职业技能标准11.1职业要求11.1.1职业技能五级桥隧巡视养护工的职业要求应符合表11.1.1的规定。
表11.1.1职业技能五11.1.2职业技能四级桥隧巡视养护工的职业要求应符合表11.1.2的规定。
表11.1.2职业技能四11.1.3职业技能三级桥隧巡视养护工的职业要求应符合表11.1.3的规定。
表11.1.3职业技能三11.1.4职业技能二级桥隧巡视养护工的职业要求应符合表11.1.4的规定。
表11.1.4职业技能二11.1.5职业技能一级桥隧巡视养护工的职业要求应符合表11.1.5的规定。
表11.1.5职业技能一11.2职业技能11.2.3职业技能三级桥隧巡视养护工的职业要求应符合表11.2.3的规定。
表11.2.3职业技能三11.2.5职业技能一级桥隧巡视养护工的职业要求应符合表11.2.5的规定。
表11.2.5职业技能一11.3培训考核11.4.1培训考核条件1职业技能五级应为从事本职业工作1年及以上者。
2职业技能四级应符合下列条件之一:1)取得本职业技能五级培训合格证后从事本职业工作2年及以上;2)从事本职业工作4年及以上;3)取得技工学校、中等及以上职业学校本专业毕业证书(含尚未取得毕业证书的在校应届毕业生)。
3职业技能三级应符合下列条件之一:1)取得本职业技能四级培训合格证后从事本职业工作2年及以上;2)从事本职业工作7年及以上;3)取得高级技工学校、技师学院、高等职业学校本专业毕业证书(含尚未取得毕业证书的在校应届毕业生);4)取得大专及以上木专业或相关专业毕业证书后从事本职业工作1年及以上。
4职业技能二级应为取得本职业技能三级培训合格证后从事本职业工作3年及以上者。
5职业技能一级应为取得本职业技能二级培训合格证后从事本职业工作3年及以上者。
1132职业技能评价形式应包括笔试、实际操作两种。
1133职业技能评价结果分为合格、不合格。
11.3.4职业技能培训考核应按照本标准第3.3.1条所述的模块顺序递进式进行,三个模块培训考核合格后,即能获得相应的职业培训合格证。
人力资源社会保障部交通运输部关于印发《公路水运工程试验检测专业技术人员职业资格制度规定》和《公路水运工程试验检测专业技术人员职业资格考试发布日期:2015-06-23浏览次数:人社部发〔2015〕59号各省、自治区、直辖市及新疆生产建设兵团人力资源社会保障厅(局)、交通运输厅(局、委),国务院各部委、各直属机构人事部门,中央管理的企业:根据《国务院机构改革和职能转变方案》和《国务院关于取消和调整一批行政审批项目等事项的决定》(国发〔2014〕50号)有关取消“公路水运试验检测人员资格许可和认定”的要求,为加强公路水运工程试验检测专业技术人员队伍建设,提高试验检测专业技术人员素质,人力资源社会保障部、交通运输部制定了《公路水运工程试验检测专业技术人员职业资格制度规定》和《公路水运工程试验检测专业技术人员职业资格考试实施办法》,现印发给你们,请遵照执行。
人力资源社会保障部交通运输部2015年6月23日公路水运工程试验检测专业技术人员职业资格制度规定第一章总则第一条为加强公路水运工程试验检测专业技术人员队伍建设,提高试验检测专业技术人员素质,根据《中华人民共和国公路法》、《中华人民共和国港口法》、《中华人民共和国航道法》和国家职业资格证书制度的有关规定,制定本规定。
第二条本规定所称试验检测专业技术人员是指在公路水运工程领域从事试验检测专业活动的技术人员。
第三条国家设立公路水运工程试验检测专业技术人员水平评价类职业资格制度,纳入全国专业技术人员职业资格证书制度统一规划,面向全社会提供公路水运工程试验检测专业技术人员能力水平评价服务。
评价结果与工程系列相应级别职称有效衔接,为用人单位科学使用公路水运工程试验检测专业技术人才提供依据。
第四条公路水运工程试验检测专业技术人员职业资格(以下简称公路水运工程试验检测职业资格)包括道路工程、桥梁隧道工程、交通工程、水运结构与地基、水运材料5个专业,分为助理试验检测师和试验检测师2个级别。
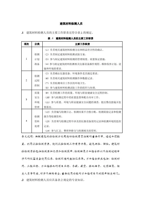
建筑材料检测人员
.1建筑材料检测人员的主要工作职责宜符合表.1的规定。
表.1 建筑材料检测人员的主要工作职责
条文说明:编制建筑材料检测计划是做好检测质量控制的重要环节,通过合理配置、利用试验检测资源,做到试验检测工作有序开展,避免漏检、错检。
建筑材料检测资料包括检测原始记录和检测报告、检测结果不合格台账以及检测过程中涉及的仪器设备使用记录、检测环境的监控记录等。
不合格台账应包括:检测时间、工程名称、不合格样品的项目名称、参数、数量、样品编号、处理结果、相关人员等内容,对涉及结构安全、重要使用功能的不合格项目及时报告相关部门。
.2建筑材料检测人员应具备表.2规定的专业知识。
表.2 建筑材料检测人员应具备的专业知识
条文说明:建筑材料检测人员应了解实验环境和职业健康安全防护的基本知识。
检测工作中若涉及高空作业、粉尘、危化品、辐射等危害职业健康的试验操作,检测人员应注意人员防护、仪器设备操作安全等各项防护措施。
.3建筑材料检测人员应具备表.3规定的专业技能。
表.3 建筑材料检测人员应具备的专业技能
条文说明:
为确保检测工作按照检测计划和施工进度顺利实施,做到不漏检、不错检,检测人员能够合理确定检测项目、参数和检测频率、合理调配检测资源,协助进行成本控制。
建筑材料检测所涉及相关项目的质量控制点,检测人员应能够识别、分析、处理这些质量控制点中可能存在的各种质量安全问题,并采取相应的对策,避免可能的损失。
建设工程质量检测员国家职业标准征求意见稿是一份关于建设工程质量检测员职业标准的征求意见稿。
该标准旨在规范建设工程质量检测员的职业行为,提高建设工程质量检测员的职业技能水平,保障建设工程质量安全。
该标准主要包括以下内容:
1. 职业概述:对建设工程质量检测员的职业性质、工作内容、职责等进行描述。
2. 职业技能要求:对建设工程质量检测员应具备的专业知识、技能和能力进行规定。
3. 职业培训:对建设工程质量检测员的培训内容、方式、时间等进行规定。
4. 职业评价:对建设工程质量检测员的评价方式、标准、程序等进行规定。
5. 职业道德:对建设工程质量检测员应遵守的职业道德进行规定。
6. 其他:包括职业资格证书的颁发和管理、职业发展的指导等内容。
该标准征求意见稿面向全社会公开征求意见,欢迎广大建设工程质量检测员、相关企事业单位、专业机构和社会公众提出宝贵意见和建议。
桥隧工国家职业标准1.职业概况1.1职业名称桥隧工。
1.2职业定义从事铁路桥梁、涵洞、隧道及其他隧道建筑物大修、维修的人员。
1.3职业等级本职业共设五个等级,分别为:初级(国家职业资格五级)、中级(国家职业资格四级)、高级(国家职业资格三级)、技师(国家职业资格二级)、高级技师(国家职业资格一级)。
1.4职业环境条件室外、高空、常温。
1.5职业能力特征有获取、领会和理解外界信息的能力,有语言表达以及对事物进行分析和判断的能力;手指、手臂灵活,动作协调性好;心理及身体素质较好,无职业禁忌症,适应高空作业要求;听力及辨色力正常,双眼矫正视力不低于5.0。
1.6基本文化程度高中毕业(或同等学历)。
1.7培训要求1.7.1培训期限全日制职业学校教育,根据基培养目标和教学计划确定。
晋级培训期限根据《铁路特有职业(工种)培训制度》确定。
1.7.2培训教师培训初、中、高级的教师应具有职业技师及以上职业资格证书或相关专业中级及以上专业技术职务任职资格;培训技师、高级技师的教师应具有本职业高级技师职业资格证书或相关专业高级专业技术职务任职资格。
1.7.3培训场地设备满足教学需要的标准教室、技能培训基地、演练场或作业现场,有必要的设备、工具、量具、仪表等。
1.8鉴定要求1.8.1适用对象从事或准备从事本职业的人员。
1.8.2申报条件——初级(具备以下条件之一者)(1)经本职业正规专业培训,并取得结业证书。
(2)本职业学徒期满。
——中级(具备以下条件之一者)(1)取得经劳动保障行政部门审核认定的,以中级技能为培养目标的中等及以上职业学校本职业(专业)毕业证书。
(2)取得本职业初级职业资格证书后,连续从事本职业工作4年及以上。
——高级(具备以下条件之一者)(1)取得高级技工学校或经劳动保障行政部门审核认定的,以高级技能为培养目标的高等以上职业学校本职业(专业)毕业证书。
(2)取得本职业中级职业资格证书后,连续从事本职业工作5年及以上。
建设工程质量检测人员职业能力评价技术规程下载温馨提示:该文档是我店铺精心编制而成,希望大家下载以后,能够帮助大家解决实际的问题。
文档下载后可定制随意修改,请根据实际需要进行相应的调整和使用,谢谢!并且,本店铺为大家提供各种各样类型的实用资料,如教育随笔、日记赏析、句子摘抄、古诗大全、经典美文、话题作文、工作总结、词语解析、文案摘录、其他资料等等,如想了解不同资料格式和写法,敬请关注!Download tips: This document is carefully compiled by theeditor.I hope that after you download them,they can help yousolve practical problems. The document can be customized andmodified after downloading,please adjust and use it according toactual needs, thank you!In addition, our shop provides you with various types ofpractical materials,such as educational essays, diaryappreciation,sentence excerpts,ancient poems,classic articles,topic composition,work summary,word parsing,copy excerpts,other materials and so on,want to know different data formats andwriting methods,please pay attention!建设工程质量检测人员职业能力评价技术规程探析一、引言建设工程质量检测人员是保障工程质量的关键角色,他们的专业能力和工作态度直接影响着工程的安全与品质。
桥梁检测人员要求一、桥梁检测人员的基本素质要求桥梁检测可是个超级重要的事儿呢,那对于检测人员的要求也是不少的哦。
首先呢,在知识方面,检测人员得对桥梁的结构知识有很深入的了解。
就像桥梁是由哪些部分组成的呀,像桥墩、桥台、桥跨结构这些,它们各自的作用是啥,怎么互相支撑的,都得门儿清。
要是连这些基本的结构都搞不清楚,还怎么检测嘛。
而且呢,力学知识也不能少。
毕竟桥梁每天都要承受各种力的作用,像车辆行驶的压力、风的吹力,还有自身的重力啥的。
检测人员得知道这些力是怎么分布在桥梁上的,什么时候可能会出现危险的受力情况。
比如说,当一辆很重的大货车在桥上某个特定位置的时候,会不会对桥梁的某个部位造成过大的压力,这些都得靠力学知识去分析。
再说说数学知识吧,测量数据、计算各种比例和参数,都离不开数学呢。
没有一定的数学功底,得到的数据都不知道怎么处理,那检测出来的结果肯定也不准确啦。
二、专业技能要求检测仪器的使用是必须要熟练掌握的。
像全站仪这种测量仪器,它能准确地测量出桥梁各个部位的位置、高度、角度等数据。
还有超声检测仪,能检测出混凝土内部有没有空洞或者缺陷。
要是不会用这些仪器,就像战士上战场没带枪一样,根本没法干活儿。
还有呢,检测人员得有一双“火眼金睛”。
在对桥梁外观进行检测的时候,要能发现那些细微的裂缝、剥落的混凝土块或者生锈的钢筋。
这些小问题要是不及时发现,可能就会慢慢变成大问题,最后影响桥梁的安全。
这就要求检测人员在检查的时候特别仔细,不能放过任何一个小角落。
另外,数据处理和分析技能也很重要。
检测完得到一堆数据,不能就这么放在那儿不管了。
得把这些数据进行整理,分析出哪些数据是正常的,哪些是异常的,异常的数据背后可能隐藏着什么问题。
这可需要一定的经验和技巧呢。
三、经验和实践要求有一定的工作经验那是相当有优势的。
比如说,有经验的检测人员看到某种类型的裂缝,就能大概判断出这个裂缝是怎么形成的,是因为长期的车辆荷载呢,还是因为材料老化或者其他原因。
建筑工程质量检测技术人员需要具备哪些条件?在实际中,当建筑工程完成建设后,为了避免在使用过程中出现威胁人们生命安全等问题,是需要有关技术人员进行质量检测的。
通常而言,质量检测是由专业的检测技术人员来进行的,既然是质量检测,关乎到很多问题,就需要技术人员符合规定的条件,那么,建筑工程质量检测技术人员需要具备哪些条件?工程验收单建设工程承包合同工程施工合同拖欠工程款工程款税率工程款支付申请在实际中,当建筑工程完成建设后,为了避免在使用过程中出现威胁人们生命安全等问题,是需要有关技术人员进行质量检测的。
通常而言,质量检测是由专业的检测技术人员来进行的,既然是质量检测,关乎到很多问题,就需要技术人员符合规定的条件,那么,▲建筑工程质量检测技术人员需要具备哪些条件?▲建筑工程质量检测技术人员需要具备哪些条件?一、专项检测机构和见证取样检测机构应满足下列基本条件:(一)专项检测机构的注册资本不少于100万元人民币,见证取样检测机构不少于80万元人民币;(二)所申请检测资质对应的项目应通过计量认证;(三)有质量检测、施工、监理或设计经历,并接受了相关检测技术培训的专业技术人员不少于10人;边远的县(区)的专业技术人员可不少于6人;(四)有符合开展检测工作所需的仪器、设备和工作场所;其中,使用属于强制检定的计量器具,要经过计量检定合格后,方可使用;(五)有健全的技术管理和质量保证体系。
二、专项检测机构除应满足基本条件外,还需满足下列条件:(一)地基基础工程检测类专业技术人员中从事工程桩检测工作3年以上并具有高级或者中级职称的不得少于4名,其中1人应当具备注册岩土工程师资格。
(二)主体结构工程检测类专业技术人员中从事结构工程检测工作3年以上并具有高级或者中级职称的不得少于4名,其中1人应当具备二级注册结构工程师资格。
(三)建筑幕墙工程检测类专业技术人员中从事建筑幕墙检测工作3年以上并具有高级或者中级职称的不得少于4名。
工程检测员制度一、总则为了加强工程质量管理,提高工程质量,保障国家建设工程的安全可靠性,根据《中华人民共和国建筑法》和相关法律法规规定,制定本制度。
二、检测员资格要求1. 具备相关专业学历和工作经验,熟悉工程建设相关法律法规和技术标准;2. 取得相应的职业资格证书,并且具备一定工作经验;3. 具有良好的职业操守和职业道德素养,具备责任心和团队合作精神;4. 有较强的沟通能力和组织协调能力;5. 通过专业培训和考核,取得检测员资格。
三、检测员的职责1. 参与工程项目的规划、设计、施工等各阶段的工程质量检测工作;2. 负责对工程材料、设备和施工工艺的检测和评估;3. 对施工过程中的质量问题进行及时处理和整改;4. 定期向相关部门提交工程质量检测报告;5. 参与工程竣工验收,并出具检测报告;6. 定期参加业务培训,提升自身技能和水平。
四、检测员的权力1. 对工程现场进行检测和监督,发现质量问题及时处理;2. 要求相关部门提供必要的检测设备和资料;3. 对违反工程质量管理规定的行为进行整改和追究责任;4. 在工程质量问题无法解决时,有权向上级主管部门报告并要求处理。
五、检测员的责任1. 严格遵守工程质量管理规定和相关法律法规,确保检测工作的客观公正性;2. 对工程质量问题及时处理和整改,避免造成不必要的损失;3. 定期向上级主管部门报告工作进展和存在的问题,并提出改进建议;4. 参加相关培训和学习,提升自身专业水平和技能。
六、检测员的奖惩制度1. 对在工程质量检测工作中表现突出的检测员,给予相应的奖励和表彰;2. 对不遵守工程质量管理规定或者工作不力的检测员,给予批评、警告或者降职等处理;3. 对违反法律法规或者严重影响工程质量的检测员,依法追究其法律责任。
七、附则本制度自发布之日起正式执行,对其中的内容进行调整或者修改,必须经过相关部门的审批和确认。
在工程建设领域,工程检测员是质量管理的重要一环。
他们通过严格的检测和监督,为工程质量的提升和保障起到了重要的作用。
安装工程检测人员Ⅰ建筑电气检测人员1建筑电气检测人员的主要工作职责宜符合表1的规定。
表 1 建筑电气检测人员的主要工作职责条文说明:检测工作应有两名及以上持证检测人员参与,其中一名负责操作仪器设备进行测试,另一名负责安全协调和测点检查、取样、标注、数据记录等。
表 2 建筑电气检测人员应具备的专业知识条文说明:建筑电气常用电工仪器相对较多,从事检测工作时须掌握一些常用电工仪表及工具、器具的基本原理和使用方法,如电流表、电压表、万用表、兆欧表、电度表等电工仪表及验电器、绝缘操作用具、电工刀、螺钉旋具、钢丝钳、尖嘴钳等工具、器具。
表 3 建筑电气检测人员应具备的专业技能条文说明:1 了解触电伤害的种类及发生原因和除电方式,了解电流对人体的危害,触电事故发生的规律,能及时对触电者采取急救措施;2 了解雷电形成及对电气设备、设施和人身的危害,掌握防雷的要求及避雷措施;3 了解电气安全保护用具的种类、性能及用途,掌握使用保管方式、试验周期和试验标准;4 进场后应了解现场特点,如潮湿、高温、易燃、易爆、导电腐蚀性气体或蒸汽,强电磁场,导电性物体,金属容器,地沟、隧道、井下等环境条件对电气设备和安全操作的影响,了解在相应环境条件下设备运行、维修的电气安全技术要求;5 了解检测现场周围环境对电气设备安全的影响,掌握相应的防范事故的措施。
Ⅱ建筑给排水及采暖检测人员4建筑给排水及采暖检测人员的主要工作职责宜符合表4的规定。
表 4 建筑给排水及采暖检测人员的主要工作职责条文说明:1 建筑给排水系统检测包括给排水管道、管件强度及严密性检测,管道保温、焊缝检测,管道水温、水压、水量检测参数。
2 采暖系统检测包括采暖系统管道、管件强度及严密性检测、管道保温、焊缝检测、水温、水压、水量;散热器表面温度,室内空气温湿度及地面温度检测参数。
表 5 建筑给排水及采暖检测人员应具备的专业知识条文说明:1 建筑给排水及采暖检测人员应能熟练操控管道安装质量、流体传输及温度检测设备,要求检测人员应具备热力学和流体力学基础知识;2 检测人员应熟悉环境和职业健康安全管理的基本知识。
建筑工程质量检测员建筑工程质量检测员(Construction Quality Inspector),是负责对建筑工程进行检验与测试,确保其质量达到规定标准的专业人士。
其主要职责为监控建筑材料的使用和施工质量的合格性,以确保建筑工程的安全性和可靠性。
本文将深入探讨建筑工程质量检测员的角色与职责,以及所需具备的技能和知识。
一、背景介绍建筑工程质量检测员是建筑行业中至关重要的一环。
随着城市化进程的加快和建筑规模的不断扩大,建筑质量安全问题也成为广大市民关注的焦点。
因此,建筑工程质量检测员的职责至关重要,不仅关系到建筑工程的实施过程,也直接影响着建筑物的承载能力和使用寿命。
二、职责与要求1. 现场检测:建筑工程质量检测员需要亲临工地,对材料使用、施工工艺、质量规范等方面进行检测和监督,确保施工过程中的合规性和质量可控性。
2. 技术指导:建筑工程质量检测员需要与施工人员密切合作,提供相关技术指导和建议,确保施工过程中符合规范要求,避免质量问题和安全隐患的发生。
3. 报告撰写:建筑工程质量检测员需要撰写详细的检测报告,记录施工过程中的问题和整改措施,为后续工程验收提供依据。
4. 资料管理:建筑工程质量检测员需要对相关资料进行整理和归档,确保检测数据的准确性和完整性。
三、所需技能与知识1. 专业知识:建筑工程质量检测员需要具备扎实的建筑工程相关知识,熟悉建筑材料的性能和规范要求,具备相关建筑标准和规范的理解能力。
2. 检测技能:建筑工程质量检测员需要熟练掌握建筑质量检测的相关技术和方法,能够进行材料的抽样与测试,运用专业设备进行数据的收集与分析。
3. 沟通能力:建筑工程质量检测员需要与不同的施工人员进行有效沟通,解释检测结果和给出相应建议,充分发挥技术指导的作用。
4. 数据分析能力:建筑工程质量检测员需要具备良好的数据处理和分析能力,准确识别施工过程中的问题,并提供解决方案。
5. 法律法规:建筑工程质量检测员需要熟悉相关建筑法律法规,确保项目的合规性,避免违规操作和安全事故的发生。
工程测量员职业资格证等级工程测量员职业资格证是国家职业资格证书之一,是衡量工程测量员综合素质的标志性证书。
根据国家标准和行业实际需求,工程测量员职业资格证分为五个等级:初级、中级、高级、技师和高级技师。
一、初级工程测量员初级工程测量员是指从事工程测量基本操作的人员。
初级工程测量员职业技能要求如下:1、熟悉测量用仪器仪表的名称、特点、用途、使用方法和互换原理。
2、了解各种常用测量方法的原理和适用范围、操作流程和注意事项,能够独立完成常见的简单工程测量。
3、掌握常用平面图、立体图、工程剖面及其图例符号的基本知识。
4、掌握建筑物、桥梁、隧道、铁路、公路、水利等工程的基本构造和布局,了解测量的基本内容。
5、熟悉GPS系统的使用,并具备基本的数据处理能力。
1、掌握高精度全站仪、自动水准仪、GNSS测量系统、数字水准仪等测量用专业设备及系统的操作和调试,了解如何适应不同测量现场的需求并进行数据处理。
2、能够准确、熟练地运用各种测量方法和技术,熟悉各种测量数据处理软件,善于综合运用各种工具和方法解决测量中的难题。
3、能够进行高精度建筑物外部及结构测量,电力检测、地形测量及拓扑高程剖面测量等工程测量,并进行数据处理和图形绘制。
4、熟悉建筑物及工程设计图、勘察图、施工图,能够正确解译、理解和绘制各种工程测量图。
5、掌握基本的工程测绘知识,如坐标系、地图学、大地测量学等工程测绘知识,并了解工程测量与空间信息技术的发展趋势。
高级工程测量员是指具有较高行业职业技能和经验,能够独自完成复杂的大型工程测量任务、方案设计和技术管理工作的人员。
高级工程测量员职业技能要求如下:1、能够独立制定、编制大型工程测量的计算方案、调查设计方案,并能指导下级测量人员完成工作。
2、熟悉GPS、遥感、激光雷达等新型测量技术,并可运用这些技术进行工程测量与空间信息采集及处理。
3、能够开展建筑物、桥梁、隧道、水工、电力、通讯等专业领域的大型工程测量与数据处理、图形绘制等工作。
建设工程质量检测人员职业能力标准建设工程质量检测人员职业能力标准在建设工程行业中,质量检测是至关重要的环节。
而建设工程质量检测人员,作为在质量管理中扮演重要角色的专业人才,其职业能力标准更是关乎工程质量和安全的重要指标。
本文将从多个角度深入探讨建设工程质量检测人员职业能力标准的要求和意义。
一、深度评估建设工程质量检测人员职业能力1.1 理论知识与实践能力建设工程质量检测人员需要具备扎实的建筑工程理论知识,包括建筑工程材料、结构设计、建筑物理等方面的知识,并能够将理论知识与实际工程实践相结合,进行有效的质量检测和评估。
1.2 专业技能与仪器操作对于建设工程质量检测人员来说,掌握各类检测仪器的操作技能和专业知识是至关重要的。
需要熟练掌握钢筋探伤仪、混凝土试验仪器、裂缝测量仪等常见的检测设备,以确保检测结果的准确性和可靠性。
1.3 数据分析与报告撰写建设工程质量检测人员需要具备良好的数据分析能力,能够准确分析检测数据,并据此撰写清晰、准确的检测报告。
还需要具备与其他专业人员沟通交流的能力,以保证检测结果能够被准确理解和采纳。
1.4 法律法规与责任意识建设工程质量检测人员需要熟悉相关质量检测的法律法规,同时具备责任意识和职业操守,以保证工程质量与安全。
二、广度评估建设工程质量检测人员职业能力2.1 多角度综合评估在建设工程质量检测中,需要建设工程质量检测人员具备多角度综合的评估能力,能够从材料选用、结构设计、施工工艺等多个方面对工程质量进行综合评估。
2.2 交叉学科知识应用建设工程质量检测人员需要具备涉及建筑结构、材料力学、建筑物理等多个交叉学科知识的能力,以确保在质量检测过程中能够全面考量不同学科对工程质量的影响。
2.3 创新和解决问题能力工程质量检测人员需要具备创新和解决问题的能力,能够面对工程实际中的各种困难和挑战,寻求切实可行的解决方案,以确保工程质量和安全。
2.4 团队合作和沟通能力作为质量检测的重要一环,建设工程质量检测人员需要具备良好的团队合作和沟通能力,能够与其他专业人员有效合作,共同推动工程质量的提升。
建设工程质量鉴定人员要求
建设工程质量鉴定人员是工程质量监督的核心人员。
他们拥有专业的
技能和丰富的经验,能够提供准确的鉴定报告,确保建设项目的质量
和安全。
那么,建设工程质量鉴定人员应该具备哪些要求呢?
首先,建设工程质量鉴定人员需要具备专业的技能和知识。
他们应该
具备相关的学历和培训经历,并通过国家认证,获得合格的技能证书。
他们应该掌握工程建设的理论和实践知识,具有专业的技能水平,能
够独立完成质量鉴定工作。
其次,建设工程质量鉴定人员需要具备责任心和使命感。
他们是工程
质量监督的关键人员,负责鉴定工程的质量和安全。
他们应该认真负责、勇于担当,在工作中积极参与,不断提升自己的专业水平和工作
能力。
第三,建设工程质量鉴定人员需要具有高度的诚信和道德素养。
他们
的鉴定报告直接关系到工程的质量和安全,必须具有高度的诚信和道
德责任感。
他们要始终遵守工程质量监督相关法规,严格遵循职业道
德规范,保证鉴定报告的准确性和可靠性。
第四,建设工程质量鉴定人员需要拥有协作精神和团队合作能力。
他
们通常是一个大型团队的一员,需要和其他工程人员密切配合,共同
完成工作任务。
他们应该具有协作精神和团队合作能力,能够快速适
应团队中的工作环境,积极沟通,快速解决问题。
综上所述,建设工程质量鉴定人员是工程质量监督的重要组成部分。
他们应该具备专业的技能和知识、责任心和使命感、诚信和道德素养、协作精神和团队合作能力等多方面的要求。
只有这样,他们才能够胜
任质量鉴定工作,确保工程项目的质量和安全。
桥梁检测师岗位职责桥梁检测师是负责对各类桥梁进行检测、评估和监测的专业人员。
他们的主要职责是确保桥梁结构的安全,预防和及时发现任何潜在的结构问题。
以下是桥梁检测师的一般职责:1. 桥梁结构检测:桥梁检测师负责进行桥梁结构的检测工作,使用各种检测技术和设备进行全面的检查。
他们会检查桥梁的各个部位,包括支座、梁、柱、承台等,以确定是否存在裂缝、腐蚀、变形和其他结构问题。
2. 检测方法选择:桥梁检测师根据不同的桥梁类型、结构材料和设计要求,选择合适的检测方法和技术。
他们可能会使用非破坏检测技术,如超声波、磁粉探伤、温度计等,也可能会使用破坏性检测技术,如采样检测、材料试验等。
3. 检测数据分析:桥梁检测师收集和分析桥梁的检测数据,以评估桥梁的结构状况和可靠性。
他们会根据国家和行业的标准,对数据进行分析和解读,判断桥梁的安全性和耐久性,并提供相应的评估报告。
4. 结构评估和监测:通过分析检测数据,桥梁检测师能够判断桥梁结构的强度、刚度和稳定性,评估其承载能力和使用寿命。
他们还可以建立桥梁结构的监测系统,定期监测桥梁的变形、振动、温度等参数,并及时报告任何结构问题或变化。
5. 编制维修方案:桥梁检测师根据对桥梁结构的评估和监测结果,制定桥梁的维修和加固方案。
他们会考虑桥梁的安全性、经济性和可操作性,提出适合的维修方法和材料,指导维修施工过程。
6. 桥梁质量控制:桥梁检测师在桥梁建设、改造或维修过程中,参与质量控制工作。
他们会检查施工过程和材料,确保按照设计要求和标准进行施工,避免使用低质量材料或施工不合规的情况。
7. 技术研究和创新:桥梁检测师通过对桥梁结构的研究和创新,不断提升自己的技术水平和工作方法。
他们会关注新的检测技术和设备,参与技术交流和培训活动,不断学习和改进自己的工作。
8. 协调与沟通:桥梁检测师经常需要与各方合作,包括政府部门、设计师、建筑商和维修施工队等。
他们需要与相关人员协调工作,提供专业建议和指导,并及时沟通和报告桥梁的检测和评估结果。
桥梁隧道检测人员
1 桥梁隧道检测人员的主要工作职责宜符合表1的规定。
表 1 桥梁隧道检测人员的主要工作职责
条文说明:
本条明确了桥梁隧道检测人员的主要工作职责。
桥梁隧道检测人员主要工作职责中需重点做好以下几点:
1、接受项目委托后,检测人员需详细做好现场踏勘和资料收集,充分了解项目属性及环境条件;
2、根据踏勘和收集的资料,编制检测方案,方案需经过单位技术负责人审核,必要时经过委托方组织的相关专家评审对方进行评审;
3、根据项目环境复杂程度分析项目组织难点、重大危险源、关键技术细节等因素编制现场组织实施方案,确保现场有序、安全、高效地开展检测工作;
4、现场检测工作依据检测方案开展,现场检测时遇到异常情况需终止试验,确保人员和结构安全;
5、做好检测资料的归档(包括纸质及影像资料等)。
2桥梁隧道检测人员应具备表2规定的专业知识。
表 2 桥梁隧道料检测人员应具备的专业知识
条文说明:
桥梁隧道结构作为交通工程中的重要设施结构,检测人员的知识结构、技术水平对其桥梁隧道检测质量水平起决定性作用。
桥梁检测人员应具备材料力学、结构力学、混凝土结构设计原理等专业基础知识和桥梁隧道检测相关的专业知识,能处理试验检测过程中出现的突发安全状况,确保结构设施及人员的安全。
.
3桥梁隧道检测人员应具备表3规定的专业技能。
表 3 桥梁隧道检测人员应具备的专业技能
条文说明:
本条明确了桥梁隧道检测人员应具备的专业技能。
为保证桥梁隧道检测工作按照检测计划和检测方案顺利实施,要求检测人员具有较强的技术能力和临场解决问题的能力,并对检测的数据结果利用专业技术进行分析判断。
根据检测进度,检测人员应掌握理解桥梁隧道各类检测及并进行成本控制。
合理调配检测资源,过程中的技术要点,能够应对检测过程中的各类安全问题,确保检测工作安全开展。