用顺序控制继电器指令控制彩灯循环单跳
- 格式:pdf
- 大小:45.09 KB
- 文档页数:11
北京工业职业技术学院机电系毕业论文彩灯循环点亮的PLC控制计:论文10 页插图3幅论文完成日期:2010-5-14评阅人:指导教师:周凤颖答辩委员会主任:摘要随着人们生活水平的提高,环境的不断改善和美化,在许多场合可以看到很多彩色的霓虹灯。
特别是当今充满竞争的时代,各地政府为吸引游客和投资者,在城市的沿街、沿道、沿河、沿线等地用霓虹灯造景,实施"亮化工程",以美化环境、树立城市形象。
由于LED彩灯克服了传统霓虹灯投资大,制作工艺复杂,使用玻璃管、高压电源及惰性气体等诸多不便,同时解决了耗电高、造价高,使用寿命短的不足,因此得到了广泛的应用。
越来越多的商家开始关注这块商机无限的市场,竞相制作生产。
但是目前市场上各种式样的LED彩灯多半是采用全硬件电路实现,电路结构复杂、功能单一,这样一旦制成成品只能按照固定的模式闪亮,不能根据不同场合、不同时间段的需要来调节亮灯时间、模式、闪烁频率等动态参数。
同时这种彩灯控制器结构往往有芯片过多、电路复杂、功率损耗大等缺点。
此外从功能上来看,亮灯模式少而且样式单调,缺乏用户可操作性,影响亮灯效果。
因此有必要对现有的彩灯控制器进行改进。
目录一、概述 (4)二、硬件设求 (4)1、控制要求 (4)2.熟练掌握PLC 的外部接线 (5)三、系统设计 (5)1、不规则时钟信号发生器 (5)2、计数器和译码器电路 (6)3、开关电路 (7)4、总结 (8)四、系统调试: (9)五、设计心得 (9)六、结论 (10)一、概述:随着微处理器、计算机和数字通信技术的飞速发展,计算机控制已扩展到所有的控制领域。
现代社会要求制造业对市场需求迅速的反应,生产出小批量、多品种、多规格、低成本和高质量的产品。
为了满足这一需求,生产设备的控制系统必须具有极高的灵活性和可靠性,可编程控制器就顺应而生。
利用PLC可编程控制器,三菱FX2N-48MR可编程控制器进行彩灯循环点亮的PLC控制的编程。
课题实训六、循环指令、跳转指令、顺控继电器(SCR)指令应用6课时教学要求知识目标能力目标情感目标教材分析重点难点教具与设备教法教授法、演示法、实验法板书设计教学内容复习:定时器有哪些?增减计数器指令的应用?字、字节、双数、实数是什么?新课教学:(一)循环指令基本知识1.循环指令格式及功能西门子S7-200 PLC循环制指令用于控制一段程序的重复执行。
它是由FOR和NEXT两部分指令构成循环体系。
FOR/NEXT必须成对使用。
循环其格式及功能如下表。
梯形图参数功能 指令功能EN 使能位 当EN 使能有效时,自动将各参数复位,循环体开始执行,执行到NEXT 指令时返回。
每执行一次循环体,当前计数器INDX 增1,达到终值FINAL ,循环结束。
INDX 当前循环次数 INIT 初始值 FINAL 终止值 ENO 电流输出循环返回,循环体结束指令FOR 和NEXT 指令可以描述需重复进行一定次数的循环体。
每条FOR 指令必须对应一条NEXT 指令。
FOR 和NEXT 指令执行FOR 指令和NEXT 指令之间的指令。
必须指定计数值或者当前循环次数INDX 、初始值(INIT )和终止值(FINAL )。
如果允许FOR/NEXT 循环,除非在循环内部修改了终值,循环体就一直循环执行直到循环结束。
当FOR/NEXT 循环执行的过程中可以修改这些值。
当循环再次允许时,它把初始值拷贝到INDX 中(当前循环次数)。
如果初值大于终值,那么循环体不被执行。
每执行一次循环体,当前计数值增加1,并且将其结果同终值作比较,如果大于终值,那么终止循环2. FOR-NEXT 指令的有效操作数输入/输出 数据类型 操作数INDXINTIW 、QW 、VW 、MW 、SMW 、SW 、T 、C 、LW 、AC 、*VD 、*LD 、*AC INIT 、FINAL INTVW 、IW 、QW 、MW 、SMW 、SW 、T 、C 、LW 、AC 、AIW 、*VD 、*AC 、常数3. 循环指令应用示例网络1当输入I0.0为“1”时执行循环,INDX 从1开始计数。
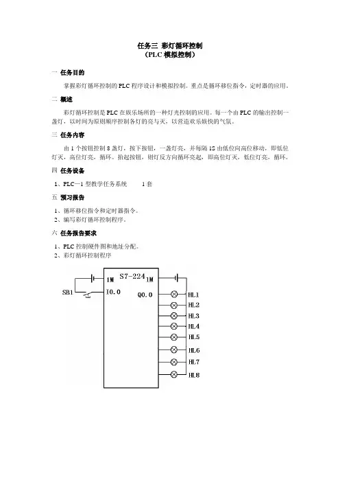
任务三彩灯循环控制(PLC模拟控制)一任务目的掌握彩灯循环控制的PLC程序设计和模拟控制。
重点是循环移位指令,定时器的应用。
二概述彩灯循环控制是PLC在娱乐场所的一种灯光控制的应用。
每一个由PLC的输出控制一盏灯,以时间为原则顺序控制各灯的亮与灭,以营造欢乐娱快的气氛。
三任务内容由1个按钮控制8盏灯,按下按钮,一盏灯亮,并每隔1S由低位向高位移动,即低位灯灭,高位灯亮,循环。
抬起按钮,则灯反方向循环亮起,即高位灯灭,低位灯亮,循环。
四任务设备1、PLC—1型教学任务系统1套五预习报告1、循环移位指令和定时器指令。
2、编写彩灯循环控制程序。
六任务报告要求1、PLC控制硬件图和地址分配。
2、彩灯循环控制程序1. PLC课程设计要求1、设计系统的PLC外部电气接线图2、系统的操作面板3、设计好顺序功能图4、系统的T形图2.1 PLC的历史和发展世界上公认的第一台PLC是1969年美国数字设备公司(DEC)研制的。
20世纪70年代初出现了微处理器,人们很快将其引入可编程控制器,使PLC增加了运算、数据传送及处理等功能,成为真正具有计算机特征的工业控制装置。
20世纪70年代中期,可编程控制器进入了实用化发展阶段,计算机技术己全面引入可编程控制器中,使其功能发生了飞跃。
更高的运算速度、超小型的体积、更可靠的工业抗干扰设计、模拟量运算、PID功能及极高的性价比奠定了它在现代工业中的地位。
20世纪80年代初,可编程控制器在先进工业国家中己获得了广泛的应用。
20世纪末期,可编程控制器的特点是更加适应于现代工业控制的需要。
从控制规模上来说,这个时期发展了大型机及超小型机;从控制能力上来说,诞生了各种各样的特殊功能单元,用于压力、温度、转速、位移等各式各样的控制场合;从产品的配套能力来说,生产了各种人机界面单元,通讯单元,使应用可编程控制器的工业控制设备的配套更加容易。
近年来不断开发出许多功能模块,如高速计数模块、温度控制模块、远程I/O模块、通信和人机接口模块等。
基于PLC的彩灯控制系统的设计彩灯在我们的日常生活中是随处可见的,彩灯控制能够达到的渲染效果是通过控制全部或者部份彩灯的亮和灭、闪烁的频率、灯的亮度及灯光流的方向来实现的。
在本次设计中采用西门子公司S7-200系列PLC来进行控制。
本次设计对彩灯的要求是变换类负载其控制对象设定为“国庆快乐”字形,且均匀分布在彩灯的中央部位、由红、黄、蓝三色灯箱组成,三色灯箱按照一定的控制闪烁;流水类负载是在灯箱的周围有32盏颜色不同的流水灯组循环闪烁。
根据设计要求,首先进行了硬件系统的设计,选用的是S7-200的cpu226,它的24点输入/16点输出可以满足本次设计的需求,并画出了输入和输出接线图。
在软件方面,根据设计的思想进行了实现系统功能的梯形图的设计,指令采用的是减计数器指令和移位寄存器指令,并利用S7-200的STEP7-Micro/WIN32编程软件进行编程。
它可以方便地在Windows环境下对PLC编程、调试、监控,且编程方便,快捷,利用PLC/PPI电缆将计算机与PLC相连接来验证程序,在PLC上可以清楚的看到控制效果,从来证明了本次设计的成功。
标签:彩灯控制;S7-200;PLC;STEP7-Micro/WIN321、PLC的结构与工作原理1.1 PLC的结构PLC实质上是一种工业控制计算机,比一般的计算机具有更强的与工业过程相连接的结构,以及更直接的适应于控制要求的编程语言。
从硬件结构看,它也有中央处理器(CPU)模块,输入/输出(I/O)模块,电源等组成,可编程序控制器的基本组成。
1.2 PLC的工作原理PLC有兩种工作方式,即RUN(运行)方式或STOP(停止)方式。
在RUN 方式,通过执行反映控制要求的用户程序来实现控制功能。
在CPU模块的面板上用“RUN”LED显示当前的工作方式。
2、基于PLC的彩灯控制系统的具体设计2.1 工作原理与要求利用PLC实现对彩灯的控制,使彩灯系统结构简单,变换形式多样,可用较低的造价达到较好的效果。
目录1 总体设计思路 ........................................................................................................................... -2 -2 S7-200系列PLC基本知识..................................................................................................... -3 -2.1 S7-200系列PLC概述.................................................................................................. - 3 -2.2 扩展模块 ........................................................................................................................ - 3 -2.3 S7-200的编程元件........................................................................................................ - 4 -2.4 S7-200的数据长度和编址方式.................................................................................... - 5 -2.5 编程注意事项 ................................................................................................................ - 6 -2.6 梯形图设计方法 ............................................................................................................ - 6 -3 硬件设计 ................................................................................................................................. - 10 -3.1 PLC选型 ..................................................................................................................... - 10 -3.2 I/O分配及接线图........................................................................................................ - 10 -4 软件设计 ................................................................................................................................. - 12 -4.1 顺序功能图 .................................................................................................................... - 12 -4.2 梯形图 ............................................................................................................................ - 13 -5 工作原理 ................................................................................................................................. - 20 -6 心得体会 ................................................................................................................................. - 21 -7 参考资料 ................................................................................................................................. - 22 -1 总体设计思路本次PLC课程设计题目为舞台艺术彩灯的PLC控制,控制要求主要围绕七盏灯(Q0.0-Q0.6)进行的,颜色分别为红色、橙色、黄色、绿色、蓝色、粉色、紫色。
西门子plc 彩灯循环控制编程设计摘要: 用plc 控制二彩灯闪烁电路,要求如下:彩灯受开关SB1 控制,开关SB1 接通,彩灯LD1~LD2 开始顺序工作,开关SB1 断开时,彩灯全熄灭。
彩灯工作顺序如下循环:1.LD1 彩灯亮5 秒后熄灭。
2.接着LD2 彩灯亮3 秒,然后闪烁三次(每...用plc 控制二彩灯闪烁电路,要求如下:彩灯受开关SB1 控制,开关SB1 接通,彩灯LD1~LD2 开始顺序工作,开关SB1 断开时,彩灯全熄灭。
彩灯工作顺序如下循环:1.LD1 彩灯亮5 秒后熄灭。
2.接着LD2 彩灯亮3 秒,然后闪烁三次(每一周期为亮1 秒熄1 秒)后熄灭。
进入再循环,不断重复(1)~(2)过程。
题意分析,这个程序一点点遍很麻烦。
所以小编打算用一种类似顺序控制的编程方法,顺序控制遍这样一步步走的程序是比较简单的:PLC 输入输出表这个程序输入输出很少,但变化比较多,程序共有9 个网络,下面一一讲解:这3 个网络就是这个程序的主干,这也是一个简单的顺序控制,这个顺序控制共有三步,分别与M0.0、M0.1、M0.2 对应,每一次只有一步动作,前面的常开点是跳转条件。
比如:I0.0 与T37(5 秒)将M0.1 置位并将M0.0 复位,而第一步因为除了I0.0 启动这个条件外,还有一个循环的条件,所以第一步共有2 个条件。
这就是根据题意要求,对3 个脉冲计数,3 次后给出跳转信号这个就是一个2 秒的脉冲信号,一秒高电平,一秒低电平。
并且与M0.2 步相对应。
这个就是M0.0 步与M0.1 步的计时器。
一个5 秒,一个3 秒。
这是最后的输出,Q0.1 在M0.1 与M0.2 步都动作,只不过M0.2 时为周期性亮1 秒熄1 秒,共3 次。
这是一个停止的指令,当I0.0 由1 变为0 时,将M0.0,M0.1,M0.2 都复位。
好了,这个程序输入输出很少,但是难度还是有一些的。
不知道小伙伴们都有收获吗?。
5组彩灯相邻彩灯依次闪亮的PLC控制程序控制程序最近看到一个题,是关于彩灯依次闪亮的,要求如下:设计一个由 5个灯组成的彩灯组。
按下启动按钮之后,相邻的两个彩灯两两同时点亮和熄灭,不断循环。
每组点亮的时间为 5秒。
按下停止按钮之后,所有彩灯立刻熄灭。
要求:( 1)将 5个灯泡通过继电器同 PLC相连接。
( 2)连接好启动和停止开关于是心血来潮编程试了一下,彩灯闪亮第一感觉是用移位语句,但是好久没用,竟然不知其用法了,还好立即查了一下使用手册,编好后试了一试,竟然通过了。
然后又用传统的置位、复位方法,又改写了一段程序,也通过了,现记录如下。
程序为本人原创,因为在百度里至今(08/23/2012)还搜不到这题答案,供参考,嘿嘿!PLC选用三菱FX2N,输入点为:X0启动,X1停止输出点为:Y0-Y4对应5盏灯程序见后,顺便记一下SFT指令的用法。
------------------------------------------------------------------------------------------------------------指令的用法SFT指令的用法SFTR,SFTL:连续执行型指令,SFTRP,SFTLP:脉冲执行型指令位右移SFTR与位左移SFTL指令编程方式如下:SFTRP M0 M20 K16 K4SFTLP M0 M20 K16 K4*M0:源位元件起始地址,只能是位元件(X,Y,M,S)*M20:目标位元件起始地址,只能是位元件(Y,M,S)*K16:目标位元件个数,只能是数值*K4:移动的个数,只能是数值实例:假设M0=ON,M1=ON,M2=OFF,M3=ON,M20---M23都为ON,M24---M27都为OFF,M28---M31都为ON,M32---M35都为OFFSFTRP M0 M20 K16 K4(M20---M35以四个位为单位向右移动,M20---M23溢出) 执行的结果为:M20---M23都为OFF,M24---M27都为ON,M28---M31都为OFF,M32=ON(等于M0),M33=ON(等于M1),M34=OFF(等于M2),M35=ON(等于M3)SFTLP M0 M20 K16 K4(M20---M35以四个位为单位向左移动,M32---M35溢出) 执行的结果为:M20=ON(等于M0),M21=ON(等于M1),M22=OFF(等于M2),M23=ON(等于M3),M24---M27都为ON,M28---M31都为OFF,M32---M35都为ON------------------------------------------------------------------------Frankzhang原创文章 /frankzhang_gz/home 5盏彩灯相邻2盏灯依次闪亮PLC程序方法一:SFT指令。
用PLC编写程序控制彩灯变化规律.txt2、彩灯的工作方式由花样选择开关和单步/连续开关决定;3、当单步/连续开关在单步位置时,彩灯只能按照花样选择开关设定的方式,运行一个循环;如果为连续工作方式,则继续循环下去。
4、花样选择开关用于选择彩灯的变化花样,考虑以下3种花样:1)花样选择开关在位置1时:a. 按下启动按钮(X2)后,灯管按照1号→2号→3号→...→7号→8 号顺序依次点亮,时间间隔为1S。
8根彩灯全亮后,持续10S。
然后按照8号→7号→6号→...→2号→1号的顺序依次熄灭,时间间隔为1S。
b.灯管全部熄灭后,等待2S,再从8号灯管开始,按照8号→7号→6号→...→2号→1号的顺序依次点亮,时间间隔为1S。
全部点亮后持续20S,再按照1号→2号→3号→...→7号→8号的顺序熄灭,时间间隔仍为1S。
c.灯管全部熄灭后,等待2S,再重新开始上述过程的循环。
2)花样选择开关在位置2时:a.按下停止按钮(X1)后,8个彩灯全灭,b.按下启动按钮(X3)后,彩灯依序从Y0开始每隔2秒亮两个除非按停止按钮,不然循环不止.3)花样选择开关在位置3时,按下启动按钮后:a.按下启动按钮(X4)后,彩灯依序从Y0开始每隔2秒亮两个且之前亮起的灯不灭,等最后Y7亮后,8个等全灭.接着继续重复之前的动作,每隔2秒亮一个,除非按停止按钮,不然循环不止.问题补充:根据上面的要求编写梯形图,主电路图,能帮忙写下感激不尽,我多到时候多加点分我的邮箱:qiuzhongzi2009@ 写一份梯形图就行了感谢好心人啊最佳答案以下程序是基于S7-200PLC,用定时器太麻烦,我用的整数自加,比较容易懂,I0.0为停止按钮,I0.1~I0.3分别是三种花样的启动按钮,SBR0~SBR2分别是三种花样子程序,I0.4为单步/连续常闭选择开关,常闭为连续,Q0.0~Q0.7分别为8个彩灯的输出。
程序很简单,就是繁琐了点,你也可以用移位来控制,不过这个应该比较好理解,程序如下:主程序网络1LD I0.0EUR Q0.0, 8网络2LD I0.1AN I0.0AN I0.2AN I0.3CALL SBR_0:SBR0EUMOVW 0, VW1000网络3LD I0.2AN I0.0AN I0.1AN I0.3CALL SBR_1:SBR1 EUMOVW 0, VW1002 网络4LD I0.3AN I0.0AN I0.1AN I0.2CALL SBR_2:SBR2 EUMOVW 0, VW1004 子程序SBR0LD SM0.5EUINCW VW1000LDW= VW1000, 1 EUS Q0.0, 1LDW= VW1000, 2 EUS Q0.1, 1LDW= VW1000, 3 EUS Q0.2, 1LDW= VW1000, 4 EUS Q0.3, 1LDW= VW1000, 5 EUS Q0.4, 1LDW= VW1000, 6 EUS Q0.5, 1LDW= VW1000, 7S Q0.6, 1LDW= VW1000, 8 EUS Q0.7, 1LDW= VW1000, 18 EUR Q0.7, 1LDW= VW1000, 19 EUR Q0.6, 1LDW= VW1000, 20 EUR Q0.5, 1LDW= VW1000, 21 EUR Q0.4, 1LDW= VW1000, 22 EUR Q0.3, 1LDW= VW1000, 23 EUR Q0.2, 1LDW= VW1000, 24 EUR Q0.1, 1LDW= VW1000, 25 EUR Q0.0, 1LDW= VW1000, 27 EUS Q0.7, 1 LDW= VW1000, 28S Q0.6, 1LDW= VW1000, 29 EUS Q0.5, 1LDW= VW1000, 30 EUS Q0.4, 1LDW= VW1000, 31 EUS Q0.3, 1LDW= VW1000, 32 EUS Q0.2, 1LDW= VW1000, 33 EUS Q0.1, 1LDW= VW1000, 34 EUS Q0.0, 1LDW= VW1000, 54 EUR Q0.0, 1LDW= VW1000, 55 EUR Q0.1, 1LDW= VW1000, 56 EUR Q0.2, 1LDW= VW1000, 57 EUR Q0.3, 1 LDW= VW1000, 58R Q0.4, 1LDW= VW1000, 59 EUR Q0.5, 1LDW= VW1000, 60 EUR Q0.6, 1LDW= VW1000, 61 EUR Q0.7, 1LDW= VW1000, 63 AN I0.4EUMOVW 0, VW1000 子程序SBR1LD SM0.5EUINCW VW1002LDW= VW1002, 1 EUS Q0.0, 2R Q0.6, 2LDW= VW1002, 3 EUS Q0.2, 2R Q0.0, 2LDW= VW1002, 5 EUS Q0.4, 2R Q0.2, 2LDW= VW1002, 7 EUS Q0.6, 2R Q0.4, 2LDW= VW1002, 8 AN I0.4EUMOVW 0, VW1002 子程序SBR2LD SM0.5EUINCW VW1004LDW= VW1004, 1 EUS Q0.0, 2LDW= VW1004, 3 EUS Q0.2, 2LDW= VW1004, 5 EUS Q0.4, 2LDW= VW1004, 7 EUS Q0.6, 2LDW= VW1004, 8 EUR Q0.0, 7LDW= VW1004, 10 EUS Q0.0, 1LDW= VW1004, 12 EUS Q0.1, 1LDW= VW1004, 14 EUS Q0.2, 1LDW= VW1004, 16EUS Q0.3, 1LDW= VW1004, 18EUS Q0.4, 1LDW= VW1004, 20EUS Q0.5, 1LDW= VW1004, 22EUS Q0.6, 1LDW= VW1004, 24EUS Q0.7, 1LDW= VW1004, 25EUR Q0.0, 7LDW= VW1004, 26AN I0.4EUMOVW 0, VW1004春潮带雨晚来急,野渡无人舟自横。