泵站操作工培训教材
- 格式:pptx
- 大小:6.44 MB
- 文档页数:58
泵车操作手基础培训一,怎样成为合格泵车操作手?(1)熟悉和掌握泵车各部件叫什么,在泵车中起什么作用和怎样操作。
(2)熟练操作驾驶室内“泵送/行驶”切换及注意事项。
(3)熟练掌握支腿操作、臂架多路阀操作,正确使用遥控器各开关和摇杆,熟练操作电控柜文本显示器及各按钮并掌握其用途。
(4)掌握一定的混凝土知识。
(5)熟练掌握泵送中臂架的操做和配合工地施工。
(6)掌握泵车保养和安全常识。
(7)掌握泵车进出工地常识、安全合理摆放泵车、泵送前的准备工作、泵车开槽注意事项、泵送过程注意事项、洗管洗机注意事项。
(8)正确处理堵管。
(9)掌握一定的应急故障处理措施。
(10)学会检查泵车各部位、各参数是否正常,避免事故的发生。
(11)学会正确更换泵车易损件。
二,泵车保养(1)臂架、转塔、支腿、泵车底盘各传动部位加注黄油。
首次加注黄油时一定要够量,以后每月两次,第四臂或第五臂转动部位要求每星期加注两次。
(2)洗涤室加注清洁水漫过活塞杆,另外冬天加两升锂基脂或废机油、夏天加一定量洗衣粉或洗洁精增强活塞润滑。
视情况更换。
(3)摇动手动润滑脂泵直到搅拌轴两端内侧、大小轴承座内侧出清洁锂基脂。
自动润滑的打反泵润滑点出油止。
(4)每天发车前切记液压油放水!(5)清洁车辆,切记电控柜、驾驶室内不能冲水,只能擦拭。
三,泵车检查(1)定期检查泵车臂架每一条焊缝,看是否有开裂或脱焊。
(2)检查液压油位,如展开支腿和臂架后油位最低位或低于该位则立即加注液压油(美孚抗磨液压油N46#或N68#),加注时注意加油机具清洁,不能有砂或杂物!(3)检查洗涤室是否混浊,如确认漏浆则立即更换砼密封体。
(4)打空泵检查换向压力,正常12-16Mpa(新出厂泵车7-16Mpa),如低于此值则需加气或更换气囊,检查搅拌压力,正常2.5Mpa,如有5Mpa,则搅拌轴承坏或搅拌马达坏,需要停机修理。
(5)检查柴油、发动机油、冷却水、分动箱油,旋转马达油是否正常。
一、产品用途卧式电动往复泵是多缸作用,电力驱动柱塞泵,在常温下输送无腐蚀液体适用于以下几个方面:1、用作煤碳开采中的液压支架、支柱及各种液压机械的动力源。
2、用于石油矿场的注水工程,煤层注水。
3、用于水泥生产、煤碳开采过程中的喷雾灭尘。
4、用于机械设备、建筑、管道、船舶的清洗,除锈等。
5、用于现代水射流技术的动力源。
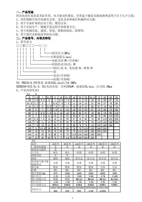
二、产品型号、内容及特征1、型号意义□□B□□□--□/□│││││││││││││││└──排出压力(MPa)││││││└───公称流量(L/min)│││││└──────电机功率(W)(可省略)││││└───────结构形式(卧式:W)│││└─────────特征(水:S;乳化液:R;喷雾:P)││└──────────泵│└───────────电动(可省略)└────────────缸数(可省略)例:PB320/6.3喷雾泵:流量320L/min压力6.3MPa5DSB200-315/31.5:5缸电动水泵,功率200kW,流量315L/min,压力31.5Mpa2、产品内容见表1表1PQ 2.54 6.381012.516202531.54050638025 1.5 2.234 5.57.5111115152230374531.5 2.234 5.57.57.5111515223037455540 2.23 5.57.57.511151522303745557550347.57.511151522303745557590633 5.57.5111515223037455575901108047.511151522303745557590110132100 5.57.51515223037455575901101322001257.51115223030455575751101321602501607.515223037455575751101321602502001118.5303045557575110132160200250152230455575751101321602002503151530455575751101321602002504002230557575110132160200250三、产品结构及原理本厂生产的卧式电动往复泵由以下几部分组成:1、电机,根据使用环境配防爆电机或普通电机。
泵送混凝土泵机操作员岗位培训教材为了防止堵塞,混凝土泵的安全使用及操作,应严格执行使用说明书和其他有关规定。
同时,应根据使用说明书制定专门操作要点。
混凝土泵的操作人员必须经过专门培训合格后,方可上岗独立操作。
泵送混凝土时,混凝土泵支腿应完全伸出,并插好安全销。
混凝土泵与输送管连通后,应按所用混凝土泵使用说明书的规定进行全面检查,符合要求后方能开机进行空运转。
在泵机操作上应该注意以下各点:1.泵送前先往料斗内倒入几桶清水以洗润料斗及管道(用18L的水桶,倒入3~5次);2.先投入大约0.5m³的水泥砂浆作为泵送混凝土的前导,以润滑输送管道,水泥砂浆要根据管道长度不同而采用不同的水灰比,如配管实际长度在100m以内时可采用1:2的水泥砂浆、配管实际长度在150m以上时可采用1:1的水泥砂浆。
3.先泵送富配合比混凝土3~6m³,此后正常泵送。
泵送时,要注意观察泵机的压力表和各部机件的工作状态。
开始运转时油泵转速要慢,并处于随时可以采取逆运转等措施的预备状态。
当确认泵送可以正常进行后,方可以常速运行。
在开始正常泵送时,若发现在Y形管附近堵塞,应立即把“泵主机”的开关转换到反转上,使在Y形管处堵塞分离的混凝土逆流到料斗,把它重新搅拌一下再泵送。
泵送正常进行后就不要中途停止,遇有特殊情况,如混凝土供应不足时,宁可减低泵送速度也要保持泵送连续进行。
因故一旦停泵而后又开始泵送时,要注意泵机压力表变化,如缓慢上升,方可正常泵送。
若因故需停泵时间较长,也要每隔4~5min进行约4个行程的正转——反转的反复运行,以防混凝土在管道内离析。
其实,能否连续泵送混凝土,是混凝土泵送法施工的成败关键之一。
如混凝土泵的输送管中的混凝土超过了初凝时间减去布料入模和振捣密实所必须的时间,则因混凝土质量不合格,将导致管道堵塞。
所以,当遇到混凝土供应中断等情况时,应采取慢速和间歇泵送,但一定要满足此泵送的混凝土从搅拌到浇筑完毕的延续时间不超过初凝时间的要求。
机泵岗位培训教程泵是用来输送液体并且直接给液体增加能量的一种机器。
在石油化工生产中,泵的适用相当广泛。
原料、中间产品和最终产品大都是液体,必须用泵来输送,以满足工艺流程的要求。
一.泵的分类二.泵的工作原理离心泵在启动之前,泵内应灌满液体(自吸泵除外),此过程称为灌泵。
工作时,泵叶轮中的液体跟着叶轮旋转,因而产生离心力,在此离心力的作用下,液体自叶轮飞出。
液体经过泵的排液室、扩压管,从泵的排液口流到泵外管路中。
与此同时,由于叶轮内液体被抛出,在叶轮中心附近形成低压区,液体在液面气压的作用下,经吸液管及泵的液室而进入叶轮中,这样,叶轮在旋转中,一面不断地吸入液体,一面又不断地给吸入的液体一定的能量,将它抛到排液室,并经扩压管而流出泵外。
离心泵可以用排液管路上的阀门来调节流量。
但对于容积式泵,一般不允许用这种方法来调节流量,若关小排液管路上的阀门,不仅起不到调节流量的作用,反而会使泵憋压而发生事故。
离心泵在启动时,为了保护电机,防止电机的启动电流太大而超负荷,出口阀门应关闭。
在这种情况下,流量为零,离心泵中液体在叶轮旋转作用下仍然提高了压力能,但轴功率不为零。
这部分功率是离心泵的空载轴功率,它消耗在机械磨损,轮盘摩擦,容积泄漏,流动冲击损失方面。
但这时离心泵只允许作短时间的运行(一般1-3分钟),以防止泵壳内液体的温度上升、泵壳体、轴承发热和泵壳的热变形。
三.泵的结构图7-1 离心泵结构剖面图离心泵的主要零部件主要由叶轮、泵壳、泵轴、密封等组成。
1.叶轮叶轮是离心泵中唯一的能量传递元件,通常由轮盘、叶片和轮盖三部分组成。
根据三者的组合情况可有闭式、半开式、开式及双吸叶轮等结构,如图所示。
叶轮和轴以及固定于轴上的所有零件统称为转子。
图7-2 闭式、半开式、开式及双吸叶轮结构图2.泵体泵体主要是压液室。
压液室的作用是收集液体和转换能量,即把从叶轮排出的液体收集起来导向排出管,同时降低液体速度,使动能转化为压力能。
机泵操作工培训教材机泵操作工,是指能够掌握机泵的操作技能和应对常规故障的工人。
机泵是工业生产常用的设备,它能够将液体或气体输送到目标位置。
它的运作能力直接影响到工业生产的效率和安全,因此,机泵操作工培训教材应被重视。
本文旨在探讨机泵操作工培训教材应具备的要素和培训方法,并对现有的机泵操作工培训教材进行评估和分析。
一、机泵操作工培训教材的要素1. 简明易懂的理论知识机泵操作工需要掌握的理论知识包括流体力学、机械原理、安全知识等。
教材应简明易懂,注重阐述实用性和应用性。
同时,应该有突出的例子和案例,帮助读者理解和记忆学习内容。
2. 规范的操作流程机泵操作工需要掌握操作步骤和操作流程。
教材应该从操作的前期准备,到操作的注意事项和故障排除等方面进行规范的指导。
特别是在故障排除方面,应考虑到各种可能出现的问题,尽量做到全面和详实。
3. 鲜明的安全意识机泵操作一旦出现失误,就可能对生产过程造成严重的影响,同时也可能造成人员伤亡。
因此,操作工应该有鲜明的安全意识,教材也应该强调安全知识。
比如,教导操作人员如何正确佩戴各种防护装备,如何识别和避免高风险的操作步骤,以及如果发生事故应该如何处理等方面。
4. 适宜的图片和动画机泵操作教材不仅要讲解原理和步骤,还应该用适宜的图片和动画辅助讲解。
动画可以让读者更加生动地了解操作的过程和各部分的构造;图片可以提供更加直观明了的图像表现方式,让学习更加容易。
5. 操作实例和练习题目机泵操作工培训教材还应提供相关的操作实例和练习题目。
例如,设计各种操作方案和维护计划,模拟各种故障场景等,这些操作实例和练习可以提高学习者的操作技巧和应对复杂场景能力。
二、机泵操作工培训教材的培训方法机泵操作工培训教材可以通过线上、线下、自主学习和导师指导等多种方法进行培训。
1. 线上教学机泵操作工培训教材可以采取线上教学的方式,例如,通过网络或者教育平台,向操作工提供在线的学习材料和课程。
这种方式可以大大减少给操作工带来的时间和规模的限制,同时可以减少培训成本。
泵站运行工系统理论知识培训教材(适合泵站运维人员的系统理论学习,推荐理论学习+实际跟班的形式进行。
对于大学没有好好系统学习的学生,也有较大的帮助)二0一八年编订第一节水力特性一、水力学基础1.主要物理性质密度(比重)=1000Kg/m3容重γ=9800N/ m32.大气压绝对压强:考虑大气压的压强相对压强:以一个大气压为压力零点,与大气压的差值。
1个标准大气压=10。
33mH20=760mmHg1个工程大气压=10mH20= 1kg/cm2=9.8N/cm2=9.8 N /10-4m2=0。
1MPa1mH20=0。
01MPa=0。
1 kg/cm23. 真空正压、负压(真空)真空:当某处的绝对压力小于一个大气压力时,即认为该处存在真空。
真空值Pv=Pa - P真空度=Pv/Pa×100%4。
水压(1)静水压强:方向与受力面垂直,大小与该点坐标有关,与受力面方向无关。
(2)绝对压强与相对压强:正压、负压(真空度)5。
水能:水能=位能+压能+动能水能与水头(扬程)的关系6.水能(水头)损失水头损失=局部水头损失+沿程水头损失扬程损失二机械基础1。
金属材料分类分类黑色金属:以铁为基础的合金,如钢、生铁有色金属:以铁为基础的合金,如铜、铝、铜合金、铝合金2机械性能:金属材料在使用过程中,受到外力作用时,表现出来的抵抗变形或破坏的能力1)强度:抵抗变形的能力(抗拉、抗弯、抗压)2)硬度:抵抗比它更硬物体压入的能力3)塑性:产生永久变形而不会被破坏的能力4)韧性:在冲击载荷作用下,抵抗破坏的能力3。
钢、铁的区别钢:含碳量小于2%铁:含碳量大于2%4巴氏合金特点①足够抗压强度和稍次于轴的硬度②足够塑性和冲击韧性③摩擦系数小,导热性好第二节水泵的特性及参数一、水泵的特性参数1.流量流量,又称排水量,出水量,是指水泵在单位时间内输送出去的水量。
(体积或重量),用符号“Q”表示。
单位为m3/h、m3/S、L/S等。