防爆标准
- 格式:docx
- 大小:20.54 KB
- 文档页数:3
IEC 防爆等级标准
IEC 防爆等级标准
IEC 防爆等级标准格式:Ex(ia)ⅡC T4
根据可能引爆的最小火花能量,我国和欧洲及世界上大部分国家和地区采用的国际电工委员会(IEC)标准将爆炸性气体分为四个危险等级:
防爆级别
Ⅱ类电气设备的最高表面温度分组
爆发等级:eG1,eG2,eG3(表示安全增防爆构造之记号, G表示发火度)
G1 使用场所发火温度:450℃以上
马达温升限度:320℃
G2 使用场所发火温度:300℃ ~ 450℃以下
马达温升限度:200℃
G3 使用场所发火温度:200℃ ~ 300℃以下
马达温升限度:120℃
注:马达温升限度表示马达外壳表面之温度上升限度。
防爆测试标准《防爆测试标准:守护安全的重要指南》嘿,朋友们!你们知道吗?在我们生活的这个世界里,就像超级英雄需要强大的超能力来对抗邪恶一样,各种设备和场所也需要通过严格的防爆测试标准来抵御潜在的危险“大怪兽”!要是没有这些标准,那可就像是在危险的边缘疯狂试探,随时都可能引发一场惊天动地的“大灾难”啊!一、“防爆战甲”:设备的防护等级在防爆的世界里,设备的防护等级就像是一件超级坚固的“防爆战甲”!“嘿,这防护等级可不能含糊啊,它就像是设备的坚固护盾,得能抵挡住各种危险的‘炮火攻击’!”防护等级明确规定了设备能够抵御的爆炸压力、温度等因素。
比如说,有些设备就像是“钢铁侠”的战甲一样,能够在恶劣的环境下依然安然无恙,而那些防护等级低的设备可能就像是纸糊的一样,一戳就破啦!就像我们常见的一些化工厂里的设备,如果防护等级不够高,一旦发生爆炸,那后果简直不堪设想!所以,选择具有高防护等级的设备,就是给自己的安全加上了一道坚实的“保险锁”!二、“能量探测器”:爆炸极限的把控接着来聊聊爆炸极限,这可相当于一个超级厉害的“能量探测器”!“哇塞,爆炸极限就像是一个敏感的‘警报器’,一旦超过了那个界限,危险就来啦!”它规定了可燃物质在空气中的浓度范围。
想象一下,如果空气中的可燃物质浓度就像坐过山车一样忽高忽低,超过了爆炸极限,那就如同点燃了一个巨大的“火药桶”!比如在煤矿中,如果瓦斯的浓度达到了爆炸极限,那稍有不慎就会引发一场可怕的爆炸事故。
所以,我们必须要像精准的科学家一样,严格把控爆炸极限,确保一切都在安全的范围内!三、“安全密码”:电气防爆标准最后,不能不提的就是电气防爆标准啦,这简直就是开启安全之门的“安全密码”!“嘿呀,电气防爆标准可太重要啦,就像是给电路穿上了一层‘防弹衣’!”它确保了电气设备在危险环境下不会成为引发爆炸的“导火索”。
从防爆灯具到防爆电机,每一个电气设备都必须符合严格的标准。
就像在加油站里,那些防爆电气设备就是保障我们安全的“守护天使”,要是没有它们,那可真是让人提心吊胆啊!好啦,朋友们!防爆测试标准就像是一组神奇的“安全秘籍”,掌握了它们,我们就能在充满危险的世界里游刃有余地应对各种挑战!“哇哦,有了这些标准,我们就像是有了一双火眼金睛,能够轻松识别潜在的危险,让安全时刻陪伴在我们身边!”所以,让我们一起努力,严格遵循这些标准,让我们的生活和工作环境变得更加安全可靠吧!相信在我们的共同努力下,我们一定能够打造一个安全无忧的美好世界!yyds!。
防爆设备标准及检查方法防爆设备是指在易燃、易爆气体、蒸气混合物的环境中工作时,能防止产生火花、电弧等可能引发爆炸的设备。
防爆设备的标准是为了保障工作环境的安全,防止意外事故的发生。
本文将介绍防爆设备的标准及检查方法,以提高工作环境的安全性。
一、防爆设备标准:1. 国家标准:我国现行的防爆设备标准主要有《防爆电气设备通用技术条件》(GB 3836.1-2010)和《防爆电气设备第2部分:电气设备的防爆保护“i”》(GB 3836.2-2010)等。
这些标准规定了防爆设备的基本要求、分类和选用等方面的内容,以保证设备在危险环境中的安全性。
2. 行业标准:不同行业还有自己的防爆设备标准,如石油化工行业的《石油化工企业防爆设备基本要求》(AQ 3090-2005)和《石油钻井防爆技术规程》(SY/T 4509-2016)等。
这些标准根据行业的特殊需求,进一步规范了防爆设备的选用、安装和维护等方面的要求。
3. 国际标准:国际标准组织(ISO)也有与防爆设备相关的标准,如《防爆电气设备》系列标准(ISO 80079)。
这些标准与国内标准相似,但在细节上可能有所差异。
如果涉及到与国外企业的合作,了解和遵守国际标准是必要的。
二、防爆设备检查方法:1. 外观检查:检查设备外观是否完好,无损坏或变形等现象。
特别要注意设备是否有裂纹或漏油现象,这可能是设备性能下降的信号。
2. 防护性能检查:检查设备的防护性能是否满足要求。
这包括防尘、防水、耐腐蚀等性能的检查。
例如,使用防爆电气设备时,应确保设备符合对应的防水等级要求。
3. 进气阻力检查:对液体或气体进入设备的通道进行检查,确保通道畅通,没有阻力。
例如,在石油化工行业,使用防爆空气净化器时,应检查滤芯是否清洁,是否需要更换。
4. 接地检查:防爆设备的接地非常重要,它能帮助将电流引向地面,减少电火花产生的可能性。
因此,检查设备的接地线是否牢固,无松动或腐蚀等现象。
还可以使用接地测试仪对设备的接地情况进行检测。
防爆国家标准文稿归稿存档编号:[KKUY-KKIO69-OTM243-OLUI129-G00I-FDQS58-防爆国家标准(G B3836)一、危险场所区域划分按场所中存在物质的物态的不同,将危险场所划分为爆炸性气体环境和可燃性粉尘环境。
按场所中危险物质存在时间的长短,将两类不同物态下的危险场所划分为三个区,即:对爆炸性气体环境,为0区、1区和2区;对可燃性粉尘环境,为20区、21区和22区。
针对爆炸性气体环境,GB3836.14—2000标准中规定:0区:爆炸性气体环境连续出现或长时间存在的场所。
1区:在正常运行时,可能出现爆炸性气体环境的场所。
2区:在正常运行时,不可能出现爆炸性气体环境,如果出现也是偶尔发生并且仅是短时间存在的场所。
在此,“正常运行”是指正常的开车、运转、停车,易燃物质产品的装卸、密闭容器盖的开闭,安全阀、排放阀以及所有工厂设备都在其设计参数范围内工作的状态。
二、防爆标志解析防爆电气设备按GB3836标准要求,防爆电气设备的防爆标志内容包括:防爆型式+设备类别+气体组别+温度组别以NTAR-3000产品为例,NTAR-3000的防爆标志:ExdⅡBT5,下面做具体说明:1.防爆类型2.(NTAR-3000属于隔爆型防爆型式。
)2.设备类别爆炸性气体环境用电气设备分为:I类:煤矿井下用电气设备;II类:工厂用电气设备II?类隔爆型“d”和本质安全型“i”电气设备又分为IIA、IIB、和IIC类。
(NTAR-3000属于II类电气设备,可以使用在除煤矿以外的其他爆炸性气体环境。
)3.气体组别爆炸性气体混合物的传爆能力,标志着其爆炸危险程度的高低,爆炸性混合物的传爆能力越大,其危险性越高。
爆炸性混合物的传爆能力可用最大试验安全间隙表示。
同时,爆炸性气体、液体蒸汽、薄雾被点燃的难易程度也标志着其爆炸危险程度的高低,它用最小点燃电流比表示。
II类隔爆型电气设备或本质安全型电气设备,按其适用于爆炸性气体混合物的最大试验安全间隙或最小点燃电流比,进一步分为IIA、IIB和IIC类。
最新防爆规范要求标准随着工业发展和科技进步,防爆设备和设施在石油、化工、矿业等众多行业中的重要性日益凸显。
为了确保生产安全,降低爆炸事故的发生,各国和地区都制定了相应的防爆规范要求标准。
以下是最新的防爆规范要求标准概述:1. 防爆设备分类:根据设备可能接触到的爆炸性环境,将防爆设备分为不同的类别,如I类适用于煤矿,II类适用于除煤矿外的其他爆炸性气体环境,III类适用于粉尘环境。
2. 防爆设备等级:防爆设备根据其防爆性能被分为不同的等级,例如,Ex d表示设备具有“增安型”防爆性能,Ex e表示设备具有“本安型”防爆性能。
3. 防爆标志:所有防爆设备必须有清晰的防爆标志,包括设备类别、设备组别、温度组别等信息,以便于用户正确选择和使用。
4. 设计和制造要求:防爆设备的设计和制造必须符合特定的防爆标准,如国际电工委员会(IEC)的IEC 60079系列标准,或美国国家电气制造商协会(NEMA)的相关标准。
5. 测试和认证:防爆设备在投入使用前必须经过严格的测试和认证,确保其在规定的条件下能够安全运行,不引发爆炸。
6. 安装和使用规范:防爆设备的安装和使用必须遵循特定的规范,以确保设备在实际使用中能够发挥其防爆性能。
7. 维护和检查:定期对防爆设备进行维护和检查,确保其性能不受损害,及时发现并修复可能的缺陷。
8. 培训和教育:对操作防爆设备的人员进行专业培训,确保他们了解防爆设备的正确使用方法和应急处理措施。
9. 法规和标准更新:随着技术的发展和行业需求的变化,防爆规范要求标准也会不断更新。
企业和个人应关注最新的法规和标准,确保遵守最新的安全要求。
10. 事故预防和应急响应:制定详细的事故预防措施和应急响应计划,以减少爆炸事故的发生并降低其影响。
通过遵循这些最新的防爆规范要求标准,可以显著提高工业生产过程中的安全性,保护人员和设备不受爆炸事故的影响。
同时,这也有助于企业遵守法律法规,避免因违规而受到处罚。
防爆国家标准 Revised as of 23 November 2020防爆国家标准(GB3836)一、危险场所区域划分按场所中存在物质的物态的不同,将危险场所划分为爆炸性气体环境和可燃性粉尘环境。
按场所中危险物质存在时间的长短,将两类不同物态下的危险场所划分为三个区,即:对爆炸性气体环境,为 0 区、 1 区和 2 区;对可燃性粉尘环境,为 20 区、 21 区和 22 区。
针对爆炸性气体环境, GB — 2000 标准中规定:?0 区:爆炸性气体环境连续出现或长时间存在的场所。
?1 区:在正常运行时,可能出现爆炸性气体环境的场所。
?2 区:在正常运行时,不可能出现爆炸性气体环境,如果出现也是偶尔发生并且仅是短时间存在的场所。
?在此,“正常运行”是指正常的开车、运转、停车,易燃物质产品的装卸、密闭容器盖的开闭,安全阀、排放阀以及所有工厂设备都在其设计参数范围内工作的状态。
危险物质长期存在(大于 1000h/年) 正常运行时存在(10-1000h/年) 仅在不正常时存在(少于 10h/年 )气体0 区 1 区 2 区二、防爆标志解析防爆电气设备按 GB 3836 标准要求,防爆电气设备的防爆标志内容包括:?防爆型式 + 设备类别 + 气体组别 + 温度组别以NTAR-3000产品为例, NTAR-3000的防爆标志:ExdⅡBT5,下面做具体说明:1.防爆类型防爆型式防爆型式标志防爆型式防爆型式标志隔爆型Exd充砂型Ex q增安型Exe浇封型Ex m正压型Expn型Ex n本安型Exia / Exib特殊型Ex s油浸型Exo粉尘防爆型DIP A / DIP B (NTAR-3000属于隔爆型防爆型式。
)2.设备类别爆炸性气体环境用电气设备分为:?I 类:煤矿井下用电气设备;?II 类:工厂用电气设备?II 类隔爆型“ d ”和本质安全型“ i ”电气设备又分为 IIA 、 IIB 、和 IIC 类。
国家煤矿防爆标准一、设备选型与检验1.1 煤矿设备应选择符合国家或行业标准,并通过安全认证的设备。
1.2 设备的检验应按照国家或行业标准进行,确保其性能和质量满足煤矿防爆要求。
1.3 对于关键设备,如通风机、变压器等,应进行出厂检验和到货检验,确保其符合设计和性能要求。
二、隔爆设施设计与安装2.1 煤矿应设计安装符合国家或行业标准的隔爆设施,以防止瓦斯爆炸等事故的扩大。
2.2 隔爆设施的设计应考虑其耐爆性、密封性、耐腐蚀性等因素,并按照标准进行制造和检验。
2.3 隔爆设施的安装应符合设计要求,并按照标准进行验收和试验。
三、电气设备安全3.1 煤矿电气设备应符合国家或行业标准,并按照标准进行选型和安装。
3.2 电气设备的外壳应具有足够的强度和防爆性能,以防止内部可能产生的爆炸。
3.3 电气设备应按照要求进行接地、接零等保护措施,以防止触电事故的发生。
3.4 电气设备的操作和维护应由专业人员进行,并按照标准进行操作和维护。
四、通风、瓦斯防治4.1 煤矿应建立完善的通风系统,确保工作面等关键区域的通风量满足要求。
4.2 瓦斯的防治应遵循“预防为主、治理为辅”的原则,采取综合措施降低瓦斯浓度和压力。
4.3 煤矿应配备瓦斯监测设备,对工作面等关键区域进行实时监测和报警。
4.4 对于高瓦斯矿井,应采取抽放等措施降低瓦斯浓度,并建立完善的应急预案。
五、防静电和防腐蚀5.1 煤矿人员应采取措施防止静电产生,如穿戴防静电服装、使用静电消除剂等。
5.2 对于可能产生腐蚀的场所,应采取防腐蚀措施,如使用防腐材料、进行表面处理等。
5.3 对于可能产生静电和腐蚀的设备,应采取相应的防护措施。
六、安全管理和培训6.1 煤矿应建立完善的安全管理体系,确保各项安全制度的落实。
6.2 煤矿应对人员进行安全培训和教育,提高员工的安全意识和技能水平。
6.3 对于特种作业人员,应取得相应的资格证书后方可上岗作业。
6.4 对于危险岗位和关键设备,应制定相应的操作规程和应急预案。
防爆类型选择标准
防爆类型的选择标准主要依据设备所处环境的爆炸风险、设备运行的安全性要求以及设备的使用条件等因素来决定。
以下是选择防爆类型的一些通用标准:
1. 隔爆型(d):适用于爆炸性气体环境,如煤尘、化工等易燃易爆场所。
2. 本安型(i):适用于煤矿井下、燃气等易燃易爆场所。
3. 粉尘防爆型:适用于可燃性粉尘环境,如面粉、淀粉等场所。
4. 正压型(p):适用于密封性能要求较高的场所,如实验室、制药厂等。
5. 增安型(e):适用于对安全性能要求较高的场所,如煤矿、石油化工等。
6. 油浸型(o):适用于需要将整个设备浸入油中的场所,如变压器、油开关等。
7. 充砂型(q):适用于外壳需要承受一定压力的场所,如压力容器等。
8. 浇封型(m):适用于需要将电气部件浇封在浇封剂中的场所,如仪表、控制箱等。
此外,选择防爆类型时还需要考虑设备的电压、电流、功率、使用环境等因素,以及防爆电气设备的质量和可靠性等因素。
同时,也需要注意遵守国家和地区的相关标准和规范,确保设备的防爆性能符合当地的要求和规定。
中国国家防爆标准
在中国,防爆标准主要由国家质量监督检验检疫总局(AQ标准)和国家能源局(MB标准)制定。
以下是一些常见的防爆标准:
1. AQ 3009-2007 《易燃易爆危险货物存储通风系统和设施》
2. AQ 3010-2007 《易燃易爆危险货物存储装卸设备和设施》
3. AQ 6201-2007 《易燃易爆危险货物存储设施安全监控系统》
4. AQ 6202-2007 《易燃易爆危险货物存储设施电气系统》
5. MB 6001-2012 《石油库电气装置》
6. MB 6002-2012 《石油库电气线路》
7. MB 6003-2012 《石油库电气设备》
8. MB 6004-2012 《石油库安全监控系统》
以上只是一部分常见的防爆标准,具体的防爆标准可能会根据行业的不同而有所不同。
国内外防爆标准对照防爆标准是指在易燃易爆危险环境下,为确保人身安全和设备的正常工作,制定的一系列安全标准和规范。
下面是国内外防爆标准的对照。
1. 电气设备防爆标准国内标准:GB 3836.1-2010《电气设备用于爆炸性气体环境第1部分:一般要求》国际标准:IEC 60079-0:2017《Explosive atmospheres - Part 0: Equipment - General requirements》2. 防爆灯具标准国内标准:GB 3836.3-2010《电气设备用于爆炸性气体环境第3部分:灯具》国际标准:IEC 60079-1:2014《Explosive atmospheres - Part 1: Equipment protection by flameproof enclosures 'd'》3. 防爆接线盒标准国内标准:GB 3836.5-2010《电气设备用于爆炸性气体环境第5部分:接线盒》国际标准:IEC 60079-7:2015《Explosive atmospheres - Part 7: Equipment protection by increased safety 'e'》4. 防爆电机标准国内标准:GB 3836.2-2010《电气设备用于爆炸性气体环境第2部分:防爆电机》国际标准:IEC 60079-10-1:2009《Explosive atmospheres - Part 10-1: Classification of areas - Explosive gas atmospheres》 5. 防爆阀门标准国内标准:GB/T 25991-2010《防爆阀门技术条件》国际标准:ISO 10497:2010《Petroleum, petrochemical and natural gas industries - Testing of wellhead and Christmas tree equipment》以上是国内外防爆标准的对照,企业在生产和使用防爆设备时应严格遵守相应的标准和规范,确保人身安全和设备正常运行。
最新防爆规范标准随着工业生产和城市化进程的加快,防爆安全问题日益受到重视。
防爆规范标准的制定,旨在确保设备和设施在易燃易爆环境中的安全运行,防止因设备故障或操作不当引发的爆炸事故。
以下是最新的防爆规范标准内容:1. 引言防爆规范标准的制定是为了适应不断变化的工业环境和安全需求,确保人员安全和设备的正常运行。
本规范参照国际防爆标准,结合国内实际情况制定。
2. 适用范围本规范适用于所有可能存在易燃易爆气体、粉尘等危险物质的工业场所,包括但不限于石油、化工、矿业、制药等行业。
3. 术语和定义- 防爆设备:指在易燃易爆环境中使用的,能够防止爆炸危险的设备。
- 防爆区域:指在特定条件下可能产生易燃易爆物质的区域。
- 本质安全:指设备或系统在正常工作、故障或预定的异常条件下,不会引起周围环境爆炸的特性。
4. 防爆设备分类根据设备可能接触的易燃易爆物质的性质,防爆设备分为以下几类:- I类:用于煤矿井下的设备。
- II类:用于除煤矿外的其他易燃易爆气体环境的设备。
- III类:用于易燃易爆粉尘环境的设备。
5. 设备设计要求防爆设备的设计应满足以下要求:- 应采用防爆结构,确保在内部发生故障时不会引发外部爆炸。
- 应具备良好的密封性能,防止易燃易爆物质进入设备内部。
- 应使用防爆材料,确保设备在高温、高压等极端条件下的安全。
6. 安装与使用规范- 防爆设备应安装在符合防爆要求的区域。
- 安装前应进行严格的检查,确保设备无损坏、无缺陷。
- 使用过程中应定期进行维护和检查,确保设备始终处于良好的工作状态。
7. 维护与检查- 防爆设备应建立维护和检查制度,定期进行清洁、润滑、紧固等工作。
- 发现设备异常应立即停止使用,并进行专业检查和维修。
8. 应急处理与事故预防- 应制定详细的应急预案,包括爆炸事故的预防、应急疏散、事故处理等。
- 应定期进行应急演练,提高员工的安全意识和应急处置能力。
9. 结语防爆规范标准的制定和实施,对于提高工业生产的安全性具有重要意义。
防爆等级的划分标准防爆等级的划分标准,此文包含了防爆的概念、防爆的标准、防爆区域的划分、防爆标志的含义以及一些防爆术语:防爆的基本原理爆炸的概念爆炸是物质从一种状态,经过物理或化学变化,突然变成另一种状态,并放出巨大的能量。
急剧速度释放的能量,将使周围的物体遭受到猛烈的冲击和破坏。
爆炸必须具备的三个条件:1 )爆炸性物质:能与氧气(空气)反应的物质,包括气体、液体和固体。
(气体:氢气,乙炔,甲烷等;液体:酒精,汽油;固体:粉尘,纤维粉尘等。
)2 )氧气:空气。
3 )点燃源:包括明火、电气火花、机械火花、静电火花、高温、化学反应、光能等。
为什么要防爆易爆物质 : 很多生产场所都会产生某些可燃性物质。
煤矿井下约有三分之二的场所有存在爆炸性物质;化学工业中,约有 80% 以上的生产车间区域存在爆炸性物质。
氧气 : 空气中的氧气是无处不在的。
点燃源 : 在生产过程中大量使用电气仪表,各种磨擦的电火花 , 机械磨损火花、静电火花、高温等不可避免,尤其当仪表、电气发生故障时。
客观上很多工业现场满足爆炸条件。
当爆炸性物质与氧气的混合浓度处于爆炸极限范围内时,若存在爆炸源,将会发生爆炸。
因此采取防爆就显得很必要了。
仪表防爆的原理危险场所危险性划分:爆炸性物质区域定义中国标准北美标准0 区:Div.1 气体(CLASS Ⅰ) 在正常情况下 , 爆炸性气体混合物连续或长时间存在的场所1 区:在正常情况下爆炸性气体混合物有可能出现的场所1 区2 区:Div.2 在正常情况下爆炸性气体混合物不可能出现 , 仅仅在不正常情况下 , 偶尔或短时间出现的场所10 区Div.1:粉尘或纤维(CLASS Ⅱ/Ⅲ)在正常情况下 , 爆炸性粉尘或可燃纤维与空气的混合物可能连续 , 短时间频繁地出现或长时间存在的场所11 区Div.2:在正常情况下 , 爆炸性粉尘或可燃纤维与空气的混合物不能出现 , 仅仅在不正常情况下 , 偶尔或短时间出现的场所防爆方法对危险场所的适用性:序号防爆型式代号国家标准防爆措施适用区域1 隔爆型 d GB3836.2 隔离存在的点火源Zone1,Zone22 增安型 e GB3836.3 设法防止产生点火源Zone1,Zone23 本安型ia GB3836.4 限制点火源的能量Zone0-2本安型ib GB3836.4 限制点火源的能量Zone1,Zone24 正压型p GB3836.5 危险物质与点火源隔开Zone1,Zone25 充油型o GB3836.6 危险物质与点火源隔开Zone1,Zone26 充砂型q GB3836.7 危险物质与点火源隔开Zone1,Zone27 无火花型n GB3836.8 设法防止产生点火源Zone28 浇封型m GB3836.9 设法防止产生点火源Zone1,Zone29 气密型h GB3836.10 设法防止产生点火源Zone1,Zone2防爆对危险场所的适用性:爆炸性危险气体分类根据可能引爆的最小火花能量,我国和欧洲及世界上大部分国家和地区将爆炸性气体分为四个危险等级 , 如下表 :工况类别气体分类代表性气体最小引爆火花能量矿井下Ⅰ甲烷0.280mJ矿井外的工厂ⅡA 丙烷0.180mJⅡB 乙烯0.060mJⅡC 氢气0.019mJ美国和加拿大首先将散布在空气中的爆炸性物体分成三个 CLASS( 类别 ):CLASS Ⅰ气体和蒸气 ; CLASS Ⅱ尘埃 ; CLASS Ⅲ纤维 . 然后再将气体和尘埃分成 Group( 组 ) :组名代表性气体或尘埃A 乙炔B 氢气C 乙烯D 丙烷E 金属尘埃F 煤炭尘埃G 谷物尘埃气体温度组别划分:温度组别安全的物体表面温度常见爆炸性气体T1 ≤ 450℃氢气、丙烯腈等 46 种T2 ≤ 300℃乙炔、乙烯等 47 种T3 ≤ 200℃汽油、丁烯醛等 36 种T4 ≤ 135℃乙醛、四氟乙烯等 6 种T5 ≤ 100℃二硫化碳T6 ≤ 85℃硝酸乙酯和亚硝酸乙酯仪表的防爆标志Ex(ia)ⅡC T6 的含义 :标志内容符号含义防爆声明Ex 符合某种防爆标准,如我国的国家标准防爆方式ia 采用 ia 级本质安全防爆方法,可安装在 0 区气体类别ⅡC 被允许涉及ⅡC 类爆炸性气体温度组别T6 仪表表面温度不超过 85℃Ex(ia)ⅡC 的含义:标志内容符号含义防爆声明Ex 符合欧洲防爆标准防爆方式ia 采用 ia 级本质安全防爆方法,可安装在 0 区气体类别ⅡC 被允许涉及ⅡC 类爆炸性气体: 注 : 该标志中无温度组别项 , 说明该仪表不与爆炸性气体直接接触 .防爆术语:有关防爆术语及标准安全栅安全参数定义:*8226; 安全栅最高允许电压: Um保证安全栅本安端的本安性能,允许非本安端可能输入的最高电压*8226; 安全栅最高开路电压: Uoc在最高允许电压范围内本安端开路时电压最大值*8226; 安全栅最大短路电流: Isc在最高允许电压范围内本安端短路时的电流最大值*8226; 安全栅允许分布电容: Ca保证本质安全性能情况下本安端最大允许外接电容*8226; 安全栅允许分布电感: La保证本质安全性能情况下本安端最大允许外接电感防爆标志格式说明:将工厂或矿区的爆炸危险介质,按其引燃能量,最小点燃温度以及现场爆炸性危险气体存在的时间周期进行科学分类分级,以确定现场防爆设备的防爆标志和防爆形式。
防爆等级划分标准近几年,全球因为石油、煤炭等易燃物品的爆炸事故增多,使得防爆技术受到了广泛关注。
针对不同易燃物品的特性,业界给出了不同的防爆等级,便于保护这些易燃物品的安全。
以下是不同防爆等级的划分标准。
一级防爆:一级防爆物品的设计要求具有良好的机械稳定性,具有较高的防爆能力。
其机械稳定性耐受的最大耐热和耐冲击能力要求分别不低于1200℃和1500kgf/cm2。
其可应用于地下室、机房及石油化工等危险场合。
二级防爆:相比于一级防爆,二级防爆的物品具有一定的机械稳定性,其耐热和耐冲击能力要求分别不低于800℃和1000kgf/cm2,可应用于办公室、实验室以及建筑施工等环境中。
三级防爆:三级防爆的物品设计要求具有良好的机械稳定性,其耐热和耐冲击能力要求分别不低于400℃和500kgf/cm2,可应用于一般工业环境。
四级防爆:四级防爆的物品设计要求具有一定的机械稳定性,其耐热和耐冲击能力要求分别不低于200℃和125kgf/cm2,可应用于家庭、办公室以及一般工业环境。
五级防爆:五级防爆的物品设计要求具有较低的机械稳定性,其耐热和耐冲击能力要求分别不低于60℃和20kgf/cm2,可应用于一般的生活环境。
防爆等级的划分是根据实际的物品的使用环境、可能出现的易燃物品、可能出现的机械表现以及机械稳定性等方面进行评估和划分的。
不同等级物品的机械稳定性要求不同,耐热和耐冲击能力也有明显的差别。
此外,不同环境所使用的防爆物品也是不同的,要根据实际的使用情况来选择合适的防爆等级的物品,保证安全的使用。
最后,在使用防爆物品的时候一定要注意操作安全,避免发生意外。
一旦发生意外,立即停止动机,同时离开现场,并保证现场环境安全,以做到精细化管理,最大限度地防止爆炸事故的发生。
综上所述,防爆等级划分标准是根据实际情况进行划分,不同等级物品的机械稳定性和耐热耐冲击能力要求也有所差别,在选择和使用的时候一定要注意安全,这样才能保证现场环境的安全。
防爆等级的划分标准防爆的基本原理爆炸的概念:爆炸是物质从一种状态,经过物理或化学变化,突然变成另一种状态,并放出巨大的能量。
急剧速度释放的能量,将使周围的物体遭受到猛烈的冲击和破坏。
爆炸必须具备的三个条件:1 )爆炸性物质:能与氧气(空气)反应的物质,包括气体、液体和固体。
(气体:氢气,乙炔,甲烷等;液体:酒精,汽油;固体:粉尘,纤维粉尘等。
)2 )氧气:空气。
3 )点燃源:包括明火、电气火花、机械火花、静电火花、高温、化学反应、光能等。
为什么要防爆易爆物质: 很多生产场所都会产生某些可燃性物质。
煤矿井下约有三分之二的场所有存在爆炸性物质;化学工业中,约有80% 以上的生产车间区域存在爆炸性物质。
氧气: 空气中的氧气是无处不在的。
点燃源: 在生产过程中大量使用电气仪表,各种磨擦的电火花, 机械磨损火花、静电火花、高温等不可避免,尤其当仪表、电气发生故障时。
客观上很多工业现场满足爆炸条件。
当爆炸性物质与氧气的混合浓度处于爆炸极限范围内时,若存在爆炸源,将会发生爆炸。
因此采取防爆就显得很必要了。
仪表防爆的原理危险场所危险性划分:爆炸性物质区域定义中国标准北美标准气体(CLASS Ⅰ)在正常情况下, 爆炸性气体混合物连续或长时间存在的场所0 区Div.1在正常情况下爆炸性气体混合物有可能出现的场所 1 区在正常情况下爆炸性气体混合物不可能出现, 仅仅在不正常情况下, 偶尔或短时间出现的场所 2 区Div.2粉尘或纤维(CLASS Ⅱ/Ⅲ)在正常情况下, 爆炸性粉尘或可燃纤维与空气的混合物可能连续, 短时间频繁地出现或长时间存在的场所10 区Div.1 在正常情况下, 爆炸性粉尘或可燃纤维与空气的混合物不能出现, 仅仅在不正常情况下, 偶尔或短时间出现的场所11 区Div.2防爆方法对危险场所的适用性:序号防爆型式代号国家标准防爆措施适用区域1 隔爆型 d GB3836.2 隔离存在的点火源Zone1,Zone22 增安型 e GB3836.3 设法防止产生点火源Zone1,Zone23 本安型ia GB3836.4 限制点火源的能量Zone0-2本安型ib GB3836.4 限制点火源的能量Zone1,Zone24 正压型p GB3836.5 危险物质与点火源隔开Zone1,Zone25 充油型o GB3836.6 危险物质与点火源隔开Zone1,Zone26 充砂型q GB3836.7 危险物质与点火源隔开Zone1,Zone27 无火花型n GB3836.8 设法防止产生点火源Zone28 浇封型m GB3836.9 设法防止产生点火源Zone1,Zone29 气密型h GB3836.10 设法防止产生点火源Zone1,Zone2防爆对危险场所的适用性:爆炸性危险气体分类根据可能引爆的最小火花能量,我国和欧洲及世界上大部分国家和地区将爆炸性气体分为四个危险等级, 如下表:工况类别气体分类代表性气体最小引爆火花能量矿井下Ⅰ甲烷0.280mJ矿井外的工厂ⅡA丙烷0.180mJⅡB乙烯0.060mJⅡC氢气0.019mJ美国和加拿大首先将散布在空气中的爆炸性物体分成三个CLASS( 类别):CLASS Ⅰ气体和蒸气; CLASS Ⅱ 尘埃; CLASS Ⅲ纤维 . 然后再将气体和尘埃分成Group( 组) :组名代表性气体或尘埃A 乙炔B 氢气C 乙烯D 丙烷E 金属尘埃F 煤炭尘埃G 谷物尘埃气体温度组别划分:温度组别安全的物体表面温度常见爆炸性气体T1 ≤ 450℃氢气、丙烯腈等46 种T2 ≤ 300℃乙炔、乙烯等47 种T3 ≤ 200℃汽油、丁烯醛等36 种T4 ≤ 135℃乙醛、四氟乙烯等6 种T5 ≤ 100℃二硫化碳T6 ≤ 85℃硝酸乙酯和亚硝酸乙酯仪表的防爆标志Ex(ia)ⅡC T6 的含义:标志内容符号含义防爆声明Ex 符合某种防爆标准,如我国的国家标准防爆方式ia 采用ia 级本质安全防爆方法,可安装在0 区气体类别ⅡC被允许涉及ⅡC 类爆炸性气体温度组别T6 仪表表面温度不超过85℃Ex(ia)ⅡC 的含义标志内容符号含义防爆声明Ex 符合欧洲防爆标准防爆方式ia 采用ia 级本质安全防爆方法,可安装在0 区气体类别ⅡC被允许涉及ⅡC 类爆炸性气体注: 该标志中无温度组别项, 说明该仪表不与爆炸性气体直接接触。
国家防爆标准是由国家市场监督管理总局和中国国家标准化管理委员会共同制定的一系列关于防爆环境的规程和要求。
这些标准主要涵盖了粉尘防爆安全规程,爆炸性环境设备的通用要求,以及各种由不同保护方式(如隔爆外壳“d”、增安型“e”、本质安全型“i”和正压外壳“p”)保护的设备等的要求。
例如,GB 15577-2018这个标准就是我国现行的粉尘防爆安全规程。
此外,新版GB/T3836-2021系列防爆标准已于2022年5月1日正式实施,这包括了设备通用要求,由隔爆外壳“d”保护的设备,由增安型“e”保护的设备,由本质安全型“i”保护的设备,以及由正压外壳“p”保护的设备等多个方面的要求。
这些标准的发布和实施都是为了确保工作环境的安全,防止爆炸性气体或粉尘引发的火灾和爆炸事故,从而保护员工和企业的利益。
同时,这些标准也对产品认证做出了规定,为企业生产和产品开发提供了明确的指导和依据。
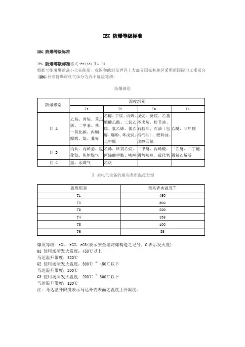
IEC 防爆等级标准IEC 防爆等级标准格式:Ex(ia)ⅡC T4爆炸是物质从一种状态,经过物理或化学变化,突然变成另一种状态,并放出巨大的能量。
急剧速度释放的能量,将使周围的物体遭受到猛烈的冲击和破坏。
爆炸必须具备的三个条件:1 )爆炸性物质:能与氧气(空气)反应的物质,包括气体、液体和固体。
(气体:氢气,乙炔,甲烷等;液体:酒精,汽油;固体:粉尘,纤维粉尘等。
)2 )氧气:空气。
3 )点燃源:包括明火、电气火花、机械火花、静电火花、高温、化学反应、光能等。
为什么要防爆爆炸性危险气体分类根据可能引爆的最小火花能量,我国和欧洲及世界上大部分国家和地区采用的国际电工委员会(IEC)标准将爆炸性气体分为四个危险等级:防爆级别Ⅱ类电气设备的最高表面温度分组国家标准GB关于防爆等级标准的规定:序号防爆型式代号国家标准GB 防爆措施适用区域1 隔爆型d GB3836.2 隔离存在的点火源2 增安型e GB3836.3 设法防止产生点火源3 本安型ia GB3836.4 限制点火源的能量本安型ib GB3836.4 限制点火源的能量4 正压型p GB3836.5 危险物质与点火源隔开5 充油型o GB3836.6 危险物质与点火源隔开6 充砂型q GB3836.7 危险物质与点火源隔开7 无火花型n GB3836.8 设法防止产生点火源8 浇封型m GB3836.9 设法防止产生点火源9 气密型h GB3836.10 设法防止产生点火源防爆等级标准术语:有关防爆术语及标准安全栅安全参数定义:*8226; 安全栅最高允许电压:Um保证安全栅本安端的本安性能,允许非本安端可能输入的最高电压*8226; 安全栅最高开路电压:Uoc在最高允许电压范围内本安端开路时电压最大值*8226; 安全栅最大短路电流:Isc在最高允许电压范围内本安端短路时的电流最大值*8226; 安全栅允许分布电容:Ca保证本质安全性能情况下本安端最大允许外接电容*8226; 安全栅允许分布电感:La保证本质安全性能情况下本安端最大允许外接电感防爆标志格式说明:将工厂或矿区的爆炸危险介质,按其引燃能量,最小点燃温度以及现场爆炸性危险气体存在的时间周期进行科学分类分级,以确定现场防爆设备的防爆标志和防爆形式。
防爆标准
一、一般规定:
1.防爆电气设备(包括小型电器)、电缆的使用电压等级不得高于其标
称电压等级,否则视为失爆。
2.高瓦斯、煤与瓦斯突出矿井使用的防爆磁力开关9#接线端接地或某
种原因使防爆外壳带电的,视为失爆。
3.利用开关控制进线装置出入动力线的视为失爆(但出入检漏继电器,
控制回路电源的除外)。
4.凡是防爆电气设备不论在井下任何地点使用,都应按防爆要求进行管
理。
二、隔爆外壳必须有清晰的防爆标志,煤安标志。
有下列情况之一者为失爆:
1.外壳有裂纹、开焊、严重变形的(变形长度超过50mm,且凸凹深度
超过5mm者)。
2.防爆外壳内外有锈皮脱落(锈皮厚度达0.2mm及以上)的。
3.隔爆室(腔)的观察孔(窗)的透明板松动、破裂或使用普通玻璃的。
4.隔爆设备隔爆腔直接贯通,去掉防爆设备接线盒内隔爆绝缘座的。
5.闭锁装置不全,变形损坏起不到闭锁作用的。
三、隔爆面应保持光洁、完整、需有防锈措施。
1.隔爆接合面结构参数要符合下述规定,否则视为失爆:
1)电气设备静止部分隔爆接合面、操纵杆和轴及带轴承转轴的防爆接合
面与相应外壳容积对应的最大间隙必须符合表一的规定。
快动门式的隔
爆接合面的最小有效长度不小于25mm。
2)隔爆接合面的平均粗糙度不得高于6.3μm。
3)隔爆面无锈蚀(用棉纱擦后,仍有锈蚀斑痕者为锈蚀,而只留云影,
不算锈蚀)。
4)用螺栓紧固的隔爆面:
①螺栓、弹簧垫圈必须齐全和紧固(紧固程度以将垫圈压平为合格)。
②弹簧垫圈的规格须与螺栓相适应,(偶尔出现个别弹簧垫圈断裂或失
去弹性时,检查该处防爆间隙,若不超限,更换合格弹簧垫圈不为失爆)。
③螺栓或螺孔不能滑扣(但换同径长螺栓加螺母紧固者除外)。
④螺栓和不透螺孔的配合,紧固后螺栓和螺孔上剩余螺纹轴向长度应大
于弹簧垫圈厚度的1.5倍;螺孔周围及底部厚度大于3mm。
⑤同一部位螺栓、螺母规格应一致,钢紧固螺栓拧入螺母的深度不能小
于螺栓直径。
⑥沉孔钢紧固螺栓伸入螺孔长度应大于该螺栓的直径,铸铁、铜、铝件
不小于螺栓直径的1.5倍;如果螺孔深度不够,则必须上满孔。
⑦电动机接线盒盖不得上反。
2.隔爆面上,在规定长度及螺孔边缘至隔爆面边缘的最短有效长度范围
内的缺陷不能超过如下规定:
1)对局部出现的直径不大于1mm;深度不大于2mm的砂眼,在40、
25、15mm的隔爆面上,每平方厘米不超过2个。
2)偶然产生的机械伤痕,其宽度与深度不大于0.5mm,剩余无伤隔爆
面有效长度不小于规定长度2/3。
3)隔爆面上不准涂油漆(发现有油漆时检查该处间隙不超过规定,无油
漆的接合面长度在接合面长度不小于规定长度2/3的不为失爆)。
3.防爆电动机
1)电动机轴与轴孔的隔爆接合面在正常工作状态下,不应产生摩擦。
采
用圆筒隔爆接合面时,轴与轴孔配合的最小单边间隙须不小于0.075mm。
2)滚动轴承结构,轴与轴孔的最大单边间隙,须不大于表一规定值的
2/3。
四、电缆引入装置:
电缆引入装置应完整、齐全、紧固、密封良好,有下列情况之一者为失
爆:
1.密封圈内径大于电缆外经超过1mm。
2.进线嘴内径与密封圈外径的差超过表二规定值的。
3.密封圈宽度小于电缆外径0.7倍的,或最小宽度小于10mm的。
4.密封圈厚度小于电缆外径0.3倍的(70平方毫米及以上电缆除外),
或最小厚度小于4mm。
5.密封圈的单孔内穿进多根电缆的。
6.将密封圈割开套在电缆上的。
7.密封圈硬度不满足绍尔氏硬度45度--55度,老化(龟裂、发粘、硬化、
软化、粉化、变色等现象)失去弹性,永久变形、有效尺寸配合间隙达
不到要求起不到密封作用的。
8.密封圈没有完全套在电缆护套(或铠装电缆铅皮)上的。
9.密封圈与电缆护套(或铠装电缆铅皮)之间有其他包扎物的;密封圈
和进线嘴之间有充填物的。
10.一个进线嘴内用多个密封圈的。
11.带螺纹的电缆引入装置,螺纹啮合小于5扣,螺纹部分少于8mm的
长度且少于6扣螺纹。
12.螺纹精度低于3级,螺距小于0.7mm。
13.不用的进线嘴缺密封圈或挡板;或挡板放在密封圈里边的;挡板直径
比进线嘴内径小于2mm以上的;挡板厚度小于2mm或挡板直径在
110mm及以上时厚度小于3mm的(所有挡板应镀锌)。
14.在用的螺旋式进线嘴缺金属圈;金属圈与进线嘴不匹配的。
(闲置的
进线嘴可不用金属圈)。
15.进线嘴压紧后,没有余量或进线嘴内缘压不紧密封圈;密封圈端面与
器壁接触不严;或密封圈能活动的。
16.压盘式进线嘴缺压紧螺栓或压紧螺栓未上紧,用一只手能使进线嘴明
显晃动的。
17.螺母式进线嘴因乱扣、锈蚀等原因紧不到位的或用一只手的拇、食、
中指使压紧螺母向旋进方向前进超过半圈的。
18电缆在进线嘴处,顺着电缆进线方向用一只手将电缆推动的。
19.高压铠装电缆接线盒使用绝缘胶时,绝缘胶没有灌到三叉口以上;绝
缘胶有裂纹能相对活动的。
五、电缆的连接:
电缆的连接有下列情况之一的视为失爆:
1.电缆的连接不采用硫化热补。
2.电缆(包括通讯、照明、信号、控制电缆)若用接线盒时非本质安全
型设备,不采用隔爆型电缆接线盒的(属于本质安全型的控制通讯电缆,应使用本安型接线盒);
3.铠装电缆的连接不采用接线盒,中间盒不灌注绝缘充填物或充填不严
漏出芯线的接头;
4.电缆的末端不接装防爆电气设备或防爆元件的;
5.电气设备与电缆有裸露导体的;
6.橡套、交联聚乙烯电缆护套损坏露出芯线的(屏蔽电缆露出屏蔽层或
本安设备连接电缆露出导体除外,但应及时进行修补)。
六、隔爆型插接装置:
1.煤电钻插销的电源侧应接插座,负荷测接插销,接反视为失爆。
2.插接装置缺少防止突然拔脱的徐动装置,电源电压在660伏--1140伏
的插接装置缺电气联锁装置视为失爆。
3.插销在触头断开的断电瞬间,外壳隔爆面的最大直径差w和最小有效
长度L,不符合表三规定的为失爆。
七、照明电器:
1.防爆安全型灯具把压口改为罗口的为失爆。
2.隔爆灯具电源断开后才能打开透明罩的联锁装置失灵为失爆。
3.防爆型灯具玻璃罩出现松动、裂纹、破损情况之一者为失爆。
八、矿灯:
井下使用的矿灯必须具有防爆标志和煤矿矿用产品安全标志,有下列情
况之一者视为失爆:
1.灯头破裂、灯头圈松动、玻璃破裂、灯头密封不严、灯锁失效。
2.灯线破损露芯线、灯线引入装置损坏密封不严、灯线窜动。