进 料 检 验 员 岗 位 职 责
- 格式:doc
- 大小:26.00 KB
- 文档页数:2
进料检验岗位职责
一、进料检验主管岗位职责
进料检验主管主要负责所有进料的检验管理工作,包括原材料、外协品和外购零部件的质量检验管理。
其具体职责如图2-1所示。
图2-1 进料检验主管岗位职责
二、进料检验专员岗位职责
进料检验专员的主要职责是检验进料。
其具体职责如图2-2所示。
图2-2 进料检验专员岗位职责
进料检验制度
二、紧急放行控制制度
第三节进料检验管理表格
一、进料检验记录表
编号:日期:年月日
二、进料检验报告表
编号:填写日期:年月日
四、进厂零件质量检验表
编号:零件名称:零件编号:
检验主管:检验员:检验日期:年月日。
千里之行,始于足下。
品质部来料检验员岗位职责
品质部来料检验员的岗位职责是负责对所接收的原材料和零部件进行检验
和评估,确保其符合质量标准和要求,从而保障产品的质量。
具体包括以下几
个方面:
1. 负责接收来料,并依据出厂商供应的检验标准和要求,对原材料和零部件进行外观、尺寸、重量等方面的检查;
2. 依据产品的特性和要求,对来料的功能、性能等进行测试和评估;
3. 建立并维护来料的检验记录和档案,包括检验结果、检验标准、检验方法等信息;
4. 准时向上级领导汇报检验结果,并提出处理意见和建议,对有问题的来料进行拒收或退货处理;
5. 分析并记录来料质量的统计数据,制作相应的报告,并分析缘由;
6. 监督和评估供应商的来料质量,准时反馈问题,并与供应商进行沟通和协调;
7. 参与和支持内部质量问题的调查和分析,并帮忙相关部门制定和实施订正和预防措施;
8. 参与质量管理体系的建设和改进工作,并不断提高自身的业务水平和专业学问;
9. 遵守公司的平安生产规定和操作规程,确保工作环境和工作过程的平安;
10. 协作上级领导指派的其他工作。
品质部来料检验员的岗位职责主要是对所接收的原材料和零部件进行检验,并确保其符合质量标准和要求。
通过严格的检验和评估,来保障所生产出的产
品的质量。
除此之外,岗位职责还包括对供应商的来料质量进行监督和评估,
准时反馈问题,并与供应商进行沟通和协调。
此外,还要参与质量管理体系的
第1页/共2页
锲而不舍,金石可镂。
建设和改进工作,不断提高自身的业务水平和专业学问。
同时要遵守公司的平安生产规定和操作规程,确保工作环境和工作过程的平安。
进料检验员工作职责范本进料检验员是一个重要的岗位,负责对所接收的原材料和辅料进行检验,以保证所生产的产品的质量和安全。
下面是一个进料检验员的工作职责范本,供参考。
一、原料接收和存储:1. 根据生产计划和需求,及时准确地接收原料和辅料,并进行登记;2. 负责对接收的原料和辅料进行分类、分档、标识,并进行储存;3. 根据原料和辅料的特性,合理安排存储位置和方式,以确保其质量和安全;4. 定期检查原料和辅料的储存条件,保证其符合要求。
二、进料检验:1. 根据工艺要求和质量标准,进行原料和辅料的外观、尺寸、重量、颜色、气味等方面的检验;2. 根据检验项目和方法,对原料和辅料进行抽样,并进行分析和测试;3. 对原料和辅料的包装情况进行检查,并检验包装材料的完整性和合格性;4. 根据检验结果,判定原料和辅料的合格性和可用性,并及时进行记录和报告;5. 对于不合格的原料和辅料,及时通知相关部门,并协助处理和跟踪。
三、检验设备和方法:1. 按照检验项目的要求,选择合适的仪器和设备,并进行校准和维护;2. 熟练掌握各种检验方法和技术,如外观检查、物理性能测试、化学分析等;3. 对于新的检验方法和设备,积极学习和掌握,并提出改进方案;4. 负责检验设备和器具的保养和维修,并按照规定进行定期检测和验证。
四、合作与沟通:1. 与供应商建立良好的合作关系,并保持及时沟通,及时了解原料和辅料的质量情况;2. 与其他部门的同事进行紧密协作,共同解决质量问题和协调工作进度;3. 参与和协调内外部的质量审核和检查,及时整改和改进不足之处;4. 回应生产和市场部门的需求,提供及时准确的检验结果和报告。
五、质量记录和管理:1. 准确记录原料和辅料的检验数据和结果,并妥善保存;2. 定期对检验记录进行检查和归档,以备查证和分析;3. 提出质量管理和改进的建议,参与质量管理体系的建立和维护;4. 帮助制定和完善进料检验规程和流程,提高检验效率和准确性。
进料检验员工作职责一、进料检验员工作职责1. 负责监督供应商提供的半成品和原材料《出货检验报告》、《质量保证书》以及《环境物质管理报告》;2. 进料检验员必须经过公司岗位培训合格后,取得本公司的上岗证方能上岗;熟悉所检验产品的标准、图纸、工艺与检验文件;3. 严格按照《外协件检验规程》和《外协件检验卡片》对来料的检验项目进行逐一检验,检验合格后做好检验状态标识,并认真做好《进料检验报告单》质量记录;4. 对检验出的不合格部件和原材料必须开出《不合格品处理审批单》送品质部等相关部门审批,做出相应的不合格品处理,同时必须填写《纠正及预防措施表》将不合格现象反馈给供应商,并要求供应商及时回复不合格原因和纠正预防措施。
5. 维护和妥善保管在用监视和测量设备,使用前进行校准,以保证其准确度,发现偏差及时调整或送修;6. 要常到生产线上听取有关质量方面的信息,及时处理因为漏检和误检产生的质量问题,并做好相应的记录,预防重复出现;7. 认真做好《进料检验月报表》,做好供应商品质业绩评估,并参与供应商一年一度业绩评定;8. 负责做好零部件(因为技术图纸或更换供方)试样检验工作,并做好《样品检验报告》反馈给品质管理部门或供应商,以便及时改善;二、进料检验员工作权限1. 有权对没有提供相应的《出货检验报告》、《质量保证书》、《环境物质管理报告》的供应商拒绝检验;2. 有权对质量异常情况提出纠正和纠正措施;有权要求供应商对来料件不良原因和纠正预防措施进行回复;3. 有权判定原(辅助)材料外协件、外购件是否合格,并制止不合格品流入下道工序。
-----------------unjs--华丽丽的分割线------------------原材料检验员岗位职责1. 负责制定进料检验标准,确实执行进料检验。
2. 负责进料质量异常的妥善处理。
3. 负责对原料规格提出改善意见或建议。
4. 负责原料供应商,协作厂商交货质量实绩的整理与评价。
进料检验员工作职责进料检验员的工作职责包括:1. 根据公司的进货标准和要求,对进货的原材料、半成品、零部件等进行检验。
2. 使用各种检验仪器和设备,如显微镜、天平、测量仪器等,对材料的质量、外观、尺寸、重量等指标进行检测和测量。
3. 按照检验方案和操作规程,对进货的材料进行取样,进行化学分析、物理性能测试、非破坏性检测等检验工作。
4. 根据检验结果,对合格材料进行验收,对不合格材料进行退货或报废处理,并记录相关数据和原因。
5. 及时向相关部门和供应商反馈检验结果和质量问题,并配合供应商对不合格材料进行问题分析和改进。
6. 根据公司质量管理体系要求和相关法规,制定和完善检验标准、检验方法、操作规程等,确保检验工作的准确性和可靠性。
7. 参与供应商评审,对新供应商进行质量审核和评估,确保采购的原材料符合质量要求。
8. 参与内部培训和学习,不断提升自身的专业知识和技能,为公司提供更好的检验服务。
9. 配合公司的质量管理体系建设,参与内部审核和外部认证审核,确保公司的质量管理体系符合要求。
10. 配合其他部门的工作需求,如质量问题的调查、产品不良率的分析等。
进料检验员工作职责(二)进料检验员的工作职责包括:1. 根据公司的标准和规定,对进货的原材料、零部件等进行质量检验。
2. 对进货的物料进行验收,并根据验收结果进行登记和记录。
3. 根据检验结果,对不合格的物料提出处理意见,例如退货、索赔等。
4. 协助供应链部门和供应商进行质量问题的解决,包括质量改进和纠正措施的制定与跟踪。
5. 定期对供应商进行评估,包括质量绩效评估和供应商纠正措施的跟踪。
6. 参与物料变更的评估和验证,确保新物料的质量满足要求。
7. 按照公司的流程和规定,处理不合格品,包括处理记录、存储和处理流程。
8. 检查和维护检验设备和工具的状态,确保其正常运行和准确性。
9. 参与公司内外部的质量审核和认证工作,如ISO审核等。
10. 协助编制和修订标准作业程序和工作说明书,确保质量管控的有效实施。
来料检验员岗位职责模板一、岗位职责1.负责协助制定和完善来料检验操作规程,并负责培训和指导新员工遵守操作规程。
2.负责根据提供的来料检验标准对供应商来料进行检验,并及时记录检验结果。
3.负责与供应商沟通,提供具体的来料检验意见和建议,以及对不合格品提出退货或技术协商等处理建议。
4.负责对来料产品的外观、尺寸、材料等进行检验,确保产品符合公司的质量要求。
5.负责随时掌握来料质量状况,及时发现和汇报不合格品问题,并提出改进建议以防止类似问题再次发生。
6.负责保管和管理来料检验工具、设备,确保其有效性和准确性,并定期进行校准和维护。
7.负责对来料检验过程中的异常情况进行及时处理,如临时提出特殊抽样检验、需求更改等。
8.积极参与团队的工作讨论、经验分享和问题解决,提高团队的整体工作效率和质量。
二、管理标准1.来料检验员应遵守公司的各项相关制度和规定,严格按照操作规程进行工作。
2.来料检验员应保持工作区域的整洁和安全,做好日常工作记录和数据汇总,确保数据的准确性和完整性。
3.来料检验员应及时向上级报告异常情况或不合格品问题,并协助上级进行处理和改进。
4.来料检验员应保守公司的商业秘密和客户信息,并严格遵守相关保密制度。
5.来料检验员应积极参加相关培训和学习,不断提升自己的专业知识和技能,提高工作水平和能力。
三、考核标准1.完成来料检验工作的准确性和及时性:对来料进行检验的准确率、检验结果的及时录入、检验记录的完整性等。
2.来料检验问题处理能力:对异常情况和不合格品的处理方式及时性、处理方案的合理性、问题解决的效果等。
3.与供应商的沟通能力:与供应商的沟通方式、沟通信息的准确性、沟通结果的反馈效果等。
4.工作态度和主动性:工作积极性、工作完成的质量、主动参与团队协作等方面。
5.个人知识和技能的提升:参加培训的主动性、学习成绩和能力的提高等。
以上规章制度根据企业职能部门提供的题目编写,内容详实,包含了来料检验员的岗位职责、管理标准和考核标准,共计1800字。
进料检验员工作职责范文进料检验员是企业中非常重要的职位之一。
他们负责对企业所采购的原材料进行检验,并确保其质量符合要求。
他们的工作职责涵盖了许多方面,如样品收集、检验、记录和汇报等。
下面是一份关于进料检验员工作职责的范文,具体内容如下:一、进料检验员工作职责:1. 负责收集原材料的样品,并进行必要的检验和测试。
2. 对原材料的外观、尺寸、包装等进行检验,并确保其符合质量标准。
3. 对原材料的理化性质进行检验,如密度、溶解度、pH值等,并记录检验结果。
4. 对原材料的含量、纯度、杂质等进行检验,并与质量标准进行比对,确保符合要求。
5. 根据企业的质量管理体系,编制进料检验标准和程序,并确保其执行。
6. 与供应商进行沟通,及时反馈原材料的质量问题,并协商解决方案。
7. 定期对检验仪器设备进行校准和维护,确保其准确性和稳定性。
8. 根据检验结果,对原材料进行分类和记录,并及时汇报给上级。
9. 每天对检验样品进行统计和计算,生成相关报表,并进行归档保存。
10. 对出现的质量问题进行调查和分析,提出改进措施,并确保质量问题不再发生。
11. 参与质量审核和安全生产检查,确保原材料的质量和安全。
12. 参与培训活动,提高自身的专业水平和技能。
13. 遵守企业的规章制度和安全操作规程,保证工作的安全和顺利进行。
14. 积极参与团队合作,共同推进工作任务的完成。
二、进料检验员的工作心得:1. 具备扎实的专业知识和技能,熟悉检验仪器设备的操作和维护。
2. 具备敏锐的观察力和细致入微的工作态度,能够发现和解决问题。
3. 具备良好的沟通能力和团队合作精神,能够与供应商和其他部门有效配合。
4. 具备良好的数据分析能力和问题解决能力,能够对质量问题进行调查和分析。
5. 具备良好的时间管理和工作安排能力,能够按时完成工作任务。
6. 具备良好的抗压能力和应变能力,能够在高强度的工作压力下保持良好的工作状态。
7. 具备良好的质量意识和安全意识,能够严格遵守规章制度和操作规程。
进料检验员岗位职责第一篇:进料检验员岗位职责进料检验员岗位职责一、工作概述根据公司下发的相关图纸和检验规范做好来料检验工作,对所检查的物料按公司质量标准做好检验,把好质量关,以确保符合公司及客户的质量要求,对错判、漏检出现的质量问题负责。
二、工作内容1.对外购的原材料、生产辅料进行检验检测。
2.待外协机加工和待表面处理产品的检验。
3.及时对外协商送检的产品进行检验。
4.根据实际检验情况填写真实、完整的《进料检验报告》。
5.对于来料报告不全,没有批次号,以及标识错误、不清,填写不完整的物料有权拒绝检验,并出具《异常联络单》知会到部门主管以及相关部门。
6.对进料检验组的文件、图纸、报告进行分类放置和保管。
7.对进料检验组的量具、测量仪器进行保管,维护以及保养。
8.将前一天的《进料检验报告》和《异常联络单》交给品质部文员统计、汇总。
9.任何物料待检时间不可超过48小时(特殊情况除外)。
10.“急料待检货架”上的物料应第一时间检验,如有任何因素影响检验进度,及时知会部门主管。
11.认真贯彻执行公司的各项规章制度,相互监督,相互提升,并及时完成领导交办的其他工作。
三、检验要求原材料进料检验1.检验原材料材质、规格是否符合图纸,并填写真实且完整的《原材料检验报告》(实心棒料或空心管料的圆度和同心度是否满足图纸要求,板材类平面度和外观是否满足要求,是否有贴保护膜)。
检验合格后加盖PASS章。
2.原材料是否有材质证明和SGS报告(同牌号的SGS报告,同年已提供的可不再要求重复提供)。
3.检查相关材质证明和SGS报告是否填写正确,SGS报告是否过期(SGS报告有效期为一年)。
如都满足,给原材料贴上RoHS标签。
待外协机加工和待表面处理产品检验1.根据工程图纸、检验规范对半成品进行尺寸及外观检验,判定合格后放入填写完整并正确的检验合格标签,并在标签上填写下道工序名称,然后填写进料检验报告,最后将产品放置在指定区域内。
`进料检验员工作职责和权限
职责
1.负责监督供方提供相关部件和原材料的《质量保证书》、《环境物质管
理报告》以及《出货检验报告》;
2.必须经过公司岗位培训合格后,取得本公司的上岗证方能上岗;熟知所
检验产品的标准、图纸、工艺、检验文件;
3.严格按照《外协件检验规程》和《外协件检验卡片》对来料的检验项目
进行逐一检验,检验合格后做好检验状态标识,并认真做好《进料检验
报告单》质量记录;
4.对检验出的不合格部件和原材料必须开出《不合格品处理审批单》送质
量部等相关部门审批,做出相应的不合格品处理,同时必须填写《纠正
及预防措施表》将不合格现象反馈给供方,并要求供方及时回复不合格
原因和纠正预防措施。
5.维护和妥善保管在用监视和测量设备,使用前进行校准,以保证其准确
度,发现偏差及时调整或送修;
6.经常到生产线上听取质量信息。
及时处理因为漏检和误检产生的质量问
题,并做好相应的记录,预防重复出现;
7.认真做好《进料检验月报表》,做好供方品质业绩评估,并参与供方一
年一度业绩评定;
8.负责做好零部件(因为技术图纸或更换供方)试样检验工作,并做好《样
品检验报告》反馈给质量部或供方,以便及时改善;
权限
1.有权对没有提供相应的《质量保证书》《环境物质管理报告》《出货检
验报告》的供方拒绝检验;
2.有权对质量异常情况提出纠正和纠正措施;有权要求供方对来料件不良
原因和纠正预防措施进行回复;
3.有权判定原(辅助)材料外协件外购件是否合格,并制止不合格品流入
下道工序。
品质部来料检验员岗位职责(精选5篇)品质部来料检验员篇1岗位名称:iqc检验员所属部门:品管部1岗位设置的目的1.1执行公司规定的物料检验管理流程1.2保证物料上线的合格性1.3配合生产需要2工作职责与权限2.1职责2.1.1准备或取得来料的`检验规范和相关的样品、物料档案2.1.2确定来料的抽样计划,按照企业的来料检验标准,对来料进行品质检验,并做好来料检验的原始记录,按要求填写iqc日报表、归档2.1.3对来料异常情况的处理和上报2.1.4对原料供应商、协作厂商交货质量实际进行评价,并将结果有关部门和领导反馈2.1.5对原料规格提出改善意见和建议2.1.6对进料库存品进行定期抽检,对报废品进行鉴定,监督物料仓库先进先出,避免原辅料长期积压而造成磨损、折旧、过期2.1.7做好产品的标识,发放到仓库和生产线上2.1.8每天定期对入库的成品进行抽检,以做到对出库成品品质最后把关2.1.9材料有效周期的维护和确认2.1.10 iqc检测仪器的维护和点检2.1.11上交有关品质报表2.1.12完成上级交办的各项工作任务2.2权限2.2.1审核检验记录的完整性的真实性2.2.2有建议检验方法更改或完善的权利2.2.3对物料到料异常情况提出反馈2.2.4一般品质问题的处置权2.2.5重大品质问题的建议权3工作内容和目标品质部来料检验员岗位职责篇2a)鉴别----按检验文件的'要求对产品进行检验,做出合格与否的结论;b)把关----对不合格品进行把关,没有评审放行的手续,不能放行;c)记录----对检验的结果进行记录;d)报告----对检验结果进行报告,特别对不合格品,应按规定进行报告。
品质部来料检验员岗位职责篇3A:IQC1填写进料检验记录2根据物料的验收状况分门别类标识或隔离3合格来料签IQC PASS章4物料不良的处理、跟踪、送呈各部门会签5检验器具的保养、保管、自校6库存品原料或外协件重检7呆滞料重检8报废物料确认及制造过程发现的不合格原料确认、退料确认;计算质量损失,供方赔款及罚款数并上报9不合格评价10供方提供不合格品异常信息反馈11填写进货检验日报表,并上报12完成上级临时交办的任务B:IPQC1查看生产计划单2首件检查确认记录3督导操作员按程序作业,做好自主检查4对品质异常的反映、追踪、确认5检查操作工用的检测工具精度6填写IPQC日报表,并上报7督导产线5S8完成上级临时交办的`任务C:OQC。
关于进货检验员岗位职责
关于进货检验员岗位职责
1进货检验员岗位职责
一、对进货的物料进行综合性检验;
二、做好检验记录,及时作出检验报告;
三、作好本系统的清洁卫生工作。
2进货检验员岗位职责
1、为了确保进入公司的物资符合规定要求,进货检验员负责对影响产品质量的原材料、外购(分包)等进行检验和验证。
2、检验员应坚守岗位,大公无私;认真行使鉴别、把关和报告的职能。
3、物资进入公司后,检验员根据采购部提供的图样、技术标准和供方物资合格证明文对其规格、数量、质量等按检验规程进行检验和验证。
4、对供货方提供的材质证明书、无损检测报告等证明文与实物有疑问时,检验员应上报品管部处理。
物资外型尺寸、证书验证合格后按规定通知理化分析人员取样。
根据检验结果做出合格与否的结论。
5、经检验不合格的物资,检验员有权拒绝入库,作好标识单独存放,并通知采购部处理。
6、对因生产急需而来不及检验的物资,必须经品管部长签字同意并作好标记,作紧急放行同意使用处理,同时按程序进行检验和试验,若检验结果不符合规定要求,检验员应及时通知使用部门停止使用,并追回已使用物资交采购部处理。
7、检验员必须按规定填写正确、完整、清晰的进货验收记录并确认签字后报品管部存档,采购员凭进货验收单办理入库手续。
8、对因错检、漏检而造成的损失视情节给予相应的处罚。
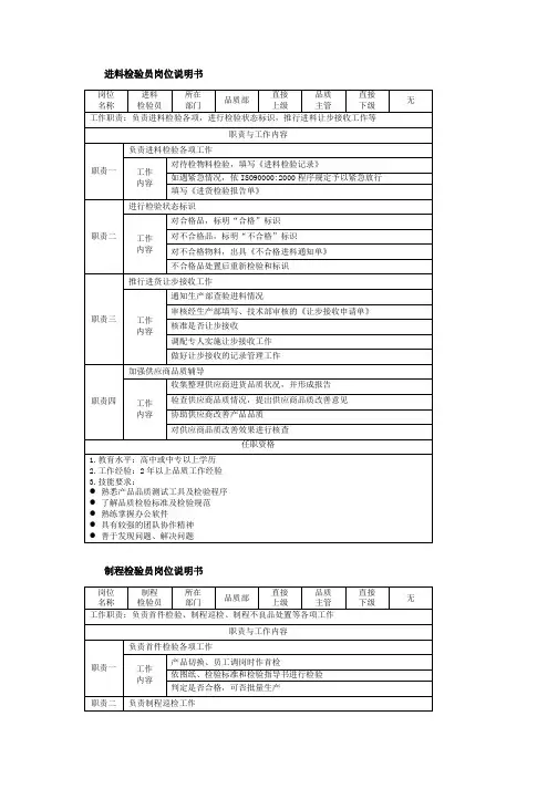
品质部来料检验员岗位职责第1篇:来料检验员岗位职责来料检验员岗位职责【篇1:来料检验员岗位职责】【篇2:进料检验岗位职责】进料检验岗位职责一、进料检验主管岗位职责进料检验主管主要负责所有进料的检验管理工作,包括原材料、外协品和外购零部件的质量检验管理。
其具体职责如图2-1所示。
图2-1 进料检验主管岗位职责二、进料检验专员岗位职责进料检验专员的主要职责是检验进料。
其具体职责如图2-2所示。
图2-2 进料检验专员岗位职责进料检验制度二、紧急放行控制制度第三节进料检验管理表格一、进料检验记录表编号:日期:年月日二、进料检验报告表编号:填写日期:年月日四、进厂零件质量检验表编号:零件名称:零件编号:检验主管:检验员:检验日期:年月日【篇3:来料检验员职责】来料检验员(iqc)工作职责岗位名称:iqc检验员所属部门:品管部 1 岗位设置的目的1.1 执行公司规定的物料检验管理流程1.2 保证物料上线的合格性1.3 配合生产需要 2 工作职责与权限 2.1 职责2.1.1准备或取得来料的检验规范和相关的样品、物料档案2.1.2确定来料的抽样计划,按照企业的来料检验标准,对来料进行品质检验,并做好来料检验的原始记录,按要求填写iqc日报表、归档2.1.3 对来料异常情况的处理和上报2.1.4 对原料供应商、协作厂商交货质量实际进行评价,并将结果有关部门和领导反馈2.1.5 对原料规格提出改善意见和建议2.1.6 对进料库存品进行定期抽检,对报废品进行鉴定,监督物料仓库先进先出,避免原辅料长期积压而造成磨损、折旧、过期 2.1.7 做好产品的标识,发放到仓库和生产线上2.1.8 每天定期对入库的成品进行抽检,以做到对出库成品品质最后把关2.1.9 材料有效周期的维护和确认 2.1.10 iqc检测仪器的维护和点检 2.1.11 上交有关品质报表2.1.12 完成上级交办的各项工作任务 2.2 权限2.2.1审核检验记录的完整性的真实性2.2.2 有建议检验方法更改或完善的权利 2.2.3 对物料到料异常情况提出反馈 2.2.4一般品质问题的处置权 2.2.5 重大品质问题的建议权 3 工作内容和目标审核:第2篇:来料检验员岗位职责1.确认来料是否需要检验及按规定选择检验抽样水平。
进料检验员岗位职责
一、工作概述
根据公司下发的相关图纸和检验规范做好来料检验工作,对所检查的物料按公司质量标准做好检验,把好质量关,以确保符合公司及客户的质量要求,对错判、漏检出现的质量问题负责。
二、工作内容
1.对外购的原材料、生产辅料进行检验检测。
2.待外协机加工和待表面处理产品的检验。
3.及时对外协商送检的产品进行检验。
4.根据实际检验情况填写真实、完整的《进料检验报告》。
5.对于来料报告不全,没有批次号,以及标识错误、不清,填写不完整的物料有权拒绝检验,并出具《异常联络单》知会到部门主管以及相关部门。
6.对进料检验组的文件、图纸、报告进行分类放置和保管。
7.对进料检验组的量具、测量仪器进行保管,维护以及保养。
8.将前一天的《进料检验报告》和《异常联络单》交给品质部文员统计、汇总。
9.任何物料待检时间不可超过48小时(特殊情况除外)。
10.“急料待检货架”上的物料应第一时间检验,如有任何因素影响检验进度,及时知会部门主管。
11.认真贯彻执行公司的各项规章制度,相互监督,相互提升,并及时完成领导交办的其他工作。
三、检验要求
原材料进料检验
1.检验原材料材质、规格是否符合图纸,并填写真实且完整的《原材料检验报告》(实心棒料或空心管料的圆度和同心度是否满足图纸要求,板材类平面度和外观是否满足要求,是否有贴保护膜)。
检验合格后加盖PASS章。
2.原材料是否有材质证明和SGS报告(同牌号的SGS报告,同年已提供的可不再要求重复提供)。
3.检查相关材质证明和SGS报告是否填写正确,SGS报告是否过期(SGS报告有效期为一年)。
如都满足,给原材料贴上RoHS标签。
待外协机加工和待表面处理产品检验
1.根据工程图纸、检验规范对半成品进行尺寸及外观检验,判定合格后放入填写完整并正确的检验合格标签,并在标签上填写下道工序名称,然后填写进料检验报告,最后将产品放置在指定区域内。
2.对于“不合格”产品要做好不合格标示,不良品封样,同时出具《异常联络单》,并及时反馈给部门主管和制造部,制造部应及时提出纠正措施。
3.表面处理类还需填写《表面处理品质规范指导书》由部门主管审核后,随产品一起提供给表面处理厂。
外协商产品检验
1.检验外协商提供产品的包装是否规范,牢固。
2.检验包装上的标示是否正确、清晰,品名、图号是否有误,批次号是否正确。
3.对于新品、样品(新材质的产品)还需提供材质报告,RoHS是否符合。
RoHS不符合材料直接放指定地点标识隔离,通知仓库退外协商;对于符合的产品进行检验。
4.检验员根据《检验和测试抽样规程》中的相关规定进行抽样,然后按照图纸和检验规范的要求进行检验,“合格的产品”放入填写完整并正确的合格标签后,并在标签上填写下道工序名称,然后填写进料检验报告,最后将产品放置在指定区域内。
5.“不合格”产品做好不合格标示,不良品封样,同时出具《异常联络单》,将不良品放置在退货区域,及时反馈给部门主管和业务部,通知外协商改善。
6.若外协商生产的产品影响产品的安全性时,或其价格昂贵,则可采用全检。