砂的相对密度试验记录
- 格式:docx
- 大小:7.82 KB
- 文档页数:3
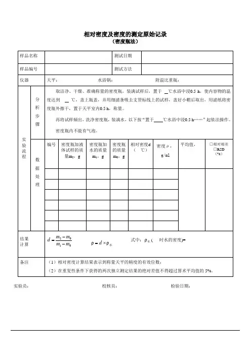
相对密度及密度的测定原始记录
(密度瓶法)
样品名称
测试日期 样品编号
测试方法
仪器 天平: 水浴锅: 附温比重瓶:
实验流程
分 析 步 骤
取洁净、干燥、准确称量的密度瓶,装满试样后,置于_ _℃水浴中浸0.5 h ,使内容物的温度达到__ ℃,盖上瓶盖,并用细滤条吸去支管标线上的试样,盖好小帽后取出,用滤纸将密度瓶外擦干,置于天平室内0.5 h ,称量。
再将试样倾出,洗净密度瓶,装满水,以下按“置于_ _℃水浴中浸0.5 h ……”起依法操作。
密度瓶内不能有气泡。
数 据 处 理
编号 密度瓶加液
体试样的质量m 2,g
密度瓶加水的质量 m 1,g 密度瓶的质量 m 0,g
相对密度d (__℃) 密度ρ,g/ml
平均值,___
□相对相差
□RSD (%)
结果 计算
10
2m m m m d --=
水ρρ⨯=d 式中:水ρ(___时水的密度)=____________
备注 (1)相对密度计算结果表示到称量天平的精度的有效位数;
(2)在重复性条件下获得的两次独立测定结果的绝对差值不得超过算术平均值的5%。
实验员: 校核员: 检验日期:。
相对密度及密度的测定原始记录
(密度瓶法)
样品名称
测试日期 样品编号
测试方法
仪器 天平: 水浴锅: 附温比重瓶:
实验流程
分 析 步 骤
取洁净、干燥、准确称量的密度瓶,装满试样后,置于_ _℃水浴中浸0.5 h ,使内容物的温度达到__ ℃,盖上瓶盖,并用细滤条吸去支管标线上的试样,盖好小帽后取出,用滤纸将密度瓶外擦干,置于天平室内0.5 h ,称量。
再将试样倾出,洗净密度瓶,装满水,以下按“置于_ _℃水浴中浸0.5 h ……”起依法操作。
密度瓶内不能有气泡。
数 据 处 理
编号 密度瓶加液
体试样的质量m 2,g
密度瓶加水的质量 m 1,g 密度瓶的质量 m 0,g
相对密度d (__℃) 密度ρ,g/ml
平均值,___
□相对相差
□RSD (%)
结果 计算
10
2m m m m d --=
水ρρ⨯=d 式中:水ρ(___时水的密度)=____________
备注 (1)相对密度计算结果表示到称量天平的精度的有效位数;
(2)在重复性条件下获得的两次独立测定结果的绝对差值不得超过算术平均值的5%。
实验员: 校核员: 检验日期:。
砂的相对密度试验记录实验目的:通过试验测定砂的相对密度,了解砂的物理性质。
实验仪器与材料:砂、水桶、铁质圆柱体、天平、测量尺、搅拌棒实验原理:砂的相对密度是指砂的实际密度与水的密度之比,用来衡量砂体的紧密程度。
实验步骤:1.准备工作(1)清洗砂:先将所使用的砂放入水桶中,加入适量的水,用搅拌棒将砂搅拌均匀,让其中的杂质浮在水面,倾倒掉浑浊水,重复该步骤直至水基本清洁。
(2)准备铁质圆柱体:将铁质圆柱体清洗干净,并在外表面涂上一层适量的润滑油,避免与砂生锈粘连。
(3)准备水:准备一桶足够的水,用于测量铁质圆柱体的体积。
(4)准备测量尺:准备一把尺子,用于测量砂体积和直径。
2.实验操作(1)测量铁圆柱体的质量:使用天平将铁圆柱体的质量测量并记录下来,记为m1(2)计算铁圆柱体的体积:先称取一桶水,并记录水的质量,记为m2、将铁圆柱体完全浸入水中,用测量尺测量圆柱体的直径,记为d;然后用测量尺测量圆柱体的长度,记为h。
计算出圆柱体的体积V1,即V1=π*(d/2)^2*h。
(3)浸泡砂:将清洗后的砂倒入水桶中,加入适量的水,用搅拌棒将砂搅拌均匀,待其均匀沉淀后,将水面以上的浑浊水倾倒掉。
(4)浸泡砂和铁圆柱体:将已去除浑浊水的砂体倒入另一个水桶中,将铁圆柱体完全浸泡在砂中,轻轻搅拌使砂均匀填充铁圆柱体的孔隙,直至不再有气泡冒出。
(5)称量砂和铁圆柱体的总质量:将装有砂和铁圆柱体的另一个水桶放在天平上进行称量,并记录下质量,记为m3(6)计算砂体的质量:砂体的质量为m3减去m1(7)测量铁圆柱体和砂体的体积:将装有砂和铁圆柱体的水桶取出,倒掉其中的砂,使用测量尺测量砂体积的高度,记为H。
计算出砂体的体积V2,即V2=V1*(m3-m2)/(m3-m1)。
(8)计算砂的相对密度:砂的相对密度为V2除以V13.实验数据与计算根据实验步骤记录的数据,在以下表格中进行统计及计算:试验数据,记--------,---m1(铁圆柱体质量)m2(水的质量)d(铁圆柱体直径)h(铁圆柱体长度)m3(砂和铁圆柱体总质量)H(砂体高度)在根据实验数据计算相对密度时,可以参照以下公式:相对密度=V2/V14.实验结果与讨论根据实验数据计算出砂的相对密度,并在实验报告中进行结果的展示和讨论。
标准击实试验原始记录承包单位:试验编号:合同号:承载比(CBR)试验原始记录承包单位:试验编号:合同号:监理单位:试验日期:D-004-1液塑限联合测定试验原始记录承包单位:试验编号:合同号:监理单位:试验日期:D-003-1土颗粒分析试验原始记录(筛分法)承包单位:试验编号:合同号:监理单位:试验日期:D-005-1土有机质含量试验原始记录承包单位:试验编号:合同号:监理单位:试验日期:D-009-1含水率试验原始记录承包单位:试验编号:合同号:监理单位:试验日期:D-011-1粗集料筛分试验原始记录承包单位:中城建三局有限责任公司试验编号:合同号:SDHLM-3 监理单位:枣庄市远达监理咨询有限责任公司试验日期:D-013-1粗集料掺配试验原始记录承包单位:试验编号:合同号:监理单位:试验日期:D-013-2粗集料密度试验原始记录承包单位:试验编号:合同号:监理单位:试验日期:D-013-3粗集料含泥量、泥块含量试验原始记录承包单位:试验编号:合同号:监理单位:试验日期:D-013-4粗集料针片状、压碎值、磨耗试验原始记录承包单位:中城建三局试验编号:合同号:SDHLM-3 监理单位:枣庄市远达监理咨询有限责任公司试验日期:D-013-5粗集料坚固性试验原始记录承包单位:试验编号:合同号:监理单位:试验日期:D-013-6粗集料软弱颗粒含量试验原始记录承包单位:试验编号:合同号:监理单位:试验日期:D-013-7粗集料破碎砾石含量试验原始记录承包单位:试验编号:合同号:监理单位:试验日期:D-013-8粗集料化学试验原始记录承包单位:试验编号:合同号:监理单位:试验日期:D-013-9细集料筛分试验原始记录承包单位:中城建第三工程局有限责任公司试验编号:合同号:SDHLM-3 监理单位:枣庄市远达公路工程监理咨询有限公司试验日期:D-014-1细集料密度原始试验记录承包单位:中城建第三工程局有限责任公司试验编号:合同号:SDHLM-3 监理单位:枣庄市远达公路工程监理咨询有限公司试验日期:D-014-2细集料含泥量、泥块含量试验原始记录承包单位:试验编号:合同号:监理单位:试验日期:D-014-3细集料坚固性试验原始记录承包单位:试验编号:合同号:监理单位:试验日期:D-014-4细集料棱角性试验原始记录承包单位:试验编号:合同号:监理单位:试验日期:D-014-6细集料压碎值试验原始记录承包单位:试验编号:合同号:监理单位:试验日期:D-014-7水泥混凝土抗压强度试验原始记录承包单位:试验编号:合同号:监理单位:试验日期:D-018-1水泥混凝土芯样抗压强度试验原始记录承包单位:试验编号:合同号:监理单位:试验日期:D-019-1水泥混凝土芯样劈裂强度试验原始记录承包单位:试验编号:合同号:监理单位:试验日期:D-020-1水泥混凝土拌和物泌水率试验原始记录承包单位:试验编号:合同号:水泥混凝土拌和物含气量试验原始记录承包单位:试验编号:合同号:监理单位:试验日期:水泥混凝土拌合物凝结时间试验原始记录承包单位:试验编号:合同号:监理单位:试验日期:D-023-1水泥混凝土抗折强度试验原始记录承包单位:试验编号:合同号:监理单位:试验日期:D-024-1水泥混凝土抗渗试验原始记录承包单位:试验编号:合同号:水泥砂浆抗压强度试验原始记录承包单位:试验编号:合同号:监理单位:试验日期:D-029-1水泥浆抗压强度试验原始记录承包单位:试验编号:合同号:监理单位:试验日期:D-30-1水泥物理性能试验原始记录承包单位:试验编号:合同号:监理单位:试验日期:D-031-1金属力学试验原始记录承包单位:试验编号:合同号:监理单位:试验日期:D-032-1金属焊接试验原始记录承包单位:试验编号:合同号:监理单位:试验日期:D-033-1钢筋挤压连接试验原始记录承包单位:试验编号:合同号:监理单位:试验日期:D-034-1无机结合料含灰量试验原始记录(EDTA)承包单位:中城建三局有限责任公司试验编号:合同号SDHLM-3-D-037-1监理单位:枣庄市远达公路工程监理咨询有限责任公司试验日期:试验:复核:试验负责人:无侧限抗压强度试验原始记录承包单位:中城建第三工程局有限责任公司试验编号:合同号:SDHLM-3监理单位:枣庄市远达公路工程监理咨询有限公司试验日期:D-038-1无机结合料标准击实试验原始记录承包单位:试验编号:合同号:监理单位:试验日期:D-039-1无机结合料含灰量标准曲线试验原始记录承包单位:试验编号:合同号:监理单位:试验日期:D-040-1石灰试验原始记录承包单位:试验编号:合同号:监理单位:试验日期:D-041-1水泥混凝土配合比计算表承包单位:试验编号:合同号:试验:复核:试验负责人:水泥混凝土配合比计算表承包单位:试验编号:合同号:试验:复核:试验负责人:水泥混凝土配合比设计原始记录承包单位:试验编号:合同号:监理单位:试验日期:D-057-2水泥混凝土配合比验证原始记录承包单位:报告编号:合同号:监理单位:报告日期:D—058-1水泥砂浆配合比设计原始记录承包单位:试验编号:合同号:试验:复核:试验负责人水泥净浆配合比设计验证原始记录承包单位:试验编号:合同号:试验:复核:试验负责人:水泥砂浆配合比验证原始记录承包单位:报告编号:合同号:监理单位:报告日期:D—062-1水泥浆配合比验证原始记录承包单位:报告编号:合同号:监理单位:报告日期:D—063-1无机结合料击实试验用料计算单承包单位:报告编号:合同号:监理单位:报告日期:D—064-1一、1.取样地点: 6.实测原材料风干含水量2.稳定材料种类:①W砂砾=3.配合比:②W土=4.击实筒体积:③.W石灰=5.最大粒径:④.W粉煤灰=二、计算:1.确定每份混合料干质量(G)=2.计算每份混合料各原材料的风干质量:G×百分比×(1+W风)①②③3.拟定最佳含水量及每点的加水量计算:复核:试验负责人:。
细集料砂当量试验报告
【试验名称】细集料砂当量试验报告
【试验目的】确定细集料砂在水中的容重(或密度),用以评估其适用性和质量。
【试验原理】细集料砂的当量试验是通过测定在一定条件下一定体积细集料砂与水的混合比例,以达到砂浆的相对密度为100%的状态。
试验采用盆测法,将一定质量的细集料砂与一定质量的水混合均匀,然后测定其体积,计算得出细集料砂在水中的密度或容重。
【试验步骤】
1. 准备试验设备和材料:包括试验盆、细集料砂、电子天平、测量缸等。
2. 称取一定质量的细集料砂样品,并记录质量。
3. 在试验盆中加入一定质量的水,并记录质量。
4. 将细集料砂样品倒入试验盆中的水中,并轻轻搅拌,使其均匀混合。
5. 等待细集料砂与水的混合物停止变化,使其达到静止状态。
6. 使用测量缸测定混合物的体积,并记录。
7. 容重计算:根据细集料砂样品的质量和混合物的体积,计算细集料砂的密度或容重。
【试验结果】根据试验步骤所测得的细集料砂质量和混合物体积,计算得出细集料砂的密度或容重。
试验结果可以用表格形式展示,并注明试验日期和参与试验的人员。
【试验结论】根据试验结果,可以评估细集料砂的适用性和质量。
如果细集料砂的密度或容重符合规定的标准,则说明其质量良好,适合在建筑和工程中使用。
如果密度或容重不达标,则需要进行进一步调整或筛选细集料砂。
【注意事项】在进行细集料砂当量试验时,需要保证试验设备和试验样品的清洁干燥,以避免影响试验结果的准确性。
还需要根据试验要求和标准,严格操作试验步骤,并严密记录试验数据。
一、含水率试验
二、密度实验
1、环刀法(细粒土)
2、灌水法(现场,粗粒土)
3、灌砂法(现场,粗粒土)
三、土粒比重试验
1、比重瓶法(粒径小于5mm)
2、浮称法(粒径≥5mm)
四、颗粒分析试验
1、筛分法(0.075mm<粒径≤60mm)
2、密度计法(粒径<0.075mm)GB50123-1999第32页
3、移液管法(粒径<0.075mm)
五、界限含水率
1、液、塑限联合测定法
2、滚搓法塑限试验
六、砂的相对密度试验
1、砂的最小干密度试验
2、砂的最大干密度试验
七、击实试验
八、回弹模量试验(杠杆压力仪法)
九、渗透试验
2、常水头渗透试验
1、常水头渗透试验
十、固结试验(标准固结试验)
2、应变控制连续加荷固结试验
十一、黄土湿陷试验1、湿陷系数试验
2、自重湿陷系数
3、溶滤变形系数试验
4、湿陷起始压力试验
十二、直接剪切试验。
级配砂石最大干密度检验原始记录
一、试验目的:
通过测定砂石的级配曲线,确定最大干密度,为工程设计提供依据。
二、试验器材:
1.圆形筛分器
2.洗砂器
3.干燥箱
4.平盘天平
5.瓶子
6.砂浆搅拌器
三、试验材料:
1.砂石样品
2.水
四、试验步骤:
1.取1000g砂石样品,并在洗砂器中用自来水进行清洗,使砂石表面的杂质和粉末被清除干净。
2.清洗后的砂石样品放入干燥箱中,以80°C的温度干燥24小时,直到砂石完全干燥。
3. 干燥后的样品在研磨机中研磨,使其完全破碎并通过10mm筛下,再将通过筛下的样品放入砂浆搅拌器中搅拌均匀。
4. 将搅拌后的样品通过2mm筛分,收集各级配筛上的砂石样品,并分别称重,记录各级配筛下的砂石质量。
5.根据所得数据绘制级配曲线,并确定最大干密度值。
五、试验数据记录:
筛孔尺寸:2mm
筛孔直径(mm)筛上质量(g)
5.0
2.5
1.25
0.63
0.31
0.16
0.08
0.04
总量
六、试验结果分析:
(插入级配曲线图)
通过观察级配曲线,确定最大干密度值为XXXXg/cm³。
该数值可作为该砂石在工程设计中的参考参数。
七、结论:
通过本次试验,得出了砂石的级配曲线,并确定了最大干密度值。
该结果可供工程设计使用,确保工程施工的质量和稳定性。
砂相对密度原始记录实验名称:砂相对密度测定实验实验日期:2024年5月20日实验地点:土力学实验室实验设备:1.振实仪2.砂土样品3.土工计量筒4.试验土块实验步骤:1.将振实仪圆筒洗净,并将圆筒固定在振实仪的振动部位;2.将土工计量筒称重,记录称重质量M1;3.用土工计量筒装取一定质量的砂土样品(约1000g),称取质量M2;4.将砂土样品均匀地倒入振实仪的圆筒中;5.用模具将砂土样品压实,使其体积小于固定圆筒的容积,并平整土面;6.将固定圆筒与振实仪进行振动,振动时间约为5分钟;7.停止振动后,取出固定圆筒,并再次称重土工计量筒的质量M3;8.计算砂土样品的相对密度D。
实验数据记录:质量M1=50g质量M2=1000g质量M3=980g计算结果:砂土样品的相对密度D=(M2-M3)/(M1-M3)=(1000-980)/(50-980)≈0.02实验结果分析:通过实验测定,得到砂土样品的相对密度为0.02、相对密度的数值范围为0到1,数值越大代表砂土的密实程度越高,反之越小代表砂土的松散程度越大。
根据测定结果,可以初步判断该砂土样品较为松散。
实验讨论:1.实验过程中,尽量避免砂土样品中的空隙,以保证测定结果的准确性。
2.在实际工程中,砂土的相对密度与其工程性质密切相关,可以通过相对密度来确定砂土的压缩特性、剪切强度等参数,从而进行工程设计和土体改良。
3.砂土的相对密度还可以用于判定土体的质量,相对密度高的砂土具有较高的质量,适用于一些对土体质量要求较高的工程项目。
备注:以上只是一个示例的实验记录,实际的实验过程和数据可能与上述内容有所不同。
实验的最终结果应综合考虑多次实验的平均值,并与理论值进行比较,以确定砂土的相对密度。