勘察单位质量检查报告 (2)
- 格式:docx
- 大小:17.16 KB
- 文档页数:6
勘察单位工程施工质量检查报告一、背景介绍随着社会发展和经济建设的不断推进,各类建筑工程如雨后春笋般涌现。
为确保工程施工质量,保障工程安全,勘察单位需要加强对工程施工质量的检查工作。
本报告旨在对工程项目的施工质量进行检查,并提供问题分析和改进措施,以期提高工程质量。
二、检查内容及方法本次检查主要针对勘察单位在工程施工过程中可能存在的问题进行检查,内容包括但不限于:基础工程、结构工程、装饰工程、电气工程、给排水工程等。
检查方法主要采用现场检查和相关资料分析相结合的方式进行。
三、检查结果及问题分析通过实地检查和相关资料的分析,我们发现了以下主要问题:1.基础工程存在质量隐患。
部分基础施工存在松散、压实不足等问题,存在一定的安全隐患。
2.结构工程存在质量问题。
部分结构物存在质量不达标、连接处松动等问题,需要及时整改。
3.装饰工程存在质量差异。
部分装饰工程施工质量良好,但存在质量不稳定、施工工艺不规范等问题。
4.电气工程存在安全隐患。
电气线路敷设不规范、绝缘不良等问题存在一定的安全风险。
5.给排水工程存在质量问题。
给排水工程施工质量不稳定,存在管道漏水、水泵使用不当等问题。
四、改进措施针对以上问题,我们提出以下改进措施:1.基础工程方面,加强施工现场质量监督,严格按照施工规范进行施工,确保基础工程质量。
2.结构工程方面,加强施工质量管理,严格按照设计要求进行施工,加强节点连接质量控制。
3.装饰工程方面,加强施工工艺培训,提高施工人员技术水平,确保装饰工程质量稳定。
4.电气工程方面,加强电气安全教育培训,合理布置线路,确保线路绝缘良好。
5.给排水工程方面,加强给排水工程施工质量监管,严禁漏水现象,加强水泵使用培训。
五、总结通过本次工程施工质量检查,发现了勘察单位在工程施工过程中存在的问题,并提出了相应的改进措施。
希望勘察单位能够认真对待本报告中的问题和建议,加强对工程施工质量的管理和监督,确保工程质量,保障工程安全。
勘察单位工程质量检查报告
工程名称:
勘察单位:
xxxx建筑工程质量监督站
填写要求
1、通过现场全面检查,确认工程施工质量是否达到勘察成果文件的要求,是否认可施工单位的自评意见。
2、本工程依法进行勘察工作及执行有关部门批文的情况。
3、本工程是否按强制性条文进行勘察工作。
4、勘察单位提供勘察成果是否符合合同要求,且真实、准确。
5、勘察单位是否按建设部建(1999)176号(通知)要求,参见工程地基基础验收,是否参加与地基有关的工程质量事故调查,并配合设计单位提供技术处理方案。
6、本工程地基验槽情况是否与本工程地质勘察报告书内容相符。
勘察单位工程质量检查报告
(合格证明书)
单位工程名称 勘察单位名称
勘察单位地址
联系电话
质量验收意见
项目负责人: 年 月 日
勘
察单位公章
企业技术负责人: 年 月 日 企业法人代表: 年 月 日。
勘察单位质量检查报告工程名称武汉工业学院金银湖校区学生公寓甲方武汉轻工大学勘察单位武汉浅层工程技术有限公司质量检查意见1、本工程依法进行勘察工作及执行有关主管部门批文。
2、本工程严格执行国家有关法律、法律法规、强制性标准要求和设计文件。
、本工程提供的工程勘察结果符合合同要求,且真实、准确。
、勘察单位参加工程地基基础检验,对局部明、暗浜部位进行处理。
、本工程地基验槽情况与本工程地质勘察报告书内容相符。
单位工程质量检查结论符合要求,验收合格项目负责人(签字)年月日勘察单位公章注:、本表为页面打印。
、质量检查意见应包括以下内容:()图审组织对勘察文件提出的整改意见落实情况。
()工程中勘察变更文件变更程序是否符合要求。
()勘察单位对单位工程质量检查的总体评价及竣工验收意见。
勘察单位质量检查报告工程名称武汉工业学院金银湖校区学生公寓甲方武汉轻工大学勘察单位武汉浅层工程技术有限公司质量检查意见4、本工程严格执行国家有关法律、法律法规、强制性标准要求和设计文件。
、本工程提供的工程勘察结果符合合同要求,且真实、准确。
、勘察单位参加工程地基基础检验,对局部明、暗浜部位进行处理。
、本工程地基验槽情况与本工程地质勘察报告书内容相符。
单位工程质量检查结论符合要求,验收合格项目负责人(签字)年月日勘察单位公章注:、本表为页面打印。
、质量检查意见应包括以下内容:()图审组织对勘察文件提出的整改意见落实情况。
()工程中勘察变更文件变更程序是否符合要求。
()勘察单位对单位工程质量检查的总体评价及竣工验收意见。
勘察单位质量检查报告工程名称武汉工业学院金银湖校区青年教师周转宿舍甲方武汉轻工大学勘察单位武汉浅层工程技术有限公司质量检查意见6、本工程严格执行国家有关法律、法律法规、强制性标准要求和设计文件。
、本工程提供的工程勘察结果符合合同要求,且真实、准确。
、勘察单位参加工程地基基础检验,对局部明、暗浜部位进行处理。
、本工程地基验槽情况与本工程地质勘察报告书内容相符。
地质勘察单位工程验收质量检查报告一、背景介绍地质勘察是工程建设的重要前提和基础,对工程的安全和可持续发展起着至关重要的作用。
为了确保地质勘察工作的质量和效果,对地质勘察单位进行工程验收质量检查是必要且重要的环节。
二、检查目的本次检查的目的是评估地质勘察单位在工程验收过程中的质量管理情况,了解其质量保障体系的建立与运行情况,发现问题并提出改进措施,以确保勘察成果符合工程建设的需求。
三、检查内容1.质量管理体系检查地质勘察单位是否建立和认证了质量管理体系,并对其进行评估,包括组织机构、人员配备、岗位职责、流程控制等方面的情况,以确保质量管理的有效性和可行性。
2.资格条件检查地质勘察单位是否具备相应的资质和条件,包括执业许可证、从业人员资格、仪器设备等方面的准备情况,以保证勘察工作的可靠性和准确性。
3.勘察报告评估地质勘察单位的勘察报告是否符合相关标准和要求,包括报告编写规范、数据准确性、结论科学性等方面的内容,以确保勘察成果的权威性和可信度。
4.项目实施情况了解地质勘察单位在实际项目中的工作情况,包括任务完成情况、工作计划执行情况、工作记录和档案管理等方面的内容,以确保地质勘察工作的全面性和规范性。
5.问题发现与整改对地质勘察单位存在的问题进行发现和整改,包括违反规定、工作不规范、勘察成果不合格等方面的情况,并提出相应的整改要求和建议,以确保地质勘察工作的可持续发展和提高工作质量。
四、检查结果经过全面的检查和评估,对地质勘察单位的工程验收质量进行了评定。
1.质量管理体系评价(详细列出质量管理体系各项指标得分和评价情况)2.资格条件评价(详细列出资格条件各项指标得分和评价情况)3.勘察报告评价(详细列出勘察报告各项指标得分和评价情况)4.项目实施评价(详细列出项目实施各项指标得分和评价情况)5.问题发现与整改评价(详细列出问题发现与整改各项指标得分和评价情况)五、改进措施根据检查结果,提出相应的改进措施,包括但不限于:1.完善质量管理体系,加强组织与协作,确保各项工作有序进行。
勘察单位质量检查报告一、前言本报告是对勘察单位的质量检查结果进行综合分析和总结,并针对存在的问题提出改进意见。
通过本次质量检查,旨在促进勘察单位的质量管理体系的不断完善,提升勘察单位的服务质量和综合实力。
二、检查对象本次质量检查的对象勘察单位,涉及该单位的质量管理体系、勘察项目的质量实施情况、勘察人员的素质能力等。
检查的具体内容包括勘察项目立项程序是否规范、勘察设计方案是否合理、现场勘察工作是否规范、数据分析和处理是否精确可靠等方面。
三、检查过程1.分析勘察单位的质量管理体系,包括文件程序是否齐全、工作流程是否规范、质量控制措施是否到位等。
2.检查勘察单位的勘察项目立项程序,包括项目申请、立项审查、合同签订等流程是否规范,并核实相应文件的完整性。
3.针对勘察设计方案,检查其合理性和科学性,包括勘察方法选择、任务划分、勘察内容等是否符合项目需求和规范要求。
4.对现场勘察工作进行实地检查,查看勘察人员的工作情况、勘察设备的使用情况,确认现场勘察工作是否规范。
5.检查数据分析和处理过程,核实数据的准确性和处理方法的合理性,比对勘察数据与实际情况的吻合程度。
6.结合文件审查、实地勘察和数据核验,分析勘察单位的质量问题和问题根源。
四、检查结果1.勘察单位的质量管理体系完善,文件程序齐全,但在工作流程规范和质量控制措施方面还有待提升。
2.勘察项目立项程序基本规范,但在项目合同签订环节存在一定的问题,需要加强合同履约的监督与管理。
3.勘察设计方案在勘察方法选择和任务划分上基本合理,但在勘察内容的深入度和科学性上有待改进。
4.现场勘察工作整体规范,但部分勘察人员的工作素质和能力有待提升,需进一步加强培训和考核。
5.数据分析和处理过程中,数据准确性较高,但在处理方法的选择和结果验证上还存在一些问题,需要加强统计分析和模型验证的能力。
6.综合分析勘察单位的质量问题,主要是在人员素质和流程规范性方面存在较大改进空间。
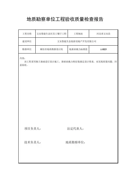
勘察单位工程质量检查报告(合格证明书) 单位工程名称勘察单位名称勘察单位地址勘察单位邮编联 系 电 话质量验收意见:1、通过现场全面检查,工程施工质量已达到勘察成果文件的要求,认可施工单位的自评意见。
2、本工程依法进行勘察工作及执行有关主管部门批文。
3、本工程按强制性条文进行勘察工作。
4、本工程提供的工程勘察成果符合合同要求,且真实、准确。
5、已按要求参加工程地基基础检验。
6、工程地基验槽情况与本工程地质勘察报告内容相符。
项目负责人: 年 月 日勘察 公章企业技术负责人: 年 月 日企业法人代表: 年 月 日设计单位工程质量检查报告(合格证明书) 单位工程名称晖达·温莎尚郡1#住宅楼 设计单位名称河南省城乡建筑设计院有限公司 设计单位地址郑州市金水路经八路26号 设计单位邮编联 系 电 话 设计合使用年限50年 设计允许最终沉降量质量验收意见:填写要求:1、通过现场全面检查,确认工程质量是否满足设计文件要求,体现了设计意图,是否认可施工单位的自评意见。
2、本工程依法进行设计、执行有关部门的批文及根据勘察成果文件进行设计的情况。
3、本工程是否按强制性标准和强制性条文进行工程设计。
4、施工过程中,设计单位签发的设计文件(包括设计变更通知单和技术核定单等)是否符合规范,强制性标准要求,是否经过当地人防部门或其委托的设计文件审查部门审查批准。
5、工程实物质量与设计文件是否相符。
6、施工过程中,是否发现结构性的质量缺陷和不能满足人防工程防护要求的质量缺陷,并提出设计处理方案,施工单位是否按设计处理方案处理。
7、工程是否已完成工程设计文件要求的各项内容,符合人防工程建设强制性标准要求。
项目负责人: 年 月 日设计企业公章注册建筑师: 年 月 日注册结构师: 年 月 日单位法人代表: 年 月 日监理单位工程质量评估报告(合格证明书) 单位工程名称如实填写(全称) 监理单位名称如实填写(全称) 监理单位地址如实填写 监理单位邮编如实填写 联 系 电 话 如实填写质量验收意见:填写要求:1、监理单位的质量行为的履行情况,如依法承揽工程,具有人防工程监理资质,签订书面合同资质相符,建立以总监为中收的现场质量保证体系,制定专业人员岗位责任制,对隐蔽工程、分项、分部工和或工序及时进行验收签证等。
建筑工程勘察质量检查报告(正文)尊敬的建设单位:我公司近期对贵单位的建筑工程勘察项目进行了质量检查,现将检查结果报告如下:一、项目基本情况项目名称:XXX建筑工程勘察项目建设单位:XXX公司勘察单位:XXX勘察有限公司检查时间:XXXX年XX月XX日二、检查内容本次质量检查主要涵盖以下几个方面:1. 勘察设计文件的合规性和完整性检查2. 勘察造价与预算的对比检查3. 勘察工程的实地勘察及数据采集情况4. 勘察报告的编写质量和规范性检查三、检查结果1. 勘察设计文件的合规性和完整性检查经过对勘察设计文件的仔细审查和比对,发现设计文件中包含了项目所需的全部内容,并符合相关的法律法规、技术标准和规范要求。
设计文件的编写格式规范、图纸清晰、文字准确,能够满足勘察工程需求。
2. 勘察造价与预算的对比检查我们对勘察项目的造价与预算进行了详细的核对和对比,发现在勘察过程中,按照预算编制的费用得到了合理控制和使用。
勘察项目的费用支出符合项目实际,不存在与预算相悖的情况。
3. 勘察工程的实地勘察及数据采集情况我们对勘察现场进行了实地勘察,并与勘察单位核实了数据的采集情况。
勘察单位在勘察过程中认真负责,准确采集了相关数据,并采取了适当的采样和测试方法。
数据采集的过程规范,数据准确可靠,能够为后续设计和施工提供重要依据。
4. 勘察报告的编写质量和规范性检查对勘察报告进行了仔细阅读和审核,发现其编写质量高,语句通顺、表达准确。
报告结构清晰,内容完整,包含了项目的目的、方法、结果及分析等重要内容。
报告中的数据和图表呈现规范,便于阅读和理解。
勘察报告中所呈现的问题与发现具有较高的实用性和参考价值。
四、存在问题和建议在本次质量检查中,虽然勘察项目的质量总体上符合要求,但还是存在一些问题需要改进。
具体问题和建议如下:1. 勘察设计文件中某些图纸尺寸标注不准确,请勘察单位加强对图纸质量的把控,确保图纸完整、准确、清晰。
2. 勘察报告中某些数据表格的单位标注不规范,请勘察单位在编写报告时务必严格按照规范进行单位标注。
勘察单位工程质量检查报告一、引言工程质量是保证工程安全和可持续发展的重要因素,对于勘察单位而言,工程质量检查是日常工作的重要组成部分。
本报告旨在对勘察单位进行工程质量检查,并提出相关问题和建议。
二、检查内容1.工程设计文件的评审:对勘察单位提交的设计文件进行详细评审,包括设计方案、施工图纸、工程量清单等。
2.现场勘察实施情况:对勘察单位在现场勘察过程中的实施情况进行检查,包括勘察测量、地质调查、地形地貌观测等。
3.数据采集和分析:对勘察单位采集的数据进行检查,并进行数据分析,确保数据的准确性和有效性。
4.项目管理情况:对勘察单位的项目管理情况进行检查,包括工作计划、进度控制、质量控制等。
5.质量控制情况:对勘察单位在工程质量控制方面的实施情况进行检查,包括工程材料的选择和验收、施工工艺的控制等。
三、检查结果1.工程设计文件评审:勘察单位提交的设计文件整体质量较高,各项指标符合相关标准和规范要求。
2.现场勘察实施情况:勘察单位在现场勘察工作中存在一些问题,如勘察测量过程中的仪器使用不当、勘察记录不清晰等。
3.数据采集和分析:勘察单位采集的数据准确性较高,但在数据分析方面存在一些不足,需要进一步加强分析能力和方法。
4.项目管理情况:勘察单位的项目管理工作较为规范,工作计划和进度控制较为合理,但还需要进一步优化管理手段和方法。
5.质量控制情况:勘察单位在工程质量控制方面存在一些问题,例如材料选择不合理、施工工艺控制不到位等。
四、问题和建议1.加强现场勘察工作的规范性,提高勘察测量的准确性和可靠性。
2.改进勘察记录的方式和内容,确保勘察数据的真实性和完整性。
3.加强数据采集和分析的能力培养,采用合适的方法和工具进行数据分析,提高数据利用效率。
4.优化项目管理手段和方法,加强工作计划和进度控制,提高整体工作效率。
5.加强质量控制工作,严格按照相关标准和规范检验工程材料,确保施工工艺的控制和质量的稳定。
综上所述,本次勘察单位工程质量检查结果整体较好,但在现场勘察、数据分析和质量控制方面还存在一些问题和不足。
勘察单位工程质量检查报告一、项目概况。
根据委托方的要求,我单位于2021年5月对XX工程进行了质量检查。
该工程位于XX市XX区,总建筑面积约XXX平方米,主要包括XX、XX、XX等部分。
工程施工单位为XX建筑工程有限公司,监理单位为XX监理有限公司。
二、检查内容。
1. 施工质量检查。
我们对工程施工过程中的材料选用、施工工艺、质量控制等方面进行了全面检查。
通过现场实地勘察和资料核查,发现施工单位在基础施工中存在混凝土浇筑质量不达标、钢筋连接存在隐患等问题。
在主体结构施工中,发现部分构配件尺寸偏差超出允许范围,部分节点处理不规范等质量问题。
此外,在装饰装修工程中,存在部分材料使用不符合要求、施工工艺不规范等问题。
2. 安全生产检查。
我们对工程现场的安全生产情况进行了检查,发现施工单位存在违规搭设脚手架、操作人员未佩戴安全帽、施工现场秩序混乱等安全隐患。
3. 环境保护检查。
针对工程施工过程中的环境保护情况,我们进行了检查。
发现施工单位存在施工废弃物未及时清理、施工污水未得到有效处理等环境污染问题。
三、整改建议。
根据以上检查情况,我们提出以下整改建议:1. 施工质量方面,施工单位应加强对混凝土浇筑、钢筋连接、构配件尺寸控制等关键环节的质量管理,确保施工质量符合相关标准要求。
2. 安全生产方面,施工单位应加强安全教育培训,规范施工现场秩序,确保施工人员的人身安全。
3. 环境保护方面,施工单位应加强施工废弃物的分类收集和处理,合理利用资源,减少对环境的影响。
四、结论。
综合以上检查情况,我们认为施工单位在工程施工过程中存在一定的质量、安全、环保问题。
施工单位应严格按照相关标准要求进行整改,确保工程质量和施工安全,保障环境保护。
同时,监理单位应加强对施工单位的监督管理,确保整改措施的落实。
希望委托方和相关单位能够重视我们的检查报告,共同努力,确保工程质量和安全。
以上为我单位对XX工程的质量检查报告,如有不妥之处,还请各位批评指正。
勘察单位工程质量检查报告勘察单位工程质量检查报告1. 引言本次工程质量检查的目的是评估勘察单位在工程勘察过程中的质量表现。
通过对勘察单位的工作流程和相关文件的审查,我们对工程质量进行了全面的评估和分析。
2. 工程质量检查内容文件审查•勘察设计文件的完整性和准确性•勘察报告的撰写规范和内容完整性•勘察成果文件的规范性和准确性工作流程评估•勘察单位的工程勘察流程是否合理•确保工程勘察过程中的数据收集和处理准确可靠•工程勘察人员的个人素质和专业能力评估现场检查•工地现场勘察的操作规范和安全措施•现场钻孔、取样和测试操作的准确性和规范性•现场检测仪器设备的完好性和准确性3. 结果及建议经过对勘察单位的工程质量进行全面检查,我们得出以下结论和建议:结果总结•勘察设计文件准确、完整,内容规范;•勘察报告撰写规范,内容完整,符合要求;•勘察成果文件规范,准确可靠。
•工程勘察流程合理,数据收集和处理准确可靠;•工程勘察人员具备良好的个人素质和专业能力;•工地现场勘察操作规范,安全措施到位;•现场钻孔、取样和测试操作准确规范;•现场检测仪器设备完好,准确可靠。
建议改进•进一步提高勘察设计文件的详细度和准确性;•加强勘察报告中工程参数和成果的说明;•定期对工程勘察流程进行优化和改进;•继续加强工程勘察人员的专业培训和素质提升;•强化现场勘察操作规范的培训和落实;•定期对现场检测仪器设备进行维护和检查。
4. 结论本次工程质量检查显示,勘察单位在工程质量方面表现良好,工作流程规范,文件完整准确,现场操作安全可靠。
我们对勘察单位的工作和努力表示肯定,并提出了相应的建议,以进一步提高工程质量的水平。
勘察单位工程质量检查报告报告编制单位:XX勘察公司报告编制日期:XXXX年XX月XX日1. 检查目的为了保证工程建设的安全、合法和有序进行,确保勘察单位的勘察和设计工作达到相关标准和规定要求,保证施工过程中的质量,我们对勘察单位的工程质量进行了检查。
2. 检查范围本次检查范围包括勘察单位已设计并进行施工的工程项目,主要包括以下方面:(1)勘察单位的工程设计文件(2)勘察单位的现场作业情况及执行情况(3)勘察单位的工程质量检验报告3. 检查内容在对勘察单位的工程质量进行检查的过程中,我们主要关注了以下几个方面:(1)施工过程中是否严格按照设计文件进行实施(2)现场作业人员是否按照相关规定进行操作(3)工程质量检验报告是否真实可靠4. 检查结果在对勘察单位的工程质量进行检查的过程中,我们发现以下问题:(1)勘察单位在设计文件中存在一些不完善或不准确的地方,如照明系统的设计不够合理,存在盲区。
(2)勘察单位在现场作业中缺少一些必要的工具和设备,如无线电对讲机等。
(3)勘察单位的工程质量检验报告存在一些问题,如波形测试和耐压测试的数据有些不符要求。
5. 整改意见基于以上的检查结果,我们提出以下整改意见:(1)勘察单位应该尽快修改设计文件中存在的缺陷。
(2)勘察单位应该及时更新现场作业所需的工具和设备。
(3)勘察单位应该认真对待工程质量检验的每一个细节,数据需真实可靠。
6. 结论通过对勘察单位的工程质量进行检查,我们发现其在某些方面存在缺点和不足之处,但总体来说,勘察单位在其勘察和设计工作中的质量还是具有一定的保障和可信度。
希望勘察单位在今后的工作中可以持续完善和提高所有方面的工作质量,以确保工程建设的顺利进行和质量的保障。
勘察单位质量检查报告
注:1、本表为A4页面打印。
2、质量检查意见应包括以下内容:(1)图审机构对勘察文件提出的整改意见落实情况;(2)工程中勘察变更文件变更程序是否符合要求;(3)勘察单位对单位工程质量检查的总体评价及竣工验收意见。
勘察单位质量检查报告
注:1、本表为A4页面打印。
2、质量检查意见应包括以下内容:(1)图审机构对勘察文件提出的整改意见落实情况;(2)工程中勘察变更文件变更程序是否符合要求;(3)勘察单位对单位工程质量检查的总体评价及竣工验收意见。
勘察单位质量检查报告
注:1、本表为A4页面打印。
2、质量检查意见应包括以下内容:(1)图审机构对勘察文件提出的整改意见落实情况;(2)工程中勘察变更文件变更程序是否符合要求;(3)勘察单位对单位工程质量检查的总体评价及竣工验收意见。
勘察单位质量检查报告
注:1、本表为A4页面打印。
2、质量检查意见应包括以下内容:(1)图审机构对勘察文件提出的整改意见落实情况;(2)工程中勘察变更文件变更程序是否符合要求;(3)勘察单位对单位工程质量检查的总体评价及竣工验收意见。