平法识图框架梁常见注写方式与意义
- 格式:doc
- 大小:195.50 KB
- 文档页数:7
梁钢筋平法识图、标注方法与注意事项建筑结构施工图平法表达形式,概括来讲,是把结构构件的尺寸和配筋等,按照平面整体表示方法制图规则,整体直接表达在各类构件的结构平面布置图上,再与标准构造详图相配合,即构成一套新型完整的结构设计。
梁平法图中表示的是什么意思?●梁的平面注写包括集中标注与原位标注集中标注表达梁的通用数值;原位标注表达梁的特殊数值。
当集中标注中的某项数值不适用于梁的某部位时,则将该项数值原位标注,施工中,原位标注优先于集中标注。
梁钢筋的标注方法●原位标注包括梁支座上部纵筋(该部位含通长筋在内所有纵筋)、梁下部纵筋、附加箍筋或吊筋、集中标注不适合于某跨时标注的数值。
1、梁支座上、下部纵筋;2、吊筋、附加箍筋。
原位标注——梁支座上部纵筋梁支座上部纵筋,该部位含通长筋在内的所有纵筋:❶“/”分隔——当上部纵筋多于一排时,用斜线“/”将各排纵筋自上而下分开。
❷“”相联——当同排纵筋有两种直径时,用加号“”将两种直径的纵筋相联,注写时将角部纵筋写在前面。
❸缺省标注——当梁中间支座两边的上部纵筋不同时,须在支座两边分别标注;当梁中间支座两边的上部纵筋相同时,可仅在支座的一边标注配筋值,另一边省去不注。
例6Φ25 4/2,2Φ252Φ22。
原位标注——梁下部纵筋❶“/”分隔——当下部纵筋多于一排时,用斜线“/”将各排纵筋自上而下分开。
❷“”相联——当同排纵筋有两种直径时,用加号“”将两种直径的纵筋相联,注写时角筋写在前面。
❸“—”不入支座——当梁下部纵筋不全部伸入支座时,将梁支座下部纵筋减少的数写在括号内。
例6Φ25 2(-2)/4,2Φ253Φ22(-2)/5Φ25。
❹当梁的集中标注中已注写了梁上部和下部均为通长筋的纵筋值时,则不需要在梁的下部重复做原位标注。
❺当梁设置竖向加腋时,加腋部位下部斜纵筋应在支座下部以Y打头注写在括号里。
❻当梁设置水平加腋梁时,水平加腋内上下部斜纵筋应在加腋支座上部以Y打头注写在括号内,上下部斜纵筋之间用“/”分隔。
工程识图之平法标注(板)本文主要从有梁楼盖板、无梁楼盖板、楼板相关构造三个方面讲述板平面标注的具体规则。
一、有梁楼盖板(一)、概念。
以粱为支座的楼面和屋面板。
如图:(二)、标注。
有梁楼盖板平法标注,系在楼面板和屋面板布置图上,采用平面注写的表达方式。
板平面注写主要包括板块集中标注和板支座原位标注。
1、板块集中标注A、标注内容。
包括板代号序号、板厚、上下部贯通纵筋等信息。
B、标注规则(1)、板结构平面坐标方向1)当两向轴网正交时,图面从左至右为X向,从下至上为Y向;2)当轴网转折时,局部坐标方向顺轴网转折角度做相应转折;3)当轴网向心布置时,切向为X向,径向为Y向;(2)、板块编号(3)、板厚注写。
①板厚注写为h=xxx(为垂直于板面的厚度),当悬挑板的端部改变截面厚度时,用斜线分隔根部与端部的高度值,注写为h=xxx/xxx,当设计已在图注中统一标明板厚时,此项可不注。
②集中标注处标明板厚,如:h=120,图名处标注板厚,如:12.000-21.000板平面布置图h=120。
(4)、板贯通纵筋。
①、贯通筋前用B代表下部,以T代表上部,B&T代表下部与上部;②、X向贯通纵筋以X打头,Y向贯通纵筋以Y打头,两向贯通纵筋配置相同时以X&Y打头;格式为:B:XΦxx@xxx;YΦxx@xxxT:XΦxx@xxx;YΦxx@xxx③、当为单向板时,另一向贯通的分布筋可不必注写,而在图中统一注明。
④、当在某些板内配置有构造钢筋时,则X向以Xc,Y向以Yc打头注写,例如:XB h=150/100 B:Xc&YcΦ8@200);⑤、当Y向采用放射配筋时,设计者应注明配筋间距的度量位置;⑥、当贯通钢筋采用两种规格的钢筋“隔一布一”时,表达为Φxx/ yy@×××,表示直径为xx的钢筋和直径为yy的钢筋二者之间的间距为×××,如图:示例解读:表示5号楼面板,板厚110,板下部配置的贯通纵筋X向为直径10的三级钢和直径12的三级钢,且两种直径的钢筋隔一布一,两种直径钢筋之间间距100。
解答:2C18+3C20空3/2支座上部筋分两排放置,上排有三根,其中两根是直径为18的三级钢,位于角部,全跨贯通,另外一根是直径为20的三级钢,在跨中断开;下排是两根直径为20的三级钢,在跨中断开设集中标注为2C188 下部筋2C25 下部筋是两根直径为25的三级钢,全跨贯通设集中标注2C25;2C254C25(-2)下部筋是四根直径为25的三级钢,其中角部两根全跨贯通,中部两根在该跨贯通,且不伸入支座设集中标注2C25;2C25 2C25+2C16下部筋是两根直径为25的三级钢,位于角部,全跨贯通,中部是两根直径为16的三级钢,在该跨贯通设集中标注2C25;2C25 6C25空2/4下部筋是六根直径为25的三级钢,其中两根位于上排,该跨贯通;另外四根位于下排,位于角部的两根全跨贯通,位于中部的两根在该跨贯通设集中标注2C25;2C25 6C25空2(-2)/4下部筋是六根直径为25的三级钢,其中两根位于上排,该跨贯通,端部不伸入支座;另外四根位于下排,位于角部的两根全跨贯通,位于中部的两根在该跨贯通设集中标注2C25;2C25 2C25+3C22(-3)/5C25下部筋分两排放置,下排是五根直径为25的三级钢,全跨贯通;上排共有五根钢筋,其中两根是直径为25的三级钢,位于角部(边部),该跨贯通,另外三根是直径为22的三级钢,该跨贯通,不伸入支座设集中标注2C25;5C259 附加钢筋在主梁与次梁相交的地方,主梁共附加两根吊筋,直径为18,三级钢总结:集中标注:上部;下部(架立筋)上部角部通长筋+(中部架立筋)原位标准:上排/下排角部+中部(-不伸入支座)以上资料为个人整理,如有错误,请以国家标准图集为准。
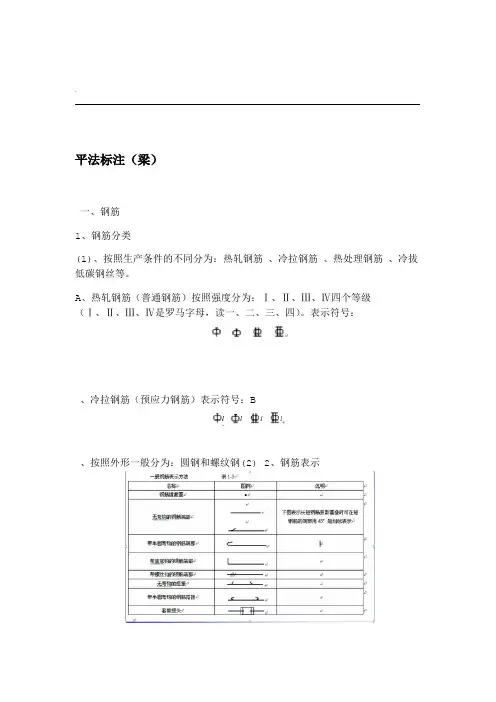
.平法标注(梁)一、钢筋1、钢筋分类(1)、按照生产条件的不同分为:热轧钢筋、冷拉钢筋、热处理钢筋、冷拔低碳钢丝等。
A、热轧钢筋(普通钢筋)按照强度分为:Ⅰ、Ⅱ、Ⅲ、Ⅳ四个等级(Ⅰ、Ⅱ、Ⅲ、Ⅳ是罗马字母,读一、二、三、四)。
表示符号:、冷拉钢筋(预应力钢筋)表示符号:B、按照外形一般分为:圆钢和螺纹钢(2) 2、钢筋表示二、构件:梁、柱、板、剪力墙、楼梯、基础,其中梁可分为:框架梁、屋面框架梁、非框架梁、悬挑梁。
..三、标注。
标注分为集中标注和原位标注。
1、梁类型代号、梁内配筋2 形式一:..形式二:..形式三:形式四:3、梁内钢筋表示..标注分集中标注和原位标注。
、梁的标注。
4 原位标注优先,当在梁上集中标注和原位标注同时存在时,施工时应按原位标注数值取用。
、集中标注)(1 A、标注规则:..KL 等;①、梁代号:详见梁代号表,如:2;②、梁序号:阿拉伯数字表示,如:2;③、梁跨数:阿拉伯数数字表示,如B;④、有无悬挑低号:一端悬挑注写A,两端悬挑为650;⑤、截面尺寸:宽╳高,如300╳Ф(肢数)。
如:/非加密区间距-、梁箍筋:钢筋等级-钢筋直径-中心间距符号@-加密区间距⑥ 2;非加密区为200,肢数为8@100/200(2)表示箍筋是一级钢直径是8 加密区间距为100 ⑦、通长筋:表示为“上部通长筋(架立筋);下部通长筋”。
根2Φ25 表示梁上部通长筋为:如果只有通知筋,则表示为:根数+钢筋级别+钢筋直径,如:2 钢筋直径);如果既有+的通长筋。
如果只有架立筋,则表示为:(根数+钢筋级别二级直径是252 25+(2φ,如:12);通长筋又有架立筋时,表达为通长筋(位于角部)+(架立筋)(位于中间)如果钢筋规格不同时,则表示为:钢筋1 根数-钢筋1 级别-钢筋1 直径+钢筋2 根数-钢筋2 级别-钢筋2 直径,如:2φ20+2φ18 上部通长筋均为2 根直径20mm 的HRB335 钢筋(二级钢)和2 根直径18mm 的HRB335 钢筋(二级钢),其中2φ20 放在角部,2φ18 放在中间;如果下部通长筋分排布置,则表示为:钢筋根数-钢筋级别-钢筋直径-上排根数-下排根数,如:6Φ25 4/2 表示6 根一级钢筋直径为25 上排有4 根下排有2 根;梁下部通长筋(受力筋):同梁上部通长筋;如果下部通长筋分排布置,则表示为:钢筋根数-钢筋级别-钢筋直径-上排根数-下排根数,如:6Φ25 4/2 表示6 根一级钢筋直径为25 上排有4 根下排有2 根;如果钢筋规格不同时,则表示为:钢筋1 根数-钢筋1 级别-钢筋1 直径+钢筋2根数-钢筋2 级别-钢筋2 直径,如:2φ20+ 2φ18 下部通长筋均为2 根直径20mm 的HRB335 钢筋(二级钢)和2 根直径18mm 的HRB335 钢筋(二级钢),其中2φ20 放在角部,2φ18 放在中间;..时450mm⑧、梁侧面纵向构造钢筋或受扭钢筋:侧向构造钢筋就是腰筋,当梁的有效高度大于设置,腰筋布置在梁的截面高度中间区域,两边对称布置;受扭钢筋包括抗扭钢筋和箍筋,抗扭钢布置抗扭筋要求沿梁的截面四个边均匀布置,当存在扭矩时梁的截面高度中间区域需要布置纵筋,,例:钢筋以后就不再需要布置侧向构造钢筋。
梁集中标注与原位标注梁平面布置图上采用的两种注写方式:一、平面注写方式在梁平面布置图上,分别在不同编号的梁中各选一根梁,在其上注写截面尺寸和配筋具体数值的方式来表达梁平法施工图。
平面注写包括集中标注与原位标注,集中标注表达梁的通用数值,原位标注表达梁的特殊数值。
当集中标注中的某项数值不适用于梁的某部位时,则将该项数值原位标注,施工时,原位标注取值优先。
2 梁编号由梁类型代号、序号、跨数及有无悬挑代号几项组成,见下表:梁编号梁类型代号序号跨数及是否带有悬挑楼层框架梁KL XX (XX)、(XXA)或(XXB)屋面框架梁WKL XX (XX)、(XXA)或(XXB)框支梁KZL XX (XX)、(XXA)或(XXB)非框架梁L XX (XX)、(XXA)或(XXB)悬挑梁XL XX井字梁JZL XX (XX)、(XXA)或(XXB)注:(XXA)为一端有悬挑,(XXB)为两端有悬挑,悬挑不计入跨数3 梁集中标注的内容,有五项必标注和一项选注值(集中标注可以从梁的任意一跨引出,),规定如下:(一)梁编号,见上表,该项为必注值。
(二)梁截面尺寸,该项为必注值。
当为等截面梁时,用h×b表示;当为加腋梁时 Y C1×C2表示,其中为C1腋长,为C2腋高;当有悬挑没且根部和端部的高度不同时,用斜线分隔根部与端部的高度值,即为b×h1/h2(图4-2-3b)。
(三)梁箍筋,包括钢筋级别、直径、加密区与非加密区的不同间距及肢数需用斜线“/”分隔;当梁箍筋为同一种间距及肢数时,则不需用斜线;当加密区与非加密区的箍筋肢数相同是南昌将肢数注写一次;箍筋肢数应写在括号内。
加密区范围见相应抗震级别的标准构造详图。
当抗震结构中的非框架梁、悬挑梁、井字梁,及非抗震结构中的各类梁采用不同的箍筋间距及肢数时,也用“/”将其分隔开来。
注写时,先注写梁支座端部的箍筋(包括箍筋的箍数、钢筋级别、直径、间距与肢数),在斜线后注写梁跨中部分的箍筋间距及肢数。
超详细梁钢筋平法识图,领导也能看懂筑结构施⼯图平⾯整体设计⽅法(简称平法)表达形式,概括来讲,是把结构构件的尺⼨和配筋等,按照平⾯整体表⽰⽅法制图规则,整体直接表达在各类构件的结构平⾯布置图上,再与标准构造详图相配合,即构成⼀套新型完整的结构设计。
陈青来被国家科委列为《 “九五”国家级科技成果重点推⼴计划》项⽬(项⽬编号:97070209A)建设部列为⼀九九六年科技成果重点推⼴项⽬(项⽬编号:96008)。
《混凝⼟结构施⼯图平⾯整体表⽰⽅法制图规则和构造详图》梁钢筋的标注⽅法梁平法图中表⽰的是什么意思?●梁的平⾯注写包括集中标注与原位标注集中标注表达梁的通⽤数值原位标注表达梁的特殊数值。
当集中标注中的某项数值不适⽤于梁的某部位时,则将该项数值原位标注,施⼯中,原位标注优先于集中标注。
梁钢筋的标注⽅法●集中标注:1、梁编号、梁截⾯尺⼨2、箍筋:钢筋级别、直径、加密区及⾮加密区、肢数3、梁上下通长筋和架⽴筋,4、梁侧⾯纵筋:构造腰筋及抗扭腰筋5、梁顶⾯标⾼⾼差(该项为选注)梁钢筋的标注⽅法梁钢筋的标注⽅法原位标注内容包括梁⽀座上部纵筋(该部位含通长筋在内所有纵筋)、梁下部纵筋、附加箍筋或吊筋、集中标注不适合于某跨时标注的数值。
原位标注:1、梁⽀座上、下部纵筋2、吊筋、附加箍筋梁钢筋的标注⽅法集中标注——梁编号梁截⾯尺⼨,该项为必注值。
当为等截⾯梁时,⽤b×h表⽰;当为竖向加腋梁时,⽤b×h GYC1×C2 表⽰,其中C1 为腋长,C2 为腋⾼;当为⽔平加腋梁时,⽤b×h PYC1×C2 表⽰,其中C1 为腋长,C2 为腋宽,加腋部分应在平⾯中绘制;当有悬挑梁且根部和端部的⾼度不同时,⽤斜线分隔根部与端部的⾼度值,即为 b×h1 /h2如:JZL2(3) 300*500KL7(2B) 300*700/500三、梁箍筋,包括钢筋级别、直径、加密区与⾮加密区间距及肢数,该项为必注值。
钢筋标注中的含义JZL(3B)400*700 Y 1500*500*300是基础主梁,Y后边的是加腋信息(就是条基的底)Φ8@200(4)是A8钢筋的箍筋,间距200,4肢箍B2Φ25+3Φ22; T2Φ16+2Φ14基础梁的下部通长筋是2根25的加上3根22的,上部通长筋是2根16的加上2根14的Y Φ16@200; Φ8@300是加腋钢筋,就是条基铺底筋,主筋是16的间距200,分布筋是8mm的间距300G2Φ16;L Φ8@500是侧面构造筋,2根16mm的,拉筋是8mm的间距500 JCL-4(2B)600*800 Φ10@100(4) B6Φ25;T6Φ20 N2Φ14 4号基础梁 2跨两端悬挑梁截面尺寸600*800 箍筋为10个的4肢箍间距100 梁上部筋6根25的下部筋6根20的梁两侧共配置2根14的抗扭钢筋肢箍是反映梁里箍筋的个数的一个名词,分别有两肢箍、四肢箍等,它们是指梁里面箍筋的排数。
梁支座就是梁两端或者中间的支撑,起支撑梁的作用。
梁支座一般为:墙/柱/梁三种梁的支座:与梁接触,承受梁传来荷载并承受的构件。
如:主次梁的节点,梁与柱的节点,梁与承重墙的节点等,总之就是能支撑梁的那个“座”。
加腋梁,指钢梁或混凝土梁在根部斜向加高,加腋部份相当于柱子上的“牛腿”。
目的是增加梁的承载能力,或者为了加强梁的抗震性能。
一个柱子两边的梁,上部纵筋,左端有原位标注,右端没有,那右端的纵筋分布是按左端的来布置,还是按集中标注来布置的?是这样,这个4根25的是代表这个支座顶的钢筋,也就是说,左右都是很少的梁,有2面标注的,出现的情况就3种,1是不同轴,1是标高不同,1是断面不同。
井字梁就是不分主次,高度相当的梁,同位相交,呈井字型。
这种一般用在楼板是正方形或者长宽比小于1.5的矩形楼板,大厅比较多见,梁间距3m左右.由同一平面内相互正交或斜交的梁所组成的结构构件。
又称交叉梁或格形梁。
拉筋在梁与柱、梁与墙、墙与墙等构件之间起拉结作用的钢筋。
梁平法施工图平面注写方式,拿去看!
平面注写方式是指在梁平面布置图上,分别在不同编号的梁中各选一根梁,在其上注写截面尺寸和配筋具体数值的方式来表达梁平法施工图
平面注写包括集中标注和原位标注,集中标注表达梁的通用数值,即梁多数跨都相同的数值;原位标注表达梁的特殊数值,即梁个别截面与其不同的数值。
当集中标注中的某项数值不适用于梁的某部位时,则将该项数值原位标注,施工时,原位标注取值优先。
既有效减少了表达上的重复,又保证了数值的惟一性。
1. 梁集中标注的内容,有五项必注值及一项选注值,规定如下:
(1)梁编号,该项为必注值。
由梁类型代号、序号、跨数及有无悬挑代号组成。
根据梁的受力状态和节点构造的不同,将梁类型代号归纳为六种,见表10-3的规定。
根据编号原则可知,如KL2(2A)表示的含义是:第2号框架梁,两跨,一端有悬挑。
(2)截面尺寸,该项为必注值。
当为等截面梁时,用bh表示;当悬臂梁采用变截面高度时,用斜线分隔根部与端部的高度值,即bh1/h2,h1为根部高度,h2为端部较小高度。
(3)梁箍筋包括钢筋种类、级别、直径、加密区与非加密区间距及肢数,该项为必注值。
箍筋加密区与非加密区的不同间距及肢数需用斜线分隔;当梁箍筋为同一种间距及肢数时,则不需用斜线;当加密区与非加密区的箍筋肢数相同时,则将肢数注写一次;箍筋肢数应写在括号内。
例如:8@100(4)/150(2),表示箍筋为HPB235级钢筋,直径8 mm,加。
平法标注方式方法标注的种类解释集中标注和原位标注的区别平法识图的认识及总结?本学期了解一些关于平法识图的知识,并发现了其应用的广泛性。
通过老师的讲解和平法图解的了解学习,进一步知晓了建筑构件中一些钢筋的配置以及布置方法,进一步了解了有关建筑识图的知识。
混凝土结构施工图平面整体表示方法简称平法,这种所谓"平法"的表达方式,是将结构构件的尺寸和配筋,按照平面整体表示法的制图规则,直接表示在各类构件的结构平面布置图上,再与标准构造详图相配合,即构成一套完整的结构施工图。
平法改变了传统的那种将构件从结构平面图中索引出来,再逐个绘制配筋详图的繁琐表示方法。
学习平法图集应在理解的基础上与实际的工作相结合进行分析加以运用,这样才能真正领悟平法的真正内涵。
平法制图适用于各种现浇混凝土结构的柱、剪力墙、梁等构件的结构施工图。
?一、梁平法两种标注:?1.集中标注?(1)梁编号:类型代号、序号、跨数、有无悬挑代号。
??(2)梁截面尺寸。
当为等截面梁时,?用b×h表示;?当有悬挑梁且根部和端部的高?度不同时,用斜线分隔根部与端部的高度值。
即为b×h1/h2。
?(3)梁箍筋,包括钢筋级别、直径、加密区与非加密区间距及肢数值。
箍筋加密区与非加密区的不同间距及肢数需用斜线(“/”)分隔;当梁箍筋为同一种间距及肢数时,则不需要用斜线;当加密区与非加密区的箍筋肢数相同时,则将肢数注写一次;箍筋肢数应写在括号内。
加密区范围见相应抗震级别的标准构造详图。
?如φ10@100/200(4),表示直径为10mm的Ⅰ级钢筋,加密区间距为100mm,非加密区间距为200mm,均为四肢箍。
?2、原位标注?(1)梁支座上部纵筋数量、等级和规格,写在梁上方,且靠近支座。
??当上部纵筋多于一排时,?用斜线“/”将各排纵筋自上而下分开。
?如:6φ25?4/2:上一排纵筋为4φ25,?下一排纵筋为2φ25。
??同排纵筋有两种直径时,?用加号“+”将两种直径的纵筋相连,?注写时将角部纵筋写在前面。
1梁平法施工图得表示方法梁平面整体配筋图就是在梁平面布置图上采用平面注写方式或截面注写方式表达框架梁得截面尺寸、配筋得一种方法。
下图为采用传统方法表示框架梁得详图。
下图就是采用平面整体表示方法。
采用平法表示梁得施工图时,需要对梁进行分类与编号,其编号得方法应符合表附、2、2◆得规定。
(1)平面注写方式平面注写方式包括集中标柱与原位标注两部分。
集中标注——表达梁得通用数值。
原位标注——表达梁得特殊数值。
当集中标注得某项数值不适用于梁得某部位时,则将该项数值进行原位标柱,施工时原位标柱取值优先。
1)集中标注集中标注得形式如图附、2、10◆所示。
①梁截面标准规则。
当梁为等截面时,用b×h表示。
当为加腋梁时用b×h Y c1×c2表示,其中c1为腋长,c2为腋高(下图)。
当有悬挑梁且根部与端部不同时,用斜线分割根部与端部得高度值,即b×h1/h2。
集中注写得形式KL-1(3)300×600 —梁编号(跨数)截面宽×高。
φ8100/200(2) —箍筋直径、加密区间距/非加密区间距(箍筋肢数)。
2Φ25 ——通长筋根数、直径。
G2φ12 ——构造钢筋根数、直径。
(-0、05) ——梁顶标高与结构层标高得差值,负号表示低于结构层标高。
②箍筋得标柱规则当箍筋分为加密区与非加密区时,用斜线“/”分隔,肢数写在括号内。
当抗震结构中得框架梁采用不同得箍筋间距与肢数时,也可用斜线“/”将其分隔开表示。
例如 13φ8150/200(4),表示梁得两端各有13个φ8箍筋,间距为150;梁跨中箍得间距为200,全部为4肢箍。
又如 13φ8150(4)/150(2),表示梁两端各有13个φ8得4肢箍,间距150;梁跨中为φ8双肢箍箍筋间距为150。
③梁上部通长筋与架立筋得标注规则在梁上部既有通长钢筋又有架立筋时,用“+”号相联标柱,并将通长筋写在“+”号前面,架立筋写在“+”号后面并加括号。
梁平法施工图系在梁平面布置图上采用平面注写方式或截面注写方式表达.平面注写方式包括集中标注与原位标注,施工时,原位标注取优先值。
梁集中标注的内容,有五项必注值及一项选注值(集中标注可以从梁的任意一跨引出),规定如下:一、梁编号,该项为必注值。
梁编号注:(XXA)为一端有悬挑,(XXB)为两端有悬挑,悬挑不计入跨数。
例 KL7(5A)表示第7号框架梁,5跨,一端有悬挑: L9(7B)表示第9号非框架梁,7跨,两端有悬挑。
二、梁截面尺寸,该项为必注值。
当为等截面梁时,用b×h表示三、梁箍筋,包括钢筋级别、直径、加密区与非加密区间距及肢数,该项为必注值。
箍筋加密区与非加密区的不同间距及肢数需用斜线“/”分隔;加密区范围见相应抗震级别的标准构造详图。
例Φ10@100/200(4),表示箍筋为Ⅰ级钢筋,直径φ10,加密区间距为100,非加密区间距为200,均为四肢箍。
Φ8@100(4)/150(2),表示箍筋为Ⅰ级钢筋,直径φ8,加密区间距为100,四肢箍,非加密区间距为150,两肢箍。
四、梁上部通长钢筋或架立筋配置(通长筋可为相同或不同直径采用搭接连接、机械连接或对焊连接的钢筋),该项为必注值。
当同排纵筋中既有通长筋又有架立筋时,应采用加号“+”将通长筋和架立筋相联。
注写时须将角部纵筋写在加号的前面,架立筋写在加好后面的括号内,以示不同直径及与通长筋的区别。
例 2Φ22 用于双肢箍;2Φ22+(4Φ12)其中2Φ22为通长筋,4Φ12为架立筋。
用分号“;”将上部与下部纵筋的配筋值分隔开来例 3Φ22;3Φ20 表示梁的上部配置3Φ22的通长筋,梁的下部配置3Φ20的通长筋。
五、梁侧面纵向构造钢筋或受扭钢筋配置,该项为必注值。
当梁腹板高度hw≥450mm时,需配置纵向构造钢筋。
具体见P87页例 G4Φ12,表示梁的两个侧面共配置4Φ12的纵向构造钢筋,每恻各配置2Φ12。
当梁侧面需配置受扭纵向钢筋时,此项注写值以大写字母N打头,接续注写配置在梁两个侧面的总配筋值,且对称配置。
平法识图框架梁常见注写方式与意义
————————————————————————————————作者:————————————————————————————————日期:
2
题目
注写内容可能出现类型含义备注
集中标注1 编号
KL2(2A)
L1(3B)
2 截面尺寸
300*700
300*700 GY500*250
300*700 PY500*250
300*700/500
3 箍筋
A10@200(2)
A10@100(4)
A10@100/200(2)
A8@100(4)/150(2)
13A10@150/200(4)
18A12@150(4)/200(2)
4
贯通筋
(上部架立筋)
2C25 设原位标注为4C25
(2B16)设原位标注为2C20
2C25+(2B16)4肢箍,原位标注4C25
2C25;2C20
2C25+(2B16);2C20 4肢箍,原位标注4C25 5 侧面钢筋
G4B12
梁腹板高大于450mm N6B22
6 高差(选注)(-0.100) 相对于标准结构标高
原
位标注7 支座上部筋
2C25 设集中标注为2A16
4C25 设集中标注为2C25
2C25+2C16 设集中标注为2C25
6C25空4/2 设集中标注为2C25
2C18+3C20空3/2 设集中标注为2C18 8 下部筋2C25 设集中标注2C25;2C25
3
4C25(-2)设集中标注2C25;2C25
2C25+2C16 设集中标注2C25;2C25
6C25空2/4 设集中标注2C25;2C25
6C25空2(-2)/4 设集中标注2C25;2C25
2C25+3C22(-3)/5C25 设集中标注2C25;5C25
9 附加钢筋
10 高差(选注)(-0.100) 相对于标准结构标高
11 截面尺寸(选注)400*800 设集中标注为300*700
4
解答:
注写内容可能出现类型含义备注
集中标注1 编号
KL2(2A) 2号框架梁,有2跨,1端有悬挑
L1(3B) 1号非框架梁,有3跨,2端有悬挑
2 截面尺寸
300*700 等截面梁宽300,高700
300*700 GY500*250 竖直加腋梁,等截面部分梁宽300,高700,加腋长500,高250
300*700 PY500*250 水平加腋梁,等截面部分梁宽300,高700,加腋长500,高250
300*700/500 悬挑梁宽300,基部高700,端部高500
3 箍筋
A10@200(2)箍筋是直径为10的一级钢,间隔为200,双肢箍
A10@100(4)箍筋是直径为10的一级钢,间隔为100,四肢箍
A10@100/200(2)
箍筋是直径为10的一级钢,加密区间隔为100,非加密区间隔为200,均
是双肢箍
A8@100(4)/150(2)
箍筋是直径为8的一级钢,加密区间隔为100,四肢箍,非加密区间隔为
150,双肢箍
13A10@150/200(4)
箍筋是直径为10的一级钢,梁的两端各有13个四肢箍,间距150,梁跨
中部分间距为200,四肢箍
18A12@150(4)/200(2)
箍筋是直径为12的一级钢,梁的两端各有18个四肢箍,间距150,梁跨
中部分间距为200,双肢箍
4
贯通筋
(上部架立钢筋)
2C25 上部通长筋是两根直径为25的三级钢设原位标注为4C25
(2B16)上部跨中架立筋是两根直径为16的二级钢设原位标注为2B20
2C25+(2B16)
上部通长筋是两根直径为25的三级钢,位于角部,跨中架立筋是两根直
径为16的二级钢,位于中部
4肢箍,原位标注4C25 2C25;2C20
上部通长筋是两根直径为25的三级钢,下部通长筋是两根直径为20的三
级钢
2C25+(2B16);2C20
上部通长筋是两根直径为25的三级钢,位于角部,跨中架立筋是两根直
径为16的二级钢,位于中部;下部通长筋是两根直径为20的三级钢
4肢箍,原位标注4C 25 5 侧面钢筋
G4B12 侧部构造筋是四根直径为12的二极钢
梁腹板高大于450mm N6B22 侧部受扭钢筋是六根直径为22的二极钢
6 高差(选注)(-0.100) 全跨比标准标高低0.1米相对于标准结构标高
5
原位标注7 支座上部筋
2C25 支座上部筋是两根直径为25的三级钢,在跨中断开设集中标注为2A16
4C25
支座上部筋是四根直径为25的三级钢,其中角部两根全跨贯通,中部两
根在跨中断开
设集中标注为2C25 2C25+2C16
支座上部筋是两根直径为25的三级钢,位于角部,全跨贯通,中部是两
根直径为16的三级钢,在跨中断开
设集中标注为2C25 6C25空4/2
支座上部筋是六根直径为25的三级钢,其中四根位于上排,位于角部的
两根全跨贯通,位于中部的两根在跨中断开;另外两根位于下排,在跨
中断开
设集中标注为2C25 2C18+3C20空3/2
支座上部筋分两排放置,上排有三根,其中两根是直径为18的三级钢,
位于角部,全跨贯通,另外一根是直径为20的三级钢,在跨中断开;下
排是两根直径为20的三级钢,在跨中断开
设集中标注为2C18
8 下部筋
2C25 下部筋是两根直径为25的三级钢,全跨贯通设集中标注2C25;2C25
4C25(-2)
下部筋是四根直径为25的三级钢,其中角部两根全跨贯通,中部两根在
该跨贯通,且不伸入支座
设集中标注
2C25;2C25 2C25+2C16
下部筋是两根直径为25的三级钢,位于角部,全跨贯通,中部是两根直
径为16的三级钢,在该跨贯通
设集中标注
2C25;2C25 6C25空2/4
下部筋是六根直径为25的三级钢,其中两根位于上排,该跨贯通;另外
四根位于下排,位于角部的两根全跨贯通,位于中部的两根在该跨贯通
设集中标注
2C25;2C25 6C25空2(-2)/4
下部筋是六根直径为25的三级钢,其中两根位于上排,该跨贯通,端部
不伸入支座;另外四根位于下排,位于角部的两根全跨贯通,位于中部
的两根在该跨贯通
设集中标注
2C25;2C25 2C25+3C22(-3)/5C25
下部筋分两排放置,下排是五根直径为25的三级钢,全跨贯通;
上排共有五根钢筋,其中两根是直径为25的三级钢,位于角部(边部),
该跨贯通,另外三根是直径为22的三级钢,该跨贯通,不伸入支座
设集中标注
2C25;5C25
9 附加钢筋在主梁与次梁相交的地方,主梁共附加两根吊筋,直径为18,三级钢
6
在主梁与次梁相交的地方,主梁共附加8个箍筋,直径为8,一级钢,间
隔是50,双肢箍
10 高差(选注)(-0.100) 该跨比标准标高低0.1米相对于标准结构标高
11 截面尺寸(选注)400*800 该跨梁宽为400,梁高为800 设集中标注为300*700
总结:集中标注:上部;下部
(架立筋)
上部角部通长筋+(中部架立筋)
原位标准:上排/下排
角部+中部
(-不伸入支座)
以上资料为个人整理,如有错误,请以国家标准图集为准。
7。