模具配件之标准件与非标件
- 格式:docx
- 大小:14.44 KB
- 文档页数:1
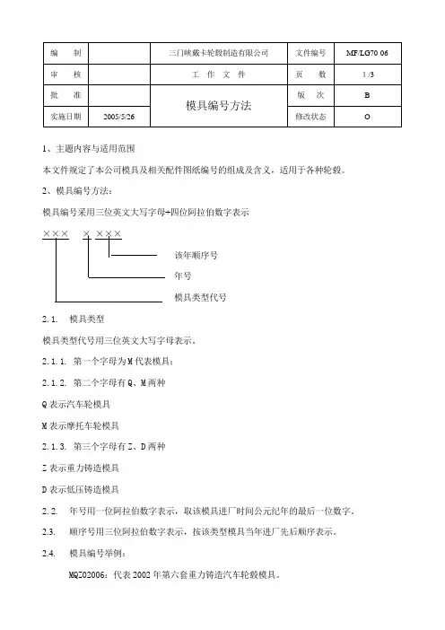
1、主题内容与适用范围本文件规定了本公司模具及相关配件图纸编号的组成及含义,适用于各种轮毂。
2、模具编号方法:模具编号采用三位英文大写字母+四位阿拉伯数字表示该年顺序号年号模具类型代号2.1.模具类型模具类型代号用三位英文大写字母表示。
2.1.1. 第一个字母为M代表模具;2.1.2. 第二个字母有Q、M两种Q表示汽车轮模具M表示摩托车轮模具2.1.3. 第三个字母有Z、D两种Z表示重力铸造模具D表示低压铸造模具2.2.年号用一位阿拉伯数字表示,取该模具进厂时间公元纪年的最后一位数字。
2.3.顺序号用三位阿拉伯数字表示,按该类型模具当年进厂先后顺序表示。
2.4.模具编号举例:MQZ02006:代表2002年第六套重力铸造汽车轮毂模具。
2.5.模具编号所代表的详细内容见《模具清单》。
3、模具总装图号:模具总装图号同模具编号4、模具配件图的编号方法:模具配件分为非标准件、标准件、系列标准件三种类型。
4.1、非标准模具配件的编号方法:非标准件的模具配件是指只能用于该套模具及其备模的配件,非标模具配件图的编号由所属模具编号+ —+配件号(1~2位阿拉伯数字)+ —+顺序号(一位英文大写字母)表示:顺序号配件号所属模具编号4.1.1非标模具配件的配件号必须和模具总装图配件栏保持一致。
4.1.2顺序号:顺序号由一位英文大写字母表示,表示同一部件名称的不同规格,从A~Z表示。
4.1.3配件编号举例:略4.2. 标准件的编号方法:模具标准件的编号由类别号+—识别号+序列号组成,类别号为4个英文大写字母,其中前三位字母的意义见2.1.1~2.1.3的描述。
第四位英文字母为B,标识标准件。
识别号由两位阿拉伯数字组成,代表具体的标准件名称,按照出图纸的先后顺序排列。
序列号由一位大写英文字母构成,表示不同的规格或适用范围。
如“MQDB-01B”类别号为MQDB表示低压汽车轮模具的标准件;识别号为01,表示所出的第一个标准件图纸(在我公司代表侧模拉杆);序列号为B,表示第二种规格,图中说明适用于20寸以上的模具。
模具的标准件模具是工业生产中常用的一种工具,它能够对原材料进行成型加工,生产出各种各样的产品。
而模具的标准件则是模具中不可或缺的一部分,它们在模具的设计和制造过程中起着至关重要的作用。
本文将就模具的标准件进行详细介绍,包括其定义、分类、特点以及在模具制造中的应用。
首先,模具的标准件是指在模具设计和制造中使用频率较高,且规格标准化的零部件。
它们通常具有统一的规格和尺寸,能够在不同的模具中通用。
模具的标准件包括但不限于导柱、导套、弹簧、螺母、螺栓等,它们在模具的组装和使用过程中起着至关重要的作用。
其次,模具的标准件可以根据其用途和特点进行分类。
按照用途可分为定位元件、连接元件、传动元件等;按照特点可分为标准件、非标准件等。
不同类型的标准件在模具设计和制造中扮演着不同的角色,但它们都是模具中不可或缺的一部分。
模具的标准件具有规格标准化、尺寸统一、通用性强等特点。
这些特点使得模具的设计和制造更加简便、快捷,同时也提高了模具的可靠性和稳定性。
在模具制造过程中,合理选用标准件能够有效地降低成本、缩短周期,提高生产效率。
最后,模具的标准件在模具制造中有着广泛的应用。
它们不仅可以用于模具的组装和调试,还可以用于模具的维护和更换。
合理选用标准件能够有效地提高模具的使用寿命和稳定性,降低模具的维护成本和周期。
总之,模具的标准件是模具制造中不可或缺的一部分,它们具有规格标准化、尺寸统一、通用性强等特点,能够有效地提高模具的可靠性和稳定性。
在模具制造过程中,合理选用标准件能够降低成本、缩短周期,提高生产效率。
希望本文能够对模具的标准件有所了解,并在实际生产中加以应用。
标准件和非标准件在工程设计和制造中,标准件和非标准件是两个常常被提及的概念。
它们在产品的设计、制造和组装过程中起着至关重要的作用。
本文将从定义、特点、应用和选择等方面对标准件和非标准件进行详细介绍。
首先,我们来看一下标准件和非标准件的定义。
标准件是指符合国家或行业标准规定,具有统一规格、型号和技术要求的零部件,如螺栓、螺母、轴承等。
而非标准件则是指不符合标准规定,需要根据具体要求进行设计和加工的零部件,如特殊形状的连接件、特定尺寸的轴等。
其次,标准件和非标准件在特点上也有明显的区别。
标准件具有统一的规格和型号,可以直接购买和使用,能够大大缩短产品的设计和制造周期,降低成本。
而非标准件则需要根据具体的工程需求进行设计和加工,通常具有较高的定制性和灵活性,能够满足特定的使用要求。
在实际应用中,标准件和非标准件各有其优势和适用范围。
标准件广泛应用于各种机械设备和工程结构中,能够满足一般要求,具有通用性和标准化优势。
而非标准件则主要用于特殊设备和特定工程项目中,能够满足个性化的需求,具有较高的灵活性和定制性。
在选择标准件和非标准件时,需要根据具体的工程需求和设计要求进行综合考虑。
对于一些常规的零部件,可以优先选择标准件,以节约成本和时间。
而对于一些特殊形状、特定尺寸或特殊材料要求的零部件,则需要考虑选择非标准件进行定制设计和加工。
总的来说,标准件和非标准件在工程设计和制造中都具有重要的地位和作用。
它们各自有着独特的特点和优势,能够满足不同的工程需求和设计要求。
在实际应用中,需要根据具体情况进行合理选择和使用,以确保产品的质量和性能。
综上所述,标准件和非标准件在工程设计和制造中都有着重要的作用,它们相辅相成,共同推动着产品的不断进步和发展。
通过合理选择和应用,能够更好地满足工程需求,提高产品的质量和效率。
希望本文对读者能够有所帮助,谢谢阅读!。
模具的标准件模具是工业生产中常用的一种工具,它可以制造出各种形状的零件和产品。
而模具的标准件则是模具中的重要组成部分,它们在模具设计和制造中起着至关重要的作用。
本文将介绍模具的标准件的种类和作用,希望能为模具制造领域的从业人员提供一些帮助和启发。
首先,模具的标准件包括了许多不同的部件,比如导柱、导套、弹簧、定位销、螺母、螺栓等等。
这些标准件在模具中扮演着各自不同但同样重要的角色。
导柱和导套用于模具的定位和导向,保证模具的精度和稳定性;弹簧则用于模具的顶出和复位,确保模具的正常工作;而定位销、螺母、螺栓等则用于模具的组装和固定,保证模具的结构牢固和稳定。
其次,模具的标准件在模具设计和制造中起着至关重要的作用。
首先,在模具设计中,合理选择和配置标准件可以大大提高模具的使用寿命和生产效率。
比如选择合适的导柱和导套可以减少模具在工作时的摩擦,延长模具的使用寿命;选择合适的弹簧可以提高模具的顶出和复位效率,提高生产效率。
其次,在模具制造中,标准件的质量和精度直接影响着整个模具的质量和精度。
因此,选择优质的标准件供应商,严格控制标准件的加工和装配质量,是确保模具质量的关键。
最后,模具的标准件在模具维护和保养中也起着至关重要的作用。
定期对模具的标准件进行检查、清洁、润滑和更换,可以保证模具的正常工作,延长模具的使用寿命,降低维护成本,提高生产效率。
综上所述,模具的标准件是模具中不可或缺的重要组成部分,它们在模具设计、制造、维护和保养中都起着至关重要的作用。
因此,对模具的标准件进行合理选择、合理配置和合理使用,对于提高模具的使用寿命、生产效率和产品质量,都具有非常重要的意义。
希望本文的介绍能够对模具制造领域的从业人员有所帮助,也希望模具制造领域的从业人员能够不断学习和探索,为模具行业的发展贡献自己的力量。
模具标准件npk标准
模具标准件是根据中国模具标准化体系生产的,包括四大类标准,即模具基础标准、模具工艺质量标准、模具零部件标准及与模具生产相关的技术标准。
模具标准件是模具的重要组成部分,对缩短模具设计制造周期、降低模具生产成本、提高模具质量具有重要意义。
如需了解更多关于模具标准件npk标准的信息,建议咨询模具行业资深业内人士,或查阅相关论坛。
模具标准件npk标准是一种用于描述模具零件尺寸和公差的标准化体系。
NPK标准通常用于汽车、电子、家电等行业的模具制造中,以确保模具零件的互换性和重复使用性。
NPK标准包括三个主要部分:基础标准、通用标准和专用标准。
基础标准是用于规定模具零件的术语、符号、计量单位等基础要素的标准;通用标准是用于规定通用的模具零件尺寸和公差的标准;专用标准是针对特定行业或特定产品的模具零件标准。
NPK标准的制定和使用有助于提高模具制造的效率和精度,降低制造成本,缩短生产周期。
通过使用标准化的模具零件,可以减少新模具设计和制造的时间和成本,提高生产效率,同时保证产品的质量和稳定性。
如需了解更多关于继续的信息,建议咨询模具行业资深业内人士,或查阅相关论坛。
模具的标准件模具是制造工业中常用的一种工具,它可以将原材料加工成所需的形状和尺寸。
模具通常由许多部件组成,其中标准件是模具中不可或缺的一部分。
标准件是指在模具制造中使用频率较高,规格尺寸较为统一的零部件,它们的作用是连接、定位、导向等。
在模具设计和制造过程中,合理选择和使用标准件对于提高模具的精度、稳定性和寿命具有重要意义。
首先,标准件的选择应当考虑到模具的使用环境和要求。
不同的模具在使用环境和要求上有所差异,因此在选择标准件时需要根据具体情况进行综合考虑。
例如,对于需要承受较大冲击力的模具,应选择具有较高强度和耐磨性的标准件;而对于需要高精度加工的模具,则需要选择精度较高的标准件。
此外,还需要考虑标准件的耐腐蚀性能、导向性能、连接性能等因素,以确保模具在使用过程中能够稳定可靠地工作。
其次,标准件的安装和使用应当符合相关规范和要求。
在模具的安装和使用过程中,标准件的正确安装和使用是保证模具正常工作的重要保障。
标准件的安装应当严格按照相关规范和要求进行,确保其与模具其他部件的连接稳固可靠,不会出现松动、脱落等现象。
同时,在模具使用过程中,需要对标准件进行定期检查和维护,及时发现并排除潜在问题,以确保模具的正常运行。
最后,标准件的选用和使用还需要考虑到经济性和可替代性。
在模具设计和制造过程中,需要综合考虑标准件的价格、供货周期、可替代性等因素,选择性价比较高的标准件。
同时,还需要考虑到标准件的通用性和标准化程度,以便在需要时能够方便地进行更换和维修,减少因标准件更换而导致的停工时间和成本。
总的来说,标准件在模具制造中具有重要作用,合理选择和使用标准件对于提高模具的质量和效率具有重要意义。
在模具设计和制造过程中,需要充分考虑标准件的选择、安装和使用,以确保模具能够稳定可靠地工作,提高生产效率,降低生产成本。
同时,还需要不断关注标准件的新技术和新产品,不断提升标准件的质量和性能,以适应不断发展的模具制造需求。
模具的标准件模具是制造工业中常用的工具,用于生产大量相同形状的零件或产品。
模具通常由模具基、模具零件和模具标准件组成。
而模具的标准件是模具中非常重要的一部分,它们在模具设计和制造中起着至关重要的作用。
首先,模具的标准件是指在模具设计和制造中使用频率较高,规格尺寸较为统一的零部件。
它们包括模具基准件、定位元件、导向元件、压紧元件等。
这些标准件在模具中起着定位、固定、导向、压紧等作用,是模具中不可或缺的组成部分。
其次,模具的标准件具有规格尺寸统一、通用性强、易于更换和维护等特点。
由于标准件的规格尺寸是统一的,因此在模具设计和制造中可以更加方便地进行组装和调整。
同时,标准件的通用性强,可以在不同的模具中通用,这样就可以减少模具的设计和制造成本。
另外,标准件的易更换和维护也大大提高了模具的使用效率和寿命。
再次,模具的标准件在模具设计和制造中的重要性不言而喻。
它们直接影响着模具的精度、稳定性和寿命。
因此,在模具设计过程中,需要根据具体的模具类型和使用要求来选择合适的标准件。
同时,在模具制造过程中,需要严格控制标准件的质量,确保其符合设计要求。
最后,模具的标准件在模具行业中有着广泛的应用。
无论是塑料模具、压铸模具还是冲压模具,都离不开标准件的应用。
随着制造业的不断发展,对模具的要求也越来越高,标准件作为模具中不可或缺的一部分,将会在未来发挥更加重要的作用。
综上所述,模具的标准件是模具中不可或缺的重要组成部分,它们在模具设计和制造中起着至关重要的作用。
标准件的选择和质量直接影响着模具的性能和使用效果。
因此,在模具的设计和制造过程中,需要充分重视模具的标准件,确保其符合设计要求,以提高模具的精度、稳定性和寿命。
模具的标准件模具是制造工业中常用的一种工具,它可以用来制造各种形状的零件或产品。
而模具的标准件则是模具中的重要组成部分,它们在模具设计和制造中起着至关重要的作用。
本文将就模具的标准件进行详细介绍,以便读者更好地了解和应用模具标准件。
首先,模具的标准件包括哪些内容呢?通常来说,模具的标准件主要包括模具底板、导柱、导套、模板、顶针、顶针座、顶针杆、顶出器、顶出器座、定位环、定位柱等。
这些标准件在模具的设计和制造过程中起着至关重要的作用,它们的质量和精度直接影响着模具的使用效果和产品的质量。
其次,模具的标准件有哪些特点呢?首先,模具的标准件通常具有通用性和标准化的特点,它们可以在不同的模具中通用,从而降低了模具的设计和制造成本。
其次,模具的标准件通常具有高精度和高可靠性,它们需要经过严格的加工和检测,以确保其精度和可靠性。
再次,模具的标准件通常具有一定的耐磨性和耐腐蚀性,它们需要能够在长期的使用中保持稳定的性能和精度。
然后,模具的标准件在模具设计和制造中起着怎样的作用呢?首先,模具的标准件可以作为模具的基础部件,它们可以为模具的其他部件提供支撑和定位。
其次,模具的标准件可以作为模具的动作部件,它们可以通过相互配合和运动来完成模具的开合、顶出和定位等动作。
再次,模具的标准件可以作为模具的定位和导向部件,它们可以确保模具在使用过程中保持稳定的位置和方向。
最后,模具的标准件在模具制造中应该如何选择和应用呢?首先,选择适合自己模具的标准件,需要根据模具的具体要求和工作环境来进行选择。
其次,在应用模具的标准件时,需要严格按照标准件的使用说明和要求来进行安装和调试,以确保其正常的使用效果。
再次,需要定期对模具的标准件进行检查和维护,及时发现和解决问题,以确保模具的正常使用和产品的质量。
综上所述,模具的标准件是模具中的重要组成部分,它们在模具的设计和制造中起着至关重要的作用。
选择适合自己模具的标准件,并严格按照要求进行使用和维护,将有助于提高模具的使用效果和产品的质量。
模具标准配件模具是工业生产中常用的一种加工工具,它的制造和使用涉及到许多方面的知识和技术。
在模具的制造过程中,模具标准配件起着至关重要的作用。
模具标准配件是指在模具制造和使用中,用于连接、固定、定位等作用的标准化零部件。
它们的质量和性能直接影响着模具的精度、稳定性和寿命。
因此,选择和使用合适的模具标准配件对于提高模具质量和生产效率具有重要意义。
首先,模具标准配件包括哪些内容呢?常见的模具标准配件主要包括模具导柱、导套、弹簧、螺钉、螺母、垫圈、销钉等。
它们在模具中起着固定、定位、支撑、传动等重要作用。
而这些标准配件的质量和性能对于模具的加工精度、使用寿命和稳定性有着直接的影响。
其次,模具标准配件的选择需要注意哪些方面呢?首先,要根据模具的具体结构和工作条件来选择合适的标准配件。
不同类型的模具需要使用不同规格和材质的配件,以确保其在工作过程中能够承受相应的载荷和磨损。
其次,要注意配件的质量和加工精度。
优质的配件不仅能够提高模具的加工精度,还能够延长模具的使用寿命,减少维护成本。
最后,要选择信誉良好的供应商,以确保配件的质量和交货周期。
再次,模具标准配件的使用需要注意哪些问题呢?首先,要严格按照配件的使用说明来安装和使用。
不同的配件有着不同的使用要求,如果使用不当会导致模具的损坏甚至事故。
其次,要做好配件的维护保养工作。
定期对配件进行检查和保养,及时发现和处理问题,可以有效延长配件和模具的使用寿命。
最后,要做好配件的管理和追溯工作。
建立配件的台账和追溯体系,对配件的使用情况和使用寿命进行记录和分析,可以为模具的维护和改进提供重要依据。
总之,模具标准配件在模具制造和使用中起着至关重要的作用。
正确选择和使用合适的配件,对于提高模具的质量和生产效率具有重要意义。
因此,我们在模具制造和使用过程中要充分重视模具标准配件的选择、使用和管理,以确保模具能够稳定、高效地工作,为工业生产提供可靠的保障。
非标准件有哪些在工程设计和制造中,我们常常会涉及到各种各样的零部件和配件。
一般来说,这些零部件和配件可以分为标准件和非标准件两大类。
标准件是指符合国家或行业标准规范的零部件,而非标准件则是指那些不符合标准规范的特殊零部件。
那么,非标准件都有哪些呢?接下来,我们将对非标准件进行详细的介绍。
首先,非标准件包括了各种各样的特殊零部件,例如特殊形状的螺栓、特殊规格的轴承、特殊材质的垫圈等。
这些非标准件通常是根据特定的设计要求和使用环境而定制的,无法直接使用标准件来替代。
因此,在工程设计和制造中,非标准件往往扮演着非常重要的角色。
其次,非标准件还包括了各种特殊用途的零部件,例如特殊形状的密封件、特殊规格的导轨、特殊材质的连接件等。
这些非标准件通常是为了满足特定的功能需求而设计和制造的,无法用标准件来替代。
在一些特殊的工程项目中,这些非标准件往往是必不可少的。
此外,非标准件还包括了各种特殊材质的零部件,例如特殊耐高温材质的密封件、特殊耐腐蚀材质的管件、特殊耐磨材质的轴承等。
这些非标准件通常是为了满足特定的工作环境和工作条件而设计和制造的,无法用普通材质的标准件来替代。
在一些特殊的工程领域中,这些非标准件也是至关重要的。
最后,非标准件还包括了各种特殊加工工艺的零部件,例如特殊表面处理的螺丝、特殊精密加工的轴承、特殊定制的弹簧等。
这些非标准件通常是为了满足特定的装配要求和使用需求而设计和制造的,无法用普通加工工艺的标准件来替代。
在一些特殊的机械设备和精密仪器中,这些非标准件也是不可或缺的。
综上所述,非标准件涵盖了各种各样的特殊零部件,包括特殊形状、特殊规格、特殊材质和特殊加工工艺等方面。
它们在工程设计和制造中具有非常重要的地位和作用,无论是满足特定的设计要求,还是满足特定的使用需求,都发挥着不可替代的作用。
因此,在实际工程项目中,我们需要充分重视非标准件的选择和应用,以确保整个工程项目的顺利进行和良好运行。
模具标准件包括哪些模具是制造工业中常用的生产工具,它可以用来制造各种形状的工件。
在模具制造过程中,模具标准件起着至关重要的作用。
那么,模具标准件到底包括哪些呢?接下来,我们将详细介绍一下。
首先,模具标准件包括模具基础件。
模具基础件是模具的主要组成部分,包括模具底板、模具柱、模具座等。
这些基础件构成了模具的主体结构,支撑着模具的整体形状和功能。
其次,模具标准件还包括导向部件。
导向部件是模具中起着定位和导向作用的零部件,包括导柱、导套、导向销等。
这些部件能够确保模具在工作过程中的精准定位和导向,保证了模具的加工精度和稳定性。
另外,模具标准件还包括固定部件。
固定部件是用来固定模具各个部分的零部件,包括模具夹具、模具夹紧螺栓等。
这些部件能够确保模具在工作过程中不会出现松动或者位移,保证了模具的稳定性和安全性。
此外,模具标准件还包括传动部件。
传动部件是模具中用来传递动力和运动的零部件,包括模具滑块、模具顶出机构等。
这些部件能够确保模具在工作过程中能够顺利进行各种运动和动作,保证了模具的高效生产和加工。
最后,模具标准件还包括附件和配件。
附件和配件是模具中用来辅助和增强功能的零部件,包括模具冷却系统、模具喷嘴、模具排气装置等。
这些部件能够确保模具在工作过程中能够满足不同的加工需求,提高了模具的生产效率和加工质量。
总的来说,模具标准件包括模具基础件、导向部件、固定部件、传动部件以及附件和配件。
这些标准件构成了模具的各个重要部分,保证了模具在工作过程中能够稳定、高效地进行加工生产。
对于模具制造行业来说,熟练掌握模具标准件的选择和使用是非常重要的,只有这样才能够保证模具的质量和性能,满足不同行业的加工需求。
模具标准配件模具标准配件是模具制造中不可或缺的重要组成部分,它们在模具设计和制造过程中起着至关重要的作用。
模具标准配件包括模具基础部件、模具定位元件、模具导向元件、模具固定元件、模具传动元件等,它们的质量和精度直接影响着模具的加工精度和使用寿命。
首先,模具基础部件是模具的基础支撑,承担着整个模具的重量和工作压力。
它们通常由优质的合金钢材料制成,具有高强度和耐磨损的特点。
模具基础部件的加工精度和表面质量对模具的整体性能有着重要影响,因此在选择和加工过程中需要特别注意。
其次,模具定位元件和模具导向元件是模具装配中的重要组成部分,它们能够确保模具在装配和使用过程中的精准定位和导向。
这些配件通常需要具备高精度、高强度和耐磨损的特点,以确保模具在长时间使用过程中不会出现偏位或卡滞现象。
再次,模具固定元件和模具传动元件是模具中的关键部件,它们承担着模具在工作过程中的固定和传动功能。
这些配件通常需要具备高强度、高耐磨、高稳定性和高传动效率的特点,以确保模具在高强度工作状态下不会出现松动或传动失效的情况。
总的来说,模具标准配件在模具制造中起着举足轻重的作用,它们的质量和精度直接关系着模具的加工精度和使用寿命。
因此,在选择和使用模具标准配件时,需要特别注意其材料、加工工艺和质量控制,以确保模具的整体性能和稳定性。
同时,模具制造企业也需要加强对模具标准配件的研发和创新,以满足不同行业和不同客户的需求,推动模具产业的发展和进步。
在模具制造行业,模具标准配件的质量和精度一直是制约模具产业发展的重要因素之一。
只有不断加强对模具标准配件的研发和创新,才能推动模具产业的发展和进步。
希望模具制造企业能够重视模具标准配件的质量和精度,加强对其的研发和创新,为模具产业的发展做出更大的贡献。
模具标准件概述模具标准件是指在模具制造中经常使用的、具有通用性的标准零部件。
它们是模具制造的基础,能够提高模具制造的标准化程度,从而降低模具制造成本,并提高模具制造的效率和质量。
本文将介绍模具标准件的定义、分类、主要特点以及在模具制造中的重要作用。
定义模具标准件是一类具有统一规格、通用性强的零部件,广泛应用于模具制造中各种类型的模具。
它们具有标准化尺寸、统一的形状和工艺要求,可以直接用于模具的制造和装配,提高了模具的标准化程度。
模具标准件通常由专门的制造商生产,以供模具制造厂家使用。
常见的模具标准件包括导柱、导套、压簧、顶针等。
分类根据其在模具中的作用和用途,模具标准件可以分为以下几类:1.导向类标准件:主要包括导柱、导套等。
导向类标准件用于引导和定位模具零件,确保模具在工作过程中的准确性和稳定性。
2.弹性类标准件:主要包括压簧、顶针等。
弹性类标准件可以提供模具零件之间的弹性支撑和补偿,以适应不同的工作条件和要求。
3.连接类标准件:主要包括螺杆、螺母等。
连接类标准件用于连接和固定模具的各个零部件,确保模具的结构牢固和稳定。
4.密封类标准件:主要包括密封圈、O型圈等。
密封类标准件用于防止模具中的液体或气体泄漏,确保模具的密封性能和工作效率。
5.冷却类标准件:主要包括冷却水管、冷却装置等。
冷却类标准件用于调节和控制模具的温度,提高模具的工作效率和寿命。
特点模具标准件具有以下主要特点:1.通用性强:模具标准件具有统一的规格和尺寸,可以与多种类型的模具进行配合使用,提高了模具的通用性和互换性。
2.标准化程度高:模具标准件的形状、工艺和质量要求都已经通过标准化的规范确定,可以直接用于模具的制造和装配,减少了加工和调试的时间和成本。
3.品质可靠:模具标准件由专门的制造商生产,具有较高的品质保证,能够满足模具制造的要求,提高了模具的可靠性和稳定性。
4.交货周期短:由于模具标准件的生产规模大、市场需求量大,供应商通常能够提供快速的交货周期,缩短了模具制造的时间。
模具配件之标准件与非标件工业生产上用以注塑、吹塑、挤出、压铸或锻压成型、冶炼、冲压等方法得到所需产品的各种模子和工具称之为模具,随着工业的发展,航空、五金、汽车、家电、医疗、生活用品等的制造生产都离不开模具。
模具配件指的是模具行业专有的用于冲压模具、塑胶模具或FA自动化设备上的金属配件的总称。
模具配件广泛应用于各类、塑料模具、冲压模具、汽车、电气和航空等制造领域。
按行业称呼大概分为两在类标准件与非标件:1、模具标准件国标,日本MISUMI/O标准、美国DME/O标准、西班牙CUMSA/O标准、德国HASCO/O标准、德国FIBRO标准等模具标准件通俗来说就是标准化,无需特制,大众化。
标准件又可以细为塑料模具配件与五金冲模具配件以及自动化机械配件。
塑料模具配件大概有:单节射梢、双节射梢、双节射梢、扁梢、扁梢、定位柱、塑胶模导套、直套、中柱套、塑胶模导套、直套、中托套、定位柱、方型辅助器、立体定位块组导位辅助器、A、B、C型灌嘴、固定圈A、B型、标准型机械式开关器、方型辅助器、小水口标准特殊注口衬套、大水口标准特殊注口衬套、模具日期指示装置、树脂开关器、止水栓、塑胶模具用成品梢、笔心、笔管、小拉杆C型、斜撑梢、拉料梢、塑胶模导柱、拉杆、回针、弹簧、顶针、司筒、垃圾钉等。
自动化机械配件大概有:导向轴支座、固定环、直线轴承、滚珠导向轴、无油衬套、单轴机器人·驱动器、直线导轨、线性滑轨·电缆保护链、滚珠丝杠·支座组件、梯形丝杠·滑动丝杠、、转轴、轴承座·轴承、悬臂销·铰链销·支点用台阶螺丝、、联轴器·马达、同步带轮·惰轮、同步齿形带、免键衬套、平皮带、圆皮带、滑轮、惰轮、滚轮·传送类零件、齿轮、链轮·链条、输送机、定位销·夹具用衬套、定位零件、滑台、镜头·LED照明器·检查立座、传感器·开关类、探针、支柱·支座·支柱固定夹、検査夹具·五金冲模具配件大概有:H型直身冲头、A型二级冲头、刃口成型冲头、K型抽芽冲头、B型引导冲头、A型子母冲头、凸模、凹模、衬套、高速钢圆棒、超微粒子钨钢圆棒、粉末高速钢圆棒、浮升销、浮料销、止付螺丝、定位销(固定销)、等高套筒、导柱、导套、精密级镀铬导柱、精密级铜钛合金导套、自润滑导套、内导柱组件、模座用滑动导柱组件、模座用滚珠导柱组件、可拆解滚珠导柱组件、外导柱组件、钢珠套(保持架)、独立导柱、六角螺丝、等高螺丝等。
模具标准配件模具是工业生产中常用的一种加工工具,它的质量直接关系到产品的成型质量和生产效率。
而模具的标准配件则是模具中不可或缺的一部分,它们的质量和精度也直接影响着整个模具的使用效果。
因此,选择和使用好模具标准配件对于提高模具的使用寿命、加工精度和生产效率具有重要意义。
首先,模具标准配件包括哪些内容呢?通常来说,模具标准配件主要包括模具导柱、模具导套、模具弹簧、模具螺母、模具定位销等。
这些配件在模具的使用过程中起着不可替代的作用,它们的质量和精度直接关系到模具的使用效果。
因此,在选择模具标准配件时,我们需要注重其质量和性能。
其次,模具标准配件的质量对于模具的使用效果有着直接的影响。
一个优质的模具标准配件,不仅需要具备良好的耐磨性和耐腐蚀性,还需要具备较高的精度和稳定性。
只有这样,才能保证模具在长时间的使用过程中依然保持良好的加工精度和稳定的使用性能。
因此,在选择模具标准配件时,我们需要选择那些具有良好品质和口碑的配件供应商,以保证模具的使用效果。
另外,模具标准配件的选择也需要考虑其适用性和通用性。
不同类型的模具需要使用不同的标准配件,因此在选择模具标准配件时,我们需要根据实际使用需求来选择适合的配件规格和型号。
同时,为了提高模具的通用性,我们也可以选择那些通用性较强的标准配件,以便在不同类型的模具中灵活使用。
最后,模具标准配件的维护和保养也是非常重要的。
良好的配件维护和保养可以延长配件的使用寿命,减少故障和损坏的发生,从而保证模具的正常使用。
因此,在日常使用过程中,我们需要定期对模具标准配件进行检查和保养,及时发现问题并进行处理,以保证配件的良好状态。
总之,模具标准配件作为模具的重要组成部分,对于模具的使用效果有着直接的影响。
选择和使用好模具标准配件,不仅可以提高模具的使用寿命和加工精度,还可以提高生产效率,降低生产成本。
因此,在模具的选择和使用过程中,我们需要重视模具标准配件的选择和使用,以保证模具的正常使用和生产效果。
标准件和非标准件首先,我们来谈谈标准件。
标准件是指符合国家标准或行业标准的零部件,其尺寸、形状、性能等均已经确定并规范化的零部件。
标准件的优势在于其规格统一、质量可靠、价格稳定,能够大批量生产,适用范围广泛。
在产品设计中,合理选用标准件能够节约设计时间,降低设计成本,提高产品的可靠性和稳定性。
在生产制造过程中,采用标准件能够简化加工工艺,提高生产效率,降低生产成本。
因此,合理选用标准件对于产品的设计和制造具有重要意义。
接下来,我们来谈谈非标准件。
非标准件是指不符合国家标准或行业标准的零部件,通常需要根据特定的产品要求进行设计和制造。
非标准件的优势在于其能够满足特定产品的需求,具有较高的灵活性和可定制性。
在产品设计中,非标准件能够满足产品的特殊要求,提高产品的性能和品质。
在生产制造过程中,采用非标准件能够满足特定产品的生产需求,提高产品的差异化竞争优势。
因此,合理选用非标准件对于满足特定产品需求具有重要意义。
在实际工程设计和制造中,标准件和非标准件通常是相互结合的。
在产品设计中,可以优先选用标准件,满足一般性能要求,同时对于特定要求的部分可以采用非标准件进行定制。
在生产制造过程中,可以充分利用标准件的优势,简化工艺,提高效率,同时对于特殊要求的部分可以采用非标准件进行定制生产。
这样既能够保证产品的质量和性能,又能够降低成本,提高效率。
总之,标准件和非标准件在工程设计和制造中都具有重要意义,它们各自有着不同的优势和适用范围。
在实际应用中,合理选用标准件和非标准件,充分发挥它们的优势,对于提高产品质量、降低成本、提高效率都具有重要意义。
希望大家在工程设计和制造中能够充分认识标准件和非标准件的重要性,合理选用,以推动产品质量和生产效率的提升。
模具配件之标准件与非标件
工业生产上用以注塑、吹塑、挤出、压铸或锻压成型、冶炼、冲压等方法得到所需产品的各种模子和工具称之为模具,随着工业的发展,航空、五金、汽车、家电、医疗、生活用品等的制造生产都离不开模具。
模具配件指的是模具行业专有的用于冲压模具、塑胶模具或FA自动化设备上的金属配件的总称。
模具配件广泛应用于各类、塑料模具、冲压模具、汽车、电气和航空等制造领域。
按行业称呼大概分为两在类标准件与非标件:
1、模具标准件
国标,日本MISUMI/O标准、美国DME/O标准、西班牙CUMSA/O标准、德国HASCO/O标准、德国FIBRO标准等
模具标准件通俗来说就是标准化,无需特制,大众化。
标准件又可以细为塑料模具配件与五金冲模具配件以及自动化机械配件。
塑料模具配件大概有:单节射梢、双节射梢、双节射梢、扁梢、扁梢、定位柱、塑胶模导套、直套、中柱套、塑胶模导套、直套、中托套、定位柱、方型辅助器、立体定位块组导位辅助器、A、B、C型灌嘴、固定圈A、B型、标准型机械式开关器、方型辅助器、小水口标准特殊注口衬套、大水口标准特殊注口衬套、模具日期指示装置、树脂开关器、止水栓、塑胶模具用成品梢、笔心、笔管、小拉杆C型、斜撑梢、拉料梢、塑胶模导柱、拉杆、回针、弹簧、顶针、司筒、垃圾钉等。
自动化机械配件大概有:导向轴支座、固定环、直线轴承、滚珠导向轴、无油衬套、单轴机器人·驱动器、直线导轨、线性滑轨·电缆保护链、滚珠丝杠·支座组件、梯形丝杠·滑动丝杠、、转轴、轴承座·轴承、悬臂销·铰链销·支点用台阶螺丝、、联轴器·马达、同步带轮·惰轮、同步齿形带、免键衬套、平皮带、圆皮带、滑轮、惰轮、滚轮·传送类零件、齿轮、链轮·链条、输送机、定位销·夹具用衬套、定位零件、滑台、镜头·LED照明器·检查立座、传感器·开关类、探针、支柱·支座·支柱固定夹、検査夹具·
五金冲模具配件大概有:H型直身冲头、A型二级冲头、刃口成型冲头、K型抽芽冲头、B型引导冲头、A型子母冲头、凸模、凹模、衬套、高速钢圆棒、超微粒子钨钢圆棒、粉末高速钢圆棒、浮升销、浮料销、止付螺丝、定位销(固定销)、等高套筒、导柱、导套、精密级镀铬导柱、精密级铜钛合金导套、自润滑导套、内导柱组件、模座用滑动导柱组件、模座用滚珠导柱组件、可拆解滚珠导柱组件、外导柱组件、钢珠套(保持架)、独立导柱、六角螺丝、等高螺丝等。
2、模具非标件
模具非标件一般是指规格、形状不同,相对于标准模具有特殊构造的模具称非标件。
一般来说模具非标件是供应商根据客户提供的图纸、需求来进行加工;而模具配件以其精度要求高、质量要求高等屹立于五金配件之首,所有模具配件对其工业及技术设备要求非常高,非标精密模具精密度高达0.001MM公差。
湖北晟起模具厂大力引进先进国内外精密加工设备极大的提高产品质量及技术售后保障。