旭祥建安压力管道安装施工质量体系记录表格
- 格式:doc
- 大小:1.06 MB
- 文档页数:60
压力管道安装安全质量监督检验原始记录压力管道是指在工业生产中为了输送气体、液体等介质而使用的管道,其安装的安全质量监督检验是确保压力管道在使用过程中不发生事故、保障生产安全的重要环节。
下面是一份压力管道安装安全质量监督检验的原始记录,共计1200字。
日期:2024年1月1日一、压力管道基本信息1.压力管道类型:蒸汽管道2.管道材质:碳钢3.管道内径:8寸4.管道长度:1000米二、安装过程检查1.是否按照设计方案进行安装:是2.管道支架安装是否符合要求:是3.管道弯头、三通等连接件是否安装正确:是4.管道焊接质量是否达到要求:是5.是否正确安装管道阀门和调节装置:是6.管道表面是否进行了防腐处理:是三、施工人员操作记录1.当前施工人员:陈工、张工、李工2.施工期间是否按照相关安全规范操作:是3.施工现场是否有安全事故:否4.施工人员是否佩戴个人防护装备:是四、质量检测记录1.无损检测结果:未见有明显缺陷2.断面检测结果:管道断面厚度符合要求3.焊缝检测结果:焊缝质量良好,未见裂纹等缺陷五、验收记录1.压力测试结果:测试压力为10MPa,保压时间30分钟,无压力下降2.管道运行试验:管道运行正常,无渗漏、无异常振动六、安全隐患整改记录1.对发现的管道支架不牢固问题进行了整改,并进行了复查;2.对表面防腐处理不到位的部分进行了补漆处理;3.检查并整改了部分阀门和调节装置安装不规范的问题。
七、监督检验结论根据上述检查和检测结果,本次压力管道安装质量监督检验合格。
管道安装过程符合相关规范要求,质量达到设计要求,并经过专业检测验证。
建议在正式投入使用前进行再次检查,并做好管道维护与保养的工作。
八、监督检验人员签名监督检验人员:王工日期:2024年1月1日以上是压力管道安装安全质量监督检验的原始记录,记录了压力管道的基本信息、安装过程检查、施工人员操作记录、质量检测记录、验收记录、安全隐患整改记录以及监督检验结论。
压力管道安装资料表格**************压力管道安装资料表格目录1、交工资料目录21、复印件(或抄件)贴条22、阀门(清洗)试验记录23、高压管件检验录24、高压弯管加记录25、高压管螺纹加记录26、管道安装记录27、弹簧管架安装记录28、管架安装记录29、管段冷紧记录30、流量检测元件安装记录31、管道热伸长记录32、管道隐蔽工程验收记录33、水、气压试验记录34、管道设备冲洗记录35、采暖系统调试记录36、安全阀调整记录37、伸缩制作安装记录55、施工检查记录56、探伤委托单57、射线探伤报告58、超声波探伤报告(一)(二)59、磁粉探伤报告60、渗透检测报告61、焊缝代(割)样综合检验报告62、X射线拍片原始记录单63、拉伸试验报告64、弯曲试验报告65、断口试验报告66、金相()观检查报告67、冲击试验报告68、焊口硬度测试报告69、光谱分析报告70、着色探伤报告71、焊接工艺卡(一)图纸会审记录山东省建设工程质量监督总站监制图纸会审、设计变更、洽商记录汇总表注:图纸会审、设计变更、洽商记录附后。
项目专业技术负责人:山东省建设工程质量监督总站监制设计变更(洽商)记录山东省建设工程质量监督总站监制TSZS003-2003 特种设备安装改造维修告知书建设单位:鲁山东省建设工程质量监督总站监制工作联系单施管—07发送日期:年月日竣工通知书施管—11工程回访单注:定位、测量放线记录附后。
项目(专业)技术负责人:山东省建设工程质量监督总站监制定位放线验收记录(复印件或抄件粘贴处)山东省建设工程质量监督总站监制复印件(或抄件)贴条山东省建设工程质量监督总站监制高压管件检验记录高压弯管加工记录管道安装记录班组长:检验员:项目质量保证师:弹簧管架安装记录山东省建设工程质量监督总站监制采暖系统调试记录安全阀调整试验记录山东省建设工程质量监督总站监制工序交接记录山东省建设工程质量监督总站监制设备基础复检记录山东省建设工程质量监督总站监制隐蔽工程检查记录山东省建设工程质量监督总站监制分部(子分部)工程观感检查记录山东省建设工程质量监督总站监制分部工程质量验收表山东省建设工程质量监督总站监制室外供热管道及配件安装工程检验批质量验收记录表山东省建设工程质量监督总站监工艺管道安装工程检验批质量验收记录表山东省建设工程质量监督总站监制探伤委托书射线探伤报告检验:审核:磁粉探伤报告无损检测员:日期:审核:日期:渗透检测报告报告编号:。
表WJ—1文件登记表表WJ—2文件发放登记表表WJ-3借阅文件登记表表JL—1记录控制清单编制:日期: 批准:日期:表JL—2记录归档移交表备注:1、本记录适用于年终或工作项目阶段完成后的相关工作文件、记录的移交和归档过程.2、本记录由项目移交人填写,在文件记录接受部门保存。
表GP—1管理评审记录表编号: NO:表GP-2管理评审报告编号: NO:表GP-3整改措施报告编号:表RL—1培训需求计划表RL-2员工技能培训记录表注:本表必须据实由本人签名,不许代签。
表RL-3特种员工作业技能考核评定表表JC-1基础设施目录表JC—2主要设备明细表主要工器具明细表设备维修通知单使用部门: 年月日编制: 审核:批准:设备维修通知单使用部门:年月日编制:审核: 批准:合同评审会签表合同更改通知单采购产品验证报告表CG-2合格供方考核表供应商:评分时间:自年月日至年月日项目考核内容考核部门配分评分标准得分考核部门签章交货能力1、交货准时采购部15(1-出现问题次数)×30 2、数量突然增加时,能按生产计划表协调进度15总交货批数品管能力1、过程无异常审核部30每出现一次(以纠正/预防措施联络单为准)扣1分2、批次合格率99%3、交货产品无混装10 每低1%扣1分4、数量不短缺10 出现1次扣1分服务能力1、三天之内回复,〈纠正/预防措施联络单〉10 出现1次扣1分2、纠正与预防措施位,质量问题不重复出现.10 每延误一次扣5分合计采购部100备注核定评分表GC-1施工过程控制计划表工程名称:日期:表GC—2施工过程检查记录工程名称:工程编码: 日期:表GC—3工程质量检查表本表一式三份,填写后参加单位各一份。
表GC—4工程交接记录表表GC—5服务报告表NS-1内部审核检查表受审核项目:条款号:日期:ﻩ内部审核员: 第页共页表NS—2不合格报告注:在所选择项前 中打“√”。
表NS—3质量审核通知单记录编码:表CL-1焊材领用卡工程名称: 施工员/工长: 日期:注:本卡一式两份,一份存于发放员,一份存于施焊焊工。
质量控制记录表格样本XXJA/JLBG-2013-B(0)2013年09月15日发布 2013年09月25日实施市旭祥建筑安装工程受控文件清单word资料文件审批、复制、发放登记表保存部门:保存期限:三年文件收文登记表申请鉴别销毁档案明细表文件修改(通知)单文件回收/销毁登记表文件借阅登记表质量记录控制清单质量记录借阅登记表图样、技术文件发放记录选题记录销毁登记表编号:凌源宏钢集团有限责任公司(需方)现由((供方)购置产品,规格详见计划表,材质 ,数量见计划表,技术标准合格、质量等级合格。
供方在需方规定的时间年月日,将产品送至需方要求地址,并提供相应的质量证明文件。
需方对产品进行抽检。
当发生质量争议和违约时,由双方协商解决。
需方:年月日供方:年月日合格供方供方能力评价审核表材料验收入库通知单编号: XXGC/ZK-053-J5不合格品评审、处置登记表设备台帐设备维修计划设备维修记录表设备运行维护保养记录XXGC/ZK-054-J4设备购置、维修、报废申请单设备转移登记表设备验收单设备大、中修计划word资料计量器具管理台帐word资料周期检定计划表不合格品评审、处置登记台帐编号: XXGC/ZK-056-J1 评价部门:编号: XXGC/ZK-056-J2培训申请单年度培训计划培训记录培训有效性评价表培训签到表基层操作人员能力评价标准及评价表外雇临时工考核评价表工程项目投标评审表施工合同评审表合同修订变更评审表合同台帐管理评审计划XXGC/ZK-058-J1管理评审会议记录编号: XXGC/ZK-058-J2管理评审会议签到表编号: XXGC/ZK-058-J3XXGC/ZK-058-J4(1/2)管理评审报告。
质量控制记录表格样本XXJA/JLBG-2013-B(0)2013年09月15日发布2013年09月25日实施唐山市旭祥建筑安装工程有限公司受控文件清单2 / 59文件审批、复制、发放登记表保存部门:保存期限:三年文件收文登记表申请鉴别销毁档案明细表文件修改(通知)单文件回收/销毁登记表文件借阅登记表质量记录控制清单质量记录借阅登记表图样、技术文件发放记录选题记录销毁登记表编号:凌源宏钢集团有限责任公司(需方)现由((供方)购置产品,规格详见计划表,材质 ,数量见计划表,技术标准合格、质量等级合格。
供方在需方规定的时间年月日内,将产品送至需方要求地址,并提供相应的质量证明文件。
需方对产品进行抽检。
当发生质量争议和违约时,由双方协商解决。
需方:年月日供方:年月日合格供方名单供方能力评价审核表材料验收入库通知单编号: XXGC/ZK-053-J5不合格品评审、处置登记表设备台帐设备维修计划设备维修记录表设备运行维护保养记录XXGC/ZK-054-J4设备购置、维修、报废申请单设备转移登记表设备验收单设备大、中修计划27 / 59计量器具管理台帐28 / 59周期检定计划表不合格品评审、处置登记台帐编号: XXGC/ZK-056-J1 评价部门:编号: XXGC/ZK-056-J2培训申请单年度培训计划培训记录培训有效性评价表培训签到表基层操作人员能力评价标准及评价表外雇临时工考核评价表工程项目投标评审表施工合同评审表合同修订变更评审表合同台帐管理评审计划管理评审会议记录管理评审会议签到表管理评审报告。
XXX公司压力管道安装质量记录表式第1版文件编号:GA/JL -2013发放编号:受控状态:2013年4月18日发布 2013年4月30日实施目录1、 GA/JL0101-2013 《管理评审计划表》2、 GA/JL0102-2013 《管理评审记录表》3、 GA/JL0103-2013 《管理评审报告》4、 GA/JL0104-2013 《管理评审结果跟踪记录》5、 GA/JL0301-2013 《文件发放、回收记录》6、 GA/JL0302-2013 《文件更改许可单》7、 GA/JL0303-2013 《新标准贯彻实施通知单》8、 GA/JL0304-2013 《文件消毁清单》9、 GA/JL0401-2013 《合同评审表》10、GA/JL0501-2013 《图样资料审查记录》11、GA/JL0502-2013 《设计变更申请表》12、GA/JL0601-2013 《材料、零部件分供方考核表》13、GA/JL0602-2013 《材料检验入库单》14、GA/JL0603-2013 《零部件检验入库单》15、GA/JL0604-2013 《材料、零部件检验台帐》16、GA/JL0605-2013 《光谱分析报告》17、GA/JL0606-2013 《材料代用申请表》18、GA/JL0607-2013 《材料采购计划》19、GA/JL0701-2013 《技术交底记录》20、GA/JL0702-2013 《工艺纪律检查记录》21、GA/JL0801-2013 《特种设备焊接操作人员焊绩记录表》22、GA/JL0802-2013 《焊材一级库温、湿度记录》23、GA/JL0803-2013 《焊条烘干记录》24、GA/JL0804-2013 《焊材发放、回收记录》25、GA/JL0805-2013 《焊接工艺卡》26、GA/JL0806-2013 《工程施焊记录》27、GA/JL0807-2013 《焊接接头外观检验记录》28、GA/JL0808-2013 《预焊接工艺规程》29、GA/JL0809-2013 《焊接工艺评定报告》30、GA/JL0808-2013 《无损检测委托单》31、GA/JL0809-2013 《焊接一览表》32、GA/JL0810-2013 《焊缝返修通知单》33、GA/JL0901-2013 《热处理工艺卡》34、GA/JL0902-2013 《热处理委托单》35、GA/JL0903-2013 《热处理报告》36、GA/JL0904-2013 《硬度测试报告》37、GA/JL1001-2013 《无损检测合格通知单》38、GA/JL1002-2013 《焊缝射线检测报告》39、GA/JL1003-2013 《焊缝超声检测报告》40、GA/JL1004-2013 《磁粉检测报告》41、GA/JL1005-2013 《渗透检测报告》42、GA/JL1006-2013 《焊缝射线检测记录》43、GA/JL1007-2013 《焊缝超声检测记录》44、GA/JL1008-2013 《磁粉检测记录》45、GA/JL1009-2013 《渗透检测报告》46、GA/JL1010-2013 《焊接射线检测底片评定表》47、GA/JL1101-2013 《理化检验委托单》48、GA/JL1102-2013 《理化检验记录》49、GA/JL1103-2013 《试件(材料)力学和弯曲性能检验报告》50、GA/JL1104-2013 《金相检验报告》51、GA/JL1105-2013 《化学成分分析报告》52、GA/JL1201-2013 《弯管加工记录》53、GA/JL1202-2013 《阀门试验记录》54、GA/JL1203-2013 《管道支吊架制作安装检查记录》55、GA/JL1204-2013 《管道安装检查记录》56、GA/JL1205-2013 《管道补偿装置安装记录》57、GA/JL1206-2013 《安全阀调试记录》58、GA/JL1207-2013 《避雷、静电接地装置安装测试记录》59、GA/JL1208-2013 《管道压力试验报告》60、GA/JL1209-2013 《管道气密性试验报告》61、GA/JL1210-2013 《隐蔽工程(封闭)记录》62、GA/JL1211-2013 《压力管道工程材料汇总表》63、GA/JL1212-2013 《仪表系统试验记录》64、GA/JL1213-2013 《管道系统吹扫及清洗记录》65、GA/JL1214-2013 《油漆、防腐记录》66、GA/JL1215-2013 《管道保温记录》67、GA/JL1216-2013 《竣工报告》68、GA/JL1217-2013 《工程签证》69、GA/JL1218-2013 《工程交接检验书》70、GA/JL1219-2013 《隐蔽工程验收报告》71、GA/JL1301-2013 《设备申购单》72、GA/JL1302-2013 《设备验收记录》73、GA/JL1303-2013 《设备台帐》74、GA/JL1304-2013 《设备检修记录》75、GA/JL1305-2013 《设备检定报告》76、GA/JL1306-2013 《设备事故报告单》77、GA/JL1307-2013 《设备、计量器具报废申请单》78、GA/JL1308-2013 《计量器具台帐》79、GA/JL1309-2013 《周期检定日程表》80. GA/JL1310-2013 《工装台帐》81、GA/JL1401-2013 《不合格品(项)处置报告》82、GA/JL1402-2013 《纠正预防措施活动表》83、GA/JL1501-2013 《质量信息台帐》84、GA/JL1502-2013 《内部审核计划表》85、GA/JL1503-2013 《内部审核首次会议活动表》86、GA/JL1504-2013 《内部审核记录表》87、GA/JL1505-2013 《内部审核报告》88、GA/JL1506-2013《内部审核末次会议活动表》89、GA/JL1601-2013 《人员培训签到表》90、GA/JL1602-2013 《人员培训考核表》管理评审计划表管理评审记录表管理评审报告GA/JL0104-2013文件更改许可单新标准贯彻实施通知单合同评审表材料、零部件分供方考核表光谱分析报告材料代用申请单图样资料审查记录设计变更申请表技术交底记录工艺纪律检查记录表焊材一级库温、湿度记录焊材发放、回收记录焊接工艺卡工程施焊记录焊接接头外观检验记录焊接检验员:检验日期:年月日无损检测委托单GA/JL0808-2013注:一式二联,一联委托人留底,二联送无损检测部门(或单位)。
10 竣工验收10.1 当施工单位按合同规定的范围完成全部:工程项目后,应及时向用户(或其指定的工程监理部门)办理交接验收手续。
10.2 单位工程或分部工程进行交接验收时,应由施工工地的技术负责人和用关的专业技术人员会同用户代表,对交验的管道实施现场检查并确认下列内容:10.2.1 工程的范围和包括的内容符合合同规定。
10.2.2 竣工工程符合设计文件、图纸的最终(最新)版的要求及设计部门、用户提出的书面修改文件。
10.2.3 管道系统按照设计文件指定的或现行的国家标准、行业标准进行施工和检验,质量符合要求。
10.3 施工单位应向用户提供下列文件(或相当):10.3.1 当地质量技术监督部门批准本项施工工程的审批表。
10.3.2 管道组成件、支承件的合格证、质量证明书或复验补验报告。
10.3.3 设计修改文件及材料代用报告。
10.3.4 对于100%射线检验的管线,要有准确表明焊缝位置、焊缝编号、焊工代号、无损检测方法,焊缝补焊位置、热处理位置的单线圈。
10.3.5竣工图10.3.6 施工记录和试验报告:10.3.6.1 阀门试验记录。
10.3.6.2 安全阀最终调试记录。
10.3.6.3 隐蔽工程(封闭)记录。
10.3.6.4 管道补偿装置安装记录。
10.3.6.5 焊接记录。
10.3.6.6 热处理报告。
10.3.6.7 管道系统压力试验记录。
10.3.6.8 管道系统吹扫及清洗记录。
10.3.6.9 射线照相检验报告。
10.3.6.10 超声检测报告。
10.3.6.11 磁粉检测报告。
10.3.6.12 渗透检测报告。
Q/GYT-C06-2002 第0次修改10.3.6.13 竣工测量资料。
10.3.6.14 其它检验报告。
焊接工艺作业指导书广东省源天工程公司焊接工艺评定报告广东省源天工程公司注:详图中应指明坡口尺寸、焊接层次和焊接顺序。
焊接工艺卡广东省源天工程公司QT/GYT-02.01-2002 第0次修改YLGD-03焊材库温、湿度记录广东省源天工程公司广东省源天工程公司广东省源天工程公司管道补偿器安装记录广东省源天工程公司固定管架及弹簧支、吊架调整记录广东省源天工程公司管道接地测试记录广东省源天工程公司安全附件安装记录广东省源天工程公司压力表、温度计检查记录广东省源天工程公司管道系统吹扫清洗记录广东省源天工程公司阀门试验记录广东省源天工程公司安全阀最终调试记录广东省源天工程公司管道系统压力试验记录广东省源天工程公司管道气密性试验记录广东省源天工程公司管道防腐工程施工记录广东省源天工程公司。
压力管道安装记录表格压力管道安装资料表格**************压力管道安装资料表格目录1、交工资料目录2、图纸会审记录3、图纸会审、设计变更、洽商记录汇总表4、设计变更(洽商)记录5、施工组织设计(施工方案)内部审批表6、施工组织设计(施工方案)报审表7、技术安全交底记录8、告知书9、开工报告10、安装施工日志11、工作联系单12、竣工通知书13、工程竣工验收证书14、工程质量回访单15、工程定位放线记录汇总表16、定位放线记录17、建筑安装工程设备、成品、半成品材料合格汇总表18、设备(开箱)进场验收记录19、材料、成品、半成品验收记录20、合格证贴条21、复印件(或抄件)贴条22、阀门(清洗)试验记录23、高压管件检验录24、高压弯管加记录25、高压管螺纹加记录26、管道安装记录27、弹簧管架安装记录28、管架安装记录29、管段冷紧记录30、流量检测元件安装记录31、管道热伸长记录32、管道隐蔽工程验收记录33、水、气压试验记录34、管道设备冲洗记录35、采暖系统调试记录36、安全阀调整记录37、伸缩制作安装记录38、工序交接记录39、设备基础复检记录40、设备基础隐蔽工程验收记录41、设备单机试运转记录42、安全附件安装检查记录43、防腐施工记录44、绝热施工记录45、隐蔽工程检查记录46、施工现场管理检查记录47、单位(子单位)工程质量竣工验收记录48、分部(子分部)工程验收记录49、分部(子分部)工程安全和功能检查资料核查及主要功能抽查记录50、分部(子分部)工程观感检查记录51、分部工程质量验收记录52、室外供热管道及配件安装工程检验批质量验收记录表53、工艺管道安装工程检验批质量验收记录表54、换热站安装工程检验批质量验收记录表55、施工检查记录56、探伤委托单57、射线探伤报告58、超声波探伤报告(一)(二)59、磁粉探伤报告60、渗透检测报告61、焊缝代(割)样综合检验报告62、X射线拍片原始记录单63、拉伸试验报告64、弯曲试验报告65、断口试验报告66、金相()观检查报告67、冲击试验报告68、焊口硬度测试报告69、光谱分析报告70、着色探伤报告71、焊接工艺卡(一)72、焊接工艺卡(二)73、焊接记录74、焊缝检查外观质量记录75、焊材发放与回收记录76、焊缝热处理报告77、焊缝热处理报告78、焊条(剂)烘干与恒温存放记录79、焊口焊缝返修通知书80、焊接作业指导书81、焊工考试记录表(一)82、焊工考试记录表(二)83、压力管道安装备案申请表84、合同评审记录交工资料目录施管—01图纸会审记录鲁SN-001山东省建设工程质量监督总站监制图纸会审、设计变更、洽商记录汇总表注:图纸会审、设计变更、洽商记录附后。
压力管道安装资料表格**************压力管道安装资料表格目录1、交工资料目录2、图纸会审记录3、图纸会审、设计变更、洽商记录汇总表4、设计变更(洽商)记录5、施工组织设计(施工方案)内部审批表6、施工组织设计(施工方案)报审表7、技术安全交底记录8、告知书9、开工报告10、安装施工日志11、工作联系单12、竣工通知书13、工程竣工验收证书14、工程质量回访单15、工程定位放线记录汇总表16、定位放线记录17、建筑安装工程设备、成品、半成品材料合格汇总表18、设备(开箱)进场验收记录19、材料、成品、半成品验收记录20、合格证贴条21、复印件(或抄件)贴条22、阀门(清洗)试验记录23、高压管件检验录24、高压弯管加记录25、高压管螺纹加记录26、管道安装记录27、弹簧管架安装记录28、管架安装记录29、管段冷紧记录30、流量检测元件安装记录31、管道热伸长记录32、管道隐蔽工程验收记录33、水、气压试验记录34、管道设备冲洗记录35、采暖系统调试记录36、安全阀调整记录37、伸缩制作安装记录38、工序交接记录39、设备基础复检记录40、设备基础隐蔽工程验收记录41、设备单机试运转记录42、安全附件安装检查记录43、防腐施工记录44、绝热施工记录45、隐蔽工程检查记录46、施工现场管理检查记录47、单位(子单位)工程质量竣工验收记录48、分部(子分部)工程验收记录49、分部(子分部)工程安全和功能检查资料核查及主要功能抽查记录50、分部(子分部)工程观感检查记录51、分部工程质量验收记录52、室外供热管道及配件安装工程检验批质量验收记录表53、工艺管道安装工程检验批质量验收记录表54、换热站安装工程检验批质量验收记录表55、施工检查记录56、探伤委托单57、射线探伤报告58、超声波探伤报告(一)(二)59、磁粉探伤报告60、渗透检测报告61、焊缝代(割)样综合检验报告62、X射线拍片原始记录单63、拉伸试验报告64、弯曲试验报告65、断口试验报告66、金相()观检查报告67、冲击试验报告68、焊口硬度测试报告69、光谱分析报告70、着色探伤报告71、焊接工艺卡(一)72、焊接工艺卡(二)73、焊接记录74、焊缝检查外观质量记录75、焊材发放与回收记录76、焊缝热处理报告77、焊缝热处理报告78、焊条(剂)烘干与恒温存放记录79、焊口焊缝返修通知书80、焊接作业指导书81、焊工考试记录表(一)82、焊工考试记录表(二)83、压力管道安装备案申请表84、合同评审记录交工资料目录施管—图纸会审记录-00山东省建设工程质量监督总站监制图纸会审、设计变更、洽商记录汇总表鲁JJ-012注:图纸会审、设计变更、洽商记录附后。
阀门安装记录
压力管道安装质量计划编制说明:为确保压力管道安装工程在质量管理与环节控制上严格把关,防止过程失控和检验失漏,明确责任,落实检验责任,特编制制质量计划。
焊接表面质量检查报告
焊条烘干记录项目名称
PE管焊口切割检查记录
沟槽回填质量检验评定表
排水管道灌水(通水)试验记录
碳素钢及合金钢管道分项工程质量检验评定表
不锈钢管道安装分项工程质量检验评定表
PE管道分项工程质量检验评定表
焊接过程检查记录单
焊接人:焊工号:年月日
工艺管道安装检查记录表
管道补偿器安装检查记录表
管道设备焊接施工检查记录表
阀门试验检查记录表
安全阀减压阀调试检查记录表
管道压力(强度)试验记录表
管道静电接地测试检查记录表
高压管件加工检查记录表
高压钢管、管件检查记录表
管道脱脂吹洗检查记录表
管道油漆防腐施工检查记录表
PE 管道焊接施工检查记录表
设备管道保温(保冷)施工检查记录表
节流元件及流量差压仪表检查记录表
压力温度取源部件仪表安装检查记录表
焊接工艺卡。
阀门安装记录
压力管道安装质量计划编制说明:为确保压力管道安装工程在质量管理与环节控制上严格把关,防止过程失控和检验失漏,明确责任,落实检验责任,特编制制质量计划。
焊接表面质量检查报告
焊条烘干记录项目名称
PE管焊口切割检查记录
沟槽开挖工序质量检查记录表
沟槽回填工序质量检查记录表
沟槽回填质量检验评定表
排水管道灌水(通水)试验记录
碳素钢及合金钢管道分项工程质量检验评定表
不锈钢管道安装分项工程质量检验评定表
PE管道分项工程质量检验评定表
分项工程名称:建设单位:检查日期:
焊接过程检查记录单
焊接人:焊工号:年月日
工艺管道安装检查记录表
管道补偿器安装检查记录表
管道设备焊接施工检查记录表
阀门试验检查记录表
安全阀减压阀调试检查记录表
管道压力(强度)试验记录表
管道静电接地测试检查记录表
高压管件加工检查记录表
高压钢管、管件检查记录表
管道脱脂吹洗检查记录表
建设单位编号
管道油漆防腐施工检查记录表
PE 管道焊接施工检查记录表
设备管道保温(保冷)施工检查记录表
节流元件及流量差压仪表检查记录表
压力温度取源部件仪表安装检查记录表
焊接工艺卡。
XX安装有限公司压力管道质量保证体系记录表卡版次:3修改状态:2编制:黄xx高 xx审核:xxx批准:xxx发放号码:受控状态:发布日期:20xx年x月x日实施日期:20xx年x月x日第二部分安装表第二部分(压力管道)安装表卡交工文件目录编号GRG/AJL—01压力管道装组对记录编号GRG/AJL—02安全阀最初调试记录编号GRG/AJL—03阀门试验报告编号GRG/AJL—04安全阀调试记录编号GRG/AJL—05年月日安全阀调试记录编号GRG/AJL—05年月日放线定位验收记录编号GRG/AJL—06沟槽验收记录编号GRG/AJL—07回填土质量验收记录编号GRG/AJL—08施工负责人:质检员:施工员:建设(监理)单位代表:年月日管道补偿装置安装记录编号GRG/AJL—09高压管件加工记录编号GRG/AJL—010附件安装验收质量记录编号GRG/AJL—011阀门、法兰安装质量记录编号GRG/AJL—012优良:在合格基础上安装正确,符合设计要求,启闭灵活。
允许偏差项目每项抽检点数中应有不少于85%的实测值在本标准允许偏差范围内为管道绝缘防腐检查记录编号GRG/AJL—013管道安装记录编号GRG/AJL—014工艺管道单线图编号GRG/AJL—015牺牲阳极安装质量记录编号GRG/AJL—016管道静电接地测试记录编号GRG/AJL—017日期:年月日管道保温质量验收记录编号GRG/AJL—018管道弯管加工记录编号GRG/AJL—019热缩胶带补口施工检验记录编号GRG/AJL—020管道系统吹扫及清洗记录编号GRG/AJL—021管道系统压力试验记录编号GRG/AJL—022隐蔽工程(封闭)记录编号GRG/AJL—023隐蔽工程验收记录编号GRG/AJL—024中间交接检验书编号GRG/AJL—025单位工程竣工验收证明书编号GRG/AJL—026系统联动试运转记录编号GRG/AJL—027压力管道焊口检验记录编号GRG/AJL—028分项工程质量验收报告编号GRG/AJL—029编号GRG/AJL—030编号GRG/AJL—031固定支架检验记录编号GRG/AJL—032编号GRG/AJL—033压力管道安装工程竣工资料建设单位:工程名称:工程地址:联系方式:工程量:工程性质:施工单位:项目部:开工日期:年月日竣工日期:年月日特种设备安装改造维修告知书编号GRG/AJL—034施工单位:(加盖公章)告知书编号:2.设备地点要写明县区并尽可能详细;3.联系电话栏内要同时填写手机和座机;4.施工单位应提供特种设备安装许可证复印件(加盖单位公章)。
压力管道安装资料表格**************压力管道安装资料表格目录1、交工资料目录2、图纸会审记录3、图纸会审、设计变更、洽商记录汇总表4、设计变更(洽商)记录5、施工组织设计(施工方案)内部审批表6、施工组织设计(施工方案)报审表7、技术安全交底记录8、告知书9、开工报告10、安装施工日志11、工作联系单12、竣工通知书13、工程竣工验收证书14、工程质量回访单15、工程定位放线记录汇总表16、定位放线记录17、建筑安装工程设备、成品、半成品材料合格汇总表18、设备(开箱)进场验收记录19、材料、成品、半成品验收记录20、合格证贴条21、复印件(或抄件)贴条22、阀门(清洗)试验记录23、高压管件检验录24、高压弯管加记录25、高压管螺纹加记录26、管道安装记录27、弹簧管架安装记录28、管架安装记录29、管段冷紧记录30、流量检测元件安装记录31、管道热伸长记录32、管道隐蔽工程验收记录33、水、气压试验记录34、管道设备冲洗记录35、采暖系统调试记录36、安全阀调整记录37、伸缩制作安装记录38、工序交接记录39、设备基础复检记录40、设备基础隐蔽工程验收记录41、设备单机试运转记录42、安全附件安装检查记录43、防腐施工记录44、绝热施工记录45、隐蔽工程检查记录46、施工现场管理检查记录47、单位(子单位)工程质量竣工验收记录48、分部(子分部)工程验收记录49、分部(子分部)工程安全和功能检查资料核查及主要功能抽查记录50、分部(子分部)工程观感检查记录51、分部工程质量验收记录52、室外供热管道及配件安装工程检验批质量验收记录表53、工艺管道安装工程检验批质量验收记录表54、换热站安装工程检验批质量验收记录表55、施工检查记录56、探伤委托单57、射线探伤报告58、超声波探伤报告(一)(二)59、磁粉探伤报告60、渗透检测报告61、焊缝代(割)样综合检验报告62、X射线拍片原始记录单63、拉伸试验报告64、弯曲试验报告65、断口试验报告66、金相()观检查报告67、冲击试验报告68、焊口硬度测试报告69、光谱分析报告70、着色探伤报告71、焊接工艺卡(一)72、焊接工艺卡(二)73、焊接记录74、焊缝检查外观质量记录75、焊材发放与回收记录76、焊缝热处理报告77、焊缝热处理报告78、焊条(剂)烘干与恒温存放记录79、焊口焊缝返修通知书80、焊接作业指导书81、焊工考试记录表(一)82、焊工考试记录表(二)83、压力管道安装备案申请表84、合同评审记录交工资料目录施管—图纸会审记录山东省建设工程质量监督总站监制图纸会审、设计变更、洽商记录汇总表注:图纸会审、设计变更、洽商记录附后。
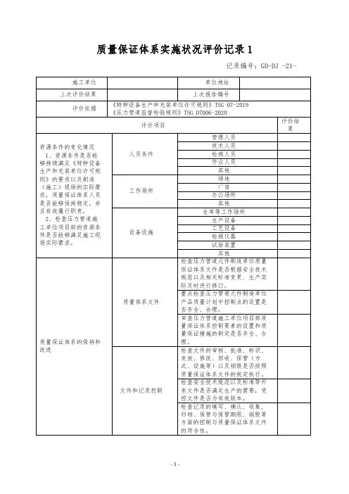
质量控制记录表格样本
XXJA/JLBG-2013-B(0)
2013年09月15日发布2013年09月25日实施唐山市旭祥建筑安装工程有限公司
受控文件清单
文件审批、复制、发放登记表
保存部门:保存期限:三年
文件收文登记表
申请鉴别销毁档案明细表
文件修改(通知)单
文件回收/销毁登记表
文件借阅登记表
质量记录控制清单
质量记录借阅登记表
图样、技术文件发放记录
选题记录销毁登记表
编号:
凌源宏钢集团有限责任公司(需方)现由((供方)购置产品,规格详见计划表,材质 ,数量见计划表,技术标准合格、质量等级合格。
供方在需方规定的时间年月日内,将产品送至需方要求地址,并提供相应的质量证明文件。
需方对产品进行抽检。
当发生质量争议和违约时,由双方协商解决。
需方:年月日供方:年月日
合格供方名单
供方能力评价审核表
材料验收入库通知单
编号: XXGC/ZK-053-J5
不合格品评审、处置登记表
设备台帐
设备维修计划
设备维修记录表
设备运行维护保养记录
XXGC/ZK-054-J4
设备购置、维修、报废申请单
设备转移登记表
设备验收单
设备大、中修计划
计量器具管理台帐
周期检定计划表
不合格品评审、处置登记台帐
编号: XXGC/ZK-056-J1 评价部门:
编号: XXGC/ZK-056-J2
培训申请单
年度培训计划
培训记录
培训有效性评价表
培训签到表
基层操作人员能力评价标准及评价表
外雇临时工考核评价表
工程项目投标评审表
施工合同评审表
合同修订变更评审表
合同台帐
管理评审计划
管理评审会议记录
管理评审会议签到表
管理评审报告。