某给排水工程工程量清单计价案例
- 格式:ppt
- 大小:2.61 MB
- 文档页数:10
给排水工程项目清单与计价表排水工程项目清单与计价表是指列举出排水工程所涉及的各项工作内容以及相应的计价标准和计价方法。
下面是一个简单的排水工程项目清单与计价表供参考:项目清单:1.排水系统设计:包括排水管网的布置、管径计算、坡度设计等。
2.地面排水系统:包括雨水排水、地下水排泄等。
3.室内排水系统:包括厨房、浴室、卫生间等的排水设施。
4.排水设备:包括排水泵、排水阀门、排水管道等。
5.排水检测与维护:包括排水系统的检查、维护和清洁等。
计价表:1.排水系统设计:根据项目规模和复杂程度计算设计费用。
-小型工程:1000元/套-中型工程:5000元/套2.地面排水系统:根据排水面积和材料费用计算。
-雨水排水:每平方米30元-地下水排泄:每平方米50元3.室内排水系统:根据室内设施数量和材料费用计算。
-厨房:每个200元-浴室:每个300元-卫生间:每个500元4.排水设备:根据设备类型和数量计算。
-排水泵:根据功率和品牌计算,平均每台500元-排水阀门:根据规格和材料计算,平均每个50元-排水管道:根据长度和材料计算,平均每米20元5.排水检测与维护:根据工程规模和工时计算。
-每小时500元计价方法:1.将每个项目的工作内容和计价标准填写清单中。
2.根据项目的具体情况,计算每个项目的工程量。
3.根据计价标准计算每个项目的费用。
4.将每个项目的费用累加得出总费用。
以上只是一个简单的排水工程项目清单与计价表供参考。
实际情况中,根据具体项目的要求和要素,还可以根据需要添加或修改内容。
在实际应用中,还需要结合项目的具体情况进行调整和细化。
给排水工程量清单实例工程量计算一、给水管道的计算:1、首先看懂图纸,包括图中的管道及阀门等附件;2、管道量的计算是安装工程计算的主要内容:给排水管道的计算要求:平面尺寸在平面图中量取(注意图纸比例);垂直管道的尺寸按系统图标高推算;3、管道的管径变化:在图中管径的变化点有时标注不会很清楚,需要在计算中自行判断,基本原则:只有在出现支管的情况下才会有变径;4、计算要点:管道的系统性很强,管道都是连在一起的,因此管道计算要有一定的层次划分,按次序计算,才能保证不重复,不漏算;一般情况下按系统划分;计算时同一系统的计算顺序有两种:一是先算平面尺寸,再算垂直尺寸;另一种是按照管道的走向计算;采用何种方法可以按自己读图的特点选择;5、工程量计算书的书写,计算书无规定的格式,但其有基本的要求,工程量计算书必须要别人很容易看懂,便于交流,在现行的造价管理要求中,工程量计算书是要求作为审计资料进行存档的。
二、排水管道的计算:1、排水管道的计算基本要求同给水管道;2、在排水管道中有一项计算内容与给水管道不同,就是排水管道的登高管,有存水弯的要扣除存水弯的高度,无存水弯按水平主管至卫生洁具的高度推算(具体见工程量计算规则);(基本原则:主要为坐式大便器(无存水弯)和洗脸盆(存水弯在地面以上)可按水平主管算至楼面高度,其他不算)三、给排水附件数量的计算给排水数量的计算无一定的规则,以准确为基本要求,一般当数量较大时应以系统进行统计。
四、工程量计算书的格式与书写:详见附表给排水工程量清单实例预算编制一、清单项目工程量汇总表P3831、清单项目工程量汇总表是针对清单的特点,对工程量进行归类的一个过程,在实际操作过程中,有时会省略这一步(当比较熟练的时候),2、所谓清单:从通俗意义上来讲,就是把原来计价表预算,进行重新归类,分成一个个比较容易确认的单元,以便于现场非预算人员应用的一个预算形式;3、所以现行的预算编制有两种模式:清单模式和计价表(标准预算)模式,两者在计算结果上是完全一样的,只是在拆分组合上有所不同而已;4、清单模式和计价表模式的区别也只表现在分部分项工程的组成上,在措施项目、其他项目、规费和税金的表现形式上则完全是一样的;5、对于清单计价模式中,或者说是清单计价的四统一(统一的项目编码、项目名称、计量单位、工程量计算规则)中,注意几个要点:(1)清单的工程量计算规则与计价表的计算规则有时会有所不同,在给排水工程中表现得比较少,但在电气工程中表现得比较多,而且比较难以掌握;一个基本原则就是工程量计算是以计价表工程量计算规则为主,清单计算规则是在计价表规则的基础上进行了适当简化修改,即清单计算规则是以图示工程量为基础,而计价表规则则考虑了一定的其他因素(如放坡、损耗等);(2)清单编制中的项目特征描述是清单编制的第二个难点,清单的项目特征描述就是规定了本项清单所包括的内容(此内容在清单规范中有详细的规定,但这种规定在实际应用中很难保证每个都能记得很清楚,这是清单编制的一大困难,特别是对于初学者),原则上规范中规定的内容都可以放在本清单项中,同时为了便于实际应用,同一项内容还可能要根据现场的不同安装形式进行细分拆分,如何拆分则各个预算编制人员的观点各不一样,所以同一份预算,不同的人编制出来几乎不可能完全一样;(3)因此对于招投标工程来讲,清单的编制必须要以标底人员的划分为严格的标准,否则将无法进行评标,同时标底编制人员在编制时,对清单项目特征的描述则显得非常的重要,否则将会因理解不同而造成争议。
给排水管道工程量清单的计算安装工程造价工程量计算是安装造价人员的重点工作,文章首先讲解了安装图纸的识图。
重点讲了系统图与平面图对接识图法。
从造价的角度讲解了立管与水平管的空间想象,以便于计算管道工程量。
用一个典型小案例计算排水管道工程量的计算,详尽的讲述了管道工程计算规则。
标签:安装工程;管道;工程量清单;计算安装工程量清单在甘肃市场逐步施行,是中职工程造价专业学生必修的一门课程。
但是现实状况是这样的:一方面全国中职工程算量技能大赛只有建筑工程造价专业有技能大赛,建筑安装工程没有技能大赛;另一方面安装工程造价占工程总造价的百分比比较低,社会市场也不重视安装造价。
造成学生不重视安装工程计价。
长期的积累,形成社会市场安装预算员的紧缺,造成安装造价工程师薪酬高于土建造价工程师。
鉴于这种状况有很大一部分中职生迫切地想学会安装工程工程量清单计价。
文章就给排水安装工程量清单谈谈自己的计算思路及计算,并且用以案例讲述给排水工程量清单的计算。
1 安装工程造价识图安装工程造价与土建工程造价相同点是首先要会识图,会识图才能计算工程量,安装工程识图最重要的宗旨是系统图与平面图结合,在系统图中看的是配管的型号规格;管道的走向;哪一部分管道位于±0.00以下;哪一部分管道位于±0.00以上;立管管道的顶标高和底标高。
平面图纸上的管道±0.00以下可以事先用铅笔(一定是铅笔,因为铅笔书写完,可以用橡皮擦干净,图纸上用圆珠笔钢笔书写的只有竣工图纸。
)这要利用系统图的标高来确定;在平面图上还标清楚管道直径发生的节点。
有时候图纸复杂时多张系统图对接一张平面图,这要求学生不要紧张,多看图纸,尤其是系统图纸的节点,一个一个节点对接,对于中职学生可以把两张图纸接起来一起看。
这些都是行之有效地方法。
2 多快好省的计算工程量多快好省的计算工程量是有先决条件的,要熟记工程量计算规则,这是基本条件。
但是安装预算衍生的问题比较多,比如给排水管道工程是依照管道的中心线长度计算的(不扣除管件、阀门等附件所占的长度),但是管材不一样要单独计算工程量,管道直径不一样要单独计算工程量,这只是最基本的要求。
给排水工程量清单实例工程量计算一、给水管道的计算:1、首先看懂图纸,包括图中的管道及阀门等附件;2、管道量的计算是安装工程计算的主要内容:给排水管道的计算要求:平面尺寸在平面图中量取(注意图纸比例);垂直管道的尺寸按系统图标高推算;3、管道的管径变化:在图中管径的变化点有时标注不会很清楚,需要在计算中自行判断,基本原则:只有在出现支管的情况下才会有变径;4、计算要点:管道的系统性很强,管道都是连在一起的,因此管道计算要有一定的层次划分,按次序计算,才能保证不重复,不漏算;一般情况下按系统划分;计算时同一系统的计算顺序有两种:一是先算平面尺寸,再算垂直尺寸;另一种是按照管道的走向计算;采用何种方法可以按自己读图的特点选择;5、工程量计算书的书写,计算书无规定的格式,但其有基本的要求,工程量计算书必须要别人很容易看懂,便于交流,在现行的造价管理要求中,工程量计算书是要求作为审计资料进行存档的。
二、排水管道的计算:1、排水管道的计算基本要求同给水管道;2、在排水管道中有一项计算内容与给水管道不同,就是排水管道的登高管,有存水弯的要扣除存水弯的高度,无存水弯按水平主管至卫生洁具的高度推算(具体见工程量计算规则);(基本原则:主要为坐式大便器(无存水弯)和洗脸盆(存水弯在地面以上)可按水平主管算至楼面高度,其他不算)三、给排水附件数量的计算给排水数量的计算无一定的规则,以准确为基本要求,一般当数量较大时应以系统进行统计。
四、工程量计算书的格式与书写:详见附表给排水工程量清单实例预算编制一、清单项目工程量汇总表P3831、清单项目工程量汇总表是针对清单的特点,对工程量进行归类的一个过程,在实际操作过程中,有时会省略这一步(当比较熟练的时候),2、所谓清单:从通俗意义上来讲,就是把原来计价表预算,进行重新归类,分成一个个比较容易确认的单元,以便于现场非预算人员应用的一个预算形式;3、所以现行的预算编制有两种模式:清单模式和计价表(标准预算)模式,两者在计算结果上是完全一样的,只是在拆分组合上有所不同而已;4、清单模式和计价表模式的区别也只表现在分部分项工程的组成上,在措施项目、其他项目、规费和税金的表现形式上则完全是一样的;5、对于清单计价模式中,或者说是清单计价的四统一(统一的项目编码、项目名称、计量单位、工程量计算规则)中,注意几个要点:(1)清单的工程量计算规则与计价表的计算规则有时会有所不同,在给排水工程中表现得比较少,但在电气工程中表现得比较多,而且比较难以掌握;一个基本原则就是工程量计算是以计价表工程量计算规则为主,清单计算规则是在计价表规则的基础上进行了适当简化修改,即清单计算规则是以图示工程量为基础,而计价表规则则考虑了一定的其他因素(如放坡、损耗等);(2)清单编制中的项目特征描述是清单编制的第二个难点,清单的项目特征描述就是规定了本项清单所包括的内容(此内容在清单规范中有详细的规定,但这种规定在实际应用中很难保证每个都能记得很清楚,这是清单编制的一大困难,特别是对于初学者),原则上规范中规定的内容都可以放在本清单项中,同时为了便于实际应用,同一项内容还可能要根据现场的不同安装形式进行细分拆分,如何拆分则各个预算编制人员的观点各不一样,所以同一份预算,不同的人编制出来几乎不可能完全一样;(3)因此对于招投标工程来讲,清单的编制必须要以标底人员的划分为严格的标准,否则将无法进行评标,同时标底编制人员在编制时,对清单项目特征的描述则显得非常的重要,否则将会因理解不同而造成争议。
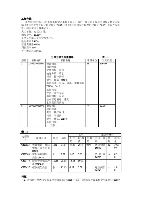
工程背景:某办公楼室内给排水安装工程量清单如下表1-1所示。
经公司研究按照招标文件要求依据《重庆市安装工程计价定额》(2008)和《重庆市建设工程费用定额》(2008)进行投标报价。
相关费用及费率如下:人工单价:50元/工日;规费费率:25.83%安全文明施工专项费费率7%;税金费率3.41%;管理费费率60%;利润费率40%;暂不考虑风险因素。
问题:(1)请按照《重庆市安装工程计价定额》(2008)以及《重庆市建设工程费用定额》(2008)工程量清单计价格式,计算分部分项工程综合单价。
(10分)条件:①《重庆市安装工程计价定额》(2008)相关内容见表1-2;②相关主材单价如下:镀锌钢管DN40 21.50元/m;塑料管DN50 5.8元/m;螺纹阀门DN40 85元/个③请在分部分项工程量清单综合单价分析表(表1-3)中填写;④《重庆市安装工程计价定额》(2008)人工基价28元/工日。
(2)请按照《重庆市建设工程费用定额》(2008)工程量清单计价格式,计算单位工程费用。
(10分)条件:①措施项目费合计为6800.00元,其他项目费合计为5600.00元;②请在单位工程费汇总表(表1-4)中填写。
(3)工程量清单的作用有哪些?(4分)(4)工程量清单的主要内容有哪两部分?(2分)(5)什么是工程量清单项目特征?(4分)分部分项工程量清单综合单价分析表表1-3分部分项工程量清单综合单价分析表表1-3评分标准:每项5分.(2)单位工程费汇总表表1-4(3)答:工程量清单的作用是:①为投标者提供一个公开、公平、公正的竞争环境;(1分)②约束招标投标双方的计价行为。
是计价和评标的基础;(1分)③为支付工程进度款提供依据;(1分)④为办理竣工结算及工程索赔提供依据;(1分)(4)工程量清单标准格式,由工程量清单说明与工程量清单表格两大部分组成;(2分)(5)答:清单项目特征,其作用是描述项目名称;(1分)如描述项目所在工程部位、名称、类型、施工工艺、材料品种、规格和型号等; (1分)它是设置项目的主要依据,它影响项目实体价值(或价格),是形成工程造价的主要因素; (1分)特征描述必须准确、清楚和完善,否则影响招标与计价; (1分)。
工程造价案例分析-建设工程计量与计价(四)(总分:100.00,做题时间:90分钟)一、{{B}}(一){{/B}}(总题数:1,分数:12.00)1.某拟建工程为二层砖混结构,一砖外墙,层高3.3m,该工程建筑面积及外墙工程量分别为265.07m2、77.933m3。
原概算指标为每100m2建筑面积(一砖半外墙)25.71m3,每平方米概算造价120.5元(砖砌一砖外墙概算单价按23.76元,砖砌一砖半外墙按30.31元)。
[问题] 求修正后的单方造价和概算造价。
(分数:12.00)__________________________________________________________________________________________ 正确答案:(相关计算公式如下:拟建单位工程概算造价=拟建工程建筑面积(体积)×概算指标概算指标的修正:单位造价修正指标=原指标单价-换出结构构件的价值+换入结构构件的价值换入砖砌一砖外墙每100m2数量=77.933×100÷265.07=29.4(m3)换入价值29.4×23.76=698.54(元)换出价值25.71×30.31=779.27(元)每平方米建筑面积造价修正指标=120.5+698.54÷100-779.27÷100=119.7(元/m2)单位工程概算造价=265.07×119.7=31728.88(元))解析:二、{{B}}(二){{/B}}(总题数:1,分数:36.00)由某国某公司引进年产6万吨全套工艺设备和技术的某精密化工项目,在我国某港口城市建设。
该项目占地10公顷,绿化覆盖率为30%。
建设期2年,总投资11800万元。
总投资中引进部分的合同总价682万美元。
辅助生产装置、公用工程等均由国内设计配套。
引进合同价款的细项如下:(1)硬件费620万美元;其中工艺设备购置费460万美元,仪表60万美元,电气设备56万美元,特种材料8万美元。
教学实例之六:工程量清单及清单计价编制实例以教学实例之二——呼和浩特市某办公楼建筑给排水工程为例,编制工程量清单及清单报价。
一、工程量清单的编制1.分部分项工程量清单分部分项工程量清单见表6-1,表中的各项按照下述方法填写:(1)根据施工图纸及《建设工程工程量清单计价规范》附录C确定项目名称;(2)根据项目名称对照附录C的相应项目确定其项目编码;(3)依据规范并考虑工程实际情况准确描述项目特征;(4)根据清单规范附录的工程量计算规则计算清单工程量。
要注意的是清单工程量应以实体工程量为准,并以完成后的净值计算。
工程量取自教学实例之二的计算结果。
2.措施项目清单措施项目清单根据2009年《内蒙古自治区建设工程计价依据》和本工程的施工图纸进行编制,见表6-2。
3.规费、税金项目清单规费、税金项目清单根据2009年《内蒙古自治区建设工程费用定额》和本工程的施工图纸编制,见表6-3。
表6-1 分部分项工程量清单工程名称:呼和浩特市某办公楼建筑给排水工程表6-2 措施项目清单工程名称:呼和浩特市某办公楼建筑给排水工程表6-3 规费、税金项目清单工程名称:呼和浩特市某办公楼建筑给排水工程二、工程量清单报价的编制根据工程量清单、施工图纸、标准图集、施工规范以及2009年《内蒙古自治区建设工程计价依据》等资料,编制工程量清单报价。
编制结果见表6-4~表6-7。
表6-4 单位工程投标报价汇总表工程名称:呼和浩特市某办公楼建筑给排水工程表6-5 分部分项工程量清单与计价表工程名称:呼和浩特市某办公楼建筑给排水工程表6-6 通用措施项目计价表工程名称:呼和浩特市某办公楼建筑给排水工程表6-7 规费、税金项目清单与计价表工程名称:呼和浩特市某办公楼建筑给排水工程表6-8 工程量清单综合单价分析表m3m3m3m3m3 m3m3m3m3m3m3m3kgm3kg m3m3m3m3m3m3m3m3 m3m3工程量清单综合单价分析表工程名称: 呼和浩特市某办公楼建筑给排水工程第29页共29页m3。
第二节给排水工程【例】某住宅楼给排水工程施工图如图所示,试计算工程量并编制工程量清单和计价表。
工程施工图;一、工程施工图(一)、施工图介绍:1、施工图说明1)本工程采用相对标高,单位以米计,室内管线标高均以管中心线计;其余尺寸以毫米计。
2)管材:生活给水管采用PP-R塑料给水管,1.0Mpa,热熔连接,安装参照建筑给水聚丙烯管道(PP-R)应用技术规程。
排水管采用PVC-U塑料排水管,安装详见96S341《建筑排水用硬聚氯乙烯(PVC-U)管道安装》,并符合《建筑排水硬聚氯乙烯管道工程技术规程》要求。
3)管道穿越屋面须做防水套管,详S312给水管,穿楼板或混凝土墙须加设钢制套管。
4)卫生设备排水留洞应根据所定洁具型号预留。
5)排水管采用坡度:DN50 i=0.03;DN75 i=0.025;DN100 i=0.02;DN150 i=0.01;DN200 i=0.016)未尽事宜按有关施工规范执行。
7)图例2、室内给水排水平面图如图7-1~4所示。
3、卫生间详图如图7-5所示。
4、室内给水系统图如图7-6所示。
5、室内排水系统图如图7-7所示。
(二)施工图识读示例1、平面图的识读:从所示图可知本例为民用住宅六屋楼,每单元为一梯二户。
污、废水在底层单独排出外墙,这是预防楼层下来的污、废水可能来不及排出造成底层卫生间侧溢而设置。
从平面图看出每户设有浴缸、洗脸盆、坐式大便器(详见卫生间详图)。
从屋顶平面图中可知给水直通到水箱,水箱内有进水浮球阀,有水箱进水管、出水管、溢流管及放空管。
图7.5.1 一层平面图图7-2 二层平面图图7-3 三~六层平面图图7-4 屋项平面图图7-5 卫生间详图图7-6 给水系统图2、系统图的识读:从系统图7-6可知,给水立管编号JL-0是单元屋顶水箱的进水管,管径为DN50,其引水管埋深0.6米,在室外设有水表1个,立管直穿屋面,在层顶水箱内设有进水浮球阀二个,为便于检修(浮球阀常因锈垢而失灵)在屋面进水管上设闸阀二个。
给排水工程工程量清单计价案例1. 引言工程量清单计价是工程建设中重要的一环,主要用于编制工程项目投资预算和控制工程成本。
给排水工程是建筑工程中的重要组成部分,其工程量清单计价具有一定的特点和要求。
本文将以一个实际的给排水工程案例为例,详细介绍工程量清单计价的步骤和方法。
2. 案例背景本案例是某住宅小区的给排水工程,包括供水设施和排水设施两部分。
供水设施包括给水管道、水泵、水箱等;排水设施包括排水管道、污水处理设备等。
本文将以其中的给水管道和排水管道为例,分别介绍计价方法。
3. 给水管道的工程量清单计价3.1 管道工程量清单给水管道的工程量清单主要包括以下内容:•供水管道的长度•不同直径的管道数量及长度•弯头、三通等附件的数量•管道支架的数量•管道的埋深及回填材料的用量通过实地勘察和测量,可以得到上述内容的具体数据。
根据工程量清单中的数据,可以按照单位工程量进行计价,例如计算出每米管道的造价,然后乘以总长度得到总的造价金额。
3.2 水泵和水箱的工程量清单计价水泵和水箱是给水管道系统中的关键设备,其工程量清单计价较为复杂。
主要包括以下内容:•水泵的数量和功率•水泵房及其设备的面积和体积•水箱的数量、容积以及支架工程量•控制仪表和阀门的数量根据给水管道系统设计图纸和设备规格,可以计算出上述内容的具体数值。
根据计算的数据,可以按照单位设备的造价进行计价,并乘以设备的数量得到总的造价金额。
4. 排水管道的工程量清单计价4.1 管道工程量清单排水管道的工程量清单与给水管道的类似,主要包括以下内容:•排水管道的长度•不同直径的管道数量及长度•弯头、三通等附件的数量•管道支架的数量•管道的埋深及回填材料的用量通过实地勘察和测量,可以得到上述内容的具体数据。
根据工程量清单中的数据,可以按照单位工程量进行计价,例如计算出每米管道的造价,然后乘以总长度得到总的造价金额。
4.2 污水处理设备的工程量清单计价污水处理设备是排水系统中的核心设备,其工程量清单计价较为复杂。
安装工程工程量清单编制及造价确定案例南京工业大学土木工程学院2014年9月第一部分管道安装工程案例一、给排水工程1.某办公楼卫生间给排水系统工程设计,如图所示。
根据图示,按照《安装工程量计算规范》及其有关规定,计算出所有给水管道的清单工程量,并写出其计算过程;说明:1、图示为某办公楼卫生间,共三层,层高为3m,图中平面尺寸以mm计,标高均以m计。
墙体厚度为240mm.2、给水管道均为镀锌钢管,螺纹连接。
给水管道与墙体的中心距离为200mm.3、卫生器具全部为明装,安装要求均符合指定标准图的要求,给水管道工程量计算至与大便器、小便器、洗面盆支管连接处止。
其安装方式为:蹲式大便器为手压阀冲洗;挂式小便器为延时自闭式冲洗阀:洗脸盆为普通冷水嘴;混凝土拖布池为500×600落地式安装,普通水龙头,排水地漏带水封;立管检查口设在一、三层排水立管上,距地面0.5m处。
4、给排水管道穿外墙均采用防水钢套管,穿内墙及楼板均采用普通钢套管。
5、给排水管道安装完毕,按规范进行消毒、冲洗、水压试验和试漏。
图某办公楼卫生间给水系统图(一、二层同三层)答案:给水管道工程量的计算:1.DN50的镀锌钢管工程量的计算式:1.5+(3.6-0.2)=1.5+3.4=4.9(m)2.DN32的镀锌钢管工程量的计算式:(水平管:5-0.2-0.2)+[立管:(左1+0.45)+(右1+1.9+3)-4.6+7.35=11.95(m)3.DN25的镀锌钢管工程量的计算式:(立管1:6.45-0.45)+(立管2:7.9-4.9)+[水平2:(1.08+0.83+0.54+0.9+0.9)1×31=6+3+12.75=21.75(m) 4.DN20的镀锌钢管工程量的计算式:(立管7.2-6.45)+[水平管(0.69+0.8)+(0.36+0.75+0.75)] ×3=0.75+10.05=10.8(m)(2.0分)5.DN15的镀锌钢管工程量的计算式:[0.91+0.25+(6.8-6.45)+0.751×3-2.26×3=6.78(m)(1.0分)2 某住宅区室外热水管网布置如图所示。