隧道微台阶法开挖施工技术交底
- 格式:doc
- 大小:1.19 MB
- 文档页数:7
技术交底书 STJ7-HDSZSD-009共9页单位工程名称红豆树隧道左幅工程交底里程ZK29+640~ZK33+028 交底部位洞身开挖交底日期年月日交底内容台阶法开挖施工工艺一、编制依据1、国家、行业、地方标准、规范、规程及当地主管部门有关规定;2、工程施工图纸、标准图集、图纸会审记录等技术文件;3、施工组织计划、施工方案对本分项工程、特殊工程等的技术、质量和其他要求;4、其他相关文件。
二、工程概况拟建的路线里程左线ZK29+640~ZK33+028段起伏大,设计拟以隧道(红豆树隧道)形式通过该路段。
左线起点里程ZK29+640,止点ZK33+028,隧道全场3388m,最大埋深653.21m。
隧道区海拔高程介于1170~1851m之间,相对高差约680m,属构造剥蚀中山地貌区。
隧道区地形起伏较大,地表植被发育一般,洞身段多为荒地和耕地,发育低矮灌木。
红豆树隧道左幅ZK29+652~ZK29+900、ZK32+810~ZK32+870、ZK32+970~ZK33+023段为V级围岩,ZK29+900~ZK30+110、ZK30+160~ZK30+890、ZK30+940~ZK31+620、ZK32+720~ZK32+8100、ZK32+870~ZK32+970段为Ⅳa或Ⅳb级围岩,在开挖过程中容易出现掉块等不良情况,根据设计及相关技术要求,本隧道Ⅴ级、Ⅳa、Ⅳb级围岩开挖使用台阶法。
三、洞身开挖1、施工准备工作:(1)在施工前组织施工人员认真学习实施性施工组织设计及施工方案,阅读施工图纸,熟悉规范和技术标准。
制定施工安全保证措施及应急预案。
对参加施工人员进行技术交底及上岗前技术培训,考核合格后持证上岗。
(2)拌合站、钢筋加工场等基础设施完成。
(3)风水电的准备工作:开挖前做好施工用水、用风、用电的准备,确保开挖顺利进行。
(4)开挖作业人员到位并且满足施工需要,经过施工安全、技术培训合格,特种作业需有特种作业证;挖掘机、装载机、凿岩钻机、开挖台架和电焊机等机械到位并调试完成可以使用。
台阶法开挖施工技术交底一、编制依据《公路隧道施工技术规范》(JTG F60-2009)《公路工程质量检验评定标准》(JTG F80-2004)《公路隧道工程现场施工技术》(人民交通出版社2005年9月)二、适用范围适用于浅埋大跨度隧道,地表下沉量要求严格,围岩条件特别差时采用。
三、交底内容1、施工准备1)在施工前组织技术人员认真学习实施性施工组织设计,阅读、审核施工图纸,澄清有关技术问题,熟悉规范和技术标准,查阅相关施工案例,认真调查隧道围岩地质情况、了解施工条件、技术水平和设备装置的施工参数。
制定施工安全保证措施,对施工人员进行技术交底,对参加施工人员进行上岗前技术培训,考核合格后持证上岗。
2)精密导线网复测完毕并确定成果可用后,测量组根据隧道纵断面设计线、隧道洞轴线及洞身开挖轮廓线,放出隧道开挖轮廓线;3)测量班要提前作好洞身开挖测量交底。
4)施工场地的平整,水、风、电的设置,施工测量与放样。
开挖机械及材料均已进场。
2、材质及施工机械要求施工材料均须符合设计和规范要求。
施工机械应性能良好、满足施工要求。
3、三台阶七步开挖法施工工艺流程公路大断面隧道三台阶七步开挖法(以下简称“三台阶七步开挖法”)是以弧形导坑开挖留核心土为基本模式,分上、中、下三个台阶七个开挖面,各部位的开挖与支护沿隧道纵向错开,平行推进的隧道施工方法。
1)三台阶七步开挖法的施工工艺流程见图3-1。
图3-1 三台阶七步开挖法的施工工艺流程2)三台阶七步开挖法的施工工序及步骤:三台阶七步开挖法施工步骤见图-1,开挖透视图见-2,施工工序见图-3所示。
第1步,上部弧形导坑开挖:在拱部超前支护后进行,环向开挖上部弧形导坑,预留核心土,核心土长度为3~5m ,宽度为隧道开挖宽度的1/3~1/2。
开挖循环进尺应根据初期支护钢架间距确定,最大不得超过1.5 m ,开挖后立即初喷3~5cm 混凝土。
上台阶开挖矢跨比应大于0.3,开挖后及时进行喷、锚、网系统支护,架设钢架,在钢架拱脚以上30cm 高度处,紧贴钢架两侧边沿按下倾角30°打设锁脚锚杆,锁脚锚杆与钢架牢固焊接,复喷混凝土至设计厚度。
新建南广铁路施工技术交底项目名称:新建铁路XX至XX线XX至XX北段合同号:XXXXX技术交底内容:一、设计说明第3步,中台阶核心土开挖及左、右侧下台阶开挖、支护:开挖进尺应根据初期支护钢架间距确定,最大不得超过1.5m或2榀钢架,开挖高度一般为3〜3.5m,左、右侧台阶错开2〜3m,开挖后立即初喷4cm混凝土,及时进行喷、锚、网系统支护,接长钢架,复喷混凝土至设计厚度。
图4三台阶预留核心土开挖法施工工艺流程图第4步,下台阶预留核心土开挖:开挖进尺与各台阶循环进尺相一致。
第5步,隧底开挖:每循环开挖长度宜为2〜3m,开挖后及时施作仰拱初期支护。
第6步,仰拱施作,完成不大于两个隧底开挖、支护循环后,应及时施工仰拱衬砌,仰拱衬砌分段长度宜为4〜6m。
第7步,仰拱填充混凝土,仰拱衬砌完成后应及时施工仰拱填充,仰拱填充混凝土与仰拱必须分别施工,不得同时进行。
三、爆破设计及要求1一般规定1.1隧道开挖应根据地质条件、开挖断面、掘进循环进尺、钻眼机具和爆炸器材及环境等进行钻爆设计。
钻爆设计应根据爆破效果不断调整爆破参数。
1.2钻爆设计的内容应包括炮眼(掏槽眼、辅助眼、周边眼、底板眼)的布置、深度、斜率和数量,爆破器材、装药量和装药结构,起爆方法和爆破顺序,钻眼机具和钻眼要求等。
钻爆设计图应包括炮眼布置图、周边眼装药结构图、钻爆参数表、主要技术经济指标及必要的说明。
1.3凿孔采用YT-28型凿岩机,确保凿孔精度(包括炮眼的开孔位置、角度、深度)。
1.4掏槽炮眼可采用直眼掏槽或斜眼掏槽。
2炮眼布置应符合下列规定2.1周边眼根据围岩情况合理布置,保证开挖断面符合设计要求:2.1辅助炮眼交错均匀布置在周边眼与掏槽眼之间,力求爆破出的石块块度适合装碴的需要。
2.3周边炮眼与辅助炮眼的眼底应在同一垂直面上,掏槽炮眼应加深10〜20cm。
3爆破参数选择3.1岩石隧道的爆破作业,应采用光面爆破技术。
光面爆破参数应通过试验确定。
单线隧道微台阶开挖施工工法单线隧道微台阶开挖施工工法一、前言隧道工程是城市交通建设中重要的组成部分,随着城市交通的发展,隧道的建设越来越多。
在隧道的开挖过程中,为了确保施工质量和安全,需要采取合适的施工工法。
本文将介绍一种常用的隧道开挖工法:单线隧道微台阶开挖施工工法。
二、工法特点单线隧道微台阶开挖施工工法是一种逐台阶逐步开挖的方法。
其特点是具有灵活性、安全性和高效性。
通过分阶段开挖,可以减少工程量,提高施工效率,并且能够适应各种复杂地质条件。
三、适应范围单线隧道微台阶开挖施工工法适用于各种隧道工程,尤其适用于软土、黏土、砂土等地质条件较复杂的区域。
该工法可以有效地控制隧道开挖过程中的地质风险,降低对周围环境的影响。
四、工艺原理在施工工法与实际工程之间的联系,采取的技术措施如下:首先,根据设计要求和地质条件,确定隧道开挖的起点和终点,制定施工方案。
然后,根据设计要求进行隧道横断面的分块,将整个隧道划分为多个台阶,每个台阶的宽度和高度适应地质条件。
接下来,按照设计要求进行台阶的逐步开挖,每次开挖一个台阶的宽度和高度,同时进行支护,确保隧道的稳定性。
最后,完成所有台阶的开挖后,进行隧道的收尾工作,包括支护结构的加固和隧道内部设施的安装。
五、施工工艺在施工过程中,单线隧道微台阶开挖施工工法包括以下阶段:1. 准备工作:确定好施工方案,进行现场勘探,制定工程计划,安排劳动组织和机具设备。
2. 预制阶段:制作支护结构和设备,并预先施工厂内,以减少现场施工时间。
3. 开挖阶段:按照台阶的设计要求,逐步开挖台阶,并进行及时的支护和排水工作。
4. 支护阶段:在开挖完成后,对开挖面进行支护,包括喷射混凝土、钢筋网片等方式。
5.收尾阶段:进行隧道的后续工作,包括设备安装、幕墙施工等。
六、劳动组织在进行单线隧道微台阶开挖施工工法时,需要合理组织劳动力,确保施工任务按时完成。
这包括施工人员的数量和质量要求,以及协调各个施工阶段的工作进度。
隧道开挖技术交底技术交底记录一、隧道洞身开挖的施工原则施工过程中严格遵循“管超前,严注浆,短开挖,强支护,早封闭,弱爆破,勤量测”的施工原则。
管超前——在围岩破碎及断层带工作面开挖前,沿隧道拱部周边按设计打入超前小导管,以架立的型钢架为支点,起超前作用。
严注浆——在打超前小导管后注浆加固地层,使松散、软弱的围岩胶结成整体,增强围岩的自稳能力,和超前小导管一起,形成纵向超前支护体系,防止工作面失稳。
短开挖——围岩条件较差时,每次开挖循环进尺要短,开挖和支护时间尽可能缩短,进尺小于1米。
强支护——采用钢拱架和喷混凝土进行早期支护。
早封闭——开挖后初期要尽早封闭成环,以改善受力条件,当总收敛值达80%以上,尽早进行二次衬砌,增加后续工程施工的安全性。
弱爆破——开挖过程中严格控制炸药量,减少爆破震动干扰。
勤量测——量测是对施工过程中围岩及结构变化情况进行动态跟踪的主要手段,做到随时掌握动态数据及时回归分析及时反馈,以量测指挥施工。
二、Ⅴ级围岩SF5d1型衬砌施工方法本隧道采用新奥法原理指导,软弱围岩、断层破碎带范围施工时坚持遵循“管超前、严注浆、弱爆破、短进尺、强支护、快封闭、勤量测”的施工原则。
严格控制超欠挖是降低成本、保证施工质量的关键,也是本隧道施工的重点控制工序。
根据设计图纸中相关的施工建议,Ⅴ级围岩主洞段(SF5d1型衬砌)采用三台阶七步开挖法进行施工(短台阶),必要时设置临时仰拱。
每循环进尺不得大于一榀钢架间距,施工时以监控量测结果指导施工,根据监控量测成果调整预留沉降量,合理调整阶长、阶高、和步距,保证流水作业,施工中应及时封闭仰拱,初期支护成环时间不宜超过15天,二衬应紧跟,同时二衬达不到设计强度时严禁拆模。
掌子面距仰拱距离控制不大于40米,掌子面至二衬距离不大于70米,保证施工安全。
施工主要步骤如下①、上弧形导坑开挖Ⅰ、拱部初期支护:②③、中台阶左右侧交错开挖○Ⅱ、中台阶初期支护:④⑤、下台阶左右侧交错开挖○Ⅲ、下台阶初期支护:⑥、核心土开挖○⑦、仰拱开挖Ⅳ、仰拱初期支护○第1步:上部弧形导坑开挖,在拱部超前支护后进行,环向开挖上部弧形导坑,预留核心土,核心土面积不小于整个断面面积的50%,开挖循环进尺0.5~0.6m,台阶长度2~3m,开挖后及时进行喷、锚、网系统支护和架设钢架。
隧道开挖施工技术交底ZT1105JL-1102单位:XXX编号:2011年01月10日主送单位工程名称隧道出口***隧道工班CD法开挖施工日期隧道出口开挖施工技术交底,交底内容:本交底用于DK203+110~DK203+080一、施工方法与技术指标1.技术参数①超前支护:拱部采用φ108管超前预支护,并注水泥浆。
②开挖进尺:各分部开挖进尺为1榀钢架间距即0.6m。
③台阶高度:上台阶、中台阶开挖高度4.0m~6.5m。
④开挖工作面间距:各级台阶开挖间距控制在3~5m。
⑤施工支护措施:中隔壁临时支护采用I18型钢,初期支护为XXX按设计数量施做L=4m的φ25普通中空锚杆、边墙采用L=4m的φ22砂浆锚杆。
2.施工方法①施工工艺流程见下页图“CD法施工工艺流程图”②开挖方法隧道分为左、右导坑举行开挖,每侧导坑又分为两步台阶。
为保护好围岩,围岩尽可能采用机器辅助人工开挖,每轮回进尺按每榀钢架间距0.6m,当围岩不乱性较差时,考虑采用中部预留中心土法施工;体例:复核:签收:年月日注:①对重点工程、枢纽部位及质量请求高的特殊工程除口头交底外,还要以书面方式举行手艺交底。
②“手艺交底书”一式二份,一份作为施工依据,一份保存备查,并办理交接手续。
1技术交底ZT1105JL-1102单位:XXX编号:图2.5-04.CRD法施工工艺流程图1部开挖2部开挖与3部开挖与4部开挖与5部开挖与6部开挖与拆除中壁与支护支护支护支护支护支护墙开挖开挖开挖开挖开挖开挖施工仰拱填充初喷初喷初喷初喷初喷初喷挂网挂网挂网挂网挂网挂网施工二次模筑衬砌安装周边、中安装周边安装周边安装周边安装周边钢安装周边壁墙钢中壁墙、中壁墙架钢架钢架钢架架钢架施作锚杆施作锚杆施作锚杆施作锚杆施作锚杆施作锚杆复喷周边、中复喷周边复喷周边复喷周边复喷周边、复喷周边壁墙混中壁墙、中壁墙、中壁墙中壁墙混凝、中壁墙凝土混凝土混凝土混凝土土混凝土CD法施工工艺流程图开挖步骤方法见下页“Ⅴ级围岩中壁法施工示意图”。
XXX隧道工程编号:XX隧道洞身开挖(洞身开挖)施工技术交底XXX施工技术交底书单位工程名称:××隧道 No.分部工程名称:洞身开挖分项工程(工序)名称:洞身开挖一、交底范围×××隧道(里程段落)段(围岩级别)级围岩台阶法施工二、施工程序及操作要点2.1施工程序(1)土质地段施工准备→围岩处理→测量放线→开挖→出碴→找顶→洞身支护(2)土质地段施工准备→围岩处理→测量放线→钻孔→装药爆破→开挖→初找顶→出碴→二次找顶→洞身支护2.2操作要点2.2.1施工准备开挖前应先进行测量放样,控制开挖的中线、水平引至开挖部位掌子面,确定开挖轮廓。
测量人员定出隧道中线和开挖轮廓线,用红油漆按钻爆布置画出炮眼位置,经检测合格后方可施工。
开挖作业照明安装,钻眼机具到位,高压风水管的连接,做好洞内、外排水系统,保证排水畅通,规划弃碴场位置,布设出碴路线,出碴设备准备。
2.2.2施工工艺(1)土质地段台阶法开挖台阶法施工将断面分为上下两部分。
采用人工配合机械开挖,一次进尺不超过1榀(1.0m),上台阶长度宜控制在一倍洞径(约6m),台阶高度3.5~4.5m,下台阶左右两侧开挖时应错开进行,严禁对称开挖,防止上部支护结构不稳引发塌方危险。
上台阶采用反铲挖掘机出碴至下台阶,下台阶由装载机装渣,自卸汽车运碴。
1)施工步骤步骤:1上台阶开挖→Ⅱ上台阶初期支护→3下台阶开挖→Ⅳ下台阶初期支护→底部开挖→Ⅵ仰拱及填充混凝土→Ⅶ拱墙混凝土。
说 明:1、上部开挖;Ⅱ、上部初期支护;3、下部开挖;Ⅳ、下部初期支护;5、底部开挖(捡底);Ⅵ、仰拱及混凝土填充;Ⅶ、二次衬砌;图2.1 台阶法开挖断面示意图 2)施工注意事项开挖1、3部时,根据现场情况必要时预留核心土。
导坑开挖宽度及台阶高度可根据施工机具、人员安排进行适当调整。
钢架之间纵向连接钢架及时施作并连接牢固,仰拱开挖前完成锁脚锚管,锁脚锚杆采用φ42钢花管,壁厚3.5mm ,孔内注浆1:1(重量比)水泥砂浆。
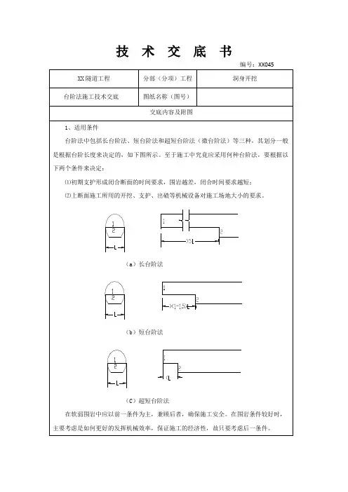
台阶法技术交底一、台阶法适用围单线隧道Ⅲ、Ⅳ、Ⅴ级围岩。
二、台阶法施工工艺流程施工前准备超前地质预报、测量、量测钻爆设计布置炮眼上部断面钻眼下部断面钻眼装药、爆破通风排烟、排险初喷混凝土、瞄杆、出渣开挖质量检查初期支护钻爆设计超前支护仰拱、拱墙复合初砌施工结束调整钻爆参数台车(台架)就位不合格台阶法施工工艺流程图三、台阶法施工步序说 明:1、上部开挖;Ⅱ、上部初期支护;3、下部开挖;Ⅳ、下部初期支护;5、底部开挖(捡底);Ⅵ、仰拱及混凝土填充;Ⅶ、二次衬砌;台阶法施工步序图Ⅳ级围岩台阶法断面示意图Ⅴ级围岩台阶法断面示意图1、施工工序说明(1)开挖1 部台阶,施作 1 部洞身结构的初期支护。
施工临时横撑(仅适用于台阶法加临时横撑)或临时仰拱(仅适用于台阶法加临时仰拱)(2)上台阶施工至适当距离后,分左右开挖3部,左右要错开3米,施作洞身结构的初期支护。
(3)灌筑该段Ⅵ部底板(或仰拱)。
(4)利用衬砌模板台车一次性灌筑Ⅶ部二次衬砌(拱墙衬砌一次施作)。
2、开挖尺寸要求建议上下台阶分界为轨顶上197cm(此处为钢架直线与圆弧交汇处)。
现场要形成明显的上、下台阶施工工作面。
3、台阶法施工要求(1)开挖进尺控制:台阶开挖循环进尺应根据围岩地质条件和初期支护钢架间距合理确定,上台阶每循环开挖支护进尺V、VI级围岩不应大于1榀钢架间距,IV级围岩不应大于2榀钢架间距,边墙开挖每循环开挖支护进尺不得大于2榀钢架间距。
(2)台阶高度、长度控制:采用台阶法开挖隧道时,应根据围岩条件,合理确定台阶长度和高度。
各部台阶长度不宜过长,上台阶长度不得大于10米,围岩稳定性较差时,台阶长度应控制在一倍洞径。
上、下台阶高度比例以1.5:1为宜。
下台阶开挖左、右侧应错开3m拱架的距离。
(3)临时支撑、临时仰拱:当钢架拱脚下沉或移时,应在上台阶底部设临时横撑或临时仰拱,若钢架拱顶发生明显下沉时,应设临时竖撑。
拆除临时支撑或临时仰拱时,应根据监控量测分析,确定拆除时间和长度,并不大于2榀钢架间距。
技术交底单(施工)SJL22页码共页编号:项目名称广东省连平(赣粤界)至从化公路施工单位合同段S18 监理单位交底范围隧道台阶方法施工技术交底一、交底内容(一)台阶法施工方法采用短台阶开挖法,见下图隧道正台阶法施工工艺图1)施工方法:先上台阶开挖及初期支护,再进行下台阶开挖、支护,对于土质围岩段采用机械配合人工开挖人,装载机装碴,运输汽车出碴。
采用钻爆法施工,上台阶超前不超过30m。
塑料导爆管非电起爆系统,毫秒微差有序起爆。
上半断面搭设简易开挖台架,采用风钻打眼、采用微震光面爆破。
下台阶采人工风钻打眼,一次性光面爆破施工。
爆破设计:A、设计原则a根据围岩特点合理选择周边眼间距及周边眼的最小抵抗线,辅助炮眼交错均匀布置,周边炮眼与辅助炮眼眼底在同一垂直面上,掏槽眼加深20cm。
b严格控制周边眼装药量,间隔装药,使药量沿炮眼全长均匀分布。
c选用低密度低爆速、低猛度的炸药,本工程采用乳化炸药,非电毫秒雷管起爆。
d采用微差爆破,周边眼采用导爆索起爆,以减小起爆时差。
B、钻爆参数的选择通过爆破试验确定爆破参数,试验时参照表4-1《光面爆破参数表》。
表4-1光面爆破参数表周边眼间距E(cm)周边眼最小抵抗线W(cm)相对距离E/W装药集中度q(kg/m)35~45 45~60 0.75~0.8 0.2~0.25C、掏槽方式采用中空直眼或斜眼掏槽。
直眼掏槽操作较简单,钻孔方向易掌握;当石质较硬、断面较大时,采用斜眼掏槽,以便减少钻眼数量。
D、装药结构及堵塞方式a装药结构周边眼:用小直径药卷间隔装药,岩石很软时采用导爆索代替药卷。
b堵塞方式:所有装药炮眼用炮泥堵塞,周边眼堵塞长度不小于30cm。
E、爆破效果监测及爆破设计优化a爆破效果检查检查项目主要有:断面周边超欠挖检查;开挖轮廓圆顺度,开挖面平整检查;爆破进尺是否达到爆破设计要求;爆出石碴块是否适合装碴要求;炮眼痕迹保存率, V级围岩≥60%并在开挖轮廓面上均匀分布;两次爆破衔接台阶不大于10cm。
中铁二局拉林铁路8标工程指挥部第四项目部技术交底登记表编号:新建川藏铁路拉萨至林芝LLZQ-8标隧道微台阶法开挖施工技术交底编制:_________________复核:_________________审核:_________________中铁二局拉林铁路LLZQ-8标段指挥部四项目部2023年12月隧道微台阶法开挖施工技术交底一、合用范围合用于朗镇二号隧道,则弄隧道暗洞段。
可根据现场实际情况,进行部分调整。
二、开挖台车微台阶台车加工图三、施工技术规定隧道开挖工艺流程见下图:上台阶开挖高度4.5米,长度3米;上下台阶同时掘进支护,每循环一榀。
四、施工方法1.微台阶法微台阶法施工工序横断面图微台阶法施工工序纵断面图2.施工工序1)开挖①②部;施做①②部台阶周边的初期支护:初喷4cm厚混凝土,铺设钢筋网,架立钢架(设锁脚锚管或锚杆),钻设径向锚杆后复喷混凝土至设计厚度;施做下一循环超前支护。
2)在滞后②部一段距离后,开挖③部;施做隧底喷混凝土。
3)在滞后③部一段距离后,灌注Ⅳ部仰拱及边墙基础。
4)灌注仰拱填充Ⅴ部至设计高度。
5)施工防排水工程;一次性灌注Ⅵ部拱墙衬砌。
五、施工注意事项及质量保证措施1.严格按照交底文献及规范规定进行施工。
2.开挖方式采用爆破开挖,爆破时严格控制炮眼深度及装药量。
3.开挖循环进尺:Ⅴ级围岩拱部≤0.8m,边墙≤1.6m,隧底≤3m;Ⅳ级围岩拱部≤1m,边墙≤2m,隧底≤3m。
4.三台阶及三台阶临时仰拱法各台阶高度可根据施工机具、人员等安排进行适当调整,各台阶长度为6~10m。
步距规定:Ⅴ级围岩掌子面至仰拱距离≤35m,二次衬砌位置距离掌子面≤70m;Ⅳ级围岩掌子面至仰拱距离≤50m,二次衬砌位置距离掌子面≤90m;。
5.当掩体破碎或稳定性较差时,必要时可采用预留核心土的方法施工。
6.为保证台阶转换处初支表面平整度,喷射砼施工完毕后及时清理钢架脚板部位回弹虚碴。
六、安全环水保规定1.进入施工区人员,必须按规定穿戴工作服、防护靴、安全帽和防尘口罩等安全防护用品。
下台阶、隧底开挖技术交底一、交底依据:1、《三棵树隧道》设计施工图纸及相关参考图;2、《铁路隧道施工规范》;3、《铁路隧道钻爆法施工工序及作业指南》;4、《铁路隧道工程施工质量验收标准》;5、《铁路工程施工安全技术标准》;6、《三棵树隧道施工组织设计》。
二、编制范围:三棵树隧道出口(DK992+190~DK992+040)段150米范围内为Ⅴ级围岩开挖作业。
三、开挖方法:人工手持风钻打眼、放炮,装载机、挖机装渣,自卸汽车运渣。
1、施工步骤:1)、下台阶开挖下台阶开挖前先进行测量放样,确定开挖轮廓线。
开挖进尺根据初期支护间距确定,最大不超过3米,并左右错开开挖,错开距离2~3米。
开挖后立即初喷4cm混凝土,及时进行锚杆、钢筋网系统支护,接长钢架,在钢架拱脚以上30cm 高度处,紧贴钢架两侧边沿按下倾角30º打设锁脚锚杆,锁脚锚杆与钢架牢固焊接、然后立即复喷混凝土至设计厚度(25cm)。
2)、隧底开挖隧底与下台阶前后错开开挖,错开距离不大于30米,隧底开挖前先进行测量放样,确定开挖轮廓线。
隧底开挖采用全幅分段开挖,上面架设仰拱栈桥,每循环开挖长度控制在2~3m。
当仰拱施工滞后下台阶开挖面30~40m时,停止前方工作面或距离跳槽进行隧底开挖。
短距离跳槽的次数不得多余3次,每次跳槽间隔不得大于10m。
隧底开挖后,及时清除虚渣、杂物、泥浆、积水,立即初喷3cm混凝土封闭岩面,按照设计要求安装仰拱钢架,复喷混凝土至设计厚度,使初期支护及时封闭成环。
2、工艺流程图:下台阶、隧底开挖施工工艺流程图1开挖透视图(示意)四、光面爆破施工1、爆破器材选择根据开挖断面形式及地质情况,爆破器材选用:有水地段周边眼采用防水乳化炸药,无水地段采用2号岩石硝铵炸药,周边眼采用φ25mm规格的光爆专用炸药,人工钻眼,φ32×200规格的炸药,引爆非电毫秒雷管,非电毫秒雷管用1-17段非电毫秒雷管跳段使用,传爆材料采用导爆管、导爆索。
光面爆破施工作业指导书1.适用范围2.施工准备2.1内业技术准备在开工前组织技术人员认真学习实施性施工组织设计、阅读、审核施工图纸,澄清有关技术问题,熟悉规范和技术标准。
制定施工安全保证措施,提出应急预案。
对施工人员进行上岗前技术培训,考核合格后持证上岗。
2.2外业技术准备进行线路复测及导线网加密布设的测量,进行现场地形地貌的踏勘,施工作业层中所涉及的各种外部技术数据搜集,为施工技术方案的比选提供依据。
3.技术要求洞身段开挖超前地质预报:采用地质超前预测预报系统对前方围岩进行超前探测,分析围岩的各种性能指标,以确定合理的施工方案。
施工测量放样:开挖前将控制开挖的中线、水平引至开挖部位掌子面,确定开挖轮廓。
根据钻爆设计布置好炮眼。
钻爆设计:岩石隧道开挖前,根据工程地质条件、开挖断面、开挖方法、掘进循环进尺、钻眼机具和爆破材料等进行钻爆设计。
其内容为:炮眼的布置、深度、斜率和数目,爆破器材、装药量和装药结构,起爆方式和爆破顺序,钻眼机具和钻眼要求等。
钻爆设计图应包括炮眼布置图、周边眼装药结构图、钻爆参数表、主要经济技术指标及必要的说明。
开挖作业照明安装,钻眼机具到位,高压风、水管的连接。
做好洞内、外排水系统,保证排水畅通。
规划弃碴位置,布置出碴路线,出碴设备准备。
4.施工程序与工艺流程4. 1施工程序:施工准备围岩处理测量放线钻孔装药爆破开挖洞身支护4. 25.施工要求5.1 施工准备开挖前应先进行测量放样,控制开挖的中线、水平引至开挖部位掌子面,确定开挖轮廓。
测量人员定出隧道中线和开挖轮廓线,用红油漆按钻爆布置画出炮眼位置,经检测合格后方可施工。
开挖作业照明安装,钻眼机具到位,高压风水管的连接,做好洞内、外排水系统,保证排水畅通,规划弃碴场位置,布设出碴路线,出碴设备准备。
5.2 施工工艺正洞洞身主要开挖方法根据设计要求,Ⅳ级围岩宜采用三台阶开挖法,Ⅴ级围岩宜采用三台阶预留核心土开挖法。
5.3洞身开挖方法工艺及施工工序V级围岩:上台阶环形开挖上台阶拱部初期支护上台阶核心土开挖下台阶开挖下台阶边墙初期支护隧道捡底及初期支护仰拱浇筑二次衬砌整体浇筑Ⅳ级围岩:上台阶开挖上台阶拱部初期支护下台阶开挖下台阶边墙初期支护隧道捡底及初期支护仰拱浇筑二次衬砌整体浇筑施工工艺流程及施工工序见下图。
中铁二局拉林铁路8标工程指挥部第四项目部
技术交底记录表
新建川藏铁路拉萨至林芝LLZQ-8标
隧道微台阶法
开挖施工技术交底
编制:_________________
复核:_________________
审核:_________________
中铁二局拉林铁路LLZQ-8标段指挥部四项目部
2015年12月
隧道微台阶法开挖施工技术交底
一、适用范围
适用于朗镇二号隧道,则弄隧道暗洞段。
可根据现场实际情况,进行部分调整。
二、开挖台车
微台阶台车加工图
三、施工技术要求
隧道开挖工艺流程见下图:
上台阶开挖高度4.5米,长度3米;上下台阶同时掘进支护,每循环一榀。
四、施工方法
1.微台阶法
微台阶法施工工序横断面图
微台阶法施工工序纵断面图
2.施工工序
1)开挖①②部;施做①②部台阶周边的初期支护:初喷4cm厚混凝土,铺设钢筋网,架立钢架(设锁脚锚管或锚杆),钻设径向锚杆后复喷混凝土至设计厚度;施做下一循环超前支护。
2)在滞后②部一段距离后,开挖③部;施做隧底喷混凝土。
3)在滞后③部一段距离后,灌注Ⅳ部仰拱及边墙基础。
4)灌注仰拱填充Ⅴ部至设计高度。
5)施工防排水工程;一次性灌注Ⅵ部拱墙衬砌。
五、施工注意事项及质量保证措施
1.严格按照交底文件及规范要求进行施工。
2.开挖方式采用爆破开挖,爆破时严格控制炮眼深度及装药量。
3.开挖循环进尺:Ⅴ级围岩拱部≤0.8m,边墙≤1.6m,隧底≤3m;Ⅳ级围岩拱部≤1m,边墙≤2m,隧底≤3m。
4.三台阶及三台阶临时仰拱法各台阶高度可根据施工机具、人员等安排进行适当调整,各台阶长度为6~10m。
步距要求:Ⅴ级围岩掌子面至仰拱距离≤35m,二次衬砌位置距离掌子面≤70m;Ⅳ级围岩掌子面至仰拱距离≤50m,二次衬砌位置距离掌子面≤90m;。
5.当掩体破碎或稳定性较差时,必要时可采取预留核心土的方法施工。
6.为保证台阶转换处初支表面平整度,喷射砼施工完成后及时清理钢架脚板部位回弹虚碴。
六、安全环水保要求
1.进入施工区人员,必须按规定穿戴工作服、防护靴、安全帽和防尘口罩等安全防护用品。
2.施工人员经培训合格后上岗,特种作业人员必须持证上岗。
3.按环保部门要求集中处理施工和生活中产生的污水及废水。
4.24小时不间断通风,保证洞内人员和施工要求的作业环境。