甘肃省公路工程工地试验室登记备案实施细则
- 格式:doc
- 大小:313.00 KB
- 文档页数:33
甘肃省交通运输厅关于印发甘肃省2022年公路建设领域管理和质量“双提升”行动方案的通知文章属性•【制定机关】甘肃省交通运输厅•【公布日期】2022.03.30•【字号】甘交建设函〔2022〕68号•【施行日期】2022.03.30•【效力等级】地方规范性文件•【时效性】现行有效•【主题分类】工程质量安全监管正文甘肃省交通运输厅关于印发《甘肃省2022年公路建设领域管理和质量“双提升”行动方案》的通知各市(州,矿区)交通运输局(委),兰州新区城乡建设和交通管理局,省公航旅集团、省公交建集团,省交投公司,各相关勘察设计、试验检测、施工、监理单位,省交通建设质量中心:为深入贯彻落实交通强国、质量强国等发展战略,进一步提升“十四五”公路建设领域管理和质量水平,持续推进“平安百年品质工程”建设,推动“行业管理提升年”活动取得实效,省厅组织制定了《甘肃省2022年公路建设领域管理和质量“双提升”行动方案》,现予印发,请各单位遵照执行。
甘肃省交通运输厅2022年3月30日甘肃省2022年公路建设领域管理和质量“双提升”行动方案为进一步提升全省公路建设领域质量和管理水平,推动省交通运输厅“行业管理提升年”活动贯彻落实,进一步提升办事效能、服务水平,推动全省交通运输高质量发展,当好甘肃现代化开路先锋,根据省交通运输厅2022年交通运输工作会议精神,结合我省公路工程建设实际状况,全省公路工程建设要紧扣“平安百年品质工程建设”这条主线,通过实施质量和管理“双提升”行动,不断加快推进交通强国甘肃实践进程,现制定如下实施方案:一、指导思想坚持以习近平新时代中国特色社会主义思想为指导,以交通强国、质量强国建设为统领,建设项目要立足新发展阶段、贯彻新发展理念,构建新发展格局,促进高质量发展,持续推进“平安百年品质工程”建设,推动我省公路建设质量和管理水平全面提升。
二、活动目标通过实施“双提升”行动,解决一批在公路建设领域突出的质量和管理问题,提高全省公路建设项目质量和管理水平。
工地试验室(对内授权)监督管理办法中交路桥技术有限公司试验检测中心2013年02月20日工地试验室(对内授权)监督管理办法第一章总则第一条为规范中交路桥技术有限公司授权工地试验室的试验检测活动,保证工程质量及试验检测工作质量,依据《公路水运工程试验检测管理办法》(交通部令2005年第12号)、《公路水运工程试验检测信用评价办法》(交质监发[2009]318号)、《关于进一步加强公路水运工程工地试验室管理工作的意见》(厅质监字[2009]183号)、《工地试验室标准化建设要点的通知》(厅质监字[2012]200号)、《交通运输部关于进一步加强和规范公路水运工程试验检测工作的若干意见》(交质监发[2013]114号)等法律法规,制定本办法。
第二条中交路桥技术有限公司试验检测中心(以下简称“检测中心”)根据交通建设行业法律法规和工程质量控制需要,对检测中心授权的工地试验室进行监督管理。
第三条凡属检测中心内部授权成立的工地试验室,均应遵守本办法。
第四条本办法所称工地试验室,是指工程项目中标后依据合同要求组建的临时工地试验室(包括业主和监理的中心试验室),在检测中心授权的业务范围内开展试验检测活动的临时工地试验室。
第五条本办法所称试验检测人员(以下简称检测人员),是指具备相应专业公路工程试验检测知识、能力,经考试合格取得试验检测资格证书,并承担相应公路工程试验检测业务的专业技术人员。
第六条检测中心授权建立的工地试验室应当遵循规范、科学、公正、服务的原则,严格在试验检测中心授权的业务范围内,按照国家和行业标准、规范、规程以及合同约定,独立开展各项试验检测工作。
第七条检测中心授权建立的工地试验室,除严格按照授权业务范围开展各项试验检测工作,接受检测中心的监督管理外,还应接受建设单位(业主)、所属省级交通质量监督机构、交通部质量监督机构的监督和管理。
第八条授权工地试验室的试验检测人员由检测中心派出,并向检测中心负责,按规定持证上岗。
公路工程工地临时试验室资质申报一、背景介绍为了保证公路工程建设的顺利进行和质量安全,要求临时设立试验室,进行检测和实验。
而根据国家有关规定,公路工程工地临时试验室需要具备一定的资质,才可以开展实验和检测工作。
本文将从申报资质的流程、要求以及注意事项等方面进行阐述。
二、资质申报流程1. 准备材料•临时试验室现场平面图;•完整临时试验室的相关设备清单;•检测设备的检定证书;•检测人员的个人相关证书;•其他相关证明材料。
2. 自查资质要求在提交资料前,需要确保符合以下要求: * 临时试验室必须建立在公路工程工地内,并与相关工程项目直接相关; * 临时试验室必须符合国家及行业相关规范标准; * 临时试验室所检测项目必须在资质范围内。
3. 提交申请材料提交申请材料,需向所在地省级公路行政主管部门提交申请。
申请材料主要包括: * 《公路工程工地临时试验室资质申请表》; * 其他所需资料材料原件和复印件。
4. 审核及核准公路行政主管部门对提交的申请材料进行审核,并在规定时间内作出审核决定,审核合格的申请,经上级部门批准后核准颁发《公路工程工地临时试验室资质证书》。
三、申报要求1. 临时试验室设施条件临时试验室应该具备以下基本设施条件: * 通讯设施和照明设施; * 安全防护设施; * 不受环境因素影响的检测仪器设备; * CHECKING更新的计算机设备。
2. 检测仪器设备要求临时试验室所使用的检测仪器设备需要具有以下特点: * 检测仪器设备必须具有较高的精度和准确性; * 检测仪器设备必须具备稳定性和可靠性; * 检测仪器设备必须经过定期校验和检验。
3. 检测人员的要求临时试验室在使用前必须抽认相应的技术人员,检测人员需要具备以下要求:* 检测人员必须具备正规大专学历或以上学历; * 检测人员必须具备相关职称或资格,或者参加了专业培训并取得合格证书; * 检测人员必须具有良好的职业道德和职业素养,保证检测结果的真实、准确、可靠。
甘肃省公路工程工地试验室试验检测编号规则为进一步提高我省试验检测资料的规范性,便于资料的归档、存放、检索及检查,现制定我省试验检测编号的规则,具体方法如下:一、委托编号1、委托编号的构成:年度号-WT-序号。
例如,2007-WT-00012、编制说明:(1)、年度号统一用当前年份表示,用数字形式。
例如,2007。
(2)、序号根据来样委托的顺序进行流水编号,不允许断号,重号。
序号的位数由各单位根据实际需要,自行定义。
在编号产生后,不允许随意更改序号的位数。
序号由“1”起编,不足位数用“0”补齐。
(3)、年度号更新后,序号从“1”开始重新起编。
二、取样单编号1、取样单编号的构成:年度号-QY-序号。
例如,2007-QY-00012、编制说明:(1)、年度号统一用当前年份表示,用数字形式。
例如,2007。
(2)、序号根据取样的顺序进行流水编号,不允许断号,重号。
序号的位数由各单位根据实际需要,自行定义。
在编号产生后,不允许随意更改序号的位数。
序号由“1”起编,不足位数用“0”补齐。
(3)、年度号更新后,序号从“1”开始重新起编。
三、试验编号1、试验编号的构成:年度号-试验代码-序号。
例如,2007-JS-00012、编制说明:(1)、年度号统一用当前年份表示,用数字形式。
例如,2007。
(2)、序号根据试验报告的顺序进行流水编号,试验报告不允许断号,重号。
试验原始记录的试验编号应与试验报告的试验编号相同,序号的位数由各单位根据实际需要,自行定义。
在编号产生后,不允许随意更改序号的位数。
序号由“1”起编,不足位数用“0”补齐。
(3)、年度号更新后,序号从“1”开始重新起编。
(4)、试验代码代表某一类试验或一项试验,便于分类管理。
试验代码祥见附表1。
四、各类编号的使用1、委托单必须注明委托编号,同一委托编号下,可以登记多组、多种样品。
各个样品用样品编号进行区别。
2、试验报告、试验记录必须同时注明委托编号(取样单编号)和试验编号。
关于工地试验室及施工现场专项检测备案登记申请书填写要求的通知编号: TZ-2017-08 各生产部门:为了规范工地试验室及施工现场专项检测机构备案登记申请书的填写,依据省质监局《关于印发<甘肃省公路工程工地试验室验收备案实施细则>的通知》甘交质监【2012】148号文、交通厅《关于加强全省公路水运工程现场专项检测市场管理工作的通知》甘交建【2009】43号文以及质监局的要求,我中心将《授权工地试验室(专项检测机构)审查表》、《公路水运工程施工现场专项检测机构备案登记申请书》和《公路水运工程工地试验室备案登记申请书》进行整理,现随文下发,具体模板详见附件一、附件二和附件三。
请各部门相关人员在准备备案材料时,正确应用。
特此通知附件一:《授权工地试验室(专项检测机构)审查表》附件二:《公路水运工程施工现场专项检测机构备案登记申请书》附件三:《公路水运工程工地试验室备案登记申请书》甘肃省公路工程质量试验检测中心有限公司2017年3月22日附件一授权工地试验室(专项检测机构)审查表编号:SQSC2017-XXX附件二公路水运工程施工现场专项检测机构设立授权书编号:SQS-2017-XXX因(填写工程名称)工程建设的需要,决定设立(母体试验检测机构名称)+项目名称+专业名称+标段+项目部工地机构,授权启用工地机构公章:项目名称+专业名称+标段+项目部,授权同志为工地机构负责人(检测工程师证书编号:),负责工地机构的管理工作。
授权开展的试验检测项目及参数为:(按照《等级证书》中试验参数的格式填写)授权有效期:年月日至年月日。
授权机构等级专用标识章:检测机构:(章)授权人单位负责人签字:年月日公路水运工程施工现场专项检测机构备案登记申请书专项检测机构:(章)备案日期:年月日甘肃省交通基建工程质量监督站制填表须知一、本表统一采用A4尺寸纸张,内容必须打印,检测机构对填表内容的真实、可靠性负责。
二、本表可复印,填写的内容受表格限制时,可按本表格格式增加附页,但须连同正页编第页,共页。
甘肃省公路水运工程试验检测管理办法第一章总则第一条为规范我省公路水运工程试验检测行为~保证试验检测工作质量~根据《建设工程质量管理条例》、交通运输部《公路工程竣,交,工验收办法》、《公路水运工程试验检测管理办法》等规定~结合我省实际~制定本办法。
第二条本办法所称公路水运工程试验检测~是指根据国家有关法律、法规、规章等规定~依据工程建设技术标准、规范、规程~对公路水运工程所用材料、构件、工程制品、工程实体的质量和技术指标等进行的试验检测活动。
本办法所称公路水运工程试验检测机构,以下简称检测机构,~是指承担公路水运工程试验检测业务~并对试验检测结果承担责任的机构。
本办法所称公路水运工程试验检测人员,以下简称检测人员,~是指通过公路水运工程试验检测业务考试~具备相应公路水运工程试验检测知识、能力~并承担相应公路水运工程试验检测业务的专业技术人员。
第三条在我省从事公路水运工程试验检测活动的检测机构和检测人员应当遵守本办法。
第四条公路水运工程试验检测活动应当遵循科学、客观、严谨、公正的原则。
第五条省交通运输厅负责本省公路水运工程试验检测活动的监督管理~省交通基建工程质监站具体实施本省公路水运工程试验检测活动的监督管理。
各市交通局负责本行政区域内所属公路水运工程试验检测活动的监督管理~其所属交通工程质监站具体实施本行政区域内所属公路水运工程试验检测活动的监督管理。
第二章检测机构与检测人员管理第六条从事公路水运工程试验检测活动的检测机构应当取得《公路水运工程试验检测等级证书》,以下简称《等级证书》,~并在《等级证书》核定的专业、项目参数范围内开展试验检测活动。
第七条取得《等级证书》并通过计量认证的检测机构~可向社会提供试验检测服务~在《等级证书》核定的专业、项目参数范围内出具的试验检测报告~可作为公路水运工程质量评定和工程验收的依据。
检测机构依据合同承担公路水运工程试验检测业务~不得转包、违规分包。
第八条公路水运工程质量事故鉴定、大型水运工程项目和高速公路项目验收的质量鉴定检测~省交通基建工程质监站应当委托通过计量认证并具有甲级或者相应专项能力等级的检测机构承担。
公路工程工地试验室备案流程1. 前言在公路工程中,试验室就像是个“隐形的守护神”,负责确保我们的道路坚固耐用,真是个不可或缺的小帮手。
今天,我们就来聊聊公路工程工地试验室的备案流程。
别担心,咱们轻松点,像喝茶聊天一样。
备案流程其实没那么复杂,跟我来,咱们一步一步捋顺。
2. 备案的必要性2.1 为啥要备案?首先,备案可不是随便来的。
备案的目的就像是给你的试验室打个“身份证”,让大家知道你这地方靠谱,能拿出真正的干货。
想想看,假如一个试验室没有备案,谁敢放心把材料和数据交给你?这就好比去吃饭,菜单上什么都没有,光一张白纸,谁愿意点菜呀?2.2 省心又省力备案了,心里也就踏实了。
各类检查、审查来临时,有个“合法身份”在手,心中不慌不忙。
试验室的设备、人员资质,通通都能显示得清清楚楚,真是“事半功倍”!当然,备案也是法律的要求,不弄明白,可能还会招来一大堆麻烦,那可就得不偿失了。
3. 备案流程3.1 资料准备接下来,就是“准备资料”的大戏了。
这个步骤就像备战考试,材料要齐全,绝不能漏掉。
你得准备试验室的相关资料,包括人员资质、设备清单,还有一些具体的试验方法、标准等等。
好比你在收拾行李,衣服、护照、机票一个都不能少,没准还得临时找个袋子装东西,别让人家觉得你不靠谱。
3.2 填写申请表接着,咱们要填写申请表,这可是一项“重要任务”哦。
这个表格上,你得如实填写各项信息,千万别弄虚作假!这就像写作文,得把你想表达的都写进去,太多“华丽”的词儿也不行,简单明了就好。
写完后,记得再检查一遍,避免错别字,一字之差,可能就让你的备案延误。
3.3 提交审核准备齐全后,就可以向相关部门提交申请了。
这一步就像是把你的“求职信”递出去了,紧张又期待。
一般来说,审核的时间不会太长,相关部门会根据你提交的材料进行核查。
如果一切顺利,接下来你就能收到备案的通知,心里那种“如释重负”的感觉,真是美滋滋。
4. 注意事项4.1 常见问题不过,在备案的过程中,总会有些小插曲,比如资料不全、信息不准确等问题。
甘肃省建设工程竣工验收备案制度实施细则第一条为了加强建设工程质量管理,保证建筑产品使用安全,根据国务院《建设工程质量管理条例》、省人民政府《甘肃省建设项目(工程)竣工验收暂行办法》(甘政发[1992]227号)、建设部《房屋建筑工程和市政基础设施工程竣工验收备案管理暂行办法》(建设部令第78号)、《房屋建筑工程和市政基础设施工程竣工验收暂行规定》(建建[2000]142号)等法规和规定,结合本省实际,制定本实施细则。
第二条凡在本省境内的各类建设工程,除国家和省上另有规定外,竣工验收备案均适用本细则。
第三条建设工程建成后,必须通过竣工验收,并向建设行政主管部门备案后方可投入正式使用。
第四条全省各级建设行政主管部门按照分级管理的原则负责竣工验收的监督和竣工验收备案管理工作。
第五条 ,经省人民政府确定的全省重点建设项目、列入重大建设工程管理的和省政府委托的其它大中型项目由省建设行政主管部门会同有关单位按照省政府《甘肃省建设项目(工程)竣工验收暂行办法》组织竣工验收。
其它建设工程由建设单位负责组织竣工验收,并向建设行政主管部门备案。
第六条建设工程竣工验收必须符合以下条件:(一) 已完成工程设计和合同约定的各项内容,达到竣工标准。
(二) 施工单位在工程完工后对工程质量进行了检查,确认工程质量符合有关法律、法规和工程建设强制性标准,符合设计文件及合同要求,并提出工程竣工报告。
工程竣工报告应经项目经理和施工单位负责人审核签字,并加盖公章。
(三) 委托监理的建设工程,监理单位应具有完整的监理资料,并提出工程质量评估报告。
工程质量评估报告应经总监理工|程师和监理单位有关负责人审核签字,并加盖公章。
(四) 勘察、设计单位对勘察、设计文件及施工过程中由设计单位签署、并经监理单位认可的设计变更通知书进行了检查,确认勘察、设计符合国家规范、标准要求,施工单位的工程质量(达到设计要求,并提出质量检查报告。
质量检查报告应经该项目勘察、设计负责人和勘察、设计单位负责人审核签字,并加盖公章。
0总则0.1目的: 为确保京包高速公路(五环路~六环路)工程的工程质量, 严格过程控制, 为生产、技术提供过程与最终检测结果, 京包高速公路(五环路~六环路)工程中心试验室(以下简称中心试验室)制订本制度,。
0.2本制度参照《关于进一步加强公路水运工程工地试验室管理工作的意见》厅质监字【2009】183号《公路水运工程试验检测信用评价办法(试行)》交质监发【2009】318号公司管理制度汇编(北京奥科瑞交通科技发展有限公司2003年度)北京奥科瑞检测技术开发有限公司质量手册程序文件(第B/0版发布日期2008年1月1日)京包高速公路(五环路~六环路)工程中心试验室试验项目和工作要求中心试验室在执行上述制度及文件基础上必须符合本细则0.3适用范围: 本中心试验室自建起到结束运营整个过程中。
1试验室组织机构1.1概况本试验室为工地临时性试验室, 是北京奥科瑞(逸群)交通科技发展有限公司试验检测中心(以下简称“试验检测中心”或“中心”)(交通部综合乙级试验检测机构)的派出机构。
包括钢材试验、土工试验、集料、石料、砂浆、石灰、粉煤灰、水泥及水泥混凝土、路面基层原材料及混合料、沥青及沥青混合料、路基路面结构物、地基承载力等13大类试验检测。
属项目部自控工程质量的中心, 试验报告具有自检效力。
试验室共15人: 试验室主任1人, 技术负责人1人, 试验工程师4人、试验员6人、后勤人员3人。
技术负责人为高级工程师、主任为工程师, 本中心试验室人员除后勤人员外工程师以上职称持交通部试验检测工程师证书, 试验员持交通部试验检测员证书;组织机构图如下:4对本项目必要的试验资料进行统计分析和总结, 当发现异常情况及时上报业主及上级试验室并同时上报质量监督部门。
5 制定试验人员的职责和工作纪律6进行新材料、新工艺、新技术及其检测方法的试验研究, 积极推广先进枝术和先进的测试手段。
2.2 试验室主任职责1、主持制订并贯彻质量检验的各项规章制度, 保证检测工作的公正性、科学性和准确性2、负责工地试验室全面工作, 管理配置的资源;3、负责安排试验室的试验、检测工作计划, 作出具体安排和实施, 发现问题及时解决。
甘肃省人民政府关于印发甘肃省重大项目管理办法(试行)的通知正文:---------------------------------------------------------------------------------------------------------------------------------------------------- 甘肃省人民政府关于印发甘肃省重大项目管理办法(试行)的通知(甘政发[2010]94号)各市、自治州人民政府,省政府各部门:现将《甘肃省重大项目管理办法(试行)》印发给你们,请遵照执行。
甘肃省人民政府二○一○年十一月二十五日甘肃省重大项目管理办法(试行)第一章总则第一条为加强和规范全省重大项目管理,确保项目顺利实施,提高投资效益,促进全省经济社会持续快速健康协调发展,根据《中华人民共和国招标投标法》、《国务院关于投资体制改革的决定》(国发〔2004〕20号)等法律法规和有关政策规定,结合我省实际,制定本办法。
第二条本办法所称省重大项目,是指符合国家产业政策和发展规划,能够有效带动区域经济和行业发展,促进产业结构优化升级,增强综合实力和发展后劲,对全省国民经济和社会发展有重大影响,并列入当年投资计划的骨干项目。
第三条省重大项目分为正式项目和预备项目。
正式项目是指列入当年全省重大项目投资计划,具备建设条件的重大续建项目和新开工项目。
预备项目是指按照国家、省上有关规划和计划,正在开展前期工作、争取当年内开工的重大项目。
第二章项目申报及确定第四条省重大项目申报范围:(一)我省境内的国家重点建设项目。
(二)对全省经济社会发展有重要推力的省内建设项目:基础产业和基础设施重大项目;特色优势产业、新兴产业和高新技术的重大项目;有重大影响的社会事业项目;节能减排、生态环保的重大项目;其他骨干项目。
第五条正式项目应具备以下条件:(一)项目建议书、可行性研究报告、初步设计或项目申请报告、项目申请备案表获得批准(核准、备案)。
甘肃省高速公路建设标准化管理指南 (2011版编制单位:甘肃省交通基建工程质量监督站 2011年 8月前言为全面贯彻落实全省交通运输工作会议精神,以推行高速公路建设标准化管理为手段,进一步提升我省高速公路建设管理水平,规范施工建设行为,细化和加强现场管控,确保工程质量,防止质量通病和安全责任事故发生,省交通质监站组织有关单位, 编制了《甘肃省高速公路建设标准化管理指南》。
本指南共分为三篇,第一篇为工地建设标准化,分为驻地、试验室、拌和站、钢筋加工场、预制场、临建、便道便桥、标识牌、临时用电等 11小节。
第二篇为工程施工标准化,分为路基、桥梁、路面和隧道四部分。
第三篇为工程管理标准化,主要由人员、制度、合同、质量、安全、进度、投资七部分构成。
本指南是在现行工程设计、施工、验收等相关标准、规范的基础上,根据我省多年来公路项目建设的实践经验编制而成。
每年年底,我厅将组织有关人员对《甘肃省高速公路施工标准化管理指南》进行修订,作为下一年标准化施工的依据,为全面推行施工标准化打好基础。
通过标准化管理,努力做到在技术上先进、管理上科学、经济上合理、安全上可靠。
本指南在制定过程中, 得到了甘肃路桥公路投资有限公司大力支持。
同时, 编写过程中甘肃路桥建设集团、甘肃省定额站、甘肃省监理公司、康临项目办、永古项目办、金武项目办等单位提出了宝贵意见,在此一并表示感谢。
甘肃省交通运输厅二〇一一年八月目录前言 (1)第一部分总则 . ......................................................................................................... 1 第二部分工地建设标准化 . ........................................................................................... 2 1 项目经理部驻地标准化 .......................................................................................... 2 1.1 场地选址 ..................................................................................................... 2 1.2 场地建设 ..................................................................................................... 2 1.3 办公室、生活用房 ....................................................................................... 3 1.4 项目部标志标牌 (4)1.5 污水及垃圾处理 (5)2 监理驻地标准化 (6)2.1 场地选址 ..................................................................................................... 6 2.2 场地建设 ..................................................................................................... 6 2.3 办公室、生活用房、试验室 . (6)2.4 污水及垃圾处理 (7)3 工地试验室 (8)3.1 场地选址 ..................................................................................................... 8 3.2 场地建设 ..................................................................................................... 8 3.3 工地试验室标示标牌 (12)3.4 工地试验室其他要求 (13)4 拌和站标准化 (14)4.1 场地选址 ................................................................................................... 14 4.2 场地布置 ................................................................................................... 14 4.3 场地建设 ................................................................................................... 15 4.4 搅拌机及部件 ............................................................................................ 15 4.5 材料存放 ................................................................................................... 16 4.6 拌合站的标示标牌 ..................................................................................... 16 4.7 拌和站生产能力 (17)4.8 文明施工 (18)5 钢筋加工场 (20)5.1 场地选址 ................................................................................................... 20 5.2 场地建设 ................................................................................................... 20 5.3 钢筋加工场标示标牌 ................................................................................. 21 5.4 加工能力和要求 (21)5.5 文明施工 (22)6 预制场标准化 (23)6.1 场地选址 ................................................................................................... 23 6.2 场地布置 ................................................................................................... 23 6.3 场地建设 ................................................................................................... 24 6.4 台座布设 ................................................................................................... 25 6.5 材料存放 ................................................................................................... 26 6.6 存梁管理 ................................................................................................... 26 6.7 预制场标示标牌 . (27)6.9 文明施工 (28)7 小型构件预制场标准化 ........................................................................................29 7.1 布置原则 ................................................................................................... 29 7.2 场地建设 ................................................................................................... 29 7.3 小型构件预制场标示标牌 .......................................................................... 29 7.4 设备配置 (30)7.5 文明施工 (30)8 隧道临建标准化 (31)8.1 场地布置 ................................................................................................... 31 8.2 门禁系统 ................................................................................................... 31 8.3 隧道施工供风、供水、供电 ....................................................................... 32 8.4 隧道弃渣场、自办料场、危险品库管理 ..................................................... 33 8.5 隧道洞口外排水及污水处理 ....................................................................... 34 8.6 隧道逃生救援通道 (34)8.7 文明施工 (35)9 施工便道、便桥标准化 ........................................................................................36 9.1 场地选址 ................................................................................................... 36 9.2 场地建设 ................................................................................................... 36 9.3 标志 .......................................................................................................... 37 9.4 养护 .......................................................................................................... 38 9.5 文明施工 ................................................................................................... 38 10 标识牌标准化 .................................................................................................... 39 10.1 室内部分 . ................................................................................................ 39 10.2 室外部分 . ................................................................................................ 39 10.3 文明施工 . ................................................................................................ 43 11 临时用电管理标准化 . ......................................................................................... 44 11.1 基本原则 . ................................................................................................ 44 11.2 电气设备管理 . ......................................................................................... 44 11.3 雨季施工用电 . ......................................................................................... 45 附件相关标识牌格式 ...................................................................................... 46 第三部分工程施工标准化 . ......................................................................................... 51 1 路基施工 ............................................................................................................. 51 1.1 一般规定 ................................................................................................... 51 1.2 路基土石方施工 ........................................................................................ 51 1.3 涵洞、通道工程 ........................................................................................ 54 1.4 排水、防护工程 (54)1.5 特殊地基处理 (55)2 桥梁施工 (56)2.1 一般规定 ................................................................................................... 56 2.2 桩基工程 ................................................................................................... 56 2.3 预制梁施工 ............................................................................................... 57 2.4 预制梁安装 ............................................................................................... 57 2.5 现浇梁施工 (58)3 路面施工 (59)3.1 一般规定 ................................................................................................... 59 3.2 进场主要机械设备数量和性能 ................................................................... 59 3.3 原材料选择 ............................................................................................... 60 3.4 原材料备料 ............................................................................................... 61 3.5 配合比设计和验证 . (62)3.6 推行路面技术服务 (63)4 隧道施工 (65)4.1 一般规定 ................................................................................................... 65 4.2 明洞工程 ................................................................................................... 65 4.3 洞口工程 ................................................................................................... 66 4.4 洞身开挖 ................................................................................................... 66 4.5 洞身衬砌 ................................................................................................... 67 4.6 防排水工程 ............................................................................................... 69 4.7 水泥混凝土路面 ........................................................................................ 70 第四部分工程管理标准化 . ......................................................................................... 71 1 人员管理标准化 ................................................................................................... 71 1.1 项目经理部 ............................................................................................... 71 1.2 监理驻地办 ............................................................................................... 72 1.3 工地试验室 ............................................................................................... 73 1.4 人员培训 (74)1.5 劳务人员管理 (75)2 管理制度标准化 (79)2.1 技术管理制度 ............................................................................................ 79 2.2 质量管理制度 ............................................................................................ 79 2.3 安全管理制度 ............................................................................................ 79 2.4 计财管理制度 (79)2.5 综合管理制度 (79)3 合同管理标准化 (80)4 质量管理标准化 (83)5 安全管理标准化 (84)6 进度管理标准化 (85)7 投资管理标准化 (86)第一部分总则1、本指南适用于新建高速公路、改(扩建高速公路项目和一级公路建设项目,二级及以下等级公路可参照执行。
甘肃省公路工程工地试验室验收备案实施细则第一章总则第一条为了规范甘肃省公路工程工地试验室(以下简称工地试验室)备案工作,依据交通运输部《公路水运工程试验检测管理办法》、《公路水运工程试验检测信用评价办法》、《关于进一步加强公路水运工程工地试验室管理工作的意见》(厅质监字[2009]183号)和《甘肃省公路水运工程试验检测管理办法》,并结合我省公路工程试验检测工作的具体情况,制定本细则。
第二条新建、改建、扩建的二级及以上等级公路工程,其设立在工地现场从事试验检测工作的中心试验室和施工、监理单位的工地试验室,适用本细则。
其他公路工程可参照执行。
第三条甘肃省交通基建工程质量监督站(以下简称省站)受甘肃省交通运输厅的委托负责全省公路工程工地试验室备案监督管理工作,并对所监督工程的工地试验室具体实施备案登记工作。
市(州)公路工程质量监督站受市(州)交通运输局委托负责对所监督工程的工地试验室具体实施备案登记工作。
第二章母体检测机构第四条在我省公路建设项目设立工地试验室的母体试验检测机构,应同时具备下列条件:1、已取得交通行业试验检测机构“等级证书”,且等级证书中试验项目及参数能满足施工现场检测工作需要;2、在工地试验室备案登记前已完成本年度母体检测机构在我省的备案登记工作;3、此前连续两年信用评价结果无信用较差(C级)或信用很差(D级);4、授委托设立工地试验室的母体试验检测机构还应取得“计量认证证书”。
第五条母体试验检测机构在我省设立工地试验室前,应向省站提交“甘肃省母体试验检测机构备案登记申请表”(附件一)和“等级证书”、“计量认证证书”原件及复印件。
省站对该机构的业绩、信用等级等进行审查,满足条件的发给“甘肃省母体试验检测机构备案通知书”(附件二)。
取得“甘肃省母体试验检测机构备案通知书”的试验检测机构方可在我省公路建设项目设立工地试验室。
第三章工地试验室的备案第六条建设单位应依据《甘肃省公路工程工地试验室合格标准》(附件三),并结合项目实际情况在招标文件、合同文件中明确工地试验室的检测能力、人员、仪器设备配备要求,在项目中标通知书发送或合同签订后督促中标单位在30天内完成工地试验室的建设,45天内完成仪器设备的安装、调试。
G244线装扮梁至庆城公路试验段工程试验检测管理办法中交路桥技术有限公司G244线装扮梁至庆城公路试验段工程中心试验室2017年2月试验检测治理方法一分则第一条为充分发挥试验检测工作在工程质量治理和指导施工方面的作用,使试验室各项试验检测工作科学化、规范化、制度化,为工程施工和工程质量评定提供可靠的数据,依照有关规范、标准,结合本项目工程实际情况,制定本方法。
第二条编制依据《公路水运工程试验检测治理方法》(交通部令2005年第12号)、《公路工程施工监理规范》(JTG G10-2016)、《公路工程质量检验评定标准》(JTG F80/1-2004)、《关于进一步规范甘肃省公路工程试验检测工作的通知》甘交质监〔2016〕111号及《甘肃省公路水运工程试验检测治理方法》。
第三条试验检测活动实行统一领导、分级治理、各负其责的原则。
项目业主、项目代建办对中心试验室的试验检测工作进行监督治理和指导。
中心试验室对监理驻地办、承包人工地试验室及施工现场的试验检测工作进行监督治理和指导。
驻地监理办对承包人工地试验室(含流淌试验室)、施工现场的试验检测工作进行监督治理。
二试验室组建差不多要求第四条本项目设置中心试验室、承包人工地试验室。
各试验室应配试验室主任1人、技术负责人1人及试验检测工程师和试验检测员若干,同时应满足《甘肃省公路工程工地试验室验收备案实施细则》甘交质监〔2012〕148号要求,各级试验室的驻地建设必须满足合同、招标文件的要求以及甘肃省交通工程质量安全监督治理局(以下简称政府质量监督部门)的相关文件规定。
第五条各级试验室应在项目正式开工前完成备案登记工作,未经政府质量监督部门进行能力核验或核验不合格的,未登记备案的,均不得开展试验检测工作。
第六条各工地试验室应依照母体机构质量体系文件相关要求,结合本项目具体特点,充分考虑工地试验室工程现场检测的差不多属性,编制简洁、适用、针对性强且可操作性强的各项试验检测制度和操作规程,并按要求上墙。
三、工地试验室申报备案程序一、申报备案1.条件:工程已纳入市交通质监局监督范围,申报单位完成工地试验室建设,试验人员定人、定岗、定责,工地试验室负责人具备试验检测工程师资格。
2.时间:与项目监督申请同步3.申报人及申报内容:项目法人组织施工、监理单位工地试验室申报备案,主要包含以下内容:(1)公路水运工程工地试验室申请备案表a、核查意见表b、含工地试验室基本情况登记表c、试验检测人员情况登记表①试验室负责人的有关证明材料②试验检测人员毕业证书、职称证书、资格证书、身份证及劳动合同的原件及复印件(原件验证后退回)d、试验检测仪器设备登级表e、试验检测项目一览表(2)母体试验检测机构对工地试验室授权书,母体试验检测机构《等级证书》副本的原件及复印件(原件验证后退回)(3)工作制度和管理制度a、组织与管理机构图b、试验检测人员岗位责任c、试验室管理及安全管理制度d、仪器设备的计量核定、校准及管理制度e、试验检测报告的审核、签发制度f、试验检测样品、资料、档案管理制度g、试验检测标准、规范、规程等技术文件齐全且现行有效(4)主要仪器设备操作规程(5)第三方试验检测机构(必须具备相应的公路或水运工程乙级及以上或专项类等级资质)设立的工地试验室除提交以上资料外还必须提供母体试验检测机构《计量认证合格证书》、委托合同的原件及复印件(原件验证后退回)二、审查施工或监理单位对工地试验室报备情况进行复核后,经项目业主检查同意(写明详细的检查意见)后向市交通质监局提交备案资料,市交通质监局在收到项目业主提交的备案资料后15个工作日内,对申请资料及工地试验室核查。
申报资料备案审查:审查施工或监理单位、项目业主的详细检查意见;资料是否按要求提供,是否齐全;母体试验检测机构资质及业务范围是否满足要求、申报的工地试验室主要试验检测人员资质情况、试验仪器与试验项目配套情况,能否满足工程检测需要;现场核查:实地核查工地试验室试验检测人员、仪器设备到位情况且与申报资料是否一致;仪器完好及标定情况;试验环境及制度建立上墙情况;必要时组织岗前考试。
甘肃省公路工程工地试验室验收备案实施细则第一章总则第一条为了规范甘肃省公路工程工地试验室(以下简称工地试验室)备案工作,依据交通运输部《公路水运工程试验检测管理办法》、《公路水运工程试验检测信用评价办法》、《关于进一步加强公路水运工程工地试验室管理工作的意见》(厅质监字[2009]183号)和《甘肃省公路水运工程试验检测管理办法》,并结合我省公路工程试验检测工作的具体情况,制定本细则。
第二条新建、改建、扩建的二级及以上等级公路工程,其设立在工地现场从事试验检测工作的中心试验室和施工、监理单位的工地试验室,适用本细则。
其他公路工程可参照执行。
第三条甘肃省交通基建工程质量监督站(以下简称省站)受甘肃省交通运输厅的委托负责全省公路工程工地试验室备案监督管理工作,并对所监督工程的工地试验室具体实施备案登记工作。
市(州)公路工程质量监督站受市(州)交通运输局委托负责对所监督工程的工地试验室具体实施备案登记工作。
第二章母体检测机构第四条在我省公路建设项目设立工地试验室的母体试验检测机构,应同时具备下列条件:1、已取得交通行业试验检测机构“等级证书”,且等级证书中试验项目及参数能满足施工现场检测工作需要;2、在工地试验室备案登记前已完成本年度母体检测机构在我省的备案登记工作;3、此前连续两年信用评价结果无信用较差(C级)或信用很差(D级);4、授委托设立工地试验室的母体试验检测机构还应取得“计量认证证书”。
第五条母体试验检测机构在我省设立工地试验室前,应向省站提交“甘肃省母体试验检测机构备案登记申请表”(附件一)和“等级证书”、“计量认证证书”原件及复印件。
省站对该机构的业绩、信用等级等进行审查,满足条件的发给“甘肃省母体试验检测机构备案通知书”(附件二)。
取得“甘肃省母体试验检测机构备案通知书”的试验检测机构方可在我省公路建设项目设立工地试验室。
第三章工地试验室的备案第六条建设单位应依据《甘肃省公路工程工地试验室合格标准》(附件三),并结合项目实际情况在招标文件、合同文件中明确工地试验室的检测能力、人员、仪器设备配备要求,在项目中标通知书发送或合同签订后督促中标单位在30天内完成工地试验室的建设,45天内完成仪器设备的安装、调试。
第七条母体检测机构应根据工程现场管理需要和合同约定,在工地试验室建设完成后,依据本机构质量管理体系的要求,对工地试验室进行自检。
自检通过后向工地试验室核发“公路水运工程工地试验室设立授权书”(附件四),并将经母体检测机构审查并盖章后的“公路水运工程工地试验室备案登记表”(附件五)一式三份报送至建设单位。
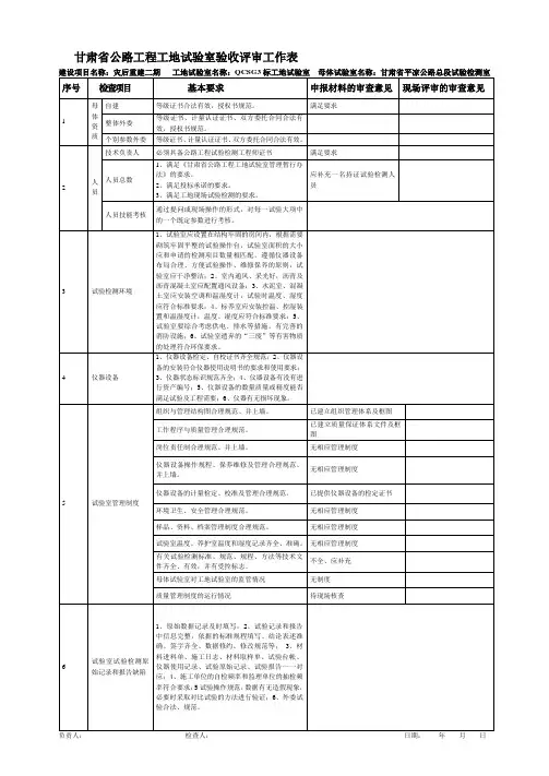
第六条工地试验室的验收工作由建设单位组织实施。
建设单位在收到工地试验室报送的备案登记资料后,应在10个工作日内组织专家组对备案登记材料进行审查,并对工地试验室进行现场验收,现场验收完成后专家组应向建设单位提交现场验收书面报告,项目质监机构可派监督人员对现场验收工作进行监督。
现场验收专家组成员应不少于三人,并由项目质监机构在甘肃省公路工程试验检测专家库中随机抽取专家组成。
建设单位在进行现场验收前应向项目质监机构提交“甘肃省公路工程工地试验室验收专家组申请表”(附件六),经项目质监机构随机抽取试验检测专家组成现场验收专家组后,向建设单位发出“甘肃省公路工程工地试验室验收专家组安排表”(附件七)。
第七条工地试验室现场验收合格后,建设单位应以正式文件的形式将审查并盖章后的《公路水运工程工地试验室备案登记表》一式三份连同专家组的现场验收情况书面报告及各工地试验室整改情况报告一并报送至项目质监机构。
第八条项目质监机构在收到建设单位报送的工地试验室备案登记资料后,应在5个工作日内完成对资料的审查。
对通过备案审查的工地试验室出具“公路水运工程工地试验室备案通知书”(附件八),并将备案登记资料签署意见后留存一份,将另外两份资料返还建设单位,建设单位和工地试验室各留存一份;对未通过备案的工地试验室出具“公路水运工程工地试验室不予备案通知书”(附件九)。
第四章已备案工地试验室信息变更第九条工地试验室授权负责人变更,需由母体检测机构提出申请,经项目建设单位同意后报项目质监机构备案;工地试验室除授权负责人以外的其他持证人员变更,应由工地试验室向建设单位提出申请,经建设单位同意后报项目质监机构备案。
第十条工地试验室已经备案试验项目或参数需变更时,需由母体检测机构对工地试验室补充授权,授权检测项目和参数不应超出《等级证书》核定的业务范围,并向建设单位提出申请,经项目建设单位同意后报项目质监机构备案。
第十一条工程未结束前,工地试验室原则上不得将现场的试验检测仪器设备移作他用。
确因试验检测项目结束,现场不需要的仪器设备,由母体检测机构向建设单位提出申请,经建设单位同意并报项目质监机构备案后可移作他用。
第十二条已备案工地试验室信息变更时应统一填写“甘肃省公路工程工地试验室变更申请表”(附件十),并按要求提供相应证明材料。
第五章工地试验室备案登记管理第十三条在甘肃省公路工程项目设立的工地试验室,应在项目正式开工前规定时间内完成备案登记工作。
项目开工后仍未取得“公路水运工程工地试验室备案通知书”的工地试验室不得开展试验检测工作,建设单位可通过招标或直接委托通过计量认证的第三方检测机构为该合同段设立工地试验室,并按本细则第二章规定办理备案登记。
第十四条工地试验室未取得“公路水运工程工地试验室备案通知书”,但实际已开展试验检测工作,建设单位应责令该工地试验室所承担检测任务的工程实体停工,并督促工地试验室在5个工作日内完成备案工作,到期工地试验室仍未取得“公路水运工程工地试验室备案通知书”,应依照本细则第十三条规定办理工地试验室的备案登记,在工地试验室完成备案登记后方可允许工程实体重新施工。
对工地试验室的违规行为,按照《公路水运工程试验检测信用评价办法》中相应条款扣分处理。
第十五条工地试验室如发生本细则第九条、第十条、第十一条中规定的变更内容而未做备案登记,按照《公路水运工程试验检测信用评价办法》中相应条款扣分处理。
第六章附则第十六条本细则由甘肃省交通基建工程质量监督站负责解释。
第十七条本细则自发布之日起施行。
附件一甘肃省母体试验检测机构备案登记申请表通知书”为准。
附件二甘肃省母体试验检测机构备案通知书编号:(母体试验检测机构):你机构报送的“甘肃省母体试验检测机构备案登记申请表”及相关附件收悉,满足《甘肃省公路水运工程试验检测管理办法》的有关规定,同意备案。
你机构应根据所承建工程现场管理需要和合同约定,在规定的时限内组建工地试验室,并督促工地试验室严格按照本机构质量管理体系文件的规定客观、公正、独立地开展检测工作,并对所出具的检测报告和检测结果的真实性和准确性负责。
相应责任由你机构及所设立工地试验室授权负责人承担。
特此通知。
质监机构(章)年月日附件三甘肃省公路工程工地试验室合格标准一、母体试验检测机构及试验检测人员要求1、设立工地试验室的试验检测机构必须取得交通质监机构颁发的《等级证书》,并在其《等级证书》核定的项目和参数范围内授权工地试验室从事现场试验检测活动。
通过投标或委托的第三方检测机构设立工地试验室时还应获得质量技术监督部门颁发的《计量认证证书》。
项目中心试验室的母体检测机构等级必须达到公路工程综合类乙级以上(含乙级)或公路工程专项类资质。
没有取得质监机构核发的《等级证书》的施工、监理单位的现场试验检测工作必须委托取得《等级证书》和《计量认证合格证书》的其他检测机构完成。
2、工地试验室应有持证(交通质监机构颁发的资格证)的试验检测人员6人以上,且持证人员均需在母体检测机构注册。
未持证的试验检测人员不得独立从事试验检测工作。
试验检测人员应熟练掌握业务范围内的公路工程试验检测的标准、规范、规程及仪器设备的原理、性能和操作,具有法定计量单位的基本知识和出具准确试验报告的能力。
对于承建路面工程的工地试验室试验人员及项目主要技术人员应取得我省岗前培训合格证(具体培训制度另行通知)。
3、工地试验室实行授权负责人责任制。
工地试验室授权负责人对工地试验室运行管理工作和试验检测活动全面负责,授权负责人必须是母体试验检测机构委派的正式聘用人员,且须持有试验检测工程师证书,职称应为工程师或高级工程师。
二、工地试验室试验检测项目和仪器设备基本要求1.路基工程2.路面工程三、工地试验室选址要求1、工地试验室使用房屋可采用自建活动板房,也可租用沿线合适的单位或民用房屋,必须满足安全和管理的要求,可以设在项目部,也可以设在集中拌和站,建议设置在集中拌和场或预制场附近,或至少在集中拌和场和预制场设试验站。
2、工地试验室选址应不受洪水、泥石流威胁,避免设在可能发生塌方、落实、滑坡、危岩等地质灾害区域,避开取土、弃土场地,离集中爆破区500m以外;同时确保有便利的交通条件和通电、通水、通信条件。
3、工地试验室选址应在周围无高频、高压电源,无工业震源及其它污染源的区域。
四、工地试验室建设1、工地试验室各专业室应单独设置,保证用水、沉淀和排污便利,内墙全部采用乳白色涂料粉刷,内墙做踢脚线,地板应平整坚固,工作台应平整光洁,用房面积应满足下表要求。
工地试验室用房面积要求注:1、表内规定的用房面积不包括办公用房,工地试验室院落面积不小于200 m2;2、此表为强制性规定,当路基、路面试验室合建时,总面积为两者叠加,但共用部分的面积应进行相应的扣除;3、此表规定为高速公路项目强制性标准,其他等级公路项目可经建设单位核定后适当降低要求。
2、工地试验室各功能室面积要求见下表。
室内仪器、设备须满足施工生产的需要、布局合理,并根据需要砌筑牢固平整的试验操作台,每台仪器设备应配备专用电源插座。
标养室应采用喷雾养生,水泥室应配置空调。
工地试验室各功能室面积要求注:此表规定为高速公路项目强制性标准,其他等级公路项目可经建设单位核定后适当降低要求。
3、试验室应建立以下各项管理制度及操作规程,并悬挂上墙:1)组织与管理结构图试验室管理制度;2)工作程序与质量管理制度;3)部门职责及人员岗位职责;4)仪器设备管理制度和仪器设备操作规程;5)试验台账管理制度;6)试验检测报告的审核、签发制度;7)试验检测原始记录的填写、计算、复核、分析制度;8)资料档案保管制度;9)样品管理制度;10)事故分析报告程序;11)安全管理制度。
4、各功能室温、湿度控制应符合下列要求:水泥室:温度20±2℃,相对湿度>50%;水泥混凝土室:温度20±5℃,相对湿度>50%;标养室:温度20±2℃,湿度>95%,试块应放置在支架上,间距10-20mm,不得用水直接冲淋;力学室:温度10~35℃;其他专业室的温、湿度控制应保证人员工作舒适,不影响试验结果准确性。