干混预拌砂浆储料罐基础
- 格式:doc
- 大小:2.87 MB
- 文档页数:2
干混预拌砂浆储罐基础施工方案doc一、项目概述二、施工准备1.施工图纸和设计方案:根据相关设计要求和施工图纸,确定储罐基础的位置、尺寸和布置方式。
2.施工材料:确保施工材料的质量和数量充足。
主要包括水泥、砂石、钢筋和混凝土等。
3.施工设备:保证施工设备的正常运行,如挖掘机、水泥搅拌车、起重设备等。
4.施工人员:组织有经验的工人参与施工,确保施工质量和进度。
5.安全防护:设置合理的安全防护措施,提供个人防护装备,确保施工过程中的安全。
三、施工流程1.地面清理:清除现场杂物,确保施工区域整洁。
2.地基开挖:根据设计要求和施工图纸,在地面上进行合理的开挖,包括沉积层和承载层的清理和修整。
3.地基处理:将地面进行平整,打击填实,确保地基的承载力和稳定性。
4.基础浇筑:按照设计要求和施工图纸,将混凝土逐层浇筑到基础的模板中,同时搅拌均匀,确保基础的整体强度。
5.养护和固化:对浇筑完成的基础进行养护,保持湿润环境,同时在混凝土表面覆盖塑料薄膜,以防止过快的水分蒸发。
6.基础固定:在基础上安装固定卡和锚栓,将储罐与基础连接牢固。
四、质量控制1.施工过程中,严格按照设计要求和施工图纸进行施工,确保基础尺寸、标高和平整度等符合要求。
2.混凝土的配比和搅拌要求严格控制,确保混凝土质量和强度达标。
3.基础固定件的安装要牢固可靠,同时进行必要的力学计算和验算。
4.施工现场要进行必要的检测和监测,及时发现和解决施工过程中的质量问题。
五、安全措施1.施工现场要设置明显的安全警示牌和标志,以告知工人注意安全。
2.施工现场要进行实时巡视和监督,避免发生事故和注意事故。
3.施工过程中,工人必须佩戴必要的安全防护装备,如安全帽、安全鞋、防护眼镜等。
4.对于重要节点和关键环节,必须严格操作,确保施工质量和安全。
六、环境保护1.施工现场要与环境协调,保持周边环境的整洁和清爽。
2.废弃物的处理要按照相关政策和规定,合理分类并进行处理,减少对环境的污染。
干混砂浆储料罐基础图
1、为了保证连续式干混砂浆搅拌机及储料罐工作平稳和保证称重装置的精确显示,确保安全,延长其使用寿命,储料罐要安装在平整坚硬的混凝土基础上并高出周围路面,混凝土标号C25,地面耐受力大于10T/m2,平面度不大于4mm/m厚度不低于200mm并高出地面,以利排水。
基础的面积不小于3000m M 3000mm
2、储料罐安装应与地面垂直,其倾斜度不得大于0.5 °。
3、储料罐要安装在施工工地危险范围之外,尽可能减少搬动,防止工作地
点的掉落物。
—遷
由田
^4
储料M曲■示童鬲。
目录一.工程概况 (1)二.平面布置 (1)三.干混预拌砂浆储罐基础施工 (2)3.1干混预拌砂浆储罐基础参数 (2)3.2干混预拌砂浆储罐基础施工 (3)四、文明施工 (3)五、预拌砂浆机操作规程 (3)一.工程概况本项目用地位于长沙岳麓区洋湖街道,坪塘大道及连江路交汇处东北角。
用地西临坪塘大道,西北角临三环线辅道,北面临岳麓区第三小学,东临连塘路。
项目用地总面积81063㎡,净用地面积73009㎡,整体呈不规则型,南北向长约309m,东西向长约350m,沿连塘路一侧地势最高,沿西三环辅道一侧最低,目前用地内多为农田和农舍。
项目由湖南湘江新区投资集团有限公司开发,设计由1栋单层门卫楼(1#栋),3#栋多层综合楼(2#-4#栋),1栋多层体育馆(5#栋),1座垃圾收集站(6#栋),3栋多层教学楼(7#-9#栋),3栋多层宿舍楼(10#-12#栋),一个室外运动场组成,地下室工4处,2#-4#栋的地下室为车库及设备用房,7#东地下室为报告厅,8#、9#地下室为设备用房,10#-12#栋的地下室为厨房及餐厅。
应长沙市相关职能部门要求,砌筑、抹灰等部位均采用干混预拌砂浆。
因现场采用干混预拌砂浆,则需设置干混预拌砂浆储罐。
二.平面布置坪塘中学项目按进度分为两个施工区段,2#、3#、4#、5#、7#、8#、9#栋为一区先行施工,10#、11#、12#栋为二区、后续紧接一区流水施工(1#栋为门卫室、6#栋为地埋式垃圾站,最后与室外工程同时施工)。
现场目前一区共设置8个干混预拌砂浆储存罐,由湖南国宇建材有限公司生产。
1#、2#(水泥砂浆和混合砂浆分罐使用,下同)干混预拌砂浆储罐位于3#、4#栋之间靠坪塘大道处,主要负责2#、3#、4#栋砂浆的使用;3#、4#干混预拌砂浆储罐位于7#栋北向,主要负责7#栋砂浆的使用;5#、6#干混预拌砂浆储罐位于5#栋东侧,主要负责5#栋砂浆的使用,7#、8#干混预拌砂浆罐位于8#、9#栋之间北向,主要负责8#、9#栋砂浆的使用。
表C2-1
工程名称交底日期Xx
施工单位分项工程名称
交底提要干拌砂浆储罐基础
交底内容:
根据厂家提供的资料,干拌砂浆储罐基础参数如下:
1、根据施工现场条件,确定干拌砂浆储罐基础安装地点,确保地基受力层符合要求;
2、本工程基础采用早强混凝土,标号为C35;基础垫层混凝土标号为C20.干拌砂浆储蓄罐安装时混凝土强度需达到100%;
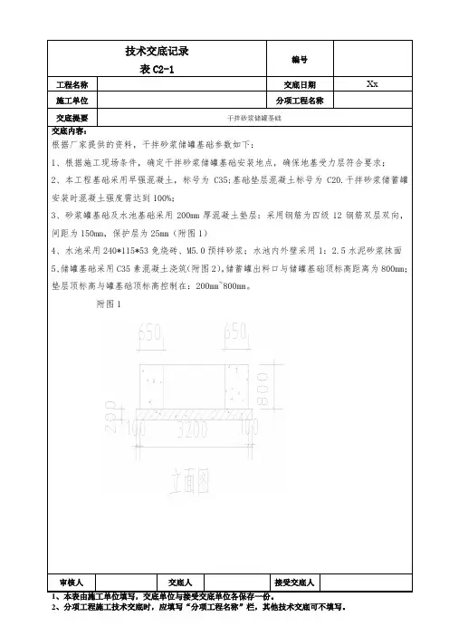
3、砂浆罐基础及水池基础采用200mm厚混凝土垫层:采用钢筋为四级12钢筋双层双向,间距为150mm,保护层为25mm(附图1)
4、水池采用240*115*53免烧砖、M5.0预拌砂浆;水池内外壁采用1:2.5水泥砂浆抹面
5、储罐基础采用C35素混凝土浇筑(附图2),储蓄罐出料口与储罐基础顶标高距离为800mm;垫层顶标高与罐基础顶标高控制在:200mm~800mm。
附图1
表C2-1
工程名称交底日期Xx 施工单位分项工程名称
交底提要干拌砂浆储罐基础
交底内容:
附图二。
干混预拌砂浆储罐基础施工方案一、前期准备工作1.基础设计:根据储罐的尺寸和重量要求,设计储罐基础的尺寸和深度。
保证基础能够承受储罐的负荷和外部荷载。
2.地质勘测:进行地质勘测,了解地下土层的情况和地下水位,为储罐基础的施工提供参考。
二、基础施工工序1.地面准备:清理施工现场,除去表面杂物和草坪,并在施工区域布置防护措施。
2.基础开挖:根据设计要求,在施工坑内开挖基础坑,保证基础的深度和尺寸。
同时,确保基础坑底平整,并进行必要的夯实处理。
3.基础模板制作:根据设计图纸,制作基础的模板。
模板材料通常选择优质木材,确保结构牢固和尺寸精准。
4.基础钢筋安装:根据设计要求,将钢筋按照标准进行预埋。
钢筋的选择和数量应符合规范要求。
5.混凝土浇筑:在基础坑内浇筑混凝土,确保混凝土的均匀性和密实性。
同时,使用振动器排除气泡并提高混凝土的密度。
6.基础养护:在混凝土浇筑后,进行养护工作。
使用喷水进行养护,保持混凝土的湿润状态,以增加混凝土的强度和耐久性。
7.基础验收:施工完成后,进行基础的验收工作。
包括对基础尺寸、表面平整度、质量等进行检查,确保基础符合设计要求和规范要求。
三、注意事项1.施工过程中要保证现场安全,设置施工警示标志和隔离措施。
2.建议在施工前进行地下管线的检查,避免损坏地下管线。
3.施工人员要佩戴劳动防护用品,确保施工人员的人身安全。
4.施工过程中要严格按照设计要求进行施工,确保基础的质量和稳定性。
5.施工完成后,及时清理施工现场,恢复原状。
本文主要介绍了干混预拌砂浆储罐基础施工方案。
在施工过程中,必须严格按照设计要求进行施工,并注意施工安全和质量控制。
只有这样,才能确保储罐基础的稳定性和耐久性,提高储罐的使用寿命。
干混预拌砂浆储罐基础施工方案简介干混预拌砂浆储罐基础施工方案是用于储存预先混合好的砂浆材料,以便于在施工过程中快速方便地供应和使用。
本文将详细介绍干混预拌砂浆储罐基础施工的步骤和要点。
施工前准备在进行干混预拌砂浆储罐基础施工之前,需要进行一系列准备工作,包括:1.定位:确定储罐基础的位置,确保与其他建筑结构和设备的协调。
2.勘测:对基础施工区域进行勘测,确定地基情况,为后续施工做准备。
3.材料准备:准备所需的施工材料,包括水泥、砂、碎石等。
4.设备准备:准备施工所需的设备,如搅拌机、打桩机等。
施工步骤1. 地基处理首先,对储罐基础的地基进行处理,包括清理表面的杂物、探测地基承载力等。
根据地基情况,选择合适的处理方法,如填土、夯实等。
2. 基础浇筑在地基处理完成后,进行基础的浇筑。
首先按设计要求搭建模板,然后进行混凝土的浇筑。
在浇筑过程中,要注意控制混凝土的质量和浇筑的均匀性。
3. 初步固化混凝土浇筑完成后,进行初步固化处理。
这个阶段是为了避免混凝土的裂缝和变形,可采取覆盖湿布、喷水等方式进行固化。
4. 后续处理最后,进行基础的后续处理工作,如拆除模板、清理工地等。
同时,对基础进行检查和验收,确保符合设计要求。
施工注意事项在干混预拌砂浆储罐基础施工过程中,需要注意以下事项:•遵循设计要求,严格控制各项施工参数;•保持施工现场整洁,避免混凝土受到污染;•严格按照施工工艺操作,确保施工质量;•注意施工安全,做好相关防护工作。
总结干混预拌砂浆储罐基础施工是建筑施工过程中重要的一环,正确的施工方案和注意事项对工程质量和进度至关重要。
通过本文介绍的施工步骤和要点,希望能够帮助相关人员更好地进行干混预拌砂浆储罐基础施工,确保施工质量和安全。
以上是干混预拌砂浆储罐基础施工方案的相关内容,希望对您有所帮助。
目录一.工程概况 (1)二.平面布置 (1)三. 干混预拌砂浆储罐基础施工 (2)3.1干混预拌砂浆储罐基础参数 (2)3.2干混预拌砂浆储罐基础施工 (4)四. 安全文明施工保证措施 (5)五、预拌砂浆机操作规程 (5)一.工程概况本项目用地位于长沙岳麓区洋湖街道,坪塘大道及连江路交汇处东北角。
用地西临坪塘大道,西北角临三环线辅道,北面临岳麓区第三小学,东临连塘路。
项目用地总面积81063㎡,净用地面积73009㎡,整体呈不规则型,南北向长约309m,东西向长约350m,沿连塘路一侧地势最高,沿西三环辅道一侧最低,目前用地内多为农田和农舍。
项目由湖南湘江新区投资集团有限公司开发,设计由1栋单层门卫楼(1#栋),3#栋多层综合楼(2#-4#栋),1栋多层体育馆(5#栋),1座垃圾收集站(6#栋),3栋多层教学楼(7#-9#栋),3栋多层宿舍楼(10#-12#栋),一个室外运动场组成,地下室工4处,2#-4#栋的地下室为车库及设备用房,7#东地下室为报告厅,8#、9#地下室为设备用房,10#-12#栋的地下室为厨房及餐厅。
应长沙市相关职能部门要求,砌筑、抹灰等部位均采用干混预拌砂浆。
因现场采用干混预拌砂浆,则需设置干混预拌砂浆储罐。
二.平面布置坪塘中学项目按进度分为两个施工区段,2#、3#、4#、5#、7#、8#、9#栋为一区先行施工,10#、11#、12#栋为二区、后续紧接一区流水施工(1#栋为门卫室、6#栋为地埋式垃圾站,最后与室外工程同时施工)。
现场目前一区共设置8个干混预拌砂浆储存罐,由湖南国宇建材有限公司生产。
1#、2#(水泥砂浆和混合砂浆分罐使用,下同)干混预拌砂浆储罐位于3#、4#栋之间靠坪塘大道处,主要负责2#、3#、4#栋砂浆的使用;3#、4#干混预拌砂浆储罐位于7#栋北向,主要负责7#栋砂浆的使用;5#、6#干混预拌砂浆储罐位于5#栋东侧,主要负责5#栋砂浆的使用,7#、8#干混预拌砂浆罐位于8#、9#栋之间北向,主要负责8#、9#栋砂浆的使用。
干混砂浆储料罐基础图(总1页)
--本页仅作为文档封面,使用时请直接删除即可--
--内页可以根据需求调整合适字体及大小--
干混砂浆储料罐基础图
1、为了保证连续式干混砂浆搅拌机及储料罐工作平稳和保证称重装置的精确显示,确保安全,延长其使用寿命,储料罐要安装在平整坚硬的混凝土基础上并高出周围路面,混凝土标号C25,地面耐受力大于10T/m2,平面度不大于
4mm/m,厚度不低于200mm,并高出地面,以利排水。
基础的面积不小于3000mm×3000mm。
2
、储料罐安装应与地面垂直,其倾斜度不得大于°。
3、储料罐要安装在施工工地危险范围之外,尽可能减少搬动,防止工作地点的掉落物。
2。
良渚新城小洋坝农居点二期工程干混预拌砂浆储蓄罐基础施工方案编制人:职务(称):审核人:职务(称):批准人:职务(称):批准部门(章):日期:浙江新盛建设集团有限公司二O一九年三月目录一.工程概况 -------------------------------------------------------------------------------------- 3二、编制依据 ----------------------------------------------------------------------------------- 4二.平面布置 -------------------------------------------------------------------------------------- 5三.干混预拌砂浆储罐基础施工 ------------------------------------------------------------ 53.1干混预拌砂浆储罐基础参数-------------------------------------------------------- 53.2干混预拌砂浆储罐基础施工-------------------------------------------------------- 7四、安全施工及保养---------------------------------------------------------------------------- 8五.文明施工------------------------------------------------------------------------------------- 8一.工程概况1、工程建设概况工程名称:良渚新城小洋坝农居点二期工程建设单位:杭州良渚文化城集团有限公司PPP项目公司:杭州城投良渚投资发展有限公司设计单位:浙江世华城建设计有限公司监理单位: 北京中联环建设工程管理有限公司勘察单位:浙江省化工工程地质勘察院施工单位:浙江新盛建设集团有限公司质安监部门:余杭区质量安全监督站建设地点:余杭区良渚新城勾庄南区,地块位于金昌路以南,祥园西路以东,西塘路以西,通运路以北。
干混砂浆储料罐根底图之公保含烟创作
1、为了担保延续式干混砂浆搅拌机及储料罐任务平稳和担保称重装置的准确显示,确保平安,延长其使用寿命,储料罐要装置在平整坚固的混凝土根底上并高出周围路面,混凝土标号C25,空中耐受力年夜于10T/m2,平面度不年夜于4mm/m,厚度不低于200mm,并高出空中,以利排水.根底的面积不小于3000mm×3000mm.
2、储料罐装置应与空中垂直,其倾斜度不得年夜于0.5°.
3、储料罐要装置在施工工地危险范围之外,尽能够增加挪动转移,避免任务所在的掉落
物.。
搞混砂浆储料罐前提图之阳早格格创做
1、为了包管连绝式搞混砂浆搅拌机及储料罐处事稳固战包管称沉拆置的透彻隐现,保证仄安,延少其使用寿命,储料罐要拆置正在仄坦脆硬的混凝土前提上并超过周围路里,混凝土标号C25,大天耐受力大于10T/m2,仄里度没有大于4mm/m,薄度没有矮于200mm,并超过大天,以利排火.前提的里积没有小于3000mm×3000mm.
2、储料罐拆置应取大天笔曲,其倾斜度没有得大于0.5°.
3、储料罐要拆置正在动工工天伤害范畴除中,尽大概缩小挪动变化,预防处事天面的掉降
物.。