土木工程力学(本)期末复习资料-2015
- 格式:doc
- 大小:3.00 MB
- 文档页数:39
复习指导:B64、不考虑杆件的轴向变形,竖向杆件的EI=常数。
图示体系的振动自由度为()A1C16、超静定结构产生内力的原因有()D以上三种原因(荷载温度、支座、制造)C17、超静定结构在荷载作用下产生的内力与刚度()A相对值有关C18、超静定结构在支座移动作用下产生的内力与刚度()C绝对值有关D28、对称结构作用正对称荷载时,对称轴穿过的截面()D既有轴力又有弯矩D29、对称结构在反对称荷载作用下,内力图中()A剪力图正对称D30、对称结构在反对称荷载作用下,内力图中()B弯矩图反对称D31、对称结构在正对称荷载作用下,内力图中()C剪力图反对称F68、反映结构动力特性的重要物理参数是()B自振频率G61、根据影响线的定义,图示悬臂梁A截面的剪力影响线在B点的纵坐标为()C1H49、汇交于一刚结点的各杆端弯矩分配系数之和等于()A1H57、绘制影响线采用的是()D单位移动荷载H66、忽略直杆轴向变形的影响,图示体系有振动自由度为()C4J1、静定结构产生位移的原因有()D以上四种原因(荷载温度、支座、制造)J2、静定结构由于温度变化、制造误差或支座位移,()C不发生变形,但产生位移J3、结构位移计算的一般公式根据什么原理推导的?()B虚功原理J13、静定结构的内力与刚度()D无关J54、静定结构内力与反力影响线的形状特征是()A直线段组成J55、机动法作静定梁影响线应用的原理为()C刚体虚功原理J56、机动法作静定梁影响线的假设为()A杆件为刚性杆J69、结构动力计算的基本未知量是()A质点位移J71、结构不考虑阻尼时的自振频率为w,考虑时为wD,两者关系()C w>wDL15、力法典型方程是根据以下哪个条件得到的()C多余的约束处的位移协调条件L20、力法的基本体系是()D几何不变体系L22、力法典型方程中的系数代表基本结构在()C Xj=1作用下产生的Xi方向的位移L48、力矩分配法的直接对象是()A杆端弯矩Q14、求图示结构AB两点的相对线位移,虚设力状态为图()AT4、图乘法的假设为()D同时满足以上条件(直线、常量、直杆)T5、图示简支梁中间截面的弯矩为()A ql2/8T6、图示悬臂梁中间截面的弯矩为()B ql2/8T7、图示梁AB在所示荷载作用下A截面的剪力为()A 2qlT8、图示结构AB杆件A截面的弯矩等于()B Fpl上侧受拉T9、图示结构的弯矩图形状应为()BT10、图示多跨静定梁的基本部分是()A ABC部分T11、图示多跨静定梁的基本部分是()A AB部分T12、图示结构当支座B有沉降时会产生()C位移T24、图示超静定结构的次数是()B7T25、图示结构的超静定次数是()D4T27、图示超静定结构的超静定次数是()C5T32、图示对称结构受反对称荷载的作用,利用对称性简化后的一半结构为()A图T33、图示对称结构杆件EI为常量,利用对称性简化后的一半结构为()A图T34、图示对称结构受正对称荷载作用,利用对称性简化后的半边结构为()A图T38、图示超静定结构用位移法求解,结点角位移的个数是()C4T39、图示超静定结构独立结点角位移的个数是()B3T45、图示结构杆件BA的B端转动刚度Sba为()C3T46、图示结构杆件BC的B端转动刚度Sbc为()D8T58、图示梁中Fya的影响线为()D图T60、图示梁A截面弯矩影响线是()A图T62、图示振动体系的自由度数目为()A1T63、图示结构中,除横梁外各杆件EI=常数。
电大本科土木工程力学期末考试复习题一、一、选择题1.用力法超静定构造时, 其基本未知量为(D)。
A.杆端弯矩B.结点角位移C.结点线位移D.多出未知力2.力法方程中旳系数代表基本体系在Xj=1作用下产生旳(C)。
A.XiB.XjC.Xi方向旳位移D.Xj方向旳位移3.在力法方程旳系数和自由项中(B)。
A. 恒不小于零B. 恒不小于零C. 恒不小于零D. 恒不小于零4.位移法经典方程实质上是( A )。
A.平衡方程B.位移条件C.物理关系D.位移互等定理5.位移法经典方程中旳系数代表在基本体系上产生旳(C )。
A.ZiB.ZjC.第i个附加约束中旳约束反力D.第j个附加约束中旳约束反力6、用位移法计算刚架, 常引入轴向刚度条件, 即“受弯直杆在变形后两端距离保持不变”。
此结论是由下述假定导出旳:(D )。
A.忽视受弯直杆旳轴向变形和剪切变形B、弯曲变形是微小旳C.变形后杆件截面仍与变形曲线相垂直D、假定A与B同步成立7、静定构造影响线旳形状特性是(A )。
A.直线段构成B.曲线段构成C.直线曲线混合D.变形体虚位移图8、图示构造某截面旳影响线已做出如图所示, 其中竖标yc, 是表达(C )。
A.P=1在E时, C截面旳弯矩值B.P=1在C时, A截面旳弯矩值C、P=1在C时, E截面旳弯矩值D、P=1在C时, D截面旳弯矩值+--1P9、绘制任一量值旳影响线时, 假定荷载是( A )。
A.一种方向不变旳单位移动荷载B 、移动荷载C 、动力荷载D 、可动荷载 10、在力矩分派法中传递系数C 与什么有关( D )。
A.荷载B.线刚度C.近端支承D.远端支承11.汇交于一刚结点旳各杆端弯矩分派系数之和等于( D )。
A.1B.0C.1/2D.-112、如下图所示, 若要增大其自然振频率w 值, 可以采用旳措施是( B )。
13、A.增大L B.增大EI C.增大m D.增大P图示体系不计阻尼旳稳态最大动位移 , 其最大动力弯矩为: (B ) 7Pl/3.... B. 4Pl/3..... C.Pl..... D.Pl/3(d)(c)16.图示各构造中, 除特殊注明者外, 各杆件EI=常数。
《土木工程力学》(本)期末综合复习题考核说明1.试题类型本课程试卷采用题型分为两种:判断题(25道)、选择题(25道小题)。
各类题型的分数大体比例分别为:判断题50%,选择题占50%。
2.考核形式本课程考核采用形成性考核和终结性考试相结合的方式。
考核总分为l00分,平时形成性考核占总分的30%;期末终结性考试占总分的70%。
期末考试采取纸考。
3.答题时限考试时间限为90分钟。
1129《土木工程力学》期末综合复习题一、单项选择题(每小题2分)1、只限物体任何方向移动,不限制物体转动的支座称()支座。
AA:固定铰B:可动铰C:固定端D:光滑面2、只限物体垂直于支承面方向的移动,不限制物体其它方向运动的支座称()支座。
BA:固定铰B:可动铰C:固定端D:光滑面3、既限制物体任何方向运动,又限制物体转动的支座称()支座。
CA:固定铰B:可动铰C:固定端D:光滑面4、力的作用线都相互平行的平面力系称()力系。
DA:空间平行B:空间一般C:平面一般D:平面平行5、力的作用线都汇交于一点的力系称()力系。
AA:空间汇交B:空间一般C:平面汇交D:平面一般6、力的作用线既不汇交于一点,又不相互平行的力系称()力系。
BA:空间汇交B:空间一般C:平面汇交D:平面一般7、平面汇交力系的力多边形如下图,平衡力系的力多边形为哪一个图()。
D图A图B图C图8、下图中AB两物体光滑接触,受力P作用,则AB两物体()。
CA:平衡B:不一定C:不平衡9、平面汇交力系平衡的必要和充分条件是该力系的()为零。
AA:合力B:合力偶C:主矢D:主矢和主矩10、平面力偶系合成的结果是一个()。
BA:合力B:合力偶C:主矩D:主矢和主矩11、平面平行力系合成的结果是()。
DA:合力B:合力偶C:主矩D:主矢和主矩12、图示力F=2KN对A点之矩为()kN·m。
AA:2B:4C:-2D:-413、轴向拉(压)时横截面上的正应力()分布。
【题库】土木工程力学(本)一、单项选择题1.结构位移计算公式利用什么推导的( )。
(1701)(1901)A. 功的互等定理B. 虚位移原理C.虚功原理D.反力互等定理答案:C.虚功原理2.超静定结构的超静定次数等于结构中( )。
(1701)(1707)(1901)(2007)(2101)(2107)A. 刚结点数B.独立的结点角位移数C.独立的结点线位移数D.多余约束的数目答案:D.多余约束的数目3.用力法计算超静定结构时,其基本未知量为( )。
(1701)(1901)(2107)A. 杆端弯矩B.结点角位移C.结点线位移D. 多余未知力答案:B.结点角位移4.图示超静定结构用位移法计算时,独立的结点角位移个数是( )。
(1701)A. 2B. 3C. 4D. 5答案:B. 35.用力矩分配法计算时,结点的不平衡力矩等于( )。
(1701)(2007)A. 固端弯矩B. 传递弯矩C. 分配弯矩D. 附加刚臂中的约束反力矩答案:D. 附加刚臂中的约束反力矩6.超静定结构在荷载作用下产生的内力与刚度( )。
(1701)(1801)(2001)A. 元关B. 相对值有关C. 绝对值有关D. 相对值绝对值都有关答案:B. 相对值有关7.根据影响线的定义,图示悬臂梁A截面的剪力影响线在B点的纵坐标为( )。
(1701)A. 1B.-4C. 4D. -1答案:A. 18.对称结构在正对称荷载作用下,内力图中( )。
(1701)(1707)(2001)A. 轴力图反对称B. 剪力图反对称C.弯矩图反对称D. 剪力图正对称答案:B. 剪力图反对称9.反映结构动力特性的重要物理参数是( )。
(1701)(1801)(1907)A. 初相角B. 初位移C.自振频率D.振幅答案:C.自振频率10.在图示结构中,为使体系自振频率减小,可以()(1701)(1801)(1901)A. 减小B. 减小C.减小 EID.减小L答案:C.减小EI11.静定结构产生内力的原因是()(1707)(2007)A.荷载作用B.支座位移C.温度变化D.制造误差答案:A.荷载作用12.图示简支梁中间截面的剪力为()(1707)(1907)(2001)答案:D.013.力法典型方程是根据以下哪个条件得到的?()(1707)(1807)A.结构的平衡条件B.结构的物理条件C.多余约束处的位移协调条件D.同时满足A、B两个条件答案:C.多余约束处的位移协调条件14.力法的基本体系是()(1707)(2101)A.一组单跨度超静定梁B.瞬变体系C.可变体系D.几何不变体系答案:D.几何不变体系15.用位移法计算超静定刚架时,独立的结点角位移数等于()(1707)(1807)A.铰结点数B.多余约束数C.刚结点数D.不确定答案:C.刚结点数16.用位移法求解图示结构时,基本未知量的个数是()(1707)(1907)A.2B.3C.4D.5答案:B.317.用力矩分配法计算超静定结构时,刚结点的不平衡力矩等于()(1707)(1907)A.外力矩B.附加刚臂中的约束反力矩B.杆端固端弯矩 D.杆端传递弯矩答案:B.附加刚臂中的约束反力矩18.机动法作静定梁影响线应用的原理为()(1707)A.变形体虚功原理B.互等定理C.刚体虚功原理D.叠加原理答案:C.刚体虚功原理19.静定结构由于支座位移,将()(1801)A. 发生变形和位移B. 不发生变形和位移C. 发生变形,但不产生位移D. 不发生变形,但产生位移答案:D. 不发生变形,但产生位移20.图示简支梁中间截面的弯矩为()(1801)答案:21.答案:(1801)22.对称结构在反对称荷载作用下,内力图中()(1801)(1901)A.剪力图反对称B.弯矩图反对称C.弯矩图正对称D.轴力图正对称答案:B.弯矩图反对称23.位移法典型方程是根据()列出的。
土木工程力学(本)期末复习学习方法与学习重点课程的重点章节为第1章、3章、4章、5章、6章。
大家在学习时可以在这些章节都花一些重点。
在刚开始学习前,先把绪论里的一些基本概念搞懂,然后是静定梁和刚架的内力图要熟练掌握,一定要把这部分的基础打牢,不要着急往后赶进度,超静定部分的重点放在力法和位移法,这两种方法的基本步骤要掌握。
提醒大家,学习结构力学只看书是不行的,一定要动手做一做计算题,可以自己把文字教材上重要的例题都做一遍,然后和教材比较,错在哪,为什么会错。
教材熟读了几遍以后,可以把往年的试题找一两份来练练手。
综合练习(选择题)1.静定结构由于温度变化,()A.发生变形和位移B.不发生变形和位移C.不发生变形,但产生位移D.发生变形,但不产生位移2.图示结构AB杆件A截面的弯矩等于()A.0 B.上侧受拉C.下侧受拉D.下侧受拉3.静定结构产生内力的原因有()A.荷载作用B.支座位移C.温度变化D.制造误差4.超静定结构产生内力的原因有()A.荷载作用与温度变化B.支座位移C.制造误差D.以上四种原因5.结构位移计算公式利用什么原理推导的()A.位移互等原理B.虚位移原理C.虚功原理D.反力互等原理6.机动法作静定梁影响线的理论依据是()A.虚力原理B.虚位移原理C.位移互等定理D.叠加原理7.机动法作静定梁影响线应用的原理为()A.变形体虚功原理B.互等定理C.刚体虚功原理D.叠加原理8.根据影响线的定义,图示悬臂梁A截面的剪力影响线在B点的纵坐标为( )A.1 B.-4C.4 D.-19.简支梁某截面K弯矩影响纵坐标yK的物理意义是()。
A.单位荷载的位置B.截面K的位置C.截面K的弯矩D.A、C同时满足10.影响线的横坐标是()。
A.固定荷载的位置B.移动荷载的位置C.截面的位置D.单位移动荷载的位置11.静定结构内力与反力影响线的形状特征是()。
A.直线段组成B.曲线段组成C.直线曲线混合D.二次抛物线12.静定结构反力与内力的影响线形状特征是()A.直线段组成B.曲线段组成C.直线曲线混合D.变形体虚位移图13.同一结构,不考虑阻尼时的自振频率为ω,考虑阻尼时的自振频率为ωD,则()A.B.C.D .与的关系不确定14.在图示结构中,使体系自振频率减小,可以()A.减小B.减小mC.减小EI D.减小l15.在图示结构中,为使体系自振频率增大,可以()A.增大B.增大mC.增大EI D.增大l16.图示a、b两体系的EI相同,其自振频率与的关系为()。
《⼟⽊⼯程⼒学(本)》期末试题及答案
试卷代号:1884
中央⼴播电视⼤学2009-2010学年度第⼀学期“开放本科”期末考试(半开卷)
⼟⽊⼯程⼒学(本)试题
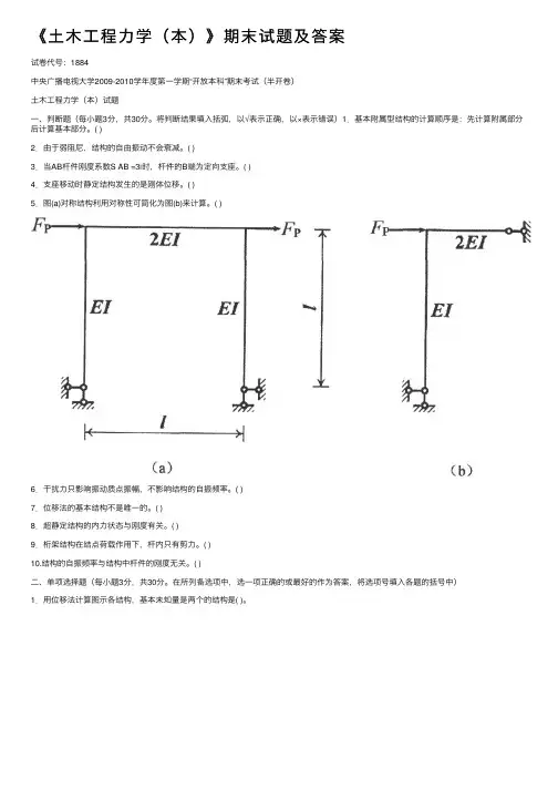
⼀、判断题(每⼩题3分,共30分。
将判断结果填⼊括弧,以√表⽰正确,以×表⽰错误)1.基本附属型结构的计算顺序是:先计算附属部分后计算基本部分。
( )
2.由于弱阻尼,结构的⾃由振动不会衰减。
( )
3.当AB杆件刚度系数S AB =3i时,杆件的B端为定向⽀座。
( )
4.⽀座移动时静定结构发⽣的是刚体位移。
( )
5.图(a)对称结构利⽤对称性可简化为图(b)来计算。
( )
6.⼲扰⼒只影响振动质点振幅,不影响结构的⾃振频率。
( )
7.位移法的基本结构不是唯⼀的。
( )
8.超静定结构的内⼒状态与刚度有关。
( )
9.桁架结构在结点荷载作⽤下,杆内只有剪⼒。
( )
10.结构的⾃振频率与结构中杆件的刚度⽆关。
( )
⼆、单项选择题(每⼩题3分,共30分。
在所列备选项中,选⼀项正确的或最好的作为答案,将选项号填⼊各题的括号中)
1.⽤位移法计算图⽰各结构,基本未知量是两个的结构是( )。
土木工程力学复习题一、单选题1、用力法超静定结构时,其基本未知量为(D )。
D 、多余未知力2、力法方程中的系数ij δ代表基本体系在Xj=1作用下产生的(C )。
C 、X i 方向的位移3、在力法方程的系数和自由项中(B )。
B 、ii δ恒大于零4、位移法典型方程实质上是( A )。
A 、平衡方程5、位移法典型方程中的系数代表在基本体系上产生的( C )。
C 、第i 个附加约束中的约束反力6、用位移法计算刚架,常引入轴向刚度条件,即“受弯直杆在变形后两端距离保持不变”。
此结论是由下述假定导出的:( D )。
D 、假定A 与B 同时成立7、静定结构影响线的形状特征是( A )。
A 、直线段组成8、图示结构某截面的影响线已做出如图所示,其中竖标y c ,是表示( C )。
C 、P=1在C 时,E 截面的弯矩值 D 、P=1在C 时,D 截面的弯矩值+--9、绘制任一量值的影响线时,假定荷载是( A )。
A 、一个方向不变的单位移动荷载 10、在力矩分配法中传递系数C 与什么有关( D )。
D 、远端支承 11、汇交于一刚结点的各杆端弯矩分配系数之和等于( D )。
D 、-112、如下图所示,若要增大其自然振频率w 值,可以采取的措施是( B )。
B 、增大EI13、图示体系不计阻尼的稳态最大动位移EI Pl y 9/43max =,其最大动力弯矩为:(B )B . 4Pl/3;(d)(b)(a)(c)16、图示各结构中,除特殊注明者外,各杆件EI=常数。
其中不能直接用力矩分配法计算的结构是(C );A.C.B.D.EI=17、图a ,b 所示两结构的稳定问题(C );C .图a 属于第一类稳定问题,图b 属于第二类稳定问题;ab18、图示单自由度动力体系自振周期的关系为(A );A .(a)(b)=;l /2l /2(a)(b)l /2l/2(c)ll19、用位移法计算刚架,常引入轴向刚度条件,即“受弯直杆在变形后两端距离保持不变”。
综合练习一、单项选择题1.下图所示结构的弯矩图形状应为( A )C CD部分D DE部分8.图示桁架有几根零杆( D )A 0B 2C轴力图D内力13.静定结构由于温度变化, ( A )A发生变形和位移 B不发生变形和位移C不发生变形, 但产生位移 D发生变形, 但不产生位移14.超静定结构的超静定次数等于结构中( B )A约束的数目 B多余约束的数目C结点数 D杆件数15.超静定结构在荷载作用下产生的内力与刚度( A )A 相对值有关 B绝对值有关C 无关D 相对值绝对值都有关16.超静定结构在支座移动作用下产生的内力与刚度( C )A 无关B 相对值有关C 绝对值有关D 相对值绝对值都有关17.超静定结构产生内力的原因( D )A荷载作用与温度变化 B支座位移C制造误差 D以上四种原因18.力法典型方程是根据以下哪个条件得到的( B )A结构的平衡条件B多余约束处的位移协调条件C结构的变形条件D同时满足A、 B两个条件19.用力法计算超静定结构时, 其基本未知量为( D )A 杆端弯矩B 结点角位移C 结点线位移D 多余未知力20.力法的基本体系是( D )A 一组单跨度超静定梁B 瞬变体系C 可变体系D 几何不变体系21.力法方程中的系数δ代表基本体系在1=j X作用下产生的( C )ijAX B j XiCX方向的位移 D j X方向的位移i22.在力法方程的系数和自由项中( B )Aδ恒大于零 B iiδ恒大于零ijCδ恒大于零 D iP∆恒大于零ji23.力法典型方程中的自由项∆是基本体系在荷载作用下产生的( C )iPAX B j XiCX方向的位移 D j X方向的位移i24.用力法计算图示结构时, 不能作为基本结构的是图( A )A B C D25.图示超静定结构的次数是( B )C 5D 6A A点线位移为零B AB杆无弯矩C AB杆无剪力D AB杆无轴力A32.下图所示对称结构A截面不为零的是( B )A 水平位移 B轴力C剪力 D 弯矩33.下图所示对称结构A截面不为零的是( C )A 竖向位移 B弯矩C转角 D轴力EIEI EIPPA34.下图所示对称结构的等代结构为( A )A B C DF P F PF P FPF P F PA B C DF P F PF P FPF P F PB )0,=,0D0,=,0C0,,0B0,=,0.ANQNQNQNQ≠≠≠==≠==≠FFMFFMFFMFFMqq37.图示刚架在节点集中力偶作用下, 弯矩图分布是( D )A 各杆都不产生弯矩B 各杆都产生弯矩C 仅AB 杆产生弯矩D 仅AB 、 BE 杆产生弯矩38.位移法典型方程实质上是( A )A 平衡方程B 位移条件C 物理关系D 位移互等定理39.在位移法计算中规定正的杆端弯矩是( A )A .绕杆端顺时针转动B .绕结点顺时针转动C .绕杆端逆时针转动D .使梁的下侧受拉40.位移法基本方程中的自由项iP F , 代表荷载在基本体系作用下产生的( C )A i ∆B j ∆C .第i 个附加约束中的约束反力D .第j 个附加约束中的约束反力 41.位移法典型方程中的系数ij k 代表1=∆j 在基本体系上产生的( C )A.∆ B.j∆iC.第i个附加约束中的约束反力 D.第j个附加约束中的约束反力42.用位移法计算超静定结构时, 独立的结点角位移数等于( B ) A.铰结点数 B.刚结点数C.多余约束数 D.不确定43.用位移法计算超静定结构时, 其基本未知量为( D )A.多余未知力 B.杆端内力C.杆端弯矩 D.结点位移44.用位移法解超静定结构其基本未知量的数目( A )A.与结构的形式有关 B.与多余约束的数目有关C.与结点数有关 D.与杆件数有关C. 4 D. 5C . 4D . 548.图示结构位移法方程中的自由项PF 1=( B )10A . 2 m kN ⋅ B . -2 m kN ⋅C . 12m kN ⋅D . -262 m kN ⋅49.图示结构位移法方程中的系数11k =( C )A . 3iB . 8 iC . 15 iD . 13 i50.图示结构位移法方程中的系数11k =( D )A . 11iB . 5iC . 9 iD . 8 i51.欲使图示节点A 的转角=0, 应在节点A 施加的力偶M =( C )A . -5iB . 5iC . 4Pl- D . 4Pl52.图示结构横梁刚度为无穷大, 柱子弯矩图形状正确的是( D )llA .B .C .D .53.图示结构横梁刚度为无穷大, 柱子弯矩图形状正确的是( B )llA .B .C .D .54.在力矩分配法中传递系数C 与什么有关( D )A . 荷载B . 线刚度iC . 近端支承D . 远端支承55.力矩分配法的直接对象是( A )A . 杆端弯矩B 结点位移C . 多余未知力D . 未知反力56.汇交于一刚结点的各杆端弯矩分配系数之和等于( A )A . 1B . 0C . 1/2D . -157.一般情况下结点的不平衡力矩总等于( A )A . 汇交于该结点的固定端弯矩之和B . 传递弯矩之和C . 结点集中力偶荷载D . 附加约束中的约束力C .6D .8AB C m 3m 3i = 1i = 260.等截面直杆的弯矩传递系数C 与下列什么因素有关? ( C )A .荷载B .材料性质C .远端支承D .线刚度I61.下图所示连续梁, 欲使A 端发生单位转动, 需在A 端施加的力矩( D )A . AB M =4i B . AB M =iC . AB M =3iD . i M i AB 43<<62.下图所示连续梁, 节点B 的不平衡力矩为( A )A .-41m kN ⋅B .-20m kN ⋅C .21m kN ⋅D .41m kN ⋅2 kN ·mAB =( C )A .M -B .MC .)(M BA -μD .M BA μ65.图示连续梁中节点B 的不平衡力矩是( D )1M MA .2MB .212M M -C .2221M M - D .21M M - 66.图示结构各杆EI 和杆长相同, 用力矩分配法计算时, 分配系数=AB μ( D )A B C D EA .31B .21 C .113 D .74 67.分配弯矩AB M 是( B )A .跨中荷载产生的固端弯矩B .A 端转动时产生的A 端弯矩C .A 端转动时产生的B 端弯矩D .B 端转动时产生的A 端弯矩68.绘制影响线采用的是( D )A .实际荷载B .移动荷载C .单位荷载D .单位移动荷载69.静定结构的影响线的形状特征是( A )A .直线段组成B .曲线段组成C .直线曲线混合D .变形体虚位移图70.图示伸臂梁的影响线为哪个量值的影响线? ( B )A . Q AB . 右A QC . 左A QD . A R71.由主从结构的受力特点可知: 附属部分的内力( 反力) 影响线在基本部分上( A )A . 全为零B .全为正C . 全为负D .可正可负72.结构上某量值的影响线的量纲是( B )A . 该量值的量纲B .该量值的量纲/[]力C . 该量值的量值[]力⨯D .该量值的量纲/[]长度73.图示梁A 截面弯矩影响线是( A )llA B C D74.P =1在梁ABC 上移动, 图示影响线是何量值的影响线( B )A .B Q B .B MC . K MD . C M75.根据影响线的定义, 图示悬臂梁A 截面的剪力影响线在B 点的纵坐标为 ( C )A . 5B . -5C . 1D . -15m B76.机动法作静定梁影响线的假设有 ( A )A .杆件为刚性杆B .杆件为弹性杆C .杆件为塑性杆D .杆件为弹塑性杆77.影响线的横坐标是( B )A .截面的位置B . 单位移动荷载的位置C .固定荷载的位置D .移动荷载的位置79.机动法作静定梁影响线应用的原理为 ( C )A .变形体虚功原理B .互等定理C .刚体虚功原理D .叠加原理80.图示梁的某量值的影响线, 其中竖坐标D y 表示P =1作用在( D )A .K 点产生的D Q 值B .K 点产生的D M 值C .D 点产生的K Q 值 D .D 点产生的K M 值81.对于图示影响线竖坐标含义的论述正确的是( B )F Q C 影响线 A .a 为P=1在C 点时产生的左C Q B .a 为P=1在C 左时产生的C QC .b 为P=1在C 点时产生的右C QD . b 为P=1在C 左点时产生的左C Q82.图示梁截面C 剪力影响线在C 右侧邻近的竖标值为( C )A . 0B .0.5C .1D . -183.图示单自由度动力体系自振周期的关系为( A )A .(a)(b)=B .(a)(c)=C .(b)(c)=D .都不等l /2l /2(a)(b)l /2l/2(c)l l84.在图示结构中, 为使体系自振频率ω增大, 能够 ( C )A .增大PB .增大mC .增大EID .增大l87.无阻尼单自由度体系的自由振动方程为t C t C t y ωωsin cos )(21+=, 则质点的振幅A=( D )A .1CB .21C C +C .2221C C +D . 2221C C +88.图示体系的自振频率ω为( C )A .()243EI mh /B .()123EI mh /C .()63EI mh /D .()33EI mh /89.在低阻尼体系中不能忽略阻尼对什么的影响? (C ) A .频率 B .周期C .振幅D .主振型90.单自由度体系的自由振动主要计算( A )A .频率与周期B .振型C .频率与振型D .动力反应二、 判断题1.图示两根梁的内力相同, 变形也相同。
国开(原中央电大)《土木工程力学》期末复习资料试卷号:1129土木工程力学(本)一、单项选择题1 .结构位移计算公式利用什么推导的?( C)A.功的互等定理B.虚位移原理C.虚功原理D.反力互等定理2o图示悬譬梁中间截面的弯矩为(B)。
qA空儿16qlD -23•静定结构产生内力的原因是(A )oA.荷载作用B.支座位移C.温度变化D.制造误差4,超静定结构的超静定次数等于结构中(B )。
A.约束的数目B.多余约束的数目C.结点数D.杆件数5 .对称结构在反对称荷载作用下(A)oA.弯矩图反对称B.轴力图正对称C.剪力图反对称D.以上三种结论都对6.力法典型方程中的自由项Op表示基本结构在(A)oA,荷载作用下产生的X,方向的位移B.荷载作用下产生的X,方向的位移C. X.=l作用下产生的沿荷载作用方向的位移D.荷载作用下产生的沿荷载作用方向的位移7•图示超静定结构独立结点位移的个数是(B )。
方A.2 B.3 C.4 D. 58 .一般情况下,结点的不平衡力矩等于(D)oA.汇交于该结点的固端弯矩之和B.传递弯矩之和C.结点上作用的外力矩D.附加刚臂中的约束反力矩9•根据影响线的定义,图示悬臂梁A截面的弯矩(下侧受拉为正)影响线在B点的纵坐标为(B)o4=1A.OB. -4mC.4mD.-lm10.图示a.b两体系的El相同,其自振频率Wa与Wb的关系为(D).A.不确定B. wa<wbC. wa=wbD. wa>wb二.判断题11.基本附属型结构力的传递顺序是:从附属部分到基本部分。
(V )12.某种荷载作用下桁架可能存在零杆,因此在实际结构中可以将零杆去掉。
(x)13.图示为梁的虚设力状态,按此力状态及位移计算公式可求出AB两点的相对竖向线位移。
向)14.图⑶所示对称结构利用对称性可简化为图(b)所示结构来计算。
(x )r15.同一结构选不同的力法基本体系,所得到的力法方程代表的位移条件相同。
土木工程力学(本)期末复习辅导一、课程考核要求俗话说“知己知彼,百战不殆",大家都非常关心期末考试能否顺利通过,所以首先来了解一下课程考试的相关信息。
1.考核方式本课程采用形成性考核与终结性考试相结合的方式。
总成绩为100分,及格为60分。
形成性考核占总成绩的30%;终结性考试(期末考试)占课程总成绩的70%。
2.期末考试题型与考试方式期末考试题型:选择题,30分;判断题30分;计算与作图题40分。
期末考试为半开卷笔试,答题时限为90分钟。
学员考试时可带笔、绘图工具和计算器。
3 .期末考试内容与要求具体的考核内容与考核要求请大家查看电大在线教学文件栏目下的考核说明文件,注意带*的知识点将只在形成性考核中进行考核,终结性考试不再涉及。
二、课程各章重难点内容辅导第3章静定结构的受力分析静定结构,从儿何组成角度讲,是无多余约束的儿何不变体系;从静力特征角度讲,在任意荷载作用下,仅依靠静力平衡条件即可确定结构全部反力和内力,且解答是唯一的。
分析静定结构的基本方法是:(1)根据结构几何组成特点确定相应计算方法。
(2)应用截面法,利用隔离体平衡条件计算支座反力和杆件内力。
1.内力分析方法平面杆件的任意截面上的内力一般有三个分量,即轴力&、剪力%和弯矩M o轴力是截面上应力沿轴线方向的合力,以拉力为正,压力为负。
剪力是截面上应力沿垂直杆件轴线方向的合力,以使所作用的隔离体顺时针转动为正,逆时针转动为负。
弯知是截面上应力对截面形心的力知,在水平杆件中,弯知以使杆件下部受拉为正,上部受拉为负。
绘制内力图时,轴力图和剪力图的正值可以画在杆件的任意一侧,负值则画在另外一侧,并要求注明正负号;弯矩图应画在杆件受拉一侧,不需注明正负号。
内力图的纵坐标应垂直于杆件轴线。
截面法是计算结构指定截面内力的基本方法,其计算步骤可以简单的概括为:截断、代替、平衡。
(1)截断——在所求内力的指定截面处截断,任取一部分作为隔离体。
《土木工程力学》期末综合练习题课程号:01467试卷号:1129考试人数:32考试专业:土木工程(土木工程本14春1人14秋31人任课教师:2015年11月1129一、判断题(每小题3分,共30分)将判断结果填入括弧,以√表示正确,以×表示错误1. 图示为刚架的虚设力状态,按此力状态及位移计算公式可求出A 处的转角。
(位移)( × )A2.图示结构的超静定次数是n=3。
( √ )3. 超静定结构的力法基本结构是唯一的。
( × )(不唯一)4.依据静力平衡条件可对静定结构进行受力分析,这样的分析结果是唯一正确的结果。
( √ ) 5.静定多跨梁中基本部分、附属部分的划分与所承受的荷载无关。
( √ )6.用力矩分配法计算结构时,汇交于每一结点各杆端分配系数总和为1,则表明分配系数的计算无错误。
(× ) 不一定7.超静定结构由于支座位移可以产生内力。
( √ )8.在结构动力计算中,两质点的振动体系,其振动自由度一定为2。
( × )不一定 9.图示结构A 截面弯矩影响线在A 处的竖标为l 。
( × ) 0l10.在桁架结构中,杆件内力不是只有轴力。
( × )(只有轴力)11.基本附属型结构力的传递顺序是:从附属部分到基本部分。
( √ )12.结构由于弱阻尼影响自振频率会变小。
( × ) 自振频率不变13.当AB 杆件刚度系数i S AB 3=时,杆件的B 端为固定支座。
(×)固定铰支座 14.温度变化时静定结构中的杆件截面发生变形。
( √ )15.图(a )对称结构受对称荷载作用,利用对称性可简化为图(b )来计算。
( √)(a)(b)16.结构的自振频率与干扰力无关。
(√)17.位移法的基本结构不是唯一的。
(×)(唯一的)18.由于支座位移超静定结构产生的内力与刚度的绝对值有关。
(√)19.实际桁架结构的杆件只有轴力产生。
综合练习(选择题)以下题目为往年考题,请结合所给期末复习概念题知识点总结进行学习。
选择题参考答案1. 受弯杆件截面内力有( D )A 弯矩B 剪力C 轴力D 以上三种 2. 图示结构A 截面的弯矩为( A )A .FpL ,上侧受拉B .FpL ,下侧受拉C .2FpL ,上侧受拉D .2FpL ,下侧受拉 3. 图示简支梁中间截面的弯矩为( A )qlA . 82qlB . 42qlC . 22ql D . 2ql4. ( )5.图示多跨静定梁的基本部分是( B )A AB 部分 B BC 部分 C CD 部分 D DE 部分ABCDE6.图示多跨静定梁的基本部分是( A )A AB 部分 B BC 部分 C CD 部分 D DE 部分F P2 MF P1 ABCDE7.结构位移计算公式利用什么原理推导的: ( C ) A .位移互等原理 B .虚位移原理 C .虚功原理 D .反力互等原理8.结构位移计算时虚设力状态中的荷载可以是: ( B )A 任意值(除0外)B 1C 正数D 负数9. 图乘法的假设为( D )A 杆段为直杆。
B 杆段的EI 为常数。
C 杆段的 M P 图(荷载作用弯矩图)和 M 图(虚设力状态弯矩图)中至少有一个是直线图形。
D 同时满足以上条件10. 求图示结构AB 两点的相对线位移,虚设力状态为图( A )ABM =1M =1ABC D1=F 1=P F 1=P F 1=P F 1=P 1=F11. 求图示梁铰B 左侧截面的转角时,其虚设力状态应取图( C )AABP BM =1ABCM =1ABDAB12. 对下图(a )所示结构,按虚拟力状态图(b )将求出( D )A 截面B 的转角 B 截面D 的转角C BD 两点间的相对移动 D BD 两截面间的相对转动ABCD11(a)(b)13. 图示虚拟状态是为了求( B )A A 点线位移B A 截面转角C A 点竖向位移D A 点水平位移Am =114. 图示结构当支座B 有沉降时产生( C )A 内力B 反力C 位移D 变形AB15. 静定结构由于支座位移,(C )A .发生变形和位移B .不发生变形和位移C .不发生变形,但产生位移D .发生变形,但不产生位移 16. 静定结构的内力与刚度(D )A 有关B 比值有关C 绝对大小有关D 无关 17. 静定结构由于温度变化,(A )A .发生变形和位移B .不发生变形和位移C .不发生变形,但产生位移D .发生变形,但不产生位移 18. 静定结构由于温度变化,(D ) (B )A .只产生内力B .只产生位移C .只产生变形D .即发生变形,又产生位移 19. 静定结构产生内力的原因有( A ) A .荷载作用 B .支座位移 C .温度变化 D .制造误差 20. 能使静定结构产生内力的外因为( A )A 荷载B 温差C 支座移动D A 、B 、C 任何一种均可 21. 超静定结构产生内力的原因有( D ) A .荷载作用与温度变化 B .支座位移 C .制造误差 D .以上四种原因 22.静定结构产生变形的原因( A )A 荷载作用和温度变化B 支座位移C 制造误差D 以上四种原因23. 静定结构产生位移的原因( D )A 荷载作用与温度变化B 支座位移C 制造误差D 以上四种原因24. 超静定结构的超静定次数等于结构中(B )A .约束的数目B .多余约束的数目C .结点数D .杆件数 20. 超静定结构的超静定次数等于结构中( D )A 刚结点数B 独立的结点角位移数C 独立的结点线位移数D 多余约束的数目25.用力法计算超静定结构时,其基本未知量为(D )A 杆端弯矩B 结点角位移C 结点线位移D 多余未知力26.用力法求解图示结构时,基本未知量的个数是(B )A.5 B.6 C.7 D.827.用力法求解图示结构时,基本未知量的个数是(B )A.3 B.64 C.5 D.628.图示超静定结构超静定的次数是( C )A.3 B.4 C.5 D.6AB CD35. 力法典型方程是( B )A 结构的物理方程B 多余约束处的位移协调条件C 力的平衡条件D A 、B 两个条件36. 力法典型方程是根据以下哪个条件得到的( B )A 结构的平衡条件B 多余约束处的位移协调条件C 结构的变形条件D 同时满足A 、B 两个条件 37. 力法典型方程是根据以下哪个条件得到的( C )。
土木工程力学(本)期末复习资料 2013.12一、单项选择题受弯杆件截面内力有( D )。
A. 弯矩 B.剪力C. 轴力 D. A 、B 、C静定结构产生变形的原因有(荷载作用和温度变化) 1. 静定结构产生位移的原因有(D )A. 荷载作用与温度变化的B. 支座位移C. 制造误差D. 以上四种原因 2. 静定结构由于温度变化、制造误差或支座位移,(C )A. 发生变形和位移B. 不发生变形和位移C. 不发生变形,但产生位移D. 发生变形但不产生位移 静定结构由于温度变化( D )。
A. 只产生内力B. 只发生位移C.只发生变形D. 既发生位移, 又发生变形 静定结构由于支座位移,不发生变形,但产生位移 3. 结构位移计算的一般公式根据什么原理推导的?(B )A. 虚位移原理B. 虚功原理C. 反力互等原理D. 位移互等原理 结构位移计算时虚设力状态中的荷载可以是( A )。
A. 任意值(除O 外) B. 1C. 正数 D. 负数推导结构位移计算公式是利用( C )。
A. 功的互等定理B. 虚位移原理C. 虚功原理D. 反力互等定理 4. 图乘法的假设为(D )适用条件dA. M P 及_M 图中至少有一图是由直线组成 B. 杆件EI 为常量C. 杆件为直杆D. 同时满足以上条件 图示结构A 截面的弯矩为( A )。
A .l F P ,上侧受拉B .l F P ,下侧受拉C .2l F P ,上侧受拉D .2l F P ,下侧受拉图示(a)、(b)两个结构中,A 端的支反力完全相同。
( × )6. 图示悬臂梁中间截面的弯矩为(B )A.162qlB.82ql C.42ql D.22ql7. 图示梁AB 在所示荷载作用下A 截面的剪力值为(A )A. 2q lB. q lC. 3q lD. 08. 图示结构AB 杆件A 截面的弯矩等于(B )剪力等于(Fp )A. 0B. F P l 上侧受拉C. 2F P l 下侧受拉D. F P l 下侧受拉9. 图示结构的弯矩图形状应为(B )10. 图示多跨静定梁的基本部分是(A )A. ABC 部分的B. BCD 部分C. CDE 部分的D. DE 部分ABCDE11. 图示多跨静定梁的基本部分是(A )A. AB 部分B. BC 部分C. CD 部分D. DE 部分F P2 MF P1 ABCDE12. 图示结构当支座B 有沉降时会产生(C )A. 内力B. 反力C. 位移D. 变形A B13. 静定结构的内力与刚度(D)A. 有关B. 比值有关C. 绝对值有关D. 无关14. 求图示结构AB两点的相对线位移,虚设力状态为图(A)求图示梁交B两侧截面的相对转角时,其虚设力的状态应取图15. 力法典型方程是根据以下哪个条件得到的?(C)A. 结构的平衡条件B.结构的物理条件C. 多余约束处的位移协调条件D. 同时满足A、B两个条件16. 超静定结构产生内力的原因有(D)。
A. 荷载作用或温度变化B. 支座位移C. 制造误差D. 以上四种原因17. 超静定结构在荷载作用下产生的内力与刚度(A)A. 相对值有关B. 绝对值有关C.无关D. 相对值绝对值都有关18. 超静定结构在支座移动作用下产生的内力与刚度(C)A. 无关B. 相对值有关C. 绝对值有关D. 相对值绝对值都有关19. 用力法计算超静定结构时,其基本未知量为(D)A. 杆端弯矩B. 结点角位移C. 结点线位移D. 多余未知力20. 力法的基本体系是(D)。
A. 一组单跨度超静定梁B. 瞬变体系C. 可变体系D. 几何不变体系21. 在力法方程的系数和自由项中(B)。
A. δij恒大于零B. δii恒大于零C. δji恒大于零D. △iP恒大于零22. 力法典型方程中的系数δij代表基本结构在(C)。
A. X i=1作用下产生的X i方向的位移B. X i=1作用下产生的X j方向的位移C. X j=1作用下产生的X i方向的位移D. X j=1作用下产生的X j方向的位移表示基本结构在( A )。
A.荷载作用下产生的i X方向的位移10.力法典型方程中的系数项ip23. 用力法计算图示结构时,不能作为基本结构的是图(A)。
EI=常常X 1X 1X 1X 1X 2X 2X 2X 2X 3X 3X 3X 3AB CD24. 图示超静定结构的次数是(B )。
A. 5B. 7C. 8D. 625. 图示结构的超静定次数为(D )。
A. 1B. 2C. 3D. 426. 用力法求解图示结构时,基本未知量的个数是(B )。
A. 5 B. 6 C. 7 D.8基本未知量的个数是3个数是327. 图示超静定结构的超静定次数是(C )。
A. 3 B. 4 C.5 D.628.对称结构作用正对称荷载时,对称轴穿过的截面(D )。
A. 只有轴力B. 只有剪力C. 只有弯矩D. 既有轴力又有弯矩 29. 对称结构在反对称荷载作用下,内力图中(A )。
A. 剪力图正对称B. 轴力图正对称C. 弯矩图正对称D. 剪力图反对称 30.对称结构在反对称荷载作用下,内力图中(B )。
A. 剪力图反对称B. 弯矩图反对称C. 弯矩图正对称D. 轴力图正对称31. 对称结构在正对称荷载作用下,内力图中(C)。
A. 弯矩图反对称B. 轴力图反对称C. 剪力图反对称D. 剪力图正对称32. 图示对称结构受反对称荷载的作用,利用对称性简化后的一半结构为(A)。
33.图示对称结构杆件EI为常量,利用对称性简化后的一半结构为(A)。
A B C D34. 图示对称结构受正对称荷载作用,利用对称性简化后的半边结构为(A)。
用位移法计算图示各结构,基本未知量是两个的结构为(A )。
用位移法计算图示各结构,基本未知量是两个的结构是(C )。
35. 用位移法计算超静定结构,其基本未知量的数目等于( D )。
A.超静定次数B. 刚结点数目C.线位移数目D. 独立的结点位移数目用位移法解超静定结构其基本未知量的数目( C )。
A. 与结构所受作用有关B. 与多余约束的数目有关C. 与结点数有关D. 与杆件数有关36. 用位移法计算超静定刚架时,独立的结点角位移数目决定于(C)。
A. 铰结点数B. 超静定次数C. 刚结点数D. 杆件数37. 用位移法求解图示结构时,基本未知量的个数是(B)。
A. 2B. 3C. 4D. 5用位移法求解图示结构时,基本未知量的个数是( B )。
A.2 B.3 C.4 D.538. 图示超静定结构用位移法求解,结点角位移的个数是(C)。
A. 2B. 3C. 4D. 539. 图示超静定结构独立结点角位移的个数是(B)。
A. 2B. 3C. 4D. 540. 位移法典型方程的物理意义是(A)。
A. 附加约束上的平衡方程B. 附加约束上的位移条件C. 外力与内力的关系D. 反力互等定理41. 在位移法计算中规定正的杆端弯矩是(A)。
A. 绕杆端顺时针转动B. 绕结点顺时针转动C. 绕杆端逆时针转动D. 使梁的下侧受拉42.位移法基本方程中的自由项F iP,代表基本结构在荷载单独作用下产生的(C)。
A. △IB. △jC. 第i个附加约束中的约束反力D. 第j个附加约束中的约束反力43. 用力矩分配法计算超静定结构时,刚结点的不平衡力矩等于(B)。
A. 结点上作用的外力矩B. 附加刚臂中的约束反力矩用力矩分配法计算时结点的不平衡力矩等于( D )。
D.附加刚臂中的约束反力矩用力矩分配法计算结构得到一个收敛的结果,是因为( D )。
A. 分配系数小于1B. 分配结点之间传递系数小于1C. 结点上有外力矩作用D. A 和B 同时满足44. 与杆件的传递弯矩有关的是(B)。
A. 分配弯矩B. 传递系数C. 分配系数D. 结点位移45. 图示结构杆件BA的B端转动刚度S BA为(C)。
A. 1B. 2C.3D.6A B Ci = 1i = 23m m46. 图示结构杆件BC的B端转动刚度S BC为(D)。
A. 2B. 4C. 6D. 8A B Ci = 1i = 23m m47. 在力矩分配法中传递系数C与什么有关?(D)。
A. 荷载B. 线刚度C. 近端支承D. 远端支承48. 力矩分配法的直接对象是(A)。
A. 杆端弯矩B. 结点位移C.多余未知力D. 未知反力49. 汇交于一刚结点的各杆端弯矩分配系数之和等于(A)。
A. 1B. 0C. 1/2D. -150. 一般情况下结点的不平衡力矩总等于(A)。
A. 汇交于该结点的固定端弯矩之和B. 传递弯矩之和C. 结点集中精力偶荷载D. 附加约束中的约束力矩51. 下图所示连续梁结点B的不平衡力矩为(A)。
A. -10KN·mB. 46KN·mC. 18KN·mD. -28KN·m6m6m6kN/m28kN ·m B52. 影响线的纵坐标是(D )。
A. 固定荷载的数值 B. 移动荷载的数值 C. 不同截面的某一量值 D. 指定截面的某一量值53. 影响线的横坐标是(D )。
A. 固定荷载的位置B. 移动荷载的位置C.截面的位置D. 单位移动荷载的位置 54. 静定结构内力与反力影响线的形状特征是(A )。
A. 直线段组成B.曲线段组成C. 直线曲线混合D.二次抛物线 55. 机动法作静定梁影响线应用的原理为(C )。
A. 变形体虚功原理B. 互等定理C. 刚体虚原理D. 叠加原理 56. 机动法作静定梁影响线的假设为(A )。
A. 杆件为刚性杆B. 杆件为弹性杆C. 杆件为塑性杆D.杆件为弹塑性杆 57. 绘制影响线采用的是(D )。
A. 实际荷载B. 移动荷载C. 单位荷载D. 单位移动荷载 58. 图示梁中F yA 的影响线为(D )。
59. 由基本附属型结构的受力特点可知,附属部分的内力(反力)影响线在基本部分上(A )。
A. 全为零 B. 全为正 C. 全为负 D. 可正可负 60. 图示梁A 截面弯矩影响线是(A )。
Al1P lllBB C D61. 根据影响线的定义,图示悬臂梁A 截面的剪力影响线在B 点的纵坐标为(C )。
A. 5 B. -5 C. 1 D. -1P =1A5mB62. 图示振动体系的自由度数目为(A)。
A1 B. 2 C. 3 D. 463. 图示结构中,除横梁外各杆件EI=常数。
质量集中在横梁上,不考虑杆件的轴向变形,则体系振动的自由度数为(A)。
EI=∞68. 反应结构动力特性的重要物理参数是(B)。
A. 振动自由度B. 自振频率C.振幅D. 初位移69. 结构动力计算的基本未知量是(A)。
A. 质点位移B. 节点位移C. 多余未知力D. 杆端弯矩70. 图示结构中,使体系自振频率ω减小,可以(C)。