食品采购与进货台账
- 格式:docx
- 大小:11.96 KB
- 文档页数:2
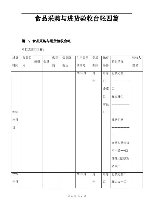
食品采购与进货验收台帐四篇篇一:食品采购与进货验收台帐单位或部门名称:2.验收情况包括:(1)包装是否完整;(2)标识是否齐全;(3)色香味等感官性状是否正常;(4)食品与购物证明是否一致;(5)处理情况(退货应注明)。
3.台账应当与产品检验或检疫合格证明、购物凭证及其他有关食品安全证明按进货时间先后排序,一并附于本表后保存备查。
说明:一、餐饮业经营者应实施采购索证和进货验收制度的食品种类包括:㈠食品及食品原料;㈡食用农产品;㈢食品添加剂;㈣省级卫生行政部门依法规定的索证项目。
二、餐饮业经营者在采购食品时应按下列要求进行现场查验和索证:㈠从食品生产企业采购食品、食品添加剂时,应索取食品、食品添加剂企业卫生许可证、生产许可证,按照生产批次索取产品检验合格证明并经供货商签字或盖章,索取购物凭证。
㈡从流通环节采购食品时,应索取卫生许可证、工商营业执照并经供货商签字或盖章,索取购物凭证。
㈢采购食用农产品应索取销售者或市场管理者出具的购物凭证。
㈣采购生猪肉的,应查验确认为定点屠宰企业屠宰的产品及检疫检验合格证明,并索取购物凭证。
采购其他肉类也应查验检疫检验合格证明,并索取购物凭证。
㈤从固定供货商或供货基地采购食品的,应索取并留存供货基地或供货商的资质证明,供货商或供货基地应签订保证食品卫生质量的合同,每次进货应索取购物凭证。
三、定义产品检验合格证明:包括由企业依据相关法律法规出具的出厂合格证明、符合行业或企业产品标准的检验合格报告或经过计量认证检验机构出具的符合国家或地方标准的检验合格报告等。
购物凭证:是指能够满足食品溯源所需要的有效凭证,包括发票、收据、信誉卡等。
篇二:餐饮业经营者食品采购与进货验收台账单位或部门名称:XXX餐馆篇三:食品采购进货台账20 年月日供货商电话:验收员电话:。
食品原料采购索证索票、进货查验和台账记录制度为了保障食品安全,确保消费者健康,我国对食品原料采购、进货查验和台账记录提出了严格的要求。
本制度旨在明确食品原料采购索证索票、进货查验和台账记录的相关规定,以规范食品生产经营企业的采购行为,确保食品原料的安全性和合规性。
一、食品原料采购索证索票1. 采购人员应当对供应商的资质进行审核,包括营业执照、食品生产许可证、卫生许可证等,确保供应商具备合法的经营资格。
2. 采购人员应当向供应商索取产品的检验合格证明,包括产品合格证、检验报告等,确保产品符合国家食品安全标准。
验检疫部门出具的检验检疫合格证明,确保产品符合我国进口食品安全规定。
4. 采购人员应当对供应商的信誉进行评估,了解供应商的供货历史和客户反馈,选择信誉良好的供应商进行合作。
5. 采购人员应当与供应商签订采购合同,明确双方的权利和义务,确保采购过程的合法性和合规性。
二、食品原料进货查验1. 进货时,采购人员应当对食品原料的外观、标签、生产日期、保质期等进行检查,确保产品符合国家食品安全标准。
2. 进货时,采购人员应当核对采购单据和发票,确保产品的数量、规格、价格等信息与单据一致。
3. 对于肉类、禽类等生鲜食品原料,采购人员应当检查检疫合格证明,确保产品符合我国动物防疫规定。
疫合格证明,确保产品符合我国进口食品安全规定。
5. 进货时,采购人员应当对供应商的供货情况进行记录,包括供货商名称、地址、联系方式、产品名称、规格、数量、生产批号、保质期等信息,以便进行追溯和查验。
三、食品原料台账记录1. 企业应当建立食品原料采购台账,记录采购食品原料的名称、规格、数量、生产批号、保质期、供应商名称、地址、联系方式等信息。
2. 企业应当建立食品原料进货查验台账,记录进货食品原料的外观、标签、生产日期、保质期、检疫合格证明、检验合格证明等信息。
3. 企业应当建立食品原料索证索票台账,记录采购食品原料的供应商资质证明、产品合格证明、发票、收据、供货清单、信誉卡等信息。
食品原材料采购索证索票、进货查验和台帐记录制度食品安全是现代消费者购物时最紧要的考虑因素之一、为了确保食品生产和销售环节中的食品安全,企业应严格遵守食品原材料采购索证索票、进货查验和台帐记录制度。
该制度是一个有效的管理措施,为企业保障生产和消费者供给了保障。
本文就食品原材料采购索证索票、进货查验和台帐记录制度进行一些深入探讨。
第一节:食品原材料采购索证索票1.1采购索证索票的必要性采购索证索票是企业在购买食品原材料时,要求供应商供给有关该原材料的证件和票据的一种管理方式。
供给正规的证件和票据,可以保障食品的安全和质量,削减虚假食品的可能性。
因此,采购索证索票是每个食品生产企业必需执行的管理措施之一、1.2采购索证索票应索取的证件和票据在执行采购索证索票的制度时,应当索取的欠证和票据如下:(1)供应商的许可证、生产许可证和营业执照。
(2)生产日期、保质期和配料表。
(3)有关食品安全的检测报告和证明。
(4)相关税务票据(如增值税发票)。
1.3采购索证索票的执行执行采购索证索票的制度,企业应当在进货前提前要求供应商供给上述证件和票据,并进行查验验收。
当食品原材料到达企业时,应当依照证件和票据的内容进行查验,发觉有缺少或者不符合要求的情况应适时予以退回或者更换。
第二节:进货查验2.1进货查验的必要性进货的查验是企业在接收和检查食品原材料之前,必需进行的一项责任。
进货查验的目的是确认原材料的真实性、数量、质量和安全性,削减虚假食品和质量不合格食品对企业生产和消费者健康造成的危害。
2.2实施进货查验的步骤(1)检查报告:企业应要求供应商供给相关检测、检验报告,并认真检查报告的内容是否完整、真实、合规。
(2)样品检查:企业应取得进货样品进行检查,检验样品是否符合食品安全标准、质量标准及规格要求。
(3)存放环境查验:企业应查验食品原物料的贮存环境是否符合要求,检查货物存储的温度、湿度、防潮、防虫等情况,防止贮存环境污染和繁殖细菌。
幼儿园食品采购与进货验收台账表及食堂出库台账表
登记说明:
1、规格是指预包装食品的重量、体积的包装规格,给农户购买的产品不用标出规格。
2、保存条件分为:冷冻、冷藏、常温。
3、验收情况包括:包装是否完整,标识是否齐全,色香味等感官性状是否正常,食品与购物证明是否一致。
如有处理情况应注明,如退货。
4、台账与产品检验或检疫合格证,购物凭证或其他食品安全证明、依据按进货时间先后顺序,一并附于本表后以备查。
5、填表可按需要根据实际采购时的情况进行登记,在商店买的食品必须按要求填写附据,但给农户购买的食品需要填写的内容可省略规格,填写时根据实际情况认真登记,确保每次进货食品安全。
幼儿园食堂出库台账表
年月日。
食品原材料采购索证索票、进货查验和台账记录制度随着食品安全问题日益引起人们的关注,食品原材料的采购、进货查验以及台账记录制度越来越受到重视。
假如我们建立了完善的食品原材料采购索证索票、进货查验和台账记录制度,不仅可以提高食品安全的保障水平,还可以强化企业的食品安全责任意识,从而树立企业的食品安全形象和公信力。
本文将从以下几个方面来认真阐述这一制度:一、食品原材料采购索证索票;二、进货查验;三、台账记录制度。
一、食品原材料采购索证索票食品原材料采购索证索票是指企业在采购食品原材料时,应当自动向供应商索要各类证照,并要求供应商出具真实、有效的票据。
进货前最好要去现场进行检查,对供应商的生产环境以及食品原材料的外观、口感等方面进行认真了解,确保食品原材料质量符合我方质量要求。
企业应当依照食品安全相关法律法规及标准有序采购原材料,同时与供应商签订合同,并确保合同内容符合《中华人民共和国食品安全法》及相关法规和标准要求。
与此同时,企业应当将原材料采购合同及各类票据完好保管,以备查验。
在采购过程中,企业还要适时记录供应商的联系方式、供应的原材料名称、规格、数量、采购日期、价格等信息,以及原始凭证号等。
以便在后续的查验过程中做到有据可查。
二、进货查验进货查验是指企业在采购后,对食品原材料进行质量检测,并核对所购买的食品原材料是否与合同一致。
企业应当有完整的进货查验程序,并妥当保管进货查验报告,以便于日后的核查和查询。
在进货查验过程中,应精选检测项目,依照检测标准和方法进行检测,并对各检验项目的检测结果进行判定和处理。
对于不符合标准的食品原材料,企业应当适时实行措施,如与供应商沟通协商、退换货等。
假如在进货查验中发觉问题,企业应当适时记录问题,有关信息并督促供应商进行整改。
同时也应当将本身的查验结果及整改情况记录下来,以备查验处理。
三、台账记录制度台账记录制度是指企业在采购、进货过程中,对各环节的实在情况进行认真的记录,并妥当保管相关的台账信息。
食品原材料采购索证索票、进货查验和台账记录制度一、总则本制度旨在规范企业食品原材料采购的索证索票、进货查验和台账记录流程,确保采购的食品原材料符合法律法规、质量标准和企业要求,保证产品的安全和合规性。
二、管理标准2.1 采购索证索票1.采购人员在与供应商洽谈采购事项时,必必需求供应商供应以下证照和票据:–供应商的营业执照副本–供应商的食品经营许可证–供应商的产品合格证明–供应商的产品质量检验报告–采购合同或订单2.采购人员应核对供应商供应的证照和票据的有效性和真实性,并进行归档备查。
3.对于供应商供应的证照和票据不齐全或存在疑义的情况,采购人员应自动与供应商沟通,要求其增补供应或说明,确保采购过程的合规性。
2.2 进货查验1.采购部门负责对进货的食品原材料进行查验,确保其符合质量标准及相关规定。
2.接收食品原材料后,采购部门应立刻进行外观检查,确认包装完好并无破损、变形、渗漏等情况。
3.采购人员应进行抽样检验,依据产品的特点和相关标准要求,对样品进行外观、色泽、气味、口感等方面的检测。
4.食品原材料样品检测结果应与供应商供应的质量检验报告进行比对,确保各项检测指标符合相关标准。
5.假如食品原材料未通过进货查验,采购部门应立刻通知供应商,并采取相应的退货、更换或处理措施。
2.3 台账记录1.采购部门应建立食品原材料采购台账,记录每次采购的认真信息包含但不限于供应商名称、证照、票据、采购数量、单价、总金额、进货查验结果等。
2.采购台账应及时更新,保证信息的准确性和可追溯性。
3.采购台账应按采购合同的结算方式记录相关付款信息,并及时汇总报送财务部门进行对账核实。
三、考核标准3.1 采购索证索票考核标准1.采购人员应定时要求供应商供应和增补相关证照和票据,且索证索票的过程应有书面记录。
2.采购人员对供应商供应的证照和票据做到准确核对并归档备查。
3.采购人员对供应商供应的证照和票据存在疑义时,能自动与供应商沟通并要求增补供应或解释。