节能建筑常用材料热物理性能参数表(试行)
- 格式:pdf
- 大小:141.85 KB
- 文档页数:21
常用材料热工性能取值
附件:
湖南省建筑节能常用材料热物理性能参数取值表(试行)
二、常用保温材料
说明:
1、本参数取值表主要参考了以下标准规范:《湖南省公共建筑节能设计标准》DBJ43/003-2010、《湖南省居住建筑节能设计标准》DBJ43/001-2004、《民用建筑热工设计规范》GB50176-93、《外墙外保温工
程技术规程》JGJ144-2004、《外墙内保温工程技术规程》JGJ/T261-2011、《轻骨料混凝土多孔砖建筑技术规程》DBJ43/T003-2009、《蒸压加气混凝土砌块建筑技术规程》DBJ43/T001-2012、《陶粒混凝土小型空心砌块与陶粒混凝土砖建筑技术规程》DBJ43/T001-2009、《无机轻集料砂浆保温系统技术规程》JGJ/253-2011、《屋面工程技术规范》GB50345-2012、《倒置式屋面工程技术规程》JGJ230-2010、《屋面保温隔热用泡沫混凝土》JC/T2125-2012、《泡沫混凝土》JG/T266-2011等。
2、表中未注明修正系数的,按《民用建筑热工设计规范》GB50176-93附录四附表4.2确定。
九、外窗(包括透明幕墙和透明外门)
外窗(包括透明幕墙和透明外门)的热物理性能参数包括传热系数和遮阳系数两项,应按照《湖南省公共建筑节能设计标准》(DBJ 43/003-2010)附录D常用外窗及幕墙热工性能参数取值。
这里要注意《公共建筑节能设计标准》和《居住建筑节能设计标准》中遮阳系数的计算方法是不同的,对于居住建筑,其外窗遮阳系数的取值为:
居建遮阳系数取值=公建遮阳系数取值×窗框遮挡系数
窗框遮挡系数,金属窗取0.8,塑钢、木窗取0.7。
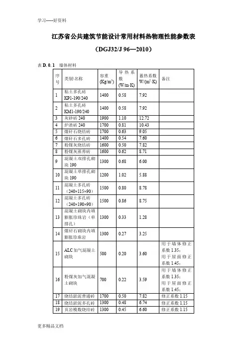
江苏省公共建筑节能设计常用材料热物理性能参数表(DGJ32/J 96—2010)表D. 0. 1 墙体材料表D. 0. 2 保温材料注:保温装饰板根据所选保温材料不同,选用相应热工性能参数及修正系数。
表D. 0. 3 混凝土续表D. 0. 3表D. 0. 4 粉刷砂浆表D. 0. 5表D. 0. 6 木材、建筑板材续表D. 0. 6表表D. 0. 8 其他材料表D. 0. 9 窗传热系数注:1 本表中窗户包括一般窗户、天窗和门上部带玻璃部分。
2 阳台门下部门肚板部位传热系数,当下部不作保温处理时,应按表中值采用;当作保温处理时,应按计算确定。
3 本表中未包括新型窗户,其传热系数应按测定值采用。
4 贴Low-E膜玻璃等效Low-E玻璃。
5 双层窗传热阻=组成该双层窗两樘单层窗传热阻之和+0.07。
表表D. 0. 11 典型玻璃配合不同窗框整窗传热系数附录E 建筑物空气调节冷、热水管经济绝热厚度建筑物空气调节冷、热水管经济绝热厚度可按表E.0.1和表E.0.2选用。
表E. 0. 1注:1 绝热材料导热系数λ:离心玻璃棉:λ=0.033+0.00023t m[W/(m·K)]柔性泡沫橡塑:λ=0.03375+0.0001375t m[W/(m·K)]式中t m――绝热层平均温度(℃);2 单冷管道和柔性泡沫橡塑保冷管道均应进行防结露要求验算。
表E. 0. 2室外空气调节冷、热水管经济绝热厚度注:1 绝热材料导热系数λ:离心玻璃棉:λ=0.033+0.00023t m[W/(m·K)]柔性泡沫橡塑:λ=0.03375+0.0001375t m[W/(m·K)]式中t m――绝热层平均温度(℃);2 单冷管道和柔性泡沫橡塑保冷管道均应进行防结露要求验算。
附件:
省建筑节能常用材料热物理性能参数取值表(试行)
说明:
1、本参数取值表主要参考了以下标准规:《省公共建筑节能设计标准》DBJ43/003-2010、《省居住建筑节能设计标准》DBJ43/001-2004、《民用建筑热工设计规》GB50176-93、《外墙外保温工程技术规程》JGJ144-2004、《外墙保温工程技术规程》JGJ/T261-2011、《轻骨料混凝土多孔砖建筑技术规程》DBJ43/T003-2009、《蒸压加气混凝土砌块建筑技术规程》DBJ43/T001-201
2、《陶粒混凝土小型空心砌块与陶粒混凝土砖建筑技术规程》DBJ43/T001-2009、《无机轻集料砂浆保温系统技术规程》JGJ/253-2011、《屋面工程技术规》GB50345-2012、《倒置式屋面工程技术规程》JGJ230-2010、《屋面保温隔热用泡沫混凝土》JC/T2125-2012、《泡沫混凝土》JG/T266-2011等。
2、表中未注明修正系数的,按《民用建筑热工设计规》GB50176-93附录四附表4.2确定。
九、外窗(包括透明幕墙和透明外门)
外窗(包括透明幕墙和透明外门)的热物理性能参数包括传热系数和遮阳系数两项,应按照《省公共建筑节能设计标准》(DBJ 43/003-2010)附录D常用外窗及幕墙热工性能参数取值。
这里要注意《公共建筑节能设计标准》和《居住建筑节能设计标准》中遮阳系数的计算方法是不同的,对于居住建筑,其外窗遮阳系数的取值为:
居建遮阳系数取值=公建遮阳系数取值×窗框遮挡系数
窗框遮挡系数,金属窗取0.8,塑钢、木窗取0.7。
附件:湖南省建筑节能常用材料热物理性能参数取值表(试行)一、常用墙体材料三、常用屋面防水材料四、混凝土五、砂浆六、木材、建筑板材八、其他材料说明:1、本参数取值表主要参考了以下标准规范:《湖南省公共建筑节能设计标准》DBJ43/003-2010、《湖南省居住建筑节能设计标准》DBJ43/001-2004、《民用建筑热工设计规范》GB50176-93、《外墙外保温工程技术规程》JGJ144-2004、《外墙内保温工程技术规程》JGJ/T261-2011、《轻骨料混凝土多孔砖建筑技术规程》DBJ43/T003-2009、《蒸压加气混凝土砌块建筑技术规程》DBJ43/T001-2012、《陶粒混凝土小型空心砌块与陶粒混凝土砖建筑技术规程》DBJ43/T001-2009、《无机轻集料砂浆保温系统技术规程》JGJ/253-2011、《屋面工程技术规范》GB50345-2012、《倒置式屋面工程技术规程》JGJ230-2010、《屋面保温隔热用泡沫混凝土》JC/T2125-2012、《泡沫混凝土》JG/T266-2011等。
2、表中未注明修正系数的,按《民用建筑热工设计规范》GB50176-93附录四附表4.2确定。
九、外窗(包括透明幕墙和透明外门)外窗(包括透明幕墙和透明外门)的热物理性能参数包括传热系数和遮阳系数两项,应按照《湖南省公共建筑节能设计标准》(DBJ 43/003-2010)附录D常用外窗及幕墙热工性能参数取值。
这里要注意《公共建筑节能设计标准》和《居住建筑节能设计标准》中遮阳系数的计算方法是不同的,对于居住建筑,其外窗遮阳系数的取值为:居建遮阳系数取值=公建遮阳系数取值×窗框遮挡系数窗框遮挡系数,金属窗取0.8,塑钢、木窗取0.7。
江苏省节能建筑常用材料热物理性能参数表
(试行)
注:保温装饰板根据所选保温材料不同,选用相应的热工性能参数及修正系数。
3混凝土
5、热绝缘材料
6、木材、建筑板材
7、松散材料
9、窗的传热系数
注:1.本表中的窗户包括一般窗户、天窗和门上部带玻璃部分。
2.阳台门下部门肚板部位的传热系数,当下部不作保温处理时,应按表中值采用;当
作保温处理时,应按计算确定。
3.本表中未包括的新型窗户,其传热系数应按测定值采用。
4.贴Low-E膜的玻璃等效Low-E玻璃。
5.双层窗传热阻=组成该双层窗的两樘单层窗的传热阻之和+0.07。
(注:素材和资料部分来自网络,供参考。
请预览后才下载,期待你的好评与关注!)。
江苏省公共建筑节能设计常用材料热物理性能参数表(DGJ32/J 96—2010)表D. 0. 1 墙体材料表D. 0. 2 保温材料表D. 0. 3 混凝土续表D. 0. 3表D. 0. 4 粉刷砂浆表D. 0. 5表续表D. 0. 6表表D. 0. 8 其他材料表D. 0. 9 窗的传热系数注:1 本表中的窗户包括一般窗户、天窗和门上部带玻璃部分。
2 阳台门下部门肚板部位的传热系数,当下部不作保温处理时,应按表中值采用;当作保温处理时,应按计算确定。
3 本表中未包括的新型窗户,其传热系数应按测定值采用。
4 贴Low-E膜的玻璃等效Low-E玻璃。
5 双层窗传热阻=组成该双层窗的两樘单层窗的传热阻之和+0.07。
表D. 0. 10 典型玻璃配合不同窗框的整窗传热系数表D. 0. 11附录E 建筑物空气调节冷、热水管的经济绝热厚度建筑物空气调节冷、热水管的经济绝热厚度可按表E.0.1和表E.0.2选用。
表E. 0. 1注:1 绝热材料的导热系数λ:离心玻璃棉:λ=0.033+0.00023t m[W/(m·K)]柔性泡沫橡塑:λ=0.03375+0.0001375t m[W/(m·K)]式中t m――绝热层的平均温度(℃);2 单冷管道和柔性泡沫橡塑保冷的管道均应进行防结露要求验算。
表E. 0. 2室外空气调节冷、热水管的经济绝热厚度注:1 绝热材料的导热系数λ:离心玻璃棉:λ=0.033+0.00023t m[W/(m·K)]柔性泡沫橡塑:λ=0.03375+0.0001375t m[W/(m·K)]式中t m――绝热层的平均温度(℃);2 单冷管道和柔性泡沫橡塑保冷的管道均应进行防结露要求验算。