烧结余热发电电气主系统运行规程
- 格式:doc
- 大小:44.00 KB
- 文档页数:15
电气运行平安操作规程1、电气运行人员〔以下简称值班人员〕应熟知“本系统电气设备管理规程〞和“电气操作规程〞中相关局部及本规程全部内容,并在工作中严格执行。
2、值班人员上岗前,必须经过专业培训,经考试合格,获得操作证后,方可从事电气设备的操作工作。
3、值班人员应熟悉本系统电器设备性能,运行方式和调度范围熟练掌握操作技术和触电急救方法。
4、值班人员要认真执行交接班制度,上班期间劳保穿戴齐全。
5、认真执行“三票〞,“三制〞,“一参数〞。
6、值班人员在执行口头或联系工作时,必须清楚正确,应将发令人、负责人及工作任务详细记入操作记录薄中,并向发令人复查核对后,按有关规定进行操作。
7、值班人员在巡视电器设备时,应与带电设备保持以下最小平安距离:1KV以下:0.1米;3-10KV以下:0.7米;35KV:1米。
严禁直接触摸带电设备的绝缘局部。
8、值班人员在工作中,要合理穿戴劳保用品,按有关规定正确使用平安用具和检测仪表。
9、在高压设备和供配电线路上工作,值班人员在执行停、送电操作时,应严格按工作票、操作票等制度和倒闸操作的有关规定进行工作。
10、在全部和局部停电的电器设备上工作,值班人员应按有关规定完成以下平安技术措施:停电、验电、装设接地线、悬挂标牌和装设临时遮拦。
执行时必须有人监护。
11、在发生严重威胁人身或设备平安的紧急情况下,值班人员应立即断开有关设备的电源。
事后必须报告主管领导,并做好详细记录。
〔涉及调度协议的范围,应通知上一级调度员〕。
12、值班人员在运行中的发电机,交、直流电机,在维修电刷及滑环装置时,应遵守下面规定:⑴穿好绝缘鞋,站在绝缘垫上,扎紧袖口,带好手套,使用良好的绝缘工具〔女同志必须将长发卷在帽内〕。
⑵禁用双手同时接触两个不同极性的带电局部及回路和接地局部。
电气检修平安操作规程一、目的和适用范围1、目的:提高职工平安技术素质和操作技能,杜绝违章作业,保证职工在生产过程中的平安与健康。
余热发电系统安全操作规程第一章总则第一条本规程是为了确保余热发电系统的安全运行,保障人身安全和设备完整,在操作过程中指导操作人员按照正确方法、正确次序进行安全操作。
第二章安全操作要求第二条操作人员必须熟悉余热发电系统的结构原理和相关设备的操作方法,具备相关的专业知识和操作技能。
第三条在操作过程中严禁饮酒或服用药物,以及情绪不稳定、身体不适的情况下进行操作。
第四条操作人员必须严格按照操作规程进行操作,不得随意更改操作步骤。
第三章操作前的准备工作第五条操作人员在进入操作现场前,必须佩戴相应的个人防护装备,如头盔、防护眼镜、防护鞋等。
第六条操作人员在进入操作现场前,必须对操作设备进行检查,确保设备完好,无异常情况。
第七条操作人员在操作前,必须对设备进行预热、预冷等准备工作,确保设备处于正常工作状态。
第四章操作过程中的安全注意事项第八条操作人员在操作过程中必须保持专注,严禁分散注意力,避免因个人原因导致操作失误。
第九条操作人员在操作过程中必须严格按照操作步骤进行操作,不得改变操作顺序,以免发生意外。
第十条操作人员必须对设备的运行状态进行实时监测,发现异常情况必须及时报警并采取相应的措施。
第十一条操作人员在操作过程中必须按规定采取防止电击、防止爆炸、防止中毒等安全措施,确保人身安全。
第五章紧急情况处理第十二条在发生火灾、爆炸、中毒等紧急情况时,操作人员必须迅速采取应急措施,并立即报告相关部门。
第十三条发生设备故障或异常情况时,操作人员必须及时停止操作,并报告相关部门进行处理。
第十四条在紧急情况处理过程中,操作人员必须按照应急预案进行操作,严禁盲目行动,以免事态扩大。
第六章日常维护与保养第十五条在设备停止运行后,操作人员必须对设备进行清洁、检查、维护和保养工作,确保设备的正常运行。
第十六条对于设备故障、异常情况的处理,必须由具备相关资质的维修人员进行,不得擅自操作。
第十七条对于设备维修过程中的安全措施必须得到严格遵守,避免出现二次事故。
余热发电系统安全操作规程前言余热发电系统是一种能够利用生产生活过程中产生的余热,将其转化为可用电能的环保型发电设备。
在进行余热发电时,为了保障人员安全和设备正常运行,制定规范的操作流程和安全规程非常必要。
本文将对余热发电系统的安全操作规程做出详细说明。
一、铭记安全意识,规范操作行为操作余热发电系统时,首先要明确安全意识,始终保持操作中的警惕心理。
在设备运行期间,应减少原因未明、操作不当引起的不必要设备故障和维修次数。
具体操作规程如下:1.操作人员必须穿戴好相应的安全设备,包括但不限于安全帽、工作服、护目镜、手套、绝缘靴等。
2.在操作前,应确认电气设备和输电线路的状态,并按照规定的程序进行检查和试运行。
3.确认设备运行正常后,方可进行正式的操作。
4.工作时,不得离开现场,离开前须关闭设备及输电线路,并确认所有的操作已经完成和关闭正确。
5.在操作过程中,发现有任何问题或异常情况,应及时汇报给相关人员,并且立即采取补救措施。
二、设备检查余热发电系统的设备检查是确保该设备安全运行的重要流程,操作人员需要做到以下几点:1.检查设备的运行状态,检查发电设备、机器设备的连接、电气设备和输电线路的完整性和正常连接。
2.检查设备的支架和悬挂装置,以及处理好运输过程中可能出现的伤痕和缺陷。
3.检查余热发电系统的风扇、皮带、润滑油、油离器、控制器、温度计及其他检测元件是否正常。
4.检查系统是否按照操作手册正确连接,确认设备运转所需的电气接线正确。
三、设备开机和关机在开机和关机时,应该如下操作:1.开机时,首先按照操作手册操作,先启动风机,再插滑阀后插插头,确认设备开始运转。
2.在设备运行期间,应留心设备运行状况,及时处理任何可能影响设备运行的问题。
3.当需要关机时,操作人员需要依次关闭各个部件,依照操作手册的步骤进行关机操作。
4.在所有关闭操作完成后,确认设备已经完全关机,断开控制电源,远离设备。
四、设备的维护为了保护设备,保障设备的性能和寿命,设备维护至关重要。
余热发电系统安全操作规程1. 引言本文档为余热发电系统的安全操作规程,旨在指导工作人员按照规范操作程序来确保系统运行的安全性和稳定性。
余热发电系统是一种利用工业生产过程中产生的余热转化为电能的设备,其正常运行对工厂的能源利用效率和环境保护具有重要意义。
2. 设备检查和维护2.1. 每天工作开始前,操作人员应仔细检查余热发电系统的设备是否处于正常工作状态,并做好记录。
2.2. 定期检查余热发电系统的支持结构和固定装置,确保其稳定性和安全性。
2.3. 定期对余热发电系统的关键部件进行检修和维护,如涡轮机、发电机、余热回收装置等。
2.4. 对于维护过程中出现的故障和问题,及时报告相关部门并做好记录。
3. 安全操作流程3.1. 操作人员必须经过专业培训并持有相关操作证书,方可操作余热发电系统。
3.2. 在操作之前,操作人员应仔细阅读系统操作手册,并确保理解其中的操作流程和安全注意事项。
3.3. 在操作过程中,操作人员应严格按照系统操作手册中的要求来进行操作,并注意避免操作中的任何错误。
3.4. 在系统运行过程中,操作人员应时刻关注关键参数的变化,并及时采取相应措施进行调整。
3.5. 对于发生的任何异常情况,操作人员应立即报告相关部门,并采取适当的措施以确保系统的安全性。
4. 应急处理措施4.1. 在发生设备故障或其他突发情况时,操作人员应立即按照应急处理措施进行操作,并及时采取措施以保障人员安全。
4.2. 应急处理措施包括但不限于紧急停机、切断电源、疏散人员等。
4.3. 每个操作人员都应熟悉应急处理措施,并能够在紧急情况下迅速地采取相应的行动。
4.4. 紧急情况处理后,应编写事故报告,并及时进行事故调查和处理。
5. 安全意识和培训5.1. 公司应定期组织安全培训和知识考核,以提高员工对余热发电系统的安全操作意识。
5.2. 每名操作人员都应定期参加安全培训,并将所学知识应用于实际操作中。
5.3. 安全意识的培养应贯穿于日常工作中,通过例行巡检和会议等形式进行强化和提醒。
余热发电系统安全操作规程一、目的为保障余热发电系统的安全运行,规范操作人员的工作行为,制定本规程。
二、适用范围本规程适用于余热发电系统的操作人员。
三、安全操作规程1、操作前的准备(1)在操作前,必须进行安全检查。
检查内容包括:设备运行状态、设备附近是否有可燃物品、通风是否畅通等。
(2)在进行操作前,应确保操作人员接受过培训,并具备操作的必要资格和技能。
(3)在操作前,操作人员必须戴好安全帽和防护鞋。
2、操作时的注意事项(1)在操作时,必须严格按照规定的操作程序进行操作。
(2)在操作时,应注意观察设备运转状态,如发现异常情况,应及时采取措施,避免事故的发生。
(3)在清洁设备或更换零部件时,应先停机。
(4)在操作时,应注意操作环境的安全,避免人员跌倒或其他伤害事故。
(5)切勿将非相关人员进入设备附近,以避免安全事故的发生。
(6)在操作中应注意设备的正常运转,如发现设备出现异常,应立即采取措施,以保证设备的正常操作。
3、操作后的处理(1)操作结束后,应清理现场,将设备切断电源,并关闭设备。
(2)将设备的运行情况和安全情况记录下来,以备日后参考。
四、安全应急处理在发生安全事故时,应第一时间采取措施,比如:(1)立即停机,并切断电源(2)封锁现场,确保人员安全(3)现场人员应立即报警,并向上级领导汇报(4)迅速开展紧急救援工作五、总结余热发电系统安全操作规程是公司安全保障的重要措施之一,通过按照规程进行操作,能够保障设备的正常运转,预防事故的发生,同时也能提高员工的安全意识和责任感,保护公司、员工和社会的利益。
因此,公司应加强员工的安全管理和培训,提高员工的操作技能和安全意识,达到确保公司生产安全、降低安全事故事故损失的目的。
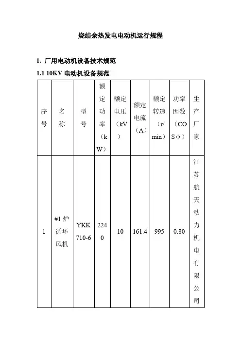
1 余热发电操作运行规程(电气修改最终版)要点1三友公司余热发电操作规程目录总则第一部分汽轮机操作规程第一章技术参数第二章NZ7.9 -1.05/0.2 型机组的启动第一节启动前的准备工作第二节附属设备的启动第三节暖管第四节冲转第五节热态启动原则第六节闪蒸器的投入第三章运行与维护第一节正常运行控制指标第二节运行中的维护与检查第四章汽轮机的停止第一节停机前的准备工作第二节手动停机第三节盘车装置的使用第五章汽轮发电机组的故障处理第一节事故处理原则第二节事故停机及故障停机条件第三节事故停机及故障停机步骤第四节主蒸汽系统故障第五节凝汽器真空下降第六节油系统故障第七节发电机甩负荷及保护装置故障第八节不正常的振动和异音三友公司余热发电操作规程第九节运行中叶片损坏或断落第十节管道故障第十一节厂用电源故障第十二节电网周波不符合标准第十三节发电机、励磁机着火第二部分附属设备操作规程第一章总则第二章附属设备的启停第一节附属设备技术参数第二节凝结水泵第三节循环水泵第四节射水泵及射水抽汽器第五节交直流油泵第六节凝汽器第七节冷油器第八节冷却水塔第九节给水泵第三部分化学操作规程第一章纯水的制取第二章加药及加药装置第一节加药方法第二节运行监督第三节汽水质量标准第四部分余热炉操作规程第一章AQC 炉操作规程第一节AQC 炉的启动第二节AQC 炉的停止三友公司余热发电操作规程第二章第一节PH 炉的启动第二节PH 炉的停止第三章余热炉的运行维护第一节锅炉运行基本参数第二节余热炉的运行与维护第三节余热炉的事故处理及预防第四节拉链机的操作第五部分设备试验规程PH 炉操作规程第一章汽轮机启动前的试验项目第二章汽轮机定速后的试验项目第三章设备定期倒换第四章主要试验项目的试验方法第一节低油压油泵自投及停机保护试验第二节机电联锁试验第三节主汽门严密性试验第四节高压调门严密性试验第五节喷油试验第六节超速保护试验第七节DEH 拉阀试验第八节调门活动试验第九节真空严密性试验第六部分特殊规程的规定第一章热力系统拟定的原则及特点第二章重要操作的规定第三章380V 低压阀门盘、动力箱和直流电源操作的有关规三友公司余热发电操作规程第七部分电气操作规程第一章运行方式第一节380V 厂用电运行方式第二节倒闸操作的一般规定第三节其它规定第二章事故处理规程第一节事故处理的一般规定第二节处理事故的原则第三节异常及事故的现象和处理第三章发电机、励磁机规范第一节发电机规范第二节励磁机规范第四章起动、并列、带负荷第一节发电机起动前的准备第二节发电机起动、升压与并列第三节正常运行的监督与维护第四节发电机的解列与停机第五节异常现象和事故处理第六节DVR-2000B 自动电压调节器第五章变压器运行规程第一节变压器的投入与停止第二节正常运行的监督第六章消弧线圈运行规程第一节消弧线圈投入与停止第二节消弧线圈第三节测控仪的异常情况处理第四节消弧线圈的事故处理第七章电动机运行规程三友公司余热发电操作规程第一节电动机的启动与停止第二节电动机运行的监督与检查第三节异常现象和事故处理第八章配电装置运行规程第一节总则第二节开关第三节刀闸第四节电缆第五节避雷器第六节电流、电压互感器运行与检查第七节电流、电压互感器异常及处理第八节继电保护装置第九节联路线的有关规定第九章直流系统运行规程第一节正常运行方式第二节蓄电池的操作。
烧结余热发电发电机运行规程1.设备技术规范1.1 发电机技术规范1.2 永磁发电机技术规范1.3 交流励磁机技术规范1.4 发电机空冷器技术规范2. 发电机启停机操作及运行监督2.1 启动前的准备2.1.1发电机及其附属设备的一切工作票(特殊试验除外)全部收回,安全措施已恢复,现场已打扫清洁,电气主值接到值班长启机命令后,安排值班人员填写操作票。
2.1.2 机组启动前的系统全面检查:2.1.2.1发电机本体及电气一次系统检查:2.1.2.1.1发电机本体及励磁系统,引出母线及套管、瓷瓶完好,清洁完整,各部联接螺栓紧固,通过窥视孔,观察发电机线棒绑扎完好,无脱线、无流胶、无结露现象。
2.1.2.1.2发电机出口母线、发电机出口PT和发电机母线PT高低压侧保险、发电机母线室CT及发电机线路CT、发电机出口并网开关、发电机线路开关、电缆头一、二次线均正常。
2.1.2.1.3检查发电机并网线路电抗器及厂用分支电抗器完好,符合启动条件。
2.1.2.2测量、计量、电气保护系统检查:2.1.2.2.1检查发电机定子铁芯、绕组测温元件良好, 发电机大轴接地碳刷及转子电压测量碳刷与滑环接触良好,压力适合, 碳刷长度不短于25mm,接线完好。
2.1.2.2.2 发电机及励磁系统各测量表计、测温装置、继电保护、同期装置应符合标准,各保护压板正确投入,励磁回路元件引出线等连接部位均清洁完整,接触良好。
2.1.2.3 润滑及冷却系统检查:2.1.2.3.1 轴承润滑油系统正常畅通,发电机及励磁机平台无渗积油现象,轴承绝缘垫清洁无油污。
2.1.2.3.2 发电机本体无漏风,风冷小室清洁干净,封闭良好, 发电机冷却器无渗漏现象。
2.1.3 发电机在大修、小修后或停机时间超过7天,根据需要开机前应做下列试验:2.1.3.1 做发电机并网开关、灭磁开关、励磁系统各开关的拉合闸试验及联锁试验良好;2.1.3.2 汽机紧急停机按钮跳发电机出口并网开关、灭磁开关一次;2.1.3.3 保护系统作业后,配合检修试验工作人员做发变组保护跳闸试验;2.1.3.4 配合热工、汽机做汽机主保护跳机试验。
烧结余热发电继电保护及自动装置运行规程1.继电保护及自动装置运行的一般原则:1.1没有保护的电气设备,不准投入运行;1.2所有设备的试送电及事故后的试送电,不允许擅自变更保护定值;1.3运行及备用中的二次设备保护未经许可,任何人不得拆封调整;1.4继电保护内部或回路中发生异常,值班员应加强监视,保护有可能误动时,有权先停用该保护,然后汇报领导;1.5在特殊情况下,为消除某种保护的缺陷或调整定值时,允许在代用保护或备用保护投入后,将该保护停用;1.6保护定值的改变,由保护专责人受命于有关上级领导下发的《变更保护定值的通知单》,将该保护停用,并通知值班长、工长及电气专工;1.7值班人员应熟知各设备的保护类型及定值;1.8保护及自动装置动作后的信号,应得到值班长和电气主值的同意后方可恢复并作好记录,当值值班长及电气主值不在现场时,应及时汇报;1.9保护跳闸压板的投入及退出规定;1.9.1 跳闸压板接通前,应用高内阻万用表测量跳闸压板的两端无电压,几块压板同时投入时,必须测量一个投入一个;1.9.2 保护装置校验后投入前,应有试验人员签定的“保护可以投入”的评语;1.9.3 保护投入前,要查看继电器、保护装置、自动装置完好,核对定值与规定相符;1.9.4 设备处于检修或备用状态时,如无检修工作要求或其他特殊要求,其保护压板可以不解除,但设备投入运行前,要检查保护压板投入正确。
1.10电气主值对继电保护装置的职责:1.10.1批准和监督所管辖范围内的保护装置正确使用和运行条件,并将有关情况详细记录;1.10.2根据保护定值的最大允许负荷电流、有功、无功,监视系统的负荷分配和潮流分布;1.10.3切实掌握保护装置整定值并监督其执行;1.10.4掌握运行的保护装置存在的缺陷及不正常情况,做好预防措施,并监督缺陷消除;1.10.5当运行方式改变时,应考虑保护装置的相关变更,遇有特殊运行方式,应取得电气专工的同意。
2024年余热发电系统安全操作规程第一章总则第一条为了保障余热发电系统的安全运行,确保人身、财产安全,规范操作行为,提高工作效率,根据国家相关法律法规和标准,制定本规程。
第二条本规程适用于2024年余热发电系统的安全操作,包括余热发电设备的操作、检修、维护和紧急处理等工作。
第三条安全操作是余热发电系统正常运行的基础,是防止事故发生的关键。
所有操作人员必须严格遵守本规程的要求,执行安全操作,确保人员安全和设备正常运行。
第四条余热发电系统的操作人员必须具备相关的技术知识和操作技能,持证上岗。
操作人员应熟悉本规程的内容,严格遵守操作规范,提高自身素质,不断提升操作水平。
第二章余热发电设备的操作第五条余热发电设备的操作人员必须戴好安全帽、安全鞋,并穿着符合安全要求的工作服。
操作时,应正确使用个人防护装备,严禁穿拖鞋、高跟鞋等不符合安全要求的服装。
第六条在进行余热发电设备操作前,操作人员必须仔细阅读操作手册、设备说明书等相关资料,了解设备的工作原理、工作流程,掌握设备的操作要领。
第七条操作人员在进行余热发电设备操作前,应检查设备的运行状态和安全防护措施是否完整,并且采取必要的措施,确保设备正常运行和安全操作。
第八条操作人员在进行余热发电设备操作时,应确保设备周围干净整洁,不得有杂物和障碍物。
同时,要确保设备周围的通风良好,防止有害气体积聚和人员中毒。
第九条操作人员在进行余热发电设备操作时,必须按照操作规程的要求,逐步操作,不能急躁或跳过操作步骤。
操作时,要轻操作、慢走,严禁踏踩、摔打等行为,防止设备损坏和人员伤害。
第十条在操作余热发电设备时,操作人员应严格控制设备的温度、压力等各项指标,确保设备在正常工作范围内运行。
一旦发现异常情况,应立即停机,进行紧急处理,并及时上报相关人员。
第三章余热发电设备的检修与维护第十一条余热发电设备的检修和维护工作必须由具备相应资质的人员进行,不得擅自进行操作。
在进行检修和维护前,必须切断设备的电源和燃气供应,确保操作安全。
八、电气运行(yùnxíng)规程1目的(mùdì)加强电气运行操作(cāozuò)管理,使其操作达到标准化、规范化、程序化的要求。
2适用范围本规定适用于电厂电气设备的运行、操作和事故(shìgù)处理。
3引用(yǐnyòng)标准3.1水利电力部《发电机运行规程》3.2水利电力部《电力变压器运行规程》3.3水利电力部《发电厂厂用电动机运行规程》3.4水利电力部《电力电缆运行规程》3.5水利电力部《电业安全工作规程》(发电厂和变电所部分)3.6水利电力部《继电保护及安全自动装置运行管理规程》4术语、符号、代号4.1 术语表 4.1—1 运行调度术语:表 4.1—2 运行操作(cāozuò)术语:4.2 符号(fúhào):表 4.2—1 常用(chánɡ yònɡ)符号表:4.3 编号(biān hào)表 4.3—1 高压(gāoyā)设备编号表:表 4.3—2 低压(dīyā)设备编号表:5技术(jìshù)要求5.1.主系统及厂用电系统运行(yùnxíng)方式5.1.1 电气系统运行方式必须满足(mǎnzú)下列条件:1 保证电气设备的安全及电能质量良好,发供电设备应留有适当备用容量,不应承担危险的过负荷。
2 满足继电保护及自动装置要求。
3 便于运行操作和事故处理。
4 正常运行时,系统周波为50 HZ,允许变动范围为正负0.2 HZ,最大不得超过正负0.5HZ。
5 正常运行时各母线电压应保持在额定值正负5%范围内,最大偏差不应超过额定值的正负10%。
表 5.1—1 各母线额定电压5.1.2 调度管辖范围及权限1 本厂发电机属调度所管辖。
2 本厂发电机联络线开关属管辖。
3 本厂6KV母线400V厂用电母线、直流系统及厂用设备由值长管辖。
余热发电系统安全操作规程第一章总则第一条为确保余热发电系统的安全运行,保障人员的人身安全和财产安全,根据国家有关法律法规,结合本企业实际情况,制定本安全操作规程。
第二条本规程适用于本企业余热发电系统的操作人员。
任何人员在操作余热发电系统时必须严格遵守本规程。
第三条余热发电系统操作人员必须经过专门的培训和考试合格后,方可参与操作,并持证上岗。
第四条余热发电系统操作人员在操作时必须佩戴符合国家标准的个人防护用品,并进行定期检查和更换。
第五条操作人员必须严格按照安全操作规程执行操作,并定期进行安全知识培训。
第二章安全管理第六条余热发电系统的安全管理必须根据国家相关法律法规进行,同时应制定本企业的相关安全管理制度。
第七条余热发电系统的操作人员必须定期进行安全培训,提高安全意识,并了解国家相关法律法规。
第八条余热发电系统的操作人员必须按照操作规程进行操作,并进行必要的交接班手续。
第九条余热发电系统的操作人员必须了解并熟悉本企业的应急预案,并在紧急情况下能够迅速有效的采取应对措施。
第十条余热发电系统的操作人员必须按照规定的程序进行巡检和维护工作,并填写相关记录。
第三章操作规程第十一条余热发电系统的操作人员在操作前必须进行设备检查,确保设备正常运行状态。
第十二条余热发电系统的操作人员必须按照规定的操作程序,正确启动和停止设备。
第十三条余热发电系统的操作人员在操作过程中必须始终保持警觉,严防事故的发生。
第十四条余热发电系统的操作人员在发现异常情况时,应立即停止操作,并向上级报告。
第十五条余热发电系统的操作人员在操作过程中必须按照规定的操作参数进行调整,严禁超限运行。
第十六条余热发电系统的操作人员在操作过程中必须按照规定的设备维护计划进行维护工作,并填写相关记录。
第四章紧急处理第十七条余热发电系统的操作人员在发生紧急情况时,必须迅速有效的采取应对措施,并及时向上级报告。
第十八条余热发电系统的操作人员在发生火灾时,必须按照应急预案进行紧急疏散,并及时报警。
余热发电操作规程
《余热发电操作规程》
一、概述
余热发电是利用工业生产中产生的高温废热进行发电的一种能源利用方式。
余热发电操作规程是为了规范余热发电站的运行和管理,确保其安全、稳定、高效地运行。
二、操作规程
1. 设备检查
在启动余热发电站之前,必须对各项设备进行检查。
包括余热回收设备、蒸汽发生器、汽轮发电机等主要设备的运行状态及性能参数的检查。
2. 启动步骤
在设备检查合格后,按照操作规程逐步启动余热发电站。
包括余热回收设备的预热、蒸汽发生器的加热、启动汽轮发电机等步骤。
3. 运行监控
在余热发电站运行期间,需对各项设备的运行情况进行实时监控。
包括蒸汽压力、温度、油压、水位等参数的监测,以确保设备的安全运行。
4. 故障处理
若余热发电站出现设备故障或异常情况,操作人员应及时采取措施进行处理,如关闭设备、排除故障、修复设备等,确保设
备能够安全、稳定地运行。
5. 停车程序
在余热发电站需要停机维护或其他情况下,需按照操作规程逐步停车。
包括逐步降低负荷、关闭汽轮发电机、关闭蒸汽发生器等步骤。
6. 安全操作
在余热发电站运行期间,操作人员应严格遵守安全操作规程,切勿违规操作,确保设备和人员的安全。
三、总结
余热发电操作规程是余热发电站运行和管理的重要依据,只有严格按照规程操作,才能保证余热发电站的安全、稳定、高效运行。
同时,操作人员需要不断学习和总结经验,不断提高自身的操作技能和安全意识,以确保余热发电站的长期稳定运行。
余热发电系统安全操作规程范本第一章总则第一条为了保障余热发电系统的安全运行,防止事故的发生,制定本规程。
第二条本规程适用于所有涉及余热发电系统操作的人员,包括工程师、操作人员等。
第三条本规程的主要任务是规范余热发电系统的操作流程和安全措施,保证人员的安全和系统的正常运行。
第二章人员要求第四条所有从事余热发电系统操作的人员必须具备以下条件:1. 了解余热发电系统的结构和原理,熟悉设备的操作维护,能够独立完成日常操作任务。
2. 具备相关的专业知识和技能,能够分析和解决操作过程中的常见故障。
3. 掌握安全操作流程和应急处理方法,能够在紧急情况下正确应对。
4. 具备良好的团队合作精神和沟通能力,能够与其他人员有效配合。
第五条人员必须遵守本规程的要求,严禁违反操作规程,以免造成严重后果。
第三章设备操作第六条在操作前人员必须进行设备检查,确保设备状态正常,不存在故障。
第七条在操作过程中必须按照操作步骤进行,不得随意更改或省略任何步骤。
第八条操作人员必须保持专注,并随时密切关注设备的运行情况,如发现任何异常情况,应立即采取措施,避免事故发生。
第九条在操作过程中,应注意设备的稳定性,避免产生过大的振动或压力。
第十条操作人员在操作过程中必须戴防护用品,包括防护眼镜、耳塞、手套等。
第四章安全措施第十一条操作人员在操作前必须对设备和周围环境进行安全检查,确保不存在安全隐患。
第十二条操作人员必须严格按照操作规程进行操作,不得擅自更改操作方法,以免造成事故。
第十三条操作人员在操作过程中必须密切关注设备的运行情况,发现设备异常时,应及时报告上级,并采取适当的措施。
第十四条操作人员在操作过程中必须正确使用工具和设备,不得私自改造或拆解设备。
第十五条操作人员在操作过程中必须保持清醒状态,严禁酒后操作。
第十六条操作人员必须参加定期的培训和考核,确保其操作技能的更新和提高。
第五章紧急情况处理第十七条在紧急情况下,操作人员必须保持冷静,迅速采取适当的措施,并向上级报告。
目录1.概况 (2)2.系统工艺简介绍 (2)3.主要设备参数 (2)4.产品供应标准 (8)5.联系制度 (8)6.运行方式 (8)7.操作程序 (8)8.事故处理 (19)1.概况烧结余热发电是利用烧结环冷机产生的高温烟气作为能源的发电项目,可大幅度降低烧结供需能耗,大量节约能源,同时还可以保护环境,是一项节能减排工程。
焦耐车间烧结余热发电站有一套反渗透制水系统,三台川崎BLW自然循环锅炉及一套南汽33MW汽轮机发电机组。
余热锅炉所需烟气采自1烧、4烧、5烧环冷机高温烟气段,汽轮机可采用纯冷凝工况或抽汽工况两种运行方式,满足热电用户需要。
2.系统工艺流简介凝汽器热水井内的凝结水经凝结水泵与闪蒸器出水汇合,然后通过锅炉给水泵打入三台锅炉省煤器内进行预热,产生一定压力下的高温水(210℃),从省煤器出口分两路分别送到余热锅炉汽包内和闪蒸器内,进入汽包的水在锅炉内循环受热,产生过热蒸汽送入汽轮机做功。
进入闪蒸器内的饱和水通过闪蒸产生一定压力的饱和蒸汽送入汽轮机后级做功,做功后的乏汽经过冷凝后重新回到热水井参与循环。
生产过程中消耗掉的水由纯水装置制取出的纯水经补给水泵,除氧器打入热水井。
工艺流程方框图:3.主要设备参数3.1锅炉3.1.1 1号烧结环冷机余热锅炉型式:川崎BLW 自然循环锅炉蒸汽压力(过热器出口): 2.05MPa蒸汽温度(过热器出口): 365℃蒸发量: 45.5t/h给水温度(汽包进口处): 210℃烟气流量: 530,000Nm3/h烟气温度(锅炉进口处): 390℃烟气温度(锅炉出口处): 165℃通过锅炉的压力损失:<100mmH2O3.1.2 5号烧结环冷机余热锅炉形式:川崎BLW 自然循环锅炉蒸汽压力(过热器出口): 2.05MPa蒸汽温度(过热器出口): 367℃蒸发量: 47.1t/h给水温度(汽包进口处): 210℃烟气流量: 539,439Nm3/h烟气温度(锅炉进口处): 394℃烟气温度(锅炉出口处): 166℃通过锅炉的压力损失:<100mmH2O3.1.3 4号烧结环冷机余热锅炉形式:川崎BLW 自然循环锅炉蒸汽压力(过热器出口): 2.05MPa蒸汽温度(过热器出口): 364℃蒸发量: 44.5t/h给水温度(汽包进口处): 210℃烟气流量: 523,000Nm3/h烟气温度(锅炉进口处): 388℃烟气温度(锅炉出口处): 165℃通过锅炉的压力损失:<100mmH2O3.2汽轮机3.2.1 汽轮机本体型式:双压、单缸、抽汽、冲动冷凝式汽轮机型号: NCZ33-1.91/0.8/0.37转速: 3000r/min额定纯凝功率: 33.72MW额定抽汽工况功率: 29.14MW主蒸汽进汽压力: 1.91MPa主蒸汽进汽温度: 357℃主蒸汽进汽流量: 137.1t/h补注汽压力: 0.37MPa补汽温度: 140.8℃补汽流量: 26.50t/h额定抽汽工况抽汽压力: 0.8—1.0893MPa额定抽汽工况抽汽温度: 300.37 ℃额定抽汽工况抽汽流量: 25 t/h最大抽汽流量: 35 t/h额定抽汽工况排汽压力: 7.23KPa额定纯凝工况排汽压力: 8.14KPa旋转方向:从汽轮机向发电机看为顺时针方向本体重量: ~113 t上缸重量: ~25.3 t下缸重量: ~33 t转子重量: ~16.08汽轮机本体最大尺寸(长X宽X高): 6983X7080X4760 mm 3.2.2 辅机规范3.2.2.1 汽封加热器:型号: JO-46-1冷却水量: 139.7 t/h冷却水最大压力: 2.2 MPa抽空气量: 203kg/h汽室压力: 0.2 MPa加热面积: 46 m23.2.2.2 冷凝器型式:分列二道制表面回热式型号: N-3500-5冷却面积: 3500 m2冷却水量: 9900 t/h冷却循环水压力: 0.25MPa水阻: 0.039 MPa无水时净重: 73 t3.2.2.3 冷油器型号: YL-70-冷却水量: 163 t/h冷却油量: 1200 l/min水阻: 0.012 MPa油阻: 0.07 MPa冷却面积: 70 m23.2.2.4 锅炉给水泵型号: 250AYS150X2A扬程: 255m流量: 525~556 m3 /h3.2.2.5 循环水泵型号: KOSN900-N13J/924流量: 5000-6000-7000 m3 /h扬程: 38-35-28 m转速: 585r/min功率: 710KW3.2.2.6 射水抽汽器型式:环保降噪型多通道射水抽汽器型号: TD-32正常水压: 0.35 MPa正常耗水量: 305 t/h正常抽汽量: 32kg/h3.2.2.7 油烟净化排放装置型号: 2FDHB2-6-2流量: 360 m3 /h全压: 4000 Pa转速: 2900 r/min原动机功率: 1.5KW3.2.2.7 射水泵型号: IS200-150-315流量: 32 m扬程: 32 m转速: 1450 r/min效率: 82%轴功率: 42.5KW3.2.2.8 凝结水泵型号: 6LDTN-6流量: 160 m3 /h扬程: 72 m轴功率: 42KW转速: 1490 r/min效率: 76%3.2.2.9 玻璃钢冷却塔型号: FNG-3000 X4冷却水量: 3000 m3 /h进水温度: 47 ℃出水温度: 35℃电机功率: 132KW3.2.2.10 冷却塔风机型号: LF80 B转速: 149 r/min流量: 170X104 m3 /h全压: 161.42 Pa电机功率: 132KW叶片角: 63.3发电机型号 QFW-33-2C额定功率 33MW额定转速 3000r/min额定频率 50Hz额定电压 10500V额定电流 2135A功率因数 0.8接线方式 Y转向从汽轮机端看为顺时针向绝缘等级(定、转子) F冷却方式空冷冷却空气量 17m3/s空冷器容量 830KW冷却水量 200 m3/s进水温度最大 35℃平均26℃3.3.1励磁机型号 TFLW130-3000A/双通道无刷励磁额定功率 130kW直流电压 152V直流电流 859A转速 3000r/min3.3.2 永磁付励磁机型号 TFY2.85-3000C容量 2.85KVA电流 15A电压 190V4.产品供应标准供低压汽热用户标准:蒸汽压力:0.8—1.0893Mpa蒸汽温度:300.37℃5.联系制度5.1 与调度联系:开炉、开机时间,开炉、开机后运行方式。
余热发电操作规程余热发电是指将工业生产中产生的废热,通过热能装置进行能量转换,将热能转化为电能或其他形式的能量利用的过程。
其主要操作规程如下:一、操作前准备:1. 确认余热发电设备的运行状态,包括锅炉、燃料供应系统、烟气净化系统等;2. 检查余热发电设备的水位、压力、温度等指标是否符合要求;3. 检查余热发电设备的安全保护装置是否齐全并正常工作;4. 做好与电网连接的准备工作,包括设置开关、调整电压等。
二、余热发电设备的启动:1. 打开余热发电设备的供水系统,确保水位稳定;2. 打开供热系统的燃料供应系统,将燃料送入锅炉燃烧室,并点火;3. 监测燃烧室温度和压力,确保燃烧过程的安全和稳定;4. 启动余热发电设备的发电机组,将余热转化为电能。
三、余热发电设备的运行:1. 监控余热发电设备的水位、压力、温度等参数,确保设备的安全运行;2. 监测余热发电设备的电能输出情况,确保稳定供电;3. 定期检查余热发电设备的关键部件,如锅炉、发电机等,确保其正常工作;4. 定期清洗、维护余热发电设备的烟气净化系统,确保其有效运行;5. 根据运行情况调整余热发电设备的运行参数,以达到最佳发电效果。
四、余热发电设备的停止:1. 停止供热系统的燃料供应,使余热发电设备停止燃烧;2. 关闭余热发电设备的发电机组,停止发电;3. 关闭余热发电设备的供水系统,停止给水;4. 关闭余热发电设备的其他辅助系统,如烟气净化系统等。
五、安全措施:1. 操作人员必须熟悉余热发电设备的操作规程和安全要求,并戴好劳保用品,如安全帽、防护服等;2. 操作人员必须按照规定的操作程序进行操作,不得违章操作或私自调整设备参数;3. 注意设备的运行状态,及时发现设备异常情况,如温度过高、压力异常等,及时采取应急措施;4. 在操作过程中,禁止擅自拆卸或修改设备部件,如需维修,必须按照规定的维修程序进行;5. 操作人员必须严格遵守设备的安全操作规程,做好操作记录和事故报告,保证设备的安全运行。
余热发电系统安全操作规程一、总则1. 本操作规程适用于余热发电系统的安全操作,旨在确保操作人员的人身安全和设备的正常运行。
2. 所有操作人员必须经过专门的培训,并具有相关的操作证书。
3. 运行人员必须了解并掌握本操作规程的内容,严格按照规程执行操作。
二、安全防护1. 所有操作人员在进入发电区域前必须佩戴符合规定的个人防护装备,包括防护服、防护手套、安全帽、防护眼镜等。
2. 必须确保发电区域的通风良好,及时清除积聚的有害气体。
3. 发电区域的地面必须保持干燥、整洁,避免滑倒和其他意外伤害。
三、设备操作1. 在进行设备操作前,必须确认设备已停止运行并断电,并在操作区域设置明显的停电标识。
2. 操作人员必须按照设备操作手册的要求,严格操作设备,不得随意更改参数和设置。
3. 在设备运行时,操作人员必须保持专注,并及时发现设备异常情况,如噪声、异味或温度升高等,并立即报告相关部门。
四、事故应急处理1. 在设备操作过程中,如发生事故,操作人员必须立即停止操作,并按照应急处理流程进行处理。
2. 发生火灾时,操作人员首先必须确保自身安全,然后立即启动灭火设备进行灭火,同时报告消防部门。
3. 发生电气事故时,操作人员必须立即切断电源,并用绝缘材料隔离事故区域。
五、日常巡检1. 每日必须对发电设备进行巡检,检查设备是否正常运行,有无异常状况。
2. 巡检时,操作人员必须佩戴好个人防护装备,并按照巡检计划逐项检查。
3. 巡检过程中发现异常状况时,操作人员必须及时报告,并按照相关流程进行处理。
六、维护保养1. 定期对发电设备进行维护保养,确保设备处于良好的运行状态。
2. 维护保养期间,操作人员必须按照维护计划进行操作,并注意个人安全。
3. 维护过程中发现设备有故障或需要更换的零部件时,应及时报告并按照相关程序进行处理。
七、设备运行记录1. 每日设备运行情况必须进行记录,包括设备运行时间、温度、压力等参数。
2. 运行记录必须真实准确,记录人必须及时、完整地填写相关信息。
烧结余热发电电气主系统运行规程
1. 系统概述
日照旭日发电有限公司2×360m2烧结环冷机余热蒸汽发电系统为一台22MW次中压补汽纯凝汽式汽轮发电机组,汽轮发电机的额定功率为25MW,机端电压10.5kV,发电机出口设断路器和发电机母线,发电机、厂用分支电抗器均接入发电机母线,引一回出线经上网电抗器在日钢2×360m2烧结110kV开关站10kV高压室母线上并网。
1.1 10kV系统
1.1.110kV系统为中性点不接地系统,采用单母线分段接线,一路引自发电机母线厂用分支电抗器,做为厂用10kV I段进线电源,另一路引自360m2烧结1#高压室10kV I段母线,做为厂用10kV II段进线电源,两段母线之间有母联开关,并装设备自投装置,正常运行时两段母线同时工作,当一路电源失电或故障时,备自投动作,由另一段电源带全部负荷。
1.1.2发电机出口设置两组电压互感器,采用中置式开关柜,一、二次侧装有熔断器,其中一组供给仪表发电机功率1测量、保护、发电机出口开关同期及用作励磁调节器判断PT 断线,另一组作为发电机励磁调节用电压量及仪表发电机功率2测量。
1.1.3发电机母线设置一组电压互感器,采用中置式开关柜,一、二次侧装有熔断器,主要供发电机测量、计量和同期用。
1.1.4厂用10kV I段上引馈出给1#厂用变压器、1#3#循环水泵及日钢西门加油站供电,厂用10kV II段上引馈出给2#厂用变压器及2#循环水泵供电,每段母线均设置一组电压互感器及氧化锌避雷器,电压互感器供给测量、计量、保护,氧化锌避雷器作为母线的过电压保护。
1.1.5 10kV I 段和10kV II段母线设有母联开关,母联开关具有双向自投功能,厂用10kV II段经隔离开关与10kV I 段母联开关,可实现10kV I 段和10kV II段母线连接,两段母线电源可互为备用。
1.1.6 10KV系统设有两个同期点:发电机出口62开关和发电机线路66开关。
正常情况下用发电机出口62开关并网。
1.1.7 锅炉高压用电负荷#1、#2炉风机电源分别取自2×360m2烧结110 kV变电站10kV系统6102柜、6105柜。
1.2 400V系统
1.2.1低压厂用电 400V系统为中性点直接接地系统, 厂用400V I段、II段分别由接于厂用10kV I段、II段的#1、#2厂变供电,形成单母线分段接线方式。
1.2.2厂用400V I段、II段母线设有母联开关,母联开关装设备自投,400V II 段经母联开关可与400V I 段连接,
互为备用。
1.2.3 烧结余热#1、#2锅炉低压用电负荷分别从烧结厂#1、#2配电室0.4kV母线上引接。
锅炉低压负荷为单电源供电,无备用。
2.系统运行方式
2.1 10kV系统运行方式
2.1.1标准运行方式
发电机经发电机出口62开关通过发电机母线,一方面经厂用分支电抗器供给厂用10kV I段母线工作电源, 另一方面经发电机线路66开关,通过并网线路电抗器,经发电机线路并网6101开关,并入2×360m2烧结110 kV开关站10kV 母线段,与系统联网;厂用10kV II 母线经60开关,由360m2烧结高压室10kV母线I段1116开关供电,厂用10kV I、II 段母联610开关热备用(备自投投入)。
2.1.2非标准运行方式
2.1.2.110kV厂用分支线路设备停电检修或厂用10kV II 段电源进线线路设备停电检修时,将10kV母联610开关由热备用转运行,所有厂用电分别由10kV II段电源带或10kV 厂用分支电抗器带。
2.1.3机组启动前的运行方式
由日钢360m2烧结110kV开关站10kV高压室母线上的
发电机线路并网6101开关,经发电机线路电抗器、发电机线路66开关、厂用分支电抗器倒送电至10kV I段母线运行;由360m2烧结高压室10kV厂用I段1116开关经2×360m2烧结发电厂用10kV II段(备用段)母线电源进线60开关带10kV II段母线运行;母联610开关热备用。
2.1.4机组启动后的运行方式
机组启动并网后为标准运行方式。
2.2 400V系统运行方式
2.2.1 400V系统标准运行方式
2.2.1.1 1#厂用变压器带厂用400V I段运行,2#厂用变压器带厂用400V II段运行,400V母联4101开关热备用(备自投投入)。
2.2.1.2余热发电#1锅炉低压负荷引自烧结#1低配室115AA柜,#2锅炉低压负荷引自烧结#2低配室114AA柜。
2.2.2400V系统非标准运行方式
2.2.2.1400V厂用变压器停电检修时,400V母联4101开关运行,由非检修变压器带400V I段和II段全部负荷运行;
2.2.3机组启动前和启动后的运行方式
机组启动前后,运行方式不变,即为标准运行方式。
3. 倒闸操作
3.1电气设备的四种状态
3.1.1 运行状态:指电气设备的开关和刀闸均在合闸位
置,其导电回路已接通;
3.1.2 热备用状态:指电气设备本身良好,其刀闸在合闸位置或小车开关在工作位置,控制保险、合闸保险均已投入,其导电回路靠开关断开,一经合闸即为运行状态;
3.1.3 冷备用状态:指电气设备本身良好,其开关、刀闸均在断开位置,小车开关在试验位置,控制保险、合闸保险均退出;
3.1.4 检修状态:指电气设备的开关、刀闸均在断开位置,小车开关在试验位置或检修位置,控制保险、合闸保险均退出,合上接地刀闸或挂好接地线(做好安全措施)。
3.2 倒闸操作原则:
3.2.1 各种倒闸操作必须严格执行“两票三制”,工作票、
操作票严禁涂改。
3.2.2 倒闸操作前应根据《操作票附页》作好“安全检查
和危险点分析与预控措施”。
3.2.3 在操作过程中,电气设备的操作闭锁机构不得随意解除(特殊情况下,必须得到当班值班长、工段长、专工和主任的批准),以防止电气误操作事故的发生。
3.3 倒闸操作的注意事项:
3.3.1系统运行方式的变更应周密考虑各种运行方式下的继电保护自动装置的配合,设备送电前必须将有关保护投入,没有保护或不能电动跳闸的开关不准送电。
3.3.2 系统并列操作:
周波:同期并列时必须相等。
事故时,周波最大允许差<±0.5HZ。
电压:同期并列时,均应将电压差调至最小。
在事故情况下,系统并列时电压差最大不许超过20%,且不允许超过电压所规定的上、下限。
相序、相位:两系统一致。
新投入或检修后的设备投入运行前,对单电源供电的负荷在受电前应检查相序是否正确,对两个电源之间的并列,并列前必须经同期检验核实相序、相位正确。
3.3.3 系统解列操作:
机组解列时应将负荷调整接近零(500kW~1000kW左右),防止机组逆功率,电流尽可能减至最小,以免解列后系统的电压和周波变化太大。
3.3.4 系统合环操作:
在同一电气系统进行工作电源与备用电源的合环操作时,如压差超过额定电压的20%时,应查找原因,设法均压,否则不允许合环。
3.3.5电气设备停送电操作:
设备停电的操作:先断开开关(确认开关断开后),再拉开负荷侧刀闸,最后拉开电源侧刀闸。
设备送电操作与停电操作顺序相反。