TV结构件的常用材料简介
- 格式:pptx
- 大小:1.22 MB
- 文档页数:32
展台制作材料展台制作是展览活动中非常重要的一环,好的展台设计可以吸引更多的观众,让参展产品更加突出。
而展台制作材料的选择也是至关重要的,不同的材料可以展现出不同的效果,下面就来介绍一些常见的展台制作材料。
首先,展台的主体结构通常采用铝合金材料。
铝合金具有轻质、耐腐蚀、易加工等优点,非常适合用于展台的主体结构制作。
同时,铝合金还可以根据设计要求进行弯曲、切割等加工,使得展台的形状更加多样化。
其次,展台的外观装饰常常采用各种板材。
常见的有PVC板、亚克力板、木板等。
PVC板具有质轻、防水、易加工等特点,常用于展台的墙面装饰和标识制作。
亚克力板则具有高透明度、耐候性好等特点,适合用于展台的展示产品展示台制作。
而木板则可以根据设计要求进行雕刻、喷漆等加工,使得展台更具有个性化。
此外,展台的地面装饰常常采用地毯、地砖等。
地毯具有柔软、吸音、保温等特点,适合用于展台的地面装饰,同时也可以根据设计要求选择不同的颜色和图案。
地砖则具有耐磨、易清洁等特点,适合用于大型展台或需要重型设备支撑的展台。
最后,展台的陈列展示常常需要用到展示架、展示柜等。
展示架通常采用铝合金、钢材等制作,具有稳定、结实等特点,可以展示各种产品。
而展示柜则可以根据产品的特点选择不同的材质,比如玻璃、亚克力等,使得产品更加突出。
综上所述,展台制作材料的选择是非常重要的,不同的材料可以展现出不同的效果。
在选择展台制作材料时,需要根据展台的设计要求、产品特点等因素进行综合考虑,力求达到最佳的展示效果。
希望以上介绍的展台制作材料能够对您有所帮助。
LED灯具常用结构件材料及特性1.外壳材料:外壳是LED灯具的外部保护层,一般采用铝合金、塑料或陶瓷等材料。
铝合金具有优良的导热性能和机械强度,可以有效地散热,并且较为耐用。
塑料材料成本低,韧性好,可以根据需要进行塑性加工,但导热性能较差。
陶瓷材料具有良好的导热性能和绝缘性能,适用于高功率LED灯具。
2.散热器材料:散热器用于散发LED产生的热量,一般采用铝合金、铜合金等材料。
铝合金散热器具有优良的导热性能、轻巧易用和经济实惠等特点。
铜合金具有更高的热导率和导热能力,适用于高功率LED灯具和有限空间应用,但成本较高。
3.光学材料:光学材料用于调节和控制LED的光线方向和光强分布,常用的材料有玻璃和光学级塑料等。
玻璃具有优良的耐高温、气密性和透光性能,但重量较大。
光学级塑料具有较轻的重量、成本较低、易加工和抗冲击性能,但耐高温性能较差。
4.导热接触材料:导热接触材料用于提高LED芯片与散热器之间的热传导效率,常用的材料有硅胶脂、硅胶垫和热导片等。
硅胶脂具有良好的可塑性和封装性能,可以填充芯片与散热器之间的缝隙,提高导热效果。
硅胶垫具有良好的导热性能和压缩性能,适用于紧固压力小的应用。
热导片则可直接用于芯片和散热器之间的导热接触,具有较高的导热性能。
5.电子元器件材料:LED灯具中的电子元器件包括电阻、电容、电感器、集成电路等,常用的材料有陶瓷、金属、塑料等。
陶瓷具有良好的机械强度和耐高温性能,适用于特殊环境下的应用。
金属材料具有良好的导电性能和机械强度,塑料材料则具有低成本、轻质和可塑性等特点。
总之,LED灯具的结构件材料选择需要综合考虑散热性能、光学效果、导热效果和可靠性等因素,不同的应用场景和要求会选择不同的材料来满足需求。
特定的材料的应用也需要注意其优点和缺点,以便在实际生产中取得更好的效果。
非标自动化设备常用材料标题:非标自动化设备常用材料引言概述:随着自动化技术的不断发展,非标自动化设备在工业生产中扮演着越来越重要的角色。
而非标自动化设备的设计和创造离不开各种材料的应用。
本文将介绍非标自动化设备常用的材料及其特点。
一、金属材料1.1 不锈钢:具有优良的耐腐蚀性和机械性能,适合于制作高要求的零部件。
1.2 铝合金:分量轻、强度高,适合于制作结构轻型化的零部件。
1.3 铜材料:导电性好,适合于制作电气连接部件。
二、塑料材料2.1 聚乙烯:价格低廉,具有良好的耐腐蚀性和机械性能,适合于制作零部件外壳。
2.2 聚丙烯:耐磨性好,适合于制作耐磨零部件。
2.3 聚氯乙烯:耐高温性好,适合于制作耐高温零部件。
三、橡胶材料3.1 丁腈橡胶:耐油性好,适合于制作密封圈和软管。
3.2 氟橡胶:耐高温性好,适合于制作耐高温密封圈。
3.3 丙烯橡胶:耐候性好,适合于户外环境下的零部件。
四、复合材料4.1 碳纤维复合材料:具有优异的强度和刚度,适合于制作结构件。
4.2 玻璃纤维复合材料:价格低廉,适合于制作普通结构件。
4.3 聚合物基复合材料:具有良好的耐腐蚀性和机械性能,适合于制作耐腐蚀零部件。
五、其他材料5.1 陶瓷材料:耐磨性好,适合于制作高磨损零部件。
5.2 玻璃材料:透明性好,适合于制作显示面板。
5.3 硅胶材料:耐高温性好,适合于制作耐高温密封件。
结论:非标自动化设备在设计和创造过程中需要选择合适的材料,以确保设备的性能和可靠性。
各种材料都有各自的特点和适合范围,工程师在选择材料时应根据具体的应用场景和要求进行合理的选择。
希翼本文对非标自动化设备材料选择提供一定的参考和匡助。
一、光学薄膜简介1、光学薄膜的定义光学薄膜在我们的生活中无处不在,从精密及光学设备、显示器设备到日常生活中的光学薄膜应用;比方说,平时戴的眼镜、数码相机、各式家电用品,或者是钞票上的防伪技术,皆能被称之为光学薄膜技术应用之延伸。
倘若没有光学薄膜技术作为发展基础,近代光电、通讯或是镭射技术将无法有所进展,这也显示出光学薄膜技术研究发展的重要性。
光学薄膜系指在光学元件或独立基板上,制镀上或涂布一层或多层介电质膜或金属膜或这两类膜的组合,以改变光波之传递特性,包括光的透射、反射、吸收、散射、偏振及相位改变。
故经由适当设计可以调变不同波段元件表面之穿透率及反射率,亦可以使不同偏振平面的光具有不同的特性。
一般来说,光学薄膜的生产方式主要分为干法和湿法的生产工艺。
所谓的干式就是没有液体出现在整个加工过程中,例如真空蒸镀是在一真空环境中,以电能加热固体原物料,经升华成气体后附着在一个固体基材的表面上,完成涂布加工。
日常生活中所看到装饰用的金色、银色或具金属质感的包装膜,就是以干式涂布方式制造的产品。
但是在实际量产的考虑下,干式涂布运用的范围小于湿式涂布。
湿式涂布一般的做法是把具有各种功能的成分混合成液态涂料,以不同的加工方式涂布在基材上,然后使液态涂料干燥固化做成产品。
在本文中仅讨论湿式涂布技术的光学薄膜产业。
2、光学薄膜种类光学薄膜根据其用途分类、特性与应用可分为:反射膜、增透膜/减反射膜、滤光片、偏光片/偏光膜、补偿膜/相位差板、配向膜、扩散膜/片、增亮膜/棱镜片/聚光片、遮光膜/黑白胶等。
相关衍生的种类有光学级保护膜、窗膜等。
、反射膜反射膜一般可分为两类,一类是金属反射膜,一类是全电介质反射膜。
此外,还有将两者结合的金属电介质反射膜,功能是增加光学表面的反射率。
一般金属都具有较大的消光系数。
当光束由空气入射到金属表面时,进入金属内的光振幅迅速衰减,使得进入金属内部的光能相应减少,而反射光能增加。
消光系数越大,光振幅衰减越迅速,进入金属内部的光能越少,反射率越高。
有线电视常用线路器材介绍第一节同轴电缆一、用途同轴电缆(Coaxial cable)是有线电视系统的重要器材之一,是传输射频信号的主要媒介。
由内导体、外导体、绝缘介质和外护套四部分组成。
由于外导体和内导体的圆心在同一个轴心上,所以叫做同轴电缆,同轴电缆的结构特性使得电磁场被封闭在内外导体之间,故辐射损耗小,受外界干扰影响小。
二、分类1.按绝缘介质外径分:-5、-7、-9、-12等。
2.按介质材料分:实心、化学发泡、纵孔、物理发泡和竹节电缆。
3.按外导体材料分:全屏蔽网、屏蔽网+铝膜(双屏蔽和四屏蔽)等。
4.按内导体材料分:全铜、铜包铝、铜包铁等。
三、性能指标及特性1.同轴电缆的主要性能指标有:特性阻抗、衰减系数、屏蔽系数、反射损耗、温度系数、直流回路电阻、最小弯曲半径。
2.同轴电缆的频率特性,随着传输频率的升高,同轴电缆的损耗越大。
3.有线电视常用同轴电缆特性阻抗为75欧,使用过程中为了减少衰减,最小弯曲半径不低于线缆直径的8倍。
-5两屏蔽电缆 -7两屏蔽电缆-9两屏蔽电缆-12铝管电缆四、河南有线常用规格及使用规范1.目前在有线电视网络中常用的是:-5和-7双屏蔽同轴电缆及-5四屏蔽同轴电缆。
2.在线路设计中,-5和-7双屏蔽同轴电缆一般用于光节点以下部分的线路敷设中,其中-7电缆主要是光节点以下至楼道集中分配器前,-5电缆主要是楼道集中分配器以下部分。
3.在机房设备间连接敷设时,选择-5四屏蔽同轴电缆,来增加线路的抗干扰能力。
第二节同轴电缆连接器有线电视系统中常用的同轴电缆连接器有:冷压F头、轴向纵压F头、贯通头、防水头、轴向纵压BNC头、双通、防盗锁头、射频转换头等。
在有线电视系统中F型接头最常见,按照螺纹的不同,有英制和公制两种类型,需要区分使用。
它的接头尺寸有5毫米、7毫米和9毫米等几种,和不同直径的电缆配用。
-5冷压F头轴向纵压BNC头轴向纵压F头/英制轴向纵压F头/公制F头转射频头双通防雨F头防水贯通头带负载弹子防盗锁头第三节分支分配器类一、分支分配器1.用途分支、分配器的作用是把一路信号按线路需要分成多路信号,以满足线路和用户需要。
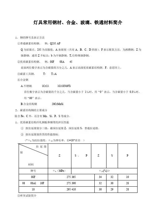
灯具常用钢材、合金、玻璃、铁通材料简介1、钢的牌号及表示方法①普通碳素结构钢。
例:Q235-AFQ为屈服点,235为屈服值,A表级别(共有A,B,C,D四级),F表示脱氧方法,为沸腾钢;Z为镇静钢,通常Z不标注;b为半镇静钢,T z位特殊镇静钢。
②优质碳素结构钢。
例:08F 08A 45前面两位数字表示为含碳量的万分之几。
A表示高级优质碳素结构钢。
F,意思同上。
③碳素工具钢。
T7 T12A④合金钢A.不锈钢. 1Cr13. 1Cr18Ni9Ti首位数字表示为含碳量的千分之几。
当含碳量小于1‰时,用“0”表示,当含碳量小于0.3‰时,用“00”表示。
B.合金结构钢20CrMnSi2、碳素结构钢的主要成分除含Fe、C外,还含有Mn、Si、P、S等成分。
1、优质碳素结构冷轧钢板和钢带的冲压性能①按拉延级别分三级:最深拉延级Z,深拉延级S,普通拉延级。
②按拉延级别供货的性能指标。
(*бb为抗拉强度,б10为伸长率,长=10*直径)③杯突试验简介在专门的实验机上进行,适用于厚度在2.0mm以下的薄板。
试件尺寸为90mm×90mm(方毛坯)。
杯突实验即将实验毛坯置于实验机的空心轴和凹模之间,实验机中的标准球头(凸模)匀速下压,随着凸模的下压,试件上出现压穴,深度不断加大,直到出现透光的裂纹为止。
此时的压穴深度即为杯突值。
钢板、钢带的杯突试验,每个测量点的杯突值符合下表要求:④表面质量分为三组:A.高级的精整表面; B.较高级的精整表面; C.普通级的精整表面。
交货状态的表面质量要求:A.正面不得有表面缺陷,反面允许有厚度公差1/4范围内的轻微麻点,轻微划痕B.两面允许有厚度公差1/2范围内的轻微麻点和轻微划痕,反面允许有厚度公差1/2范围内的小气泡,小拉裂及轧辊压痕。
C.正面允许有厚度公差1/2范围内的轻微麻点和局部的深麻点及小气泡,小拉裂,划伤,轻微划痕,轧辊压痕,反面允许有厚度公差范围内的轻微麻点和局部的深麻点几小气泡,小拉裂,划伤,轻微压痕和轧辊压痕。
【定义】集成电路(integrated circuit,港台称之为积体电路)是一种微型电子器件或部件。
采用一定的工艺,把一个电路中所需的晶体管、二极管、电阻、电容和电感等元件及布线互连一起,制作在一小块或几小块半导体晶片或介质基片上,然后封装在一个管壳内,成为具有所需电路功能的微型结构;其中所有元件在结构上已组成一个整体,这样,整个电路的体积大大缩小,且引出线和焊接点的数目也大为减少,从而使电子元件向着微小型化、低功耗和高可靠性方面迈进了一大步。
集成电路具有体积小,重量轻,引出线和焊接点少,寿命长,可靠性高,性能好等优点,同时成本低,便于大规模生产。
它不仅在工、民用电子设备如收录机、电视机、计算机等方面得到广泛的应用,同时在军事、通讯、遥控等方面也得到广泛的应用。
用集成电路来装配电子设备,其装配密度比晶体管可提高几十倍至几千倍,设备的稳定工作时间也可大大提高。
它在电路中用字母“IC”(也有用文字符号“N”等)表示。
【分类】(一)按功能结构分类集成电路按其功能、结构的不同,可以分为模拟集成电路和数字集成电路两大类。
模拟用来产生、放大和处理各种模拟信号(指幅度随时间边疆变化的信号。
例如半导体收音机的音频信号、录放机的磁带信号等),而数字用来产生、放大和处理各种数字信号(指在时间上和幅度上离散取值的信号。
例如VCD、DVD重放的音频信号和视频信号)。
(二)按制作工艺分类按制作工艺可分为半导体和薄膜。
膜又分类厚膜和薄膜。
(三)按集成度高低分类按集成度高低的不同可分为小规模、中规模、大规模和超大规模。
(四)按导电类型不同分类按导电类型可分为双极型和单极型。
双极型的制作工艺复杂,功耗较大,代表有TTL、ECL、HTL、LST-TL、STTL等类型。
单极型的制作工艺简单,功耗也较低,易于制成大规模,代表有CMOS、NMOS、PMOS等类型。
(五)按用途分类按用途可分为电视机用、音响用、影碟机用、录像机用、电脑(微机)用、电子琴用、通信用、照相机用、遥控、语言、报警器用及各种专用。
结构加固材料范文结构加固材料是指用于增强和改善建筑物或其他结构的耐力和稳定性的材料。
这些材料可以通过加固现有结构来抵抗外部冲击、重力、风力等力量的作用,从而提高结构的安全性和可靠性。
下面将介绍一些常见的结构加固材料。
1.碳纤维:碳纤维加固材料是一种高强度、轻质和耐腐蚀的材料。
它可以通过包裹在钢筋周围或直接贴附在结构表面来增加结构的强度和刚度,从而提高其抗震和抗风能力,并减小结构的变形。
碳纤维加固材料还可以修补破损的混凝土、钢结构和木结构,并提供防火和防腐蚀的保护。
2.纤维增强材料:纤维增强材料是一类由纤维和树脂组成的复合材料。
常见的纤维材料包括玻璃纤维、碳纤维和聚丙烯纤维等。
这些材料具有高拉伸强度和耐腐蚀性能,可用于增强和修补混凝土、钢结构、木结构等。
纤维增强材料可以灵活应用于各种结构中,例如桥梁、楼宇、水池等。
3.钢板:钢板是一种常用的结构加固材料,用于修补和加固破损的混凝土、钢结构和木结构等。
钢板可通过焊接、螺栓连接或胶粘剂固定在结构表面,形成钢板与结构之间的双向作用,从而提高结构的承载能力和稳定性。
钢板加固广泛应用于桥梁、楼宇、船舶等结构中。
4.预应力混凝土:预应力混凝土是一种通过在混凝土构件内部施加预应力来提高其承载能力和耐久性的结构材料。
通常使用预应力钢筋或碳纤维等材料作为加固材料。
预应力混凝土结构可以抵抗重力、冲击力和地震等外部力量,提高结构的安全性和可靠性。
5.聚合物膜:聚合物膜是一种高韧性和耐腐蚀的材料,用于增加混凝土结构的强度和稳定性。
聚合物膜可通过覆盖在混凝土表面、包裹在钢筋周围或与混凝土共同使用来提供加固效果。
聚合物膜具有防水、防腐蚀和抗紫外线的特性,可延长结构的使用寿命。
总之,结构加固材料通过增加结构材料的强度、刚度和稳定性,提高结构的安全性和可靠性。
这些材料可以应用于各种结构,例如建筑物、桥梁、隧道等,有效防止结构的破坏和损坏,延长结构的使用寿命。
第2章2.1 钛的基本性质C1~8]工业纯钛钛的矿物在自然界中分布很广,处于分散状态,主要形成矿物钛铁矿Fe—TiO3、金红石TiO2及钒钛铁矿等,约占地壳重的0.6%,在金属世界里排行第7,含钛的矿物多达70多种,在海水中含量是1Ug/L,在海底结核中也含有大量的钛。
钛的基本性质主要包括以下几个方面。
2.1.1 物理性质纯净的钛是银白色金属,具有银灰色光泽。
钛属难熔金属,原子序数为22,。
相对原子质量为47.90,位于周期表ⅣB族。
钛有两种同素异构体,。
—Ti在882'C以下稳定,为密排六方晶格(hcp)结构;p—Ti在882~C与熔点1678~C之间稳定存在,具有体心立方晶格(bbc) 结构。
在882~C发生。
一p转变。
—Ti的点阵常数(20'C)为a=0.2950nm,‘=0.4683nm,‘/o/=1.587;p—Ti的点阵常数为o=0.3282nm(20℃)或o= 0.3306nm(900~C)。
钛的密度为4.51g/cm3,只相当于钢的57%,属轻金属。
钛的熔点较高,导电性差,热导率和线膨胀系数均较低,钛的热导率只有铁的1/4,是铜的1/7。
钛无磁性,在很强的磁场下也不会磁化,用钛制人造骨和关节植入人体内不会受雷雨天气的影响。
当温度低于0.49K时,钛呈现超导电性,经合金化后,超导温度可提高到9~10K,钛的基本物理性能数据列于表2—1。
┌───────────────┬────────┐│名称│数值│├───────────────┼────────┤│相对原子质量│47.9 │├───────────────┼────────┤│原子半径/nm │0.145 │├───────────────┼────────┤│e—Ti-~-Ti相变潜热/(kJ/mo1) │3.47 │└───────────────┴────────┘比密度续表2.1,2 力学性能室温下纯钛的晶体结构为密排六方结构,其点阵长短轴比c/aGl.633,室温变形时主要以<1010}<1210>柱面滑移为主,并常诱发孪生[9];钛同时兼有钢(强度高)和铝(质地轻)的优点。
光机件常用材料
光机件常用的材料包括光学玻璃、晶体、陶瓷等。
这些材料具有高度的透光性、稳定性和加工性能,是制造光学元件和光学系统的关键材料。
其中,光学玻璃是最常用的材料之一,具有广泛的应用范围和良好的光学性能。
此外,一些高精度和高稳定性的光学元件还需要使用单晶体材料,如硅、锗等。
陶瓷材料也具有优异的热稳定性和化学稳定性,是制造高温和腐蚀环境下使用的光学元件的理想材料。
此外,光机件还需要使用一些辅助材料,如金属材料、绝缘材料等,用于支撑和隔离光学元件。
金属材料如铜、铝等具有良好的导热性和导电性,是制造光学系统中的散热器和电磁线圈等元件的必要材料。
绝缘材料如玻璃纤维、聚酰亚胺等具有良好的绝缘性能和耐高温性能,可以用于制造光学系统中的绝缘层和保护层。
总之,光机件常用的材料需要具备高度的透光性、稳定性和加工性能,同时还需要根据具体的应用需求选择合适的材料。
随着光学技术的不断发展,新的光学材料和制造技术也不断涌现,为光学元件和光学系统的制造提供了更多的选择和可能性。
LED灯具常用结构件材料及特性LED灯具是目前最常见的光源之一,其具有高亮度、低功耗、长寿命等优点,因此在照明领域得到了广泛应用。
LED灯具的结构件材料及特性对于其性能和寿命有着重要影响。
下面是LED灯具常用结构件材料及特性的精选介绍。
1.LED封装材料LED封装材料通常是指用于包裹和保护LED芯片的材料。
常用的LED 封装材料有环氧树脂、有机硅胶等。
环氧树脂具有良好的抗UV性能和优异的绝缘性能,但是对温度敏感,易出现黄变现象;有机硅胶则具有较好的耐高温性能和抗氧化性能,能够提高灯具的寿命。
2.散热材料LED灯具在工作过程中会产生热量,散热材料的选择对于保持灯具的温度稳定至关重要。
常用的散热材料有铝合金、铜、陶瓷等。
铝合金具有较好的导热性能和机械强度,而且重量较轻,适用于大功率LED灯具;铜具有更好的导热性能,但是比铝合金重;陶瓷材料具有优异的导热性能和抗高温性能,适用于高功率和高温的场合。
3.透明材料LED灯具的灯罩通常需要使用透明材料,以保证光线的透过性和均匀性。
常用的透明材料有塑料、玻璃等。
塑料材料通常使用有机玻璃、PC、PP等;有机玻璃透光性好,但易划伤;PC具有较高的机械强度和耐高温性能,但易老化;PP透明度较低,适用于需要减弱光线强度的场合;玻璃材料具有良好的透光性和耐高温性能,但是比较脆弱。
4.导电材料LED灯具中需要使用导电材料连接电路和灯珠。
常用的导电材料有铜、银、金等。
铜具有良好的导电性能和机械强度,广泛应用于灯具的导电板;银具有更好的导电性能和耐腐蚀性能,但成本较高;金则是优质的导电材料,但成本更高,通常在高端产品中应用较多。
以上是LED灯具常用的结构件材料及特性的介绍。
不同的材料具有不同的优势和功能,根据实际需求可以选择合适的材料来提高LED灯具的性能和寿命。