自动扶梯和自动人行道日常维护保养项目(内容)和要求
- 格式:doc
- 大小:412.00 KB
- 文档页数:5
自动扶梯与自动人行道维护保养操作安全规范1范围本标准规定了自动扶梯/自动人行道日常维护保养(以下简称维保)操作安全应遵守的准则。
本标准适用于自动扶梯/自动人行道的维保。
2规范性引用文件下列文件对于本文件的应用是必不可少的。
凡是注日期的引用文件,仅注日期的版本适用于本文件。
凡是不注日期的引用文件,其最新版本(包括所有的修改单)适用于本标准。
GB16899自动扶梯和自动人行道的制造与安装安全规范TSG T5002电梯维护保养规则GB/T33579机械安全危险能量控制方法上锁/挂牌DB14/T1663曳引驱动电梯维护保养操作安全规范3术语和定义3.1维保单位对电梯进行维护保养的单位,可以是电梯生产单位(包括制造、安装、改造、修理,下同)法人机构其分支机构或维保点。
3.2作业人员依据《特种设备安全法》,取得与电梯维护保养相应的特种设备作业人员证的人员。
3.3维护保养对电梯定期进行的清洁、润滑、调整、更换易损件和检查等日常维护和保养性工作,其中清洁、润滑不包括部件的解体,调整和更换易损件不会改变任何电梯性能参数。
4基本要求4.1作业前4.1.1作业人员应经过适当的培训,按照国家有关规定经过特种设备监督管理部门考核合格,取得特种设备作业许可证;拥有足够的知识和经验,并得到其所在维保单位必要的指导和支持,且能够安全地进行所要求的维护保养操作。
4.1.2维护保养前,应了解操作环境、作业内容和安全注意事项。
4.1.3维护保养前,作业人员应配备满足维保要求的工具,计量器具和/或仪器设备。
应确认携带的工具完好、仪器正常、计量器具在检定(校准)有效期内。
4.1.4作业人员应佩戴必要的劳动保护用品,并保持其清洁与可靠,以防护工作岗位上的各种危险情况。
4.1.5作业人员应掌握紧急情况下应急处置的程序和方法。
4.1.6作业人员到达使用单位后,应主动与安全管理人员取得联系,了解近期运行状况,提出需要配合的工作。
4.1.7维保工作进行前,把正在使用的自动扶梯/自动人行道停止运行,应按以下方法进行:a)确保自动扶梯/自动人行道上没有乘客。
30-6 自动扶梯的维护保养维修保养的目的,是为了使电梯始终保持良好的工作状态。
这是一项长期细致的工作,做得好,就减少故障,延长使用寿命。
因此十分重要。
30-6-1 自动扶梯人员基本要求1.人员培训(1)对电扶梯操作人员,应受过技术培训,具备必要的电梯知识,能正确操作电梯和处理运行中出现的各种紧急状态,并能排除一般性的常见故障。
(2)应有专职维修人员,并建立值班制度。
维修人员应受过技术培训,并且取得相应的技术等级上岗证书。
(3)应具备有一定的计算机常识,掌握电梯的工作原理,各部分的主要构造与功能,能分析及排除各种故障,能对电梯进行日常性的维修保养。
2.建立严格的检查保修制度(1)日检查保养制度:每天开机前进行清扫和巡视性检查,及时发现和排除各种不正常现象;保持电气开关机械设备的清洁卫生;应设有电梯工作日记,实行交接班记录。
(2)月检查保养制度:每月检查主控制柜各种器件情况,如PC的CPU模块、各LED显示是否正常,I/O模块和各开关器件、交流接触器、热继电气的动作情况,必须准确可靠。
保持主控制柜内清洁卫生,避免在主控制柜附近堆放杂物。
每月检查故障检测开关、控制开关的工作情况,其信号必须能被计算机准确检测和处理。
(3)季度检查保养制度:对各安全装置进行必要的调整,如电磁制动器或液压制动器和各种故障检测点的限位开关。
对电器控制系统进行工作情况检查,包括各种接触器、继电器、PC、保险器、印刷电路等元件及各接线端子。
(4)年检查保养制度:组织一次全面性的技术检查,包括外壳接地及电气耐压等;并对电梯工作状态作出评价,制订年保养计划。
修理及更换磨损或损坏的主要部件。
30-6-2 自动扶梯的维护1.自动扶梯的一般要求(表30-6-1)自动扶梯维护一般要求表30-6-12.自动扶梯的各部分的日常维护(1)机房1)上、下机房内应保持干燥、严防进水和其他与设备无关的物品。
2)上、下机房温度应保持在5~40℃之间。
3)主开关应保持灵活可靠。
附件D
D1 半月维护半月维护保养
自动扶梯与自动人行道维护保养项目(内容)和要求
表D-1 半月维护保养项目(内容)和要求
D2 季度维护
D3 半年维护
D4 年度维护
表D-4 年度维护保养项目(内容)和要求
表D-2 季度维护保养项目(内容)和要求
季度维护保养项目(内容)和要求除符合D1半月维护保养的项目(内容)和要求外,还应当符合表D-2的项目(内容)和要求。
半年维护保养项目(内容)和要求除符合D2季度维护保养的项目(内容)和要求外,还应当符合表D-3的项目(内容)和要求。
表D-3 半年维护保养项目(内容)和要求
年度维护保养项目(内容)和要求除符合D3半年维护保养的项目(内容)和要求外,还应当符合表D-4的项目(内容)和要求。
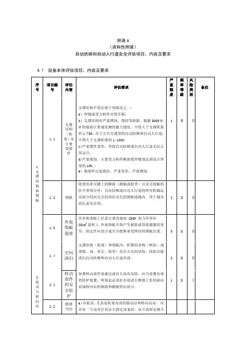
附录A(资料性附录)自动扶梯和自动人行道安全评估项目、内容及要求A.1 设备本体评估项目、内容及要求附录B(资料性附录)风险等级、风险类别评定方法安全评估的操作是基于对自动扶梯与自动人行道部件及子系统危险状况现场检测的,而部件的安全评估指标描述的则是部件的危险状态,因此选取预先危险性分析法,并结合失效模式及影响分析的方法与思想,对部件进行安全评估。
部件危险度评估主要从风险二要素出发,考虑两个方面:危险状态导致伤害的严重程度(事故的严重程度)S以及伤害发生的概率(事故发生的难易程度)P。
数学模型如下:R=f(s,P)=S*P(1)伤害的严重程度(事故的严重程度)S。
事故的危害主要考虑对人员的伤害以及对设备的损害,其中对设备的损害还包括对设备对应功能造成的削弱或丧失。
(2)伤害发生的概率(事故发生的难易程度)P。
根据GB16899的规定,自动扶梯与自动人行道的事故类型主要包括剪切、挤压、坠落、绊倒和跌倒、夹住、火灾、电击以及由于机械损伤、磨损、锈蚀等原因而引起的材料失效等,直接与人身伤害相关的有七种,而材料失效则主要是引发故障后可能对设备及人员造成损害。
部件的不安全状态是引发自动扶梯与自动人行道事故的必要条件,根据部件的功能分析、防护装置的保护情况等,可判断事故发生的难易程度。
评估项目的风险等级由其伤害的严重程度(S)等级和伤害发生的概率(P)等级组合而成。
安全评估机构应当根据伤害发生的严重程度和概率等级对每一个安全评估项目进行风险评定,确定风险等级和风险类别。
B.1 伤害的严重程度(S)根据评估项目的风险,既可能对人身、财产和环境造成的后果,将其严重程度评定为表B.1所列的等级之一。
表B.1 伤害的严重程度(S)等级B.2 伤害发生的概率(P)根据评估项目发生的概率、暴露于危险中的频次和持续时间以及影响、避免或限制伤害的可能性,将其发生的概率评定为表B.2所列的等级之一。
表B.2 伤害发生的概率(P)等级表B.2 伤害发生的概率(P)等级(续)B.3 风险等级通过综合衡量评估项目伤害的严重程度(S)等级和发生的概率(P)等级,按照附录A 的方法组合成表B.3中不同的风险等级。
自动人行道电梯和自动扶梯日常维护保养记录日期:xxxx年xx月xx日设备:自动人行道电梯维护保养记录:1.清洁:定期清洁电梯的外观和内部装饰。
使用柔软的布料和中性清洁剂,避免使用腐蚀性或有刺激性的清洁剂。
2.电气系统:检查电气系统是否正常工作,包括运行按钮、指示灯、紧急停车开关等,确保其灵敏和可靠性。
如发现任何故障或异常,应立即报修并停止使用电梯。
3.机械系统:检查电梯的机械运转是否正常,包括传动系统、刹车系统、导轨系统等。
对于润滑部件,及时添加适量的润滑油。
4.安全装置:定期检查电梯的安全装置是否正常,如紧急停车装置、缓冲装置、轻触保护装置等。
确保这些装置对乘客的安全起到有效的保护作用。
5.紧固件:定期检查电梯的紧固件是否牢固,包括螺丝、螺母、销子等。
如发现松动现象,应及时紧固。
6.紧急救援:进行紧急救援演练,包括启动紧急停车装置、应急通信设备的测试等。
检查应急按钮和通信设备是否正常工作。
7.指标和标识:检查电梯内外的指标和标识是否清晰可见。
如果有任何损坏或模糊不清的情况,应及时更换或修复。
8.定期维保:按照设备维修保养手册或制造商的要求,定期进行维保工作。
包括润滑、清洁、更换磨损部件等。
尤其是关键部件的维保,要做到及时和有效。
备注:设备维护保养记录应于每次维保后填写完整,记录维保的具体内容、维保人员、时间等。
同时做好记录的归档和保管工作。
设备:自动扶梯维护保养记录:1.清洁:定期清洁扶梯的外观和搭乘面,清除积尘和脏物。
使用柔软的刷子和清洁剂,不使用有刺激性的清洁剂。
2.电气系统:检查扶梯的电气系统是否正常工作,包括指示灯、运行按钮等。
如发现故障或异常情况,应及时报修并停止使用扶梯。
3.传动系统:检查扶梯的传动系统是否正常运转,包括链条、链轮等。
如有松动、磨损或缺失,及时进行修复或更换。
4.安全装置:定期检查扶梯的安全装置是否正常,如扶手链断裂装置、紧急停车装置等,确保其稳定和安全。
5.润滑:对扶梯的传动链条、滚轮等部件进行润滑,使用适量的润滑油。
电梯日常维护保养收费标准二、自动扶梯、自动人行道维护保养收费标准收费=基本收费X【1+高(长)度系数+企业系数+使用年限系数+产地系数—集中度系数】(元/台/年)序号项目基本收费(自动扶梯提升高度4.5m、人行道长度8m)备注1 半包4000元承担单件500元以下的电梯配件2 全包6500元承担除主机、控制柜主板、扶手带、变频器以外的配件注:1、高度系数:自动扶梯以提升高度4.5m为准,超过的部分每米加收5%,自动人行道长度以8m为准,每增加1m加收1%,最多加20%;2、企业系数:以C级企业资质为准,B级增加1%,A级增加2%;3、使用年限:≥5年增加10%,≥8年增加20%;4、产地系数:原装进口的增加系数另议;5、集中度系数:同一地区超过30台减少5%。
5三、货梯维护保养收费标准;收费=基本收费X(1+楼层系数+企业系数+距离系数+载重量系数+使用年限系数)(元/台/年)序号项目基本收费(5层/5站) 备注1、半包5000元承担单件500元以下的电梯配件2、全包6600元承担除曳引机、控制柜主板、变频器、曳引钢丝绳、轿厢装饰以外的配件注:1、楼层系数:以5层/5站为准,每增加五层加10%;2、企业系数:以C级企业资质为准,B级增加1%,A级增加2%;3、载重量系数:以1吨载重量为准,每增加1吨增加5%;4、使用年限系数:≥5年增加10%、≥8年增加20%。
四、医梯维护保养的收费按相应层站客梯收费的110%计算。
五、杂物梯维护保养的收费按相应层站客梯收费的35%计算。
6六、电梯日常维护保养收费标准编制说明编制的依据1、电梯日常维护保养的项目和内容电梯日常维护保养的项目和内容应满足四川省地方标准《电梯日常维护保养规则》DB11/418-2007。
2、电梯日常维护保养人工费的测算1)根据地方标准,电梯日常维护保养工作中,现场作业人员不得少于两人。
2)根据现场实测,维保一台10层/10站的乘客电梯,两人完成上述标准的所有项目约用3.5—4小时,即1个工作日。
电梯日常维护保养收费标准二、自动扶梯、自动人行道维护保养收费标准收费=基本收费X【1+高(长)度系数+企业系数+使用年限系数+产地系数-集中度系数】(元/台/年)序号项目基本收费(自动扶梯提升高度4。
5m、人行道长度8m)备注1 半包4000元承担单件500元以下的电梯配件2 全包6500元承担除主机、控制柜主板、扶手带、变频器以外的配件注:1、高度系数:自动扶梯以提升高度4。
5m为准,超过的部分每米加收5%,自动人行道长度以8m为准,每增加1m加收1%,最多加20%;2、企业系数:以C级企业资质为准,B级增加1%,A级增加2%;3、使用年限:≥5年增加10%,≥8年增加20%;4、产地系数:原装进口的增加系数另议;5、集中度系数:同一地区超过30台减少5%.5三、货梯维护保养收费标准;收费=基本收费X(1+楼层系数+企业系数+距离系数+载重量系数+使用年限系数)(元/台/年)序号项目基本收费(5层/5站)备注1、半包5000元承担单件500元以下的电梯配件2、全包6600元承担除曳引机、控制柜主板、变频器、曳引钢丝绳、轿厢装饰以外的配件注:1、楼层系数:以5层/5站为准,每增加五层加10%;2、企业系数:以C级企业资质为准,B级增加1%,A级增加2%;3、载重量系数:以1吨载重量为准,每增加1吨增加5%;4、使用年限系数:≥5年增加10%、≥8年增加20%。
四、医梯维护保养的收费按相应层站客梯收费的110%计算。
五、杂物梯维护保养的收费按相应层站客梯收费的35%计算.6六、电梯日常维护保养收费标准编制说明编制的依据1、电梯日常维护保养的项目和内容电梯日常维护保养的项目和内容应满足四川省地方标准《电梯日常维护保养规则》DB11/418-2007。
2、电梯日常维护保养人工费的测算1)根据地方标准,电梯日常维护保养工作中,现场作业人员不得少于两人。
2)根据现场实测,维保一台10层/10站的乘客电梯,两人完成上述标准的所有项目约用3。
自动扶梯与自动人行道半月维护保养项目(33项)内容和要求
序号
维护保养项目(内容)电器部件维护保养基本要求清洁,接线紧固
1
3设备运行状况正常,没有异常声响和抖动
4主驱动链运转正常,电气安全保护装置动作有效
5制动器机械装置清洁,动作正常
6制动器状态监测开关工作正常
7减速机泗滑油油量适宜,无渗油
8电机通风口清洁
9检修控制装更工作正常
10自动泄滑油罐油位油位正常,涧滑系统工作正常
11梳齿板开关工作正常
12梳齿板照明照明正常
13
梳齿板梳齿与踏板面齿槽、导向胶带梳齿板完好无损,梳吉板梳齿■与踏板面齿槽、导向胶带啮合正
常
14梯级或者踏板下陷开关工作正常
15梯级或者踏板块失监测装矍工作正常
16超速或非操纵逆转监测装蜜工作正常
17检修盖板和楼层板防倾覆或者翻转措施和监控装置有效、可靠
18梯级链张紧开关位置正确,动作正常
19防护挡板有效,无破损
20梯级滚轮和梯级导轨工作正常
21梯级、踏板与围裙板之间的间隙任何一侧的水平间隙及两侧间隙之和符合标准值
22运行方向显示工作正常
23扶手带入口处保护开关动作灵活可靠,清除入口处垃圾
24扶手带表面无毛刺,无机械损伤,运行无摩擦
25扶手带运行速度正常
26扶手护壁板牢固可靠
27上下出入口处的照明工作正常
28上下出入口和扶梯之间保护栏杆牢固可靠
29出入口安全警示标志齐全,醒目
30分离机房、各驱动和转向站清洁,无杂物31自动运行功能工作正常32紧急停止开关工作正常33驱动主机的固定牢固可靠。
自动扶梯和自动人行道电梯日常维护保养记录记录日期:2024年7月1日设备名称:自动扶梯1号维护保养人员:李工维护保养内容:1.检查扶梯运行时是否存在异常声音或振动,经过观察未发现异常情况。
2.清理扶梯滚轮和导轨上的积尘,保持其干净。
3.检查扶梯链条的松紧度,调整松紧度到适当的程度。
4.润滑扶梯链条,使用适量的润滑油进行喷润滑。
5.检查扶梯的安全开关是否灵敏,通过测试确认其正常工作。
6.检查扶梯的防护装置是否完好,包括护栏和安全警示标志。
7.检查扶梯的照明设备是否正常,更换需要更换的照明灯。
8.检查扶梯的紧急停机装置是否正常,经过测试确认其正常工作。
记录日期:2024年7月5日设备名称:自动人行道电梯1号维护保养人员:王工维护保养内容:1.检查人行道运行时是否存在异常声音或振动,经过观察未发现异常情况。
2.清理人行道滚轮和导轨上的积尘,保持其干净。
3.检查人行道链条的松紧度,调整松紧度到适当的程度。
4.润滑人行道链条,使用适量的润滑油进行喷润滑。
5.检查人行道的安全开关是否灵敏,通过测试确认其正常工作。
6.检查人行道的防护装置是否完好,包括护栏和安全警示标志。
7.检查人行道的照明设备是否正常,更换需要更换的照明灯。
8.检查人行道的紧急停机装置是否正常,经过测试确认其正常工作。
记录日期:2024年7月10日设备名称:自动扶梯2号维护保养人员:李工维护保养内容:1.检查扶梯运行时是否存在异常声音或振动,经过观察未发现异常情况。
2.清理扶梯滚轮和导轨上的积尘,保持其干净。
3.检查扶梯链条的松紧度,调整松紧度到适当的程度。
4.润滑扶梯链条,使用适量的润滑油进行喷润滑。
5.检查扶梯的安全开关是否灵敏,通过测试确认其正常工作。
6.检查扶梯的防护装置是否完好,包括护栏和安全警示标志。
7.检查扶梯的照明设备是否正常,更换需要更换的照明灯。
8.检查扶梯的紧急停机装置是否正常,经过测试确认其正常工作。
记录日期:2024年7月15日设备名称:自动人行道电梯2号维护保养人员:王工维护保养内容:1.检查人行道运行时是否存在异常声音或振动,经过观察未发现异常情况。
TSG 特种设备安全技术规范TSG T5002—2017电梯维护保养规则Lift Maintenance Regulation中华人民共和国国家质量监督检验检疫总局颁布2017年1月16日前言为配合《特种设备使用管理规则》(TSG 08—2017)及其他相关电梯安全技术规范的颁布施行并与其协调,国家质量监督检验检疫总局(以下简称国家质检总局)特种设备安全监察局(以下简称特种设备局)对原《电梯使用管理与维护保养规则》(TSG T5001—2009,以下简称原规则)进行了紧急修订,删除了其中使用管理相关内容,对维护保养的内容做了相应调整和完善,形成了《电梯维护保养规则》送审稿,并送国家质检总局特种设备安全与节能技术委员会审议。
根据专家审议意见,对规则进行了必要修改后形成报批稿。
2017 年1 月16 日,由国家质检总局批准颁布。
本规则由上海三菱电梯有限公司乔强根据原规则进行整理;相关电梯型式试验机构、检验机构和生产单位人员参加了修订。
原规则主要起草单位和人员如下:北京市质量技术监督局刘新华周沛国家质检总局特种设备局何毅北京市特种设备检测中心赵伯锐张弟华上海市质量技术监督局顾卫东张元培新疆维吾尔自治区质量技术监督局潘文筠深圳市特种设备安全检验研究院刘锡奎广东省质量技术监督局姚良宏黄永盛奥的斯电梯(中国)投资有限公司蒋灏日立电梯(中国)有限公司曾健智上海三菱电梯有限公司王志平北京希望电梯有限责任公司刘萍目录电梯维护保养规则 (1)附件 A 曳引与强制驱动电梯维护保养项目(内容)和要求 (4)附件B 液压驱动电梯维护保养项目(内容)和要求 (8)附件C 杂物电梯维护保养项目(内容)和要求 (12)附件D 自动扶梯与自动人行道维护保养项目(内容)和要求 (15)电梯维护保养规则第一条为了规范电梯维护保养行为,根据《中华人民共和国特种设备安全法》《特种设备安全监察条例》,制定本规则。
第二条本规则适用于《特种设备目录》范围内电梯的维护保养(以下简称维保) 工作。
自动扶梯与自动人行道的维护保养规程1 了解自动扶梯运行情况技术规程:①向甲方主管人员、维修人员和自动扶梯驾驶员,询问本周期自动扶梯运行情况和故障情况;②查阅自动扶梯急修记录本。
检验标准:①查阅自动扶梯的故障和修理记录;②查阅保养记录和工作签证。
2 设立必要维修安全措施技术规程:①维修保养前,必须先设置安全栏杆和“自动扶梯正在维修禁止使用”的牌子(上下各一);②维修保养中必要时可切断电源总开关,并在开关上挂上正在维修,禁止合闸的牌子;③如果检修的梯级已从扶梯上拆下,只允许用“检修盒”以检修速度操作扶梯点动,梯级上不准站人;④维修保养结束,必须检查扶梯内不得遗留任何杂物和工具。
检验标准:①要求栏杆及障碍物能醒目并有效地阻止人们进入现场;②确保自动扶梯在维修保养时不随便启动;③特别是梯路里有人时,可切断电源总开关,必要时可上锁。
3 优先处理紧急情况技术规程:如遇到因故障而停梯的时候首先排除故障。
4 梯路系统保养技术规程:①拆掉3只检修梯级;②观察梯级导轨;③检查梯级链条及张紧度;④逐个检查梯级;⑤察看梯级下陷保护装置;⑥检查梯级二侧与挡轮间隙。
检验标准:①运行时平稳,无异常噪声;②梯级出入梳齿板时能对准中心,梳齿啮入梯槽内深度符合标准;③检查立杆的距离是否符合标准;④防偏轮与梯级二侧面的距离必调整到规定距离。
5 扶手系统保养技术规程:①检查扶手带的出入口;②检查扶手带的运行速度是否与梯级同步;③检查扶手带的表面和里面有无明显伤痕和摩擦迹象;④扶手带的张紧度;⑤检查扶手带转向端;⑥检查扶手滑轮群及托辊;⑦检查扶手带摩擦轮;⑧扶手带表里的清洁工作。
检验标准:①观察扶手带上、下运行时,是否在护口中间;②运行速度与梯级运行之差是否符合本企业标准;③检查扶手带有无钢丝外露和伤痕来源,并排除之;④扶手带的张紧度是否符合本企业标准,不符合可以调整;⑤滑轮群和托辊必须运转自如、平稳、无噪声。
摩擦轮的磨损情况。
6 检查安全保护装置技术规程:①扶手带断带安全开关;②裙板安全开关;③梯级下陷保护开关;④梯级链断链开关;⑤超速保护开关;⑥扶手带入口保护开关;⑦梳齿板安全开关;⑧主驱动链断链保护开关;⑨非操作逆转保护开关;⑩梯级上跳开关;⑾断错相保护器;⑿热过载保护器。
自动扶梯和自动人行道日常维护保养记录日期:2024年10月1日时间:9:00-10:00地点:XX商场项目一:外观检查在开始维护保养之前,我们首先对自动扶梯和自动人行道的外观进行了全面的检查。
我们检查了扶梯和人行道的表面是否平整,是否有破损和脏污,是否有明显的裂缝和松动的部件。
所有表面都没有问题,并及时清洗了扶梯和人行道的表面。
项目二:安全带检查接下来,我们检查了自动扶梯和自动人行道的安全带是否完好,并测试了其工作状态。
我们确保安全带没有磨损、干裂或断裂,能够正常地张紧和放松。
测试结果显示,所有安全带工作正常,无需更换。
项目三:链轮和链条润滑为了确保自动扶梯的正常运转,我们对链轮和链条进行了润滑。
我们使用了专用的链条润滑剂,并确保每个链条的润滑情况。
在检查过程中,我们发现了一个链轮的润滑情况不佳,我们及时给予了维修,并更换了润滑剂。
项目四:电源系统检查电源系统是自动扶梯和自动人行道的核心部件,我们对其进行了全面的检查。
我们检查了电源线是否损坏,电源开关是否正常,电压是否稳定等。
检查结果显示,电源系统正常工作,没有任何问题。
项目五:遥控器功能测试为了确保自动扶梯和自动人行道的远程控制功能正常,我们测试了遥控器的功能。
我们使用遥控器开关了自动扶梯和自动人行道,测试了其正常启动、停止和调速的功能。
测试结果显示,遥控器正常工作,所有功能都正常。
项目六:安全报警系统测试安全报警系统是自动扶梯和自动人行道的重要保护措施,我们对其进行了测试。
我们模拟了一个紧急情况,并触发了安全报警系统。
测试结果显示,安全报警系统正常工作,能够及时响应并停止运行。
根据以上的维护保养记录,自动扶梯和自动人行道的运行状态良好,各项功能正常。
我们建议继续进行定期的维护保养,以确保其长期的正常运行和安全使用。
电梯日常维护保养收费标准二、自动扶梯、自动人行道维护保养收费标准收费=基本收费X【1+高(长)度系数+企业系数+使用年限系数+产地系数—集中度系数】(元/台/年)序号项目基本收费(自动扶梯提升高度4.5m、人行道长度8m)备注1 半包4000元承担单件500元以下的电梯配件2 全包6500元承担除主机、控制柜主板、扶手带、变频器以外的配件注:1、高度系数:自动扶梯以提升高度4.5m为准,超过的部分每米加收5%,自动人行道长度以8m为准,每增加1m加收1%,最多加20%;2、企业系数:以C级企业资质为准,B级增加1%,A级增加2%;3、使用年限:≥5年增加10%,≥8年增加20%;4、产地系数:原装进口的增加系数另议;5、集中度系数:同一地区超过30台减少5%。
5三、货梯维护保养收费标准;收费=基本收费X(1+楼层系数+企业系数+距离系数+载重量系数+使用年限系数)(元/台/年)序号项目基本收费(5层/5站)备注1、半包5000元承担单件500元以下的电梯配件2、全包6600元承担除曳引机、控制柜主板、变频器、曳引钢丝绳、轿厢装饰以外的配件注:1、楼层系数:以5层/5站为准,每增加五层加10%;2、企业系数:以C级企业资质为准,B级增加1%,A级增加2%;3、载重量系数:以1吨载重量为准,每增加1吨增加5%;4、使用年限系数:≥5年增加10%、≥8年增加20%。
四、医梯维护保养的收费按相应层站客梯收费的110%计算。
五、杂物梯维护保养的收费按相应层站客梯收费的35%计算。
6六、电梯日常维护保养收费标准编制说明编制的依据1、电梯日常维护保养的项目和内容电梯日常维护保养的项目和内容应满足四川省地方标准《电梯日常维护保养规则》DB11/418-2007。
2、电梯日常维护保养人工费的测算1)根据地方标准,电梯日常维护保养工作中,现场作业人员不得少于两人。
2)根据现场实测,维保一台10层/10站的乘客电梯,两人完成上述标准的所有项目约用3.5 —4小时,即1个工作日。
质量体系文件编号:电梯维保计划方案--适合曳引式电梯、杂物电梯、液压电梯、自动扶梯及自动人行道合同号:梯号:项目名称用户单位安装单位项目地址编制日期审核日期批准日期*********有限公司一、目的:为了规范电梯的使用管理与日常维护保养,细化对工作的要求,提高所维保电梯的安全性能。
按照TSG T5002-2017《电梯使用管理与维护保养规则》及其有关安全技术规范以及电梯产品安装使用维护说明书的要求,根据保养电梯使用的特点,制定维保计划方案书。
并制定电梯维保计划。
二、人员配备与维修保养服务承诺:我公司对维保电梯的安全性能负责。
对新承担维保的电梯是否符合安全技术规范要求应当进行确认,维保后的电梯应当符合相应的安全技术规范,并且处于正常的运行状态。
1、每个班组由两人或两人以上对电梯进行维修保养,维修保养完后,及时进行详细的记录;2、制定电梯的应急措施和救援预案、每半年至少针对本单位维保的不同类别(类型)电梯进行一次应急演练。
3、设立24小时维保值班电话,保证接到故障通知后及时予以排除,接到电梯困人故障报告后,维修人员及时抵达所维保电梯所在地实施现场救援,区内的抵达时间不超过30分钟,其他地区一般不超过1小时;4、对电梯发生的故障等情况,及时进行详细的记录;5、建立每部电梯的维保记录,并且归入电梯存档档案,档案至少保存4年;6、协助使用单位制定电梯的安全管理制度何应急救援预案;7、对承担维保的作业人员进行安全教育与培训,按照特种社保作业人员考核要求,组织取得相应的《特种社保作业人员证》,培训和考核记录存档备查,日常做的对维修人员进行的安全教育与培训的培训和考核记录也需存档备查;8、每年度至少进行1次自行检查,自行检查在特种设备检验检测机构进行定期检验之前进行,自行检查项目不少于年度维保和电梯定期检验规定的项目及其内容,并且向使用单位出具有自行检查和审核人员的签字、加盖维保单位公章或者其它专用章的自行检查记录或者报告;9、安排维保人员配合特种设备检验检测机构进行电梯的定期检验;10、在维保过程中,发现事故隐患及时告知电梯使用单位;发现严重事故隐患,及时向当地质量技术监督部门报告。
可编辑修改精选全文完整版自动扶梯的维护保养方案维修保养的目的,是为了使电梯始终保持良好的工作状态。
这是一项长期细致的工作,做得好,就减少故障,延长使用寿命。
因此十分重要。
一、自动扶梯人员基本要求1.人员培训(1)对电扶梯操作人员,应受过技术培训,具备必要的电梯知识,能正确操作电梯和处理运行中出现的各种紧急状态,并能排除一般性的常见故障。
(2)应有专职维修人员,并建立值班制度。
维修人员应受过技术培训,并且取得相应的技术等级上岗证书。
(3)应具备有一定的计算机常识,掌握电梯的工作原理,各部分的主要构造与功能,能分析及排除各种故障,能对电梯进行日常性的维修保养。
2.建立严格的检查保修制度(1)日检查保养制度:每天开机前进行清扫和巡视性检查,及时发现和排除各种不正常现象;保持电气开关机械设备的清洁卫生;应设有电梯工作日记,实行交接班记录。
(2)月检查保养制度:每月检查主控制柜各种器件情况,如PC的CPU模块、各LED显示是否正常,I/O模块和各开关器件、交流接触器、热继电气的动作情况,必须准确可靠。
保持主控制柜内清洁卫生,避免在主控制柜附近堆放杂物。
每月检查故障检测开关、控制开关的工作情况,其信号必须能被计算机准确检测和处理。
(3)季度检查保养制度:对各安全装置进行必要的调整,如电磁制动器或液压制动器和各种故障检测点的限位开关。
对电器控制系统进行工作情况检查,包括各种接触器、继电器、PC、保险器、印刷电路等元件及各接线端子。
(4)年检查保养制度:组织一次全面性的技术检查,包括外壳接地及电气耐压等;并对电梯工作状态作出评价,制订年保养计划。
修理及更换磨损或损坏的主要部件。
二、自动扶梯的维护1.自动扶梯的一般要求(表1)自动扶梯维护一般要求表12.自动扶梯的各部分的日常维护(1)机房1)上、下机房内应保持干燥、严防进水和其他与设备无关的物品。
2)上、下机房温度应保持在5~40℃之间。
3)主开关应保持灵活可靠。
自动扶梯与自动人行道维修作业指导书(通用版)自动扶梯与自动人行道维修作业指导书(通用版)1. 介绍本指导书旨在提供自动扶梯与自动人行道的维修作业指导,以确保其正常运行和安全使用。
操作人员应仔细阅读并遵守本指导书的规定。
2. 安全注意事项在进行维修作业前,请务必注意以下安全事项:- 确保操作人员熟悉自动扶梯与自动人行道的结构和工作原理;- 确保操作人员具备必要的维修技能和知识;- 确保按照操作手册的要求进行操作;- 在维修作业期间,必须戴好个人防护装备,如安全帽、防护眼镜、手套等;- 维修期间,必须设置有效的安全警示标志,并采取适当的安全防护措施;- 禁止未经授权的人员操作和接近维修区域;- 若发现任何异常情况或安全隐患,应立即停止维修作业,并向相关部门报告。
3. 维修流程3.1 准备工作- 确保维修区域干燥、整洁,并清除杂物;- 关闭电源并断开电源线;- 根据维修需要,准备相应的工具和材料。
3.2 维修步骤1. 检查电气系统- 检查电气接线是否完好;- 检查电源线、控制线是否连通;- 若发现异常,修复或更换相关部件。
2. 检查机械部件- 检查链条、带条、导轨等机械部件的磨损情况;- 做好润滑保养工作;- 若发现磨损或故障,修复或更换相关部件。
3. 检查安全装置- 检查紧急停机装置是否灵敏可靠;- 检查手动停机装置是否正常;- 检查防夹手装置是否工作正常。
4. 检查运行状况- 打开电源,检查自动扶梯或自动人行道的运行状况;- 观察是否存在异常噪音、振动或其他问题;- 若发现异常,及时排除故障。
3.3 维修记录和报告在维修完成后,应当及时记录维修情况,并向相关部门报告,包括但不限于以下内容:- 维修日期、时间;- 维修项目和维修内容;- 使用的工具和材料;- 维修人员姓名和联系方式;- 维修后的运行状况。
4. 维修周期和保养为确保自动扶梯和自动人行道的正常运行和安全使用,建议定期进行维修和保养工作。
自动扶梯和自动人行道日常维护保养项目(内
容)和要求
-CAL-FENGHAI-(2020YEAR-YICAI)_JINGBIAN
自动扶梯和自动人行道
日常维护保养项目(内容)和要求
D1半月维保项目(内容)和要求
半月维护项目(内容)和要求见表D-1
表D-1半月维护项目(内容)和要求
D2 季度维保项目(内容)和要求
季度维保项目(内容)和要求除符合D1的要求外,还应当符合表D-2的要求。
表D-2季度维保项目(内容)和要求
D3 半年维保项目(内容)和要求
半年维保项目(内容)和要求除符合D2的要求外,还应当符合表D-3的要求。
表D-3半年维保项目(内容)和要求
D4年度维保项目(内容)和要求
年度维保项目(内容)和要求除符合D3的要求外,还应当符合表D-4的要求。
表D-4年度维保项目(内容)和要求。